Главная Юзердоски Каталог Трекер NSFW Настройки

Домострой

Ответить в тред Ответить в тред
Check this out!
<<
Назад | Вниз | Каталог | Обновить | Автообновление | 625 135 237
Электротред №54 Аноним 03/08/25 Вск 16:58:51 370701 1
1676543420gagar[...].jpg 991Кб, 2112x2816
2112x2816
132861.jpg 62Кб, 480x637
480x637
K7FfhzIrs0KqzOP[...].jpg 151Кб, 1000x750
1000x750
Прошлый: >>360438 (OP)

Доковидный платиновый гайд по теме, требует актуализации специалистом:
№1 — В большей части щитов стоит IEK/EKF/DEKraft/TDM-говно, вот и ты ставь, а ABB/Шнайдер/Легранд — оверпрайс
— Скупой платит дважды, мамкин экономист - трижды. Если нужна защита, а не ее макет, сэкономить не выйдет: АББ, Шнайдер, Легранд, Сименс, Хагер, ABL, Итон, Хюндай твой выбор без вариантов.
Розетки с выключателями – все те же самые производители. Более бюджетные на свой страх и риск - Симон, Вессен, Нильсон. Главное - не брать говно вроде Лезарда (хотя выключатели у них годные), Макела, Фазенды, Universal, Светозар, Белтиз и прочего шлака, даже если там керамика – на этом плюсы кончаются.

№2 - скрутка, пайка, опрессовка, Wago или что там еще есть?
— В плане надёжности на первом месте стоит качественно сделанная опаяная/обваренная скрутка или обжатое хорошими(!) пресс-клещами (а не плоскогубцами, блеять!) соединение > винтовые клеммники с прижимной шайбой/скобой и прочие прокалывающие и винтовые сжимы (Если не частный дом или прочий сарай, оно тебе скорее всего и не нужно) >> Дно (хотя на свет пойдет) >> оригинальные Ваго 222 (осторожно, холивар: http://www.mastergrad.com/forums/t257478-tayny-goryashchih-klemmnikov-wago/ ) > оригинальные Ваго 773/2773 и СИЗы >> Стучат снизу >> простая скрутка (запрещено на территории РФ) > неоригинальные клоны Ваго (TDM и прочий китай) > китайские винтовые зажимы типа ЗВИ и прочее разнообразное говно.
Кстати, Ваго, как и винтовые клеммы, считаются разъёмными соединениями, поэтому замуровывать их нельзя, а оставлять доступным для обслуживания, например в распредкоробках.

№3 - поменял проводку, а в древнем щите земли нет. Можно ли цеплять на ноль?
Нельзя. Жилу изолируем до лучших времен - капремонта ВРУ и ее перехода на современную систему заземления. В розетках к "земле" тем более не цепляем, иначе один неисправный прибор убьет все остальное и тебя.

— На какой высоте ставить розетки и в какую сторону должен включаться выключатель?
Норм нет. Если ты извращенец, можешь запилить выключатели хоть у самого пола и пинать их ногой, ты не первопроходец, как минимум сотня таких ебланов уже есть, а розетки хоть под самый потолок, чтобы карланам жизнь малиной не казалась.
"Обычный вариант", оттестированный парой последних поколений потреблядей, предполагает размещение розеток на высоте 20-30 см от пола. Если выключатель стоит по евростандарту, на уровне хуя - то его удобнее включать вниз. А если выключатели расположены по совковым стандартам, на уровне лица, то наоборот удобнее и привычнее включать вверх, а выключать вниз.
А вообще - как удобно, лишь бы не нарушало ПУЭ и ССЗБ. (выдерживай минимальные безопасные расстояния до труб отопления/газа, моек и т.д.)

— УЗО
— на ванную обязательно, все остальные комнаты – настоятельно рекомендуется, вне зависимости, есть или нет PE. Рабочий ток УЗО — не менее суммы отходящих автоматов, либо номинала вводного.
Ток срабатывания — не более 30 мА. На ванную (да и на все мокрые зоны, в том числе всякие посудомойки) лучше ставить 10 мА, хотя допускается и 30. Ибо 30 мА ебашит на порядок сильнее, чем 10. Ты-то, жиробасина, выживешь, а твой хрупкая тня, личинус или ле маман - не факт.
Не слушать вскукареки о том, что от бойлера и стиралки УЗО будет отрубаться - ток утечки в 10 мА при исправном оборудовании это овердохуя и говорит лишь о том, что бойлер или тэн стиралки мечтает убить всех человеков и хочет ремонта. (Если, конечно, на этом узо уже висит полкоттеджа, вероятно будет фейл: микроутечки будут складываться, превышая порог срабатывания)
УЗО бывают электронные и электромеханические. Предпочтение следует отдавать последним. Ещё бывают типа АС и А. Предпочтение следует отдавать последним, так как они сработают и при утечке одного полупериода синусоиды (что бывает со всякой сложной техникой), хотя и первые правилами не запрещены.

— Чем отличается УЗО от дифавтомата?
— Дифавтомат – это автомат + УЗО в одном корпусе. Экономит место в маленьком щитке за счет большей стоимости.

— Кабель, сечение, номиналы автоматов…
По нормам ПУЭ для жилых помещений и адекватной цене - минималочка - ВВГнг-LS (можно и дороже и лучше, если параноик). NYM и ВВГ без индексов нг-LS - кроилово. Если же "электрик" предлагает вам для стационарной проводки ПНУП, ШВВП, ПВС и т.п. - гнать уебка поганой метлой.
— Розетки - максимум 16 А. Свет — 6 или 10 А. На остальные потребители – в соответствии с п.3.1.4 ПУЭ. Для меди на 220 В домач рекомендует следующий ряд "Автомат-Сечение": 6-10 А – 1,5 мм2, 16 А – 2,5 мм2, 20-25 А – 4 мм2, 32 A - 6 мм2, 40 А - 8 мм2, 50 А - 10 мм2.
Для уставшего люминия - на один размер меньше.
Еще один нюанс - для однофазной электрической плиты по СП 31-110-2003 сечение линии должно составлять не менее 6 мм2 вне зависимости от ее мощности.

— Положняк по лампочкам. (возможно, устарело)
— Качественный LED (неадекватная цена после крымнаш) => Накаливания > LED > люминесцентные => галоген
Ебаться нужно с 2 предпоследними, спектр которых оставляет желать лучшего. Для домашнего применения индекс цветопередачи CRI >= 80 достаточен. У галогенок CRI все 100, но это не значит, что их свет соответствует дневному. Так что если тебе нравится ссанина 3000К вместо света и ты готов мириться с высоким расходом энергии, можешь применять и галогенки. Наш же выбор – экономичные и современные источники света, с нормальной цветовой температурой 4500-6500К. При этом мощность нужно выбирать соответствующую, а не бабушкины 700 лм, как у 60-ваттной лампочки накаливания на целую комнату. При 4500К (нейтральный белый) интенсивность освещения рекомендуется ставить в несколько раз большую, чем таковая была бы комфортной при 2700К, иначе будет как в морге. 6500К – на любителя, могу порекомендовать если у вас жёлтые обои в комнате.

— А что насчет МЕРЦАНИЯ LED?
— Хуёво, ибо китайский рандом. Причём попадаются дорогие модели, которые мерцают как ёбаный стробоскоп - потому лучше брать вживую. К счастью, частота мерцаний у них одинаковая - удвоенная частота питающей сети, и если лампочка заметно мерцает, это можно увидеть невооружённым глазом. При покупке проси продавца воткнуть её и посмотреть как она светит. Если отойти метра на 2 и резко отвести взгляд в сторону, то можно увидеть след, который может быть в виде равномерного яркого хвоста, как от лампы накаливания (хорошая лампа с ШИМ-контроллером), либо пятнышками (простой балласт с фильтрующим конденсатором), либо в худшем случае - в виде чёткой пунктирной линии (балласт без фильтрующего конденсатора) - такие лампочки вообще не стоит покупать, глаза от них повытекают.

- Не штроби горизонтально, сука, не штроби!
Если не хочешь воздвигнуть незапланированный зиккурат на месте своего коммиблока, никогда не дрочи горизонтальных штроб под проводку. А несущие перекрытия пола и потолка, кроме для просверливания 2 дырок под шторки, трогать вообще НЕЛЬЗЯ.
Как тянуть, если нельзя делать подобные штробы, а старые каналы забиты строительным дерьмом? Разводить под натяжным потолком или в стяжке, а затем вертикально опускать-поднимать по стенами(в сейсморегионах нельзя и этого), либо внешняя проводка. Не можешь или не хочешь так делать? Не делай вообще.(https://mastergrad.com/forums/t269305-sbornaya-tema-po-voprosam-shtrobleniya-sten/ )

Напоминание о ТБ
Никогда не работай под напряжением. Если все таки пришлось, пользуйся защитой. НИКОГДА не забывай про очки(!) - от внезапной окалины/дуги диэлектрические боты и перчатки не спасут и никакая реакция от ехидной окалины в глаз не поможет.

Полезное.
Правила устройства электроустановок
https://minstroy.gov-murman.ru/files/4.14-_-pue_tekst.pdf
Аноним 03/08/25 Вск 16:59:40 370703 2
Аноним 05/08/25 Втр 10:29:11 370778 3
Нужно протянуть на даче свет в беседку по воздуху, посоветуйте марку кабеля, чтобы от УФ не разложился.
Аноним 05/08/25 Втр 10:38:23 370779 4
provolhovruСоед[...].png 191Кб, 399x297
399x297
dsshemes-zv-tr-[...].jpg 249Кб, 1920x1577
1920x1577
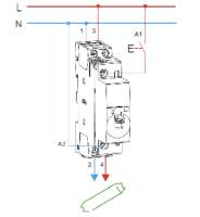
Здравствуй электрач. Объясните как двигло не сгорает когда переходишь со звезды на треугольник??
Чат гпт несет какую то ересь
Аноним 05/08/25 Втр 16:07:48 370816 5
>>370703
И как адаптировать этот словесный понос? Никакой конкретики, тестов и ответов на вопросы.

На ютубе только тесты стариннах лет, когда обычный челик мог себе позволить купить десяток узо и протестировать их.
https://www.youtube.com/watch?v=W13uH4tIvf8

Сейчас никто такие тесты не снимет, все блогеры либо рекламные, либо за копейку удушаться, да и УЗО теперь стоит нескольоко тыщ, особо не настестируешься, а монетизации у ютуба больше нет, ведь только выиграли, поэтому теперь дефицит инфы.

И в отстуствии инфы причмокивая обсуждать все эти бернды смысла никакого тоже нет. О чём причмокивать? О том как криво или косо надпись напечатана?

Про какие-то документы, бумажки бубнит, лол, тут чо компании сидят? Здесь люди конкретные, которым в дом и квартиру надо автомат, узо повесить, я куплю легранд/абб/шнайдер в крупном магазине и мне похуй, что это серый импорт. А если такого нет, то и без разницы чо покупать, всё китайское дерьмо.
Аноним 07/08/25 Чтв 14:39:21 370957 6
Здарова.
Хочу на кухню индукционную варочную панель и электро духовой шкаф, сеть в квартире однофазная. Розетка же это не потянет, надо отдельную линию от счетчика вести?
Аноним 07/08/25 Чтв 14:43:52 370958 7
>>370957
Вот прямо в шапке:
> для однофазной электрической плиты по СП 31-110-2003 сечение линии должно составлять не менее 6 мм2 вне зависимости от ее мощности.
Если у тебя дом газифицированный, то, разумеется, никакими 6 мм2 у тебя не пахнет, и тебе потребуется дополнительная линия.
> и электро духовой шкаф
А эти не нормированы, поэтому их можно включать в бытовую 16 А (т.е. 3,5 кВт) розетку. (Только если включишь одновременно с чайником и бойлером, что-нибудь отъебнёт. Если автоматы современные - просто выбьет, если совковые чёрные - проводка отгорит.)
Аноним 07/08/25 Чтв 19:55:33 370975 8
>>370958
Спасибо. Те от выходов счетчика подключиться проводом на 6 квадратов будет норм?
Аноним 07/08/25 Чтв 20:49:40 370979 9
>>370975
нет
сначала автомат
Аноним 07/08/25 Чтв 21:53:00 370980 10
>>370979
А если счетчик стоит меркурий 205.1 как через него эту отдельную линию провести?
Аноним 07/08/25 Чтв 23:34:46 370990 11
>>370980
У тебя после счётчика должны стоять автоматы. Добавь ещё один, подключи, протягивай провод.
И вообще, такие вопросы надо задавать, прикладывая фотографию того, что у тебя в щитке.
Аноним 08/08/25 Птн 11:29:40 371022 12
92600822.webp 53Кб, 1200x800
1200x800
Хочу поменять всратый пучок скруток на щиток с автоматами на даче, но на медь менять не хочу.
Применять обычную нулевую шину для алюминия мне не нравится: винт слишком легко передавливает провод. Есть ли варианты лучше?
Аноним 08/08/25 Птн 12:46:30 371031 13
Аноним 08/08/25 Птн 19:48:30 371057 14
000 (1).jpg 134Кб, 960x1280
960x1280
000 (2).jpg 82Кб, 960x1280
960x1280
000 (3).jpg 79Кб, 1280x960
1280x960
Есть тут электрики? Нужно зажать провод в нулевую шину, но у неё сечение отверстия очень большое и винт плохо прижимает провод.

Сделал вот такую хуёвину, норм тема? Сойдёт? Или со временем винт провалися промеж жил?
Аноним 08/08/25 Птн 21:50:29 371075 15
>>371057
Малаца, хорошо сделал. (Но я электрик не настоящий, провод на свалке нашёл.)
IEK - говно.
Аноним 08/08/25 Птн 22:29:40 371077 16
>>371057
Можно было просто вдвое сложить и все, нахуя ты че-то там крутил? Если такой трясун, проще нулевой провод в 1 сечение перекинуть сквозь шину, закрутить, остаток загнуть крючков поверх
Аноним 08/08/25 Птн 22:30:38 371078 17
Аноним 08/08/25 Птн 22:33:09 371080 18
>>371077
Скрутка провода с шиной - зрелище, наверное, то ещё...
Аноним 08/08/25 Птн 22:49:28 371085 19
>>371057
У тебя пять дырок, на три провода, сделай аналог гребёнки, пусть каждый провод заходит в две дырки и всё.
Аноним 08/08/25 Птн 23:03:05 371086 20
>>371077
Головой пизданись об стенку, слабоумная хуета.
Если ты просто сложишь, он разъедется при затяжке, чтобы это опнять, я хуй знает, ну 20 iq достаточно, ты стеломоем вымыл себе мозги? Как можно быть таким тупорылым ебланом?

>>371085
Очевидно щит в процессе сбора и остальные отверстия будут заполнены позже.
Аноним 08/08/25 Птн 23:05:27 371087 21
>>371086
Фу быть таким токсичным, анон.
Проследуй в /б/.
Аноним 08/08/25 Птн 23:09:30 371091 22
IMG202508082306[...].jpg 3385Кб, 3000x4000
3000x4000
IMG202508082307[...].jpg 3454Кб, 4000x3000
4000x3000
>>371086
> он разъедется при затяжке
> 20 iq достаточно
Ты - хуй, мать твоя - шлюха, а отец - членодевка.
мимо-сложил-провода-пополам
Аноним 08/08/25 Птн 23:12:33 371092 23
>>371087
С такими уёбищами только так и нужно, сидит напёздывает откровенную хуету, на это молча смотреть что ли надо?
На чёрное - говорит белое, а я должен на это смотреть и сглатывать?


Тупой - не разевай пиздак. Нечего сказать - не разевай пиздак, и не будет никакой токсичности. Ирл бы я тебе ещё пиздюлей дал, но ирл такие мудаки как правило себя не показывают, боятся.
Аноним 08/08/25 Птн 23:21:38 371094 24
>>371091
У тебя жила и так почти толщиной с винт, в этом загибе нет никакого смысла, сечение шины подходит под проводник.

Просто ты криворукий еблан, который сам хуй пойми зачем загнул, а потом лопнул от завести, что рандомный анон загнул лучше тебя, и начал ВЫДУМЫВАТЬ оправдания избыточности нормального загиба, потому что тебе стало НЕПРИЯТНО от того, что ты криворукий еблан.
Аноним 08/08/25 Птн 23:27:56 371095 25
>>371086
Нет, ты просто ебанашка, и методы твои ебанутые
Аноним 09/08/25 Суб 00:01:48 371105 26
>>371094
> криворукий еблан
> оправдания
> криворукий еблан
Ого, вот это подрыв!
> нет никакого смысла, сечение шины подходит под проводник
На самом деле ты не учитываешь несовершенство окружающего мира. Два цилиндра разного диаметра контактируют друг с другом лишь узкой полосой, ширина которой зависит от степени их деформации, а торец винта с накатанной резьбой не плоский, а имеет впадину по центру (в результате чего, кстати, винт сначала прорезает в проводе кольцевидную борозду, и только потом начинает прижимать по-настоящему.
Поэтому, я считаю, если можешь напихать побольше - напихай.
(Кстати, именно эта кольцевидная борозда и будет мешать простой складке разъезжаться.)
Аноним 10/08/25 Вск 14:04:49 371196 27
image 59Кб, 225x281
225x281
А, так вот что в башке у загибулькиных.
Аноним 13/08/25 Срд 01:17:00 371350 28
>>371022
>Есть ли варианты лучше?
Менять на медь, а так вкручивай обычную шину, все будет нормально.
Аноним 14/08/25 Чтв 06:57:26 371528 29
IMG202507101125[...].jpg 2474Кб, 4096x2304
4096x2304
Аноним 14/08/25 Чтв 14:13:16 371543 30
>>371528
Потому что стандарта нет на маркировку, вот и делает иек 60M, а екф - 63N
Аноним 15/08/25 Птн 11:09:20 371603 31
image 37Кб, 686x912
686x912
Суп аноны, возможно глупый вопрос.

Какой мощности могу вкрутить лампочку? Была на 9 Вт старая, хочу помощнее вкрутить. Патрон Е27.

Есть ли какое-то ограничение по допустимой мощности лампочек? Из-за типа патрона там, напр.
Аноним 15/08/25 Птн 11:44:47 371607 32
>>371603
От мощности она ярче светить не будет, будет только греться больше.
Аноним 15/08/25 Птн 12:58:56 371615 33
>>371607
Да ладно? А от чего будет светить ярче?
Аноним 15/08/25 Птн 13:21:21 371616 34
>>371615
Светодиодную поставь, будет всю квартиру освещать.
Аноним 15/08/25 Птн 13:57:54 371624 35
>>371616
Чел сейчас никакие кроме светодиодных почти не продаются, чё за совет банальный
Аноним 15/08/25 Птн 17:42:23 371660 36
image.png 347Кб, 960x960
960x960
Не могу найти где спросить. Пытаюсь найти компактную солнечную панель для уличной камеры, но есть нюанс, камера 12V2A а все эти солнечные панели дают выход 12V1A, чего мало.
Как можно выйти из ситуации? Сам по себе мощный кристал нахрен не нужен, батарейки, что-нибудь придумаю, но не могу найти сам контроллер способный выдавать 12V2A и чтобы не было громоздко и поместилось на столбе
Аноним 15/08/25 Птн 20:12:33 371689 37
>>371603
Обычно на таких малогабаритных светильниках где-то внутри висит наклейка "60 W MAX". Но это было актуально для ламп накаливания из-за теплового излучения, а светодиодную можешь впердоливать любую, какая поместится.
Аноним 16/08/25 Суб 09:15:37 371714 38
>>371603
допустимая мощность лампочек там только для того, чтобы не поплавили сам плафон
Аноним 16/08/25 Суб 09:35:46 371715 39
Шнайдер Электрик ещё можно купить в России? Где? Как понять, что это не подделка?
Аноним 17/08/25 Вск 00:56:13 371769 40
>>371714
А я о чём пишу епт
Аноним 17/08/25 Вск 02:34:04 371770 41
>>371603
Если патрон керамический, то крути любую которая поместится - я разрешаю. Тем более если это будет энергосберегайка.

>>371715
На любом углу, блжад - какие подделки, это ебучий ширпотреб ширпотребов, который локализовался еще хз когда у нас. Я не уверен даже если смогу найти магазин с сайтом у которого НЕТ шнайдера.
Аноним 17/08/25 Вск 09:35:24 371775 42
>>371770
Патрон пластиковый. Как узнать точное ограничение? Мне не нужно твоё разрешение, ебобо.
Может ли 12 вольтный адаптер подать напряжение 220 вольт? Аноним 22/08/25 Птн 19:17:38 372197 43
image 60Кб, 1090x1090
1090x1090
image 127Кб, 800x800
800x800
Привет электрики
Может ли 12-вольтный адаптер подать напряжение 220 вольт?
При каких условиях такое может произойти (короткое замыкание, поломка, етц)?
Насколько реально такое вообще, какие шансы?

Хочу приобрести систему защиты от протечек воды, но боюсь, что адаптер выйдет из строя/коротнёт и мне на воду 220 вольт хлынет нахуй.

Устройство системы следующее: 220 В от сети преобразуется в 12 В адаптером, подаётся на т. н. базу (голову системы), от базы отходят провода к автоматическим кранам и датчикам.
Хочу типа такой или аналогичную
https://teploluxe.ru/catalog/zashchita-ot-protechek-vody/sistemy-zashchity-ot-protechek/product/neptun-profi-smart-tuya-sistema-zashchity-ot-protechki-vody/

Успокойте, скажите шо это нереально (если это действительно так).
Аноним 25/08/25 Пнд 01:16:50 372366 44
Для подключение светодиодной ленты мне надо, как понял, сама лента, драйвер/блок питания, переходник (у меня небольшая длинна и не на постоянку, думаю без пайки обойтись), провода. Планирую питать от потолочного светильника.
Аноним 25/08/25 Пнд 01:24:44 372367 45
>>372366
А и профиль, забыл
Аноним 28/08/25 Чтв 14:17:52 372612 46
>>370701 (OP)
Ну так что не так или так со Шнайдером? Почему у вас в шапке то написано годный, то оверпрайс.
выбираю розетки и выключатели в квартиру без заземления.
Аноним 28/08/25 Чтв 15:51:20 372619 47
1.jpg 173Кб, 960x1280
960x1280
Обнаружил повреждённую изоляцию жил в распред коробке, как быть?

Зачистить дальше я уже не смогу, выбивать не хочется.

Может есть какие-то диэлектрические герметики для таких целей? Капнуть туда-чего нибудь?
Аноним 28/08/25 Чтв 19:55:40 372629 48
>>372612
А всё, нет больше шнайдера. Только шапку переписать некому.
Аноним 28/08/25 Чтв 20:07:23 372631 49
>>372629
Пусть остаётся, чтобы хоть зумеры знали, какой мир раньше был. А то выросло поколение, уже и легранда не знают, и фольцвагена не знают, только вкус очка и хуйсуйвень джонг манг хавал знают.
Аноним 28/08/25 Чтв 20:29:11 372633 50
Аноним 28/08/25 Чтв 20:38:16 372634 51
>>372633
Не всё то земля, что жёлтое...
Аноним 28/08/25 Чтв 22:06:09 372638 52
Аноним 28/08/25 Чтв 22:07:25 372639 53
Дача.png 986Кб, 3238x3824
3238x3824
Планирую собрать щит на даче, пока самый простой.
Все автоматы класса B. УЗО класс A.
Подскажите, все правильно соединил?
Есть какие-нибудь ошибки/подводные камни?
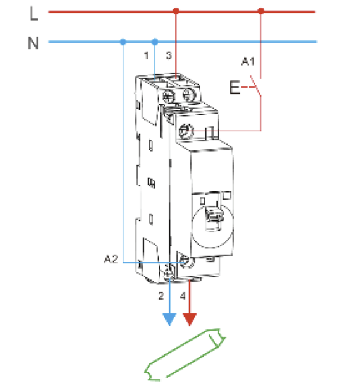
Аноним 28/08/25 Чтв 22:26:41 372640 54
>>372633
Все жилы прорезаны
Аноним 28/08/25 Чтв 22:28:03 372641 55
>>372639
>класса B.
>класс A.
Излишество

>узо 63а
нахуя

>легранд
а где ты найдёшь не паль, всё, гойда
Аноним 28/08/25 Чтв 22:53:49 372642 56
изображение.png 9Кб, 157x182
157x182
>>372639
Не скрещивай потоки!
Аноним 28/08/25 Чтв 22:57:04 372643 57
>>372639
По рисунку можно подумать, что на ввод ты ставишь 25 как сумму 10 и 16.
На самом деле каждый автомат должен соответствовать сечению провода на защищаемом участке: т.е. для обоснования таких автоматов у тебя должно быть 1,5 мм2 на свет, 2,5 мм2 на розетки и 4 мм2 на вводе (всё по номиналам меди).
Да и то, на 4 мм2 лучше бы 20 А.
Аноним 28/08/25 Чтв 22:59:26 372644 58
9679799.PNG 2Кб, 171x167
171x167
>>372642
Ещё и ноль с фазой замкнул, ёбнет же
Аноним 28/08/25 Чтв 23:16:46 372645 59
>>372641
>узо 63а
>нахуя
Цена на 32A и 63A почти не отличается

>а где ты найдёшь не паль
В РБ в интернет-магазинах продается legrand

>>372643
Да, спасибо, понимаю, что от сечения кабеля зависит.
На ввод купил 6 мм2 медь.

>>372644
ну они в изоляции)))
Аноним 28/08/25 Чтв 23:35:14 372646 60
>>372645
>Цена на 32A и 63A почти не отличается
Так выбирается не по цене, а по необходимому номиналу
Аноним 29/08/25 Птн 00:21:38 372647 61
>>372645
> На ввод купил 6 мм2 медь.
А, ну норм.
Аноним 29/08/25 Птн 07:56:27 372648 62
Аноним 30/08/25 Суб 03:44:57 372685 63
>>372612
Шнайдер был... Теперь систем электрик
А так бери Веркель - дорого, но стабильно
Аноним 30/08/25 Суб 10:31:45 372692 64
Собираю щит, у одних модульных элементов PZ2, у других PH2, у третьих PH1, у четвёртых PZ1.

А классно это придумали, надо ещё TORX хуйнуть, чтобы фаза например PZ1, а ноль T10, а выход PH2 и T20, вот так заебись будет прям вообще.
Аноним 30/08/25 Суб 10:34:37 372693 65
>>372692
Ещё прикалывает, когда винт углублён в отверстие, и туда отвёртки PH2 / PZ2 не пролазят, а пролазит туда только PH1 / PZ1, отверстие прям для них вот, и начинаешь ими крутить, а они не крутят нихуя и винт слизывает, потому что винт PH2 / PZ2
Аноним 31/08/25 Вск 01:45:37 372758 66
Вопрос максимально тупой, но в электрике лучше перебздеть.
На кухне ставлю линейный светильник с входом типо c7
Светильник светодиодный СПБ-Т5 5Вт 4000К 230В 450Лм 300мм IN HOME
https://ozon.ru/t/rjr3atZ
Метровый шнур мне слишком, первая мысль укоротить метровый и использовать другую вилку
Вторая, мне хватит короткого 13см, что в комплекте и к нему вроде бы подходит
Адаптер-переходник на евровилку для блока питания Apple MacBook iPad iPhone, белый Сменная вилка
https://ozon.ru/t/AsAB7sJ

Вопрос собственно про второй, а реально подходит, может кто
Аноним 31/08/25 Вск 02:16:30 372759 67
>>372758
С7/С8 имеет на кабеле розетку (C7), на корпусе вилку (C8).
Для соединения светильников тебе дали провод розетка-розетка (C7-C7).
Адаптер макбука имеет на выходе тоже розетку (C7). Значит, для их соединения тебе надо сосрать переходник вилка-вилка (C8-C8) или соединить их огрызками медной проволоки диаметром 2 мм (сечением 3,14 мм2).
Аноним 31/08/25 Вск 06:34:25 372761 68
>>372759
Это на кухне, поэтому
Аноним 31/08/25 Вск 13:01:27 372770 69
>>372629
Продается он, по старым запасам или через перепуков
Просто нет смысла, тк раньше был самым дешевым из нормальных, а сейчас дикое ценообразование, которое больше зависит от логистики-наценки перекупов, чем от цены производителя, и часто аналоги абб/легранда можно получить дешевле
Спасибо, баба пыня
Аноним 01/09/25 Пнд 08:29:32 372799 70
image.png 298Кб, 1024x1024
1024x1024
>>372692
>надо ещё TORX хуйнуть
Ты знал!
Аноним 01/09/25 Пнд 08:31:50 372800 71
>>372758
>IN HOME
Говно китайское. Бери сразу два, второй на замену.
Аноним 01/09/25 Пнд 09:52:26 372809 72
>>372800
Вообще все линейные от лукавого. Лучше православную ленту
Аноним 01/09/25 Пнд 10:54:59 372819 73
>>372693
Купи нормальные отвертки
Аноним 01/09/25 Пнд 18:01:54 372851 74
image 791Кб, 674x921
674x921
Сап, электроны
Почему "земляной" провод показывает наличие напруги?

Подключал бойлер в ванной и заметил пикрил

Белый - фаза, синий - ноль. Жёлто-зелёный обычно земля, а тут на ней индикаторная отвёртка светится, при том что розетки ванной выключены на автомате.
Этот "земляной" провод крутил так и сяк пальцами, другой рукой держал металлические трубы/ванну, не ёбнуло.

Дом - хрущоба пятиэтажка.

Что это такое и что делать?
По инструкции бойлер надо подключить обязательно с заземлением.
Аноним 01/09/25 Пнд 23:08:39 372865 75
>>372851
Это наводка через Y-конденсатор в блоке питания пеки
Аноним 01/09/25 Пнд 23:37:28 372866 76
>>372819
Купи себе мозги, долбоёб, потом интернет включай.
Аноним 01/09/25 Пнд 23:38:43 372867 77
>>372693
Ещё прикалывает, что у PZ1 и PZ2 да и PZ0 есть несколько размеров, и один и тот же условный PZ1 может различаться визуально чуть ли не в два раза.
Аноним 02/09/25 Втр 00:21:15 372869 78
image 1039Кб, 1024x1024
1024x1024
Аноним 02/09/25 Втр 09:49:35 372883 79
>>372869
У тебя нет земли. Есть жёлто-зелёный провод. Но земли в нём нет. Твой бойлер сюда подключать нельзя.
Аноним 02/09/25 Втр 11:26:05 372891 80
aa939fded39eeec[...].jpg 57Кб, 815x816
815x816
>>372693
>>372819
>>372866
АГРЕССИВНОЕ ДОЛБОЕБОБЫДЛО ЮЗАЕТ ГОВНООТВЕРТКИ С УШИРЕНИЯМИ
@
НЕ ПРОЛЕЗАЕТ КОКОКО!!!1
@
ДОЛБОЕБ, КУПИ НОРМАЛЬНЫЙ ИНСТРУМЕНТ
@
РРРРРЯЯЯЯ!!1


Тебе лечиться надо, шизик
Аноним 02/09/25 Втр 11:33:42 372892 81
>>372883
>Но земли в нём нет.
С чего ты это взял? Поясни.
Аноним 03/09/25 Срд 07:52:56 372960 82
>>372892
>С чего ты это взял?
>>372851
>наличие напруги
Аноним 03/09/25 Срд 09:17:37 372962 83
Понятно как затроллить анона - подключить желто-зеленый провод к фазе
Аноним 03/09/25 Срд 09:48:14 372966 84
>>372960
Чел объясни нормально че за хуйня с проводом и в чём причина?
Аноним 03/09/25 Срд 11:36:38 372971 85
china pe.png 421Кб, 983x800
983x800
>>372962
Всё уже придумали до тебя!

>>372966
>в чём причина?
1 У тебе в квартире не предусмотрено заземление. Но кто-то "на всякий случай" кинул желто-зелёный провод.
Или
2 У тебе в квартире есть заземление. Но желто-зелёный провод почему-то к нему не подключен.
Аноним 03/09/25 Срд 11:49:29 372972 86
>>372971
Что будет если подключу его на место земли, как нормальную землю?
Аноним 03/09/25 Срд 11:50:50 372973 87
>>372972
Произойдёт хлопок.
Аноним 03/09/25 Срд 12:08:42 372979 88
>>372972
>Что будет
То самое "напряжение" , которое ты намерял будет на железном корпусе бойлера. В мокром помещении, в котором обычно ходят босиком по мокрому полу.

У тебя появится бойлер - эвтаназик.
Аноним 04/09/25 Чтв 11:23:18 373047 89
>>372979
Скажи мне ты ебанат? Ебанат, можешь не отвечать.
Аноним 04/09/25 Чтв 11:25:20 373049 90
Аноним 04/09/25 Чтв 17:10:24 373074 91
>>372972
Все будет заебись
Аноним 04/09/25 Чтв 19:54:24 373117 92
>>372851
>Что это такое
Что на другом конце провода? Куда подключена эта "земля"?
Аноним 05/09/25 Птн 10:55:02 373156 93
Аноним 05/09/25 Птн 11:26:23 373157 94
Автомат знаешь где на эту розетку?
Аноним 05/09/25 Птн 18:16:14 373168 95
>>373156
А зачем ты родился знаешь?
Аноним 05/09/25 Птн 23:36:57 373178 96
Аноним 07/09/25 Вск 21:17:27 373253 97
>>373178
посмотри в районе этого автомата выход "земли"
Аноним 08/09/25 Пнд 09:03:35 373262 98
Аноним 08/09/25 Пнд 21:35:43 373280 99
2445445.jpg 18Кб, 1280x720
1280x720
Надо добавить розеток в квартире. Штробу доведу до проводки которая идет под потолком и там соединюсь. Вопрос обязательно скрутку упаковывать в коробку или допустимо и так? Да я знаю что недопустимо но в комнатах больших потребителей не будет, максимум телевизор, пылесос и зарядки для смартфонов.
Я просто не понимаю мне че теперь на 5 доп розеток пять здоровенных коробок в каждую стену утапливать чтобы там та же самая ебаная скрутка лежала?
Нужно логичное и простое решение чтобы просто похоронить соединение в стене
Аноним 08/09/25 Пнд 22:03:20 373282 100
universalnaya-k[...].jpg 74Кб, 1200x800
1200x800
197245677.jpg 2Кб, 560x504
560x504
757.webp 32Кб, 643x800
643x800
100.970.png 312Кб, 970x255
970x255
>>373280
Можно ничего не долбить и не штробить, коробки есть навсеные для открытого монтажа, так же и розетки есть навесные и даже целые блоки.

Скрутки делать не надо. Самый простой способ - купить ВАГО китайские (ничем не хуже оригинала, но покупать нужно в курпных магазинах). Покупай тип, как на 4 картинке, другие типы - хуже.

Или самый лучший вариант - опресовка лужёными гильзами ГМЛ, покупаешь самые дешёвые ручные прес клещи за 1500 рублей и опресовываешь.
Аноним 08/09/25 Пнд 23:17:38 373285 101
>>373282
Спасибо. Нет буду прятать, портить вид стены с современным ремонтом открытой проводкой не стоит.
Аноним 09/09/25 Втр 12:57:22 373297 102
>>373280
Чет вспомнил случай, когда работал в ЖКХ. Мужик сделал еуроремонт с розетками у пола, но проводку не менял, а просто ебанул скрутку меди с алюминием и закатал ее штукатуркой. Итог: в один момент она догорела и коротнула так, что камень от штукатурки вылетел из стены и пульнул прям в телевизор.
Аноним 09/09/25 Втр 13:54:39 373301 103
>>373280
>Вопрос обязательно скрутку упаковывать в коробку или допустимо и так?
обожми гильзами под термосадкой - такое соединение можно в стене заштукатурить, оно относится к необслуживаемым. Для всего остального - коробки.
Аноним 09/09/25 Втр 20:05:37 373308 104
>>373297
Такую хуйню делать не буду. Так прикинул в принципе раз начал штробить все линии до коробки доведу, без соединений в стене
Аноним 10/09/25 Срд 15:52:26 373342 105
>>372197
вероятность есть, но ооооочень маленькая, вспомни всех поджарившихся в ванне детей с телефонами на зарядках. Вставляй в розетку с УЗО и не переживай, пробъет, ток пойдет по трубам и УЗО сработает
Аноним 10/09/25 Срд 15:55:05 373343 106
>>372619
жидкая изолента а так вообще похуй, они ж неподвижные
Аноним 12/09/25 Птн 21:47:55 373452 107
z0jqkjyxm0oxg06[...].jpg 18Кб, 480x480
480x480
Мужики, вопрос. Планирую собрать проводку на таких коробках с клеммниками. Норм? Чет не доверяю этим вашим китайским ваго.
Аноним 13/09/25 Суб 05:41:39 373461 108
>>373452
Ебаш скрутку и макай в олово.
Аноним 13/09/25 Суб 07:43:30 373463 109
>>373461
Говорят пайка ненадежна - содержит влюс который со временем окисляет провода
Аноним 13/09/25 Суб 07:56:25 373464 110
Аноним 13/09/25 Суб 09:04:09 373469 111
Чем отличаются щит и шкаф?
Аноним 13/09/25 Суб 10:24:17 373470 112
>>373463
Просто не надо кислотным флюсом паять то, что без проблем паяется нейтральным
Аноним 14/09/25 Вск 15:01:45 373502 113
Насколько ебано будет, если у меня кабель в гофре будет лежать поперек и немного вдоль труб водоснабжения? Трубы пластиковые все
Аноним 14/09/25 Вск 16:20:29 373506 114
ф (1).jpg 187Кб, 1280x960
1280x960
ф (2).jpg 224Кб, 1280x960
1280x960
>>373502
Можешь посмотреть на моё технологическое решение, в пене трубы. Кабеля выше них на деревянных подставках.
Аноним 14/09/25 Вск 16:30:12 373508 115
изображение.png 473Кб, 1583x670
1583x670
изображение.png 311Кб, 955x1247
955x1247
Аноним 14/09/25 Вск 22:37:52 373528 116
>>373506
Да у меня переделки. Хотел на плиту с чайником розетку сделать, но у меня по стене с одной стороны газовая труба с другой стояк и раковина. Вот из меньших зол выбрал тянуть со стороны стояка, да и так удобнее. Отпуски по 5-10 см, как в гугле написано, не получится сделать, но постараюсь, чтоб гофра не касалась. В принципе еще и узо в щите есть, так что вроде как от каких-то утечек за землю и от потанцевала на стояке обезопасен.
Аноним 18/09/25 Чтв 21:02:13 373713 117
rozetka-s-vykly[...].jpg 20Кб, 600x600
600x600
Есть ли в природе скрытые розетки такого типа с выключателем?
Аноним 18/09/25 Чтв 21:08:55 373714 118
изображение.png 312Кб, 1153x751
1153x751
Аноним 19/09/25 Птн 03:21:49 373737 119
IMG202509190312[...].jpg 4275Кб, 3000x4000
3000x4000
image.png 358Кб, 640x854
640x854
image.png 398Кб, 750x1000
750x1000
Сап, /b/, есть одна дырка.
Можно поставить подрозетник без гипса?
Алсо какой правильный? Тот который у меня стоял продаётся как "для полых стен", как синий пикрил. Видимо, черти которые его ставили потому гипса и пожалели чтобы полую стену сделать.
Мне красный пикрил нужен? Или так и ставить синий и лапками его враспор зажимать?
Тут контроллер тёплого пола стоять будет, я это даже трогать руками не буду, пускай не крепко стоит даже.
Аноним 19/09/25 Птн 03:41:33 373738 120
image.png 676Кб, 768x576
768x576
>>373737
>Можно поставить подрозетник без гипса?
Можно даже розетку без подрозетника, как в совке.
>Алсо какой правильный?
Синий отличается наличием лапок для прижима к листовым материалам типа гипрока, за которыми пустота. Если лапки не задействовать, то он становится функционально неотличим от красного, так что без разницы, если он не сломан, можешь использовать повторно.

Если тебе абы как, делай как делается. По-хорошему - мешок алебастра будет рублей 100, немного грязи и сядет как влитой.
Аноним 19/09/25 Птн 11:39:54 373750 121
image 5Кб, 216x233
216x233
Зачем подключать устройство на отдельный автомат?
Что это вообще даёт, какие очевидные и неочевидные профиты?
Из изучения гугла понял, что просто легче чинить если автомат выбьет.
Но какие плюсы в плане безопасности?

В электрике не силён.
Аноним 19/09/25 Птн 12:45:41 373752 122
175827426741350[...].mp4 318Кб, 576x1024, 00:00:12
576x1024
Аноним 19/09/25 Птн 13:47:04 373757 123
Аноним 19/09/25 Птн 16:09:43 373770 124
>>373757
Плати деньги, тут бесплатные уроки не дают.
Аноним 19/09/25 Птн 16:36:03 373771 125
>>373770
Тут весь раздел бесплатных советов. Ты не туда зашёл, долбоёб. Катись нахуй на все четыре стороны отсюда.
Аноним 19/09/25 Птн 18:09:00 373775 126
>>373771
Хорошо, так и сделаю.
Аноним 19/09/25 Птн 18:43:29 373778 127
>>373750
Во-первых, для распределения нагрузки. Если ты включишь пять тепловентиляторов в пять розеток на одной линии - она будет перегружена, если каждый будет на своей линии - лучше.
Во-вторых, удобство при ремонте. Если тебе надо заменить одну розетку, то ты отключаешь только её линию, и работаешь при свете и с электроинструментом.
Аноним 19/09/25 Птн 19:04:04 373782 128
>>373778
Спасибо.
>какие плюсы в плане безопасности?
Аноним 19/09/25 Птн 19:05:42 373783 129
>>373782
Меньше шансов, про проводка сгорит
Аноним 19/09/25 Птн 19:06:02 373785 130
Аноним 19/09/25 Птн 19:07:02 373786 131
>>373738
Вот я грязи и не хочу как раз больше всего.
Не работал раньше с гипсом, в первый раз обдристаю обои, штаны и клеммы, навалю сильно жидко, густо, мало, много и всё равно криво поставлю.
Из-за одной розетки не хочется в это ввязываться.
Аноним 19/09/25 Птн 21:05:15 373794 132
Аноним 21/09/25 Вск 20:17:26 373865 133
image 14Кб, 462x492
462x492
>>373738
Хуясе как умудрился совок приплести. Могёшь
Аноним 22/09/25 Пнд 14:11:20 373892 134
-35519890894269[...].mp4 1809Кб, 352x640, 00:00:19
352x640
Посоветуйте софт или просто какие-то рекомендации по проектированию электрики. Попросили помочь под готовый проект сделать проводку. Никогда этим не занимался, но интересно было бы попробовать.
Аноним 22/09/25 Пнд 15:16:18 373898 135
>>373892
>Никогда этим не занимался, но интересно было бы попробовать.
Я не гинеколог, но ПОСМОТРЕТЬ могу!
Аноним 22/09/25 Пнд 16:13:58 373899 136
>>373892
Скажи честно, что не умеешь, пусть найдут специалиста.
Аноним 22/09/25 Пнд 22:22:12 373910 137
>>373899
Так не интересно. Да и надо же с чего-то начинать.
Аноним 23/09/25 Втр 18:04:19 373932 138
>>373892
Ничего не путаешь? Софт нужен когда нужно сделать проект под готовый монтаж.
Аноним 23/09/25 Втр 18:05:55 373933 139
image 15Кб, 200x196
200x196
>>373892
Срываешь бирки
@
Анон, разберись тут за пару косарей чото вызвонить надо там делов на 10 минут, сам бы зделол, да моргушки нет.
Аноним 23/09/25 Втр 18:54:54 373935 140
>>373932
Проекта электрики нет. Есть чисто план будущей перепланировки и че где стоять будет.
Аноним 23/09/25 Втр 19:46:09 373937 141
>>373935
Ну и рисуй по розетке под каждый прибор плюс 50% запасных - и готово.
Аноним 24/09/25 Срд 17:17:27 373961 142
7118667337.webp 44Кб, 1000x1000
1000x1000
7801801988.webp 15Кб, 750x1000
750x1000
Возможно, платиновый вопрос, ну ладно.

Хочу встроенную розетку на несколько модулей. Нахожу только на стандартные подрозетники с шагом 71 мм, но это огромная йоба на 300 мм, в которой помещаются сраные 4 розетки, по современным меркам - ничто.

Аккуратное и компактное расположение в квадрате 10х10 - это только накладные варианты.

Хочу, чтобы и компактно, и не торчало. Встроенные розетки с компактным расположением вообще бывают в этом таймлайне?
Аноним 24/09/25 Срд 17:49:32 373962 143
>>373342
>поджарившихся в ванне детей с телефонами на зарядках.
В ванне с солью и 12 вольт будут смертельными, а если ты слабак, то и 5.
Аноним 24/09/25 Срд 19:44:18 373974 144
Взять сдвоенные в одном корпусе которые и распложить друг над другом.
Аноним 24/09/25 Срд 19:44:58 373975 145
Аноним 24/09/25 Срд 21:18:06 373976 146
>>373961
>>373961
Есть чтото типа башенки, вмонтированной в столешницу. Нажимаешь - и она подымается как ракета из бункера.
Аноним 24/09/25 Срд 21:20:48 373978 147
>>373750
Экономия на УЗО. Считай 1 узо = 6 автоматов по цене. Бывает еще ради экономия места, но тут лучше диф автомат
Аноним 24/09/25 Срд 22:01:06 373982 148
IMG202509242159[...].jpg 71Кб, 710x725
710x725
Аноним 24/09/25 Срд 22:10:51 373983 149
>>373750
На розетке написано 16А - она должна защищаться автоматом на 16А.

Сейчас у народа есть чайники, тостеры, стиралки, пылесосы, и всё это хочется включать одновременно. Поэтому потребителей надо делить на группы, чтобы в каждой было не более 16А суммарно. Иногда на группу получается одна розетка, если она в какой-нибудь дальней залупе.
Аноним 25/09/25 Чтв 14:24:08 373997 150
Сап, электрач. После подключения ПК к ТВ через HDMI умерла видимокарта. Алсо, к ТВ подключена общедомовая антенна. Как избежать такой ситуации в совковом доме без земли?
Аноним 25/09/25 Чтв 16:14:40 373999 151
>>373997
Кабель втыкал к включенному ПК?
ПК должен быть выключен, только тогда можно втыкать кабель в гнездо.

Антенну можно выдернуть заранее.
Аноним 25/09/25 Чтв 16:29:27 374001 152
>>373999
Нет, кабель был воткнут несколько дней к ряду.
Аноним 25/09/25 Чтв 18:12:48 374010 153
>>373999
Алсо можно ли заземлить кудахтер на обмотку антенны? ПК и ТВ запитаны из разных розеток.
Аноним 25/09/25 Чтв 22:29:14 374026 154
>>373999
Тот же самый анон репортинг ин.
Подключил обесточенный ПК (1 розетка - фильтр - ПК) через HDMI к обесточенному ТВ (2 розетка - ТВ), затем подлючил коаксиал к ТВ. На сетевом фильтре ПК загорелся индикатор земли. Ебанёт или ПК типа считается успешно заземлённым на антенну?
Аноним 25/09/25 Чтв 22:49:34 374027 155
Аноним 26/09/25 Птн 08:05:59 374036 156
Не зря же в деревяных домах везде накладные рощетки с насиеным кабелем, ничего не скрыто.
Аноним 26/09/25 Птн 08:34:52 374037 157
Аноним 26/09/25 Птн 09:20:44 374040 158
Нахуя люди себе на усадьбах TN-S организовывают? Я так понимаю это для ультра богатых?
Аноним 26/09/25 Птн 09:28:33 374042 159
>>374040
Нахуя ты дома называешь усадьбами? Это что-то на ебанутом?
Аноним 26/09/25 Птн 09:34:16 374044 160
>>374042
Там не дом, там скорее что-то типа гостиничного комплекса сырьевой компании. Там топ-менеджмент хозяева их тусят.
Аноним 26/09/25 Птн 12:32:27 374056 161
>>374040
Чтобы штырь заземления меньше гнил.
Аноним 26/09/25 Птн 14:29:14 374066 162
>>374044
Тогда используй слова богадельня, замок, особоняк, дворец, барские хоромы.
Аноним 28/09/25 Вск 13:48:02 374164 163
Анончик, поясни, что за хуйня могла произойти. Дано 50 деревенских домов, у всех одновременно загорается электросчётчик. Перед этим провода гудели. Повезло тем кто был дома успели отрезать провода потушить пожар, домов 10 примерно сгорело на хуй. Моя матушка была дома, сосед отрезал провода щиток затушили.
Аноним 28/09/25 Вск 13:51:09 374165 164
>>374164
Может, с подстанции вместо 220 В дали 10 кВ?
Не электрик, каску на заводе спиздил
Аноним 28/09/25 Вск 14:24:54 374166 165
>>374165
Там нет подстанции, трансформатор, линия идёт от трансформатора. Мне больше интересно, почему автоматы от счётчика не сработали, а диф автомат который ставил сына сычина лет 5 назад для насоса и освещения на улице отработал.
Аноним 28/09/25 Вск 17:10:08 374169 166
>>374165
Анончик ты был прав вместо 220V пришло 10 000V, причина - кз высоковольтной линии в 7км на предприятии. Трансформатор на нашей линии сгорел к хуям. Официальные данные сгорело три дома - как бы три дома где даже стен не осталось.
Аноним 28/09/25 Вск 17:10:45 374170 167
И как можно от этой хуйни защититься?
Аноним 29/09/25 Пнд 08:32:29 374194 168
Аноним 29/09/25 Пнд 09:55:44 374197 169
>>374194
По идее нет, там режим работы до 300V, а пришло 10 000V возможно что-то с плавким предохранителем есть? И ещё интересует ввод. У кого был ввод сделан СИП 2х16 одной ниткой он превратился в огненную гирлянду. Разве защита от такой хуйни не должна стоять на трансформаторе?
Аноним 29/09/25 Пнд 09:57:06 374198 170
>>374169
>вместо 220V пришло 10 000V
Не верю.
Аноним 29/09/25 Пнд 10:01:19 374199 171
>>374198
https://dddkursk.ru/lenta/2025/09/28/122508/ ну не верь, загорелось дохрена домов, три сгорели до угольков. У вот этого челика, что на пике ввод был во времянке слева, она и сгорела. А дом цел.
Аноним 29/09/25 Пнд 10:09:09 374200 172
>>374199
Всё равно не верю. Это транс должно было закоротить так, чтоб межобмоточное замыкание случилось и нихуя не отключилось, т.е. на подстанции защите должно быть похуй.
Аноним 29/09/25 Пнд 11:40:59 374203 173
>>374197
>Разве защита от такой хуйни не должна стоять на трансформаторе?
Должна, но спиздили / поставили реплику, а оригинал продан на авито
Аноним 29/09/25 Пнд 12:18:25 374207 174
>>374194
Нет, для этого УЗИП придуманы. Но третий класс ставить без наличия второго, а его без наличия первого соответственно - не имеет смысла.
Аноним 29/09/25 Пнд 13:03:07 374210 175
image.png 241Кб, 1782x710
1782x710
>>374207
>УЗИП придуманы
Дешиман какой то. Точно спасёт?
Аноним 29/09/25 Пнд 19:16:21 374234 176
Screenshot2.jpg 149Кб, 992x911
992x911
Screenshot4.jpg 164Кб, 1028x913
1028x913
Screenshot5.jpg 79Кб, 804x541
804x541
>>374210
А зачем ты копошишься в дерьме?
Аноним 29/09/25 Пнд 23:22:23 374240 177
>>374056
Пока он сгниет, сам хозяин дома сгниет
Аноним 29/09/25 Пнд 23:26:28 374241 178
>>373738
>алебастра
В пизду этот пережиток совка, лучше уж юзать фуген + ротбанд, либо чистый фуген. Дольше сохнет, но нет этой ебки с белыми руками и горящим пердаком, ведь алебастр высохнет нахуй за минуту даже в ведре, криво вмазал - хуй тебе, выбивай замазывай снова. Ой, а уже схватился в ведре!
А с фугеном - чинно-благородно, размешал ведерко, и ляпаешь себе подрозетники, остатками можно штробы подмазать для ровности. Да и сходить на перекур / чаю попить успеешь
Аноним 29/09/25 Пнд 23:27:25 374242 179
>>373786
>Не работал раньше с гипсом
>>374241
тем более, послушай мой совет
Аноним 29/09/25 Пнд 23:28:48 374243 180
>>373978
А какая взаимосвязь УЗО и АВ, это абсолютно разные по цели установки устройства
Аноним 29/09/25 Пнд 23:31:27 374244 181
17582413100722.png 460Кб, 1000x750
1000x750
>>373737
Это ПГП на фото? Ну или что-то подобное
Купи для полнотелых стен и захерачь его саморезами в стену
Аноним 30/09/25 Втр 10:33:55 374252 182
Аноним 30/09/25 Втр 10:37:58 374253 183
>>374207
От 10000 вольт поможет? И эта шляпа должна стоять до счётчика? Т.к. горел именно счётчик.
>>374203
Огонь хули, я считай отделался лёгким испугом.
В общем что сделано на текущий момент, со слов матери, приехали какие-то электрики (не наши с электросетей) поставили всем на столбы счетчики в пластиковых боксах с автоматом С63. Натянули до домов СИП 2х16 (нарушив при этом ПУЭ) разве СИП можно тянуть на расстояние больше 25 метров? Сегодня привезут новый трансформатор и сказали ждать других электриков которые проверят проводку и подключат дом, у них нет прибора для проверки проводки. Подозреваю что там всей поводке пизда но поеду туда только в пятницу.
Аноним 30/09/25 Втр 12:12:12 374262 184
>>374253
>От 10000 вольт поможет? И эта шляпа должна стоять до счётчика? Т.к. горел именно счётчик.
Да
Класс I ставится в ГРЩ сразу после плавких вставок или АВ на вводе, класс II ставится в ЩР сразу после вводных плавких вставок или АВ.
Аноним 30/09/25 Втр 13:45:07 374272 185
>>374262
А толку, если у меня нет доступа к ГРЩ. Я про свою сычевалю, то есть ставить класс 3 и надеятся, что петухи сделали с вывод из своей ошибки?
Аноним 30/09/25 Втр 14:18:03 374275 186
>>370779
Там двигатель, значит, 660/380В используется.
Аноним 30/09/25 Втр 14:20:13 374276 187
>>371086
Анус твой разъедется, лол.
Аноним 30/09/25 Втр 14:24:16 374277 188
>>374169
Нихуя се, сосед отрезал провод под 10кВ и не умер?
Аноним 30/09/25 Втр 14:25:01 374278 189
Аноним 30/09/25 Втр 15:32:54 374285 190
>>370779
Сгорает, если на постоянную использовать в треугольнике с линейным напряжением 380В, на бирке же написано, что в треугольнике использовать 220В линейное.
Но.
Но кратковременно можно 380В на него в треугольник подавать. Такое на самом деле часто используется для увеличения момента во время пуска асинхронных двигателей с последующим переключением в звезду. Например для грузопассажирских/грузовых лифтов, двигателей больших систем приточной вентиляции.
Схема подключения у таких систем, кстати, очень интересная.
Аноним 30/09/25 Втр 15:37:38 374286 191
>>370779
У тебя на 2 пике описанная мною схема, правда не знаю, что за долбоёб написал на ней "~220В".
Аноним 30/09/25 Втр 15:46:21 374287 192
>>374285
У лифтов, емнип две звёзды шесть обмоток переключаются, типа две скорости.
Аноним 30/09/25 Втр 17:46:51 374291 193
>>374276
Какой хуй на вкус, ебанько?
Аноним 30/09/25 Втр 18:52:54 374295 194
>>374277
Он его "отрезал" пизданув деревянным 4 метровым брусом.
Аноним 30/09/25 Втр 20:54:40 374323 195
Аноним 30/09/25 Втр 22:07:24 374325 196
Аноним 30/09/25 Втр 22:08:31 374326 197
>>374325
А что "то-то"-то? Это же в хорошем смысле.
Аноним 30/09/25 Втр 22:27:22 374327 198
>>374326
Ну для пидораса может и да.
Аноним 02/10/25 Чтв 13:04:25 374400 199
>>374278
УЗИП не буду покупать, купил бокс, автоматы C16 и реле напряжения (в дальнейшем поменяю автоматы на диф. B25 10мА тип А). На ввод купил три метра Нум 3х6 и проколы>, всё правильно сделал? Завтра поеду и посмотрю повреждения.
Аноним 02/10/25 Чтв 16:13:16 374422 200
Screenshot 2025[...].png 506Кб, 1086x545
1086x545
посоны, такоую штуку можно запрограмиовать для холодильника, чтоб если свет выключили и сразу включили он сразу не включался, а выждал 10 мин или сколько там надо для компрессора?
Аноним 02/10/25 Чтв 16:15:13 374423 201
алсо я погуглил про реле напряжения, но это вроде другое, надо чтоб интервал обеспечивал после отключения
Аноним 02/10/25 Чтв 16:33:27 374425 202
>>374423
Просто купи компьютерный бесперебойник и все.
Аноним 02/10/25 Чтв 16:33:55 374426 203
>>374422
нет, он только настраивается на вкл/выкл по определенному расписанию
Аноним 02/10/25 Чтв 17:19:24 374432 204
>>374422
У тебя 30-летний холодильник?
Аноним 02/10/25 Чтв 20:32:07 374453 205
>>374432
Атлант Беларусь@Барановичи@База
>>374425
дохуя ему будет
>>374426
а что тогдла есть похожее, кроме ибп?
Аноним 02/10/25 Чтв 20:46:06 374454 206
Screenshot 2025[...].png 754Кб, 1323x645
1323x645
а, оказывается некоторые реле напряжения в это умеют, просто не пишут об этом почему-то, хорошо что отзыв попался. так что океюшек.
Аноним 03/10/25 Птн 13:03:41 374460 207
image.png 365Кб, 1718x747
1718x747
>>374453
>Атлант
А он точно стоит наведённой суеты?
Аноним 03/10/25 Птн 14:44:57 374465 208
Screenshot 2025[...].png 111Кб, 313x596
313x596
>>374460
коньечно блэт. + работа сам ты его не замеишь, надо уметь медь варить +заправка, в десятку минимум встанет. минус ебатория и нервы, минус продукты из морозилки. тем более у меня на этой розетке еще блок питания от роутера, которые тоже чуйствительны к скачкам
Аноним 03/10/25 Птн 22:15:06 374474 209
Анон, это ок что розетка греется при подключении камина 1.5-2.5 кВатт? Греется еле заметно на ощупь контактов вилки.

Старый алю. провод, не хочу лезть лишний раз, и не уверен что я там увижу. Провод я зачистил ножиком.

Разве что я мог как-то не правильно провод вставить. Розетка сконструиврована так, что у нее небольшое отверстие для провода и не видно, попал я между клемами или нет, но держится крепко.
Аноним 04/10/25 Суб 10:14:24 374490 210
>>374422
>сразу не включался, а выждал 10 мин
Нормальное реле контроля напряжения в такое умеет
Аноним 04/10/25 Суб 12:54:29 374495 211
>>374465
>десятку минимум встанет. минус ебатория и нервы, минус продукты из морозилки.
Купить новый за 25-30к.
>>374474
Нет не нормально, должна 3,5 киловатта держать.
Аноним 04/10/25 Суб 16:19:21 374501 212
>>374495
Шизик спок. Салфетское люминиевое говно изначально 60 лет назад не держало 16А
Аноним 04/10/25 Суб 18:59:18 374512 213
Итак, аноны, приехали электрики, посмотрели на купленный мной НУМ 3х6мм, два прокола иии протянули сип 2х16 прямо в дом и зажали сразу в клеммы реле напряжения (реле купил TOMZN, в клеммы зажимать алюминий вроде можно). Из потерь техники по ходу сгорел только насос на воду и то не понимаю, как это произошло, т.к. на линии к нососу стоял ДИФ, а перед ним стабилизатор напряжения. И насос был выключен во время ЧП. В следующую пятницу продолжу восстановление. На всякий случай заменю диф С16 30мА на В25 10мА.
Аноним 04/10/25 Суб 19:31:55 374514 214
>>374512
>протянули сип 2х16 прямо в дом и зажали сразу в клеммы реле напряжения
То есть эти дебилы даже не оконцевали тебе СИП? Как же я охуел, работая в АСУТП на заводике, от скудоумия электроперсонажей, даже охуевать заново не хочу.
Аноним 04/10/25 Суб 19:46:39 374515 215
>>372366
Не забудь устройство плавного пуска, фотореле и будет годнота
Аноним 04/10/25 Суб 21:18:41 374517 216
>>374514
Не оконцевали, но, думаю, ничего страшного не будет, они его в реле сунули, там не расползется не куда расползятся.
Аноним 06/10/25 Пнд 08:03:28 374589 217
IMG4060.jpeg 450Кб, 1125x1988
1125x1988
>>370701 (OP)
Всем здорова, подскажите как подключить двухполюсный контактор на мастер выключатель и группу освещения с узо.
В какой контакт входит провод от мастер выключателя? Я так понимаю это двухполюсный контактор, чем он отличается от однополюсного, как его полноценно применить? У меня группа на 11 линий света, все должны отключаться. Для чего так дохуя входов у контактора я чето не пойму. Поясните аноны, буду благодарен.
Аноним 06/10/25 Пнд 08:12:00 374590 218
изображение.png 84Кб, 726x789
726x789
>>374589
Инструкцию читать не пробовал?
Аноним 06/10/25 Пнд 08:37:47 374593 219
175972820669857[...].mp4 3249Кб, 576x1024, 00:00:23
576x1024
>>374590
Русские не читают инструкции
Аноним 06/10/25 Пнд 12:09:31 374607 220
>>374589
>двухполюсный контактор
Вы там уже совсем кукухами поехали в своих бетонных халупах? Может уже начнете ячейки на 10кВ в коридоре мутить?
Аноним 06/10/25 Пнд 12:50:03 374613 221
>>374607
мимо-ставлю-автоматы-на-10-кА-в-коридоре
Аноним 06/10/25 Пнд 20:14:12 374633 222
>>374613
Ну вот без тралленка, набуя контактор в квартирном щите? Он там дохуякиловаттные движки коммутирует? Звезда-треугольник? Просто автоматом щелкнуть уже не в моде?
Аноним 07/10/25 Втр 16:51:06 374656 223
>>374590
Вроде разобрался, смутило дохуя подводов нейтрали, а ставить его до или после узо?

>>374633
>Просто автоматом щелкнуть уже не в моде?
У меня дом, на выходе сделал мастер выключатель, будет отключать весь свет, сейчас бы думаю взял однополюсный наверное.
Аноним 07/10/25 Втр 17:34:09 374658 224
Аноны, а реле же поможет от обрыва нуля? Кстати, какого хуя во всех магазинах продаётся на заказ всё. В наличии только петушня TDM или IEK (Леруа двигает свой петушиный Decraft, что по сути одно и тоже). Почему если я хочу взять КЭАЗ, или, например Эру то мне нужно заказывать и ждать? Что за хуйня?
Аноним 07/10/25 Втр 18:05:42 374660 225
>>374658
Ну можно ноль заземлить до вводного автомата.
Аноним 07/10/25 Втр 18:16:10 374661 226
>>374658
> Эру то мне нужно заказывать и ждать? Что за хуйня?
Потому что ничего не происходит.
Аноним 07/10/25 Втр 19:03:48 374663 227
>>374658
>Decraft
Это бывший Шнайдер электрик.
Аноним 07/10/25 Втр 19:41:04 374665 228
>>374656
> до или после
Эквипенисуально.
Главное - последовательно.
Аноним 07/10/25 Втр 20:26:51 374672 229
>>374663
Хуивший, эту хуету я наблюдаю с 2010 года в своей мухосрани. Хотя, шнайдер тоже скурвился в 2012 году с появлением рези9.
Аноним 08/10/25 Срд 06:54:03 374692 230
>>374663
>Это бывший Шнайдер электрик
Бывший Шнайдер, в РФ, выродился в Систем Электрик. Декрафт - суббренд Шнайдера для СНГ нищеты, трясущейся над каждой копейкой.
Аноним 08/10/25 Срд 09:49:17 374697 231
>>374692
>Систем Электрик.
Он не имеет отношения к шнайдеру, это китайская копия.
Почему-то блаженные думают, что это суббренд шнайдера и коупят себя тем, что всё хорошо, но нет, это не суббренд шнайдера, это внешне похожая копия на дешманские популярные продукты шнайдера, но делают их китае и на внешнем сходстве всё и заканчивается.
Аноним 08/10/25 Срд 21:22:41 374744 232
>>374697
Какой китай!? В Ленобласти у них 2 завода и ещё где-то один. Не помню точно где - лень гуглить. Если интересно - сам проверь.
Аноним 08/10/25 Срд 21:55:42 374753 233
>>374697
Скажу больше, IEK, чтобы не шкварить "репутацию" сделали суббренд Generica. Вот эти попытки наебать мне не нравятся. Если мне нужен дешман я возьму Эру, нужно качество - возьму КЭАЗ. Но на качество и на цены всем по хуй - рулят откаты и маркетинг.
Аноним 08/10/25 Срд 23:02:26 374757 234
>>374744
И чо там делают на этом заводе? Наклейки клеят?

>>374753
>IEK
Иек армат норм.

>КЭАЗ
Контора пидорасов, не знаю за модульное оборудование, но щиты покупали китайские и лепили свой логотип. К щитам расходники и допы всякие либо не продавали, либо продавали в три дорога и только 10-100 штук.
Аноним 09/10/25 Чтв 08:07:04 374759 235
>>374697
>это китайская копия.
Ну, ващет это наш, аналоговнет.
>КЭАЗ
Крайне хуевые впечатления от их контакторов. Даже ИЭК дольше ходил чем их говно.
Аноним 09/10/25 Чтв 08:14:05 374760 236
>>374692
Работает у меня этот Декрафт уже лет 5, наверное. И как то мне по барабану тот факт, что я за него не заплатил как за крыло от Боинга, а наоборот сэкономил.
Аноним 09/10/25 Чтв 08:16:23 374761 237
>>374760
А хоть раз срабатывал?
Аноним 09/10/25 Чтв 08:23:55 374762 238
>>374761
А чего им срабатывать? У меня всё работает в штатном режиме без перегрузок.
Аноним 09/10/25 Чтв 08:25:23 374763 239
>>374760
Вообще декрафт имеет хорошую репутацию. Его ставит в частные дома мой подрядчик по электрике тем кто не хочет переплачивать за абб.
Аноним 09/10/25 Чтв 08:29:07 374764 240
>>374762
Ну так смысл автоматов - не в том, чтобы не срабатывать в штатных условиях, а в том, чтобы срабатывать при перегрузках. Это сегодня ты умело жонглируешь нагрузкой, вручную не допуская перегрузок, а завтра устроишь праздник, к тебе набежит толпа, включат всё подряд, а сосед сверху зальёт распределительную коробку. Вот тогда-то и будет важно, срабатывает ли твой автомат при указанной нагрузке.
Аноним 09/10/25 Чтв 08:32:01 374765 241
изображение.png 152Кб, 1246x421
1246x421
Аноним 09/10/25 Чтв 09:08:39 374770 242
>>374761
Пять лет назад собрал щит на дифах декрафт, полёт нормальный. Срабатывают когда надо, ложных нет. Добавлю что прям тестов с разборкой и прогрузом которые бы показывали что унутре кал какбы и нет в отличие от иеков-екф-тдм. Да, дифы электронные но не поебать ли при наличии РКН то?
Аноним 09/10/25 Чтв 10:28:44 374773 243
>>374764
Нам, когда проводку в доме ложили, учитывали все электроприборы, которые работают или возможно будут работать в каждой из комнат. И исходя из этого индивидуально подбирали (с запасом) и сечение проводов и автоматы. Вот поэтому вся электрика в доме у меня и работает без перегрузок, в штатном режиме. И Декрафт (если всё грамотно рассчитать) будет работать не хуже других автоматов.
Аноним 09/10/25 Чтв 11:03:03 374774 244
Вариант когда делают вертикальные штробы, не монтируют распаечные коробки, последовательно укладывают кабель, из-за чего расход кабеля увеличивается на треть или даже вдвое — считается нормальной практикой?
Аноним 09/10/25 Чтв 11:04:14 374775 245
>>374760
>я за него не заплатил как за крыло от Боинга
>декрафт 150р. автомат
>нормальный бренд 350 р. автомат
Пиздец разница, Боинг целый купить можно
Аноним 09/10/25 Чтв 11:07:23 374776 246
>>374773
>когда проводку в доме ложили, учитывали все электроприборы, которые работают или возможно будут работать в каждой из комнат
Долбоебикс, вся укладка проводки - явно ты сам нубас в этом - ограничивается выделенной мощностью на квартиру / дом.
При обычных сценариях это 16А на розетки, 10А на свет, в очень редких случаях ставится 25А или 32А на помещение, и кабель ведется соответственно
С твоей логикой можно в каждую комнату по 10 меди пустить, шоб было + не всем интересно, как тебя наебали мастера
Аноним 09/10/25 Чтв 11:10:13 374777 247
>>374773
Для ясности: если тебе проложили кабель 4 или 6 квадрата меди, и поставили 25 или 32 автомат, но смонтировали все обычные розетки - у тебя все равно помещение сгорит, поскольку твоя говнорозетка под такое на рассчитана, как и двойник / тройник. И автомат не сработает, вот ржомба будет
Аноним 09/10/25 Чтв 11:11:42 374778 248
>>374658
Какое реле, напряжения? Поможет
>TDM
>IEK
>Decraft
>КЭАЗ
Это все - хуйня среди производителей, если что
Аноним 09/10/25 Чтв 11:12:42 374779 249
>>374474
Попробуй перевернуть розетку
Аноним 09/10/25 Чтв 11:35:34 374780 250
bandicam 2025-1[...].mp4 25584Кб, 1960x1080, 00:01:01
1960x1080
Аноним 09/10/25 Чтв 11:41:09 374781 251
>>374234
Это паль на абб. Тем более всеинструменты, который закупает хуй знает у кого
Аноним 09/10/25 Чтв 12:26:30 374783 252
>>374773
> в штатном режиме
Вот только автоматы ставят для защиты от нештатного режима. Чтобы когда твой прибор закоротит, выбивало автомат, а не сгорала проводка.
Аноним 09/10/25 Чтв 12:29:06 374784 253
>>374776
Ты кокойто агрессивный.
Он же пишет: ему ложили. То есть у него там не по одной линии 16 А на розетки и 10 А на свет, а десять километров кабеля замуровано.
>>374773
> индивидуально подбирали (с запасом) и сечение проводов
Слу-у-ушай, а это что же получается, у тебя там полный зоопарк на десяток номиналов?
Аноним 09/10/25 Чтв 14:05:47 374788 254
>>374778
>хуйня среди производителей
КЭАЗ делает промышленное оборудование для заводов, да даже для РЖД.
А остальные производители хуета для низковольного оборудования.
Аноним 09/10/25 Чтв 14:17:15 374789 255
>>374775
Двачну. Хуею с этих вскукаретиков. Я еще понимаю там редкий дифф какой, на 2А и ток утечки 5мА, но на автоматах ценой пол чашки кофе экономить, вообще сюр какой-то.
Аноним 09/10/25 Чтв 21:01:48 374804 256
>>374788
Бренд-евангелист, плис.
Аноним 09/10/25 Чтв 22:36:31 374807 257
>>374778
систем электрик норм будет.
Аноним 10/10/25 Птн 09:57:24 374818 258
>>374765
Как в таком случае, по вашему, продукция Декрафт сертификацию проходит? Рабобают они вполне корректно. А результаты экспериментов мамкиных блогеров-испытателей в домашних лабораториях зачастую зависят от того, кто и сколько им за эти эксперименты заплатит.
Аноним 10/10/25 Птн 12:25:20 374826 259
>>374818
Прикол в том что и экспериментов блогеров показывающих что декрафт кал на ютубе нет, кек. Середнячок, но фанаты отсутствующего на рынке абб продолжают усираться.
Аноним 10/10/25 Птн 23:05:06 374859 260
>>374818
>Как в таком случае, по вашему, продукция Декрафт сертификацию проходит?
И всё
Аноним 11/10/25 Суб 00:29:30 374863 261
>>374859
А ты на что рассчитывал? Что мы тут думать будем? Гипотезы строить? Расследование проводить?
Аноним 11/10/25 Суб 18:19:08 374892 262
Кто-нибудь из производителей делает массово с нормальным ассортиментов тактовые выключатели без фиксации?
Т.е. нажал, кнопка замкнула контакт и отпрыгнула пружиной, как клавиатура пекарни.
Схемотехнику можно хуёвую, такое всё равно нужно только для логических уровней. А пластик надо хороший.
И никаких тач-панелей нахуй.
Аноним 11/10/25 Суб 19:15:16 374895 263
>>374892
> тактовые выключатели без фиксации
Ты всю терминологию перемешал.
"Тактовый" - это кусок от тактовой кнопки, которая на самом деле надмозговой перевод "с тактильной обратной связью", (в отличие от сенсорных).
"выключатель" (как устройство) не может быть без фиксации, тогда он не будет выполнять основную функцию: включать и выключать с сохранением состояния.
"без фиксации" может быть только кнопка или переключатель.
P.S. На самом деле может. "Выключатель без фиксации" всегда замкнут, размыкается только на время нажатия. Но в освещении это неприменимо.
Аноним 11/10/25 Суб 19:17:25 374896 264
Аноним 11/10/25 Суб 19:29:17 374901 265
>>374895
Терминология там вообще вся в пизде, поэтому я специально для зануд объяснил что мне надо.

>>374896
Такие обычно всё портит какая-нибудь пиктограмма звонка. Без них выбор прям дно.

Тайно я конечно ещё надеюсь найти кнопки которые не под углом стоят, а параллельно стене и нажимаются не рычагом, а строго перпендикулярно плоскости. Короче, опять же как клавиатура.
Так аж прям и с виду и по тактильным ощущениям будет понятно сразу что это выключатель другого типа и хлопать об него будет проще с любого угла.
Аноним 11/10/25 Суб 21:17:51 374908 266
>>374901
> Без них выбор прям дно
Купи кнопку с пиктограммой и выключатель без пиктограммы и поменяй клавишу.
> строго перпендикулярно плоскости
Слишком сложная система направляющих нужна, чтобы обеспечить ровный ход параллельно плоскости, когда пользователь хлопнет по нему с любого угла.
Аноним 11/10/25 Суб 22:25:43 374919 267
image.png 135Кб, 796x568
796x568
image.png 667Кб, 720x960
720x960
image.png 3275Кб, 1536x1152
1536x1152
>>374908
Да нихуя там сложного нет механически. Можно просто пару скоб кинуть, можно ножничный механизм.
Ты вон пока печатал на пробел нашлёпал уже несколько десятков раз, а он и больше типичного выключателя по габаритам и миниатюрнее по механике. Попробуй ещё с разных сторон на него накликивая – заебись он ходит сохраняя параллель.
Большие кнопки тоже не какая-то чёрная магия а весьма обыденная вещь. В электрике мы просто только начали с аналоговой коммутации на цифровую переходить.
Аноним 19/10/25 Вск 03:38:15 375267 268
7722881646.webp 36Кб, 750x1000
750x1000
7453312184.webp 15Кб, 1000x1000
1000x1000
7323220608.webp 95Кб, 1000x690
1000x690
Какой положняк по вилкам, колодкам и прочей хуите?
Что брать?
Аноним 19/10/25 Вск 06:11:14 375270 269
>>375267
Дрочь ненужная, если конечно не гоняешь обогреватели через это дело. Я себе собирал подобный только потому что нужны были плоские вилки чтобы кровать потом задвинуть и они не мешались.
Аноним 19/10/25 Вск 09:16:08 375276 270
>>375270
То есть если обогреватели гонять, то нужная? А в остальных случаях ненужная?
Аноним 19/10/25 Вск 15:10:38 375298 271
>>375270
Обогреватели как раз через такое вообще гонять не надо.
Аноним 20/10/25 Пнд 06:48:41 375338 272
Что скажите готовые (собранные) щиты с озона?
Аноним 20/10/25 Пнд 14:29:53 375345 273
>>375338
Звучит как хуйня, где ты не можешь сам выбрать компоненты. А самую геморную часть работы эти щиты не решают.
Аноним 21/10/25 Втр 11:16:24 375373 274
>>370701 (OP)
>Не штроби горизонтально, сука, не штроби!

И в чем проблема сделать штробу до кирпича, закрепить новый кабель и замазать все штукатуркой обратно.
Аноним 21/10/25 Втр 12:56:29 375375 275
>>375373
Не каждый имеет кирпичные стены, обмазанные пятью сантиметрами штукатурки. В кирпичной-то стене вообще можно в швах между кирпичами проложить, и штробить ничего не надо. А штробят в 99% случаев ж/б панели.
Аноним 21/10/25 Втр 20:28:29 375399 276
>>375373
В чём проблема штробить в дереве или гипсе? Короче пирожные пусть жрут.
Аноним 22/10/25 Срд 11:28:42 375424 277
>>370701 (OP)
Как делают заземление для частного дома?
Есть опора ЛЭП бетонная, с неё идет N, в основании опоры есть какой-то охуенно толстый пруток ржавый, предполагаю это земля.
Сейчас у меня зарыто 3 штыря в землю и от них идет земля в дом, стоит ли мне эти три штыря соединить с прутком снизу опоры?
Алсо, от верхней части столба опускается только 4 провода, думаю земли среди них нет.
Аноним 30/10/25 Чтв 11:56:09 375989 278
>>375424
>Как делают заземление для частного дома?
Адекватные, уравновешенные люди делают себе систему ТТ за братанов и двор стреляю в упор - заказываешь готовый набор заземления / мутишь уголок 4 метра, болгаркой делаешь наконечник по диагонали / забиваешь это добро в землю, к нему ведешь 1х10 или 1х16, другой конец в заземляющую шину. Все нахуй, заземление готово, проверить - соединить землю и ноль - при наличии УЗО выбьет нахуй УЗО = заземление работает.
Запиши и не благодари
Аноним 30/10/25 Чтв 18:25:42 376012 279
>>375989
> землю и ноль
> УЗО выбьет нахуй
в смысле?
Аноним 30/10/25 Чтв 18:50:01 376015 280
>>376012
Ноль после УЗО соедини с "землей". Должно выбить.
Аноним 30/10/25 Чтв 19:20:02 376019 281
Аноним 30/10/25 Чтв 19:45:18 376024 282
Аноним 30/10/25 Чтв 19:50:17 376031 283
>>376024
Чтобы УЗО сработало.
Не, правда, я серьёзно. Я настолько глубоко в электрике не шарю, максимум - могу розетку поменять под напряжением, но ноль - это же НОЛЬ, как с него может что-то землю утечь?
Да и что-то я слышал про заземлённые нейтрали...
Аноним 30/10/25 Чтв 20:17:24 376035 284
>>376031
Если у тебя УЗО не среагирует на соединение земли с нулем - у тебя хуевые УЗО или заземление
Аноним 31/10/25 Птн 01:16:57 376045 285
Шлепа.jpg 57Кб, 960x679
960x679
Аноны, помогите, пожалуйста, разобраться.
Имею комнату в коммунальной квартире. По факту обычная двушка с кухней и туалетом, но у каждого из собственников по комнате. В квартиру заходит ОДИН питающий кабель от щитка в подъезде, где установлен ОДИН автомат.
Уже в коридоре у нас у каждого висит свой счетчик. У меня он считает потребление с моей комнаты, ванны, кухни
А соседский счетчик с его комнаты, коридора и туалета(раздельный санузел)
Я, в силу работы и проебства могу не успевать подавать показания и потому просто платил по норме в 200квт, но тут недавно, когда меня не было там, пришел контролер проверять показания. И оказалось, что у меня за лето натекло 1085 квт
24 июня я передал 15305, а сейчас, 28 октября, 16390
16390-16305=1085 кВт за 4 месяца. Это пиздец просто. Причем с августа в комнате никто не живет, то есть я должен платить только за то, что нагорит на кухне и в ванной.
Гугол мне выдал, что даже если у меня 30 дней горит свет в этих помещениях(сосед не выключил, к примеру)то расход примерно 30кВт в месяц за оба помещения, в каждом лампочка на 20ватт.
Так вот, откуда блять такие значения?
У меня есть кондер,но даже он столько бы не нажёг, там выходит по 270кВт за месяц. Ноутбук, освежитель воздуха и все, больше нет потребителей. Ну холодильник еще. А последние пару месяцев он и не включался(никто не жил)
Как мне найти куда уходит мое электричество?
У меня с соседом одна стенка межкомнатная, есть розетка сдвоенная.
Я не могу просто выключить счетчик и посмотреть уйдет ли за месяц сколько-то киловатт, ведь тогда не будет света на кухне и в ванной, а это места общ.пользования.
Как быть? Штробить всю проводку и смотреть разводку и что куда включено я не могу, нахожусь в другом городе. Или может можно прозвонить?
С
Аноним 31/10/25 Птн 06:27:27 376047 286
>>376045
> ванны, кухни
> 24 июня
Горячую воду когда отключали?
Аноним 31/10/25 Птн 07:29:10 376051 287
>>376045
А на кухне только свет, розеток нет? Может сосед пидор готовит не на газу, а на переносной электроплитке
Аноним 31/10/25 Птн 10:38:03 376062 288
>>376051
Нет, он почти не готовит. На кухне есть моя розетка для стир.машинки и у него под микроволновку. Но на днях выключил мой счетчик, а у него продолжает работать розетка.
Т.е. она не от меня питается.
На ютубе посмотрел, что иногда могут соседи 0 брать другой и не свой и тогда мой счетчик будет считать и мою нагрузку и его. Это так?
Аноним 31/10/25 Птн 16:56:00 376069 289
>>370701 (OP)
Хочу перенести точку подключения из старого дома (под снос) на трубостойку из металлической профтрубы.
Вопросы:
1. Можно ли эту трубостойку при этом использовать как столб забора? Щиток будет со стороны двора.
2. Можно ли ее использовать ещё и как столб навеса?

Сейчас дом подключен на 1 фазу, сколько выделено мощности - пока хз. Можно ли при переключении перейти на 3? Как это с точки зрения бюрократии сейчас будет выглядеть? Захотят бабок как за новое присоединение 100+к?
Аноним 31/10/25 Птн 19:04:56 376078 290
>>376062
Разомкни и свой ноль тоже, не только фазу. Если у соседа что-то перестанет работать, то он реально твой ноль юзает.
Аноним 01/11/25 Суб 12:25:45 376087 291
>>376069
Спрашиваешь какую-то хуету, внятнее можешь написать?
>трубостойка
>столб забора
Это что, из разряда мультифоры и судочка?
>дом подключен на 1 фазу, сколько выделено мощности - пока хз
Узнай
>Можно ли при переключении перейти на 3
Зачем?
Аноним 01/11/25 Суб 13:45:49 376088 292
SaveClip.AppAQM[...].mp4 13772Кб, 720x1280, 00:01:01
720x1280
Это прикол или реально так можно?
Аноним 01/11/25 Суб 14:50:29 376091 293
>>375989
>систему ТТ
>Сейчас у меня зарыто 3 штыря в землю и от них идет земля в дом

это же и есть ТТ?
Аноним 01/11/25 Суб 15:35:45 376095 294
>>376088
>или реально так можно?
Медь алюминиевой втулкой? Да кто ж тебя удержит от подобного.
Аноним 01/11/25 Суб 18:13:55 376102 295
>>376087
>Спрашиваешь какую-то хуету, внятнее можешь написать?
Что тебе не понятно в слове "трубостойка"?
>Узнай
Узнаю
>Зачем?
Затем
Аноним 01/11/25 Суб 19:24:09 376110 296
>>376102
>в слове "трубостойка"?
Я это говнослово впервые на Авито прочитал. Охуел и не выхуел до сих пор.
Аноним 01/11/25 Суб 20:58:17 376120 297
>>376091
Да, если помимо шины PE ни с чем, кроме отводов на розетки не соединен
Аноним 01/11/25 Суб 20:59:35 376122 298
>>376102
>трубостойка
Что это?
Аноним 01/11/25 Суб 21:12:13 376124 299
>>376122
>Что это?
Это глубинарии так обзывают кусок профтрубы с прикоряченным к ней говнопластиковым щитком на 12 модулей.
Аноним 01/11/25 Суб 21:16:01 376125 300
изображение.png 386Кб, 827x772
827x772
>>376122
Для понимания глубины глубин
Аноним 01/11/25 Суб 21:46:30 376135 301
>>376122
Это стойка из трубы
Аноним 02/11/25 Вск 02:28:48 376142 302
>>376095
А вытяжные клепки чтоли из аллюминия?
Аноним 02/11/25 Вск 13:11:22 376163 303
>>376142
Конечно. А из чего им быть? Если они вытягиваются и сминаются под давлением.
В этой штуке детали из условной стали и алюмки, никаких других металлов там нет.
Аноним 02/11/25 Вск 18:00:43 376176 304
>>376088
А нахуя когда ГМЛ для этого есть?
Если ты в какой-то залупе где под рукой ничего нормального нет кроме внезапно заклёпок то скрути к хуям и всё.
Аноним 06/11/25 Чтв 13:36:49 376315 305
image.png 406Кб, 521x677
521x677
>>370701 (OP)
>LED лампочки
Аноны, помогите. Как найти нормальные лампочки?
Купил себе Космос 11 Ватт, она сдохла через полгода. Была бледная и не очень нравилась. Поставил 6 Ватт другой фирмы из Фикспрайсы - абсолютно тоже самое по мощности, как так? Должно быть в 2 раза ярче.

Вопрос, а как найти на озонах хорошие е14-лампочки, чтобы были яркими, холодными и слабо грелись?
Аноним 06/11/25 Чтв 14:21:54 376317 306
>>376315
Короч по фирмам
топ
Voltega
Electrostandart
средне
General
In-Home
ниже среднего
Эра
А дальше остально шлак
Аноним 06/11/25 Чтв 15:15:39 376318 307
>>376317
Во, достаточно Voltega и Electrostandart
Спасибо!
Аноним 06/11/25 Чтв 18:35:11 376322 308
Аноним 07/11/25 Птн 07:16:05 376335 309
>>376315
>Поставил 6 Ватт другой фирмы из Фикспрайсы - абсолютно тоже самое по мощности, как так? Должно быть в 2 раза ярче.
Было 11 ватт , стало 6 ватт и вдруг "в 2 раза ярче" ?
Должно же быть в раза меньше?

>>376315
>хорошие е14-лампочки, чтобы были яркими
Никак. e14 подразумевает компактность, которая не сочетается с большой мощностью-яркостью.

>>376315
>холодными и слабо грелись?
Все они греются до 70 градусов, если повезёт. Если не повезёт, то выше.

Реально холодные только маленькой мощности ватта 3. Но они и светят только на эту мощность.
Аноним 09/11/25 Вск 09:48:39 376432 310
image 323Кб, 1000x1000
1000x1000
image 76Кб, 1324x692
1324x692
Аноним 09/11/25 Вск 12:13:17 376438 311
>>376432
> Электроустановки зданий общежитий, хостелов, общеобразовательных организаций, образовательных организаций с наличием интерната, дошкольных образовательных организаций, специализированных домов престарелых и инвалидов (неквартирных), спальных корпусов организаций отдыха детей и их оздоровления, медицинских организаций, предназначенных для осуществления медицинской деятельности, оборудуются устройствами защиты от дугового пробоя, которые поддерживаются в исправном состоянии.
На пикче, как всегда, кликбейт.
Аноним 09/11/25 Вск 13:11:40 376444 312
>>376438
Похуй, суть не в этом.
Аноним 10/11/25 Пнд 06:46:51 376500 313
>>376432
>>376438
В деревянные дома, разве что. Ложные срабатывания всё ещё есть.
Аноним 10/11/25 Пнд 10:09:46 376506 314
>>376500
А в недеревянных домах типа ничего не горит
Аноним 10/11/25 Пнд 11:26:56 376509 315
>>376506
Типа от одной искры шансы сгореть нахуй полностью, ещё и соседей спалить - кратно ниже.
Аноним 10/11/25 Пнд 14:39:00 376516 316
>>376438
Примотал изолентой к хую, обязательность к установке выполнена!

>>376444
В чём суть?
Аноним 10/11/25 Пнд 14:58:06 376517 317
1762775865644.jpeg 97Кб, 1080x574
1080x574
Аноны, есть разница в производителях кабелей? Какого выбрать?
Бывает, что щупаешь в магазине и там даже цвет медяхи может отличаться, значит пидоры могут и экономить
Аноним 10/11/25 Пнд 15:00:04 376518 318
>>376516
> обязательность к установке выполнена!
Твой хуй - дом инвалидов или дошкольная образовательная организация?
Аноним 10/11/25 Пнд 15:30:04 376520 319
Кабель для питания духовки проложили прямо за ней. (Духовку не выбрали, но места там мало). Не умрет изоляция от нагрева? И где монтировать розетку - внизу, сбоку?
Аноним 10/11/25 Пнд 17:53:52 376521 320
>>376517
Всё может отличаться. Пидоры экономят на всём.
Толщина медяхи и изоляции, качество изоляции.
Наличие талька, некоторые еблоиды льют в кабель силиконовое масло вместо талька. Если ничего нет то изоляция будет слипшаяся с оболочкой.
Ещё бывает говномедь которая пружинит.

Почему-то конкорд и камкабель вспоминаются. От тдм вообще бы ничего не купил, за исключением какой-нибудь бесхитростной хуйни вроде нулевых шинок.

>>376518
Символизирует отношение к "обязательности" в рекламных пуках.
Аноним 10/11/25 Пнд 19:04:42 376526 321
>>376509
> от одной искры шансы сгореть нахуй полностью,
Горит не каркас, горит отделка и предметы быта. Но чтобы от одной искры - это мне кажется фантастика.
Аноним 11/11/25 Втр 04:36:26 376565 322
>>376517
Смотри чтоб по ГОСТу был, тогда в теории похуй.
Если без его указания, то точно хуита. Правда проверь ещё что там за ГОСТ указан, маркетологи и тут могут говна наливать, типа ГОСТа на упаковку.
Камкабель брал ПУГВ вроде, заебись был.
Аноним 11/11/25 Втр 06:56:35 376566 323
original29499a4[...].jpg 1150Кб, 1711x4294
1711x4294
Аноним 12/11/25 Срд 06:20:18 376630 324
>>376520
>Не умрет изоляция от нагрева?
Если этот духовой шкаф не сделан специально, что бы поджигать дома, то ничего с кабелем не будет. У духовых шкафов нормальная теплоизоляция, внешние стенки рукой трогать можно.
Аноним 12/11/25 Срд 11:05:00 376639 325
>>376315
Я считаю:
1. Osram, Philips, Ikea - за них стоит переплатить.
2. Gauss
Все остальное - любое. Слава богу если не загорится огоньком
Аноним 12/11/25 Срд 21:22:02 376691 326
>>376639
Это всё ОЕМ параша.
Осрам так вообще давно и бренд продал китайцам.
Аноним 13/11/25 Чтв 04:00:16 376715 327
image.png 151Кб, 960x960
960x960
Есть древний многоквартирный дом. Заземления нет. Ноля тоже нет. В щиток приходят 2 фазы по 110В. Межфазное напряжение 220.
Хочу поставить гибридный инвертор, для резервного питания. Будет ли оно работать без земли и ноля?
Аноним 13/11/25 Чтв 15:59:10 376732 328
>>376715
Будет, если там не стоит защита, которая при отсутствии земли и ноля не даст включиться. Если что киданёшь провод на батарею чтобы её наебать.
Аноним 14/11/25 Птн 03:58:38 376755 329
Хочу позвать Василича с авито починить пару розеток и проводки света "под шкафом". Сколько будет стоить такая работа?
Аноним 14/11/25 Птн 08:50:35 376759 330
>>376755
2к за каждую розетку + 5к за погонный метр каждой жилы в 3*2.5
Аноним 14/11/25 Птн 09:34:34 376760 331
>>376759
>+ 5к за погонный метр каждой жилы в 3*2.5
Забыл еще протяжку в гофру и монтаж каждой клипсы!
Аноним 14/11/25 Птн 10:04:43 376761 332
>>376760
Какая гофра и клипсы дурик? У него внешняя проводка, а не разводка под отделкой
Аноним 14/11/25 Птн 15:38:17 376768 333
>>376761
>У него внешняя проводка
Значит нужны фарфоровые изоляторы для дизигнерского вида!
Аноним 14/11/25 Птн 17:18:47 376775 334
изображение.png 652Кб, 1333x954
1333x954
>>376761
Внешнюю тоже нужно на клипсы сажать, чтобы не уползала
Аноним 14/11/25 Птн 17:28:49 376777 335
>>376768
Тогда стоит присмотреться к оригинальным подставкам для аудиокабелей из красного дерева, что бы электроны не получали внешних ЭМ полей от соседской проводки
Аноним 15/11/25 Суб 03:37:28 376809 336
176316629140276[...].mp4 1478Кб, 576x1024, 00:00:07
576x1024
>>376732
>киданёшь провод на батарею чтобы её наебать.
Аноним 15/11/25 Суб 23:50:52 376838 337
УЗО тут вырубилось в подъездном щитке, только у меня.
Правильно понимаю что значит что-то утекло с фазы на землю, но не сильно потому что иначе ёбнул бы автомат, а не узо?
Чё дальше, включил и похуй? Или можно как-то найти что именно у меня замкнуло?
Аноним 16/11/25 Вск 02:58:11 376841 338
>>376838
> значит что-то утекло с фазы на землю
Да.
> но не сильно потому что иначе ёбнул бы автомат, а не узо?
Нет. Автомат выбивает через несколько секунд, УЗО срабатывает быстрее.
> Чё дальше, включил и похуй?
Да. Если сразу выбьет обратно - ищи причину, лол.
> Или можно как-то найти что именно у меня замкнуло?
По очереди отключай комнаты и приборы, в итоге найдёшь.
Аноним 16/11/25 Вск 11:38:30 376848 339
>>376809
На месте разберёшься
Аноним 16/11/25 Вск 15:13:25 376860 340
В квартире алюминиевая проводка. Возможно ли провести прямо от щитка отдельную медную линию для индукционной варочной панели 3,5кВт и хватит ли для временного решения кабеля сечением 2,5 или лучше наверняка 4 взять, хоть и цена в 2 раза дороже? Кабель буду вести в плинтусах, будут изгибы, поэтому толщина имеет значение.
Аноним 16/11/25 Вск 15:23:04 376861 341
>>376860
> В квартире алюминиевая проводка
Древнее совковое говно ощущаю я. Замерь сечение ввода (от стояка до счётчика и от счётчика до автоматов), вдруг не выдержит.
> Возможно ли
Всё возможно. Главное - правильно сделать ответвление на новый автомат (два провода под одним винтом должны иметь одинаковое сечение и одинаковый материал).
Можно даже заменить провода через счётчик - вот >>335707 → я в прошлом году подобным занимался.
> хватит ли для временного решения кабеля сечением 2,5 или лучше наверняка 4 взять
3,5 кВт - это 16 А, для такого тока вполне хватит 2,5 мм2. Но если вдруг соберёшься ставить нормальную большую панель на 7 кВт, то, конечно, не выдержит.
Аноним 16/11/25 Вск 18:33:23 376867 342
IMG202511161833[...].jpg 963Кб, 1675x2171
1675x2171
Всем привет, имеется дом дача
От столба идёт провод 4х жильный, на щиток с счетчком и вводным автоматом ВА47-29 3P C 25А 4,5кА IEK
Вопрос такой, договор с цифрами выделенной мощности, нет возможности посмотреть.
Как понять сколько выделено киловатт?
Аноним 16/11/25 Вск 18:52:15 376868 343
>>376867
25 А на три фазы похоже на 15 кВт, максимально доступную для физлица мощность
Аноним 16/11/25 Вск 18:54:30 376869 344
>>376867
> договор с цифрами выделенной мощности, нет возможности посмотреть.
Проверь экспериментально. Включай все обогреватели, которые только найдёшь, и смотри, на какой мощности сработает ограничитель в счётчике.
Аноним 16/11/25 Вск 18:59:30 376870 345
image.png 11Кб, 358x253
358x253
Аноним 16/11/25 Вск 19:33:36 376874 346
>>376841
Сразу не выбило, от того и странно.
А низковольтный постоянный может триггернуть?
Из подозреваемых только такой прибор который я днём ранее пересобрал весь, он как раз работал. Но сегодня с ним тоже всё ок.
Ещё одна розетка возможно, жена говорит что вырубило когда к ней потянулась. Эта розетка болтается вся, её отключил и переделаю в любом случае для профилактики.
Аноним 16/11/25 Вск 19:46:40 376875 347
>>376874
> А низковольтный постоянный может триггернуть?
Если гальванически со входом переменки не развязан (99% бытовых блоков питания), то да. Если развязан - нет.
Аноним 16/11/25 Вск 20:02:05 376880 348
image.png 366Кб, 2102x736
2102x736
image.png 1083Кб, 1000x999
1000x999
image.png 3379Кб, 1600x1200
1600x1200
>>376875
Думаю развязан.
Там нонейм аналог LRS минвела. Скорее всего упрощённый, но навереное не совсем пиздец. На пиках минвелл.
Трансформатор явно есть, дальше не разбирал.
Я низковольтную часть от него питающуюся знатно пошатал. И кабеля обжимал и компонент добавил и разводну питания перевёл... Но всё аккуратно делал и эта хуйня даже прям сейчас нормально работает.
Аноним 20/11/25 Чтв 15:12:00 377037 349
Анончик, в старом деревенском доме пришла пизда проводке, сейчас приехал, автоматы выбило и выбивает примерно через 15-20минут включения, вангую мышь где-то в стенах устроила кз. (автомат новый подкидывал, дело не в нём). Проводка - старый алюминий, зашита гипсокартоном. Хочу заменить всю проводку, знакомый электри посчитал 128 метров шввп 2х1,5 и 190метров шввп 2х2,5, дом 64 квадрата. Земли там нет и не будет, никогда. Умирающая деревня. Этот кабель нормальный? Или лучше взять АВВГ?
Аноним 20/11/25 Чтв 16:16:00 377039 350
image 442Кб, 1648x1083
1648x1083
>>377037
>шввп 2х2,5
Серанул.

Зачем люминь? Ввг купи.
Аноним 20/11/25 Чтв 17:40:18 377044 351
>>377039
АВВГ тогда уже куплю. А можно на свет 0,75 провод? Там светодиодные светильники максимум 500 ватт общей мощности.
Аноним 20/11/25 Чтв 17:45:55 377045 352
>>377039
Да электрик говорит что ШВВП лучше, он быстрее его протянет и типа многожильный выдерживает больше нагрузку, я так погуглил по ходу с сечением он меня наёбывает, на свет кинуть не лучше 2х0,75 и атомат С6? Экономия тысяч 20.
Аноним 21/11/25 Птн 14:22:32 377100 353
>>376868
>15квт
>максимально доступную для физлица мощность
А ежели я богач и к коттеджу баню хочу построить с бассейном, хочешь сказать мне россети дополнительную мощность не выделят?
Аноним 22/11/25 Суб 06:49:28 377128 354
>>377100
>А ежели я богач
Чуваку в Серебряном бору тянули 2 луча по 240 квадратов от подстанции к коттеджу.
Аноним 23/11/25 Вск 05:58:12 377206 355
После того как в рандомном месте просверливая под полку случайно ебнул кабель у меня теперь очко жим-жим чето в стене сверлить, так и кажется, что вся стена состоит из кабеля
100% надежный способ кроме перфоратора есть определить наличие кабеля в стене посоветуйте
Аноним 23/11/25 Вск 08:15:01 377210 356
>>377206
Детекторы проводки
Аноним 24/11/25 Пнд 20:11:43 377320 357
Screenshot20251[...].jpg 698Кб, 1080x2412
1080x2412
Гле наёбалово? Что это за индекс (А)
Аноним 24/11/25 Пнд 20:25:28 377322 358
>>377320
>
>Гле наёбалово?
В цене 60р/м
Аноним 24/11/25 Пнд 20:48:12 377324 359
>>377322
Продавец честно пишет диаметр жилы 1,6 это чуть пизже дефолтной полторашки. Хочу сделать таким проводку.
Аноним 24/11/25 Пнд 21:04:37 377325 360
>>377320
Мало того, что меди фактически два квадрата, так ещё и металл окажется с примесями и высоким сопротивлением, лол.
> Что это за индекс (А)
нг (А) — показатель пожарной опасности ПРГП 16 (категория А);
Аноним 25/11/25 Втр 14:36:45 377355 361
Чем конкретно опасно зануление в щитке?
И что лучше, если защитного заземления в принципе нет - двухпроводная сеть вообще без земли или же с занулением?
Аноним 25/11/25 Втр 15:00:58 377359 362
>>377355
> двухпроводная сеть вообще без земли
Диф сработает при утечке тока через твою тушку в любом случае. Именно при утечке, если ты схватишь в одну руку фазу, а в другую ноль, то это не утечка, ты для него такой же электроприбор, как и все остальные, с закономерным итогом в виде паленого трупа.
>>377325
>с примесями и высоким сопротивлением
Воспоминание разблокировано. Как только Леруа Мерлен зашли в мою мухосрань они продавали дешевый кабель ввн-нг ГОСТ, с сечением там всё было нормально, 1,8 что эквивалентно 2,5 квадрата. Но, сука, он не гнулся, от слова совсем. я всё равно на этот кабель повесил потребителя 0,7кВТ воообще из годноты вижу только NUM но стоит он дохуя.
УЗДП Аноним 25/11/25 Втр 15:02:18 377360 363
image 611Кб, 1920x1080
1920x1080
Мнения по УЗДП? Нужно ли, надёжно ли? Делитесь опытом использования, кто пробовал.
Подробно о сабже: https://serkov.su/blog/?p=5962
Аноним 25/11/25 Втр 15:07:54 377362 364
>>377360
>Мнения по УЗДП
В условиях квартиры, думаю, и то вопрос, у меня оно срабатывает на шлифмашику, вангую на любой щеточный, довольно сильный мотор будеь срабатывать. Вот УЗИП и реле напряжения реально нужно.
Аноним 26/11/25 Срд 00:00:52 377397 365
>>377360
Не нужно. Все это китайское барахло в щите само является источником опасности
Аноним 26/11/25 Срд 09:26:36 377405 366
>>377397
И тут ты такой с аргументами и пруфами.
Аноним 26/11/25 Срд 09:27:11 377406 367
>>377397
Так не бери китайское барахло.
Аноним 28/11/25 Птн 02:15:17 377552 368
>>377037
>деревенском доме
>Земли там нет и не будет
Ебанутый чтоли? Чего-чего, а заземление в деревне делай-не хочу.
Заземление – это буквально Земля если что. И земля тоже.
Просто блять кол в землю вбиваешь и провод от него в розетки ведёшь. Совершенно буквально.
Правильно конечно специальный кол и три его штуки, но суть та же.
Если тебе твой электрик об этом не рассказал, то четвёртый кол ему в сраку загони и больше к дому не подпускай.
Аноним 28/11/25 Птн 23:00:18 377587 369
>>377552
На хуй сходи, ТТ прогорел тен бойлера вместо 100В на корпусе бойлера, у тебя 100В на корпусах ВСЕХ электроприборов в доме. А если обрыв нуля? Твоя земля становится нулём для всей улицы, с закономерным итогом.
Аноним 28/11/25 Птн 23:31:21 377592 370
>>377587
Если у тебя прогорит ТЭН бойлера, то твои 100 В сразу уйдут в землю (на то она и земля), а УЗО тут же отрубит напряжение из-за утечки.
Аноним 29/11/25 Суб 14:36:19 377611 371
>>377587
100 вольт - узо сработает. Тт без диф защиты хуита.
Обрыв нуля и твоя земля для всей улицы как раз для tn-cs сценарий
Аноним 01/12/25 Пнд 17:42:57 377716 372
Screenshot1.jpg 416Кб, 872x939
872x939
Решил купить новый паяльник, захожу на вб, а там поголовно 450+ градусов нагрева. Вопрос: зачем столько много? Я может тупой и чего-то не одупляю, но... нахуя?
Аноним 01/12/25 Пнд 23:06:37 377722 373
>>377716
Чтобы гоев прогреть.

Кстати, по вопросу выбора паяльников рекомендую проконсультироваться в /ra/.
Лично я рекомендую паяльник на картриджах T12, но есть и второй стул: JBC.
Основное отличие - нагревательный элемент зацементирован внутри картриджа, поэтому нагрев намного эффективнее вот этих вот колпачковых жал у тебя на пике, которые контактируют только с торцом нагревательного элемента. Такими жалами сложно паять крупное (например, отпаивать что-то от платы с большим земляным полигоном).
Аноним 01/12/25 Пнд 23:44:16 377725 374
>>377716
Это 500° по шкале Chinkelvina.
Эквивалентно примерно 300-400, иногда 200 или 600 по шкале Цельсия.

T12 уже такой же архаизм как это. Бери C245/C210/C115.
Наборы – хлам.
Аноним 02/12/25 Втр 15:04:49 377744 375
Внезапно обнаружил, что подходят к концу мои древние запасы изоленты Rexant, клей которой не разлагался на плесень и липовый мёд, а в продаже такой больше нет.
Какая изолента сейчас комфортна в этом плане?
Аноним 02/12/25 Втр 20:22:54 377757 376
>>377744
SAFELINE похожа

>а в продаже такой больше нет.
в яндекс введи и будет
Аноним 02/12/25 Втр 21:04:50 377762 377
>>377757
Safeline я когда-то брал, почему-то больше не хочется. Подробностей не помню.
> в яндекс введи и будет
Да нет нигде нихуя. Юрлицо-импортёр ликвидировано этой весной.
Нашёл Kranz: произведена на том же заводе, импортирована организацией с признаками реорганизации того импортёра. Как приедет, посмотрю...
Аноним 02/12/25 Втр 21:51:47 377763 378
>>377762
Пиздец блять. Рекксант - это говнозаментиель нормальных товаров последних лет, и мы теперь даже говнозаменителем изоленты полакомиться не можем. Я покупал клипсы рексант, они самые дешёвые были, и коробки распаечные, по качеству норм и самая низкая цена.

Тот же завод ничего не гарантирует, китайцы на одном заводе могут клепать совершенно разную продукцию под соврешенно разный бюджет и требования.
Аноним 02/12/25 Втр 21:57:16 377764 379
>>377763
Да понятно, что не гарантирует. Просто сегодня снимал с проводов старую изоленту, все руки в клей измазал. Фу, пиздец, четыреждыблядская ярость. Не хочу такую изоленту, а какую хотеть - непонятно. Тут хоть какая-то стартовая позиция есть для перебора...
Аноним 03/12/25 Срд 01:34:58 377767 380
>>377763
Рексант – ОЕМ бренд, у них и заводы то от партии к партии разные могут быть.
Вообще, у них очень много чего разного, иногда говно за оверпрайс, иногда годнота которой тупо нигде нет. Сильно зонтичный бренд чтобы его вообще с чем-то отождествлять.
>>377762
Вот Kranz прям голимый алиэкспресс с Немецким Качеством.

>>377764
Хоти термоусадку например. Изолента в принципе универсальная хуита только когда ничего более подходящего нет.
Аноним 03/12/25 Срд 10:52:06 377772 381
176474773787420[...].mp4 17622Кб, 576x1024, 00:01:19
576x1024
28В советских убить могут?
Аноним 03/12/25 Срд 13:07:45 377775 382
image.png 825Кб, 900x600
900x600
Аноним 03/12/25 Срд 14:54:03 377782 383
Делают капитальный ремонт хруща. Прокладывают 3 жильные провода и тд. Но я что то не вижу чтобы забивали заземление около дома или хер его где его закапывать должны. Как до них доебаться с этим вопросом но чтоб не посчитали за дебила но и хуйню какую левую для отмазки мне не спизданули чтоб отъебался.
Аноним 03/12/25 Срд 15:42:47 377786 384
>>377782
> не вижу чтобы забивали заземление около дома
Это дачные домики так заземляют. Для многоэтажки такое фуфлыжное заземление не катит.
Аноним 03/12/25 Срд 15:48:28 377787 385
>>377782
Сколько же городских сумасшедших...
Аноним 03/12/25 Срд 15:54:57 377789 386
>>377786
Но я не вижу движухи по заземлению вообще никакой. Или что они кабель земли на ноль кинут и типа вот вам заземление жрите.
Аноним 03/12/25 Срд 17:09:44 377790 387
>>377782
Если дом с электроплитами то заземление уже есть.
Аноним 03/12/25 Срд 18:32:17 377794 388
>>377790
Нет никаких плит. И заземления тоже нет.
Аноним 03/12/25 Срд 18:48:42 377797 389
>>377767
Других брендов у нас нет и не будет, такой был - и то хорошо.
Кранз использовал биты, долго ходят, 0 биений, и подходят под ебучие PH чёрные саморезы, больше под них нихуя не подходит. Цена опять же самая низкая.

А именитый бренд ничего не гарантирует. Использовал как-то изоленту 3м, может конечно подделка, но покупал в крупном специализированном магазине АБС, так вот 3м изолента - самое хуёвое дерьмо дерьма. На морозе она превращается в что-то типо старого пакета, которые пролежал под палящим солнцем несколько лет. Клея нету, эластичности нету, короче максимальное дерьмо.
Аноним 03/12/25 Срд 18:50:31 377799 390
Ещё щиты тестировал на горение, я фирмы уже не помню, но помню, что всякий дешман от брендов-однодневок не горело, а всякий якобы наш топчик типо кеаз за овердохуя издавал едкий чёрный дым.
Аноним 03/12/25 Срд 19:47:49 377808 391
>>377794
Могут вбить модульное заземление прямо в подвале. Смотрел одного кулибина из жэка, они такую хуйню делали.
Аноним 03/12/25 Срд 19:50:03 377809 392
>>377808
И какие характеристики у такого заземления будут. Экспертизу вызвать там никаких норм даже в теории не будет.
Аноним 03/12/25 Срд 20:17:16 377812 393
Штош, получил заказанную изоленту. Пахнет как рексант, тёплая разматывается как рексант. Завтра буду тестиросать.
>>377767
> с Немецким Качеством
С рисунком немецкого качества.
> Хоти термоусадку например
Мне жгут проводки в автомобиле перемотать надо.
> ничего более подходящего нет.
Аноним 03/12/25 Срд 22:06:01 377819 394
>>377797
Триэмы всякие – это уже профессиональные бренды, именно в нормальном смысле этого слова, а не в маркетинговом.
Суть в том что у них этой изоленты целый ворох разной специализированной для разных задач. И если берёшь не ту не для того – то хуйня и получится.
Такое надо брать когда точно знаешь что надо, почитал даташиты (да, на изоленту) и используешь строго по назначению не мотая всё подряд.

А для дома как раз уж лучше рексанты, алиэкспресс и супермаркетные нонеймы.
Аноним 03/12/25 Срд 22:37:01 377824 395
>>374780
Че за хуйню несет? При таком способе подключения там вся группа автоматом на 16А должна быть закрыта, от 32А он вырубится чуть ли не моментально.
Аноним 05/12/25 Птн 17:47:18 377918 396
Никогда триэмовская виниловая обычная изолента не нравилась. Что самая дешевая которая типа маркировочная, что топовая которая в пластиковой банке идёт. Клей мерзкий, особенно если надо разматывать то что постяло полгода минимум. Да, топовая типа на морозе до - 15 не мёрзнет особо.

Хотя всякие установщики вышек свзяи и прочие подобные на неё молятся.
Аноним 06/12/25 Суб 07:35:02 377971 397
Вырубился диффавтомат, включаться не хотел.
Нашел причину - слабо пахнущий сетевой фильтр.
Разобрал - внутри треш, провода толщиной в волос крест на крест лежали на клеммах, явно прижатые копусом при сборке на похуях, изоляция про пизде, странно, что вообще сразу не бахнул.
Полез в интернеты - нашел своего друга.. https://cs-cs.net/opasniy-setevoy-udlinitel-filtr
Пытался выбрать что-то на замену, но там какой-то треш один. Буквльно на каждый бренд кроме APC, которого сейчас не купить и который стоит овер 9000, можно найти треш.
Не подскажите бренд не совсем из говна и палок?
Аноним 06/12/25 Суб 10:16:33 377976 398
>>377971
Купи провод 2.5х3, колодку и вилку да сделай сам.
Аноним 06/12/25 Суб 17:19:59 377987 399
>>377971
>сетевой фильтр
Что ты там фильтруешь, анонче?
Аноним 06/12/25 Суб 18:11:55 377989 400
>>377971
Легран какой-нибудь, либо что-то подобное.
Либо делать самому.
Аноним 06/12/25 Суб 22:04:23 377999 401
>>377987
>Что ты там фильтруешь, анонче?
Да он просто удлинитель. Вроде и так предусмотрел розеток больше некуда при замене проводки, а эта зараза (фильтры/удлинители) всеравно частично остались, тк где-то неудобно без них.
>>377976
>>377989
Ясно, те все же квест сделай сам.
Аноним 06/12/25 Суб 22:50:38 378003 402
image 29Кб, 662x654
662x654
>>377999
Неплохо получается из пикрилов.
Аноним 06/12/25 Суб 23:20:59 378005 403
Аноним 07/12/25 Вск 00:50:50 378006 404
>>378005
Главное, чтобы фильтровал
Аноним 07/12/25 Вск 01:12:11 378008 405
>>378006
Так дна же нет. Всё, что попытаешься фильтровать, просто вытечет!
Аноним 07/12/25 Вск 12:18:06 378016 406
Аноним 07/12/25 Вск 13:49:32 378024 407
>>378005
Есть, металлическое перфорированное. Заклеиваешь скотчем армированным серым и норм. Можно деревяху или текстолитину выточить по форме, если столяр дохуя.
Аноним 09/12/25 Втр 12:27:38 378149 408
>>376715
Хуясе, это где такое бывает?
Аноним 09/12/25 Втр 12:29:18 378150 409
>>377128
Пароль мосдачтрест?
Аноним 11/12/25 Чтв 22:47:59 378289 410
>>377976
>>377989
Нормальные колодки и вилки тоже ещё хуй найдёшь.
С вилками особенная проблема, там либо хорошая электрика, либо аккуратная и компактная.
Аноним 12/12/25 Птн 00:20:49 378290 411
>>378289
Самое главное проблемное место, как правило, само соединение проводов внутри вилок и колодок, они всегда сделаны похабно, провод и так тонкий, и контакта почти нет там, в итоге нагрев и возгорание.

Я покупаю отдельно разборные вилки и колодки и делаю все соединения на НШВИ и проблем нет. Особенно в кипятильниках, на всю РФ нет НИ ОДНОГО кипятильника с нормальным соединением вилки и нагревательного элемента к проводам, в итоге они постоянно плавятся, хотя если бы соединение было нормальное, даже этого кабеля в три волосинки могло хватить.
Аноним 12/12/25 Птн 06:23:59 378292 412
>>378150
>Пароль мосдачтрест?
Чиво? Хуй его знает, но у него лифт гидравлический в халупе, ему нада.
Аноним 12/12/25 Птн 14:59:28 378297 413
>>378292
Да прост подумал вдруг мы на одном объекте ковырялись, там тоже лучи тянули, да еще и газотурбины ставили
Аноним 13/12/25 Суб 07:37:42 378305 414
>>378297
>на одном объекте ковырялись, там тоже лучи тянули, да еще и газотурбины ставили
Там рядом Алекперов несколько коттеджей мутил, может ты там ковырялся?
Аноним 13/12/25 Суб 10:11:11 378307 415
изображение.png 1562Кб, 1280x960
1280x960
изображение.png 735Кб, 600x800
600x800
изображение.png 213Кб, 550x550
550x550
>>370701 (OP)
>В плане надёжности ... Дно (хотя на свет пойдет) >> оригинальные Ваго 222 > оригинальные Ваго 773/2773 и СИЗы

Откуда такая нелюбовь с СИЗам? По переходному сопротивлению и механической прочности они гораздо лучше Ваго 222. Главный недостаток - ими нельзя соединять провода с тонкими жилками а-ля ПВС, тут Ваго 222 предпочтительнее.

Не так давно делал проводку на СИЗах EKF. Вполне приличный Китай. Ни одной выпавшей пружинки, ни одного лопнувшего корпуса. Скрутки на 2,5мм2 делал битой для шуруповёрта, накручивает намертво.

И немного мыслей про клеммы. В своё время пользовался Ваго 222 и 221, последние мне очень понравились - меньше и прозрачные. Недавно пытался найти приличный китайский аналог 221-ых и понял, что ничего лучше 222-ых по конструкции нет.

У 222 и его клонов более мощная пружина, длиннее и крепче рычажки. Дешёвый прозрачный пластик более хрупкий, поэтому непрозрачный лучше. Рычажки находятся над пружиной и не мешают втыкать жилы. В общем, топорная надёжная штука.

Для сравнения, брал клеммы EKF с тёмным прозрачным пластиком. Никому не советую. Пластик очень толстый, клеммы громоздкие. Пружины слабее и зажимают рандомно, иногда жилу легко выдернуть. Оси рычажков находятся слева и справа от жилы, поэтому многопроволка иногда неудобно втыкается. Какая-нибудь случайная жилка отгибается вбок и цепляется за рычажок. Пару раз её там и зажимало, потом приходилось её выдёргивать из клеммы пинцетом.

Но даже такие дурацкие клеммы спокойно держали 3,5 киловатта без нагрева. Ваго тем более у меня никогда не горели на линиях 16 ампер.
Аноним 13/12/25 Суб 11:17:23 378308 416
>>378307
ОКРщики трясутся от подозрения в недостаточной повторяемости качества результата, потому что соединение выполняется вручную, а не механизмом, и не является монолитом.
Аноним 13/12/25 Суб 11:28:07 378309 417
>>378308
Ты про что? Скрутка под СИЗ работает аналогично пропаянной скрутке. Даже с зачищенными жилами на 12-15 мм пятно контакта в скрутке превышает сечение кабеля. Эти ОКРщики, случаем, не советуют делать скрутки под сварку или пайку динамометрическим инструментом?

Контакты в розетках и автоматах в щитке тоже не является монолитом. Может, для верности проварить/спаять все концы намертво?
Аноним 14/12/25 Вск 16:21:40 378370 418
А подобное можно брать?
https://www.vseinstrumenti.ru/product/udlinitel-tdm-electric-narodnyj-3-gnezda-3-metra-s-z-vykl-16-a-3680-vt-chernyj-sq1303-1431-18792759/
По отзывам внутри тоже бардак, но здесь провода хотя бы относительнео толстые внутри и снаружи, те просто пропаять и все.

зы. Только вот в описании 16А, а на самой фотке товара прямо на корпусе отпечатано 10. Может это фото, конечно левое, в отзывах не нашел достаточно крупной фотографии.
Аноним 14/12/25 Вск 21:53:45 378392 419
203229332.webp 28Кб, 1200x800
1200x800
>>378370
> в описании 16А, а на самой фотке товара прямо на корпусе отпечатано 10. Может это фото, конечно левое
Шыдевер.
Аноним 14/12/25 Вск 21:59:08 378396 420
>>378370
Ищи колодку, где есть гнездо с винтом под зажим провода. Провод обожмёшь сам НШВИ.
Чтобы это из коробки было сделано - это недоступный уровень технологического производства для китайского ширпотреба, которым мы теперь лакомимся.
Аноним 15/12/25 Пнд 10:08:45 378418 421
image.jpg 230Кб, 784x1168
784x1168
Хочу сделать себе несколько контуров тёплого пола в одной комнате (отдельно - под столом с пекой и отдельно в остальной комнате, плюс режим "всё вместе"). Есть ли более эстетичное решение, чем ставить на стену пианинный выключатель?
Аноним 15/12/25 Пнд 11:14:19 378426 422
По каким причинам может отключиться вводной автомат? Сегодня утром вырубился свет, открываю щиток, все автоматы взведены, и только потом увидел, что общий автомат был выключен. Это что за аномалия такая?
Аноним 15/12/25 Пнд 11:36:30 378432 423
>>378426
1) Приходил сосед, которому ты мешал спать
2) Ночью у тебя случилось КЗ и автомат выбило
Аноним 15/12/25 Пнд 11:54:17 378433 424
>>378432
Почему КЗ вырубило вводной автомат, а не автомат на одной из линий? В полседьмого утра, когда свет вырубился, все только начали просыпаться, никакого шума не было, ну и конфликтов с соседями раньше не наблюдалось.
Аноним 15/12/25 Пнд 11:59:08 378434 425
>>378433
>а не автомат на одной из линий?
потому что это хуёвые китайские автоматы
Аноним 15/12/25 Пнд 14:43:53 378439 426
>>378426
>>378432
3) Вводной автомат это диф и выбило по утечке
Аноним 15/12/25 Пнд 15:31:43 378441 427
>>378396
>Ищи колодку
А где, простите, ее купить нормальную сейчас?
Если более менее вменяемый провод с вилкой толщиной не в волос еще можно нагуглить по тегу "шнур для духового шквафа /варочной", то как раз на этот ТДМ я и вышел в поиска нормальных колодок не за овер 9000 денег. Думал, что если говноавтоматами банчат, то хоть удлинители точно нормальные, а оно вон как.
Потом зашел на сайт дефендера поискать колодки, думал они нормальные, типо на слуху были, а там мой знакомый красуется https://defender.ru/catalog/power-strips/13804
Аноним 16/12/25 Втр 16:57:31 378460 428
У выключателя появились третье положение, при котором лампочка чуть тусклее работает. Это че за приколы. То самое когда говорят что вмнтовые соединения надо иногда подкручивать или че. Я пока не лазил, на выходных буду смотреть.
Аноним 16/12/25 Втр 18:28:29 378462 429
>>378460
Это механизму пизда, появилась новая дырка для нового устойчивого положения клавиши.
Аноним 16/12/25 Втр 18:58:35 378465 430
>>378441
>А где, простите, ее купить нормальную сейчас?
Ищи на сайтах фото, в отдельных колодках как правило есть зажим под винты, ибо а как ещё сделать контакт. Купи отдельную колодку, отдельную вилку. UNIVersal норм вилки.

>шнур для духового шквафа
Это называется не шнур, а кабель. Ищи кабель ПВС. Лучше в офлайн магазинах, там дешевле и отрежут столько метров, сколько нужно. Если есть есть заземление, то 3 жилы, нет заземления 2 жилы. Сечение 1, 1.5, 2.5 в зависимости от нагрузки. Пачку наконечников НШВИ, обжать можно пассатижами, а можно самым дешёвым китайским обжимателем за тыщу рублей и всё, будет у тебя неубиваемый безопасный удлинитель.
Аноним 17/12/25 Срд 00:24:41 378474 431
>>378462
Жаль. Брал Шнайдер, думал качество
Аноним 17/12/25 Срд 15:41:57 378496 432
>>378474
Какой именно, когда и где
Аноним 17/12/25 Срд 19:18:05 378511 433
>>378465
А если я возьму банальный самый дешманский дефендер,
к примеру вот это
https://www.citilink.ru/product/setevoi-filtr-buro-300sl-1-g-1m-seryi-1087164/properties/
У него по описанию производителя встроенный автоматический предохранитель на А10, точнее некий термопрерыватель
И просто поменяю у него вилку-провода (в том числе внутри) на честные 2.5?
Или этот термопрерыватель тоже из "говна и палок" и подобные задачи безопасней целиком оставлять на автоматы/узо в щитке?
Аноним 17/12/25 Срд 19:19:41 378512 434
Аноним 17/12/25 Срд 20:52:57 378526 435
>>378511
Там эти провода скорее всего обжаты или припаяны, обмякнешь их менять.
Ну и жилы из сплава алюминия с мочёй ты не заменишь. Земля даже на промофото не пытается выглядеть как медь.

Бери пилоты блять. Дешевле просто нихуя нормального нет. Эти экономят на сборщиках хоть, а не на компонентах и меди.
Кроме Пилотов и APC вообще нечего брать. Первые – дёшево-сердито, вторые дорого-богато.
Всё остальное что продаётся буквально мусор. Самосбор тоже сводится к ковырянию в говне.
Аноним 18/12/25 Чтв 00:28:03 378546 436
>>378496
Ну систем электрик глосса серия на рынке год назад
Аноним 18/12/25 Чтв 01:58:38 378547 437
>>378546
Вот так и рождаются мифы. Купил ты не Шнайдер, а аналоговнетный китаезаменитель. Шнайдеру и за 20 лет нихуя не будет
Аноним 18/12/25 Чтв 10:36:13 378559 438
>>378547
Так сейчас оригинальный тот самый Шнайдер хуй где купишь
Аноним 18/12/25 Чтв 19:23:42 378583 439
>>378547
не знаю - у меня везде Систем Электрик стоят. Хоть бы один отказал - всё работает как надо.
Аноним 19/12/25 Птн 01:44:35 378626 440
8948c02f2e3eb3e[...].jpg 30Кб, 730x350
730x350
Подскажите, каким кабелем выполнить внутрищитовую разводку, многоопроволочным или монолитным?
15квт ввод, три фазы
Аноним 19/12/25 Птн 06:18:15 378627 441
>>378559
Так и не говори тогда, что Шнайдер купил
Аноним 19/12/25 Птн 06:49:28 378628 442
1766116144180127.jpg 10Кб, 212x238
212x238
Аноним 19/12/25 Птн 08:59:19 378629 443
>>378626
многопроволочным с наконечниками ншви
Аноним 19/12/25 Птн 09:17:53 378630 444
А где брать автоматы? Живу в зажопинске и в местных магазинах, ясное дело, нет ваших аббшнайдерлеграндов. На озонах всякую паль брать не хочется. В каких интернет магазах можно брать вот это вот все? И ещё, сейчас все это как-то кусуче по ценам для меня. Действительно ли всякие декрафтыиеки на столько говно?
Аноним 19/12/25 Птн 09:23:58 378631 445
>>378630
Делали капитальный ремонт многоэтажного дома и поставили везде iek.
Аноним 19/12/25 Птн 09:44:18 378632 446
photo2025-12-19[...].jpg 196Кб, 960x1280
960x1280
>>378626
Я вот так щиток собрал для дачи, многожилка 10 сечения наконечники ншви
Аноним 19/12/25 Птн 14:12:10 378642 447
>>378632
У вас получается
Вводный автомат 3ф - 10мм - счётчик - 10мм - второй общий автомат 3ф - 6мм - потребители

Ноль - 10мм - счётчик - 10мм - нулевая шина - 6мм - потребители
Выход земли больше 10мм?
Аноним 19/12/25 Птн 17:53:21 378657 448
>>378630
> иеки на столько говно?
У иека есть специальная говносерия для говномагазинов, её даже на оффсайте не показывают
Аноним 19/12/25 Птн 18:25:36 378665 449
>>378630
>На озонах всякую паль брать не хочется. В каких интернет магазах можно брать вот это вот все?
На озоне есть ЭТМ https://www.etm.ru/ на который надрачивали даже обитатели мастеграда из faq в свое время
Там вроде есть небольшие остатки легранда и шнайдера, ну и сустем электрик (как я понял, это отжатый завод шнайдер, по типу "веселой доброй колы" вместо нормальной пепси, поясните, кстати, кто в курсе)
https://www.ozon.ru/seller/etm-583512/products/?text=legrand+%D0%B0%D0%B2%D1%82%D0%BE%D0%BC%D0%B0%D1%82
только их нужно явно вбивать, по брендам слева в панели не ищутся
Аноним 19/12/25 Птн 18:29:15 378668 450
>>378642
А вы откуда на данный сайт попали?
Аноним 19/12/25 Птн 18:31:50 378669 451
>>378630
>нет ваших аббшнайдерлеграндов
Их больше нигде нет.
Аноним 19/12/25 Птн 18:34:35 378671 452
>>378665
> ЭТМ на который надрачивали даже обитатели мастеграда
Это же обычный магазин (они недавно купили себе ещё сеть магазинов в моём городе), в чём профит?
Аноним 19/12/25 Птн 18:38:51 378672 453
>>378669
а что тогда брать? вот есть эти иеки, декрафты и прочие. там серии всякие есть.
этот >>378657 вот говорит, что там вообще говносерия есть.
что по итогу брать? что двач себе поставит, что матери?
Аноним 19/12/25 Птн 18:49:14 378676 454
>>378672
есть новая серия иек армат, болимение по качеству, но цена пиздец завышена, ниже армата серии брать нет смысла
декрафт можно брать
Аноним 19/12/25 Птн 18:59:16 378678 455
>>378676
итить там ценник. а у декрафтов любая серия сойдет?
Аноним 20/12/25 Суб 06:49:30 378696 456
>>378642
От выходного автомата идет армированный кабель 10мм под землей в узо в доме, от узо уже разводка на группы по потребителям. 2.5 на розетки, 1.5 на свет. Ввод земли 16мм.
Аноним 20/12/25 Суб 21:14:52 378746 457
image 255Кб, 523x474
523x474
>иек армат
>ценник
Аноним 21/12/25 Вск 14:02:32 378762 458
Под конец года, ну заменил я выключатель, который имел третье положение. У меня в том конкретном гнезде прикол с обломанным кабелем (старая советская люминька). Который летом я решил тупо винтовой клеммой, (обычно такой люстры подсоединяют. Потом, летом наверное, пересоединю на вагу с пастой. Эта алюминиевая падла до клеммы же когда чето делаешь же колебается и через какое-то время может еще раз обломиться. Каким способом уменьшить колебания или движение кабеля до клеммы. Пока как вариант термоусадку ебнуть, да побольше, но не знаю. Дальше то похуй, я хоть сколько меди ебну, чтобы обслуживать нормально а не пытаться этот писюрик кабеля воткнуть длинногубцами
Аноним 21/12/25 Вск 15:08:19 378764 459
изображение.png 472Кб, 1200x800
1200x800
>>378762
Обрати внимание, бывают клеммы с двусторонним вводом проводов - как раз для наращивания.
Чтобы уменьшить колебания, наращивай оба провода медным многожильным, а клеммник вместе с вводом в стену залей спермоклеем.
Аноним 21/12/25 Вск 15:34:54 378768 460
>>378764
У меня медь на алюминий. Либо с пастой либо клемма с нейтральным металлом
Аноним 21/12/25 Вск 15:36:43 378769 461
>>378764
А многожильный можно на электроустановку?
Аноним 21/12/25 Вск 15:51:36 378771 462
17662424077170.jpg 19Кб, 600x600
600x600
Репост из /ra. Сап радиач, есть в доме одна розетка, без нагрузки ~122V, живу в северной америке, если подключить электроприбор мощностью 15А (1800W), происходит просадка до 118.9V и ток 14.13А, достоверно известно, что к линии ничего дополнительно не подключено и из щитка до розетки она тянется напрямую, так же известно толщина кабеля - 12GA одножильный. Как определить длину проводки?
Аноним 21/12/25 Вск 15:58:08 378772 463
>>378769
Нельзя. Перекладывай весь провод, начиная от щитка.
А кого ебёт? Провод и провод. У тебя аварийная ситуация.
Аноним 21/12/25 Вск 15:59:18 378773 464
>>378771
1) На основании тока и напряжения вычисляешь общее сопротивление провода
2) По таблице берёшь удельное сопротивление провода
3) Делишь одно на другое
4) ???
5) Профит.
Аноним 21/12/25 Вск 16:10:28 378775 465
>>378773
>1) На основании тока и напряжения вычисляешь общее сопротивление провода
Оно же вычислится вместе с сопротивлением электроприбора. Порядка 8.4 Ohm, это в пять раз больше чем сопротивление 1000 футов кабеля 12Ga (1.62 Ohm).
Аноним 21/12/25 Вск 16:17:43 378777 466
>>378775
Включаешь прибор в розетку, измеряешь ток I.
Измеряешь напряжение U1 в щитке и U2 на розетке прибора.
Вычисляешь падение напряжения dU = U1 - U2
Сопротивление провода R = dU / 2I (потому что провод идёт туда и обратно).
Аноним 22/12/25 Пнд 13:47:35 378817 467
>>370701 (OP)
Знатоки, почем сейчас адекватно купить нормальной конструкции узо или диф? Какие параметры должны быть? Чем электрический от электромеханического отличается и какой пизже? Может конкретные модели есть которые заебись и не стоят дохуя денег? Лет 5 назад шнайдер брал, а теперь хуй знает.

Антон в прошлом треде какие-то маркировки писал нормальных IEK, EKF и Chint, но у того же чинта кроме NXB и NB1 есть еще NB2, NH8, а у иеков и екф хуй знает как маркировку читать, т.к. серия не всегда написана. АВДТ-63N это оно? А как у IEK нормальный карат определить?

Еще нихера не понял, почему УЗО и дифы 16А стоят дороже чем 32А почти в 2 раза. Проще мб взять УЗО на 32 и 2 автомата на 16 вместо двух дифов?
Аноним 22/12/25 Пнд 18:34:05 378833 468
Всем ку! Есть одна лампа, которая работает от пульта. Но пульт работает только если выключатель на стене в положении ВКЛ. Проблема в том, что если перебои с энергией, то при восстановлении, лампа включается сама и на полную. Например может порадовать ночью. Как пофиксить?
Аноним 22/12/25 Пнд 19:43:50 378836 469
Анон электрик, как вы тестируете линии под нагрузкой? У вас есть какой-то специальный "балласт" под такую задачу?
Аноним 22/12/25 Пнд 20:07:49 378840 470
>>378836
Тестировал тепловой пушкой когда замерял ток петли фаза-ноль
Аноним 22/12/25 Пнд 20:22:31 378842 471
>>378817
> дифы 16А стоят дороже чем 32А почти в 2 раза
Тоже заметил недавно. Ставил на 32, потом глянул такой же на 16 и охуел.
Наверняка потому что от спроса считают. Просто раньше незамысловато "чем больше спрос тем ниже цена" то сейчас наоборот, "надо значит купят".
Аноним 22/12/25 Пнд 20:48:00 378844 472
>>378833
Поставь на неё ИБП, больше никак. Или выкинь к хуям.
Хотя можно ещё вместо обычного выключателя с фиксацией поставить кнопку без фиксации и добавить реле на самоподхват, чтобы при отключении питания оно самоотключалось...
Аноним 22/12/25 Пнд 22:42:25 378858 473
Купил люстру новую, старая висит на крюке. На новой планка для прикручивания к потолку шурупами. Не хочу сверлить потолок.
Какой цепочкой соединить крюк и планку чтобы повесить люстру? Не на шнурок же завязывать.
Аноним 24/12/25 Срд 17:10:23 378995 474
>>378817
сейчас вместо Шнайдера спокойно можно брать такой-же Систем Электрик. Там всё тоже самое.
Аноним 25/12/25 Чтв 14:03:52 379020 475
Аноним 25/12/25 Чтв 22:51:02 379044 476
>>378995
Это не тоже самое, дебилоид тупорылый, это подъёбка китайская похожая по внешнему виду.
ВАСЯ 26/12/25 Птн 11:53:06 379053 477
>>378630
Систем Электрик можно вполне спокойно покупать на Озоне у официальных продавцов
Аноним 26/12/25 Птн 15:13:03 379060 478
>>379053
А вот и маркетологи шиштемса подъехали. Если покупать на озоне китай, то честный нонейм китай, который не пытается быть подделкой шнайдера и местами даже лучше этой подделки и стоит в 3 раза дешевле.
Аноним 26/12/25 Птн 15:19:18 379062 479
Нужен совет, что делать, что проверить.
Родительскя хрущевка.
Напряжение проседает при включени чайника на ~20вольт или подобной нагрузки и там и держится. Из любой розетки.
УЗМ отрубается в среднем пару раз в неделю.
Есть ли смысл как-то пинать УК или это норма?

Может ли быть причина в говноконтакте самой проводке в квартире или что-то окончательно пошло по пизде снаружи? Раньше такого не было, началось и усугубляется где-то месяца 2-3 назад.

Про проводку - она частично "новая", включая щит с узм-автоматами-узо в квартире. Абсолютно все розетки на новой медной проводке, но вот провода на свет/выключатели кроме ванной, там все менял - это старый люминь - было "сэкономлено" при ремонте 10 лет назад.
Аноним 26/12/25 Птн 16:03:30 379063 480
>>379062
Узм отрубается значит говноконтакт где-то до него. Счётчик, орехи на стояке.
У меня если правильно помню падение на 10 вольт на нагрузке 2 кВт на самой дальней розетке от щита. Узм не отключается от такого, потому что падение напряжения чисто в точке подключения нагрузки.

Замеряй падение напряжения чайником в разных розетках и прямо в щитке, если есть возможность - на автомате, который до счётчика. Так поймёшь.
Аноним 26/12/25 Птн 16:04:33 379064 481
image 113Кб, 696x732
696x732
>>378995
>фанаты шнайдера
Аноним 26/12/25 Птн 17:13:57 379068 482
>>379063
Пасиб.
В общем я замерил наряжение прямо на вводном автомате в подъездном щитке при работе чайничка, там падает, плюс у одного соседа тоже синхронно проседал вольтаж. У двух других никой реакции. Видимо мы с ним на одной лини сидим или хз как это все там устроенно.
Сосед был дома, оказался адекватом и включил свой чайник, при втором включенном в квартире родителей. И напряжение сразу просело до 185. А узм отрубается на ~180 (я прошлый раз выкручивал его туда, тк иначе он постоянно рубился).
Позвонил в УК, там попиздели, но сказали, что пришлют электрика на след. неделе "посмотреть". Пока все занято.
Аноним 26/12/25 Птн 17:21:00 379069 483
>>379068
На следующей неделе новый год. Так что жди числа 15 января.
Аноним 26/12/25 Птн 19:15:06 379072 484
>>379068
Если так то это соединения стояк - лежак в подвале подъезда либо уже в вру.

>>379069
Ничего, если не отгорит в момент когда все салаты по тазам будут варить то всё норм будет.
Аноним 26/12/25 Птн 19:16:11 379074 485
Замкнула кнопка в гирлянде, выключатель расплавился аж. Нихуя не один автомат не сработал. Вопрос - а нахуя нужна вся эта защита тогда, если она не срабатывает на тонких проводах бытовых приборов?
Аноним 26/12/25 Птн 20:07:29 379075 486
>>379074
Потому что автомат защищает толстые провода, лежащие в стенах. А для них тот ток, который плавит гирлянду, в пределах допустимого.
Аноним 26/12/25 Птн 20:35:09 379076 487
>>379075
А УЗО или какая-то хрень, которая дугу/искры ловит, поможет в данном случае? Или при преднамеренном использовании разнообразного китаеговна (горлянда это прям эталон, предполагаю) всегда можно найти такую дичь, что сгоришь при любом щитке?
Аноним 26/12/25 Птн 20:41:39 379077 488
Аноним 26/12/25 Птн 20:43:53 379078 489
Так ли страшна скрутка медь+алюминий, если нагрузка минимальна? (Одна лампочка)
Аноним 26/12/25 Птн 20:45:05 379079 490
>>379076
Ты прям заставляешь задуматься...
Земсков в каждом видео пиарит свои розетки в откосах, в которые можно включать гирлянду, а если она загорится, будет грустно...
Имхо, тут спасёт только розетка с предохранителем. (Такие вообще бывают?)
Аноним 26/12/25 Птн 20:59:28 379080 491
>>379079
На хуй вообще какие то гирлянды вешать да ещё сделанные из кала. Цыганщина ебаный рот. А если вешаешь то выключай когда эта хуйня никому не нужна.
Аноним 26/12/25 Птн 21:03:36 379081 492
>>379080
Рот закрой, колхозная чепуха.
Аноним 26/12/25 Птн 21:04:54 379082 493
>>379075
Тупорылая хуета, ты повторил часть моего же вопроса, а не ответил на вопрос.
Аноним 26/12/25 Птн 21:07:26 379083 494
>>379076
УЗО поможет от того, чтобы от ТЭНа пробитого не убило. УЗО - это благо. Я везде, где есть ТЭН ставлю УЗО. Если на линию нет возможности поставить - хотя бы вилку с УЗО сделать.

А вот нахуя автоматы нужны, если они в жизни никогда не сработают и дом уже выгорит весь нахуй - мне это непонятно, как по мне автоматы никакой безопасности не несут - чисто "штучки" для распределения линий.

>>379079
Такие бывают по-моему в британском стандарте, или какой-то другой страны, там автоматы встроены в сами розетки, что логично.
Аноним 26/12/25 Птн 21:08:52 379084 495
>>379080
Мне теперь ещё и гирлянды вручную делать? И праздничную атмосферу на ночь выключать?
Аноним 26/12/25 Птн 21:09:59 379085 496
>>379082
Нет.
Вопрос:
> нахуя нужна вся эта защита тогда, если она не срабатывает на тонких проводах?
Ответ:
> автомат защищает толстые провода.
Аноним 26/12/25 Птн 21:17:55 379086 497
>>379083
Неохота жить с розетками британского стандарта... :(
Аноним 26/12/25 Птн 21:20:56 379087 498
>>379081
Цыганщина, спокойствие.
Аноним 26/12/25 Птн 21:22:55 379088 499
>>379084
А кому нужны твои гирлянды ночью, тараканам? Совсем что ли дебил. В детстве помню всегда выключали эти гирлянды на ночь.
Аноним 26/12/25 Птн 21:38:04 379089 500
Улыбнись родном[...].jpg 98Кб, 604x551
604x551
>>379088
Ну конечно, зачем засыпать и просыпаться с праздничным настроением. Россия же - для грустных.
Аноним 26/12/25 Птн 21:46:47 379090 501
>>379089
К датчику движения подключи, чтобы этот китайский хлам начинал мигать когда кто то есть в помещении.
Аноним 26/12/25 Птн 22:43:29 379092 502
>>379084
Есть же гирлядны на батарейках. Правда там паленый китайский литий, ну или 18650.
Кстаааати, поделюсь с вами новой фобией.
Сейчас же промышленный 4695 в обиход нормисов вкатывается. Там не защиты, не отсеков, нихуя. + и - на расстоянии пары мм.
https://ozon.ru/t/M4Spu23
https://ozon.ru/t/dQUudF0
В лифте при возгорании пиздец на уровне минисамоката даже от одной штуки. Раньше хоть этих электроблядков видно было сразу и ты просто с ними не едешь, а эту хрень банально на кармане спрятать можно.
Аноним 26/12/25 Птн 23:29:25 379095 503
>>379092
Нужно продвигать литий титанат в массы.
Аноним 26/12/25 Птн 23:53:21 379097 504
>>379090
Ага, расслабился - и праздничное настроение погасло.
Ты ещё свет в туалете на датчик движения повесить предложи.
Аноним 27/12/25 Суб 22:56:45 379157 505
image.png 579Кб, 817x600
817x600
>>379079
>Имхо, тут спасёт только розетка с предохранителем. (Такие вообще бывают?)
Гнилозубы тут хорошо сделали, у них каждая вилка сразу со стандартным одноразовым предохранителем идёт.
Розетки с кнопкой по дефолту тоже заебись кстати.
Аноним 28/12/25 Вск 13:47:33 379182 506
Что лучше винтовые зажимы контактов у выключателя или самозажимные?
Аноним 29/12/25 Пнд 14:41:01 379232 507
>>379069
>На следующей неделе новый год. Так что жди числа 15 января.
Блят, а ведь реально. Сегодня в назначенное время не пришли. Позвонил - уже после НГ, типо не смертельно, а если что, звоните в аварийку. Пидорги.
Аноним 29/12/25 Пнд 16:53:22 379241 508
>>379157
>>379079
Гнилозубый предохранитель в розетке не спасет, если даже автомат не спас, номинал то у них будет одинаковый.
Единственное что приходит в голову, купить самый дешевый удлиннитель с предохранителем, и поменять в нем предохранитель на какой-нибудь 1А или даже 0.5, в зависимости от мощности гирлянды.
Аноним 29/12/25 Пнд 17:09:22 379242 509
>>379078
тебе жалко за 15 рублей клемму винтовую купить?
Аноним 29/12/25 Пнд 18:52:27 379245 510
>>379241
Да проще уж сразу после покупки вживлять в провод держатель предохранителя...
Аноним 29/12/25 Пнд 18:54:06 379246 511
Вам надо - вы и[...].jpg 62Кб, 600x449
600x449
> 510
Ну перекотити, а
Аноним 29/12/25 Пнд 23:01:38 379252 512
>>379241
В том то и дело что предохранитель в вилке, а не в розетке.
А там он стоит под конкретное устройство.
Предохранитель в розетке это совсем тупо как-то.
Аноним 30/12/25 Втр 03:22:07 379254 513
РКН обрыв 1.png 293Кб, 1372x1000
1372x1000
РКН обрыв 2.png 291Кб, 1372x1000
1372x1000
Собрал новый трёхфазный щит с реле контроля напряжения и возник вопрос. Есть ли разница, где обрывается ноль, до реле или после?

Для простоты накалякал две схемки, на которых нагрузка идёт по двум фазам. Если ноль обрывается на улице, то всё понятно. Реле остаётся подключенным к нулевой шине. Напряжения на фазах относительно шины будут разными (допустим, нагрузки сильно отличаются) и оно сработает.

А что будет, если ноль отвалится после реле? Реле ведь будет оставаться на работающем нуле.

У меня после трёхфазного реле стоит двухпозиционный переключатель, который пересобирает трёхфазную сеть в однофазную для питания от бензогенератора. Это несколько лишних соединений нуля, и я беспокоюсь, как скажутся возможные проблемы с ними.
Аноним 30/12/25 Втр 16:15:24 379271 514
>>379254
А как реле поймет что ноль отвалился после него, это все равно что ничего не включено
Аноним 30/12/25 Втр 17:57:11 379275 515
>>379271
Никак. У него ноль нерасцепляемый, там тупо перемычка между контактами. Реле следит за напряжениями на фазах. На схеме после обрыва нуля межфазные 400 вольт поделятся в соответствии с сопротивлениями нагрузок. Если перекос будет опасным, реле должно отключиться.

Но я не понимаю, сможет ли реле отреагировать во втором случае, когда обрыв после него.
Аноним 30/12/25 Втр 19:21:35 379284 516
>>379275
Никак не сможет, потому что реле измеряет напряжение только у себя на контактах, а не в соседней комнате.
Аноним 31/12/25 Срд 21:09:41 379336 517
1767203918779199.jpg 118Кб, 1080x1500
1080x1500
1767203921693199.jpg 724Кб, 2700x3600
2700x3600
>>370701 (OP)
Короче посоветуйте какой сейчас делают свет на карнизе кухни, что я скинул уже не продают, устал менять эти светильники там все время лампочки перегорают
Аноним 31/12/25 Срд 21:25:36 379337 518
>>379336
> уже не продают
Во-первых, ламп G4 в продаже полно.
Во-вторых, встраиваемых светодиодных светильников для отверстие 60 мм тоже полно.
А сейчас делают из светодиодной ленты.
И вообще, один длинный светильник лучше множества точечных.
У Земскова вон в каждом видео если есть точечные светильники, то половина уже не горит...
Аноним 31/12/25 Срд 21:40:56 379338 519
>>379337
Да у меня проблема они 3 штуки на 12в стоит трансформатор, а ленту если делать, отверстия то остались
Аноним 31/12/25 Срд 21:55:37 379339 520
>>379336
Обычная лампа накаливания светит годами.
Аноним 01/01/26 Чтв 17:43:45 379358 521
image.png 1422Кб, 960x1280
960x1280
image.png 1073Кб, 960x1280
960x1280
>>370701 (OP)
Анон, дай совет. Есть хрущевка 1968 года, распред коробки сделаны как на пикрил в стенах. В санузле и на кухне нет розеток вообще, хочется поставить для стиралки и рабочей зоны

Как правильно составить для электрика план работ? Нужно ли менять полностью провода на медь и выносить все коробки на потолок? И сколько в теории такая работа может стоить? Ремонтирую под сдачу, хочется бюджетного решения, но чтобы квартира не сгорела в один день

мимо зумерок с бабкиной хатой
Аноним 01/01/26 Чтв 18:27:41 379359 522
>>379358
Я правильно вижу, что дом панельный?
> Нужно ли менять полностью провода на медь и выносить все коробки на потолок?
И так сойдёт. Только скрутки поменяй на клеммники.
> для стиралки и рабочей зоны
Ты забыл про бойлеры.
Итого минимум нужно плюс одну линию 2,5 мм2 в санузел и плюс одну (а лучше две) линию 2,5 мм2 на кухню, в щитке добавить для них автоматы.
Проще всего спрятать провода под натяжным потолком, чтобы не вскрывать заштукатуренные внутриплитные каналы.
Аноним 01/01/26 Чтв 19:33:26 379361 523
>>379358
В ванной не хуй вообще розетки делать. На кухню кинь кабель медный от коробки да и все. Хата вся разъебана так что можешь штробить стену да и все. Ну и квартирантам скажи чтоб ничего мощного не включали так как проводка древняя.
Аноним 01/01/26 Чтв 20:07:43 379362 524
>>379361
> В ванной не хуй вообще розетки делать
Ага. Стиралку в кухню, фен в спальню, водонагреватель на балкон.
> Хата вся разъебана так что можешь штробить стену
Чтобы хата окончательно сложилась, лол.
> квартирантам скажи чтоб ничего мощного не включали
Квартиранты просто уйдут от такой хаты.
Аноним 01/01/26 Чтв 20:27:00 379363 525
>>379362
Ну тогда ебись веди до щитка кабель ставь автомат, УЗО чтобы квартиранта не убило на хуй когда он будет сушить ебальник феном. Короче готовь тыщ 100 на всю эту хуйню.
Аноним 01/01/26 Чтв 20:34:45 379364 526
>>379363
> тогда ебись
Чини детектор, Мань. Ты тут не один на доске, другие аноны тоже могут писать сообщения.
Аноним 01/01/26 Чтв 21:06:06 379366 527
>>379359
>что дом панельный?
Да
>забыл про бойлеры
Тут газовый котел
>Проще всего спрятать провода под натяжным потолком
А как это выглядит? Из этой коробки тянется по потолку провод, который потом скрывается за кухонным гарнитуром?

Спасибо за ответы, анон
Аноним 01/01/26 Чтв 22:27:50 379370 528
>>379366
> тянется по потолку провод, который потом скрывается за кухонным гарнитуром?
Да. Только я предлагал не из этой коробки, а от самого щитка новую ветку проложить.
Впрочем, сам решай. Прикинь нагрузку, которую одновременно включат (если газовый котёл, то водонагреватели точно не нужны, электрочайника, видимо, тоже не будет, тогда самые мощные возможные потребители - это фен, кондиционер, микроволновка и пека) и посмотри, выдержат ли её одновременно включенную старая проводка. Но лучше всё равно от щитка новую линию. И не забудь УЗО для линии санузла.
Аноним 02/01/26 Птн 12:24:51 379376 529
image.png 212Кб, 640x381
640x381
image.png 1538Кб, 1000x1000
1000x1000
image.png 568Кб, 730x400
730x400
>>379358
Проще всего забить хуй на старую проводку и тупо протянуть новую по потолку, который потом натяжным закрыть. Но эт конечно если позволяет высота потолков, т.к. натяжной спиздит 5-7см, а у тебя судя по всему у тебя не то чтоб высоко там. Там изи можно разгуляться, и все по красоте сделать. Ну либо вместо натяжного можешь притащить плоский ВВГ по потолку в имеющиеся распреды, а его тонким слоем штукатурки скрыть.

Второй вариант - открытая проводка, лофт хуефт, плетеные провода, фарфоровые изоляторы, вот это все как на пикриле. Но за этот дизайнерский изъеб ты за тот же провод выложишь х3 денег.

Третий вариант - вскрывать полы, там в твоем хруще один хуй лагам пиздец скорее всего и с напольным надо чет делать. Можно проводку в полу проложить и залить вместо лаг легкой стяжкой. Будет ровнее и скрипеть нихуя не будет. Можно и аналогичный на лагах собрать, но надо тогда с пожаробезопасностью провода и гофры озаботиться. Из-за необходимости гофры это тоже дороже первого варианта.

Четвертый вариант - пытаться перетянуть старую проводку в каналах панелей. Идея сомнительная пиздец и не факт что получится норм. Имеет смысл разве что для освещения, если натяжной не делать и лампочку ильича оставлять.
Аноним 02/01/26 Птн 12:31:28 379377 530
>>379376
> Идея сомнительная пиздец и не факт что получится норм.
Двачую. У меня панелька 90 года и там, похоже, проводку протягивали до замазывания межпанельных швов. Из щитка в квартиру пройти невозможно, канал наглухо перекрыт бетонной плюхой.
Аноним 02/01/26 Птн 14:41:39 379383 531
>>379376
Уберешь лаги и сделаешь стяжку - соседи снизу скажут "спасибо".
Аноним 02/01/26 Птн 19:50:07 379385 532
>>379383
Хотят слушать скрипящие лаги вместо топота - их дело конечно, но анона это почему ебать должно?
Аноним 02/01/26 Птн 20:42:30 379389 533
>>379385
С чего им скрипеть вообще. Да и скрип не так передается как тупо по бетону.
Аноним 02/01/26 Птн 23:29:44 379395 534
>>379389
Ты определись, не скрипят или не передается скрип. С чего меня или анона должны ебать акустические предпочтения соседей я так и не понял.
Аноним 02/01/26 Птн 23:34:08 379397 535
>>379395
Что тебе не понятно. Живёшь в обществе соблюдай правила. А если ты гнида по жизни то вопросов не имею.
Аноним 03/01/26 Суб 03:37:34 379405 536
К реле напряжения трансформатор тока ставить? Какой посоветуете?
Аноним 03/01/26 Суб 12:18:23 379414 537
>>379397
>Живёшь в обществе соблюдай правила.
Напиши мне, в каком именно СНиП или любом другом нормативном документе написано, что в хруще обязательно пол на скрипучих лагах должен быть?
Аноним 03/01/26 Суб 15:40:39 379417 538
>>379414
Соблюдение звукоизоляции главное. А как оно будет реализовано это уже на что денег хватит.
Аноним 03/01/26 Суб 23:03:57 379448 539
>>379417
Со времен постройки этого хруща там все забивали хуй на все строительные нормы насколько возможно. Схуяли ты решил, что стяжка при идентичной толщине по звукоизолирующим свойствам будет хуже пола на деревянных лагах? Или хуже того, что там до этого было нахуячено за столько лет?

Оффтоп один хуй, мы тут про электрику вроде, по существу прокладки в полу есть что возразить? Антон сам решит что с полом делать или в профильный тред проследует.
Аноним 04/01/26 Вск 00:06:43 379457 540
>>379448
Потому что деревянный пол глушит твои шаги. А стяжка на бетонную плиту соседи снизу каждый шаг слышать будут.
Аноним 06/01/26 Втр 20:50:15 379574 541
После прокладки электрики в квартире (больше года назад, сейчас уже все штробы заделаны, обои поклеены) заметил, что на одной розетке нет фазы. Благо эта розетка рядом с щитком была, я начал прозванивать по автоматам, чтобы её найти - не нашёл, то есть будто не входит в щиток вообще. Но при этом ноль и земля в розетке есть, то есть как минимум 2 из 3 проводов того кабеля из розетки в щиток приходят. Подскажите, плз, есть ли какой-то способ решить эту проблему?
Дополнительно обнаружил, что у двух УЗО (всего у меня их 3 в щитке) общий ноль. Насколько это плохо?
Аноним 07/01/26 Срд 00:24:32 379582 542
>>379574
Ты можешь найти землю от той розетки, обтянуть её в красную термоусадку, чтобы не запутаться, и кинуть фазу по ней. Земли, разумеется, больше не будет, но да кому она вообще нужна.
Аноним 07/01/26 Срд 01:53:30 379584 543
image.png 173Кб, 640x640
640x640
>>379574
>Благо эта розетка рядом с щитком была, я начал прозванивать по автоматам, чтобы её найти - не нашёл, то есть будто не входит в щиток вообще.
Если ноль и земля бьются, а фаза нет, то это пробой с вероятностью 99%.

У тебя несколько вариантов:
0. Хуевый контакт фазы в коробке, куда везет эта розетка
1. Пробой фазы по вертикали над розеткой
2. Если электрики долбоебы и хуярили штробы по горизонтали топ пробой по горизонтали от розетки
3. Если это хрущ, то пробой по горизонтали на уровне 15-30см от потолка
4. Если у тебя расключение в подрозетниках, то из какой то другой розетки эта фаза отгорела или имеет хуевый контакт

Попробуй поискать пробой, если поиски не увенчаются успехом, то логичнее всего от ближайшей розетки фазу перекинуть с помощью плоского кабеля типа пикрила, который под обои можно спрятать. Если найдешь - вырезаешь вокруг, шунтируешь гильзами, изолируешь, замазываешь жидкой шпаклей в несколько заходов. В теории можно даже аккуратно сделать без явного отрыва обоев, если тебе их не намертво приклеили.

Антона про землю не слушай, мало ли где еще земля из этой розетки у тебя на одной шине. Только если коробку найдешь, куда именно из этой розетки идет кабель.

При этом помни, если был пробой фазы, он мог зацепить изоляцию ноля или земли, и дуга с оборванной фазы может пробивать на ноль, поэтому в случае ненахода я бы все провода ведущие из этой розетки в коробку отключил нахуй и вел пикрилом от соседней или новым проводом от щитка.
Аноним 07/01/26 Срд 06:02:34 379587 544
image.png 255Кб, 670x792
670x792
image.png 335Кб, 1920x1200
1920x1200
image.png 253Кб, 1024x1024
1024x1024
17302048870340.jpg 283Кб, 1015x1024
1015x1024
>>370701 (OP)
Сап, аноны. Время от времени у меня сеть унижает омежку прямо у него дома. Из-за особенностей сети бывало и пониженное напряжение, и повышенное и бабах где-то снаружи из-за кз на столбе с выходом из строя пеки в сычевальне. Сейчас ветренная погода и опять свет мигает, а у меня девятибалльная тряска из-за этого. Как обезопасить пекарню? Если я такое реле поставлю, оно отработает повышение или понижение напряжения. чтобы ничто никуда не пробило? А что с потенциальным кз снаружи делать? А еще начитался что реле долго срабатывает, а устройства от защиты от импульсов требуют заземления, которого у меня нет. Если выбирать устройство, то какого бренда и с какими характеристиками? Еще мне кажется что лучше выбрать в дин исполнении и спрятать в пик3 корпус, смонтировав в разрыв кабеля идущего от розетки на сетевой фильтр. Потому-что у них токи указывается больше, и мне кажется устройство дольше прослужит. Смонтировать если что сам смогу.
Возможно есть еще какие-то пути защиты?
Аноним 07/01/26 Срд 09:48:25 379589 545
>>379587
Если напряжение постоянно скачет, смысла в реле нет.
Лучше купить стабилизатор для ПК и сидеть через него.
Аноним 10/01/26 Суб 04:29:58 379722 546
Возможность просто перетянуть проводку со старой на новую есть только в панельках?
Прост живу в кирпичной пятиэтажке времен 60-70х
Аноним 10/01/26 Суб 12:31:10 379725 547
>>379722
Да её и в панельках может не оказаться, если каналы засрали при замазывании межпанельных швов.
Аноним 10/01/26 Суб 13:31:28 379726 548
>>379725
А вообще менял ли кто или кому провобку со штраблением и другими приколами без выноса мебели и прочего, вот прост от стены отодвинуть и потом прочистить
Аноним 10/01/26 Суб 14:24:21 379729 549
>>379726
Ну накрой все пленкой и пох.
Аноним 10/01/26 Суб 22:36:15 379740 550
Как правильно нарастить алюминиевую проводку? Вот прям чтобы надёжно, в стену чтобы закатать под штукатурку. Гильзы?
Аноним 13/01/26 Втр 02:50:52 379844 551
Аноним 16/01/26 Птн 14:35:41 379987 552
image 63Кб, 1000x443
1000x443
>>379740
Гильзы, брать на 10 или сколько там минимальное сечение и добивать жилами. Пайка люминия (если знаешь как и делал, либо готов пробовать и ебаться).
По бичу можно на болтах либо орехах соединить. На орехах лучше поменять винты на нормальные, сделать загибульки на проводах. На болтах лучше докинуть тарельчатых шайб жёстких. Сверху термоусадкой и, или изолентой самослипающейся.
Если достаточно большое сечение можно пикрил ебануть.

>>379844
Горелкой с каким-то экзотическим флюсом
Аноним 16/01/26 Птн 14:38:01 379989 553
>>379254
Оно хоть по одному фазы отключает, или это для станка в сарае?
Аноним 16/01/26 Птн 19:35:21 380003 554
>>379989
Трёхфазное, как говорят в ютубе, рубит все три фазы одновременно. В щитках на 220 В с трёхфазным вводом ставят три раздельных однофазных реле.
Аноним 17/01/26 Суб 11:07:52 380012 555
>>380003
Недочитал твой пост. Оторвётся после реле, (если) твои потребители создадут перекос, именно это вызывает повышение напряжения на одной из фаз - реле заметит, представь что это просто вольтметры.
Аноним 17/01/26 Суб 12:48:50 380015 556
>>380012
> Недочитал твой пост.
Это не мой. Я просто ответил на твой вопрос о картинке.
Аноним 19/01/26 Пнд 07:42:42 380173 557
Аноним 20/01/26 Втр 08:17:19 380223 558
Аноны, надо сделать разводку. У меня есть несколько типовых комнат, где будет 3 розетки и выключатель с лампочкой. Жить будут работяги, вахтовики, то есть не лакшери условия.
Можно просто одну коробку подвесить, в ней сделать всю разводку на свет и розетки, а питающий кабель вывести на щиток?
Выйдет 4 комнаты и 4 автомата
Или есть более экономная схема? А то в -35 особо не покрутишь мелочевку.
И так весь кабель 2х2,5, то есть даже не поставишь двухклавишный выключатель и две лампочки в комнату, придется одну вешать.
Аноним 20/01/26 Втр 09:34:05 380226 559
>>380223
Паралельно хоть 10 лампочек соедини.
Аноним 20/01/26 Втр 18:31:20 380240 560
67187869.webp 16Кб, 560x504
560x504
201585123.webp 26Кб, 560x504
560x504
>>379587
Смысл в реле напряжения всегда есть
И не только для ПК-и, а для всей техники. Тот же холодильник или тв нихуя не дешевый. Просто максимально допустимый диапазон 197-253 (вроде) по ГОСТ воткуть, чтобы слишком часто не вырубалось и норм.
Опять же по мониторингу проседающего вольтажа на 15-20 вольт, при включении чайника, удобно шпынять УК, чтобы те выслали хотя бы раз в год электрочуркобеса - протянуть почти отгоревший ноль в щитке.
Аноним 20/01/26 Втр 20:25:35 380246 561
изображение.png 15Кб, 961x114
961x114
В этой залупе кабель покупает кто? А то цены у них неплохие.
Аноним 22/01/26 Чтв 03:38:57 380351 562
>>379989
Есть два режима - пофазное отключение и отключение всего сразу.

>>380012
Как я понял, для полной защиты реле должно быть подключено к нулевой шине, от которой нули идут к потребителям. Если реле теряет контакт с нулевой шиной, но вводной ноль всё ещё к нему подключен, то для него всё в порядке, даже если на потребителях идёт перекос.

В итоге вытащил и поставил три однофазных.
Аноним 22/01/26 Чтв 15:37:54 380365 563
Аноны я корзинка, боюсь электричества/проводов и т.п. Как мне безопасно вкатится в электрику, что-бы не боятся условно розетку поменять. Физику школьную вспоминать ?
У меня есть недостаток понимания, что как работает и страх что ебнет током из-за моих влажных ладошек.

Вот к примеру меня заебал звонок дверной, снял крышку, там пружина, провода, выглядит как сверх технологии для меня. Я понимаю что нужно провода отсоединить что-бы его отключить. Для этого надо обесточить хату.

Завидую просто людям, которые сами могу все сделать, провода протянуть хуе мое.
Аноним 22/01/26 Чтв 16:43:03 380368 564
Аноним 24/01/26 Суб 16:04:43 380490 565
майонез мурика.mp4 1242Кб, 460x816, 00:00:12
460x816
>>380351
>вводной ноль всё ещё к нему подключен, то для него всё в порядке, даже если на потребителях идёт перекос.
Нарисуй схему где три источника тока, три сопротивления-потребителя и три вольтметра, все соединены звездой. И ноли там поразрывай водя карандашом. УСЁ В ПОРЯДКЕ ШЭФ

>Завидую просто людям, которые сами могу все сделать, провода протянуть хуе мое.
Завидую рептилоидам, которые сами могут денег загрести, гоев развести, хуё-моё.

>>380173
Хуясе, это же изначально продукт для мурики. Видел такие у их электриков, металл там люминь подходящего для соединения и люминя и меди сплава.
Аноним 24/01/26 Суб 16:06:40 380491 566
>>380240
>по мониторингу проседающего вольтажа на 15-20 вольт, при включении чайника, удобно шпынять УК
И норматив на это есть? Или аж ниже 197 проседает?
Аноним 26/01/26 Пнд 07:23:23 380538 567
Чё по электрике брать в категории цена/качество?
>Systeme Electric – это российский производитель электроустановочного оборудования. Летом 2022 состоялась продажа бизнеса Шнайдер Электрик в России и Беларуси, в результате чего образовалась новая компания. Систэм Электрик производит оборудование под собственными брендами: Systeme Electric, DEKraft, «Механотроника».
Систэм электрик или Декрафт брать?
Аноним 26/01/26 Пнд 19:12:58 380601 568
>567
пирикотити
Аноним 31/01/26 Суб 11:58:26 380666 569
image.png 1009Кб, 800x600
800x600
Сейчас на улице пиздец, но до строительного сезона осталось всего ничего, поэтому пора уже определяться чем в нем заниматься.

Собственно вопрос по переносу подключения. Схема на пике рабочая? Так можно? Когда стойка одновременно является опорой для подключения, столбом забора (так можно) и каркасом навеса (а вот тут не знаю)? Такие кейсы есть? Подключат?
Аноним 31/01/26 Суб 12:12:25 380667 570
>>380666
Закопай рядом новый столб и не занимайся порнографией.
Аноним 31/01/26 Суб 12:27:50 380669 571
>>380667
В чем порнография? Старый частный сектор, маленький участок. На улице новый столб не закапаешь, а внутри будет мешать, и опять же проходить через крышу навеса.
Необходимость переноса обусловлена тем, что сейчас подключение на крышу строения, которое будет сноситься и перестраиваться. А кроме него по фасаду участка будет только навес над парковкой/двориком.
Аноним 31/01/26 Суб 12:28:42 380670 572
>>380666
Когда я подключал садовый домик, мне написали, чтобы я повесил вводной ящик на границе участка (без указаний по конструкции опоры), а счётчик они повесили на верхушке своего столба.
Аноним 31/01/26 Суб 12:37:10 380671 573
>>380670
Батя переподключал дачу не так давно, с СНТ на муниципальные электросети еще за 550р. Таких требований не было. Там просто стойку с щитком поставили у себя на участке, потому что забор уже был. Но то дачи, земли много, есть где развернуться.
Аноним 31/01/26 Суб 12:39:08 380672 574
>>380671
> не так давно
> еще за 550р
Хуясе "не так давно"...
Впрочем, вряд ли с тех пор пересматривали нормативную документацию.
Аноним 31/01/26 Суб 12:59:06 380673 575
>>380669
Где он мешать будет? Рядом каменной опорой закопай железный столб и все.
Аноним 31/01/26 Суб 13:05:08 380674 576
>>380673
>Рядом каменной опорой закопай железный столб и все
Это не моя земля. По хорошему, я там ничего делать не могу без согласования, потому что это не деревня или снт, а город.
Аноним 31/01/26 Суб 13:09:24 380675 577
>>380672
Ну пока я склоняюсь к варианту сделать стойку как часть забора, а потом в крысу к ней навес приварить. Но все равно есть опасения что потом могут за это как-то выебать.
Аноним 31/01/26 Суб 13:11:58 380676 578
>>380674
Навес твой а земля не твоя. Что за охуительные истории. Кому не по хуй на железную 3 метровую трубу на твоём участке.
Аноним 31/01/26 Суб 13:19:53 380677 579
image.png 4Кб, 261x514
261x514
>>380676
Мы друг друга не поняли, для меня каменная опора это бетонный столб ЛЭП.
Ситуативный план на картинке. Красное - строение под снос и перестройку, на крыше которого подключение сейчас. Синее - тут будет навес. На время сноса красного и стройки синего нельзя оставаться без э/э.
Аноним 03/02/26 Втр 14:43:01 380823 580
>>370701 (OP)
Электрики привет, подскажите как мне сделать кнопку на мастер выключатель, чтобы гости ей случайно не выключали весь свет.

Мои мысли - поставить выключатель однопозиционный, тот который когда отпускаешь отпружинивает в исходную позицию, к нему накинуть конденсатор или некое устройство которое накапливает ток и потом только отдает в контактор, всем этим я хочу добиться чтобы мастер выключатель нужно было зажать на 3 секунды а только потом он выключит свет в доме. Может есть такие готовые устройства, я даже готов выделить 1 слот в щитке под реле, в идеале чтобы кнопка была похожа на кнопки атлас от систем электрик.
Аноним 03/02/26 Втр 20:35:37 380855 581
image.png 342Кб, 707x1000
707x1000
>>380823
>Может есть такие готовые устройства
Какой херни только нет, только вряд ли у тебя есть желание ебаться с этим.

Если хочешь решить простыми стандартными модуляими, первое что приходит в голову: реле времени с задержкой включения + импульсное реле.
1. Подключаешь свою кнопку к питанию реле времени (режим 1), при подаче напряжения питания оно подает напряжение на выход через заданное время (настраиваемое). Если отпустишь раньше, питание пропадет и ничего не произойдет. Его выход на импульсное реле.
2. Импульсное реле (режим 13) при подаче напряжения на управляющий вход, замыкает или размыкает выход.
Единственный минус, что включение будет так же через зажатую кнопку с задержкой работать.

Инструкция отсюда, наверняка можно найти что-то подешевле.
https://www.ozon.ru/product/rele-vremeni-odnokomandnoe-rvo-1m-acdc24-230v-uhl4-meandr-v-sverhtonkom-korpuse-13mm-592079195/
Аноним 04/02/26 Срд 02:13:37 380888 582
>>380823
Поставь лучше что-нибудь с физическим блоком. Как пусковые кнопки станков или у пожарной сигнализации.
Или хотя бы обычный двухклавишный собери так чтобы обе две надо было нажать одновременно.

А проще подпиши или цветом выдели.
Аноним 04/02/26 Срд 08:31:38 380892 583
Спасибо анонимусы
>>380855
>импульсное реле
Его можно заменить контактором? Контактор уже стоит и подключен к кнопке обычной.
>>380888
Рабочие варианты, но пока хочу попробовать решить одной кнопкой в таком же стиле что и остальные.
Аноним 04/02/26 Срд 09:26:32 380894 584
>>380892
>Его можно заменить контактором?
Нет, но контактор можно заменить импульсным реле в щитке, плюс добавить туда реле времени. У контактора нет ф-ции памяти и он на выходе даёт то же, что и на управляющем входе в текущий момент.
Аноним 06/02/26 Птн 12:30:12 380994 585
Привет. Подскажите перестал работать выключатель. Снял его и тыкнул индикаторной отверткой в провода показало две фазы. Я так понимаю произошел обрыв ноля скорей всего в стене т.к. было механическое воздействие выкл. Подскажиие что дальше делать? Штобить стену и искать обрыв?
Аноним 09/02/26 Пнд 10:24:57 381097 586
Аноны, накидайте общих советов, где ставить розетки в квартире. Вероятнее всего, предстоит менять старую проводку, т.к. на кухне в розетке уже трещит, а всякие проекты с учетом мебели пока идут мимо. Или тупо забить и попросить электрика завести на кухню отдельную линию и от нее уже через удлинители прокинуть? И можно ли этот кабель вести в напольном пвх-плинтусе или вообще открытым по плинтусу?
Аноним 09/02/26 Пнд 19:08:44 381119 587
чет нипанятна, ты снял выключатель, и на разомкнутой линии напряжение есть и до выключателя, и после?
Аноним 09/02/26 Пнд 19:10:27 381120 588
>>381097
Насмотревшись Земскова, распространяю мудрость.
На кухне ставь три над основной секцией разделочного стола и по две над каждой из оставшихся, плюс по одной на варочную панель (сюда силовую, а то и вообще голый клеммник в коробке), духовку (отдельная линия), микроволновку, посудомойку, водонагреватель (отдельная линия), вытяжку, подсветку рабочей зоны, холодильник, две за телевизором (три за большим телевизором), одну (двойную) в откосе окна внизу для зарядки телефонов и одну в откосе окна вверху для новогодней гирлянды, плюс можно для пылесоса пару внизу у входа поставить.

В спальне - по одной над каждой прикроватной тумбой, пару около макияжного зеркала, три-четыре под письменным столом (восемь-двенадцать под компьютерным столом, но эту сеть я предпочитаю плести жопой на удлинителях, прикрученных непосредственно к столу), про телевизор, окна и пылесос см. выше.

В гостиной - три за телевизором и три над тумбочкой с соснолью, одну в плинтусе для электропривода дивана, несколько около столов-тумбочек для зарядки телефонов, несколько для торшеров, одну для ёлки, про окна и пылесосы см. выше.

В ванной - водонагреватель, стиралка, фен, плюс пара запасных.

> на кухне в розетке уже трещит, а всякие проекты с учетом мебели пока идут мимо
Если трещит в розетке - поменяй розетку, у неё просто баттхёрт. Перегруженную линию не слышно, пока не ебанёт блэкаутом.
На проект хуй не забивай, гораздо приятнее через два года поднять из архива проект с готовой разводкой электрики, чем начать проектировать и понять, что все самые удобные для варочной поверхности и раковины места уже заняты розетками, прибитыми к старой всратой кухне. В крайнем случае и правда на удлинителях раскидайся.

> можно ли этот кабель вести в напольном пвх-плинтусе или вообще открытым по плинтусу?
Всё можно, если не хочешь капремонт устраивать. А вообще - смотря сколько кабелей тебе надо тянуть.
У меня в панельке 91-го года полквартиры на одной полутораквадратной линии сидит (водонагреватель, микроволновка, тёплый пол и кондиционер), но это не очень безопасно.
Лучше для тяжёлой нагрузки (водонагреватель, электрочайник, духовка) вообще отдельные линии проложить. В плинтусе это, естественно, не поместится. В стяжку ты класть точно не будешь. Даже если у тебя панелька, в старых каналах перетянуть проводку - это тот ещё геморрой.
Я, когда в ванную клал новую линию для водонагревателя, провёл провод от щитка в кабель-канале до двери, пробурил стену под потолком и закрыл снаружи распределительной коробкой (чтобы замаскировать изгиб провода), в квартире протащит по незаметным ебеням - по верху гардероба, в антересолях, в дверных коробках.
Ещё можешь по потолку в трубах проложить и устроить себе лофт.

Извенити за неровный почерк, половину того, что хотел сказать, забыл, а половину проебал.
Аноним 09/02/26 Пнд 19:10:53 381121 589
>>380994
> две фазы
Выключатель-то, небось, с лампочкой?
Аноним 09/02/26 Пнд 19:20:12 381124 590
>>381097
Ну раз ты там пожил уже, значит знаешь где тебе нужны розетки. На кухню конечно лучше отдельную линию.
>завести на кухню отдельную линию и от нее уже через удлинители прокинуть
Я так жил какое-то время, старая люминь шла змеей на кухню, потом в комнату, потом еще в одну. Чайник говорит бульбуль, микроволновка говорит ууууу, в комнате топят обогреватель и пекарня, первая кухонная розетка, от которой развилка на комнату, говорит трхртххт.
Аноним 09/02/26 Пнд 19:22:00 381125 591
Аноним 10/02/26 Втр 10:16:49 381140 592
photo2026-02-10[...].jpg 154Кб, 960x1280
960x1280
>>370701 (OP)
Поставил УЗО (30мА) на группу фасадное освещение+освещение веранды+парковка, в середине зимы начало УЗО выбивать, методом тыка выяснил что вырубает именно из-за минусового провода фасадного освещения, которое подключено через реле света расположенное на крыше. Подключено всё герметично, в коробке на фасаде, с термоусадкой, без нарушения изоляции, в саму коробку врядли что-то могло затечь, единственное что коробка и реле может быть занесены снегом сейчас. Думаю может быть само фотореле это мозги ебет и его поменять? Батя говорит выкинуть нахуй узо, как его мастера делали в нулевых.
Аноним 12/02/26 Чтв 12:41:38 381220 593
>>381140
Батя прав, нахуя тебе узо, да еще и 30 мА, на освещении, да еще и на уличном?
Аноним 13/02/26 Птн 13:19:26 381250 594
Ласпочка светодиодная начала тускло светить
Дело тупо в ней или чето серьезней
Летом в люстре менял проводку
Аноним 13/02/26 Птн 21:01:56 381266 595
>>381250
В светодиодах люминофор со временем деградирует
Аноним 13/02/26 Птн 22:47:42 381268 596
>>381266
Ты помрёшь раньше чем он заметно для глаза деградирует.
А драйвер лампы ещё раньше.
Аноним 14/02/26 Суб 22:52:24 381309 597
>>381268
Дядя из эпохи качественных изделий, на дворе давно царит экономическая эффективность
Аноним 15/02/26 Вск 14:50:28 381347 598
>>381309
Поэтому на кристаллы дают ток по верху даташита, а в драйверы ставят самые хуёвые конденсаторы.
Это и сдохнет, а не люминофор блять.
Аноним 15/02/26 Вск 15:01:03 381349 599
2-23356okay-fac[...].png 105Кб, 860x1038
860x1038
Аноним 15/02/26 Вск 15:38:36 381360 600
hedge2026021417[...].jpg 134Кб, 1200x1600
1200x1600
>>381347
>а в драйверы ставят самые хуёвые конденсаторы.
Прошлый век.
Современные лампы совсем без кондеев.

>>381250
>Дело тупо в ней или чето серьезней
Поменяй на новую и узнаешь.
Аноним 16/02/26 Пнд 16:04:27 381397 601
какдиды.jpg 82Кб, 947x813
947x813
>>381140
>>381140
>Батя прав, нахуя тебе узо
А можно еще пик сделать, тогда даже если коробку зальет, свет гореть будет, лул
Аноним 20/02/26 Птн 01:10:07 381569 602
Полгода назад менял розетку на двойную, сейчас греется в ней зарядка для смартфона. Клемма плохо держит кабель или че еще может быть. У меня старая люминька
Аноним 20/02/26 Птн 05:57:45 381573 603
>>381569
Возьми да подтяни клеммы.
А вообще, зарядка может и в нормальных условиях греться, если мощная.
Аноним 20/02/26 Птн 11:31:39 381584 604
>>381220
>>381397
Разобрался, оказывается подключил нейтраль на шину другого УЗО, всё починил, появился другой вопрос.

Почему моргают диоды в частном доме? Еле заметное мерцание, напрягает, в чем причина? Диммеров нет, земля ТТ, 3 штыря на расстоянии 10м от дома, в коробках в доме скрутки длинные или опрессовка, контакты вроде нормальные везде, лампочки правда говно некие Онлайт за 60р/шт, но ощущение что не в них проблема.
Аноним 23/02/26 Пнд 10:51:17 381753 605
>>381584
>лампочки правда говно некие Онлайт за 60р/шт
По цене прям обязаны моргать
Пилю кулстори
У меня вот гаусы не моргали, но спустя год заметил, что глазам как-то хуева стало, у тянки тож самое, вроде не мерцют по тесту из фак, но за ноутом глаза резко стали уставать к вечеру у обоих так, что почти не открываются.
Думал все, пезда, но странно что одновременно у обоих, чет вспомнил про лампы эти, выкрутил, поставил обратно лампы накаливания и буквально за неделю все прошло. В пезду эту экономию на диодах, хз как их тестить. Может паль, хз. Брал их в неком Максидоме.
Аноним 23/02/26 Пнд 13:15:50 381758 606
Аноним 23/02/26 Пнд 18:05:31 381782 607
>>381753
У вас лампы накаливания не продают? Может почтой выслать.
Аноним 27/02/26 Птн 14:36:48 382005 608
>>381782
Я же хотел модно, молодежно и экономно.
Понятно, что вернул обычные лампы и у меня еще ведро этих мерцающих гаусов валяется, за которое можно было купить 20 ведер обычных. Вышла хуйня, согласен, но кто знал.
Аноним 27/02/26 Птн 19:30:40 382023 609
>>381584
а по напряжению что показывает?
Аноним 01/03/26 Вск 16:46:49 382100 610
>>382023
Свет у меня на 2-й фазе, там всегда не менее 215, обычно 220-225, ну и в других помещениях вроде как не моргают, думаю лампы поменяю, если не пройдет то остается контакт в коробках хуевый, а потолки уже натянули...
Аноним 02/03/26 Пнд 05:17:13 382118 611
image.png 892Кб, 1089x622
1089x622
Анон нужно твое экспертное мнение, живу в стране где считают что 120ти вольт хватит всем, но не мне. Короче, есть одна серия дуплексных розеток на 20А, с хитрым подключением, как на пике, у верхней и нижний розетки разные фазы и общий двух канальный предохранитель на 40А. Если нагрузить только верхнюю розетку, в моем случае это хуйня на 16А, напряжение падает, ниже порога по NEC, до 108-109В, но если в этот момент в нижнюю розетку подключить электроприбор, в этом случае это хуйня на 14.5А, то напряжение в розетке вырастет до 116В.

Анон че за хуйня, это какая-то магия, почему одна розетка работает хуже чем сразу две?
Аноним 02/03/26 Пнд 07:35:54 382120 612
>>382118
>, почему одна розетка работает хуже
Перекос на трансформаторе.
Аноним 02/03/26 Пнд 13:26:09 382139 613
>>382100
Сравни напряжение на этой фазе в щитке и в проблемном помещении под нагрузкой. Если проседает в помещении, то да, хуевый контакт. Если не проседает, то лампочки говно
Аноним 02/03/26 Пнд 15:42:19 382146 614
>>382120
Почитал по теме, там объясняется на примере трехфазной сети, у меня нет трех фазной сети и на розетке нет трех фаз. Нихуя не понял.
Аноним 02/03/26 Пнд 17:00:08 382149 615
>>382146
Апдейт, при таком раскладе две нагрузки включены в цепь последовательно и за счет двух разных фаз прокает 240В, отсюда скачек напруги на просевшей до этого под нагрузкой линии.
Аноним 09/03/26 Пнд 19:41:19 382420 616
Как проверить заземление в квартире?
Прям что оно реально есть от розетки до земли-матушки или подстанции-батюшки, а не скручено где-то в щитке или на трубу отопления намотано?
Аноним 10/03/26 Втр 11:09:29 382441 617
>>382420
открыть щиток и посмотреть глазами?
Аноним 10/03/26 Втр 11:51:31 382443 618
>>382420
Ну если лампочку соединить с фазой и землёй то она должна загореться. Если ноль соединить с землёй то должно выбить узо, если конечно в хате что то из электроприборов работает.
Аноним 10/03/26 Втр 16:13:02 382453 619
Аноним 10/03/26 Втр 16:19:53 382454 620
>>382453
Основные способы проверки заземления:

Мультиметр (вольтметр):
Фаза - Земля (PE): Переключите прибор в режим измерения переменного напряжения (AC) до 750В. Вставьте щупы в фазу и заземляющий контакт. Напряжение должно быть близко к 220-230В.
Ноль (N) - Земля (PE): Напряжение должно составлять 0–30В. Более высокое значение указывает на проблемы с контуром.
Индикаторная отвертка: Определите фазу в розетке. Прикоснитесь к контакту заземления: индикатор гореть не должен.
«Ламповый тест» (для опытных): Подключите патрон с лампой накаливания (60–100 Вт) между фазой и заземляющим контактом. Лампа должна гореть ярко. Если светит тускло или не горит — заземление отсутствует или неисправно.
Аноним 10/03/26 Втр 20:02:11 382469 621
>>382454
я и говорю норкоман
Аноним 10/03/26 Втр 21:27:22 382475 622
>>382441
В нормальном щитке всё будет прикрыто, а подъездный под замком.
В принципе пойдёт чтобы удостовериться что заземления нет, но не пойдёт убедиться что оно есть.
Аноним 11/03/26 Срд 14:55:15 382499 623
>>382475
Ну если щиток нормальный, то и должно быть все нормально. Но если тревожно, в нормальном щитке значит есть узо, смотришь его номинал, тыкаешь заодно кнопку тест. По номиналу подбираешь резистор, тыкаешь этим резистором между фазой и землей, узо сработало, збс, дальше тебя не ебет. Не сработало, ебешь голову управляющей компании.
Аноним 15/03/26 Вск 14:42:33 382611 624
Аноним 15/03/26 Вск 14:54:27 382613 625
>>382611
Ну наконец-то хоть кто-то не выдержал!
Настройки X
Ответить в тред X
15000
Добавить файл/ctrl-v
Стикеры X
Избранное / Топ тредов