Главная Юзердоски Каталог Трекер NSFW Настройки

Радиотехника

Ответить в тред Ответить в тред
Check this out!
<<
Назад | Вниз | Каталог | Обновить | Автообновление | 645 152 284
ДОМАШНЕГО РАДИАЦИОННОГО КОНТРОЛЯ ТРЕД Аноним 24/11/17 Птн 08:34:55 303755 1
0a5616c439d432L[...].jpg 11Кб, 500x411
500x411
Удивлён, что треда до сих пор здесь нет.

В связи с недавней истерией о рутении 106, задумался о мерах защиты. Для тех, кто в бункере:

https://meduza.io/news/2017/11/21/po-mayak-otverglo-prichastnost-k-vybrosu-radioaktivnyh-veschestv-na-urale
https://meduza.io/news/2017/11/21/grinpis-potreboval-rassledovat-vybros-radioaktivnyh-veschestv-na-urale
https://meduza.io/feature/2017/11/21/rosgidromet-priznal-tysyachekratnoe-prevyshenie-urovnya-ruteniya-106-v-chelyabinskoy-oblasti-mesyats-nazad-o-vozmozhno-avarii-govorili-v-evrope

Давайте поразмышляем. Европейцы зафиксировали лишь рутений. Это не так плохо. Могло быть хуже, если бы они, помимо него, засекли ещё и радиоактивный йод, но к счастью для всех, это не так.

Я вижу 2 стратегии, позволяющих любому из нас минимизировать возможные риски заражения:
1) нужно держаться подальше от очага заражения (лечится переездом подальше от Урала)
2) нужно предотвратить возможность накопления изотопа в организме. Это я сейчас и хотел бы разобрать.

Я считаю удачей, что авария случилась осенью, а не весной, зимой или летом. В связи с тем, что у рутения 106 полураспад длится год, к следующему сельскохозяйственному сезону (т.е весной 2018, полгода спустя нынешний момент) его уже будет меньше, чем в любом другом варианте (однако, его содержание в биосфере всё равно будет больше половины исходной массы выброса).

Я вижу лишь один возможный способ предотвратить аккумуляцию изотопа в наших телах -- проверять на его содержание все продукты питания и предметы быта, с которыми мы контактируем. Главная угроза, которую я вижу -- именно в аккумуляции. Можно допустить, что если выброс изотопа размажется по поверхности планеты, то риск встречи твоего организма с его частицами оказывается крайне мал, и даже можно говорить о безопасности. Но, нельзя забывать, что достаточно близко к облаку заражения расположены территории с развитым сельским хозяйством. Аккумуляция будет происходить -- начиная с растительных организмов, заканчивая тобой.

А теперь, вопрос. Как в домашних (не-лабораторных) условиях можно зафиксировать факт заражения? Немного о самой механике процесса. Извините, но нормальной ссылки не нашёл, см. сразу пункт 2:
http://freeresearcher.net/2017/11/22/ruthenium/
Рутений 106 трансмутирует в Родий 106, процесс сопровождается бета-излучением, полураспад около года.
Родий 106 трансмутирует в стабильный Палладий 106, процесс сопровождается бета-излучением, полураспад практически сиюминутный.

Вопросы:
1)Существуют ли бытовые дозиметры, способные обнаружить соответствующее бета-излучение?
2)Существует ли возможность того, что заражённая Рутением 106 пища не может быть обнаружена по сопутствующему бета-излучению?
3)Какие дозиметры подойдут для моей задачи? Где их достать и сколько это будет стоить?
Аноним 24/11/17 Птн 09:00:29 303758 2
>>303755 (OP)
РУТЕНИЕМ ЗАРАЖАЙ
@
ДОЗИМЕТРЫ ПРОДАВАЙ


Но ведь действительно, можно неплохие профиты поиметь.

Поиск в гугле не дал результата ощутимого, измеряют счетчиком Гейгера. У меня есть только для Гамма лучей хороший детектор, но дорогущий, не подходит под задачу.
Аноним 25/11/17 Суб 01:23:22 303862 3
FB8xmF1ESzA.jpg 103Кб, 601x628
601x628
Чтоб достать хоть какой-нибудь дозиметр, можешь попытаться воспользоваться ментальностью русского человека пиздить всё, что плохо лежит тащить домой ненужный хлам с рабочих мест. Если в твоём городе есть хотя бы производства продукции, которая должна проходить радиационный контроль, можно найти людей, что там работают и спросить за ворованные лишние дозиметры. Или хотя бы списанные, чтоб разобраться, как работают и самому докрутить.
Аноним 25/11/17 Суб 13:04:39 303878 4
14649632118810.jpg 7Кб, 259x195
259x195
>>303862
> пик
Лол, в этом тексте видна вся безответственность и халтурность этой страны.
Аноним 06/12/17 Срд 23:38:18 305250 5
89122169w800h64[...].jpg 62Кб, 600x640
600x640
89122177w800h64[...].jpg 46Кб, 800x533
800x533
89122179w800h64[...].jpg 56Кб, 610x640
610x640
89122187w800h64[...].jpg 72Кб, 800x566
800x566
Аноним 06/12/17 Срд 23:39:50 305251 6
>>305250
Алсо, все кроме спектрометров для контроля нахуй не нужно, потому что ты уже сохнешь к этому времени.
Аноним 06/12/17 Срд 23:45:50 305252 7
>>305251
> потому что ты уже сохнешь к этому времени.
Что ты несешь?
Аноним 07/12/17 Чтв 00:29:01 305254 8
>>305252
Утрирую, но такое тоже может произойти.
Аноним 07/12/17 Чтв 02:35:09 305259 9
>>305250
А я такую хуйню хочу руками запилить.
Аноним 23/12/17 Суб 13:06:01 307094 10
>>305259
А сцинцилятор где будешь покупать? Что в качестве контроллера? Кода? Софта? Я видел лампы на авито и сцинтилляторы, так себе цены.
Аноним 23/12/17 Суб 22:59:35 307169 11
image001.jpg 10Кб, 371x217
371x217
>>307094
>сцинцилятор
Откуда там сцинтиллятор? Там обычный газоразрядный самовосстанавливающийся счетчик Гейгера.
Кстати, полимерные сцинтилляторы недорогие и легко достаются затак во всяких НИИ физического уклона или университетских лабораториях.
Аноним 24/12/17 Вск 00:26:40 307175 12
>>305271
Смотрел отзывы по ним — шляпа.
26/12/17 Втр 05:42:42 307411 13
>>307169
ты ЕБОБО БЛЯТЬ? Там сцинтиллятор, в том то и ПИСЕЧКА этой хуйни.
Аноним 26/12/17 Втр 05:43:50 307412 14
>>305271
хуета на 1 пин-диоде. ОДНОМ, КАРЛ! Забавная ИГРУШКА, демонстрирующая эффект, но не более.
Аноним 26/12/17 Втр 11:35:39 307428 15
3e67ed3157b4912[...].jpg 47Кб, 640x596
640x596
>>307411
Тащи паспорт сюда. Или фотки вскрытого.
Для сцинтиллятора нужен ФЭУ, для ФЭУ N киловольт и обвязка резисторами и всю эту поебень обычно городят, чтобы можно было оценивать или измерять энергию частицы. Для поебени, которая вставляется в айфон это слишком избыточно.
Аноним 26/12/17 Втр 11:38:08 307429 16
>>305250
>>307411
И ещё, зачем на втором пике газоразрядный счетчик изображен?
Аноним 26/12/17 Втр 12:47:44 307439 17
>>307428
>Для сцинтиллятора нужен ФЭУ
Будто требуется ФЭУ диаметром сантиметров 10. Большинство ФЭУ имеет небольшие диаметры.
>для ФЭУ N киловольт
Всего лишь в 3...6 раз больше чем для газоразрядных счетчиков. Миниатюрных электрошокеров с еще большим напряжением и мощностью не существует?
>оценивать или измерять энергию частицы.
Каким образом тогда у них строится спектр? Каким образом на видео демонстрируются различные спектры от разных источников?
>Для поебени, которая вставляется в айфон это слишком избыточно.
А значит для измерителя энергий частиц нужен ЭЛТ минимум от радиолокатора? По моему никакой разницы на чем будут отображаться результаты.
>Или фотки вскрытого.
В гугле, самодельные гамма спектрометры. Первая попавшаяся фотография внутренностей: http://forum.rhbz.org/topic.php?forum=80&topic=70

>>307429
Это ограничительный разрядник, а не счетчик. На фотографии он за тем что радиоактивный. Например http://www.eandc.ru/news/detail.php?ID=22166
Аноним 26/12/17 Втр 16:57:57 307558 18
>>305250
Нафиг тебе игрушка для телефона, бери уже полноценный спектрометр, как у Айзона
Аноним 28/12/17 Чтв 03:59:55 307651 19
maxresdefault.jpg 94Кб, 1280x720
1280x720
atomspectra2003[...].jpg 236Кб, 1000x667
1000x667
423259538w640h2[...].jpg 104Кб, 640x421
640x421
>>307428
ГУГЛИ, ПЕТУШОК ЕБАНЫЙ, такому долбоебу как ты еще и нести, чтобы ты с важным видом что-то промычал?
ТЫ обосрался, дурилка картонная, там ФЭУ и сцинтилятор.
А то что ты не в курсе разработки этого отечественношо, не побоюсь этого слова, ВИНА, только твоя проблема.

Первое - видео выше, второе - пикрелейты цитата: Про начинку: детектор собирается как этажерка из трёх печатных плат: плата делителя для ФЭУ\предварительного усилителя, плата высоковольтного преобразователя, плата АЦП\интерфейса USB. Особенности сборки таковы что когда он собран снимать нЕчего ибо всё находится в корпусе и ничего не видно, узлы для сборки подаются с разных сторон корпуса и скручиваются там. Нашёл фото одного из первых предсерийных макетов", чтобы ты начал чувствовать мочу, капающую у тебя с ебальника, В третьих - КАК БЛЯТЬ У ТЕБЯ "обычный газоразрядный самовосстанавливающийся счетчик Гейгера." будет измерять ЭНЕРГИЮ ЧАСТИЦ? Ты в глаза ебешься? Эта хуитка не график дозы рисует, она тебе ЭНЕРГИЮ ЧАСТИЦ показывает, благодаря чему ты можешь определить КОНКРЕТНЫЙ ИЗОТОП.
Ну и вообще - хули ты забыл в этом треде, если ты даже на рхбз.орг не сидишь?


Аноним 28/12/17 Чтв 06:16:39 307655 20
>>307651
Расскажи, что за датчик и принцип его работы? Нафига ему делитель и такое количество выводов?
Аноним 28/12/17 Чтв 07:30:44 307656 21
>>307655
ФОТО ЭЛЕКТРОННЫЙ УМНОЖИТЕЛЬ, это устройство постепенно умножает фотончик из СЦИНЦИЛЛЯТОРА до читаемог импульса, причем ещё и с амлитудой. Если просто измерять частоту импульсов, то можно измерить количество излучения (электронов), а если измерять по амплитуде, то можно и энергию.
Аноним 28/12/17 Чтв 11:29:50 307659 22
>>307651

Слушай, а из этой твоей хуитки можно спектроанализатор сделать, если ее к самопальной газоразрядной камере прихуячить?
Аноним 29/12/17 Птн 06:19:13 307707 23
Аноним 29/12/17 Птн 09:01:50 307716 24
>>307707
Ну вот я хочу чтобы такой купил эту хуитку, надрочил напильником интересующую сталюку, засыпал получившийся порошок в вакуумную колбу, хуяк-хуяк туда электричеством, а на экране мне составляющих этой сталюки отобразился -железа столько то, молибденом столько то в процентном соотношении.
Аноним 29/12/17 Птн 09:17:26 307719 25
>>307716
Это ты масс-спектрометр описываешь. В школе должны были рассказывать, в главе про силу Лоренца. Нет, это совсем другой прибор даже по схемотехнике.

В самодельном гамма-спектрометре сигнал с ФЭУ пропускается через истоковый повторитель или буффер на ОУ и подается на вход обыкновенной звуковой карты либо на USB звуковую карту как в >>307558
Аноним 29/12/17 Птн 22:20:24 307782 26
А нельзя ли к совковому ФЭУ присобачить кетайскую пердуину, чтобы она импульсы обсчитывала и спектр рисовала на кумпуктире? По идее, было бы неблохо - дёшево и сердито.
Ну и поясните заодно почему есть спрос на совковые кристаллы, которые легко кокнуть, когда есть современные пластиковые, которым всё пох? Они типа чувствительнее штоле, натуральные-то?
Аноним 30/12/17 Суб 09:33:14 307825 27
>>307782
Сам не можешь загуглить?
>современные пластиковые
Антраценовые? Я бы такие побоялся в руки брать.
Аноним 30/12/17 Суб 12:12:36 307831 28
>>307825
>Антраценовые? Я бы такие побоялся в руки брать.
Схуяли?
Аноним 30/12/17 Суб 18:07:14 307887 29
интересно, но очень сложно... нужна готовая голова
Аноним 01/01/18 Пнд 12:09:07 308092 30
>>307782
ФЭУ это как один пиксель видеокамеры. Был тут давненько тред про приборы ночного видения, там один шизик предложил развернуть скинирующими зеркальными гальвами картинку на ФЭУ, тогда по его словам можно будет даже химиофлюарисценцию грибов в лесу наблюдать. Суть в чем, одним пикселем ты не снимешь спектрограмму, тебе придется так же зеркалом сканировать площадь дифракционной решетки с оче точным шагом и привязкой угла зеркала к длинне волны, но там вылезет столько подводных, что лучше даже не начинать, а сделать спекроскоп из веб камеры и двд болванки. Но не мне, полугуманитарию, конечно, судить.
Аноним 01/01/18 Пнд 14:13:40 308097 31
>>308092
Если бы оно так было, то для спектрометров городили бы йоба-матрицы из нескольких ФЭУ.
На самом деле вспышки же разные в зависимости от того какая частица попала. Вот из этих-то данных и рисуется спектр.

А вообще, вон кто-то вообще из фотодиодов спектры получил: http://radiokot.ru/forum/viewtopic.php?f=3&t=105862
Аноним 01/01/18 Пнд 20:25:19 308129 32
>>308097
Ты ебанок чтоли? Тебе надо спект масс получать, там по оси x длинна волны в nm, в спектрометре частиц по оси x энергия этих самых частиц в кЭв.
Аноним 01/01/18 Пнд 20:45:21 308130 33
>>308129
Ещё раз: в спектре радиационного излучения по оси x энергия, по y количество зарегистрированых частиц щелчков с такой энергией. На основании спекрограммы определяют вид изотопа или другой хуйни радиоактивной. В спектре масс же по оси x длинна волны, по y амплитуда (интенсивность) света который хуярит на этой длинне волны, матрица камеры снимает картинку сразу с дифракционной решетки и по спектрограмме определяют какие вещества содержаться в образце. Много диодов у него там для большей чувствительности.
Аноним 02/01/18 Втр 00:15:39 308143 34
Посоны, где и какой ФЭУ взять для создания гамма-спектрометра
Аноним 02/01/18 Втр 01:40:22 308153 35
>>308129
Ты почему такое быдло? Общайся нормально.

мимопролетал
Аноним 02/01/18 Втр 03:10:19 308157 36
Am-241 BPW34.png 17Кб, 1024x791
1024x791
ЗЧУ 2ch.GIF 12Кб, 993x640
993x640
Decay1.png 67Кб, 1280x800
1280x800
Немного не в тему треда.
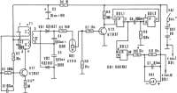
Вот такой вот спектр амереция-241 можно получить на простом PIN-диоде BPW34. Усилитель -формирователь с небольшими изменения и «доработками» содрал у Amptek с формирователя на основе ОУ A275. Спектр набирал осциллографом в режиме построения гистограммы из результатов измерения амплитуды сигнала.
На осциллограмме «лучи» сверху вниз: выход ЗЧУ, формирователь на линии задержки, гауссов формирователь.
Спрашивайте вопросы.
Аноним 02/01/18 Втр 04:29:00 308158 37
>>308157
Откуда ты вылез? Твой осцилл дороже моей машины. Тролль ебуче? В ра так не бывает, из тебя жир сочится.
Аноним 02/01/18 Втр 04:42:19 308159 38
>>308158
Б/ra/ток, ты что злой то такой? Осциллограф действительно хороший, но он совсем не мой.
Аноним 02/01/18 Втр 05:38:32 308160 39
>>308157
>>308159
Почему ты скрыл время набора статистики? Лжец. Несколько часов потратишь с 1 пин диодом. Нужны десятки для приемлемого времени статвыборки.
Аноним 02/01/18 Втр 06:35:38 308162 40
>>307651
>даже на рхбз.орг не сидишь?
Я же не дебил, лол.
Аноним 02/01/18 Втр 14:26:12 308192 41
>>308160
Потому что это осциллограф, у него большое и не измеряемое мёртвое время и нет возможности измерять экспозицию.
Этот спектр был набран минут за сорок с ОСГИ, с нормальным многоканальным анализатором можно управиться в разы быстрее.
04/01/18 Чтв 00:29:29 308349 42
>>303755 (OP)

1) Практически нет, т.к процентов 90 всех бытовых дозиметров построены на базе газоразрядных счётчики аля СБМ-20, которые обладают не самой лучшой чувствительностью, по сравнению с теме же слюдяными датчиками. В следствии чего такие дозики просто не увидят эти десятые доли беккерелей Ru-106
2) Существует, если, опять таки, чувствительность датчиков не позволяет увидеть эти самые микроколичества Ru-106
3) Здесь нужно что-нибудь очень чувствительное и на слюдяных датчиках. Взять хотя бы радиоскан-701: Он обладает намного большей чувствительностью, чем его современные собратья на сбм-20 (терра, стора-ту). Про советские Припяти, Беллы, РКСБ-104 и пр я вообще молчу. Но однако за это нужно выводить нехилую сумму денег. А если всерьёз обеспокоены этой проблемой, то здесь подойдёт только спектрометр + ещё нужно изготовить свинцовый домик для него. Все это влетит в копеечку, которую можно было потрать на что-нибудь более полезное. Так что думай., дорогой анон: нужно тебе это, или нет
P.s если руки растут из правильного места, то можно самому что нибудь напаять, благо схем готовых самоделок на просторах форума рхбз предостаточно
Аноним 09/01/18 Втр 04:08:44 308962 43
>>308162
лол, ты же как раз дебил, который строит из себя илитку.
Ну тогда иди ГУГЛОМ ВОСПОЛЬЗУЙСЯ./

ibn4: Гы-гы))) Я жы ни дибил гуглам пользовася))))
Аноним 10/01/18 Срд 22:00:45 309164 44
>>308962
Не сердись, няша.
Аноним 11/01/18 Чтв 08:50:00 309233 45
>>305271
Почему написано гейгер, когда детектор полупроводниковый?
Аноним 11/01/18 Чтв 08:56:50 309235 46
>>307719
А разве обязателен предусилитель к фэу?
Вроде как он уже неплохо усиливает, проще тогда на полупроводниковых детекторах пилить, если чувствительные, то можно и без сцинтиллятора, размеры будут в разы меньше.
Аноним 11/01/18 Чтв 09:03:32 309236 47
>>308157
Такой спектр ты не получишь на бпв-34, у америция увидишь максимум 3 линии: 13,9, 26,35, 59,54, а скорее всего только первую и последнюю с отн. интенсивностями ~36%. Эффективность регистрации ИИ у него слабая. А причина вот в чем, детектор наиболее чувствительный к инфракрасному излучению, рабочий диапазон 400-1100 нм, рентген и тем более гамма туда не входят. Жесткую гамму он вообще не видит. Слабые линии обычно перекрывает комптон, 120 кэВ европия-152 я уже не увидел. Писал статью на эту тему. Задавайте ответы.
Аноним 11/01/18 Чтв 10:17:58 309242 48
>>309233
Почему копир называют Ксероксом, ведь это отдельная фирма, выпускающая копировальный аппарат?

Почему Тойота Лендкрузер это ДЖИП, если Джип это отдельная марка?

Потому что нарицательное название. Во вторых, "СМАРТ ГЕЙГЕР" это НАЗВАНИЕ. Марка торговая.
Аноним 11/01/18 Чтв 10:18:43 309243 49
>>309235
>проще тогда на полупроводниковых детекторах пилить, если чувствительные
ПЛОЩАДЬ МАЛЕНЬКАЯ - ЭФФЕКТИВНОСТЬ МЕНЬШЕ ПЕНИСА АЛЛАХА
Аноним 11/01/18 Чтв 15:56:19 309268 50
>>309243
На БАКе стоят, не жалуются. Правда они стоят там пиздец.
Аноним 11/01/18 Чтв 15:58:03 309269 51
>>309242
Тупое нарицательное название, противоречие возникает.
Аноним 12/01/18 Птн 02:02:08 309332 52
Чем радекс 1503 отличается от 1503+, в него нельзя второй счетчик впаять?
Аноним 12/01/18 Птн 05:49:40 309352 53
>>309268
Ну ты сравнил жопу с пальцем
Аноним 14/01/18 Вск 17:09:50 309672 54
>>309236
>Такой спектр ты не получишь на бпв-34
Ну я же как-то получил.
Все полупроводниковые детекторы с более-менее малой энергией на пару чувствительны к видимому свету, так что аргумент про диапазон 400 - 1100 нм сюда не подходит. Механизм взаимодействия ионизирующего излучения и видимого света с полупроводником разный.
По поводу толщины BPW34. Рентгеновский PIN-детектор XR-100CR от того же Amptek имеет толщину 500 мкм и напряжение смещения 180 вольт. Если считать, что напряжение пробоя в материале детектора одинаково для всех, то получается что BPW34 в три раза тоньше. Нормально он всё детектирует. Просто эффективность хуже.

http://freshlab.org/detektor/?lang=eng вот пример с похожим PIN-диодом общего применения.
Аноним 16/01/18 Втр 13:44:43 309866 55
>>309672
А ты не думал, почему число отсчетов в линиях 59,54 и 13,9 не равны? Америций испускает частицы этих энергий с равной частотой, как уже писал, относительная интенсивность их практически одинакова. Суть как раз в эффективности регистрации, она сильно падает. Если у европия 152 я смог увидеть рентгеновские линии 40 и 45 кэВ (которые обе состоят из линий Ka и Kb), то линию 121 кэВ из-за комптона я уже увидеть не смог.
Особых отличии во взаимодействии с кристаллом полупроводника для фотонов разных энергий нет. Просто высокоэнергетические кванты проходят насквозь пин-диод, не взаимодействуя с чувствительной областью.
Аноним 16/01/18 Втр 13:47:03 309867 56
>>309672
И с чего ты взял, что напряжение пробоя одинаково для всех? Возьми BPW20, у него оно 10 В, когда у BPW34 60 В.
Аноним 16/01/18 Втр 23:09:11 309927 57
>>309866
>>309867
Вернёмся к исходному посылу. Какой спектр нельзя получить на BPW34? Нельзя получить тот, который я привёл в своём первом посте? Эффективность полной и частичной регистрации зависит от энергии - это понятно. Это часть функции отклика детектора. Со спектром то что нет так?
А по поводу напряжения - я ошибся, не напряжение, а напряженность В/м. Смысл в том, что у BPW34 толщина вполне приличная, порядка двух сотен мкм.
>смог увидеть рентгеновские линии 40 и 45 кэВ
На чём увидел то?
Аноним 17/01/18 Срд 08:47:53 309950 58
схема 2.png 16Кб, 550x426
550x426
усилитель.png 17Кб, 694x303
694x303
>>309927
У меня линии 13,9 и 17,7 кэВ схема не различает. Плюс еще комптоновский пик возникает с энергией ~ 42 кэВ от линии 59,54 кэВ.
Рентгеновские линии европия я увидел также на BPW34.
Собирал детектор по схеме на пиках, в предусилителе заменил однокаскадные ОУ на двухкаскадные для удобства.
Скинь свою схему.
Аноним 17/01/18 Срд 09:23:23 309951 59
Аноним 17/01/18 Срд 10:10:21 309954 60
Добрые аноны! Накиньте пожалуйста литературы по основам радиотехники. Где вот прям основы-основы, чисто для дурачка-зелёного как я
Аноним 17/01/18 Срд 11:02:54 309957 61
pc2751.png 19Кб, 914x679
914x679
a2756.gif 2Кб, 618x174
618x174
>>309950
Не могу понять, как схема твоего преда работает, ни конденсатора обратной связи, ничего.

У меня схема преда была как в первом моём посте. >>308157

VT1 можно заменить на BF862, так-как 2SK152 сейчас найти уже сложно. VT2 лучше заменить на что-то более высокочастотное, например BFT93. Резисторы R1, R2 в стоке транзистора VT1 можно по вкусу заменить на генератор тока либо последовательно R2 включить дроссель примерно на 100…200 мкГн. Генератор тока, собранный на VT4 тоже можно усовершенствовать, но особых выгод это не даст.

ЗЧУ получился не очень быстрым, при входной ёмкости 20 пФ длительность фронта составила целых 45 нс, так что лучше увеличить ток стока VT1 до 10…12 мА, тогда длительность фронта приблизительно ополовинится, также можно удвоить конденсатор обратной связи C7, быстродействие возрастет существенно, но уменьшится итоговый Ку кэВ/В.

А вот твой усилитель-формирователь точно можно доработать. Во первых, я бы убрал разделяющие конденсаторы C3 и C5, смещение нуля увеличится, зато выбросы противоположной полярности пропадут. C2 надо зашунтировать резистором так, чтобы их RC было равно RC петли обратной связи ЗЧУ. Это тоже устранит выбросы противоположной полярности, но уже другой природы.
Я свой усилитель-формироватьель я содрал у Amptek, только вместо их дорогущих ОУ A275 взял AD829 и LM6171, выкинул C13, C14 и C15 по той же самой причине, они разрывают ОС по постоянке, что приводит к выбросу противоположной полярности и безконтрольному болтанию базовой линии. Прелесть этой схемы в том, что она даёт форму импульса, намного более близкую к "колокольчику", что положительным образом сказывается на энергетическом разрешении. Проблема только с восстановителем базовой линии BLR1, это ещё одна гибридка, которая стоит совсем не радиолюбительских денег.

Аноним 17/01/18 Срд 11:55:01 309961 62
>>309957
я рад что в радаче еще обитают такие как вы.
Аноним 17/01/18 Срд 12:07:04 309962 63
>>309957
> BLR1, это ещё одна гибридка, которая стоит совсем не радиолюбительских денег
CR-210 ни каким боком?
Аноним 17/01/18 Срд 12:34:38 309964 64
uup
Аноним 17/01/18 Срд 12:46:02 309966 65
Котаны, хочу взять Atom Fast 8850
Какие подводные камни? Стоит того? Или дорогое говно?
Аноним 17/01/18 Срд 13:33:37 309972 66
>>309962
CR-210 это оно и есть, только это такая же гибридка за много денег. Дешевле конечно, но всё ровно в простом магазине не купить. У неё принцип действия другой. BLR-1 обрезает сигнал двумя встречно-параллельными диодами, интегрирует полученный сигнал и преобразует его в ток. Этот ток заводится в суммирующий вход первого каскада усилителя-формирователя. А внутри CR-210 дифференцирующая RC-цепь, у которой есть активная схема разряда. То есть она просто отсекает постоянную составляющую сигнала с формирователя, а после прохождения импульса быстро перезаряжается чтобы не допустить длинного хвоста противоположной полярности. В принципе, обе схемы одинаково хороши.
Аноним 17/01/18 Срд 14:07:44 309974 67
>>309966
Или взять Radiation Pager?
Буду как ФБРовец ходить
Аноним 17/01/18 Срд 18:50:22 309991 68
>>309957
Скажи, почему не стал включать фотодиод в обратном режиме? Обычно в нем работают. Для чего нужно 2 генератора тока? Что дает обратная связь? Можно ли обойтись без нее в усилителе-формирователе, ибо я не знаю чем BLR1 заменить?
Аноним 17/01/18 Срд 20:29:36 309999 69
>>309991
Детектор всегда включается в режиме обратного смещения, просто на первой схеме напряжение смещения отрицательное. Это было сделано для того, чтобы получить сигнал положительной полярности на выходе.
Вообще говоря, бывает два типа включения. С емкостной развязкой и непосредственно напрямую. Емкостная развязка даёт возможность заземлить один из выводов детектора, иногда это бывает продиктовано конструктивными особенностями. Попутно такое включение не пускает ток утечки во вход ЗЧУ. Но свой шумовой вклад этот ток всё ровно вносит. На этом преимущества заканчиваются, из минусов – флуктуации базовой линии и добавление диэлектрического шума от развязывающего конденсатора.
Как я понял, прямое включение предпочтительно, нет «лишних» диэлектриков, нет той самой емкостной развязки в тракте, которая приводит к длительным выбросам противоположной полярности.

По поводу генераторов тока: тут я могу очень дёшево соврать.
ЗЧУ – это инвертирующий усилитель напряжения, охваченный емкостной ОС. За счёт эффекта Миллера его входная ёмкость ЗЧУ увеличевается в Ку+1 раз и находится диапазоне 1..5 нФ для приведённой выше схемы. Заряд, образовавшийся в детекторе, делится между самим детектором и ЗЧУ пропорционально ёмкости. Таким образом, при ёмкости детектора в десятки пФ получается, что весь заряд убегает во вход ЗЧУ. Вот эти вот генераторы тока и призваны повысить этот Ку усилителя напряжения. Ну как минимум тот, который находится в цепи коллектора VT2. Я попробовал несколько схем таких генераторов, одно можно точно сказать – на шумовые характеристики они не влияют.

Восстановитель базовой линии в усилителе-формирователе можно не делать, но надо быть готовым к тому, что «ноль» на выходе будет порядка вольта. Всё же усиление в каждом каскаде по постоянке порядка десяти. Ну и на энергетическом разрешении это скажется негативно, но я затрудняюсь насколько. В любом случае, этот усилитель-формирователь на голову лучше чем преведённый тут >>309950
Аноним 18/01/18 Чтв 07:53:09 310036 70
>>309999
Отразится ли как-то на схеме, если я решу включить несколько диодов параллельно в целях увеличения чувствительности? Думаю еще также поставить сцинтиллятор, чтобы регистрировать гамма-кванты с энергией от 1 МэВ.
Аноним 18/01/18 Чтв 10:02:27 310039 71
>>310036
Шумы вырастут, а так - нет. Ну разве что ЗЧУ надо будет немного подкрутить для работы с возросшей входной ёмкостью. Например ёмкость обратной связи довести до 1 пФ.
Для сцинтилляторов лучше всего брать вот это
http://sensl.com/estore/microfc-60035-smt/
Аноним 18/01/18 Чтв 10:13:14 310041 72
6mmSMT.jpg 164Кб, 1024x678
1024x678
картинка отклеилась
Аноним 18/01/18 Чтв 11:05:01 310043 73
>>310039
У тебя в ЗЧУ в обратной связи R13 на 1 гигаом, я правильно понял?
Для чего такое большое напряжение подавать -60 В и такие большие номиналы 3 резисторов по 4,7 МОМ и 3 конденсатора к ним? Можно, например заменить это эквивалентной схемой -12 В, один резистор на 2 МОМ и один конденсатор на 0,1 мкФ?
Аноним 18/01/18 Чтв 13:54:35 310050 74
>>310043
Да, 1 ГОм. Этот резистор - вещь в себе. Там помимо самих тепловых шумов есть ещё какие-то избыточные, уровень которых редко когда задокументирован и они во многом зависят от типа резистора. Можно поставить где-то 100 МОм, но энергетический эквивалент шума вырастет.
Напряжение смещение такое большое для того, чтобы максимально увеличить активный объём детектора. Ещё есть некий компромисс между ёмкостью детектора и током утечки, которые тоже влияют на шумы.
Три RC-цепочки это фильтр для напряжения смещения. Любые пульсации по нему проходят на вход ЗЧУ через ёмкость детектора и портят сигнал. Напряжение смещения должно быть в первую очередь чистым, без каких-либо пульсаций и "иголочек". Абсолютная точность и долговременная стабильность совсем не важны, у PIN-диодов всё ровно нет внутреннего усиления.
Номиналы выбраны относительно произвольно. 4,7 МОм это самый большой резистор у меня в кассе. Можно и 2 МОм поставить и ёмкость можно уменьшить, но лучше, всё же поставить несколько последовательно. Я пробовал оценивать темновой ток BPW34 на полном напряжении смещения, получалось что-то типа 150..200 пА что примерно на порядок лучше заявленных. Так что эти мегаомы не помешают. Но и упарываться не стоит.
Можно и 12 вольт, но лучше больше. На самый худой конец взять несколько батареек "крона" и соединить последовательно.
Аноним 18/01/18 Чтв 16:39:41 310069 75
>>310050
Спасибо большое, обязательно попробую собрать твою схему и отпишусь о результатах.
Ты, кстати, экранировал ЗЧУ фольгой или чем-то еще?
Аноним 18/01/18 Чтв 19:10:33 310076 76
>>310069
Чем спектры то набираешь?
ЗЧУ очень чувствительны к наводкам. Цепь затвора головного транзистора самая чувствительная её надо делать минимальной длинны. Цепь стока тоже может "подсасывать" наводки но уже в меньшей степени. У меня получалось более-менее работать совсем без экранов от генератора для всяких экспериментов. Но спектры так набирать нельзя. Ну то есть да, экранировка и светоизоляция.
Если что, от засветки PIN-диод не дохнет, это не ФЭУ.
Аноним 18/01/18 Чтв 20:07:16 310081 77
spectr Am.png 13Кб, 800x474
800x474
>>310076
Я выход на ацп подавал, тот к компу через юзб подключен. Экранировал сначала фольгой, потом в банку запихнул предусилитель. От генератора я тоже без экранировки подавал на затвор.
Последний спектр, который я получил. Слева еще был пик от наводок, то есть это данные с источником минус данные без источника.
Аноним 19/01/18 Птн 15:01:45 310121 78
>>310081
>выход на ацп подавал, тот к компу через юзб подключен
Ну ты в самом интересном месте остановился. Что за АЦП? С пиковым детектором или постоянного действия?
Спектр действительно не самый красивый. Эксель его ещё и сгладил. Когда формирователь соберёшь, попробуй подать ему на вход с генератора прямоугольный сигнал, но не как в ЗЧУ через тестовую ёмкость, а напрямую. Пик от генератора должен умещаться в два-три канала.
Аноним 20/01/18 Суб 08:17:33 310145 79
Am-241.png 8Кб, 628x444
628x444
Eu-152.png 8Кб, 627x447
627x447
>>310121
Тот не помню, что за ацп. Вот спектры америция и европия-152, набранные на парсековском ацп.
Аноним 20/01/18 Суб 08:38:03 310146 80
15161761746630.png 19Кб, 914x679
914x679
>>310121
Для чего нужны переменные резисторы R10 и R12? Если их как в первом каскаде убрать просто?
Аноним 20/01/18 Суб 13:29:18 310165 81
>>310145
>>310146
Ооо... Парсек, ну тогда это серьёзный прибор. Не то что мои извращения с осциллографом.
R10, R12 служат для плавной подстройки коэффициента усиления. Конечно их можно не паять, как я и сделал.
Аноним 21/01/18 Вск 09:24:24 310260 82
>>305250
Анон, спектрометр от атома я смогу использовать как обычный поисковый дозик? Ну там по рынкам ходить и чтобы он мне пикнул или показал при превышении порога. Что-то напряжно мне 2 разных прибора покупать.
Аноним 21/01/18 Вск 14:41:30 310293 83
>>310260
Покупай лучше AtomFast - спектры же не часто нужно измерять.
Аноним 21/01/18 Вск 14:43:14 310294 84
>>303755 (OP)
>Удивлён, что треда до сих пор здесь нет.
Томущо радиоактивность и радиогубительство сильно разные вещи, мань.

>>303758
А что если получится сбыть с рук древний телевизор?
Аноним 21/01/18 Вск 14:51:59 310295 85
>>309951
>>305250
О, а вот и поперла реклама оверпрайснутого кустарного говна, которые ниишные ваньки на коленках делают.
Аноним 21/01/18 Вск 18:10:46 310330 86
>>310295
> кустарного говна
Знаток альтернатив с такими же датчиками за вменяемую цену?
Аноним 21/01/18 Вск 18:49:04 310343 87
Аноним 21/01/18 Вск 19:24:14 310356 88
Аноним 21/01/18 Вск 20:49:34 310378 89
>>310294
Манька тут ты, лошарик. А конструирование радио губительным способами дозиметров излюбленная тема в нашей стране
Аноним 21/01/18 Вск 20:49:58 310379 90
Аноним 21/01/18 Вск 20:53:11 310380 91
>>310356
Прошивка тоже самому написать? Мож ещё, как ты, отсасывать самому себе научиться, чтоб на все руки мастером быть?
Аноним 21/01/18 Вск 22:48:24 310395 92
image.png 310Кб, 640x360
640x360
>>310378
>дозиметров
Мань, ты покакол под себя пока хвастался бахатым опытом.

Аноним 22/01/18 Пнд 02:32:08 310408 93
>>310395
Кукарекай, лошарик. Пощволяю. Все равно внимания никто не обращает.
Аноним 22/01/18 Пнд 02:35:08 310409 94
>>310395
К слову, где ты хвастание увидел - загадка. Я тебя на место поставил, потыкав тебя в утверждение, которое ты как бездумный котёнок нассал.
Обо мне ни слова там нет, а ты и порвался.
Малохольный...
Аноним 22/01/18 Пнд 03:01:49 310412 95
DIY-MCA-Display.jpg 507Кб, 1600x900
1600x900
Аноним 22/01/18 Пнд 10:36:23 310426 96
image.png 1205Кб, 1250x935
1250x935
>>310412
Но какой смысл мечтать об измерении энергий, когда затруднения вызывает даже базовая концепция из /p/, как у перегревающейся маньки выше, а простейшей поделкой из разрядника, банана и транзистора никто не хочет заниматься?

Надо ждать, когда MAXIM или TI сделают на одном чипе, заказать его в Платане, спалить, заказать еще пару, спалить...
Аноним 22/01/18 Пнд 11:40:03 310433 97
>>310380
Тебе обязательно на сматфон все хуярить? Обычные дозиметры уже не в моде?
Аноним 22/01/18 Пнд 11:51:05 310435 98
image.png 575Кб, 900x374
900x374
>>310433
Ему надо подороже и "для айфона", ибо долбоеб - это судьба.


Over the past few years that detector has evolved from an instrument for a multimillion-dollar experiment to a device that high school and college physics students can construct themselves. The goal of a new program called CosmicWatch is to encourage students to build the detectors, which weigh in at less than 100 g and cost less than $100, and explore the effects of the particles that are constantly raining down on Earth’s surface.
Аноним 22/01/18 Пнд 18:24:44 310456 99
>>310433
Даже без смартфона. Вопрос выше
Аноним 22/01/18 Пнд 18:27:25 310457 100
>>310435
Манька, мы все ещё ждём альтернативу с аналогичными характеристиками (датчика, а не синхронизации со смартфоном, идиота кусок) за адекватную цену.

Или ты такой же дауненок, как в одном из обсуждений, который с ходу начал хаять, а как полный аналог пытался радекс (сука лол) выставить?
Аноним 23/01/18 Втр 00:14:56 310477 101
sam940.jpg 648Кб, 2048x1536
2048x1536
Бамп норм прибором.
Аноним 23/01/18 Втр 00:59:18 310481 102
>>310477
Про этот странно написано. То в базе датчик на CeBr3 то на NaI
Аноним 23/01/18 Втр 01:27:42 310483 103
>>310481
Можно задать идиотский вопрос?
На коленке нельзя вырастить приемлемый по размерам кристалл для домашнего спектрометра. А можно использовать взвесь мелких в объёме какого-нибудь светопропускающего материала, например, силоксана? Или там всё не так просто действует? Нужен длинный пробег для частиц для определения энергии или есть вероятность пьезоэлектричества для кристаллов в такой массе и, помех на фотоумножителе?
Аноним 23/01/18 Втр 02:31:19 310485 104
>>310481
У него детекторы сменные.
>>310483
Я когда-то слышал про крошку из CsI(Tl) кристалликов. Но это какая-то экзотика. Ещё слышал про выпаривание мочи и смешивание её с сульфидом цинка для альфа-радиометрии. Но это ещё более экзотические измерения.
http://www.epic-scintillator.com/NaI-crystal-scintillator
Проще купить. Возьми двухдюймовку. И разрешение будет вменяемое и эффективность. Если ты, конечно, готов к таким тратам.
Аноним 23/01/18 Втр 07:57:57 310502 105
IMG201801231157[...].jpg 18Кб, 319x273
319x273
ITT
Аноним 23/01/18 Втр 15:26:33 310521 106
image.png 1065Кб, 1200x1200
1200x1200
>>310457
>мы
Но ведь ты сидишь в одиночестве у параши, олицетворяя собой росию и руских говножделов, а все остальные уже нагуглили и получили треки.

Аноним 23/01/18 Втр 15:43:44 310525 107
Что означают проценты эффективности кристалла?
Так и не дошло, каким образом детектор разделяет и вычисляет энергию частиц? Скачал справочник Бараночников М. Л. "Приемники и детекторы излучений", изучу.
Вряд ли возьмусь за сборку, но для расширения кругозора поинтересуюсь.
>>310521
Ты себя ведёшь по-хамски, как порашник. Закругляйся, это не /b.
Аноним 24/01/18 Срд 04:26:07 310604 108
>>310521
Слился, маняфантазер. Ожидаемо.
Аноним 24/01/18 Срд 04:32:29 310605 109
сцин.jpg 46Кб, 764x516
764x516
>>310525
Разрешение кристалла это как бы четкость графиков. У кристалла с хуевым разрешиением (выше 10%), два соседних пика сольются в один, и не понять где что. Чем больше разрешение, тем отчетливее будет выделяться один пик рядом с другим.
Аноним 24/01/18 Срд 18:26:42 310664 110
>>310525
>это не /b
Ну вообще-то этот тред уровня /b и я отметил это сразу >>310294. А в такие треды закономерно сбегаются всякие сорта манек и форсеров. В данном идет форс с разводкой >>309951 на покупку кустарной говноподелки НПО СПТУ Радоний, а маньки подпевают форсерам потому что св. Курчатов и мирныйатом неиссякаемого кыштымского фонтана как бы нет, заведомо нерабочий товар от конкурентов тоже стараются не замечать

>Вряд ли возьмусь за сборку
В таких тредах иначе не бывает.


Аноним 24/01/18 Срд 19:58:27 310672 111
184231451472785[...].jpg 128Кб, 1080x612
1080x612
Аноним 25/01/18 Чтв 04:14:21 310713 112
>>310664
>я отметил это сразу
И был поставлен на место >>310378

>А в такие треды закономерно сбегаются всякие сорта манек
Так вот почему ты тут, ясно.

>говноподелки
Я вижу, ты у нас эксперт. Ну что же, будь добр, втопчи по пунктам Atom Fast в грязь. Только постарайся быть объективным. Чем же он плох, чем говно, почему нерабочий?

>заведомо нерабочий товар от конкурентов тоже стараются не замечать
Ну... Посмотрим как ты не заметишь сравнение с рабочим и именитым РАДИАСКАН-701
https://www.youtube.com/watch?v=yfalMytppv8

Также вот тебе сравнение с сумрачным и суровым РАДИАЦИОННЫМ ПЕЙДЖЕРОМ-СЦИНТИЛЯТОРОМ от ШВИТЫХ спецслужб США
https://www.youtube.com/watch?v=u1iwel4LCOQ

Ну и наконец, ты же не посмеешь кукарекнуть, что Eberline ESP-1 говно и заведомо более слабый конкурент?
https://www.youtube.com/watch?v=P-WvjoyNw1s

Если решишь выдать "ВАШИ ТЕСТЫ НЕ ТЕСТЫ!!! НИПРАВИЛЬНА!111 ПОСТАНОВА!!!", потрудись пожалуйста указать что конкретно тебе не понравиолось и как нужно сделать лучше.
Аноним 25/01/18 Чтв 12:42:57 310725 113
>>310713
>>307651
>>305250
>>309951
Ничоси тут продаван свой задний анализатор надрывает. Дайте ему уже заработать на дошик, чего вы такие жадные?
Аноним 25/01/18 Чтв 13:22:22 310730 114
>>310725
Лол, какая бинарная школологикалогика. Если не хает, значит продаван.
Продаван может будет тут через пару дней, когда мне мой фаст наконец прилетит и запилю тут на него обзорчик
Аноним 25/01/18 Чтв 18:31:44 310764 115
Бамп
Аноним 26/01/18 Птн 12:03:05 310814 116
>>303755 (OP)
Ну чё, котаны. Атом Фас у меня. Щас буду тестить и отпишусь
Аноним 26/01/18 Птн 16:36:50 310829 117
6IpfmkW9VT4.jpg 64Кб, 720x404
720x404
JS3HsULfdc.jpg 79Кб, 720x404
720x404
8kPzi1ENCd0.jpg 49Кб, 720x404
720x404
Ну хули, начнем!

Купил я, значит, поисковый сцинтиляционный приборчик Atom Fast.
Нахуя он мне? ДА просто я радиофил, люблю дозиметры, тему апокалипсиса и все такое, а по работе связист-оптовололоконщик я заносит меня в очень разные места, от крыш высоток, до подвалов режимных оборонных заводов.
Ну и нужен мне прибор, который бы быстро и шустро реагирует на всякие радиоактивные артефакты, типа дымоизвещателей с плутонием и типа того.
Сначала хотел купить Radiation Pager, но ахуел с цены в 1900 долларов и того, что он не продается гражданским, только государственным службам типа полиции или МЧС.

И тут наткнулся на эту няшу. Мелки, легкий, долго работает, коннектится с телефоном, рисует карты, встроенный акселлерометр для управления жестами. В общем все как надо.
Конечно не без косяка - когда писали прошивку, забыли добавить режим ТОЛЬКО ВИБРАЦИЯ, ну да ладно, и так неплохо.
Внутри у него твердотельный ФЭУ и кристалл йодида натрия, активированного таллием, размером 8х8х50мм.
Цена правда кусается. 16500 блять. Самому, конечно, собрать дешевле было бы, но кто напишет этой хуйне прошивку, если сам не шаришь в этом?

Включил - трещит как сорока, ловит 800-900 импульсов фона. В шкафу, сунув наугад куда то туда, нашел разобранную радиолампу с вскрытым мной металлическим корпусом (раньше думал что только стеклянные есть), от которой херачит "лишних" 400 импульсов к фону (примерно 4 мкР/ч докидывает).
Ампулу с тритием, которую отлично видит самодельный дозиметр от RH Elektronics на слюдяном СБТ-11а и видит от нее овер 250 распадов в минуту при фоновых 24, атом фаст не видит.
Ну это и не мудрено, он так то на гамму рассчитан и на жесткую бету. Хотя немного обидно, но думаю в режиме измерения и ее почует, только нужно будет сравнивать показания с фоном без ампулы.

В комплекте идет клевый чехольчик, мелочь, а приятно.

Фоточки прилагаю да-да, клава грязная, идите нахуй
Как то так.

Аноним 27/01/18 Суб 14:02:58 310905 118
>>310829
Энергию частиц определяет?
Аноним 27/01/18 Суб 14:23:46 310908 119
>>310905
Это поисковик.
Определяет приборчик чуть подороже - Atom Spectra.

Выше по треду всплывал - >>305250 >>307651

Аноним 27/01/18 Суб 16:21:00 310922 120
CloseToSource.jpg 31Кб, 383x297
383x297
>>310829
>Atom Fast
Ахуеть бля, 12,5к. Я пикрелейтед взял за 5к года три назад, размером с пачку сигарет и с потенциалом к уменьшению габаритов, пушто в корпусе места просто дохуя. И с коннектом к мобиле новая версия за 7 существует, с вибро и звуком. А альфа и мягкая бета нахуй не нужна.
Аноним 27/01/18 Суб 16:30:43 310925 121
>>310922
А теперь погугли разницу. Твоя поделка фон до приемлимых показаний измеряет минут 10.
Предметы в упор видит
А фаст за 10 секунд и за 10 метров
Аноним 27/01/18 Суб 16:44:20 310928 122
>>310925
>Твоя поделка фон до приемлимых показаний измеряет минут 10.
>Предметы в упор видит
Как будто это охуеть как важно, даже в подвалах оборонных заводов. Затрещало/завибрировало - делай ноги и без защиты хотя бы дыхательных путей обратно не лезь. А не стой как долбаеб и не дрочи на скорость измерения показаний с 10 метров. Единственно что тебя оправдывает - ты типа там дозики любишь, коллекционируешь наверное еще как любой коллекционер собирая тонны бесполезной хуйни. Что же до темы пост-апокалипсиса - сверх-чувствительность вредна в условиях постяда, и еще более вредна многокомпонентность и сложность устройства. И мало того что само по себе элемент питания выжирает, так еще и мобилу включать чтобы показания снять - а вдруг фон позволяет не тикать сверкая пятками, а покурить и оценить обстановку. Получается, одно без другого либо не работает вообще, либо в лучшем случае в половину функционала. Бабке отдай, пусть на базаре яблоки и тритиевые брелки измеряет, ей оно полезней будет.
Аноним 27/01/18 Суб 17:44:33 310932 123
Screenshot2018-[...].png 100Кб, 720x1280
720x1280
>>310928
Мож ты ещё в банку две наэлектризованные полоски фольги положишь и будешь говорить что разницы нет с какого расстояния и как быстро среагирует?

Вот тебе пикрелейт - сегодня у стоматолога делали снимок, зацени уровень пика. Твоя трещалка газоразрядная даже дернуться бы не успела за секунду экспозиции.

Насчёт чувствительности и апокалипсиса это ты мимо. Ясен хуй прибор подахуеет и он будет просто максималку показывать, ибо сцинтилятор, да ещё и ПОИСКОВЫЙ в то время как газоразрядное говно уходит в зашкал и ЗАНИЖАЕТ, чтобы ты равномернее прожарился, прчему это прибор вроде начал трещать, а потом перестал. Ну это кроме того что случись такое, мне явно будет не до этого всего, живым бы остаться.

Ну и прибор нужен не столько чтобы ноги уносить, чай не в чернобыле, а чтобы НЕ ПРОЙТИ МИМО интересного артефакта. Ты со своей коробочкой пройдешь мимо, она даже не пернет. Атом фаст взвоет, едва ты поравняешьчя с чем то интересным. Чтобы понять что есть что в куче хлама, ты своим будешь водить над каждой вещью и задерживаться на 10-20-30 секунд, в зависимости от фона, пока там трубка уловит 20-30 импульсов свыше фона.
Кристалл же ловит косарь импульсов только от фона и про простом проведении рукой над чем то "интересным" уже однозначно пиииИИИИИИИИиииискнет что именно в куче стоит внимания.

Насчёт выжирания батареи - этот приборчик работает ДВА МЕСЯЦА онлайн 24/7 будучи подключенным к смарту и со включенным звуком. И ЧЕТЫРЕ, будучи в режиме самостоятельного мониторинга, пища только при превышении порогов.

И да, оставшись без смартфона, прибор остаётся отличным сигнализатором с тремя предварительно настроенными предельными уровнями (как фоновысм, так и накопленными) + звуковой и вибрационный сигнализатор учуянных частиц + режим озвучивания каждой десятой частицы, чтобы позволить тебе определять где горячее даже в условиях уже повышенного фона.
блять я как продаван звучу, ей б-гу.
Ну а хули, если реально годнота?
Аноним 27/01/18 Суб 18:36:29 310935 124
>>310932
> НЕ ПРОЙТИ МИМО интересного артефакта
Так бы и написал что ты перекрытый, собирающий фонящее говно к себе под кровать. А то апокалипсис у него, в /ew насрано, и вообще куда деваться.
Аноним 27/01/18 Суб 19:38:57 310939 125
Аноним 27/01/18 Суб 21:56:35 310955 126
>>310932
Даже захотелось ненужную вещь приобрести. С совка в доме всякого странного хлама на случай ядерной войны валяется. Где-то ториево-вольфрамовые электроды, метки с подсветкой на старье, газоразрядники, воен-электроника и пр. гадость по углам раскидана. А один мудак спиздил проволоку с ядерного производства, говорит, что из циркония, отдал мне.
Аноним 27/01/18 Суб 21:59:54 310956 127
>>310955
В любом месте с кучей обладателей радиационных показометров дай объявление о том что надо померить хлам в хате.
Всё.
Аноним 28/01/18 Вск 00:55:24 310971 128
>>310956
Пришёл унылый Вася с дубовым ДП-5 или с "припятью". С умным видом водит в воздухе комнаты рукой с дозиком, затем с не менее умным видом заявляет " Усе у норме! С вас 1000 рублей! Мож эта... Гараж проверить? Или продукты в холодильнике? 1500!"
Аноним 28/01/18 Вск 01:16:39 310974 129
>>310971
Кто мешает изучить вопрос перед выбором исполнителя? Отношение цены девайса к времени на изучение вопроса? Олигархи на двоще.
Аноним 28/01/18 Вск 03:38:15 310977 130
Am-241 2,5us pe[...].png 17Кб, 1024x791
1024x791
Вести с полей. Увеличенное время формирования и нормально настроенный полюс-ноль сделали своё дело. Разрешение заметно улучшилось. Заодно поменял осциллограф на нормальный многоканальный анализатор. Мечта - увидеть железо-55, в морозилке конечно, и если сильно повезёт, то хотя бы чуть-чуть разрешить 5,9 и 6,5 кэВ.
Аноним 28/01/18 Вск 04:28:25 310979 131
>>310971
>Усе у норме!
Ну и что плохого? По крайней мере определит, что у заказчика дома не Чернобыль, ядерный реактор у соседей сверху не протек, и куски ТВЭЛов по квартире не разбросаны. Хоть что-то.
Аноним 28/01/18 Вск 07:12:03 310981 132
>>310974
Т.е. предложение измерить радиоактивность продуктов и общая безалаберность измерения тебя не смутила?
Аноним 28/01/18 Вск 09:18:31 310985 133
>>310977
Норм. Изменял что-то в схемах? Обратную связь делал в усилителе-формирователе?
Аноним 28/01/18 Вск 15:35:37 311008 134
>>310985
Нет, только время формирования и полюс-ноль. Попробовал измерить энергетический эквивалент шума ЗЧУ с помощью генератора и обломался, подключение генератора явно приводит к появлению наводок. И никакое пляски с бубном и ферритовые кольца их никуда не убирали. Пока 1,6 кэВ, в морозилку лезть рано.
Аноним 29/01/18 Пнд 00:30:54 311061 135
Normal charge c[...].png 62Кб, 1280x800
1280x800
Long charge col[...].png 62Кб, 1280x800
1280x800
Продолжаем вести с полей.
У BPW34 явно есть проблемы со сбором заряда. Большинство событий выглядят как на первой осциллограмме. Фронт сигнала умещается в 100 нс. Но довольно часто попадаются события, с длительностью сбора заряда почти 10 мкс. В этом случае амплитуда "колокольчика" уже не пропорциональная выделившейся энергии, что портит итоговый спектр. Видимо фотон поглощается где-то сбоку на краю детектора, где напряженность поля существенно ниже, это должно лечиться коллимированием. В следующий раз попробую гайку на детектор приклеить.
Аноним 29/01/18 Пнд 04:05:53 311068 136
Аноним 29/01/18 Пнд 20:38:34 311135 137
>>311068
Это же не масс-спектрометр.
Аноним 30/01/18 Втр 05:57:37 311161 138
>>311135
Зато вы тут в anal балуетесь, судя по чатику.
Аноним 30/01/18 Втр 12:55:34 311177 139
>>311161
Научно-исследовательская работа тащемто.
Аноним 04/02/18 Вск 03:24:50 311595 140
Collimation.png 14Кб, 1024x791
1024x791
>>311061
Пробуем подтвердить или опровергнуть гипотезу.
Коллимируем пучок лучей амириция-241 с помощью специально обученной гайки М3, приклеенной на двухстороннюю липкую ленту к детектору. Она должна более-менее подрезать даже линию 59,54 кэВ.
Оба спектра ввиду невозможности контролировать входную интенсивность и длительность экспозиции нормированы на площадь пика полного поглощения линии 59,54 кэВ.
Особой разницы нет, а на осциллографе всё ровно видны события с медленным собиранием. Отрицательный результат - тоже результат.
Аноним 04/02/18 Вск 13:28:11 311632 141
>>311595
В какой программе спектры строишь?
Аноним 04/02/18 Вск 13:48:28 311633 142
>>311632
OriginPro. Может не только всякие картинки рисовать, но ещё и данные функциями аппроксимировать. Распределением Гаусса например.
Аноним 04/02/18 Вск 22:31:59 311680 143
15176857041880.webm 8680Кб, 480x360, 00:01:16
480x360
Радачи как нуб спрашаю. поясните за вебм.
Аноним 04/02/18 Вск 22:43:41 311682 144
>>311680
Любую вакуумную лампу можно заставить излучать рентгеновские лучи если включить её с разностью потенциалов анод-катод порядка нескольких десятков киловольт.
Аноним 04/02/18 Вск 23:21:07 311686 145
>>311682
т.е. ламповый телевизор который я смотрел в детстве просто так не излучает радиацию? теперь я спокоен. Спасибо ФАнтон.
Аноним 04/02/18 Вск 23:29:19 311687 146
>>311686
Скорее наоборот. Кинескоп - порядка 30 кВ анод-катод. Правда там стекло довольно толстое, значительную часть излучения оно должно было поглотить.
Ещё есть момент - это напряжение говорит лишь об максимальной энергии рентгеновского фотона, но не об их количестве.
Я пару лет назад полупроводниковый рентгеновский спектрометр поставил вплотную к монитору с ЭЛТ, сделал белый фон и выкрутил на максимум яркость. Ни единого отсчёта.
Аноним 04/02/18 Вск 23:31:24 311688 147
>>311682
другой вопрос созрел у моего друга. Можно ли таким образом облучить соседей, за то что они ставят диск Михаила Круга на ВСЮ громкость на своих С90 который год подряд.
Аноним 04/02/18 Вск 23:40:13 311689 148
здесь все смотрели фильм "Как я провёл этим летом"?
Аноним 05/02/18 Пнд 07:22:21 311697 149
Аноним 05/02/18 Пнд 07:35:45 311698 150
>>311688
Скорее себя облучишь, бетон лучи не пройдут, а наведенная активность в твоей квартире появится.
Аноним 05/02/18 Пнд 13:27:27 311712 151
>>311688
От рентгена нет наведёнки, убивай своих соседей смело. Всё остальное >>311698 правильно сказал.
Аноним 10/02/18 Суб 16:46:13 312242 152
Бампуэ
Аноним 11/02/18 Вск 03:46:14 312302 153
BPW34 Fe-55.png 23Кб, 1024x791
1024x791
Вместо бампа. Изотоп железо-55. Линии 5,9 и 6,5 кэВ слиплись вместе.Тот же BPW34. Калибровка шкалы сделана по америцию.
Аноним 11/02/18 Вск 07:37:50 312307 154
>>312302
У тебя шумы большие в схеме? У меня только при включении питания усилителя наводка порядка 100 мВ возникает. Как с ними бороться?
Аноним 11/02/18 Вск 16:18:40 312342 155
>>312307
Ну да. Примерно 1,5 кэВ энергетический эквивалент шума. Вот линии и "слиплись". Пиптик слева - это шумовые импульсы тракта.
>>> наводка порядка 100 мВ возникает
Это именно наводка? Тогда экранироваться и заземляться, пробовать, искать. Какого-то универсального рецепта я не знаю.
Аноним 16/02/18 Птн 11:19:16 312734 156
Господа радиофилы, хочу собрать гамма спектрометр без расточительства, ФЭУ-31А подойдёт для DIY гамма спектрометра?
Аноним 17/02/18 Суб 08:49:19 312832 157
>>312734
Попробуй, сцинтиллятор то есть?
Аноним 17/02/18 Суб 11:16:32 312839 158
>>312832
К сожалению нету, ибо за NaTi 80$ хочет товарищ с Украины, а пластиковый предлагают за 30$. Не могу решить, на какой из стульев сесть. Кроме этого, похоже что ФЭУ сильно б/у (с одной из сторон стекло закоптило), поэтому это авантюра чистой воды. Прошу прощения за сумбур.
Аноним 17/02/18 Суб 13:53:37 312860 159
>>312839
По световыходу смотри совместимость сцинтиллитора с фотокатодом фэу (длина волны пиковой чувствительности), а также по конверсионной эффективности.
Аноним 17/02/18 Суб 14:08:28 312862 160
Аноним 18/02/18 Вск 17:37:53 312980 161
>>312839
>Прошу прощения за сумбур.
Ты понимаешь где находишься?
Аноним 19/02/18 Пнд 14:43:27 313089 162
>>312980
В месте, где тебя обоссут с головы до ног, за то что не поставил точку в конце предложения?
Аноним 21/02/18 Срд 10:10:55 313295 163
https://misrv.com/ultra-micron-module-as/
Пока вы тут дрочите, другие уже трахаются.
Странно что проделав такой большой труд чувак так и не догадался о наличии дифференциальной нелинейности шкалы АЦП.
Аноним 21/02/18 Срд 15:48:26 313304 164
>>313295
В статье написано, что фэу 31а не подойдет, да только в моем бульбостане 31 не найти.
Аноним 21/02/18 Срд 17:15:16 313309 165
>>313295
Чем лучше Атом Спектра?
Аноним 21/02/18 Срд 19:23:30 313329 166
>>313295
Ну будет у тебя разрешение на линии 662 кэВ не 8%, а скажем 15%. Главное - чтобы фотоумножал. На ФЭУ-31 история не заканчивается. Нужны ФЭУ с 7 - 11 динодами, "выскокое" порядка 1...1,25 кВ. Если высокое выше и динодов больше, то этот ФЭУ уже не для сцинтилляторов. Как правило, в паспорте на ФЭУ пишут для чего он. На вскидку, из маленьких - ФЭУ-85. На хуйдой конец подойдёт любой, какой есть, главное, чтобы его спектральная чувствтительность совадала со сцнитиллятором. NaI(Tl) - синий, CsI(Tl) - зелёный. Пластики почти все синии или фиалетовые если без шифтерной присадки. Остальные сцинтилляторы на дороге не валяются.

>>313309
Я с Атом Спектром не знаком, а тут полуоткрытый проект. Правда он без пикового детектора, видимо контроллер всё же успевает оцифровать макушку сигнала.
Аноним 13/03/18 Втр 19:25:03 315480 167
Bump
Аноним 14/03/18 Срд 23:51:48 315702 168
1200 pF 5,6 kOhm.png 65Кб, 1280x800
1280x800
CR-RC4.png 18Кб, 1024x791
1024x791
Собрал на коленке МКА со стробированным интегратором. Фильтр пятого порядка с комплексно сопряженными полюсами поменял на фильтр того же порядка но с действительными. Колокольчик стал сильно менее симметричным, зато теперь его можно легко пересчитывать под нужное время формирования. Померил постоянную спада сигнала ЗЧУ и под неё пересчитал полюс-ноль.
Результат налицо. Теперь события с длительным собиранием заряда не засоряют низкоэнергетическую область спектра. Сравните с >>310977
Аноним 23/03/18 Птн 01:10:32 316930 169
А где СБТ11А достать бы?
Аноним 23/03/18 Птн 08:33:47 316937 170
>>316930
Авито. Искал в инет магазинах - 2000 рублей, ахуеть.
Тут смотрю, на авито мужик распродает старые запасы студенческих годов, когда радиогубительством занимался.
500 рублей - другое дело!
Оплатил вперёд (хоть и ссал что кинет), приходит бандеролька, а там их ДВА.
Я в непонятках, как так, а он и говорит, что один фиг последний оставался, ну он мне его в подарок закинул.
Аноним 31/03/18 Суб 10:38:56 318183 171
1.png 18Кб, 1070x737
1070x737
>>315702
Анон, а ты не мог бы выложить схему? Знаний не хватает впаять что-то серьёзнее CR-RC формирователя. На ЗЧУ без полевика на входе и малом обратном напряжении выжал чувствительность в районе 60 кЭв. Сейчас хочу собрать с полевиком на входе и 30 В смещения.
Аноним 31/03/18 Суб 18:23:01 318257 172
>>318183
Тред читай, он на базе амптековского усилителя делал.
Аноним 02/04/18 Пнд 17:11:46 318604 173
За 1800 попадалась на Авито
Аноним 04/04/18 Срд 14:34:15 318961 174
OpAmpCSA.GIF 2Кб, 425x292
425x292
>>318183
Будет схема, надо сесть и срисовать с тетрадки.
>>> ЗЧУ без полевика на входе
Это как у меня на картинке? Мне в своё время выбор полевика плешь проел, так что я даже не пробовал такие схемы. Потому что никаких сведений об полевике в дифф. каскаде ОУ найти не получается. Ну разве что ток утечки затвора.

>>> малом обратном напряжении
Малое напряжение смещения - тонкий обеднённый слой, малый активный объём. Я в своё время пытался найти оптимум напряжения смещения. Но вроде как оказалось, что максимальное напряжение давало наилучшие результаты.

>>> Чувствительность в районе 60 кэВ.
В смысле 60 кэВ видать на спектре? Ну уже неплохо.
Аноним 04/04/18 Срд 23:55:56 319084 175
>>318961
Буду благодарен за схему.

>Это как у меня на картинке?
Да, как на схеме, но с 100 МОм резистором в обратной связи. В результате сигнал от 60 кэВ чуть-чуть превышает общий шум.
Аноним 08/04/18 Вск 13:54:15 319534 176
seven poles.GIF 13Кб, 1825x369
1825x369
seven poles.png 60Кб, 1280x800
1280x800
Как-то я разочаровался в CR-4RC формирователе. Колокольчик совсем не симметричный по сравнению с гауссовым (симметричным) формирователем. Стробированный интегратор приходится включать на заметно больший промежуток времени. Он начинает интегрировать шумы на спаде сигнала. Заморочился и наконец-то понял основной смысл статьи Direct Synthesis Of The Gaussian Filter For Nuclear Pulse Amplifiers. Кстати, 1976 год, а всевозможные Ge(Li) детекторы и прочие ППД активно использовались где-то с начала шестидесятых.
Поскольку формирователь с комплексно сопряженными полюсами одной временной постоянной не опишешь, авторы предлагают в своих расчётах взять за отправную точку временную постоянную CR-RC фиромирователя, площадь сигнала которого равна площади сигнала искомого колокольчика".
Во-первых, CR-RC формирователь на практике редко когда применяется. Добавление ещё трёх ФНЧ существенным образом улучшает как шумовые характеристики детектора, так и увеличивают пропускную способность.
Во-вторых, непонятно почему равными должны быть именно площади. Ну да ладна.
Ещё можно добавить, что в статье предложен какой-то странный безымянный активный фильтр. Но раз уж и передаточная функция и схема даны, то можно пользоваться.
Получилась довольно громоздкая схема, но зато на два полюса больше и без дросселей как у Amptek.
Продолжение следует.
>>319084
Я, наверно, выразился некорректно. Я свой многоканальный анализатор взял у коллег попользоваться, его полной схемы нет. Есть только управляющие сигналы. Так что тут делиться особо нечем. Плюс там ещё ПО для персоналки раз в десять сложнее самого МКА по трудоёмкости. CR-4RC и стробированный интегратор дорисую как руки дойдут.
Аноним 12/04/18 Чтв 18:46:17 319996 177
Бампуэ
Аноним 13/04/18 Птн 02:22:04 320020 178
PUGschematics.JPG 1209Кб, 3308x2374
3308x2374
PUGraspolojenie.JPG 761Кб, 3125x2169
3125x2169
Ну раз бампают...
Принципиальная схема усилителя-формирователя Canberra 2021. Есть на что посмотреть, есть что почитать.
http://physics.scu.edu.cn/he/uploadfile/5.pdf
Слепо копировать конечно глупо, элементная база шагнула далеко вперёд, но всё ровно есть что почерпнуть. Хотя бы тот же восстановитель нулевой линии достроен творческого переосмысления.

И вот ещё ПУГ. Какой-то добрый человек отсканировал фрагмент паспорта на ЗЧУ для рижских Ge(Li) детекторов семейстива ДГДК. Вершина совейского детекторостроения.
Аноним 02/09/18 Вск 15:43:27 336335 179
Вот же странный народ. 2к18, быть радигубителем, жить в стране в которой имеют манечку максимально умалчивать о различных авариях. Не иметь дозиметра, рассказывать что нинужен....

Да собери чет, хоть на ардуине, подцепи к компу, и забудь. Если очередной пяный вася надумает в квартале от тебя переплавить странную фигню то у тебя будет аларм, смотаешся из городка на недельку-две пока цезиевый пепел дождями не посмывает. Не нажрешся говна которое через пяток лет отблагодарит тебя опухлями. Да от всего не спрячешся, но и ничего не требующая по ресурсам фигня которая предупредит о творимом безобразии ну никак не помешает.
Аноним 03/09/18 Пнд 20:32:02 336475 180
>>320020
>элементная база шагнула далеко вперёд
всё те же транзисторы на основе песка, что там у тебя куда шагнуло?
Аноним 04/09/18 Втр 06:43:32 336487 181
>>336475
Транзисторы есть SiGe, GaN, GaAs, SiC.
Аноним 04/09/18 Втр 19:14:08 336535 182
>>336487
>GaN, GaAs
Сейчас бы писать про передовые разработки, которые для коммерческого применения заебешься покупать, в контексте всратой схемы для низкочастотного показометра, для которой копеечные кремниевые и так избыточны.
Аноним 10/09/18 Пнд 14:10:08 337004 183
Есть всратая земля.

Лежащий на ней сбт10 регистрирует: 497,84 cpm (срабатываний за 1 минуту).
Если проложить между землей и счетчиком Лист А4 бумаги: 463,15 cpm, Если же саперную лопатку 2мм железа: 115.22cpm.

Выдержка измерений 20+минут, повторял измерение трижды, результаты различаются очень мало.
Счетчик всегда строго ложил на одно и то же место.
Расстояние от поверхности земли до слюды - 6мм (корпус вокруг счетчика).

Вопрос, фиксирует ли сбт10 альфу? Вроде пишут что там толстая слюда и для альфы надо СБТ11А
Или какой то процент беты гасится в А4 листе?
Почему всегда уменьшается показание с А4 листом?
Аноним 10/09/18 Пнд 16:02:43 337009 184
>>337004
Может что-то высокоэнергетическое и ловит.
Аноним 10/09/18 Пнд 16:24:57 337010 185
>>337009
А может часть беты бумагой срезатся?

Блин, надо было больше бумаги и мерить подкладывая по 1 листу n-раз. Если б каждый раз уменьшалось значит бету режет тоже понемногу...
Аноним 22/01/19 Втр 05:11:50 353773 186
бамп
Аноним 07/03/19 Чтв 00:58:08 359139 187
Мимохимик:

www.diyphysics.com/2012/02/20/simple-d-i-y-bias-t-for-scintillation-probes-with-single-connector/ Simple d.i.y. Bias-T for Scintillation Probes with Single Connector

http://www.diyphysics.com/2013/01/12/a-low-cost-super-sensitive-paint-can-scintillation-probe-for-the-prutchi-cdv700-pro/ A Low-Cost, Super-Sensitive Paint Can Scintillation Probe for the Prutchi CDV700-Pro

https://rhelectronics.net/store/ MyGeiger ver.3 PRO DIY Radiometer

http://physicsopenlab.org/2016/02/24/diy-xrf-spectrometry/ DIY X-Ray Fluorescence Spectrometry

http://physicsopenlab.org/2016/04/19/gamma-ray-well-detector/ Gamma Ray Well Detector

http://physicsopenlab.org/2016/01/26/diy-gamma-spectrometry/ DIY Gamma Spectrometry

http://physicsopenlab.org/2016/04/21/pmt-pulse-processing/ PMT Pulse Processing

https://sites.google.com/site/geigerbot/docs/gamma-spectroscopy Geiger Bot Gamma Spectroscopy

https://www.theremino.com/en/blog/gamma-spectrometry The Theremino MCA

http://www.ce3tdk.org/Gamma_Spectroscopy.html Theremino PMT

https://hackaday.io/project/25393-25-x-25-naitl-gamma-spectroscopy-probe 2,5" x 2,5" NaI(Tl) gamma spectroscopy probe

https://www.instructables.com/id/Multi-Channel-Analyzer-for-Gamma-Spectroscopy-With/ Multi Channel Analyzer for Gamma Spectroscopy With Arduino & Theremino

https://radiokot.ru/circuit/analog/measure/24/ Домашнее консерви...Тьфу, домашняя гамма-спектроскопия или просто о сложном.

https://radiokot.ru/konkursCatDay2017/14/ Поисковый зонд для обнаружения гамма-активных изотопов

https://radiokot.ru/konkursCatDay2014/57/ Спектрометрический сцинтилляционный детектор

http://forum.rhbz.org/topic.php?forum=80&topic=39 Домашняя спектрометрия по-панковски, кросспост

http://cxem.net/dozimetr/3-13.php Ультра-Микрон Модуль-А2

https://web.archive.org/web/20180318013922/http://www.gammaspectacular.com:80/marek/pra/index.html PRA is free software
Аноним 07/03/19 Чтв 01:04:33 359142 188
IMG2017-08-1111[...].jpg 639Кб, 2844x2368
2844x2368
IMG2017-08-0812[...].jpg 786Кб, 3120x2432
3120x2432
IMG2017-08-1015[...].jpg 481Кб, 3048x2384
3048x2384
Заебала эта макаба, три раза сжал и кропнул. Ссал в рот абу.
Аноним 07/03/19 Чтв 01:08:16 359143 189
CapHold 820pF1.png 71Кб, 1280x800
1280x800
8 us RTD.png 30Кб, 1280x989
1280x989
Насилуем BPW34 дальше.
Отказался от стробораванного интегратора и вернулся к пиковому детектору. Собрал его по схеме из даташита на AD8033/AD8034. Кривовато, но работает. Собрал режектор медленных сигналов по схеме из статьи Compact circuit for pulse rise-time discrimination. Медленные сигналы всё ровно были с потерей амплитуды, хоть интегрируй их, хоть нет. Это же не ОЧГ. 1,39 кэВ ПШПВ на линии 59,54 кэВ. Продолжение следует.
Аноним 07/03/19 Чтв 01:22:59 359145 190
>>359142
Что за хрючево в маринельке? Лучше всего туда табака накрошить или калийных удобрений. Будет что померить.
Аноним 07/03/19 Чтв 01:40:14 359146 191
Аноним 16/03/19 Суб 10:17:05 359798 192
>>359143
Пиши статью, опубликуйся где-нибудь, материала у тебя уже более чем достаточно, будет интересно почитать подробно про формирователи.
Аноним 20/03/19 Срд 23:38:51 360076 193
БУИ-3К.jpg 3849Кб, 3500x2456
3500x2456
Ну вот к примеру принципиальная схема усилителя-формирователя БУИ-3К.
Помимо прочего, интерес может представлять восстановитель базовой линии состоящий из двух ОУ, D13 и D14. Оба, судя по всему 544УД2. D13 – усилитель-ограничитель, D14 – интегратор. Полевик VT16 отключает интегратор, устремляя его постоянную времени к бесконечности на время прохождения полезного сигнала. ОУ D15 с дифф. парой на транзисторах VT14, VT15 и выходным буфером включен в инвертирующем режиме работы. Сигнал с интегратора попадает на не инвертирующий вход композитного ОУ, тем самым получается ноль на выходе всего усилителя-формирователя. Смысл работы заключается в том, что помимо постоянного смещение нуля, неизбежно присутствующего из-за накапливающихся на каждом каскаде усиления ошибок, восстановитель базовой линии будет обрабатывать ещё и медленные изменения, обусловленные неточным «полюс-нулём», паразитной биполярностью «колокольчика» спектрометрического сигнала и микрофонным эффектом.
Тут есть тонкий момент с выбором тау интегратора, но это уже не ко мне.
И ещё, при творческой переработке этой схемы нельзя забывать, что отключение интегратора, происходящее по превышению некоего порога, должно иметь механизм возврата во включенное состояние в случае, если время отключения сильно превысит длительность спектрометрического сигнала. В противном случае, восстановитель базовой линии может оказаться в постоянно отключенном состоянии приняв за полезный сигнал изначальное смещение базовой линии.
Если что не понятно, спрашивайте. Статьи тут писать не о чем. Всё уже придумано до нас.
Аноним 21/03/19 Чтв 10:58:49 360100 194
>>360076
Ты умнее посетителей всей этой борды, вместе взятых. Я хуею, как ты вообще что-то понимаешь в таких адовых схемах для спец. девайсов. А твои опыты вообще за гранью понимания всех людей, кроме пары сотен на всей планете.
Аноним 22/03/19 Птн 09:29:51 360203 195
ЗЧУ.png 5Кб, 478x510
478x510
a2503.gif 5Кб, 520x356
520x356
>>360076
Нужна твоя помощь. Собрал схему ЗЧУ на усилителе с общим истоком с обратной связью.
По книжке Хоровица коэффициент усиления по напряжению усилителя с общим истоком определяется крутизной (которая для транзистора 2sk1524 равна 25000 мА/В) и резистором в цепи стока:
Ku = -gmRd = -25100 = -2500 (инвертированный сигнал).
Читал, что если коэффициент усиления достаточно большой, то выходной сигнал ЗЧУ фактически определяется зарядом, поступающим с детектора и емкостью обратной связи:
Uout = Q/C.
Строил на основе схемы предусилителя Amptek на микросхеме A250, но оставил только один полевик.
В общем такая схема ничего не видит с диода (транзистор и диод исправны), с генератора схема инвертирует входной сигнал и усиливает примерно в 2-2,5 раза (подавал на затвор сначала 500 мВ, потом после делителя примерно 45 мВ). Увеличил стоковый резистор до 1 кОм схема начала вообще уменьшать сигнал.
В чем может быть проблема? Может стоит поставить резистор в цепь истока, чтобы его потенциал был положительным относительно земли?
Аноним 22/03/19 Птн 14:39:44 360231 196
>>360203
Как подавал тестовый сигнал? Через тестовый конденсатор или напрямую? Второе – может полевик убить. Если через тестовый конденсатор, то у тебя на выходе в случае исправности ЗЧУ должна быть ступенька с амплитудой в Cтест/Cос большей чем тестовый сигнал и противоположная по полярности. Поскольку меньше 0,47 пФ конденсаторы трудно найти, то для тестового конденсатора можно соединить два-три последовательно. При должной сноровке это не трудно. Тестовый конденсатор целесообразно делать меньше чем конденсатор обратной связи из-за того, что далеко не все генераторы способны выдавать прямоугольные сигналы с миливольтновыми размахами. А именно такие сигналы и будут получаться с кремниевым детектором и фотонами в десятки кэВ.

Про дегенерацию в цепи истока – идея хорошая. Но мне подобного рода упрощения кажутся не рациональными. Лучше добавить три лишних транзистора, зато схема станет повторяемой и рабочая точка головного транзистора будет чётко определена. Собирается за полчаса на куске текстолита как Джим Вилльямс в своей Appnote 47 завещал.

>>> Строил на основе схемы предусилителя Amptek на микросхеме A250, но оставил только один полевик.
Я правильно понял, что схема на основе A250 собрана без A250? Если я ничего не забыл, то в вывод 14 микросхемы A250 втекает ток порядка 500 мкА. Это тот же перегнутый каскод, что и по схеме выше только в красивом корпусе.
Аноним 22/03/19 Птн 15:22:41 360247 197
AD829.GIF 5Кб, 579x581
579x581
Если хочется воспользоваться достижениями современной электроники (этим ИС лет тридцать примерно) то можно попробовать ещё одну схему.
Рабочая точка головного транзистора VT1 задаётся напряжением на инвертирующем входе ОУ D1, номиналом резистора R1 и положительным напряжением питания. Иногда резистор R1 в стоке головного транзистора заменяют генератором тока, включают последовательно с резистором дроссель номиналом в несколько миллигенри. Каждый извращается кто во что горазд, но каких-то внятных объяснений я не находил.
Такая схема работает ещё лучше чем перегнутый каскод >>308157
, но мне ОУ AD829 был дорог для усилителя-формирователя.
Аноним 22/03/19 Птн 22:07:20 360298 198
>>360231
>>360247
Попробую через емкость подать, посмотрю что получится.
Хотел еще спросить по поводу формирователя >>309957
Почему постоянные времени формирования у каскадов разные?
Аноним 22/03/19 Птн 22:12:24 360299 199
>>309954
Основы-основы это физика школьный курс, закон ома, колебательный контур, потом можно почитать Гусев - Электроника, Хоровиц - Искусство схемотехники, Джонс - Электроника - практический курс.
Аноним 28/03/19 Чтв 03:48:59 360780 200
>>360298
К вопросу о тестовом сигнале.
ЗЧУ это инвертирующий усилитель напряжения с большим Ку, охваченный ёмкостной обратной связью. За счёт эффекта Миллера его входная ёмкость становится в Ку раз больше. Чем больше соотношение входной ёмкости ЗЧУ к ёмкости детектора, тем ЗЧУ более быстродействующий и лучше повторяет интеграл от токового сигнала в детекторе.
Напряжение на входе ЗЧУ находится в пределах примерно -0,6…-0,4 вольта и определяется свойствами головного транзистора. При выделении заряда в детекторе оно почти не меняется, это хорошо видно при компьютерном симулировании.

Иными словами - подключение источника напряжение (генератора) к входу ЗЧУ приводит к выходу головного транзистора из режима. То же самое и со щупом осциллографа, ЗЧУ попытается скомпенсировать ток текущий в щуп изменением выходного напряжения на своём выходе и скорее всего упрётся в шину питания.

>>> Почему постоянные времени формирования у каскадов разные?
Номиналы компонентов в первом и втором ФНЧ у формирователя от Amptek разные потому что это квазигауссов фильтр с компелксносопряженными полюсами. Все пять полюсов образуют дугу, своими ветвями направленную в сторону комплексной оси. В случае CR-nRC усилителя-формирователя все n+1 полюса лежат на действительной оси. Усилители-формирователи с комплексно сопряженными полюсами дают намного более симметричный «колокольчик» при том же порядке фильтра. Они лучше аппроксимируют функцию Гаусса.
Почему более симметричный колокольчик даёт лучшее разрешение я сам себе с трудом могу объяснить. Так что не стану тут пересказывать литературу.
Аноним 02/04/19 Втр 23:57:05 361388 201
20110803001.jpg 1307Кб, 2576x1936
2576x1936
>>359143
Ничего хорошего у тебя не получится, я в 2012 году полгода прикручивал к радексу массив из BPW34, помехи всё портили. Пруфов сразу не нашёл, но поищу, если захочешь. Лови просто красивую фотку. На деанон похуй.
Аноним 03/04/19 Срд 22:45:17 361487 202
>>361388
Видимо ты имеешь ввиду, что голый pin-диод нельзя использовать в качестве чувствительного элемента дозиметра. Тут я согласен. Все антропогенные изотопы кроме америция-241 он видит едва-едва, и активный объём крайне мал. Параллелить диоды и делать из них массив – тоже спорная идея, ток утечки и ёмкость растут и сигналы от америция утонут в шуме.
Теоретически можно попробовать прилепить к BPW-34 маленький кристаллик сцинтиллятора CsI(Tl), он слабо гигросокпичен, совпадает по спектру излучения, дёшев. Но тут опять проблема, BPW-34 маленький. Их нужно параллелить, но не сразу, а суммировать уже отфильтрованные сигналы, тогда условные 662 кэВ будет видно.
Лет десять назад считалось, что pin-диоды большой площади, например S3590 от Hamamatsu, смогут в какой-то мере заменить вакуумные ФЭУ. Потом появились фотодиоды с лавинным усилением, надежды в какой-то мере стали возлагать на них. А потом появились многопиксельные лавинные диоды работающие в режиме гейгеровского опробоя, в народе названные SiPM. Этот класс фотоприёмников сделал бесперспективным использование pin-диодов. В связке со сцинтиллятором CsI(Tl) получается дёшево и сердито. Видит и америций и кобальт, «высокое» низкое, 25…30 вольт. Внутреннее усиление - хоть сразу на компаратор заводи, никаких ЗЧУ.
>>> Пруфов сразу не нашёл
Это лишнее, давай лучше технические подробности. Какой пред, какой усилитель-формирователь? Для чего это вообще делалось – опять бытовой дозиметр?
Аноним 04/04/19 Чтв 05:56:20 361502 203
20110809001.jpg 959Кб, 2576x1936
2576x1936
>>361487
>Параллелить диоды и делать из них массив – тоже спорная идея
Параллелил их и после предусилителя.
>Это лишнее, давай лучше технические подробности.
Делал разные вариации схемы от Maxim. ЕМНИП, на плате было 4 или 8 диодов, остальную площадь платы занимали усилители. Пробовали делать и многоканальный вход на MCU.
>опять бытовой дозиметр?
Да.
Аноним 04/04/19 Чтв 06:11:56 361503 204
post-59-1348386[...].jpg 2712Кб, 3872x2592
3872x2592
post-59-1348413[...].jpg 797Кб, 2599x1512
2599x1512
post-59-1348387[...].jpg 173Кб, 992x768
992x768
Аноним 04/04/19 Чтв 06:33:45 361505 205
>>361388
Почему в утиле? Счетчики живые? За сколько отдашь несколько плат?
>>361502
Новые счетчики почём?
Город?
Аноним 04/04/19 Чтв 09:10:49 361511 206
>>361505
>Почему в утиле?
Не в утиле.
>За сколько отдашь несколько плат?
Ни за сколько не отдам, так как их у меня нет.
Аноним 04/04/19 Чтв 18:02:01 361537 207
Аноним 06/04/19 Суб 11:38:01 361682 208
>>361487
Я увидел 81 кэВ бария-133 и 122 кэВ кобальта-57 на BPW34.
Аноним 06/04/19 Суб 13:15:39 361687 209
Есть ФЭУ-100, что с ним интересного можно замутить? Я так-то вообще не в теме, что почитать посоветуете для вкатывания в тему, какие есть любительские проекты?
Аноним 07/04/19 Вск 09:48:45 361762 210
>>361687
Если найдешь подходящий кристалл, то можешь замутить сцинтилляционный спектрометр.
Аноним 07/04/19 Вск 20:55:06 361801 211
>>361682
Картинки, спектры есть?
События с медленным собиранием заряда видны?
Аноним 08/04/19 Пнд 11:26:19 361855 212
Так посоны, поясните где взять самый дешевый бытовой дозиметр и какой? Я мимокрок, луркал по али ебеям - я так понял цена ниже 3к рублей просто нереальная за девайс. Или я ошибаюсь и есть какие-то нище-варианты ?
Аноним 08/04/19 Пнд 21:39:52 361899 213
>>361855
Если самый примитивный сбм-20 стоит 2.5к новый, на что ты надеешься?
Аноним 08/04/19 Пнд 23:12:00 361911 214
>>361899
Ну это я так понимаю только датчик, а вывод надо колхозить. А с хотя бы минимальным "интерфейсом" что есть?
Аноним 09/04/19 Втр 00:18:58 361915 215
for /e
Аноним 09/04/19 Втр 01:33:32 361917 216
Бамп
Аноним 09/04/19 Втр 06:14:53 361921 217
>>361762
Дали наводку на рхбз.орг, зашел в тамошнюю барахолку, глянул цены на кристаллы, охуел, потом снова охуел, и еще раз охуел. Короче, охуел в кубе.
Ну нахуй, наверное продам я этот фэу кому-нить более поехавшему и обеспеченному, пусть господа играются.
Аноним 12/04/19 Птн 17:21:40 362233 218
Co57.png 9Кб, 650x467
650x467
Ba133.png 10Кб, 651x465
651x465
>>361801
Вот, слабые пички правда, но видит. Нужно статистику больше собрать, а то кобальт слабый очень.
Аноним 14/04/19 Вск 21:06:05 362449 219
Co-57.png 135Кб, 1709x1321
1709x1321
Ba-133.png 181Кб, 1705x1321
1705x1321
>>362233
А ты какой программой спектры рисуешь и обрабатываешь? В полулогарифмическом масштабе было бы заметно лучше видно пики с малой активностью.
Я использую OriginPro, можно красивые картинки рисовать, распределение Гаусса натягивать и другие функции. Очень удобно определять ПШПВ пиков.
У тебя горизонтальная шкала по энергии откалибрована или это номера каналов? Потому как знакомых линий совсем не видно. На прикрепленных картинках спектры набраны на Ge(Li) детекторах, у них эффективность регистрации при этих энергиях на порядок выше чем у наших крохотных диодов. Так что картинка такой же никогда не будет. Но для справки можно ознакомиться.
Диод полностью на все 60 вольт включил или меньше? Какой ЗЧУ использовал, какой усилитель-формирователь?
Аноним 15/04/19 Пнд 20:15:40 362503 220
>>362449
Вот мои предыдущие посты:
Тут схемы предусилителя и усилителя формирователя >>309950
Тут спектры старые, набранные на парсеке >>310145

Аноним 15/04/19 Пнд 20:19:34 362504 221
>>362449
Горизонтальная шкала это каналы, у бария большой пик 31 кэВ, маленький 81 кэВ, у кобальта правый пик 122 кэВ.
Аноним 23/04/19 Втр 15:21:48 364544 222
Аноним 26/04/19 Птн 00:48:59 364775 223
https://www.aliexpress.com/i/32898757182.html?spm=2114.12057483.0.0.160116515DzvaB
Вот интересное предложение. Интересно, что будет более чувствительным, эта сборка или обычный счётчик Гейгера? Кристаллик маловат, так что на энергиях цезия-137 и кобальта-60 особой эффективности ждать не приходится. И ёмкость диода колоссальная, больше 500 пФ!

>>364544
Незачто тут благодарить, это многоканальный анализатор для бедных. Ничего кроме сцинтиллятора на малых загрузках ты туда не подключишь. Но лучше чем ничего.
Аноним 14/06/19 Птн 12:03:58 369959 224
-CaWdGu2Z8.jpg 109Кб, 778x701
778x701
Тред не читай, вопросы задавай.
Анончики, хочу купить себе дозиметр, чтобы проверять, например, хавку, которую покупаю. А то начитался охуительных историй про то, как коров пасут на зараженной земле, и чего-то стало ссыкотно.
Вообще в этом не разбираюсь, но уверен, что на али есть что-то недорогое и несложное в обращении.
Подскажешь?
Аноним 14/06/19 Птн 14:25:58 369988 225
>>369959
>чтобы проверять, например, хавку, которую покупаю.
Только гамма-спектрометр
Аноним 14/06/19 Птн 14:26:20 369989 226
>>369959
>но уверен, что на али есть что-то недорогое
>недорогое
Нету
Аноним 25/06/19 Втр 05:25:43 371406 227
Аноним 08/07/19 Пнд 14:37:08 372273 228
soeks0103.png 423Кб, 1024x1024
1024x1024
Анон, что скажешь за такую штуку? Норм им что-то померить толком?
Аноним 21/07/19 Вск 06:18:07 373184 229
1107163[1].jpg 33Кб, 622x466
622x466
>>371406
Двачую этого сталкера. ДП-5 наше все!
Да он дубов, совочен и тяжел. 30 лет лежал под текущей крышей, зольдаты вбивали им в землю колышки, а какой-то долбоеб забыл в нем совковые батарейки... Но стоит его починить и он переживет всех нас.
Но!
Он стоит копейки - 1500р.
Его может починить даже сраный нигер из зимбабве, только увидив обложку его божественного мануала.
Он скажет тебе, что окружающий фон 200р и тебе пора завернуться в простыню, там, где современные поделия просто заткнутся.
Социал-Брутализм это не просто жанр, это стиль жизни. Он выдержит падение с танка, купание в болоте, ядерный взрыв и любые тяжести и лишения.

Я купил две ДПхи. Одну В и одну Б. У разных барыг. И оба прибора пришлось чинить.
В Бхе (за 800р без ящика):
1)Проебана крышка батарейного отсека.
2)Умер СТС-5.
3)Стандартная замена всего бумажного говна на полиэстр.
4)ЭТО в КЗ.

В Вхе (за 1200р с ящиком):
1)Долго тереть шкуркой и выпрямлять контакты батареек.
2)Замена бумажного говна.
3)Отвалилось крепление СИ3Г.
4)Микроамперметр в обрыве.
5)СБМ-20 хитро и подло умер. На 0.1 все ок, как переключаю на 1 - уходит в разряд.
6)Уронил зонд на кафель - разъебал тиратрон.

Все починил. Купил с горяча 10 СТСок (по 300р), 10 СБМок (по 200), два кастрированных пульта от Вх (по 100р дали, я заказывал галетник и будильник) и проебаную штангу.
Подключил к пекарне - считает. Хоть и софтина сырейшая.
Подключил слюдик (СБТ-13) - считает.
Залил платы тремя слоями модного лака. Запилил переходники с АА и купил литиевые батарейки. Срок годности до 2037 года.

Теперь вот думаю как его откалибровать.

Считаю что лучшего прибора, для лежания на балконе в ожидании БП, не найти.
Аноним 21/07/19 Вск 10:25:00 373193 230
>>373184
Ты на Авито брал? А то я нашел одного михалыча продает типо с консервации, и по фоткам вродь не юзанные вообще.
Тащемта дпшка обеспечила мне халявную службу по срочке, ибо дозиметрист антитеррора особо не бегает и не таскает боеприпасы или товарищей, да и в наряды его не поставишь.
Аноним 21/07/19 Вск 19:50:04 373225 231
>>373193
На мешке. Но смысл не меняется - шо там, шо там - одинаковые барыги.
Смотри что бы контролька на месте была. Много нынче мнительных пидарасов развелось, которые их выкусывают.
21/07/19 Вск 20:49:51 373227 232
>>373184
>Микроамперметр в обрыве.
У них болезнь такая.
Аноним 22/07/19 Пнд 10:42:28 373259 233
>>373225
Выкусывают, а как потом мне проверять его работоспособность при покупке? Хотят чтоб я со своим стронцием по барыгам бегал
Аноним 23/07/19 Втр 01:03:22 373299 234
Посоветуйте чего-нибудь неприлично дешевого, но чтобы не гробы типа ДП-5, мерить радон, гранит по бете и гаме и прочие бытовые штучки.
Аноним 23/07/19 Втр 01:25:37 373303 235
>>372273
Говнище. Разбирал такой, там высокое напряжение получается умножителем на треть платы. В одних стоит СБМ-20, в других - СБМ-21. Контроллер - STM8. Сделано на отъебись. Реагирует на электромагнитные помехи. Лучше бери Терру.
Аноним 23/07/19 Втр 02:47:27 373309 236
soex.jpg 211Кб, 1789x710
1789x710
Аноним 23/07/19 Втр 02:56:46 373311 237
>>373299
>неприлично дешевого
Сосна, Белла, Мастер с Авито.
>мерить радон
Это вообще другой класс приборов.
>по бете и гаме
РД1008, но он не из дешёвых.
Аноним 06/08/19 Втр 00:43:22 374476 238
>>373299
>Посоветуйте чего-нибудь неприлично дешевого, но чтобы не гробы типа ДП-5, мерить радон, гранит по бете и гаме и прочие бытовые штучки.
любой рабочий счетчик и простейшую схему его питания. а дальше втыкаеш в телефон и считаеш щелчки через микрофонный вход. софт есть. (если нужно - кину).
если хоть чуть чуть умнее - лепиш схему на микроконтролере, в инете полно.
стоит смотреть на всякие разные дозики что на авитах выныривают (те же дп5в, там сбм20 счетчик как и в 95% бытовых и профи приборах). ту же "беллу" можно найти не по "дозиметр" а про "белла" (перебрав сотню страниц с подгузниками и книжками) но за 100 рублей ибо не знают что продают.
>>373311
>>мерить радон
>Это вообще другой класс приборов.
мерить не мерить, но таки оценить его наличие и зависимость от проветривания помещения можно даже тупым сбм20, электростатическая радоновая ловушка в помощ. ну а сбт10 с выдержкой в 10 минут гарантировано показывает открыто ли окно в комнате.

по бете, смотри слюдяные датчики, стб10, сбт11 итд. годные штуки. иногда попадаются недорого. или какой то радиометр "еколог" может на авито валятся.

еще лучше - посмотри современные бета-1 бета-2 бета-5 итд, ток там модификации есть.

П.С. Чернобыль от нво есть, а паники и паяния радиометров - нет. почему так?
Аноним 06/08/19 Втр 10:03:27 374486 239
>>374476
>но таки оценить его наличие и зависимость от проветривания помещения можно даже тупым сбм20
Сколько недель будет занимать один цикл измерения?
>П.С. Чернобыль от нво есть, а паники и паяния радиометров - нет. почему так?
Все норм посоны ещё в 80-х напаялись и напаниковались. Зумерки только сейчас проснулись.
Аноним 06/08/19 Втр 14:09:52 374500 240
>>374486
>Сколько недель будет занимать один цикл измерения?
Точно не помню но если с "ловушкой" там то ли минут 30 то ли несколько часов держать включенной ловушку, и потом минут 10-20 мерить. Дольше смысла нет ибо продукты распада радона уже рассыпятся. О неделях речи не идет.
Еще вроди можно на активированный уголь прокачкой воздуха осаждать детей радона. И тож мерить.
сбм20 более чем достаточно для таких измерений.

сбт10 просто лежащий на столе, дает процентов на 5-10 разницу при открытом окне в квартире и закрытом (несколько часов не проветренная хата). Выдержка 10 минут. Первый етаж. Такие дела. Результат повторяем. Увы.

Так что точно с цыферками я не скажу, много считать нужно. Но наличие задетектить не проблема. И подумать о проветривании а то и смене места жительства. Ибо нефиг в бомжатне на первом етаже жить (еще и с подвала наверняка тянуть может сквознячком).

П.С. сбт10 отлично различает фальшивое какао от нормального (пересчитал по таблицах (по калию) - сходится).

>Все норм посоны ещё в 80-х напаялись и напаниковались. Зумерки только сейчас проснулись.
Вчера у такого "пацана" нынче уже ставшего дедом купил сбм20 и сбм19, последний был в корпусе от градусника, видно что чел творил...
Увы меня в 80х еще не было...
Но хотя да, те кто сериалы смотрят - не паяют. Да и вообще кто ща паяет?
Аноним 06/08/19 Втр 23:42:52 374523 241
>>374500
>если с "ловушкой"
Тогда конечно, не подумал сразу о таком варианте.
>сбт10
Это серьёзный датчик по сравнению с СБМ-20.
>нынче уже ставшего дедом
Да нет, таким по 45 сейчас.
Аноним 08/08/19 Чтв 04:22:59 374617 242
>>374523
>Да нет, таким по 45 сейчас.
Ну не у всех был доступ к счетчикам гейгера в 12-15 лет... Среди моих знакомых таких нет. Хотя кому как везло. Кто то из сбм20 сканирующие рамки собирал ("дверной" проем с счетчиками через каждых 10 см лол). А кто то правдами и неправдами выискивал хоть что то...
С завода где батя работал все околорадиационное по ГО тихо вывезли в область, когда чернобыль просрался. При том тупо вывезли а не заюзали для пользы... Ех... Народ тогда ох*евал с спизженного и списанного ранее радиометра. когда осыпавшиеся с деревьев лепестки цветков померили), (просто осыпавшиеся после цветения). А чела что потом уже лет через 5 решил "исследование" провести трижды в день записывал фон в воздухе и направление ветра (и кореляция была с направлением от чернобыля явная) загнобили и запресовали.
Аноним 09/08/19 Птн 10:56:10 374706 243
Подбешивает илитный хрен этого треда. Засрали все профф. разговорами, невозможно рекомендаций найти по бытовым дозиметрам.

СОЭКС говно, бери терру за 18 тысяч, пиздец нахой.

Аноним 10/08/19 Суб 01:45:19 374775 244
soex.jpg 266Кб, 2558x1174
2558x1174
>>374706
>СОЭКС говно, бери терру за 18 тысяч, пиздец нахой.
Проблема в том, что нормальных бытовых дозиметров на рашкинском рынке просто нет. Вообще. Поэтому и
>невозможно рекомендаций найти по бытовым дозиметрам
Один из десятка производителей счётчиков пережил крах совка, стал монополистом и гнёт цены, поэтому везде оверпрайс. Китайцы делать счётчики не научились. У Hamamatsu и LND ещё больший оверпрайс.
Аноним 10/08/19 Суб 10:52:08 374780 245
>>374775
А что же эуропэйцы? Они то должны бытовыми обладать, все таки полвека под боком ядерный совок.
Аноним 10/08/19 Суб 12:40:30 374782 246
>>374780
Там тоже хватает говноежек, которые покупают соэксы и радексы.
Аноним 10/08/19 Суб 18:18:52 374809 247
15169739444080[[...].jpg 64Кб, 720x404
720x404
15169739444091[[...].jpg 79Кб, 720x404
720x404
15169739444102[[...].jpg 49Кб, 720x404
720x404
484094241290842[...].jpg 171Кб, 1093x561
1093x561
Дополненный репост с выживача.

Ну хули, принимайте отчет, выживачеры!
Купил я, значит, поисковый сцинтиляционный приборчик Atom Fast 8850.
Нахуя он мне? ДА просто я радиофил, люблю дозиметры, тему апокалипсиса и все такое, а по работе связист-оптовололоконщик был я заносит меня в очень разные места, от крыш высоток, до подвалов режимных оборонных заводов.
Ну и нужен мне прибор, который бы быстро и шустро реагирует на всякие радиоактивные артефакты, типа дымоизвещателей с плутонием и типа того.
Сначала хотел купить Radiation Pager, но ахуел с цены в 1900 долларов и того, что он не продается гражданским, только государственным службам типа полиции или МЧС. А покупать списанный ну какая то лотерея слишком задорого.

И тут наткнулся на эту няшу. Мелкий, легкий, долго работает, коннектится с телефоном, рисует карты, встроенный акселлерометр для управления жестами. В общем все как надо.
В комплекте идет клевый чехольчик, мелочь, а приятно.

Внутри у него твердотельный ФЭУ и кристалл йодида натрия, активированного таллием, размером 8х8х50мм, что очень и очень неплохо.
Если смотришь на ютубе всяких даунов, измеряющих могильник в москве какой-нибудь хуйней на СБМ-20 и говорящих в камеру результат через 2 секунды измерения и хочется им уебать, то с ЭТОЙ няшей результат действительно достоверен уже спустя секунды.
Цена правда кусается. 16500 блять. Самому, конечно, собрать дешевле было бы, но кто напишет этой хуйне прошивку, если сам не шаришь в этом?

Включил - трещит как сорока, ловит 800-900 импульсов фона. В шкафу, сунув наугад куда то туда, нашел разобранную радиолампу с вскрытым мной металлическим корпусом (раньше думал что только стеклянные есть), от которой херачит "лишних" 400 импульсов к фону (но по показаниям примерно 4 мкР/ч докидывает, что говорит об ахуенной чувствительности приборчика).
Ампулу с тритием, которую отлично видит самодельный дозиметр от RH Elektronics на слюдяном СБТ-11а и видит от нее овер 250 распадов в минуту при фоновых 24, атом фаст не видит.
Ну это и не мудрено, он так то на гамму рассчитан и на жесткую бету. Хотя немного обидно, но думаю в режиме измерения и ее почует, только нужно будет сравнивать показания с фоном без ампулы.

Работает без подзарядки 24/7 около трех месяцев. При коннекте со смартфоном пишет историю, рисует наглядные карты с отображением трека и дозы.
Этим приборчиком не так давно было обнаружено радиационное пятно в Перми.

Вот отличный видеопример как он работает. Сам точно также прошлым летом наткнулся на "фонящего" дедушку на перроне пригородной электрички
https://www.youtube.com/watch?v=VL87PJAAjiY

Фоточки прилагаю да-да, клава грязная, да и похуй.
Аноним 10/08/19 Суб 19:21:44 374810 248
>>374809
>Самому, конечно, собрать дешевле было бы, но кто напишет этой хуйне прошивку
А фэу и кристалл ты где купишь? На али что-то не находится.
Аноним 10/08/19 Суб 19:27:22 374811 249
Объясните для нюфага, как отличаются решаемыми задачами дозиметр и поисковик (или как правильно называть?)?
Аноним 10/08/19 Суб 19:31:36 374812 250
>>374706
>Подбешивает илитный хрен этого треда.
Незнаю кто тут илитный и чем подбешивает но увы с радиометрами все очень плохо. Все дикий оверпрайс. Хочеш за недорого и чет хорошее? Лепи самоделку на слюдяном датчике сбт11, сбт10, бета-1-2-5 какие они там есть. Получиш за 1000-2000 рупий годную вещ что унюхает то что никакой терре на тупом сбм20 и не снилось. На барахолках еще попадается, беты новые купить можно.
Хочеш готовый? Будь готов платить увы. Тут смотри на каком датчике. 90% на сбм-20, лучшее из них таки реал терра. +-
На слюдяных тоже есть. но цены думаю знаеш.
Увы и ах, но радиационная безопасность удел спецов и фриков.
>>374775
>Китайцы делать счётчики не научились.
Вроди на алишке попадаются платы с установленными стекляными счетчиками. Мурриканские?
>>374780
>А что же эуропэйцы?
1. они таки тупые (с) тм. По многим факторам. Много такого околорхбзшного в сытых европках мало распространенно. 2. Таки часто там "наши" продаются бытовые приборы таки да. 3. Там как бы не нужно ждать подлянки от государства, гейропеец спит спокойно ибо знает что если таки что то йопнет, то его точно проинформируют и вывезут итд итп.
>>374809
>Atom Fast
Реально таки годная вещь. Дополнить только чем то слюдяным для альфа-бета чуствительности и 90% потребностей радиофила удовлетворенны.
Круче только спектрометры. Спасибо за репост.
Аноним 10/08/19 Суб 19:38:49 374813 251
>>374810
>А фэу и кристалл ты где купишь? На али что-то не находится.
Отрезать кусочек тебе и в том же атом фасте могут, если сильно попросиш. Искать такое нужно скорее не на али, а на наших барахолках. Еще попадаются годные непонятные штуки. Гуглони "Апаратура радиационного контроля" итд, темы на кавесе и на рхбз были. Там народ и ебеев/амазонов мурриканские выкупал, часто оч задешево, и наши приборы тож.
>>374811
>как отличаются решаемыми задачами дозиметр и поисковик
Есть радиометр а есть дозиметр. радиометр может быть поисковым. из за косноязычия радиометры чаще всего называют дозиметрами. радиометры часто имеют функцию дозиметра.
задача дозиметра - сказать "за прошедшие сутки ты хапнул 300 рентген".
задача радиометра - "тут летит 3 рентгена за час"
задача поискового радиометра - сказать ето быстро, иметь очень хорошую чуйку к слабым "околофоновым" активностям.
Потому что если пройти с тем же дп5(63)-абв столь любимом всякими совкодрочерами и сталкерами над слабофонящим пятном - то пятна можно и не заметить.
А хороший прибор взвоет там за секунду.
Аноним 10/08/19 Суб 20:39:16 374815 252
>>374810
ебать, я даже прихуел.
А что, в мире кроме Али больше ничего и нигде не купить?
ЕБАй?
Аноним 12/08/19 Пнд 01:54:34 374947 253
А щито там под Архангельском что все паникуют орут и травятся йодом?
Аноним 12/08/19 Пнд 02:18:57 374949 254
>>374947
Узнаем лет через 20 из сериала.
Аноним 12/08/19 Пнд 07:58:55 374962 255
>>374813
>задача поискового радиометра - сказать ето быстро, иметь очень хорошую чуйку к слабым "околофоновым" активностям
Расплата за такие параметры перед непоисковым радиометром низкая точность или что?
Аноним 12/08/19 Пнд 14:08:48 374985 256
>>374962
>Расплата за такие параметры перед непоисковым радиометром низкая точность или что?
Скорее цена и сложность и нежность прибора.
Обычный радиометр может быть на тупой и дешовой трубке типо СБМ20.
Поисковый лучше всего на сцинциляторе, сразу *10 к цене минимум. Или же на жирной слюде (сбт10, бета-5) итд. Если хочется бету видеть и чуток альфы.
Ну и автономность, возможность писать трек по гпс (для современных приборов) итд итп.
А лучше бы что б кто то из дозимитристов итд ответил. Я то профан.
Аноним 12/08/19 Пнд 15:28:05 374988 257
>>374962
>низкая точность
Если обычный радиометр на "медленной" трубке перевести в поисковый режим (а у многих такой режим есть), то да будет низкая точность.
К примеру у какого то радиометра на смб20 обычный цикл измерения 30 сек ... минута. и точность пусть будет +-20%
Но не получится минуту стоять над каждой точкой которую нужно проверить. А если мимо быстро пройти - не успеет он среагировать. Поймает на 10 импульсов больше за 3-4 секунды пока рядом с артефактом, и усреднит их с нормальным фоном за минуту. ну и будет там +2микрорентгенна на екранчике.
А в поисковом режиме у него уже 5 секунд время усреднения. Но и точность падает вообще до никаких значений, но шансы что он чет заметит - мелькнувшее рядом - сильно повышаются.
Ну а сцинсцилятор какой нить в _секунду_ сотни и тысячи импульсов ловит. И усредняет тоже за секунду-несколько. И сходу засечет даже если чет чуть-чуть прибавит к природному фону. Но цена...
Аноним 12/08/19 Пнд 18:35:55 375008 258
>>374812
>Вроди на алишке попадаются платы с установленными стекляными счетчиками. Мурриканские?
Китайские. В одной партии датчиков будет огромный процент брака и разброс параметров. Непонятно, на какой помойке они их делают.
Аноним 12/08/19 Пнд 18:42:26 375010 259
>>374809
Будь няшей, разбери и сфоткай потроха со всех сторон.
Аноним 12/08/19 Пнд 19:11:10 375016 260
obzor-karmannyi[...].png 214Кб, 385x393
385x393
obzor-karmannyi[...].png 428Кб, 699x494
699x494
>>375010
Прости, бро. Разбирать хрупкий приборчик за 16 кусков ради интереса анона я не буду, даже если меня пусечкой назвать.

Но фотки потрохов из интернета таки доставлю, насколько возможно.

1 пик - кристаллы.
2 пик - кристалл в корпусе запечатан в непрозрачную фольгу и подключен к твердотельному фотоумножителю

Аноним 16/08/19 Птн 00:35:48 375426 261
>>375416
>Но больше хочется превратить его в 1703, допаять
В нулевых это предлагал сам производитель официально. За всё это время обратилось за модернизацией аж десяток человек.
>и прошивку от того
Их там две сразу в одном приборе. У тебя есть два программатора?
Аноним 16/08/19 Птн 00:43:20 375428 262
>>374988
>Поймает на 10 импульсов больше за 3-4 секунды пока рядом с артефактом, и усреднит их с нормальным фоном за минуту
Во всех современных приборах, кроме совсем днища (Соэкса, например, но может и добавили уже), резкие изменения фона детектируются и сбрасывают усреднение.
Аноним 16/08/19 Птн 01:34:52 375436 263
>>375416
>Не удалось найти штук больше 0.15 ммкзв.
Беда зараженных цезием/стронцием земель не в повышенном гамма фоне, а в том что оч небольшие количества "добра" будут неизбежно накапливатся в растениях и попадать в организмы потребляющие сии растения, и уже изнутри них осев в мышцах и костях облучать до конца жизни +-
Потому даже _очень_ небольшие количества "добра" которые трубка тип сбм20 почти не ловит опасны.
Советую полистать хотя б: Виноградов Ю.А. Ионизирующая радиация. Обнаружение, контроль, защита. Но прошу учитывать что: 1. автор слегка нагнетает (или очень даже не слегка). 2. автор полкниги будет жаловатся на СИСТЕМУ.
Но методика проверки пищевых продуктов там описана оч хорошо.
И выдержки измерений по 30-60 минут. И свинцовые домики что б смягчить внешний фон. итд итп.
>>375416
>Теперь хочу свой сделать, мб из этого трубку достать. Но больше хочется превратить его в 1703, допаять и прошивку от того, только нет инструкций как
Вот честно, не знаю чем они отличаются апаратно и по прошивке, и какой смысл курочить рабочий прибор ради трубки коих полно на авито, молотке и прочих барахолках. Если самому что лепить, то лучш поднапрячся, помониторить инет, купить сбт10/сбт11 и слепить например: https://vrtp.ru/index.php?showtopic=24946
>>375428
>резкие изменения фона детектируются и сбрасывают усреднение
Лежащий в полуметре прибор с СПД (как пример артефакта) дает не такое уж и резкое изменение фона (на полуметровом расстоянии), оно почти незаметно для тупых трубок.
Аноним 16/08/19 Птн 18:56:00 375488 264
HTB1hcPvXRSD3KV[...].jpg 149Кб, 1000x1000
1000x1000
В ньюфаготреде не получил ответа, скопирую сюда.
Нужна помощь в выборе недорогого дозиметра. Задача: мониторить фон в городе 24/7. Пока нашел на алике такое чудо на пике, но есть сомнения. Говорят что газоразрядная трубка уже не в моде, и сейчас рулят полупроводниковые датчики, но на алике найти не удалось. Так же обязательно нужна возможность подключения к пеке или ардуине. Ну и конечно как можно дешевле.
Аноним 16/08/19 Птн 19:10:49 375490 265
>>375428
Пруфы есть? Ни разу не слышал о такой хуйне даже в дорогих устройствах
Аноним 16/08/19 Птн 19:37:06 375491 266
img8147[1].jpg 105Кб, 1023x1200
1023x1200
>>375488
>Полупроводниковые
Говно говна.

Положняк такой:
Сцинтилляционные спектрометры - Паханы
Сцинтилляционные детекторы - Блатные
Слюдяные датчики - Стремящиеся
Трубки - Мужики
Полупроводники - Опущенные

Полупроводники жрут дохуя питания, а из-за малого размера, собственно, ловят хуй на нихуя, ибо сам можешь посчитать вероятность события в обьеме газоразрядкой трубки или небольшого кристальчика.

Насчет подешевле... Бро, дозиметр - игрушка ДОРОГАЯ.
Если хочешь что-то более-менее рабочее, рекомендую вот это - https://rhelectronics.net/store/mygeiger-dosimeter-diy-geiger-counter-kit-with-lcd-shield-usb-pic18f2550-second-edition.html
Но нужны минимальные навыки паяния + отдельно покупать датчик, лучше всего слюдяной.
Бонусом в тем идет поддержка USB ИСКАРОПКИ для подключения к ПК, существует софт, в том числе для добавления своих показаний в общую мировую онлайн-базу "дозиметрических постов"
Обойдется в 5500 примерно + датчик. В зависимости от типа и места покупки может обойтись от 100 рублей на барахолке, до пары тысяч за новодельное говно СБМ-20 и более. Но бывает и удача, я на авито купил за 500 рублей ДВА датчика СБТ-11А.


Разработчик хоть и живер в Изгаиле, но русский, в случае проблем может подсказать что не так спаял.
Аноним 16/08/19 Птн 20:33:29 375494 267
>>375490
>Пруфы есть?
Возьми и сам положи дозик на мешок с калийной селитрой.
>Ни разу не слышал о такой хуйне
Она сама собой подразумевается.
Аноним 16/08/19 Птн 20:41:34 375497 268
>>375494
Вот так пруфы так пруфы, Спасибо бро!
(нет)

Ты сказал "Во всех современных приборах" ну так приведи пример!
Или ты имеешь ввиду профприборы за сотни тысяч? Ты не попутал?
Аноним 16/08/19 Птн 21:19:25 375503 269
>>375491
Спасибо за ответ, но что скажешь об этой штуке: https://www.aliexpress.com/item/32847268113.html?spm=a2g0o.productlist.0.0.6f617a4eaDoIIP

Мне всего лишь надо мониторить фон, если ебнет рядом или надует ветром, то можно было бы увидеть. А по твоей ссылке товар недоступен. С паяльником дружу нормально, а вот датчики не знаю где брать.
Аноним 16/08/19 Птн 21:23:14 375504 270
>>375497
>ну так приведи пример!
Радекс 1503.
Аноним 16/08/19 Птн 21:27:35 375505 271
>>375503
>что скажешь об этой штуке
Промотай тред немного вверх и иди нахуй.
Аноним 16/08/19 Птн 21:30:39 375506 272
>>375488
>Пока нашел на алике такое чудо на пике, но есть сомнения.
Выше про трубки с "али" писали, что говно говна. Не стоит ето брать без крайней необходимости. Не умеют китайцы в дозиметры.
Кста у "дозиметров" с али где на фото такая же трубка, заявлено время измерения в 8 МИНУТ. ВТФ. по приводимых параметрах она вроди на сбм20 должна быть похожа...
>>375490
>Пруфы есть? Ни разу не слышал о такой хуйне даже в дорогих устройствах
PIN диоды. либо фотодиод + мелкий кусочек сцинциляторного пластика. Чуйка = 0. Трубка лучше. Попадаются даже "для ардуино". либо тычащиеся в аудиоразъем смартфона. пруфов работоспособности - НЕТ. если и работает то крайне фигово и медленно.
Ну и да в дорогих устройствах не будет. Хотя вроде уже твердотельные ФЭУ вполне юзаются (теже чуствительные фотодатчики если не ошибаюсь).
>>375491
>рекомендую вот это
Спасибо за развернутый ответ. Но я не согласен. 85 вечнозеленых за плату для сборки? без датчики? та видно что автор из израеля. собестоимости там на 300рупий максимум.
Если мне нужно будет прицепить трубку к компу то я:
1. беру простейший блокинг генератор, подпираю его цепочкой последовательных стабилитронов на 400вольт сумарно (или твс диод туда). Жрать будет 2-3 милиампера от 5 вольт. да и пофиг.
Питаю от етого счетчик. который будет дергать вход какой нить китайской "ардуино нано" за 60 рупий. ардуино нано считает дерганья и сбрасывает их на комп через встроенный в нее юсб-уарт. профит.
2. покупаю с авито "беллу" с угандоненным дисплеем но живой електроникой. Запитываю ее от юсб через dc-dc.
Нахожу по схеме ее формирователь импульсов, где оно уже на микрухи счетчики идет - цепляю к ардуино-нано микро или что там за платки за 30 руп штука. все. живет и работает.
Аноним 16/08/19 Птн 21:31:53 375507 273
>>375503
Чет какое то непонятное дубовое говно
Аноним 16/08/19 Птн 21:46:38 375508 274
>>375503
Купи готовый и не парься. https://www.ebay.com/itm/Digital-Geiger-Counter-Nuclear-Radiation-Detector-Beta-Gamma-X-ray-Tester-Meter/173958417256?_trkparms=aid%3D555018%26algo%3DPL.SIM%26ao%3D1%26asc%3D20131003132420%26meid%3D88f46600c7444ed88bf653fdb79b96e1%26pid%3D100005%26rk%3D4%26rkt%3D12%26sd%3D153408762056%26itm%3D173958417256%26pg%3D2047675&_trksid=p2047675.c100005.m1851

Говно все же, но хоть что то.

>>375506
>Пруфы есть? Ни разу не слышал о такой хуйне даже в дорогих устройствах
Пруфы спрашивал на функцию автоматического отключения усреднения при изменении фона, ты видать не туда посмотрел.

Считаю это бредом, ибо какое нахуй отключение усреднения, если в приборах как правило два режима, поисковый, когда без усреднения ебашит сырые показания, и когда ты хочешь что-то конкретное измерить, кладешь и УСРЕДНЯЕШЬ, при этом не подразумевается перемещение дозиметра или исследуемого предмета, как не подразумевается и резкого изменения фона.
Нахуя эта бредовая функция? Чтобы предупредить тебя о ядерном взрыве, пока ты там кабачки на огороде измеряешь?

>собестоимости там на 300рупий максимум.
Хуя ты загнул. Тащемта там процессор и прошивочка для него, USB-интерфейс и порт для гейгер-бота, плюс прошивочка не простая, а с ручной калибровкой как параметров датчика, так и напряжения, свободным выбором применяемого датчика, из тех что есть в наличии под рукой, а не только то, что впихнул производитель, построением масштабируемых графиков, настройка пределов, короче функционал не хуже, а местами шире, чем у готовых заводских приборов, типа того же Радекса. И вся хуйня причем рабочая сразу, без пердолинга с ардуинкой, макеткой и еще написание чего там для пердуины пердолить надо. Единственно, корпус надо.

За 300 рублей себестоимости ты себе пищалку соберешь, не более.
Аноним 16/08/19 Птн 21:48:02 375509 275
index.jpeg 13Кб, 276x183
276x183
suka1.jpg 43Кб, 389x450
389x450
suka2.jpg 16Кб, 195x275
195x275
suka3.jpg 54Кб, 509x340
509x340
примеры ЕПИЧНОГО ГОВНА С АЛИ, покупать НЕЛЬЗЯ:

https://ru.aliexpress.com/item/32958412308.html
лололололол. время счета - 8 минут. размер корпуса: 1357038 мм ВТФ КИРПИЧ. ОРУ.

https://ru.aliexpress.com/item/32297459661.html
затычка для ануса. Есть в разных вариантах. В лучшем случае там пин диод что уловит 1 частицу раз в час.

На алишке не нашел поисковой фразы для говна сего, тому олх:
https://www.olx.ua/obyavlenie/datchik-radiatsii-dlya-dozimetrov-spektrometrov-arduino-mikrotokovyy-IDARXIo.html
Я лучш помолчу. Может даже и работает... Но не надо...
Аноним 16/08/19 Птн 21:53:52 375511 276
>>375508
>Купи готовый и не парься
Я извиняюсь, но напоминаю, что мне нужен коннект к пеке или ардуине. Товар по твоей ссылке этого вроде не умеет.
Аноним 16/08/19 Птн 21:55:37 375513 277
>>375509
>8 минут
ОЛОЛОЛ ВОСИМ МИНУТ.
И что? А что ты ожидал от трубки? Китайцы ЧЕСТНО написали время, за которое будет получен более-менее достовыерый результат.
Или ты считаешь, что СБМ-20 тебе за 30 секунд покажет результат с 99.7 процентной точностью?
Аноним 16/08/19 Птн 22:03:06 375514 278
>>375508
>Купи готовый и не парься. https://www.ebay.com/////
>Говно все же, но хоть что то.
ето не говно. ето просто не передать какое говно по цене нормального прибора? зачем? защо???7111 нельзя ето брать.
>>375508
>Пруфы спрашивал на функцию автоматического отключения усреднения при изменении фона, ты видать не туда посмотрел.
Я подумал о пруфах применения пин-диодов, пластиковых сцинсциляторов итд.
Пруфов измерения счета я не предоставлю. Но у большинства терр, радексов итд нижнего ценового диапазона она есть. Как минимум в поисковом режиме. Пруфы можно найти на:
1. тематических форумах.
2. инструкциях и описаниях приборов.
3. всратовидяшках-обзорах.
Такая функция есть даже в прошивках большинства самопальных дозиметров.
Насколько она полезна, ну хз.

>>375508
>Хуя ты загнул. Тащемта там процессор и ...
все ето в 1 атмегу умещается, ну и может юсб интерфейс отдельный.
Графики итд можно на компе смотреть и строить.
Платить жиду за его софт для атмеги (или что там) я упорно не хочу.
Более пищалки вроди анон спрашиваший и не хотел... ему ж к компу цеплять а не цветной дисплей с графиками.
Аноним 16/08/19 Птн 22:05:40 375515 279
>>375513
>Или ты считаешь, что СБМ-20 тебе за 30 секунд
СБМ-20 мне за 30секунд/минуту покажет результат с +-10% (точный процент могу сказать достав и включив прибор но лениво) точности. Чего более чем достаточно. Та же хуйня - в лучшем случае через 8 минут покажет хоть что то.
Аноним 16/08/19 Птн 22:06:48 375516 280
Какие годные до 50$ импортные датчики можно найти на ebay?
Аноним 16/08/19 Птн 22:08:18 375517 281
>>375515
>СБМ-20 мне за 30секунд/минуту покажет результат с +-10%
На всем диапазоне измерений такую точность покажет? Чот ты дуришь нюфань.
Аноним 16/08/19 Птн 22:15:39 375519 282
>>375513
Инфа сколько процентов, что там СБМ-20?
Аноним 16/08/19 Птн 22:20:29 375520 283
>>375516
>Какие годные до 50$ импортные датчики можно найти на ebay?
https://www.caves.ru/threads/%D0%90%D0%BF%D0%BF%D0%B0%D1%80%D0%B0%D1%82%D1%83%D1%80%D0%B0-%D1%80%D0%B0%D0%B4%D0%B8%D0%B0%D1%86%D0%B8%D0%BE%D0%BD%D0%BD%D0%BE%D0%B3%D0%BE-%D0%BA%D0%BE%D0%BD%D1%82%D1%80%D0%BE%D0%BB%D1%8F.7084/
смотри тему, там были примеры удачных покупок. Включая спектрометры, и таможенные детекторы итд.
>>375517
>На всем диапазоне измерений такую точность покажет? Чот ты дуришь нюфань.
Учитывая тон и упоротость, говорить с тобой не о чем. Но все ж попробуем.
На околофоновом. 10-20микрорентген. При возрастании фона точность и скорость измерения будет расти. Постепенно начнут все более сказыватся коллизии, когда часть частиц не фиксируется из за мертвого времени счетчика (корректируется програмно). Затем счетчик может перейти в токовый режим. Вроде б в таком режиме Терра умеет довольно значимые уровни на нещасный сбм20 детектить, что другим дозикам на аналогичных трубках и не снилось.
Аноним 16/08/19 Птн 22:21:53 375522 284
>>375515
>точный процент могу сказать достав и включив прибор но лениво
Бля, точный процент написан в техдоках на прибор. Давай сюда техдоки на радиометр на сбм-20 с такими характеристиками.
Аноним 16/08/19 Птн 22:22:41 375523 285
>>375520
>Учитывая тон
С какого мертвого форума ты к нам?
Аноним 17/08/19 Суб 05:21:18 375537 286
>>375514

>все ето в 1 атмегу умещается, ну и может юсб интерфейс отдельный.
Графики итд можно на компе смотреть и строить.
Платить жиду за его софт для атмеги (или что там) я упорно не хочу.
Более пищалки вроди анон спрашиваший и не хотел... ему ж к компу цеплять а не цветной дисплей с графиками.

Хуя ТЫ УМНЫЙ, анон! Чеж ты до сих пор ещё не продаешь дозиметры с себесом в 300 рублей на Ибее за 6000 с такой то логикой?
Озолотиться дело 5 минут. Двач купишь!
Аноним 17/08/19 Суб 05:25:46 375538 287
>>375520
Слыш, "тон". За 30 секунд твоя трубка поймает при фоне сколько импульсов? 15? Может даже 25?
И ты за 25 импульсов тут пиздишь о 10% точности?
Манька ньюфажная, тебе твой "тон" в очко запихать надо, за такие высказывания у нас в припяти во дворе убивают нахуй!
Аноним 17/08/19 Суб 05:35:04 375539 288
>>375538
Добавлю, про сбм-20
>при мощности дозы 10мкР/ч до статистической погрешности в 15% (можно считать, что это уже 2 сигмы) добирается примерно за 3 минуты.
Аноним 17/08/19 Суб 05:38:49 375540 289
>>375538
Ещё добавка мочи тебе в ебальник.
В паспорте к Припяти (на ДВУХ СБМ-20) при фоне меньше 100мкР/ч рекомендовано время измерения 200 секунд.
Тупая ты манька.
Аноним 17/08/19 Суб 06:50:27 375541 290
f8b2fd6312eb.jpg 47Кб, 480x611
480x611
Много лет назад загорелся самосборкой дозиметра, но предварительно изучил инфу и понял, что все эти поделки на сбм-20 - унылые тормозные показометры. Без разницы, заводской девайс или махарай-строй. А нормальные датчики слюдяные, внезапно, стоят ДЕНЕГ. Закончилось все тем, что я купил новенький РД1008 и полностью утолил все свои радиофильские потребности. Ни разу не жалею. Мониторить барахолки, искать и скупать просроченные неликвиды, махараить что-либо и изобретать велосипеды пропало всякое желание. Чего и вам советую.
Аноним 17/08/19 Суб 15:40:57 375574 291
>>375519
Довен, ты даже не понял о чем речь...
Специально для тупых - трубка В ПРИНЦИПЕ за секунды не даст точный результат. Время измерения - МИНУТЫ.
Аноним 20/08/19 Втр 03:28:42 375790 292
VLC.png 2440Кб, 1920x1080
1920x1080
Кто что намерил?
Аноним 21/08/19 Срд 10:53:49 375860 293
Парни, а есть что дешманско- советское по типу дпшки, только не такое здоровое?
Аноним 21/08/19 Срд 11:16:54 375861 294
Аноним 21/08/19 Срд 14:10:51 375890 295
Ну грубо говоря, наигрался с рд1503+. В Питере увидел норм фон, 0.2 мЗв, пищит чаще, значит работает.

Теперь хочется собрать что-то супер чувствительное самому за пол года, для нормальной ловли беты и альфы. Чтобы стронций за яйца держать, как и все остальные промежуточные цепочки распада урана. Радон считать до последнего атома, что там ещё есть. Не хочется всяких микроконтроллеров только, чтобы через джек считать андройдом распады. Так ли необходимо городить микроконтроллер для высокой эффективности?

Так ли все плохо со сцинциляторами в плане цены? Готов потратить на датчик 2-3. Что порекомендуете? Может у кого есть примеры, чтобы и платка была разведена?
Аноним 21/08/19 Срд 17:23:33 375918 296
>>375890
Можешь подключить к смартфону сигнал с ноги микроконтроллера в радексе и обрабатывать его уже на телефоне. Вангую, что сравнительный профит будет околонулевой.
Аноним 22/08/19 Чтв 06:56:10 375959 297
>>303755 (OP)
>1) нужно держаться подальше от очага заражения (лечится переездом подальше от Урала)
(Например, в Северодвинск.)

yoba.jpg
Аноним 22/08/19 Чтв 09:54:10 375971 298
Аноним 23/08/19 Птн 14:43:53 376109 299
>>375890
>Готов потратить на датчик 2-3
Манька, за 2-3 ты возьмешь хороший слюдник американский, не более.
Аноним 23/08/19 Птн 14:44:40 376110 300
>>376109
А, да, это за ДАТЧИК, не прибор.
Аноним 27/08/19 Втр 00:44:25 376421 301
>>375861
нихуя нету

есть радиаскан атомфаст атомспектра
Аноним 28/08/19 Срд 14:26:10 376592 302
>>303755 (OP)
> В связи с недавней истерией о рутении 106
Эх, бля 2017... Еще не вышел сериал Чернобыль, еще не было взрывов в Нёноксе...
> РУТЕНИЕМ ЗАРАЖАЙ
> @
> ДОЗИМЕТРЫ ПРОДАВАЙ
Сейчас наверное вообще дозиметры, как горячие пирожки идут
Даже обзорщики на всякое барахло подключились к хайпу
https://www.youtube.com/watch?v=GTASc18Sd6c
Аноним 29/08/19 Чтв 01:11:36 376674 303
>>376592
Ненокса хуйня. Там кроме 4-5 сотрудников и врачей никто не получил доз. Знаю врачей, знаю дозы, живу недалеко. Алсо мерили дозиметрами уже, нихуя, возможно потом будут у меня спектры.
Аноним 29/08/19 Чтв 10:04:31 376692 304
>>376674
> Ненокса хуйня
ДАЖЕ ПОЛЕЗНО
Аноним 29/08/19 Чтв 18:08:17 376756 305
>>376674
Какие нахуй спектры, манька? Почти месяц прошел, а там в первые 2 недели все распалось уже
Аноним 29/08/19 Чтв 21:05:17 376783 306
>>376756
Это так телеку говорят?
01/09/19 Вск 18:33:08 377028 307
>>376783
а тебе голоса в голове?
Аноним 04/09/19 Срд 23:04:39 377287 308
>>376756
Ты дебич. Что несешь вообще? Ты понимаешь как радиация работает?
Аноним 06/09/19 Птн 02:23:21 377419 309
>>375509
Не нашел на али, потому как продукт украинского происхождения. Почему же не работает - аж десяток событий в минуту. А еще там якобы сцинтиллятор и оно спектры строить умеет. Ну хуйзнает - если неделю в домике мариновать - может и покажет чего.
Аноним 10/09/19 Втр 10:56:27 377739 310
>>377287
обоссал идиотика. Аноны меряли твои спектры, иди читай радиофильские форумы и группы - НЕТ ТАМ НИЧЕГО
Аноним 10/09/19 Втр 11:03:09 377741 311
>>377287
>как радиация работает?
Слушай сюда. Произошел ядерный ПУК.

В атмосферу ебанули изотопы, скажем стронция-91, бария-139, бария-140 и лантана-140.
Это те изотопы, которые засек Росгидомет. У них всех период полураспада десятки ЧАСОВ. Спустя этот период количестко активных частиц уменьшается вдвое. Спаястя еще десяток часов - еще вдвое. И еще. И еще. Прошло уже больше месяца. Все к хзуям распалось до недетектируемых величин.

>КОКОКО ЭТА ВЛАСТИ СКРЫВАЮТ ТАМ НИ ЕТИ ЕЗАТОПИ!
Тогда почему там чисто, маня?
Аноним 18/09/19 Срд 05:34:29 378303 312
Бамп треду
Аноним 20/09/19 Птн 05:33:47 378426 313
Bumueque
Аноним 20/09/19 Птн 09:49:32 378434 314
Ладно, раз тредю умирает, спрошу- какой самый простой дозиметр купить чтоб знать когда ближайшая АЭС ебнет или опять какая ракета наебнется. И есть ли системы которые мониторят круглосуточно, по типу датчик на окне и подключен допустим к компуктеру или ардуинке какой. Шоб эта ебала запищала посреди ночи и я понял что почалося.
Аноним 20/09/19 Птн 12:33:52 378442 315
>>378434
Зачем это тебе?
Если накроет, то ты все равно ничего сделать не сможешь
Аноним 20/09/19 Птн 15:09:33 378455 316
Аноним 21/09/19 Суб 22:53:03 380710 317
Сегоднящняя кулстори. Заперся на Юнону, это огромный рынок барахолка в Питере за игрушками. Подхожу к одному и спрашиваю:
- Датчики радиации есть?
Он мне: Какие?
Без задней мфсли начинаю прощупывать: - Мол а какие у вас есть?
А он мне, козел старый, талдычит, какие надо?
Я говорю какой ценовой диапазон?
Он мне от тысячи до ста миллонов тысяч.
Не выдерживаю, путаюсь, спрашиваю СБТ 20 есть? И только тут кое как, жиденько, начинает мне открывает что он СБМ а не СБТ. Дальше спрашиваю, сам не помню нихрена, мол, а бета 1, 2 , 5 есть?
И тут он мне начинает доказывать что я что-то путаю, так я и ушел.
Вот он пидор, нахуй их зажимать, ставь мне цену побольше, хули ты делаешь, совок щелевой, жмотишься
Аноним 22/09/19 Вск 14:24:40 380759 318
Подтянул матчасть, выбрал как здесь и советовали буду делать самодельный на СБТ 10. Сегодня пришёл на Юнону подготовленный. Начал жалом водить. Спрашивую уже не датчик, а счётчик. На вопрос какой? Уверенно говорю СБТ 10.
800 рупиев и дело в шляпке.

Может быть можно как-то засунуть СБТ 10 вместо СБМ 20 в радекс 1503? Было бы очень прикольно, но похоже нельзя.
Аноним 22/09/19 Вск 17:49:36 380782 319
>>380710
Ты всерьез решил, что продаван на барахолке может что-то знать про счетчики и то, чем они отличаются? Они знают ДП-5, Сосну и Радекс (но не скажут, чем разные радексы различаются)
Аноним 24/09/19 Втр 15:40:31 381003 320
ali.ski/aerBi3 норма тема или хуйня?
Аноним 25/09/19 Срд 17:07:14 381084 321
Bumueque
Аноним 04/10/19 Птн 09:32:23 382155 322
Аноним 05/10/19 Суб 18:50:57 382327 323
>>380759
Все секции в параллель и заместо сбм можно вешать, лишь бы питальник не захлебнулся, но показания будут совершенно бессмысленными
>>381003
Скляшка, видит только гамму и рентген высоких энергий
Аноним 11/10/19 Птн 09:29:44 385250 324
>>303755 (OP)
Радоны, дайте совет мужику СБМному, ничего круче ДПх не чинившему, как дальше по жизни идти, через что в блатного сцинциляционщика перемаститься?

Суть у меня по жизни такова: надыбал я на халяву кристал. Тащи с работы каждый гвоздь... Весь такой обычный Натрий Йод, чутка коцаный(мелкие трещины по краям защитного стекла), чутка кривой (небольшие пузырьки между стеклом и кристаллом в центре). Но прозрачный и ЗДОРОВЫЙ! Аж 40*90!

Вот теперь думки думкаю:
1)Чаго это он еще не побелел? У людей он от кривого взгляда мутнеет, а тут аж трещины, а ему пофиг...
2)Эти пузырьки гребаные, они просто CPS уменьшат, или как-то хитро будут в спектр гадить? К поисковику мне стремиться или к спектрометру?
3)На какую ФЭУ поисковик посадить, а на какую спектрометр? Их блин 1000 и 1 сорт разных...
4)Есть в продаже какие-нибудь готовые модули питания или тут все надо самому и по хардкору паять?
5)Сколько CPS на см^3 кристалла при нормальном фоне это хорошо?
6)Есть возможность достать некоторое кол-во кристаллов разной степени крошения. Их возможно как-нибудь переплавлять в муфеле с продувкой инертным газом? Вообще, как их делают?
Аноним 11/10/19 Птн 22:26:20 385337 325
>>385250
>>> Чаго это он еще не побелел?
Натрий-Йод, насколько я помню, желтеет в процессе насасывания влаги. Таким образом - он всё ещё герметичен.
>>> Эти пузырьки гребаные
Пузырьки никак не влияют на взаимодействия излучения с сцинтиллятором. Свет сцинтилляционной вспышки собирается плюс-минус по всей площади окна из-за многократного переотражения от стенок. Так что забей.
>>> На какую ФЭУ поисковик посадить, а на какую спектрометр? Их блин 1000 и 1 сорт разных...
ФЭУ - исходя из принципа "один хер будете по говну ездить" подойдёт и советский. Диаметр фотокадода должен быть больше диаметра кристалла, иначе светосбор будет плохой. Спектральная характеристика фотокатода должна совпадать с натрий-йодом.
>>> Есть в продаже какие-нибудь готовые модули питания или тут все надо самому и по хардкору паять?
Есть, от Канберры до мало известных марок. Но стоят они не радиолюбительских денег.
>>> Сколько CPS на см^3 кристалла при нормальном фоне это хорошо?
Сколько у тебя в комнате есть - столько и хорошо. Фон это примерно 0,15...0,2 мкЗв/ч, а потом пропорционально вверх. Другого радиогубительского решения я не вижу. Если решать эту задачу точнее, то нужна дозиметрическая линейка.
>>> Их возможно как-нибудь переплавлять в муфеле с продувкой инертным газом? Вообще, как их делают?
Сам видел пожелтевшие кристаллы, которые удалось высушить и они сохранили своё энергетические разрешение, восстановив прозрачность приповерхностного слоя. Но для этого нужен аргоновый шкаф. Или как его там... Это опять не для нас.

В любом случае - спектрометр даже с посредственным разрешением более чувствителен чем простой счётчик, так как даёт возможность увидеть линию полного поглощения и отделить её от континуума.
Аноним 05/05/20 Втр 19:49:41 414728 326
image.png 170Кб, 326x245
326x245
Купил как-то по случаю девайс
Аноним 05/05/20 Втр 20:48:42 414736 327
>>414728
источник на месте?
Аноним 05/05/20 Втр 22:02:37 414753 328
Аноним 05/06/20 Птн 20:45:04 421493 329
Нубский вопрос, но как думаете, пвх труба из которых сейчас делают центральное отопление, будет нормально тормозить бету? Можете так почувствовать примерно?
Аноним 05/06/20 Птн 21:18:48 421499 330
>>421493
Гайвер, залогинься
Аноним 29/06/20 Пнд 20:52:02 424385 331
14676126028410.jpg 46Кб, 600x430
600x430
Аноны, я прочел тред, и вот нихуя не понял(да возможно я тупой) Но! Прочел и смотрел про атом фаст 8850 и Радиаскан 701 и чет не понял нихуя, пишут на уровне "сравнение самолета с катером" "хуй с палкой" "машину с велосипедом" и ваще не догоняю, в чем различия, из видео ютуба и обсуждений в треде понял что атом фаст это ускоренный анализатор пространства вокруг прибора в радиусе 5-10 метров(мб больше хз) а радиаскан 701 типо точечный дозиметр который покажет текущий уровень заражения(фона) практически вплотную до 1 метра, Я правильно понимаю?
Или атом фаст просто показал окружающий фон и записал в логи пискнул если "беги сука, беги!", а радиаскан показал что прям около тебя фонит, показал сколько ты поймал милизивертов и на этом все?
Или у них специфика обнаружения другая? Ну типо радиаскан лучше ловит, больше видов излучения и т.д. но медленней, а атом фаст просто супер быстрый, но менее точный анализатор фона в большем радиусе?
Ваще голову всю уже засрал, нихуя не поинмаю, а жить хочется, и как писал анон с атом фастом, я так же работаю в таких ебенях где ночью видел светящийся ящик с ночными прицелами и т.д.
В общем Анон, нужен быстрый анализатор всех(чем больше тем лучше) излучений, в нормальном радиусе(знать в то здание лучше не заходить, или в ту канаву нос не совать). Т.к. я копатель и грибник и ваще люблю по лесу бродить в поисках приключений. Сумма до 20к.
Прошу помогите в выборе, реально пздц, сложно быть тупым(
Аноним 29/06/20 Пнд 22:12:58 424393 332
15931267655880.jpg 133Кб, 600x630
600x630
>>424385
возьми атомфаст и успокойся Всё будет хорошо
Аноним 29/06/20 Пнд 22:20:12 424395 333
>>424393
дык денежки не малые, хочется лучшее)
Еду, воду, дичь, помещения(подвалы, заброшенки) смотреть, можно ли трескать(грибы например, сыкотно что то без анализаторов собирать)
атомфаст подойдет? (без шуток)
Аноним 29/06/20 Пнд 22:43:12 424400 334
>>424395
Да тут собственно два стула: либо ты берёшь что-нибудь недорогое днище-тир, вроде атомфаста, радекса, поискового, тыкаешь им в разные места и радуешься что не пищит. Либо упарываешься в гаммаспектрометры, льёшь свинцовые домики, перерабатываешь продукты в концентраты и медитируешь на спектры и это уже совсем другие денежки и стиль жизни меняется круче чем mtf

Ну или можешь плюхнуться между стульев - там СБМ20
Аноним 29/06/20 Пнд 22:50:15 424401 335
>>424400
На работе в мусорном ящике видал штуки 4 таких трубки валяются(СБМ20) вот только че с ними делать? (вариант засунуть в жопу не принимается)
А почему атом фаст днище, вроде как 18к стоит(не я понимаю что это для гражданских, но всетаки) Плюс есть варик найти дп-5в с источником, но блин, ебучий сундук совсем не всрался в походах и вылазках по заброшенным заводам домам и походам по грибы ягоды.
Так что же делать? Копить еще рублей 40, и искать действительно годноту, или же взять атом фаст и тупо знать что тот дом заражен, а эти грибы лучше не трогать, или оно не покажет по сути ничего?
Аноним 29/06/20 Пнд 23:04:03 424405 336
>>424401
>вот только че с ними делать?
На лохито загони энтузиастам.

>Так что же делать?
Бери атомфаст он к мобилке цепляется, можно беспаливно в общественных местах радиоактивных людей сталкать

>оно не покажет по сути ничего
Да, не покажет, потому что в 99.(9)% ситуаций нечего показывать.
Накрошенную СПД в заброшке или на барахолке покажет.
Аноним 29/06/20 Пнд 23:11:32 424407 337
14410156244960.png 50Кб, 374x273
374x273
>>424405
Хммм, а что насчет заражений, типо как сейчас чето пуля в интернет пошла про то что "блять, бачёк потик!" на ленинградской аэс, а я нахожусь буквально в 80км от нее. Такой уровень заражения она покажет, хотя читаю и пишут что бетта и альфу, чет хуевасто показывает, а вот гамма показывает очень даже точно, вот только что хуже, ведь по сути аксиома Эскобара выходит.
В общем голова пухнет, вроде и надо, для лесных прогулок и сбора ягод грибов, а с другой, хуле оно покажет и покажет ли вообще что либо, а если и покажет то че с этим делать. Пиздец короче.
Аноним 27/07/20 Пнд 14:39:31 427372 338
>>378442
>Если накроет, то ты все равно ничего сделать не сможешь
В зависимости от того как и насколько накроет можно:
1. Придерживатся минимальных защитных мер от пыли (не открывать окна, возможно ходить в респираторе). Не пойти на работу/не выпускать родных.
2. Спокойно собратся и в спокойном темпе съебстись куда подальше до прояснения ситуации.
3. Очень неспокойно съебстись куда подальше хоть как нибудь.
4. Белая простыня и ползти в сторону кладбища.

При том 4го варианта по факту не было даже в населенных пунктах около Чернобыля. Респиратор или хотя бы что угодно на лицо что б не надышатся, и машина заправленная бензом - могло бы сохранить немало жизни и здоровъя.

>>378434
>датчик на окне и подключен допустим к компуктеру или ардуинке какой

примеры есть хоть на том же хабре. простые. имхо такое лучше делать самому если есть хотя бы минимальный скилл. А нет то чет готовое, хоть типа терры, которая год+ живет от батареек и начнет орать по превышению фона.
Аноним 27/07/20 Пнд 14:41:27 427373 339
>>421493
> пвх труба ... тормозить бету
Нужно более 1см пластика. что б наверняка.
Аноним 02/08/20 Вск 22:47:50 427964 340
>>424401
накопи еще 80к и купи полимастер РМ1703 с тремя датчиками и блютусом, топовая вещь
Аноним 09/09/20 Срд 02:32:17 432099 341
Аноним 14/11/20 Суб 16:42:46 439547 342
бамп
Аноним 17/11/20 Втр 10:51:01 439979 343
Чё у нас там в хрустале советском интересно есть? РКСБ 104 намерил с вазы порядка 37 мк/з с открытой крышкой естественно среднее за пять измерений, радекс 1503 только внутри вазы что то заметил.
Фон 12-14. Калий 40?
Аноним 17/11/20 Втр 12:04:51 439994 344
>>439979
Кстати забыл дополнить кафель в ванной, который на стенах 25мз/ч, а вот на полу 30, там другой тип немного.
Аноним 19/11/20 Чтв 20:08:12 440263 345
Вопрос на миллион.
Вот мерим мы гамму - все понятно. Он самая активная и везде.
А бета - это для оценки заражения предметов? Она далеко не бьет.
Аноним 04/12/20 Птн 19:07:25 442008 346
Аноним 04/12/20 Птн 21:27:02 442038 347
Аноним 04/12/20 Птн 21:46:05 442041 348
Аноним 05/12/20 Суб 11:08:01 442082 349
Аноним 12/01/21 Втр 06:24:53 446334 350
Аноним 12/01/21 Втр 06:29:13 446335 351
>>303755 (OP)
Че там кстати сегодня в Московии за выброс частиц в районе домодедово был? Качество воздуха заметно скурвилось. Кто нибудь что нибудь измерял?
Аноним 12/01/21 Втр 09:50:06 446349 352
>>442038
А из-за чего это произошло? Из-за радиации?
Аноним 12/01/21 Втр 13:06:41 446394 353
>>446335
>частиц
Радиоактивных?
Аноним 12/01/21 Втр 16:03:40 446435 354
>>446349
Там рассказано из-за чего.
Аноним 17/02/21 Срд 15:19:14 451279 355
b8049327b10947b[...].jpeg 94Кб, 1024x1024
1024x1024
Вот такая хуйня пришла от Дяди Ляо, сук три месяца шла.
Короче, работает. РКСБ 104 и Радекс 1706 видят прекрасно. В качестве контрольного источника топ тема.
Даже на поверхности посылки небольшое превышение от фона. Не заказывайте их дохуя, один, два, три максимум, а то сканер на таможне охуеет, визуально Am 241 там кот наплакал. В плотную хорошо видно завышение на приборах. А уже на расстоянии в 20-30см, фон в норме. В общем к башке приклеивать это я бы не рекомендовал
Аноним 17/02/21 Срд 15:33:17 451281 356
К каким контактам ты цеплял? У меня тоже такой валяется, надо задействовать.
Аноним 17/02/21 Срд 15:33:34 451282 357
Аноним 17/02/21 Срд 15:36:59 451283 358
>>451281
Куда цеплял? Я их для дозика брал, в качестве проверки
Вообще они БУ приходят, там видно контакты припаянные.
Аноним 17/02/21 Срд 15:39:03 451284 359
>>451283
Я думал ты его тестил в работе, а не просто америций лизал. Так просто 3 контакта, не совсем понятно какой лишний.
Аноним 17/02/21 Срд 15:42:30 451287 360
>>451284
А хз, наверно можно погуглить документацию. Я вообще в его работоспособности не уверен. Какого хера их БУ продают? Там распад 400 лет, наврятли гарантия вышла
Аноним 18/02/21 Чтв 20:38:10 451518 361
>>451287
>Какого хера их БУ продают? Там распад 400 лет
Устаревает не только сам датчик а и устройство в котором он стоял. За 5-10 лет всякие сигналки часто в говно превращаются.
Кроме того могли запретить использовать в том или ином помещении, к примеру установка их у нас сильно ограниченна тем как будет использоваться помещение.
Аноним 19/02/21 Птн 10:04:27 451576 362
>>451518
>запретить использовать в том или ином помещении,
Вот это да, местный китайский САНПИН поменяли и пиздос
хочу ториевый амулет купить, который из стекла. как придет отпишу
Аноним 19/02/21 Птн 11:47:56 451590 363
>>451279
Чё на посылке было написано, лол?
Аноним 19/02/21 Птн 12:38:32 451598 364
>>451590
Да ничего особенного, обычный пакет с али.
Упакованы датчики в пупырку бля даже не в коробку, каждый в отдельный зип пакетик. Они и рф продаются, можно не брать у Ляо, чтобы не ждать по три месяца.
Но если шибко хочется, то я здесь брал .https://aliexpress.ru/item/32856150996.html?spm=a2g0s.9042311.0.0.762733edi4V6yu&_ga=2.198167784.632209936.1613727354-540186081.1613727354&sku_id=65375592741
Аноним 21/02/21 Вск 15:55:18 451873 365
Видали, радиаскан новую йобу сделал? Как атом фаст, только в два раза дешевле, кристалл меньше, чувствительность тоже поменьше, зато есть экран, спектрометр (!) и подключение к компу. Хз какие они там спектры могут мерить в девайсе дешевле 10 тысяч и с кристаллом 1 кубический сантиметр, но обещают. Какие мысли?
Аноним 21/02/21 Вск 16:48:53 451884 366
>>451873
Ты бы хоть название модели притащил, чё то погуглил, нет нихуя, даже на их оф сайте
Аноним 21/02/21 Вск 17:13:39 451889 367
Аноним 21/02/21 Вск 17:50:30 451900 368
16097468639700.png 45Кб, 225x225
225x225
>>451889
>8950
Подозрительно дешево, для прибора с кристаллом
Аноним 21/02/21 Вск 20:19:30 451924 369
Аноним 22/02/21 Пнд 03:50:52 451989 370
883dd773218a501[...].jpg 31Кб, 610x456
610x456
>>451924
Там в характеристиках написано
>Применяемый датчик сцинтилляционный детектор
А сцинтилляционный детектор это следующее

Сцинтилляционные детекторы используются для регистрации излучения и гамма-спектрометрии в диапазоне энергий фотонов от 50 кэВ до 3 МэВ при облучении радиоактивным источником излучения. Детектор представляет собой кристалл сцинтиллятора оптически соединенный с фотоэлектронным умножителем, обернутый антимагнитным экраном и помещенный в герметичный алюминиевый корпус. Сцинтилляционный кристалл обернут отражателем для сбора максимального светового потока, выходящего из сцинтиллятора в процессе облучения. В зависимости от требований заказчика сцинтилляционные детекторы также могут иметь интегрированный делитель напряжения, предусилитель, высоковольтный источник питания.
Аноним 22/02/21 Пнд 16:51:53 452055 371
Аноним 03/04/21 Суб 16:43:37 458443 372
Аноним 04/04/21 Вск 14:15:50 458477 373
>>451900
знающие люди уже щупали - говно
Аноним 05/04/21 Пнд 12:25:20 458527 374
>>424393
Как-то странно у них отопление разведено.
Аноним 25/05/21 Втр 13:19:41 463617 375
>>451873
Да, я заказал его.
Я давно хотел себе радиометр типа атомфаста. Эта штука конечно менее чувствительна, но должна быть намного чувствительней газоразрядных трубок. А они как раз примерно так стоят. Мало того что у него кристал позволяет спектры строить, так у него ещё они компенсируются температурой.
>>458477
Лол, ну покупай аналог не говно но не за 10 а за 30 тысяч. А то и дуру атомспектру за сколько-то там.
Аноним 25/05/21 Втр 13:57:49 463618 376
>>303755 (OP)
САП

КУПИЛ КОМПАС АДРИАНОВА В ВОЕНТОРГЕ. Он радиактивный?
Аноним 25/05/21 Втр 14:26:50 463623 377
>>463618
Посвети яркм фонариком в него. Если он светится ярче и сразу затухает, то скорее всего не радиоактивен.
Если светомасса зелёная, а не оранжевая, то скорее всего не радиоактивен.
Аноним 24/06/21 Чтв 13:10:06 466633 378
1624529405902.png 107Кб, 1280x382
1280x382
На рбхз у разработчиков атомфаста и спектры с каждым обновлением 101 накаляется жопа, повышается вероятность разгона реактора.
Аноним 24/06/21 Чтв 13:19:01 466636 379
>>466633
>15% разрешение
Чо?
Аноним 26/06/21 Суб 14:06:05 466818 380
А что мешает в атомфаст впилить спектрометр? там фотоумножитель другой нужен, и на уровне софта это не сделать?
Аноним 28/06/21 Пнд 00:15:31 466963 381
>>466818
Кристалл тоже может быть недостаточно прозрачным для этого.
Аноним 28/06/21 Пнд 22:51:36 467055 382
Аноним 01/07/21 Чтв 14:55:09 467235 383
9B610E98-2286-4[...].jpeg 293Кб, 1363x949
1363x949
Делаю вот такой девайс, стационарный дозиметр-монитор на лампах. Рейт
Аноним 01/07/21 Чтв 19:32:00 467241 384
>>467235
ПРИБОР ДОЛЖЕН БЫТЬ СЦИНТИЛЛЯЦИОННЫМ
Аноним 01/07/21 Чтв 22:53:40 467252 385
>>467241
Для бытового мониторинга хватит и счетчика Гейгера. Впрочем, если ты посоветуешь хороший не очень дорогой сцинтилляционный датчик, можно будет и его тоже добавить.
Аноним 02/07/21 Птн 19:15:28 467303 386
Объясните мне, что вы мерить собрались своими дозиметрами? Живу рядом с АЭС, никогда проблем никаких не было.
Аноним 02/07/21 Птн 21:51:21 467323 387
>>467252
>не очень дорогой сцинтилляционный датчик
Я не он, но вообще-то можно взять не дорогой PIN фотодиод вроде BPW34. Основная сложность в усилителе, но для начала можно сделать что попроще. Например можно повторить https://www.maximintegrated.com/en/design/technical-documents/app-notes/2/2236.html

>>467303
Для начала что-то радиоактивное можно купить. Хотя и найти тоже не сложно. Еще от солнечной активности немного меняется естественный фон, кому-то подобные наблюдения тоже могут представлять некоторый интерес.
Аноним 02/07/21 Птн 22:29:13 467326 388
>>467323
И что можно задетектить одним диодом?
Аноним 02/07/21 Птн 22:58:18 467329 389
anime-maior.jpg 38Кб, 401x500
401x500
>>467303
>Чтобы померить что-то радиоактивное, нужно купить что-то радиоактивное
Боюсь даже и спрашивать теперь, от какого чернобыля вы спасаться собрались, ребят.
Аноним 02/07/21 Птн 22:58:40 467330 390
Аноним 02/07/21 Птн 23:37:23 467335 391
Аноним 03/07/21 Суб 19:37:52 467418 392
>>467329
Что тебя смущает?
Да хоть в садоводческом магазине купи удобрение "калий хлористый". Как пишет лживая википедия природный калий состоит из трех изотопов, один из которых немного радиоактивный. Если тебя смущает то что это удобрение, а как известно из удобрений много чего можно сделать, то можно хоть золу из печки взять, тоже будет чуть выше естественного фона. Если окажется мало, то из золы можно выделить K2CO3 в более-менее чистом виде.
Либо можно найти слегка радиоактивный гранит, такого тоже полно, например в виде щебенки.
Аноним 04/07/21 Вск 05:47:30 467442 393
>>467303
Да тот же радон в погребах и подвалах.
Недавно в сарае у деда рылся. Он помер еще в 2003. Нашел с помощью дозича тумблер 60х годов с СПД.
А на вид был просто деревянный ящик с железками, ключи, втулки, гайки, болтики итп. Просто поднес и фон сразу с 0.13 до 0.85 подскочил.
Аноним 04/07/21 Вск 13:50:10 467464 394
>>467442
Можно ли такое задетектить схемой на одном или нескольких pin-фотодиодах?
Что чувствительнее - несколько фотодиодов или счетчик гейгера типа СБМ-20?
Аноним 04/07/21 Вск 15:01:58 467470 395
>>467464
>несколько фотодиодов или счетчик гейгера типа СБМ-20?
А хуй его знает. Нужно проверять опытным путем. Ну или может кто то уже пилил. Нужно искать, читать.
Думаю СБМ надежнее, не зря их до сих пор в бюджетных моделях дозиметров применяют.
Да и в армейских они стоят. Сцинтилляторы все таки для армии дороговато, да и не нужно особо.
Аноним 04/07/21 Вск 15:13:51 467473 396
>>467470
Сколько СБМ-20 должно быть в нормальном бытовом дозиметре?
Нужно ли ставить отдельную детекторную цепь на каждый датчик, или их можно просто запараллелить? Если да, то как считать dead time?
Аноним 04/07/21 Вск 16:06:32 467475 397
25000MW.jpg 82Кб, 1035x751
1035x751
3.6 рентген. твои действия?
Аноним 04/07/21 Вск 17:21:15 467483 398
>>467473
Пару штук можно и запараллелить. Больше не пробовал.
Аноним 04/07/21 Вск 23:26:45 467536 399
>>467473
Думаю не меньше двух.
Чтоб среднее можно было высчитать.
Ну вот для примера
Радекс 1503 1СБМ( У меня есть)
РКСБ 104 2СБМ (У меня есть)
Припять 4СБМ ( У меня нет )
Радекс и РКСБ показывают в принципе одинаково.
Аноним 04/07/21 Вск 23:34:57 467537 400
Дом
Аноним 05/07/21 Пнд 20:46:26 467603 401
>>467323
Ну то есть ты понакупил этих дозиметров, чтобы калий в бананах измерять? Чернобыли раз в 200 лет происходят, вы на вырост правнукам покупаете? К тому времени атомку уже прикроют.
Аноним 05/07/21 Пнд 21:20:22 467611 402
>>467603
> К тому времени атомку уже прикроют.
Нет, ты че? Атомка это топ за свои деньги. Зачем ее прикрывать?
Аноним 05/07/21 Пнд 21:43:55 467613 403
1530292673828.png 455Кб, 729x630
729x630
>>467611
>Нет, ты че? Атомка это топ за свои деньги. Зачем ее прикрывать?
Аноним 05/07/21 Пнд 21:58:07 467617 404
27japan-superJu[...].jpg 551Кб, 2048x1392
2048x1392
>>467603
>Чернобыли раз в 200 лет происходят, вы на вырост правнукам покупаете
Аноним 05/07/21 Пнд 21:59:32 467619 405
201103222011032[...].jpg 27Кб, 600x449
600x449
>>467611
>Нет, ты че? Атомка это топ за свои деньги. Зачем ее прикрывать?
Аноним 08/07/21 Чтв 10:50:33 467940 406
Поясните за СБМ-19 против СБМ-20. Намного ли лучше СБМ-19 детектирует гамма-излучение?
Аноним 19/07/21 Пнд 21:49:58 468909 407
>>467603
>Чернобыли раз в 200 лет происходят
Зато бомжи сдающие в чермет "хуйню" или поехавшие соседи лечащие рак скупкой спдшной хрени килограмами куда чаще.
Аноним 19/07/21 Пнд 21:51:44 468911 408
>>467475
> 3.6 рентген. твои действия?
разбираюсь только гамма ли, или я уже альфы нанюхался, потом пробую понять откуда светит, потом уйобую спокойно.
Аноним 19/07/21 Пнд 23:31:35 468915 409
>>468909
Оленеводов с РИТЭГами без биозащиты от разворованных металлистами метеостанций, использующих их в качестве безлимитной бездровяной чудо-печки и обогревателя, еще никто не переплюнул.
Аноним 20/07/21 Втр 06:43:39 468921 410
>>468909
> спдшной хрени килограмами куда чаще.
Бред. В индикаторах дай бог грамм наберется - это что, тысячи индикаторов покупали? Где они нашли столько, радиофоб?
Аноним 20/07/21 Втр 19:17:29 468996 411
>>468921
>тысячи индикаторов покупали?
непомню уже ту стори, а гуглить лень. там вроди поехавший тянул в квартиру все подряд, те ток спд. И натягал таки оч немало.
>радиофоб?
-фил скорее...
Аноним 01/08/21 Вск 11:38:40 469995 412
Аноним 01/08/21 Вск 15:30:04 470014 413
Аноним 01/08/21 Вск 23:30:23 470069 414
example-52071 c[...].jpg 166Кб, 1024x1024
1024x1024
Аноним 17/08/21 Втр 23:37:07 471406 415
18/08/21 Срд 13:06:12 471421 416
>>471406
Че ты эту паникерскую хуйню сюда тащишь, ведь сам можешь проверить погуглив. Или ты ебаный СММщик ютуб канала?
Аноним 18/08/21 Срд 20:15:31 471432 417
>>471421
Я ебучий бампер этого треда, дурачок
Аноним 19/08/21 Чтв 00:22:38 471449 418
>>471432
>Бампер
Видимо задний бампер
Аноним 19/08/21 Чтв 09:25:22 471459 419
14862211866030.jpg 33Кб, 480x480
480x480
>>471449
Чот пичот тебе, смотрю. Переоблучился?
Аноним 19/08/21 Чтв 12:47:50 471467 420
Двач радиация.jpg 109Кб, 730x499
730x499
Чё у нас по радиоактивным артефактам???
Америций из дымодатчиков
Торий из брелков с али
Часы с СПД
Кто урановое стекло на лохито покупал??? Интересует набор стопок под водочку и какая нибудь салатница
Аноним 21/08/21 Суб 01:31:50 471699 421
Ребят наверное я не к месту
Но есть ли у кого инфа что стало с Олегом Айзоном?
Аноним 21/08/21 Суб 09:58:47 471739 422
>>471699
Жив, здоров.
Работает, (типа вахта) возможно в ЧЗО на АЭС, некогда видяшки снимать, да и неразглашение, СБУ все таки тоже отъебать может
Аноним 22/08/21 Вск 10:30:56 471819 423
Что искать на б[...].jpg 1164Кб, 2032x1864
2032x1864
Аноним 04/09/21 Суб 16:09:56 472931 424
IMG202109041756[...].jpg 4652Кб, 4000x2250
4000x2250
Все-таки купил эту ебалайку, спаял, нраица. Теперь думаю, имеет ли смысл менять трубку на сбм-20, или хуй с ней.
Аноним 06/09/21 Пнд 08:33:49 473083 425
1630906383802.jpg 3852Кб, 3016x4032
3016x4032
Бамп сульфатом кальция
Аноним 06/09/21 Пнд 08:37:20 473084 426
>>472931
Прикольная хуйня, а Аудио выход зачем? Можно к пеке подключать ?
Аноним 06/09/21 Пнд 09:22:56 473086 427
>>473084
Можно к пеке, можно к смарту, и через приложение смотреть.
Аноним 06/09/21 Пнд 13:33:26 473099 428
>>473083
>сульфатом кальция
А не калия? У нас же 40К фонит? А 48Ca дохуя долгий полураспад имеет? Или это похуй? Проверял для развлечения на гидроксиде калия, фон хороший, но стеклянную банку не прошибает, замерял фосфат кальция, практически не было фона.
Аноним 06/09/21 Пнд 13:50:21 473102 429
>>473099
Да, калий, калий. Ёбаная автозамена в телефоне сработала.
Аноним 06/09/21 Пнд 14:20:37 473108 430
Я недавно повторил https://www.maximintegrated.com/en/design/technical-documents/app-notes/3/3757.html с незначительными изменениями.
Детали взял на электронщике, компаратор сразу со стабилитроном в одном корпусе MCP65R41T-1202E, дроссель IFSC1515AHER4R7M01, диоды BAS321.115 в таком корпусе чтобы не укатывались, транзистор IRLML2502 и запитал через LDO NCP551SN50T1G, а остальные детали те же что в статье, только номиналы делителя скорректировал. Вроде работает, напряжение на выходе есть, мультиметр показывает потребляемый ток меньше 10 мкА, только не знаю стоит ли ему верить, а измерять другими способами пока лень. Все вроде хорошо, только напряжение питания требуется относительно большое.
Может кто-нибудь тут уже делал подобное под меньшее напряжение питания?
Аноним 07/09/21 Втр 00:14:52 473210 431
1630962889232.jpg 1753Кб, 2493x2627
2493x2627
Есть такая штука с лучами добра в подчинении
Аноним 07/09/21 Втр 19:13:09 473279 432
>>473210
Проехался бы там? Интересно, какую дозу можно там получить.
Аноним 07/09/21 Втр 22:08:03 473304 433
IMG202109071619[...].jpg 2578Кб, 3342x2782
3342x2782
>>473279
Ну вообще он немного сильнее обычного рентген аппарата, все таки заточен для не живых объектов различной плотности. В частности металлов. И твердых материалов. Катал в нем radex 1503, он издал протяжный писк и завис.
Аноним 07/09/21 Втр 23:30:21 473316 434
>>473304
У меня после этой хуйни в метро рейд контроллер сгорел.
Аноним 08/09/21 Срд 02:21:43 473327 435
>>473316
Сомнительно, возможно совпадение, не думаю
Аноним 09/09/21 Чтв 08:53:52 473477 436
>>473304
>>473210
Лучше бы у тебя был масс-спектрометр.
Аноним 09/09/21 Чтв 11:29:59 473487 437
>>473477
Хотя бы гамма спектрометр сцинтиляционный уже было бы интересно, но ценник в 27 500 останавливает.
Да и регион в этом плане хуйня. По радиации вообще чисто. Ни тебе предприятий, ни могильников, ни аварий пр ссср. Короче нехуй в него класть.
Аноним 09/09/21 Чтв 19:03:31 473513 438
>>473487
Не интересно и нахуй не нужно. Вот определять состав материалов, особенно всяких сплавов - действительно полезно, применений куча, + на такое есть большой спрос, что в перспективе позволит окупить девайс.
Аноним 10/09/21 Птн 03:19:59 473548 439
>>473513
Вот масс спектрометр точно не нужная хуйня.
Стоит дорого
Очень узкая специализация
Прибор должен быть поверен, сертифицирован
Про окупаемость вообще молчу, такие тесты заказывают организации. Оплата по счету фактуре, нужно открывать ИП, каким то хуем залезть на рынок таких услуг. Как правило есть уже такие конторы и организации их знают.
К тому же если взять предприятия скажем по металлопрокату у них есть лаборатории в штате, с дефектоскопами и прочими плюшками, которые позволяют выдавать им сертификаты со всей сопутствующей документацией .
Для частных лиц такие услуги просто не нужны.
Аноним 13/09/21 Пнд 10:14:29 473748 440
IMG202109131754[...].jpg 4294Кб, 3008x4032
3008x4032
Бiмп скалярной энергией
Аноним 13/09/21 Пнд 18:41:12 473795 441
>>473748
О у меня тоже есть такая висюлька, она еще светится в ультрафиолете.
Аноним 14/09/21 Втр 01:52:43 473826 442
>>473795
Довольно злая хуйня. Злее чем ионизационная камера с америцием.
Но на расстоянии в см 15-20 фон устаканивается.
Это показания без крышки. С крышкой порядка 50
> светится в ультрафиолете
Да немного светится. Тоже себе фонарик купил
Аноним 16/09/21 Чтв 01:24:18 473996 443
Подскажите, как сделать выносной счетчик Гейгера для дозиметра? Т.е. как-то провода протянуть до электроники от счетчика, например, за окном. Расстояние хотя бы метр, лучше больше. Счетчик СБМ-20 или СБМ-19.
Аноним 17/09/21 Птн 02:45:03 474098 444
>>473996
>Подскажите, как сделать выносной счетчик Гейгера для дозиметра?
????????
Отпаиваем счетчик, наращиваем провода, наверно.
Вот тебе видос для размышления. Может какие идеи появятся после просмотра
https://www.youtube.com/watch?v=nqg0yMiAz4I&t=474s
Аноним 17/09/21 Птн 10:30:28 474117 445
>>474098
Там вроде бы емкость кабеля не должна быть слишком большой, потому и спрашиваю.
Аноним 17/09/21 Птн 19:20:16 474151 446
>>474117
Понятное дело, если емкость кабеля будет слишком большая, то импульсы с трубки просто будут гаситься этой емкостью. Я бы на твоем месте просто попробовал бы взять контрольный источик, замерить сначала импульсы без провода, потом подцепить трубку на провод, например на антенный кабель, и с тем же источником посмотреть что изменится.
Аноним 22/09/21 Срд 07:29:51 474507 447
IMGу.jpg 3875Кб, 3016x4032
3016x4032
IMGй.jpg 3066Кб, 3016x4032
3016x4032
IMGц.jpg 2892Кб, 3016x4032
3016x4032
>>303755 (OP)
На правах бампа.
Третьего дня, заказал себе БИСЕР 3000, активность мое почтение, флуоресценция присутствует
Урановое стекло для нищих короче. Там вообще видов много и размеров. По поиску бьется как урановое стекло или uranium
Как всегда на расстоянии в 15см фон в номе. Безопасная хуйня, если ей подушку не набивать и не спать лет пять на ней.
Аноним 22/09/21 Срд 11:29:00 474514 448
к.jpg 2055Кб, 2445x3016
2445x3016
РКСБ просто охуел от таких артефактов Без крышки
Аноним 24/09/21 Птн 04:53:59 474776 449
Screenshot2021-[...].jpg 258Кб, 1911x1080
1911x1080
Screenshot2021-[...].jpg 192Кб, 1913x1080
1913x1080
>>474507
нихуя ты рукодельник. оно же облученное!
Аноним 24/09/21 Птн 05:39:05 474780 450
>>474776

Кек, вчера посмотрел видео.
С Бажбания хрюкнул.
Аноним 27/09/21 Пнд 05:01:59 475242 451
Аноним 27/09/21 Пнд 05:42:07 475244 452
Аноним 27/09/21 Пнд 07:53:26 475248 453
>>475244
Типа поридж что ли? Да я поридж.
Аноним 28/09/21 Втр 14:32:49 475382 454
Это нормально что радиационный фон утром и вечером отличаются в 3 раза? А на пике в 4. Датчик в квартире стоит, но рядом с окном, неужели солнце так ебошит?
Аноним 28/09/21 Втр 15:07:02 475385 455
>>475382
> А на пике в 4
Ну пик у тебя отклеился

Нет не нормально. +-03мкз (3мкр) еще куда не шло. Но чтоб прям в разы??? Возможно датчик не корректно работает.
Солнце вообще нихуя не влияет на работу. Если у тебя не гамма спектрометр
Аноним 28/09/21 Втр 15:15:17 475387 456
ouE7bmW.png 26Кб, 554x304
554x304
>>475385
>Если у тебя не гамма спектрометр
Обычная трубка гейгера. Я вообще не сильно разбираюсь в этом всем, но даже америций-241 ловит, хотя вроде не должен.
Датчик у меня такой: >>472931
А график на пике.
Аноним 28/09/21 Втр 22:18:37 475419 457
15169739444080.jpg 64Кб, 720x404
720x404
15169739444102.jpg 49Кб, 720x404
720x404
16230864758181.jpg 92Кб, 813x600
813x600
Сап, ананасы! Вкатываюсь в тред со своей уборгоднотой.
Аноним 28/09/21 Втр 22:25:21 475421 458
хех, всего 2 года прошло...
Аноним 28/09/21 Втр 22:27:36 475422 459
В этом треде никто ничего сам не паяет теперь? Как-то не интересно. А ведь бытовые дозиметры это совсем несложные устройства.
Аноним 29/09/21 Срд 00:24:59 475425 460
>>475419
Шарик зачёт. С Чехии ? Таможню без траблов прошел?
Атом фаст хорошо, но дорохо
Аноним 29/09/21 Срд 18:35:47 475492 461
>>475425
шарик не мой, просто иллюстрация...
Аноним 30/09/21 Чтв 02:45:42 475509 462
>>475492
В фаст функцию спектрометра в софт не подвезли?
Аноним 30/09/21 Чтв 19:58:46 475552 463
>>475509
нет и не подвезут. Не запиливалось это изначально
Аноним 03/10/21 Вск 13:38:32 475851 464
Аноним 03/10/21 Вск 14:21:25 475854 465
Где почитать о том, как правильно делать дозиметры? Т.е. как выбирать интервалы счета, как измерять, как прошивку писать. Ну и про эксплуатацию готовых приборов тоже.
Аноним 03/10/21 Вск 15:39:54 475859 466
>>475854
>как выбирать интервалы счета
Распределение Пуассона, в школе еще должны были проходить.
>как прошивку писать.
Ну как нибудь справишься, там же всего лишь импульсы посчитать. По нормальному конечно нужно подумать о снижении потребляемого тока, но это не всегда нужно. Да и вообще, какая еще прошивка? Можно без микроконтроллеров сделать.
Остальное не знаю.
Аноним 03/10/21 Вск 17:48:59 475876 467
>>475859
>Распределение Пуассона, в школе еще должны были проходить.
Не проходят такое в школе.
Аноним 03/10/21 Вск 18:45:51 475885 468
>>475859
>в школе еще
Это на втором курсе университета обычно проходят.
>Можно без микроконтроллеров сделать
А можно и с микроконтроллером.
Аноним 03/10/21 Вск 18:51:19 475888 469
>>475876
нам давали в 11 классе

там правда "школа" была ну такая, физмат лицей при технарьском универе
Аноним 03/10/21 Вск 19:02:01 475892 470
>>475876
>>475885
Это местный шиз, который на любую хуйню отвечает "да это же школьная программа, в 4 классе проходят, ебать ты дебс))))" Не стоит его кормить.
Аноним 03/10/21 Вск 19:16:56 475895 471
Аноним 03/10/21 Вск 20:00:20 475907 472
>>475892
Зато, в отличие от тебя, я хотя бы ответил на один из вопросов.

>А можно и с микроконтроллером.
Почти с тем же результатом что и без микроконтроллера. Я к тому, что в прошивке дозиметра нет какой-то специфики о которой требуется читать отдельно.
Аноним 03/10/21 Вск 20:21:03 475913 473
>>475907
Да ты нихуя не ответил я уже нашел инфу на другом форуме

>в прошивке дозиметра нет какой-то специфики
Да что ты говоришь? Ты блять не учи тут отца спискам-то хвосты крутить, лолка. Думаешь, самый умный? Вопрос был по предметной области (дозиметрии), а не по программированию. Там есть серьезная специфика. А может, ты набросаешь хотя бы псевдокод такой прошивки, чтобы там было показано использование всех параметров счетчика? ты даже не спросил, на чем построен дозиметр, умник
Аноним 03/10/21 Вск 20:53:24 475922 474
>>475913
>Да ты нихуя не ответил
Вроде все в тему было.

>Думаешь, самый умный?
Если у тебя дозиметр, а не спектрометр, то тебе остается только считать импульсы. Причем не важно какого типа, хоть с трубкой, хоть сцинтилляционный. Или я ошибаюсь?
Лучше объясни что ты такое интересное делаешь. Если не мне, то хотя бы ради остальных анонов.
Аноним 03/10/21 Вск 21:05:59 475928 475
>>475854
У тебя вопрос действительно хуй пойми какой, неправильно сформулирован, возможно.
> как правильно делать дозиметры?
С нуля то-ли проектировать? Есть опенсорсные счетчики гейгера со схемами.
>как выбирать интервалы счета
Похуй как, не? Потом всегда можно усреднить.
>как измерять
Есть целый ГОСТ на эту тему, не думаю что тебе понравится.
>как прошивку писать
Ты ж программист.
Я, кстати, нихуя не понимаю в дозиметрии, но высраться считаю необходимым.
Аноним 03/10/21 Вск 21:06:53 475929 476
>>475922
Дозиметр делаю. Ничего интересного
Аноним 03/10/21 Вск 21:16:52 475933 477
>>475929
Тогда какая там может быть специфика счета импульсов? Мне действительно интересно, а то может быть я чего-то важного не знаю.
Аноним 03/10/21 Вск 21:27:11 475935 478
>>475933
Во-первых, нужна теория вероятностей (распределение Пуассона и т.д.), нельзя просто взять и поделить. Во-вторых, у счетчика есть "мертвое время", собственный фон (а его просто так не измеришь) и т.п., это тоже обязательно нужно учитывать. С СБМ-20 фон ниже 150 мкР/ч достоверно не измеришь. Ну и т.д., как я и ожидал, все значительно сложнее, чем кажется на первый взгляд.
Аноним 03/10/21 Вск 21:46:12 475938 479
>>475935
>Во-вторых, у счетчика есть "мертвое время"
Разумеется, но на подсчет импульсов оно никак не влияет.
>собственный фон (а его просто так не измеришь) и т.п., это тоже обязательно нужно учитывать.
Ну и что? Солнышко чуть сильнее посветит и все, если не сделаешь свинцовый "домик".
Аноним 03/10/21 Вск 22:05:33 475939 480
>>475938
>на подсчет импульсов оно никак не влияет
Да что ты говоришь! Я смотрю ты не очень умный.
Аноним 03/10/21 Вск 22:22:41 475941 481
>>475939
А ты я смотрю чрезмерно умный. Мертвое время влияет только на то что если в течение него в объем колбы залетит частица, то она не вызовет реакции. И ничего ты с этим не сделаешь, сколько импульсов прилетело, столько и прилетело. Максимум можешь скорректировать показания на дисплее, уже после того как подсчитаешь количество импульсов, но толку то. Также стоит задаться вопросом, а будешь ли ты пихать что-то столь сильно фонящее, что это мертвое время внесет существенный вклад.
Аноним 03/10/21 Вск 22:33:49 475945 482
>>475941
Не я, а другие люди. Которые уже собирали дозиметры. И они учитывают и собственный фон датчика, и, в меньшей степени, мертвое время.
>можешь скорректировать показания на дисплее
Об этом и был мой первоначальный вопрос. Как перевести количество насчитанных импульсов в микрорентгены в час, грубо говоря.
Аноним 03/10/21 Вск 23:15:01 475950 483
>>475945
>Как перевести количество насчитанных импульсов в микрорентгены в час
Казалось бы причем тут прошивка, это максимум всего лишь пару строк в программе.
>Рентген равен экспозиционной дозе фотонного излучения, при которой в 1 см³ воздуха, находящегося при нормальном атмосферном давлении и 0 °C, образуются ионы, несущие заряд, равный 1 единице заряда СГСЭ (≈3,33564x10^−10 Кл) каждого знака.
Так ли нужно это число в простом дозиметре с СБМ-20 (или что там у тебя)? Заметь, согласно этому определению нужно отбросить альфу и бету (что вобщем-то несложно), а оставить только гамму и рентген. Я конечно действительно не очень умный, но по моему ты хочешь чего-то бесполезного.

>И они учитывают и собственный фон датчика, и, в меньшей степени, мертвое время.
Вот эти они пусть и учитывают всякую ерунду.
Аноним 04/10/21 Пнд 07:55:10 475963 484
>>475950
>>475945
Кстати, по моему есть еще один момент. Насколько соответствует тому определению зависимость чувствительности СБМ-20 (или другой трубки) от энергии гамма-кванта? Наверняка эта зависимость сделает бесполезной все ухищрения вроде:
>И они учитывают и собственный фон датчика, и, в меньшей степени, мертвое время.
Хоть обучитывайся, толку то. Как по мне, основная задача самодельных и бытовых дозиметро-радиометров - поисковая. А если учесть что отсутствует прямая зависимость между "микрорентгенами в час" и поглощенной дозой, в том числе эквивалентной, то все эти ухищрения тем более бесполезны. Пусть "на другом форуме" страдают всякой ерундой.
Аноним 04/10/21 Пнд 13:37:55 476008 485
>>475895
Годно, подписался
Аноним 04/10/21 Пнд 13:48:04 476012 486
>>475935
>С СБМ-20 фон ниже 150 мкР/ч достоверно не измеришь
обоссан
Аноним 04/10/21 Пнд 18:45:02 476037 487
>>476012
Ну так помой свое ебло, если ты обоссан
Аноним 04/10/21 Пнд 20:01:35 476042 488
>>476037
Может про обоссывание этот анон зря, но разве собственный фон столь велик?
Возьмем этикетку от СБМ20. Написано что чувствительность 60 имп/мкР, а собственный фон не более 1 импульса в секунду. 1 мкР/ч = 3600 мкР. Получаем 3600/60=60 импульсов в час при 1 мкР/ч. Собственный фон на уровне 1 мкР/ч. Но это все равно мелочи по сравнению с остальными заявлениями.
Конечно я могу чего-то не понимать, но что-то не складывается. Сначала налажают в числах на два порядка, а потом начинают учитывать "мертвое время" с прочей ерундой и плеваться от распределения Пуассона.
Аноним 04/10/21 Пнд 20:09:29 476044 489
>>476042
>Собственный фон на уровне 1 мкР/ч
Извиняюсь, фигню написал. Но это все равно не 150. Причем 60 имп/мкР это при 4 мкР/с, при меньших значениях вероятно счетчик может быть чувствительнее.
Но даже если был бы такой фон, на достоверность это бы не повлияло таким образом.
Аноним 04/10/21 Пнд 21:18:39 476048 490
Так че получается, у сбм20 погрешность +-30 микроренгенов в час? Нахуй тогда такая трубка нужна?
Аноним 04/10/21 Пнд 21:39:25 476051 491
>>476046
>Отсюда у них и получается ~150мкР минимум для СБМ-20, блять.
Как ты считал? Один импульс в секунду при чувствительности 60 имп/мкР соответствует 60 мкР/час.
Можно проверить, 60 мкР даст 60х60=3600 импульсов, т.е. те самые 1 импульс в секунду. Но реально даже без свинцового домика оно с такой скоростью не считает.
Аноним 04/10/21 Пнд 22:34:55 476057 492
>>476048
Не, оно не так работает. Тут к одной случайной величине прибавляется другая, но СКО этих величин зависит от времени счета.
Тут нужно вернуться к тому же Пуассону, но для простоты рассмотрим случай когда оно приближается к нормальному распределению, т.е. когда время счета не совсем маленькое. СКО в этом случае можно принять равным корню из матожидания количества импульсов за время счета. Допустим собственный фон 1 импульс/с, плюс естественный фон 0,3 импульса/с (20 мкР/час). Тогда за 10 минут матожидание составит 600х(1+0,3)=780 импульсов, а СКО 28 импульсов. Если брать тупо три сигмы, получаем "точность" (при определенном доверительном интервале) около +-84 импульса или +-9 мкР/час.
Но если вспомнить что есть зависимость чувствительности от энергии гамма-кванта, то намерили не микрорентгены, а попугаев. Что вобщем-то неплохо, но единицы измерения следует заменить.

Если я где ошибся, то пожалуйста не обкладывайте хуями, я не претендую на звание главного математика.
Аноним 05/10/21 Втр 00:17:05 476073 493
23981.gif 51Кб, 600x849
600x849
23983.jpg 356Кб, 1262x865
1262x865
>>476072
Я же просил не обкладывать хуями. Веди себя прилично!
>Да там до 2 импульсов в секунду на самом деле по паспорту. Ты наебан, жопоглазый, поздравляю
В каком месте? Вот я притащил этикетку и паспорт, где там двойка? Но даже если бы там была двойка, откуда взялись твои 150?
>Ор до небес.
Собственный фон можно измерить, с определенной точностью конечно. А даже если нечем измерить, то можно считать относительно естественного фона, который известен до определенной точности. Даже в этом случае и близко не получается 150 мкР/ч о которых ты писал.
Но это все ерунда, потому что даже если откалибруешь все это в лабораторных условиях, то корректно оно будет показывать только для того изотопа по которому калибровал.
Аноним 05/10/21 Втр 07:47:36 476080 494
>>476075
Я тебя не обзывал ни дурачком, ни чмом.
>Если у датчика собственный фон не 1 имп/с, а от нуля до одного
Так все-таки единица?

>а от нуля до одного
Это я упоминал уже.

>Это все меняет принципиально.
Это простейший пример в котором много чего не учтено. Я даже про ошибку в кавычках написал, чтобы никому в голову не пришло того что это действительно ошибка. Тем примером я показал только то что:
>Не, оно не так работает.
Ошибка не складывается таким образом, как некоторым могло показаться. Высокий собственный фон не означает того что:
>С СБМ-20 фон ниже 150 мкР/ч достоверно не измеришь.
Даже если бы собственный фон был на столь высоком уровне.
Аноним 07/10/21 Чтв 03:18:19 476278 495
>>476265
Обосрался...
В рации тредах, КВ связь мочу с неделю ждать нужно, а тут вон как быстро налетел.
блять уже второй месяц жду медальон с Китая из тория, не который зелёный, а черный, рисовый пидорас выслал без отслеживания
Аноним 07/10/21 Чтв 11:01:24 476301 496
>>476278
Зато вот этого >>476042 >>476057 тупорылого петуха несущего хуйню не потер
Аноним 07/10/21 Чтв 17:44:27 476347 497
>>476301
А ге он хуйню несет? Все по делу
Аноним 07/10/21 Чтв 20:05:10 476364 498
Аноним 07/10/21 Чтв 20:21:52 476366 499
>>476364
Это конечно бред, но через несколько минут я сам же написал что это бред.
Правильно разумеется будет >>476051
Где еще не так?
Аноним 07/10/21 Чтв 22:13:48 476378 500
>>476366

>>476057
>Допустим собственный фон 1 импульс/с
>>476051
>Но реально даже без свинцового домика оно с такой скоростью не считает.

Собственный фон конкретного датчика неизвестен
Аноним 08/10/21 Птн 06:50:10 476395 501
>>476378
Глупости. Если ты не собираешься делать свинцовый домик, то обратись к тем у кого он есть. Можно любителя какого-нибудь попросить, а можно даже обратиться в контору проводящую радиологические исследования. А даже если так не хочешь, то естественный фон известен — 20+-10 мкР/час.
Аноним 08/10/21 Птн 10:32:19 476400 502
>>476395
Ты дурачок малолетний, просто дурачок или троллишь тупостью? Естественно, никто ради наколенного дозиметра этим заниматься не будет. Для серийных тоже сомневаюсь, что кто-то поверяет все датчики - а если и поверяет, они получаются не заменяемые в конечном устройстве (при замене датчика его бы приходилось настраивать заново).
Аноним 12/10/21 Втр 21:14:21 476639 503
Аноним 12/10/21 Втр 21:57:14 476642 504
>>476639
Нам всем пизда!!!
Сколько в верхних слоях атмосферы могут пролететь частицы цезия/стронция км? Чтобы выпасть с осадками в каких либо значимых количествах???
мимо Южный-Сахалин
Аноним 13/10/21 Срд 00:14:55 476654 505
>>476642
>17 августа 2021
А все, ты уже мутантик чернобыльский облученный
Аноним 13/10/21 Срд 01:33:57 476661 506
chikibriki.png 246Кб, 500x566
500x566
Как интересно-то
https://youtu.be/lEWot0iflHE?t=100

Есть ли упоминания об этой аварии в википедии? НЕТ
Ищется ли она в гугле? НЕТ я не нашел
Аноним 17/10/21 Вск 22:16:32 477127 507
1634498157926.jpg 6457Кб, 4032x3016
4032x3016
1634498158452.jpg 5058Кб, 3016x4032
3016x4032
Нипонский слегка фонящий гранит.
Аноним 17/10/21 Вск 22:18:17 477128 508
1634498267448.jpg 4584Кб, 3016x4032
3016x4032
1634498267810.jpg 6457Кб, 4032x3016
4032x3016
Аноним 21/10/21 Чтв 11:11:31 477440 509
Аноним 21/10/21 Чтв 13:15:23 477451 510
Как вывесить счетчик гейгера за окно? Во что его оборачивать, чтобы не было конденсата и пыли, и оболочка не препятствовала замерам?
Аноним 27/10/21 Срд 18:22:19 478009 511
>>477451
в пластивовой бутылке
Аноним 23/11/21 Втр 20:27:03 481193 512
1B915FEF-8BD5-4[...].jpeg 90Кб, 686x526
686x526
Аноним 01/12/21 Срд 21:39:57 482198 513
0e09ef79001e054[...].jpg 53Кб, 720x405
720x405
Аноним 01/12/21 Срд 23:23:18 482211 514
Аноним 02/12/21 Чтв 11:25:10 482254 515
>>482211
Да не, там на порядки меньше фонит.
Но по сути, возможно, все примерно так и было.
Аноним 02/12/21 Чтв 11:57:25 482257 516
>>482254

Могли вполне на заводе столбов разъебать дефектоскопический источник и спрятать внутри столба.
Аноним 17/12/21 Птн 21:56:36 483672 517
Аноним 19/12/21 Вск 21:19:15 483839 518
Расскажите нубу, а че вам обычный ДП-5В не подойдет?
И нахуя мерить что либо, кроме гаммы? Типа бета, и тем более - альфу.

Ваще нихуя не знаю, но так интересно.
Аноним 24/12/21 Птн 04:17:38 484233 519
>>303755 (OP)
КОВИД
Короче поставился сегодня первым компонентом Эпи Вак Корона, На работе запрягли ну и проверил место укола дозиметром . И как вы думаете что????

НОРМА, все отлично.
Аноним 24/12/21 Птн 12:01:56 484241 520
>>484233
А магнитик? Магнитик прикладывал?
Вышки 5ЖЫ тебя гипнотизируют теперь?!
Аноним 24/12/21 Птн 22:42:00 484289 521
Снимок экрана 2[...].png 187Кб, 1689x755
1689x755
>>484241
нелинейным локатором надо -магнитик дозиметр-херня!
Аноним 25/12/21 Суб 00:09:43 484299 522
16399274275140.mp4 7080Кб, 400x528, 00:01:18
400x528
Аноним 25/12/21 Суб 05:37:38 484336 523
155081916419575[...].png 484Кб, 700x437
700x437
>>484299
Надо было у нее фон дозиметром померять!
Аноним 26/12/21 Вск 19:49:59 484473 524
>>484233
Потому что это не вакцина, а херня. Даже шпунтик лучше.
Аноним 29/01/22 Суб 02:42:28 487839 525
Хочу тупа по приколу собрать дозиметр, устойчивый к электромагнитному импульсу и проникающему излучению на случай БП.
Везде пишут про экранирование и защиту внешних цепей супрессорами, еще упоминают фотоэффект, который наводит эдс в p-n переходах.

Как считаете, прокатит обычная схема с сбм и микроконтроллером, дополнительно защищенная tvs-ками и помещенная в алюминиевый корпус?
Или лучше сделать чисто аналоговую?
А может, обмазаться стариной и собрать аналог ретро дозиметров 60-х?
Аноним 29/01/22 Суб 16:35:54 487869 526
>>484299
А вот если бы у неё был бы кот муж, который её бы няшил, то она бы такой хуйнёй с шебм не маялась.
Аноним 29/01/22 Суб 19:13:50 487884 527
>>487839
электроскоп собери, аутист. Будет тебе сверхустройчивость
Аноним 30/01/22 Вск 13:58:11 487940 528
>>487884
камеру Вильсона ещо можно в придачу
Аноним 31/01/22 Пнд 14:40:47 488017 529
Аноним 31/01/22 Пнд 15:49:36 488018 530
Аноним 31/01/22 Пнд 18:37:48 488030 531
274px-LeoTolsto[...].jpg 29Кб, 274x373
274x373
>>488017
не всему написанному ,особенно ы 90 е-2000е надо верить-мало ли что можно написать.На словах Он разработчик и прочее-а на деле пиздабол и хуй простой.
Аноним 31/01/22 Пнд 21:11:06 488037 532
>>488017
Статья огонь, особенно мне понравилось как пытались построить передатчик на 133ЛА3. Забавно.
Аноним 31/01/22 Пнд 21:54:26 488043 533
Аноним 31/01/22 Пнд 22:13:27 488044 534
>>488043
да не особо ,даже прикольно почитать как героически Он спал 6часов-но задание выполнил-аж целых 3 радиомаяка наколхозил,и спас страну.
Аноним 31/01/22 Пнд 22:26:18 488046 535
>>488044
А, так тебе завидно. Ясно.
Он же написал, что непонятно, что дальше с маяками стало, ибо заражение было на порядок серьезнее, чем предполагалось.
Аноним 31/01/22 Пнд 22:45:20 488048 536
>>488046
что ему завидовать? что он на картошку ездил? или в космоконторе работал? так и я там работал(тока не в этой) .непонятно про что ты ? Надо просто этот журнал знать-кто там окалачивался и как они статьи печатали ,и чего это все стоит.Лано ни о чём разговор.
Аноним 01/02/22 Втр 00:14:33 488054 537
>>488048
>и я там работал
Рассказал бы тоже байки какие-нибудь (если это не секретно, конечно)
>Надо просто этот журнал знать-кто там окалачивался и как они статьи печатали ,и чего это все стоит
Тогда понимаю, анончик )
Аноним 01/02/22 Втр 17:26:21 488110 538
>>488054
на запуске модуля Спектр (пл95) военные повели себя неоч. хорошо-стали хватать всех на улице городка (пл95) гражданских спецов и свозить в комендатуру-хз зачем? Так как тогда прилетел на запуск командующий ВКС ,и они хотели выслужиться перед ним наверно?И вобще военные все свои неудачи сваливали на гражданских специалистов-чтото загорелось-гражданские виноваты,чтото украли -тоже на гражданских валили-ну и народ их в душе проклял. Проходит время......по новостям собщают-в Спектр врезался -то ли Прогресс то ли Союз-вобщем проклятия подействовали.
Аноним 01/02/22 Втр 17:31:17 488111 539
Столкновение «Прогресса-М34» с модулем «Спектр» 25 июня 1997 года транспортный корабль «Прогресс М-34» при проведении ручной стыковки в телеоператорном режиме управления столкнулся с пристыкованным модулем «Спектр». Столкновение произошло из-за ошибки при испытании новой системы управления и сближения[3].

Помимо огромных повреждений солнечных батарей, в результате столкновения образовалась пробоина в модуле «Спектр» площадью 2 см2, что привело к снижению давления воздуха на всей станции. Во время столкновения на «Мире» находились космонавты Василий Циблиев и Александр Лазуткин, а также американский астронавт Майкл Фоул. Экипаж решил герметически изолировать повреждённый модуль, обеспечив тем самым жизнеобеспечение станции. Ситуацию осложнило то, что через стыковочный люк, соединяющий модуль со станцией, пролегали многочисленные кабели и шланги. Отсечение модуля повлекло за собой временную потерю электроэнергии, вырабатываемой станцией — с обесточиванием модуля были отключены солнечные батареи «Спектра», дававшие 40 % электроэнергии[4].

Ко времени аварии «Спектр» был главным источником энергии станции «Мир». Из-за повреждения солнечных батарей и прерывания важных кабельных соединений при изолировании модуля солнечные панели модуля не могли поворачиваться к Солнцу и отдавать энергию на станцию. Сразу после аварии энергии было недостаточно для проведения экспериментов и снабжения большей части оборудования станции.

Члены экипажа 23-й экспедиции были награждены государственными наградами — А. Лазуткин получил звание Героя России, В. Циблиев — орден «За заслуги перед Отечеством» III степени[5].

Попытки ремонта предпринимались в августе 1997 года (в рамках экспедиции «Союза ТМ-26»); в октябре 1997 года (в рамках посещения шаттла «Атлантис» (STS-86) — пятичасовой выход в открытый космос, во время которого на стыковочном отсеке была закреплена специальная оболочка («Крышка»), которая могла бы использоваться для закрытия дыры на обшивке модуля в последующих выходах в космос[6]). Несмотря на продолжавшиеся попытки восстановления, во время (последнего) посещения шаттла «Дискавери» (STS-91) его экипаж наблюдал утечку воздуха из модуля. Даже последний экипаж станции (Союз ТМ-30) тщетно попытался устранить течь во время выхода в открытый космос. Починить модуль так и не удалось. Таким образом, всего через два года после запуска и до конца работы станции модуль оставался неиспользуемым. Выработку энергии удалось восстановить и сохранять вплоть до контролируемого свода станции с орбиты.
Аноним 01/02/22 Втр 17:35:15 488112 540
Ну в редакции ж Радио-где то 2 недели работали (бригада) -меняли им пожарную сигнализацию , и всю телефонию-так что успел посмотреть что там за люди работают (в основном деды в то время хитрожопые) на вроде того спасителя с катушками.Может ошибаюсь конечно ,но оч похоже
Аноним 11/02/22 Птн 11:14:17 488778 541
Аноним 18/02/22 Птн 11:28:10 489392 542
>>467475
Мутирую в гидралиска.
Аноним 18/02/22 Птн 14:19:49 489410 543
16451185413700.jpg 285Кб, 1584x2048
1584x2048
Хочу собрать дозиметр. Посоветуйте схему плиз
Аноним 19/02/22 Суб 09:17:04 489456 544
Аноним 19/03/22 Суб 07:08:22 490746 545
>>303755 (OP)
Посоветуйте готовый прибор в пределах 5к с авито. Хочу мерить грибочки и советские радиодетали. Читал теорию - только больше запутался в сортах датчиков.
Аноним 19/03/22 Суб 23:13:00 490801 546
>>490746
>в пределах 5к
>мерить грибочки
/0. Хотя сейчас набегут советчики увеличения времени замера и создания домика.
>и советские радиодетали
Любой дешманский на СБМ-20.
Аноним 20/03/22 Вск 02:25:49 490805 547
>>490801
>/0
Можно чуть подробнее? Не выйдет совсем или не выйдет точно? Даже на уровне "норм - так себе - уебывай отсюда" не прокатит?
>на СБМ-20
Какого-то адвайс-листа со списком по датчику/типу/наворотам не существует? Эту инфу в объявах далеко не везде пишут, слишком большая выборка выходит.
Аноним 20/03/22 Вск 02:35:38 490806 548
>>490805
>Можно чуть подробнее?
Замер радиации в продуктах - наука дорогая и сложная.
>Не выйдет совсем или не выйдет точно?
Геморно, неточно, долго, дорого и не нужно.
>Даже на уровне "норм - так себе - уебывай отсюда" не прокатит?
С трудом даже "уёбывай" покажет.
>Какого-то адвайс-листа со списком по датчику/типу/наворотам не существует?
Для начала Радексы и Терры поищи.
Аноним 20/03/22 Вск 07:40:12 490808 549
Здравствуйте.

Помню был тутор как перевести Радиоскан 701а на литий.
Не могу найти. Там вроде какой-то транзистор надо было перепаять.
Аноним 29/03/22 Втр 06:29:06 491305 550
>>490806
Короче, остановился на МКС-01СА1М, потому что везде пишут что сбм-20 - лотерея, надо проверять на КИ на месте. Обоссыте или сойдет?
Аноним 14/04/22 Чтв 01:23:46 492337 551
Господа, приобрёл себе ДП-5В обр.1989 года.
Так случилось, что он оказался без документов, но по написанным на нем химическим данным в виде "22", смог высчитать, что с 1989 года элемент просел до 9. Прибор на контроле показывает 12, ну что-ж.

Расскажите, как можно приобрести что-то фонящие, а лучше - сделать домашний излучатель дома. Слышал о каких-то злых советских лампах.
Да, я безумен, хочу чуток поиграться.
Аноним 14/04/22 Чтв 15:09:41 492361 552
>>490746
>мерить грибочки
Не обязательно мерить грибочки, перед тем как трипануть!
Аноним 14/04/22 Чтв 20:18:34 492375 553
ГП-5[1].jpg 369Кб, 1113x1874
1113x1874
>>492337
>злых советских лампах
Тебе нужна ГП-5 и источник напряжения 30+ кВ.
Аноним 15/04/22 Птн 00:57:25 492393 554
>>492375
>Существует миф, согласно которому этот триод является слабым источником рентгеновского излучения. Хотя и при особом способе включения и многократном превышении эксплуатационных характеристик он всё же может являться крайне слабым источником вышеупомянутого излучения, в исправной схеме радиолампа не представляет никакой радиационной опасности.
Грят, что пиздобольство.
Мне б так, что б аж на ДКП-50А был результат.
Аноним 15/04/22 Птн 02:15:39 492395 555
Аноним 15/04/22 Птн 06:36:51 492396 556
>>492393
Значит тебе в Чернобыль это недалеко от Чернобаевки
Аноним 18/04/22 Пнд 17:30:22 492669 557
>>492396
От мемной Чернобаевки ближе Южная АЭС в Запорожье. И она уже под ВС РФ. А до ЧАЭС близок лишь Киев и Ирпень с Бучами и пока наши вышли из этого района.
госпаде, поскорее б Точка-У или Калибр прилетел в АЭС, и мне, ЗКВ РХБЗ, хоть бы работа там нашлась.
Аноним 19/04/22 Втр 22:37:23 492740 558
>>492669
>поскорее б Точка-У или Калибр прилетел в АЭС
Нихуя не будет.
Аноним 14/09/22 Срд 13:02:01 504623 559
Фонящий на весь радач БАМП

Посоветуйте схем дозиметров на ардуине, чтобы на коленке можно было легко собрать
Аноним 14/09/22 Срд 14:45:02 504636 560
>>504623
А при чем тут ардуина? Там нужно саму колбу где-то найти, СБМ 20 или ещё что-то такое. Потом нужно около 400 вольт питания этой колбы. И только после этого можно считать импульсы, можно ардуиной, а можно и самому по миганию светодиода или треску динамика. Или можно не счётчик Гейгера с колбой, а показомер на PIN фотодиоде, но там все равно так же нужно считать импульсы.

И учти что дозиметром такие самоделки, да и почти все "бытовые дозиметры" можно назвать только очень условно, это просто показометры на уровне больше-меньше.
Аноним 14/09/22 Срд 15:07:22 504637 561
>>504636
>саму колбу где-то найти
А в чем проблема? Вроде лежат на авито и сайтах всяких пока, дефицита не наблюдается.
>нужно около 400 вольт питания
Ну а тут в чем проблема? Компоненты все легкодоступные.
>показомер на PIN фотодиоде
И как ты будешь им мерить? Счетчик гейгера хоть как-то нормированный, а диод не для того предназначен, и с ним тебе никто ничего не гарантирует.
>это просто показометры
Если взять значение имп/мкр для сбм-20 из его справочного листка, и вбить его в прошивку, и потом через него считать фон, то значения совпадают с готовым дозиметром и с естественным фоном. Так что все работает. Да, я знаю, что есть разные детекторы и т.д., но говорить, что оно совсем ничего не мерит, это преувеличение.
Аноним 14/09/22 Срд 15:56:27 504640 562
>>504637
Ну ладно, не буду советовать. Только с таким ардуинским подходом рискуешь сделать фигню, которая будет быстро выжирать батарейки, когда можно сделать потребление в несколько десятков микроампер.

>но говорить, что оно совсем ничего не мерит, это преувеличение.
Так себе оно мерит. И вообще одно дело мкр, а другое поглощённая доза и третье изотопный состав.
Аноним 14/09/22 Срд 17:08:09 504644 563
>>504640
>которая будет быстро выжирать батарейки
Если это действительно критично, то ардуина не лучший вариант. Источник питания для трубки тоже должен быть экономичным. Есть, например, MightyCore, это доп. пакет для ардуины с возможностью помимо прочего работать с частотами пониже, что сильно снизит энергопотребление процессора, да и самих камней там пошире выбор. В принципе, использовать вместо ардуины просто аврку с обвязкой никаких проблем нет, там все элементарно. А вот для 400в преобразователя придется что-то мотать наверняка, если хочется экономичности.

>одно дело мкр, а другое поглощённая доза и третье изотопный состав
Да, но для начала можно и газоразрядный сделать.
Аноним 14/09/22 Срд 18:51:57 504651 564
>>504644
>Если это действительно критично
Это вообще-то один из основных параметров, сразу после типа и количества счетчиков. Какой смысл делать самоделку, если оно даже в этом будет хуже готового недорогого бытового "дозиметра"?

>с возможностью помимо прочего работать с частотами пониже
Целесообразнее использовать спящий режим.

>А вот для 400в преобразователя придется что-то мотать наверняка, если хочется экономичности.
Можно без всяких намоток. >>473108
Аноним 15/09/22 Чтв 03:16:07 504669 565
>>504651
Пытаться превзойти промышленные модели затея, мне кажется, в принципе провальная. Прелесть ардуины и вообще самоделок в том, что получаешь больше контроля над тем, какой прибор получится. Например, можно сделать дозиметр-монитор, который будет питаться от сети (энергопотребление некритично) и непрерывно измерять фон в помещении.
Аноним 15/09/22 Чтв 07:20:26 504673 566
>>504669
>Пытаться превзойти промышленные модели затея, мне кажется, в принципе провальная.
Превзойти прям абсолютно по всем параметрам может и нет, но в чем проблема сделать как минимум не хуже, а в чем-то и лучше? "Промышленные" модели особые люди что ли разрабатывали? Или там особые детали нужны, которые не купишь? Так нет, обычные люди разрабатывали и детали самые обычные.

>Например, можно
Всякое можно, делай что хочешь, я тебе не запрещаю. Можно и в виде непрерывно работающего брелка сделать.
Аноним 15/09/22 Чтв 09:47:30 504677 567
>>504673
>в чем проблема сделать как минимум не хуже, а в чем-то и лучше?
В том, что купить проще и дешевле.
Аноним 15/09/22 Чтв 11:06:53 504683 568
>>504677
>В том, что купить проще и дешевле.
Это почти к любой самоделке относится.
Но тем не менее, как я показал, сделать нормальный источник напряжения проще некуда, даже мотать ничего не требуется. И это будет даже лучше большинства "промышленных" моделей, в которых тупо на блокинг-генераторе с трансформатором сделано.
Аноним 16/09/22 Птн 21:51:50 504808 569
>>504683
Зачем? Будет примерно то же самое — и в том, и в другом случае время автономной работы достаточное.
Аноним 26/09/22 Пнд 09:23:58 505367 570
Аноним 27/09/22 Втр 00:19:21 505398 571
>>505367
пишешь всю оперативку и сверяешь. Как пошли битые записи, значит ты в зоне радиации. Если сможешь растворить верхнюю часть корпуса, будет ещё чувствительнее
Аноним 15/10/22 Суб 13:32:48 506418 572
16657779568800.png 201Кб, 2616x754
2616x754
Будет работать такая схема?
Аноним 20/10/22 Чтв 21:05:43 506736 573
бамп
Аноним 24/10/22 Пнд 15:50:34 507021 574
Чем детектировать альфу и рентген? Чувчтвительны ли к ним обычные газоразрядные счетчики Гейгера?
Аноним 04/01/23 Срд 02:13:40 514229 575
Что можно такого взять из готовых приборов в бюджете 10килорублей, чтоб можно было повесить на пояс и пусть сигналит когда становится жарко по излучению? Вот прям можно просто, пошла активность И хорошо бы ещё этим можно было проверить помещение/продукты на фон, ну хоть так, примерно активность почувствовать.
Б/у сцинтилляторы от Полимастера имеют смысл?
Аноним 04/01/23 Срд 10:46:46 514245 576
>>514229
>пусть сигналит когда становится жарко по излучению?
Чем в таком контексте будет плоха фигнюшка на СБМ-21. Сигналить сможет, а сделано оно может быть вовсе в виде брелка для ключей и одной батарейки на месяцы хватит.
Аноним 04/01/23 Срд 16:21:42 514267 577
изображение.png 574Кб, 1250x529
1250x529
>>514245
В смысле самому паять или просто выбирать по измерительному элементу? Есть ли смысл брать юзер-френдли дозиметры типа пикрила или там слишком много подводных камней каких-то?
Аноним 04/01/23 Срд 16:41:57 514268 578
>>514267
>В смысле самому паять
Не знаю. Я только о том что оно может быть очень маленьким и работать очень долго от одной батарейки.
>или просто выбирать по измерительному элементу?
Да ни к чему особо. Опасный уровень гаммы почти что угодно почует. Основной недостаток у счётчиков Гейгера с небольшим объемом как сбм-21 это скорость счета, будет медленно реагировать на изменения. Но этого более чем достаточно чтобы зафиксировать опасный уровень гаммы, но только не для продуктов питания. И не нужно ничего сложного и дорогостоящего. На счёт того есть ли готовые варианты в формате брелка не знаю, не интересовался.
>Есть ли смысл брать юзер-френдли дозиметры типа пикрила или там слишком много подводных камней каких-то?
Тем более не знаю, это зависит от того что тебе нужно.

А ещё тут полно экспертов, которые обосрут что угодно.
Аноним 22/02/23 Срд 21:00:02 519336 579
Как вычислить оптимальный измерительный интервал для заданной трубки Гейгера?

Вот нам дано значение имп/мкР для нашего счетчика, и фон 8-10 мкР/ч. Сколько времени считать импульсы, чтобы получить стабильный результат?

Например, если считать пять минут на СБМ-20, получается, что фон скачет каждые пять минут от 6 до 12 микрорентген. Это вряд ли действительно так.
Аноним 26/02/23 Вск 02:05:59 519727 580
>>514229
Radex one, очень долго работает от батарейки, есть сигнал при превышении порога. Подсветки экрана нет.
Аноним 26/02/23 Вск 05:33:24 519735 581
>>519336
Распределение Пуассона.
>дано значение имп/мкР
Очень условно. По всем правилам разные частицы в зависимости от их энергии и вида нужно учитывать по разному и с определенными коэффициентами, чего у этих трубок не будет.
Аноним 26/02/23 Вск 11:48:47 519746 582
>>519735
Да, условно. Но придется работать с тем, что есть.
Аноним 28/02/23 Втр 00:12:46 519910 583
Почему у меня три дозиметра показывают разную хуйню (но каждый строго свою определенную)? Один блять 8 мкр, второй 10, третий 6 блять. Счетчик один и тот же для всех трех, схема одна и та же, вот такая: >>489456
Аноним 28/02/23 Втр 00:30:16 519912 584
image.png 262Кб, 941x871
941x871
>>519910
даташиты на трубки почитал бы
Аноним 28/02/23 Втр 07:26:17 519919 585
>>519912
Где ты возьмёшь такие трубки, у которых это мертвое время будет хоть немного влиять при ~10 мкр/ч?
Нет, оно просто само по себе такое. Потому что всё это не измерительные приборы, а индикаторы больше-меньше. Потому что >>519735 оно вот так для начала. Так что не стоит обращать внимания на абсолютные величины которые оно показывает.
Или взять хотя бы бету, большинство трубок не особо реагируют на это, но даже сбм-20 немного реагирует. Так вот если прикрыть кусочком пластика - уже показания изменятся, это если источник даёт бету. А ты про какое-то мертвое время, которое начинает хоть немного влиять при десятках импульсов в секунду.
Аноним 28/02/23 Втр 12:06:33 519934 586
>>519912
Жопой читаешь? Одна и та же трубка используется.
Аноним 28/02/23 Втр 12:13:36 519936 587
>>519919
Еще один умник тупорылый. Тебе сказано, что при смене электроники (НЕ ТРУБКИ БЛЯТЬ! трубка одна на всех) меняется измеренное значение, причем оно для всех плат свое и ПОСТОЯННОЕ БЛЯТЬ. Т.е. одна плата мерит 11 всегда, другая 8 всегда, третья 6 всегда. Еще показания всех трех плат меняются процентов на 10-15 от разных источниках питания (разница в их напряжении 0.1-0.2в, все пятивольтовые зарядки/павербанки/компы). Там явно какой-то косяк в электронике.
Аноним 28/02/23 Втр 13:05:04 519943 588
>>519936
>>519934
Ну если ты тут самый умный, то советы анонов тебе вряд ли нужны.
А так, какая разница сколько мкр/ч оно показывает? Может оно по разному пересчитывает, кто тебя разберёт что ты там делаешь. Для начала сравнивать в таком случае нужно количество импульсов.
Аноним 28/02/23 Втр 13:07:01 519944 589
>>519936
>Еще показания всех трех плат меняются процентов на 10-15 от разных источниках питания
Это нормально, что хотел то от преобразователей на блокинг-генераторах, да ещё без ldo по входу.
Аноним 28/02/23 Втр 13:17:14 519945 590
>>519944
>на блокинг-генераторах
Где ты там блокинг увидел? Там буст на 555.
>>519943
>сравнивать в таком случае нужно количество импульсов
Прошивка одна и та же, естессно. Количество импульсов разное, за одно и то же время (по часам на компе, а не по часам контроллера).
Аноним 28/02/23 Втр 13:46:50 519946 591
>>519945
>Где ты там блокинг увидел? Там буст на 555.
Разумеется я не смотрел схемы. И какая разница собственно, то же говно без стабилизации. Чем проверял выходное напряжение? И как там появятся хоть какие-то гарантии что напряжение не то что стабилизировано, а хотя бы попало на "плато"?
Аноним 01/03/23 Срд 00:00:59 520012 592
>>519946
Добавил стабилизацию (убрал 555 и беру шим с контроллера), ничего не изменилось. Напряжение устанавливаю примерно 400В, это середина плато. Сейчас проверяю прямо мультиметром на выходном конденсаторе после умножителя, держит (если использовать делитель 20М+200к - то же самое, примерно 400В получается; т.к. для стабилизации уже используется делитель, в этом нет смысла). Раньше проверял делителем, тоже накручивал примерно 400В. Там явно с регистрацией импульсов какая-то хуйня (подсчет идет одинаково). Осциллограф нихуя не дает: ширина импульса с трубки примерно 1мс, амплитуда на коллекторе транзистора примерно 4В. Вполне достаточно должно быть.
Аноним 01/03/23 Срд 00:01:47 520013 593
>>520012
>Осциллограф нихуя не дает: ширина импульса с трубки примерно 1мс, амплитуда на коллекторе транзистора примерно 4В
Я имею в виду, что во всех трех случаях все вроде одинаково
Аноним 03/03/23 Птн 20:10:01 520261 594
>Электричество пропало у 40% потребителей или примерно у 20 млн человек. Подача остановилась из-за аварии на высоковольтной ЛЭП, которую вызвал пожар в окрестностях. В результате из строя вышел энергоблок АЭС «Атуча»
Аноним 05/03/23 Вск 13:03:03 520462 595
>>519910
У них погрешность измерения ±50%, хули ты хотел?
Аноним 05/03/23 Вск 17:21:37 520481 596
>>520462
>Счетчик один и тот же для всех трех
>У них погрешность измерения ±50%
Еще один слепошарый. У кого у них-то, у одного-единственного СТС-5?
Аноним 05/03/23 Вск 17:49:14 520484 597
>>520481
У ёбаной залупы на трубке СБМ-20, дурачок. У любой.
Аноним 05/03/23 Вск 23:56:57 520522 598
>>520484
Ты хули такой тупой, долбоеб? Это самодельные дозиметры, дурик. Ты в РАДАЧЕ блять, шизик. И я переключаю ОДНУ И ТУ ЖЕ блять трубку СТС-5 от одной платы к другой для тестов, даунито. Даже не двигаю трубку с места, просто провода от нее перетыкаю, и все. Дошло наконец?
Аноним 26/03/23 Вск 00:56:26 522530 599
Аноним 10/04/23 Пнд 08:34:16 524027 600
>>522530
Ну всё, теперь воду не пить!
Аноним 20/06/23 Втр 10:19:25 530053 601
поясните по хардкору про МКС-01СА1
Аноним 20/06/23 Втр 10:56:29 530054 602
>>530053
Вероятно там внутри все тот же СБМ-20, поэтому оно принципиально ничем существенным не отличается от множества других показометров с тем же СБМ-20.
Единственное отличие то что оно в госреестре, что для домашнего использования совершенно не важно.
Аноним 21/06/23 Срд 11:43:24 530139 603
>>530054
нет, там слюдяной круглый "бета-1".
погуглил обзоры - похоже, что это лучший вариант по цене "чуть выше среднего" (ещё выше только радиаскан и всякие сциинтилляторы)
Аноним 01/07/23 Суб 12:42:51 530671 604
Поясните за все эти круглые слюдяные датчики.
Стоит ли их брать для самоделки?
Аноним 14/07/23 Птн 13:01:12 531604 605
F8AFA2E3-FF6A-4[...].jpeg 1365Кб, 1600x1067
1600x1067
Аноним 14/07/23 Птн 18:05:36 531621 606
>>530671
хрупкие пиздец, неудачно пукнешь рядом с датчиком и он рассыпется
Аноним 14/07/23 Птн 21:22:17 531634 607
>>531621
На ютубе есть краш-тест датчика Бета-1. Не такой уж он и хрупкий.
у кого есть аккаунт на РХБЗ Аноним 07/08/23 Пнд 14:52:22 533174 608
я не смог зарегаться, письмо со ссылкой-подтверждением не пришло на 3 разных почтовых сервиса. отпишите, пожалуйста, в этом топике: http://forum.rhbz.org/topic.php?forum=79&topic=128&p=11

подтверждаю, в МКС-01СА1Б работает включение инженерного меню через установку порога беты в 29998 вместо стандартных 29999
кто-то писал, что щелчки не сохраняются, если выйти из настроек, но я методом научного тыка установил, что если в сервисном меню 1Б установить режим работы 1М, то щелчки сохранятся и после выхода.
Аноним 07/08/23 Пнд 14:57:47 533176 609
Аноним 08/09/23 Птн 09:08:47 535360 610
3076.webp 269Кб, 2600x1560
2600x1560
бампик радиозараженный
Аноним 05/10/23 Чтв 22:14:06 537684 611
>>531604
> Погиб 1 человек
Ебать лох
Аноним 15/02/24 Чтв 18:54:54 548619 612
image (2).png 1109Кб, 1288x966
1288x966
Всем привет, никто не знает, что за дозиметр, есть ли на него документация?
Собран он вроде как неверно на фото, но думаю для опознания не существенно
Аноним 18/02/24 Вск 17:41:14 548856 613
>>531604
Вспомнилась история про Оути Хисаси.
Аноним 02/04/24 Втр 15:24:27 552942 614
>>303878
усраинец спокуха
Аноним 09/04/24 Втр 18:06:35 553545 615
бамп
Аноним 09/04/24 Втр 18:12:28 553550 616
Аноним 19/11/24 Втр 15:34:18 567134 617
IMG2374.jpeg 142Кб, 960x720
960x720
Аноним 19/11/24 Втр 16:40:22 567140 618
>>567134
можно ссылку на озоне купить?
Аноним 19/11/24 Втр 18:15:52 567148 619
Курянам приготовиться
Аноним 19/11/24 Втр 19:20:07 567155 620
>>567140
38 000 000
Есть официальный сайт!
Аноним 20/11/24 Срд 20:05:49 567231 621
>>567134
Выглядит как бытовка рабочих после утепления на зиму.
Аноним 24/12/24 Втр 06:04:39 569100 622
173500919039570[...].jpg 252Кб, 1280x960
1280x960
Собрал такое для narodmon.com esp8266 + дозиметр "ИИИ-1"
Аноним 25/12/24 Срд 14:14:15 569247 623
Аноним 27/12/24 Птн 02:52:34 569410 624
>>569100
>narodmon.com
Что это за проект? За это синоптики что-то платят или просто так все дурю маются?
Аноним 27/12/24 Птн 14:22:40 569438 625
>>569100
Добра тебе, анон, дозиметров там небогато.
Аноним 27/12/24 Птн 18:26:18 569466 626
>>569410
>дурю маются
Для тех кто в детстве хотел стать *пиздаб
>дурю маются

Видимо для тех, кто в детстве хотел стать пиздаболом синоптиком.

Ну полезен сервис тем, что эти данные можно применить в iot, у меня например часы на esp8266+max7219 бегущей строкой кажут температуру с народа.
Аноним 27/12/24 Птн 18:27:26 569467 627
>>569466
>>569438
>дозиметров там небогато
На самом деле это не сложно
Аноним 15/06/25 Вск 17:27:38 578747 628
IMG3242.jpeg 5Кб, 225x225
225x225
бампик
ну что все дозики к пост апокалипсису себе собрали?
Аноним 16/06/25 Пнд 14:50:19 578785 629
>>578747
Дебильный, сиди с своем загоне, не засирай другие треды
Аноним 17/06/25 Втр 03:24:06 578819 630
>>578785
Шизуха с горой пластмассы с алиэкспресса, ты и тут нарисовалась, что ли?
Аноним 17/06/25 Втр 13:49:33 578831 631
>>578747
ещё после вибуха в северодвинске в 2019ом
Аноним 18/06/25 Срд 09:21:18 578877 632
>>578747
Для поц-апокалипсиса ничего собирать не надо. Достаточно взять простой советский ламповый прибор.
А все эти ваши махарайки на ардуинах будут выибаны в самом начале движухи. Ну или в лучшем случае в середине.
Аноним 18/06/25 Срд 11:49:15 578887 633
>>578877
>поц
Это опечатка или жирный намек?
Аноним 18/06/25 Срд 20:00:11 578942 634
>>578877
>махарайки на ардуинах будут выибаны в самом начале
Почему? Они мелкие и к проводным сетям не подключены.
Аноним 19/06/25 Чтв 10:20:54 578961 635
>>578747
Планирую.
Вот думаю, то ли корейский полупроводниковый детектор взять, то ли китайский на счётчике Гейгера.
Аноним 21/06/25 Суб 12:28:52 579064 636
1000018728.gif 68Кб, 997x555
997x555
1000018729.gif 56Кб, 1200x566
1200x566
1000018730.jpg 92Кб, 1956x1043
1956x1043
>>489456
Как же уёбищно схема там нарисована. Просто пиздец.
Аноним 21/06/25 Суб 13:21:47 579065 637
IMG3296.jpeg 240Кб, 736x736
736x736
>>579064
Тоже очень раздражает эта дебильная манера рисовать паутину, где хер пойми что хер пойми куда подключается, и какой компонент к какому блоку относится, и где какие сигналы. Просто край ебанизма нахуй.

Говносхемы откуда, из радиоблядских скуфиных записулек? Ну радиоскот вижу, да.

Так вот — все это дерьмо и халтура, пущай пиздуют переделывать.

Нахуя мотать намотушки, если атмега с шимом и ацп уже есть?
Ну это ладно, чисто технологический момент.

Важнее, что датчики везде подключены хуй пойми как, это что за блядство, личные маняпридумки? Это где они такие схемы подключения для СБМ-20/19 видели? Зато мы видим здесь, что скуфидошки к настоящей научной литературе времен СССР своими рукожопыми мозгами ни разу не прикасались — ведь в ней все схемы подключения и номиналы были расписаны для всех датчиков (а их там не один десяток). А неправильно подключенный датчик будет хуйню показывать.

Раздражает неимоверно.
Аноним 21/06/25 Суб 15:31:20 579068 638
>>579065
А что там со схемами включения? Резистор на много мегаом, чтобы разряд гасился, что ещё требуется? Импульс, в принципе без разницы, как считывать.

Схема с ВЛИ, думаю, ещё советская или из 90-х и там всё по классике, накал переменка. Ты в треде нескучных индюкаторов не сидишь?
Аноним 22/06/25 Вск 03:17:17 579078 639
IMG3321.webp 20Кб, 472x472
472x472
>>579068
Возьми, погугли — и узнаешь, что...

Схема с ВЛИ, скорее всего, придумка тупорылого радиошкольника. Как и остальные обе. Хотя включение датчика на ней больше похоже на правду.
Аноним 22/06/25 Вск 09:46:11 579083 640
>>579078
>Возьми, погугли — и узнаешь, что...
Что в документации написан номинал резистора и максимальная емкость нагрузки. Какая с этого разница как снимать выходной импульс?

>Хотя включение датчика на ней больше похоже на правду.
Нюанс в том, чтобы обеспечить скорость восстановления после разряда. Во первых скорость восстановления ограничивается самой колбой, это отражается в параметре максимальной скорости счета. Во вторых ограничивается схемой, а именно источником напряжения, напряжение на выходе которого проседает после разряда и относительно медленно поднимается обратно. Так вот как раз в этой схеме этот источник весьма дохленький. Ну и конечно ограничивается тем организован выход, если там импульс сильно растягивается, то соответственно скорость счета также будет ограничиваться, но для того чтобы такое произошло нужно еще постараться.
Так что ты ошибся, в этой схеме как раз наоборот не лучшим образом сделано. Впрочем пофиг, поскольку это не измерительный прибор.
Аноним 22/06/25 Вск 13:22:52 579091 641
IMG3268.jpeg 20Кб, 368x368
368x368
>>579083
В справочных листках, которые гуляют по интернету, нет практически ничего. Нужно литературу смотреть.
>напряжение на выходе которого проседает
Это полнейший бред. Ничего проседать не должно, это неисправность или неправильная схема. Источник в моем дозиметре собран по китайской схеме буста (но стабилизированный), и он мультиметр, подключенный напрямую к выходу, легко держит. Как ты предлагаешь учитывать некое "проседание" при проектировании прибора, при существенно отличающейся нагрузке при разных уровнях фона? Как ты его собрался достичь? Выходным сопротивлением источника? Для этого как раз и ставят балластный резистор, а напряжение источника делают стабильным.
>если там импульс сильно растягивается
Ну вот следует не растягивать импульс, как там, а все как положено делать.
>это не измерительный прибор
К чему эти ужимки и прыжки? Ничего не мешает этому прибору быть полноценным в плане измерения фона. Трубка фактически делает все сама, только подключи ее правильно. Мой дозиметр с разными трубками разных типов показывает одинаковые значения, и они соответствуют показаниям заводского дозиметра МКС.
Аноним 30/07/25 Срд 23:32:49 580621 642
Прикупил мкс 01са1м.
Подскажите пожалуйста, есть ли у него режим поиска? Либо вообще реально что то найти?
Потому как сейчас измеряю только непосредственно объекты, с предварительным сбросом погрешности.
Аноним 01/02/26 Вск 13:42:07 587960 643
>>336535
Забавно в 2026 читается
Аноним 28/02/26 Суб 16:49:12 589129 644
>>587960
А что изменилось?
Аноним 28/02/26 Суб 17:36:44 589132 645
Настройки X
Ответить в тред X
15000
Добавить файл/ctrl-v
Стикеры X
Избранное / Топ тредов