Главная Юзердоски Каталог Трекер NSFW Настройки

Радиотехника

Ответить в тред Ответить в тред
Check this out!
<<
Назад | Вниз | Каталог | Обновить | Автообновление | 1001 307 178
Помощи ньюфагу тред БЕСКОНЕЧНЫЙ Аноним 22/09/18 Суб 16:49:21 338104 1
C8rqoJiE400x400.jpg 28Кб, 400x400
400x400
Очередной раковник для ньюфагов стартует в этом легендарном ITT треде.


ПРЕЖДЕ ЧЕМ СОЗДАТЬ ТРЕД, ПОГУГЛИ, ПРОЧТИ ЭТОТ ПОСТ (а лучше весь тред) И ВОСПОЛЬЗУЙСЯ ПОИСКОМ ПО РАЗДЕЛУ. ТАКЖЕ СМОТРИ ТЕМАТИЧЕСКИЙ УКАЗАТЕЛЬ ТРЕДОВ (>>263887 (OP) ).

Решил заняться электроникой, паянием ололо-быдло девайсов? Похвально. Вот список нужной литературы и ссылок:

Книги:

Вообще, их очень много. Но тебе же лень искать, поэтому получай скромнейший минимум:

П. Хоровиц, У. Хилл "Искусство схемотехники"
http://publ.lib.ru/ARCHIVES/H/HOROVIC_Paul',_HILL_Uinfild/_Horovic_P.,_Hill_U..html

У. Титце, К. Шенк "Полупроводниковая схемотехника" (в двух томах)
http://www.tverhtk.ru/library/predmets/pc_systems/Poluprovodnikovaja_shemotehnika_Tom1_2008.pdf
http://www.tverhtk.ru/library/predmets/pc_systems/Poluprovodnikovaja_shemotehnika_Tom2_2008.pdf

Ю.В. Ревич "Занимательная электроника"
http://publ.lib.ru/ARCHIVES/R/REVICH_Yuriy_Vsevolodovich/_Revich_Yu.V..html

Если есть желание обмазаться расчётом с ног до головы, то тебе следует почитать вот это:

И.П. Степаненко "Основы теории транзисторов и транзисторных схем"
http://publ.lib.ru/ARCHIVES/S/STEPANENKO_Igor'_Pavlovich/_Stepanenko_I.P..html

Г.И. Изъюрова "Расчёт электронных схем. Примеры и задачи"
http://publ.lib.ru/ARCHIVES/_CLASSES/TEH_RAD/Raschet_elektronnyh_shem.(1987).[djv-fax].zip

Л.Н. Бочаров "Расчёт электронных устройств на транзисторах"
http://www.radiolamp.ru/library/books.php?id=mrb0963

Полезные ссылки:

Много полезный статей и сообщество:
http://easyelectronics.ru/
Схемы устройств и хороший форум:
http://cxem.net/
Также загляни сюда:
http://radiokot.ru/

Решил прикупить себе сканер «закрытых» частот или хороший приёмник? Глянь сюда:
http://www.radioscanner.ru/forum/
И сюда:
http://www.cqham.ru/ (есть годный /forum по схемотехнике)
Любительской радиосвязи также посвящён:
http://www.qrz.ru/

Я знаю, что тебе, мой начинающий друг, будет лень смотреть на сайтах, которые я тебе дал, поэтому:
Техника Безопасности: http://radiokot.ru/start/other/safety/01/
Инструментарий радиолюбителя: http://cxem.net/beginner/beginner1.php
Немного о пайке: http://easyelectronics.ru/likbez-po-pajke.html
О паяльниках: http://easyelectronics.ru/traktat-o-payalnikax.html

СНАЧАЛА ПРОСМОТРИ УКАЗАННЫЕ ВЫШЕ САЙТЫ. НА НИХ ТЫ, СКОРЕЕ ВСЕГО, НАЙДЁШЬ ИСЧЕРПЫВАЮЩИЕ ОТВЕТЫ НА БОЛЬШИНСТВО СВОИХ ВОПРОСОВ, ДАЖЕ В РЕЖИМЕ READ ONLY.

Как первую схему, гугли "мультивибратор".

Как спаять наушники, для начала спроси у гугла, он много этого дерьма повидал:
http://lmgtfy.com/?q=Как+спаять+наушники
Или обратись к старому местному гайду с выцветшими от времени фото:
http://arhivach.org/thread/7925/

Где-то здесь быд тред, но "он утонул"?
https://2ch.hk/ra/arch/

Если у тебя есть вопросы типа: "почему мои калоночки гудят/не играют?", "мультивибратор не пашет", "как определить полярность резистора?" или наушники так и не поддались, то спрашивай в этом треде.

Если у тебя действительно серьёзный вопрос, тогда так и быть, создавай тред.


ДОБРО ПОЖАЛОВАТЬ В /RA.
ДАЁМ НЕ РЫБУ, НО УДОЧКУ.
Аноним 16/02/26 Пнд 17:30:01 588587 2
>>588586
>
>Вот можно же было сделать по-человечески. Но надо было сделать через жопу. Чтобы люди поебались себе лишний раз.
Это ты еще платки не рисовал где нужно не просто значения ставить, а выбирать конкретные наименования из базы.
Аноним 16/02/26 Пнд 17:35:34 588588 3
.png 13Кб, 1577x193
1577x193
>>588587
В общем, я так и думал. Фрик пишет прогу чисто по своему вкусу, на удобство использования ему насрать. Ладно, выбрал похожий транзистор из имеющихся готовых. Надо будет попробовать другие проги для симуляции.
Аноним 16/02/26 Пнд 17:47:45 588589 4
>>588588
В остальном все гораздо хуже. В целом, ЕДА не для кнопочников, если чуть дальше тривиального будь готов лезсть в ад и скриптование.

Я не помню что там в лтспайсе, разве не достаточно либы скопировать просто в папочку?
Аноним 16/02/26 Пнд 17:55:06 588590 5
>>588589
> спойлер
Пробовал, оно не видит. Запихивал модель ради эксперимента в папку биполярных транзисторов Тошиба. Видит только те, что там уже были.
Аноним 16/02/26 Пнд 18:27:23 588591 6
>>588567
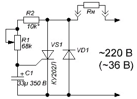
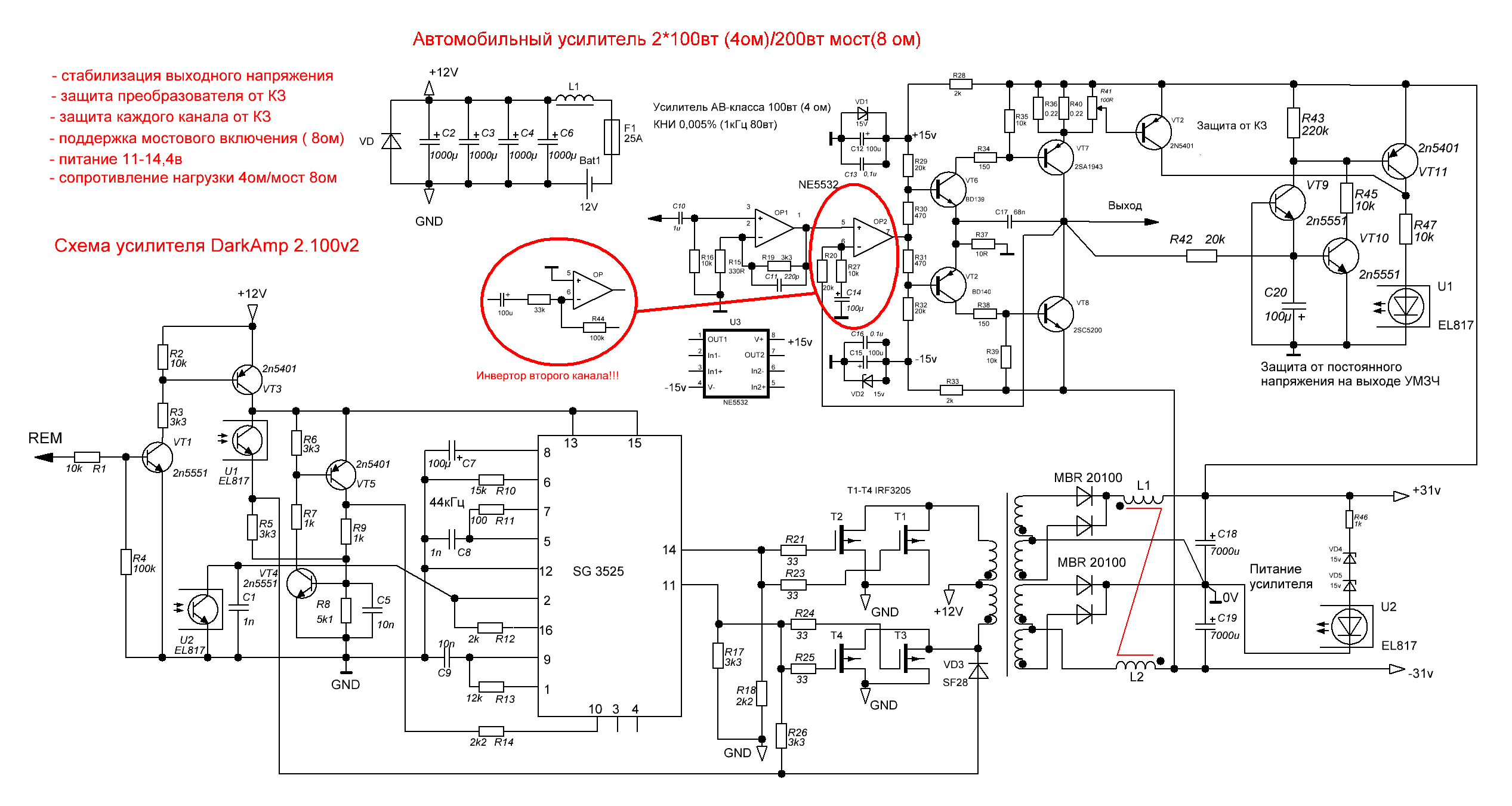
Замоделил я эту схему в LTSpice. И не заметил реакции на изменение сопротивления резистора P1. Даже если менять его значение на сотни килоом. На выходе при входном 350В получается 322В и все. Только если менять количество стабилитронов то выходное напряжение изменяется. Но вроде же Р1 должен выходное менять? Если я правильно понял ту статью по ссылке. Выходное напряжение держится стабильно при разном токе нагрузки.
Аноним 16/02/26 Пнд 20:38:01 588592 7
sc21210.png 13Кб, 993x630
993x630
Имеется устройство с подобной входной частью.
Питает довольно слабенький (не более 5вт) УНЧ.
Заметил что этот мразишь, при отключении с кнопки "вкл", имеет эффект "долго разряжающего кондюксантера".
Унч отключается, но ещё оочень долго продолжает слабо гореть светодиод (питающийся от выпрямителя вторички) и слышны попёрдывания из колонок если подать громкий сигнал на вход этого девайса. Т.е буквально как эффект будто я в выпрямитель тыщ 20 поставил мкФ и он ещё полдня мееедленно разряжается после выкл.
Но это не так. Фильтр на выпрямителе 4000+ всего. Плюс довольно быстро диод гаснет если вытащить из вилку розетки. Переворачиввание вилки ничего не даёт.

Я так понимаю этому (искрогосящему?) конденсатору настал конец? Как понять? Он же не должен как бы вяло продолжать питать схему? Т.е он "течёт"?

Унч не родной. Сильно менее мощный что стоял до этого. Это может быть причиной? Я склоняюсь к мысли что так быть не должно даже при слабом токопотреблении устройства.
Аноним 16/02/26 Пнд 21:11:54 588593 8
17581327169800.jpg 465Кб, 1280x960
1280x960
>>588541

1. Сверловка разрушит межслойную металлизацию.
2. Взял не то сверло.
3. Нет, пистоны не заменят межслойную металлизацию, на вид как бы похоже, но электрически это так не работает.
То есть сама идея безумна.
4. Китайские пистоны похоже не только не паяются, похоже даже не лудятся.
5. Жало неподходящее.
7. Ничего и не припаялось в итоге. Залил флюсом и припоем не значит припаял
Аноним 16/02/26 Пнд 21:17:37 588594 9
>>588592
> Я так понимаю этому (искрогосящему?) конденсатору настал конец? Как понять? Он же не должен как бы вяло продолжать питать схему? Т.е он "течёт"?
Это зависит от его емкости. Вполне может чутка подпитывать пропуская немного переменного тока из розетки. Можно попробовать убрать кондер и зашунтировать первичку транса варистором. Вольт на 400. Тогда, теоретически, импульс самоиндукции с первички при отключении не будет долбить по контактам выключателя.
Аноним 16/02/26 Пнд 21:34:07 588595 10
>>588593
>Нет, пистоны не заменят межслойную металлизацию, на вид как бы похоже, но электрически это так не работает.
Чому? Я вот как раз собираюсь их попробовать применить, только у меня голая заЛУТанная плата. Думаю, если их расклепать и оба конца опаять, то какая разница-то? Ну если они паяться будут конечно.
Или как тогда, брать тонкий провод и вместе с ножкой пропускать через дыру. Сначала припаять конец со стороны детали, потом просунуть вместе с деталью и припаять другую сторону. Сгодится такое дерьмо?
Паял как-то раз двухстороннюю плату - дико не понравилось. Особенно когда каким-то хуем надо было залезть под панельки для микросхем. Какая-то блядь занимательная проктология.
Аноним 16/02/26 Пнд 21:43:48 588596 11
>>588595
>> Чому?
Дороги дружочек мой внутри соединяются со слоями металлизации. Гугли.

>> Паял как-то раз двухстороннюю плату

8-слойную плату тоже ничего
Аноним 16/02/26 Пнд 21:43:56 588597 12
>>588594
Ёмкость написана на схеме что я прикрепил.
Варистор имеется в сет.фильтре от которого питается эта шляпа.

Вообще, первый раз слышу про варистор в таком варианте использование. Обычно он защищает от "бабахов" (спайков) приходящих из розетки в устройство.


Так то я не против тупо эту херню (конденсатор) изъять просто. Но интересна физика процесса. И как проверить элемент отдельно т схемы что он так себя в ней будет вести. Если вообще это не норма конечно.
Аноним 16/02/26 Пнд 21:47:35 588598 13
>>588596
Очевидно, пистоны никто и не думает использовать в восьмислойных бутербродах, максимум в двуслойной хуйне какой-нибудь под самопал. А на видео он, простихосподи, ремонтирует, какое-то сраное питалово, которое там с одной поверхности очень хорошо видно как подведено
Аноним 16/02/26 Пнд 21:55:33 588599 14
>>588597
> Ёмкость написана на схеме что я прикрепил.
0,1мкФ не так уж мало. И поскольку УНЧ у тебя не на киловатт, то и транс в нем не шибко мощный. Вот и хватает тока через этот кондер чтобы он начал уже заметно работать. Не думаю что там утечка играет роль. Но надо бы проверить.

> Варистор имеется в сет.фильтре от которого питается эта шляпа.
То есть до выключателя.

> Вообще, первый раз слышу про варистор в таком варианте использование. Обычно он защищает от "бабахов" (спайков) приходящих из розетки в устройство.
По идее должно работать. Варистор откроется при всплеске самоиндукции с первички и закоротит ее через себя.

> Так то я не против тупо эту херню (конденсатор) изъять просто. Но интересна физика процесса. И как проверить элемент отдельно т схемы что он так себя в ней будет вести.
Кондер можешь тестером проверить, на утечку, емкость.

> Если вообще это не норма конечно.
Зависит от того, исправен ли кондер. Может так с завода уже было.
Аноним 16/02/26 Пнд 21:57:17 588600 15
image 845Кб, 800x800
800x800
Есть электронные нагрузки, которым можно выставить начало потребления по напряжению?
Чтоб было поведение как у аккумулятора, до 12В ничего не потреблять, а выше уже начинать будто аккум заряжается.
Аноним 16/02/26 Пнд 22:01:29 588601 16
>>588599
>>588592
Да вы шутите. Я бы еще понял искрогасение на выключателях высокоо тока. Вы чего? У вас дома выключателей нету?
Аноним 16/02/26 Пнд 22:03:37 588602 17
>>588599
>Но надо бы проверить.
>Кондер можешь тестером проверить, на утечку, емкость.
Как правильно проверять такое? Нужна определённая частота и переменый ток соответственно? Напряжение выше какого-то порога? Или хватит простого ЛЦР-метра?
Чёт мне кажется тупая замена ёмкости тут не прокатит. Да и воообще низковольтные замеры. На постоянке может вообще мимо?

Походу надо выкавыривать эту хрень и мучать на стенде.
Аноним 16/02/26 Пнд 22:05:29 588603 18
>>588601
А там ведь выключатель не столь дубовый. Как обычный на свет. Поэтому и кондер поставили видимо.

>>588602
Да, в идеале бы взять более высоковольтный источник, постоянного тока. Иначе утечку можно и не найти. Но я пока сомневаюсь что там утечка есть вообще, разве что кондер старый металлобумажный. Вот они текли еще как от старости.
Аноним 16/02/26 Пнд 22:07:56 588604 19
>>588595
Дома делай переходы отдельно, монтаж компонент отдельно. Не так часто надо сразу одну ногу с двух сторон платы.
Переходы кустарно очень просто делаются: Сверлишь дырку, вставляешь провод и всё.

Ну или просто сделай пятаки пожирнее и с двух сторон эту ногу к ним пропаяй. С пассивными детальками проще простого. С чипами не оч, бери первый вариант.
Да и поверти слои с компонентами сначала, может тебе и не надо будет там переходами обмазываться.
Аноним 16/02/26 Пнд 22:08:35 588605 20
>>588603
>А там ведь выключатель не столь дубовый. Как обычный на свет. Поэтому и кондер поставили видимо.
И ток отключения там не 10А
Аноним 16/02/26 Пнд 22:10:08 588606 21
>>588595
>Или как тогда, брать тонкий провод и вместе с ножкой пропускать через дыру. Сначала припаять конец со стороны детали, потом просунуть вместе с деталью и припаять другую сторону. Сгодится такое дерьмо?
У меня возникла фантастическая идея. А что если компоненты не припаивать в отверстия, а тупо подгибать и паять сверху, тогда и сверлить кучу дырок не нужно. Интересно, почему еще никто не додумался до такого...
Аноним 16/02/26 Пнд 22:14:39 588607 22
>>588605
Но там есть трансформатор. Индуктивность которого будет поддерживать дугу при размыкании контактов. Поэтому без кондера износ контактов будет выше.

>>588606
Таким образом выводные компоненты паять не принято. Потому что можно оторвать пятаки на плате. Если заденешь деталь. Или при падении устройства более массивный компонент может оторваться от встряски.
Аноним 16/02/26 Пнд 22:15:59 588608 23
>>588607
>Но там есть трансформатор. Индуктивность которого будет поддерживать дугу при размыкании контактов. Поэтому без кондера износ контактов будет выше.
Ну да, прослужит не 40 лет, а 35.
Аноним 16/02/26 Пнд 22:17:52 588609 24
>>588592
Короче, припаяй последовательно куньденсатору резистор на несколько ком и этого достаточно.
Аноним 16/02/26 Пнд 22:19:30 588610 25
>>588608
Видать был какой-то замороченный инженер при проектировании схемы. Но мне такой подход нравится, когда все по правилам. Хотя кондер еще могли поставить чтобы оно эфир не портило, в момент включения и отключения.
Аноним 16/02/26 Пнд 22:46:23 588611 26
.jpg 80Кб, 940x800
940x800
Странная схема какая-то. При изменении тока в нагрузке выходное напряжение она стабилизирует. Но при колебаниях входного напряжения выходное изменяется все равно. Оно только лишь ниже всегда на определенную величину. Либо это LTSpice что-то чудит.
Аноним 16/02/26 Пнд 22:58:31 588614 27
>>588611
А чего ты в нее уперся?
Аноним 16/02/26 Пнд 23:01:47 588615 28
.gif 21Кб, 862x572
862x572
>>588614
Да просто интересно было разобраться как работает. Нашел вариант получше, пожалуй. Сходу только непонятно какова функция R3. Надо будет тоже смоделировать, интересно что получится.
https://vpayaem.ru/circuits_stab_hivolt.html
Аноним 16/02/26 Пнд 23:04:05 588616 29
cap.png 17Кб, 564x236
564x236
>>588601
Там выключатель такого гавёненького типа навроде П2К.
>>588603
Судя по обозначению от там... керамический? Пикрил.
>>588609
Не, эт чёт стрёмное решение. Тогда уж проше его убрать вообще.
>>588610
Это старая советцкая японщина. Хотя я подобное видел и на каких то дешманских компутерных колонках условного дефендера/свена. Такая синяя блямба в виде скитлз.
Аноним 16/02/26 Пнд 23:07:10 588617 30
>>588616
>Не, эт чёт стрёмное решение. Тогда уж проше его убрать вообще.
Ну почему же, это классический снаббер

https://en.wikipedia.org/wiki/Snubber
Аноним 16/02/26 Пнд 23:08:23 588618 31
>>588616
> Судя по обозначению от там... керамический? Пикрил.
Да.

> Это старая советцкая японщина. Хотя я подобное видел и на каких то дешманских компутерных колонках условного дефендера/свена. Такая синяя блямба в виде скитлз.
Да, это высоковольтные керамические кондеры бывают в таком формате.
Аноним 16/02/26 Пнд 23:18:23 588619 32
>>588617
А, сорян. Я прочёл как последовательно.

>>588618
Ладно, я понял примерно куда копать. Будем думать. О результатах, сожет быть, доложу суда (кому не похуй? лол)
Аноним 17/02/26 Втр 00:45:48 588620 33
>>588606
Ты только что смд

>>588595
Убедись что проблему нельзя решить перемычками, диды паяле самые шизоидные непланарные схемы на односторонних платах тупо пробив третью стену.
Аноним 17/02/26 Втр 10:41:33 588631 34
Снимок.JPG 30Кб, 1062x605
1062x605
>>588595
Я даже нарисую это дерьмо. Втулка показана нерасклёпанной, но сути дела не меняет.

>>588596
>Дороги дружочек мой внутри соединяются со слоями металлизации
Так это и ежу понятно. Говорю же - края пистона опаять. Какая разница-то из сплошной меди это всё будет или соединится через припой. Детали тоже на припое соединяются.
Аноним 17/02/26 Втр 12:09:15 588633 35
177131914111754[...].jpg 317Кб, 921x686
921x686
177131915017548[...].jpg 748Кб, 1920x1440
1920x1440
177131917042835[...].jpg 37Кб, 611x327
611x327
177131918837119[...].jpg 293Кб, 980x735
980x735
>>588620
>диды паяле самые шизоидные непланарные схемы на односторонних платах тупо пробив третью стену

А некоторые не паяли а накручивали.
Аноним 17/02/26 Втр 13:07:01 588635 36
image.png 1206Кб, 768x1024
768x1024
>>588633
Ну да, пока печатные платы не изобрели. А сейчас на дому сильно сложнее одно-двухслойной платы ничего не смастерить, поэтому хорошо бы уметь пользоваться перемычками, или сами длинные детали как перемычки использовать, пропуская по 2-3 дорожки под крупными резисторами или ещё какой хуйнёй. Это даже с смд компонентами работает, например пикрил - диодная отсечка от акаевской "большой пизды", с дорожками под диодами и кондерами. На обратной стороне платы вообще свой отдельный движ, и сквозные контакты просто островками отрезаны.
Аноним 17/02/26 Втр 13:22:05 588636 37
>>588635
>А сейчас на дому сильно сложнее одно-двухслойной платы ничего не смастерить
Зочем? Платы ушли от идеи ручного труда и назад дороги нету в этой технологии. Пока ты платишь за выводной керамический 10мкф почку, он есть в 0402 за ссущие копейки.

Лучше переформатировать себя в рисовать платки и моделировать, чем делать то что потеряло всякий смысл 30 лет назад. Если поиграться, всегда можно сделать евалуйку ибо купить готовую если такая есть.

Тем более, хрен ты что-то нормальное сделаешь в два слоя. 4 это база.
Аноним 17/02/26 Втр 13:30:21 588637 38
>>588636
> и назад дороги нету
У тебя всегда будет ниша каких-то мелких осознаваемых одним человеком погремушек, и даже условным лутом можно спокойно до уровня смд спускаться. Ждать плату месяц из китая не для всех, особенно когда речь о сраном прототипе или когда цифра вообще не участвует.
Аноним 17/02/26 Втр 13:41:41 588638 39
>>588637
>Ждать плату месяц из китая не для всех
Это так кажется, если оглянутся назад, в прошлое, на все те поделки, с учетом ошибок, то окажется что это было приемлемо.
Аноним 17/02/26 Втр 14:30:26 588639 40
>>588638
Поделка готова за вечер и вот ты уже сидишь перебираешь номиналы или дебажишь прошивку. Потом как наиграешься, заказываешь сразу партию. Или вообще пишешь код пока плата едет чтобы потом уже заливать ром в готовые изделия, максимум потом исправив один-два номинала. Я не понимаю, почему это такая инопланетная концепция, что кому-то нужно менее качественную версию версию вотпрямщас, вместо того чтобы забыть уже нахуй за месяц что ты там хотел с ней делать. Что ты там блять четырёхслойного на дому проектируешь, демиург-шизофреник, чего не понять старым пердунам?
Аноним 17/02/26 Втр 15:27:36 588640 41
>>588636
> Пока ты платишь за выводной керамический 10мкф почку, он есть в 0402 за ссущие копейки.
И потом геморроится паять его паяльником. Потому что мелкое. Можно конечно запаять феном с помощью паяльной пасты. Но для ее удобного нанесения надо лазером на тонком листе трафарет сделать. Можно конечно и вручную пасту наносить дозатором. Но это тоже дополнительная возня.

>>588637
Именно. Удивляет когда люди под простецкие конструкции из 10 деталей заводские платы заказывают. Когда их можно аккуратно собрать на макетке под пайку. Разве что сильно хочется собрать именно что-то малого размера на SMD.
Аноним 17/02/26 Втр 18:25:31 588641 42
>>588592
Крч, всё тебе тут правильно говорят, кроме тех типков с варистором и резистором впараллель.
Я обычно в таких случаях ставлю не 0,1, а 0,01, и всё работает отлично!
Аноним 17/02/26 Втр 18:32:23 588642 43
>>588615
на чем моделируешь-то, моделеятор, шатать тебя за ногу?
Аноним 17/02/26 Втр 18:40:27 588643 44
Аноним 17/02/26 Втр 18:53:28 588644 45
>>588642
Да пока на LTSpice пробовал. Замоделировал уже там и эту схему, работет. Но минимальное падение напряжения около 20В получается. А надо меньше. Потому что входное будет минимум 322В, а надо получить стабильные 310В. Прямо из розетки получать буду. Установил еще Протеус. Но там поседеть можно пока каждый компонент вытащишь из библиотеки, это занимает много времени.
Аноним 17/02/26 Втр 18:59:34 588645 46
.gif 21Кб, 862x572
862x572
Я понимаю что это в норме надо сесть и посчитать. Сколько чего и на чем там падает, и что за что отвечает. Но я не радиоинженер. Вот и пытаюсь подобрать нужные значения элементов чтобы смоделировать на выходе требуемое напряжение.
Аноним 17/02/26 Втр 19:00:30 588646 47
Взял эксперимента ради поставил стабилитроны по 24В, D1 и D2 то есть. Все равно не то.
Аноним 17/02/26 Втр 19:06:41 588647 48
>>588645
А что если... схема говно? Нет, не может быть, в интернете не будут пиздеть.
Аноним 17/02/26 Втр 19:11:15 588648 49
.png 40Кб, 640x293
640x293
>>588647
И она тоже? Ладно, ща попробую еще вот эту замоделить. Уж она то, походу, должна работать.
Аноним 17/02/26 Втр 19:25:14 588649 50
>>588640
0402 нормально паяются паяльником. Вот 0201 это геморрой уже
Аноним 17/02/26 Втр 19:50:56 588651 51
>>588648
Охренеть, оно работает! Держит на выходе напряжение с колебаниями в районе 2В, при изменениях входного напряжения в широких пределах. И такого же изменения тока нагрузки. Разумеется, все это в симуляции. Только я убавил сопротивление балластного резистора в цепи стабилитронов. Потому что там слишком много. Ведь стабилитроны, насколько помню, наилучше работают при определенном минимальном токе пробоя.

Единственное только при малом сопротивлении того резистора он загореться может. Если бы все стабилитроны пробило. Поэтому надо мощный резистор ставить на всякий случай, дополнив его цепь предохранителем.

А я то думал, раз схема выложена аж на забугорном сайте, то она должна быть норм. Тем более что не самая простая. И тем более с подробным описанием что да как. Читаешь и думаешь что человек то шарит во всем этом, сколько всего наворотил.
Аноним 17/02/26 Втр 19:57:26 588652 52
>>588648
Я только не моделировал вместе с Q2 и его обвязкой. Потому что защита от КЗ на выходе не требуется.
Аноним 17/02/26 Втр 20:21:27 588655 53
>>588648
>>588644
>> Прямо из розетки получать буду.

>>588648
>> Охренеть, оно работает!

Ждет тебя, яхонтовый, сюрприз с последней схемой. Когда полярность будет такая что + снизу.
VD6 и ZD3-ZD7 откроются. И скажут: — «БАХ!»

Зачем тебе эти стабилизаторы? Чтобы © "прямо из розетки" - зачем?
Функционал этих ЛИНЕЙНЫХ стабилизаторов именно в более-менее высокоточной стабилизации входного высоковольтного напряжения. Для какой-то специальной цели.
Выходной ток - миллиамперы, потому что транзистор в верхнем плече работает как резистор, рассеивая на себе входную мощность в виде тепла.

Если тебе нужен блок питания, в розетку это во-первых не пойдет.
Во-вторых, в качестве БП используются схемы преобразующие энергию. Именно поэтому в них присутствует индуктивность.
Если использовать схемы рассеивающие энергию (вместо резистора транзистор) их КПД будет невысок.
Аноним 17/02/26 Втр 20:27:02 588656 54
>>588655
> Ждет тебя, яхонтовый, сюрприз с последней схемой. Когда полярность будет такая что + снизу.
> VD6 и ZD3-ZD7 откроются. И скажут: — «БАХ!»
В смысле получать после диодного моста с фильтрующим кондером, я имел ввиду.

> Зачем тебе эти стабилизаторы? Чтобы © "прямо из розетки" - зачем?
Есть диодные светильники без стабилизации мощности. Из-за того, что напряжение бывает колеблется они мигают. Вот и хочу им питание застабилизировать.

> Функционал этих ЛИНЕЙНЫХ стабилизаторов именно в более-менее высокоточной стабилизации входного высоковольтного напряжения. Для какой-то специальной цели.
> Выходной ток - миллиамперы, потому что транзистор в верхнем плече работает как резистор, рассеивая на себе входную мощность в виде тепла.

> Если тебе нужен блок питания, в розетку это во-первых не пойдет.
> Во-вторых, в качестве БП используются схемы преобразующие энергию. Именно поэтому в них присутствует индуктивность.
> Если использовать схемы рассеивающие энергию (вместо резистора транзистор) их КПД будет невысок.
Да, я знаю про низкий КПД. Но нагрузки даже 100Вт не будет. Поэтому там много тепла не выделится.
Аноним 17/02/26 Втр 20:39:19 588657 55
>>588564
Ха, во я дибил. Эта схема правильная. Пробоя затвора не будет потому что напряжение на R1 прикладывается к затвору-стоку. А не к затвору-истоку. Между которыми максимальное напряжение относительно небольшое.
Аноним 17/02/26 Втр 21:22:11 588659 56
>>588656
>Есть диодные светильники без стабилизации мощности. Из-за того, что напряжение бывает колеблется они мигают. Вот и хочу им питание застабилизировать.
Пиздоц.
Аноним 17/02/26 Втр 22:25:34 588660 57
Пчёлка.mp4 2552Кб, 568x960, 00:00:14
568x960
>>588657
Выше мысль о том, что на R1 присутствует 100V не соответствует оригинальной задуманной работе схемы.
Транзистор VT1 включен как обыкновенный "общий сток" (common drain). Он же "истоковый повторитель" (source follower). Эквивалент схемы с общим коллектором (ОК). Резистором в цепи истока VT1 выступает сопротивление нагрузки. Чтобы "увидеть" схему, разверни транзистор как его изображают обычно, затвором налево, и дорисуй резистор сопротивления нагрузки параллельно C3.

Транзистор с таким включением повторяет на истоке напряжение с затвора (на эмиттере напряжение с базы).
Это значит, что если схема выдает +300V у стабилитрона VD1 напряжение стабилизации и есть 300V.

И если это так, то:
Напряжение на транзисторе VT1 сток-исток есть разница вход-выход, то есть 360-300=60V.
И тогда, если на стабилитроне +300V, разница между:
Сток и Затвор = 360-300 = 60V.
Исток и Затвор = 300-300 = ~0V. (не ноль должно быть, но близко).

У этой схемы есть недостатки.

1. Я пока не знаю, проблема ли это, недостаточно опыта. Но эта схема - просто 1:1 копия самой обычной биполярной схемы.
Полевой VT1 с изолированным затвором никаких качеств по сравнению с биполярным транзистором не привносит.
И есть масса схем имеющих ООС (и с высоким коэффициентом усиления), питающих стабилитрон с выхода и работающих гораздо лучше чем банальный стабилитрон + повторитель напряжения.
IRF840 это HEXFET, работать HEXFET'ы предназначены в качестве ключа, да и вообще многие полевики, особенно с изолированным затвором на линейном участке характеристики работают плохо.

2. Стабилитроны шумные ребята. Особенно высоковольтные. На них попросту делают генераторы шума.
Да, C2 заземляет, закорачивает шум стабилитрона на землю, но далеко не весь. По-идее, параллельно C2 надо бы ставить конденсатор с низкой индуктивностью, низким ESR и усовершенствовать схему. Пустить "направо" от VD1 еще один высокоомный резистор и еще один конденсатор, а может и еще один. В общем, построить RC-фильтр, питающий затвор VT1. В этом помогает очень высокое сопротивление затвора.

И еще один недостаток. Об этом недостатке забыл подумать проектировщик.
Что будет, если схема запитывается, и C2, C3 разряжены? Они заряжаются не мгновенно. В первый момент C2 оказывается практически на земле (0V), и тогда между стоком и затвором приложены, как раз, все первичные +360..+400v. А по-паспорту (по даташиту https://static.chipdip.ru/lib/144/DOC000144299.pdf ) на IRF840 Vgs = ±20V.
(почти всегда можно принять что Max Vgs = Vds). Здесь спасают только C3 и C1, хотя их изначальная роль это фильтры. Пока C2 заряжается, они заряжаются также, и "придерживают" напряжение на C2. Надо посмотреть на SPICE-модели динамику роста напряжений в зависимости от крутизны нарастания на входе. Но в целом надо ставить защиты. Товарищ на схеме вот здесь >>588567 явно думал о защите.
Аноним 17/02/26 Втр 23:22:06 588662 58
>>588660
> Выше мысль о том, что на R1 присутствует 100V не соответствует оригинальной задуманной работе схемы.
> Транзистор VT1 включен как обыкновенный "общий сток" (common drain). Он же "истоковый повторитель" (source follower). Эквивалент схемы с общим коллектором (ОК). Резистором в цепи истока VT1 выступает сопротивление нагрузки. Чтобы "увидеть" схему, разверни транзистор как его изображают обычно, затвором налево, и дорисуй резистор сопротивления нагрузки параллельно C3.

> Транзистор с таким включением повторяет на истоке напряжение с затвора (на эмиттере напряжение с базы).
> Это значит, что если схема выдает +300V у стабилитрона VD1 напряжение стабилизации и есть 300V.

> И если это так, то:
> Напряжение на транзисторе VT1 сток-исток есть разница вход-выход, то есть 360-300=60V.
> И тогда, если на стабилитроне +300V, разница между:
> Сток и Затвор = 360-300 = 60V.
> Исток и Затвор = 300-300 = ~0V. (не ноль должно быть, но близко).
Спасибо. До меня уже дошло сегодня наконец. Что полевик будет открыт ровно настолько, чтобы на нагрузке получилось такое же напряжение, как и на стабилитронах. Потому что разница в падении напряжения между ними управляет его каналом через затвор. Достаточно клево оно работает, пусть схема и простая. Мне аж доставило во всем этом разбираться. В LTSpice можно поставить земляную точку где хочешь, я ее цеплял на затвор. В итоге наблюдал как меняется напряжение на нем. В зависимости от разных условий.

> Полевой VT1 с изолированным затвором никаких качеств по сравнению с биполярным транзистором не привносит.
Почему же, биполярнику придется вливать в базу тот еще ток. Потому что высоковольтные такие транзисторы достаточно дубовые по усилению, насколько я знаю. Поэтому там одним транзистором не обойдется, наверное. Придется еще один добавлять. Чтобы усилить управляющий ток со стабилитронов в базу основного.

> И есть масса схем имеющих ООС (и с высоким коэффициентом усиления), питающих стабилитрон с выхода и работающих гораздо лучше чем банальный стабилитрон + повторитель напряжения.
> IRF840 это HEXFET, работать HEXFET'ы предназначены в качестве ключа, да и вообще многие полевики, особенно с изолированным затвором на линейном участке характеристики работают плохо.
Хмм, в схему хочу поставить FQP10N60C. Сильно эффективной стабилизации прям не нужно, не думаю что 1-2В колебаний напряжения будут заметны.

> (почти всегда можно принять что Max Vgs = Vds)
Догадывался что так и есть.

> Здесь спасают только C3 и C1, хотя их изначальная роль это фильтры. Пока C2 заряжается, они заряжаются также, и "придерживают" напряжение на C2. Надо посмотреть на SPICE-модели динамику роста напряжений в зависимости от крутизны нарастания на входе. Но в целом надо ставить защиты. Товарищ на схеме вот здесь >>588567 явно думал о защите.
Да, надо будет защиты добавить. В том числе стабилитрон на затвор-исток. Как сделано в этой схеме: >>588648

Спасибо за инфу.
Аноним 17/02/26 Втр 23:35:55 588663 59
>>588662
>В LTSpice можно поставить земляную точку где хочешь, я ее цеплял на затвор. В итоге наблюдал как меняется напряжение на нем. В зависимости от разных условий.
Не правильньный подход. Нужно измерять потенциал между двумя точками.

.meas TRAN vdiff AVG V(node1, node2)
Аноним 17/02/26 Втр 23:36:22 588664 60
Аноним 18/02/26 Срд 02:59:47 588667 61
Анончик, помоги пожалуйста советом с такой прикладной проблемой.
- Дано - блок питания Chieftec BDF-750C, в котором штатный вентилятор GlobalFan RL4Z S1352512HH (12В, номинальный ток 0,45А) заменён на Arctic P14 Pro ACFAN00313A. Управление вентилем естественно двухпроводное, через напрядение - на коннекторе только GND и +12.
- Проблема: после холодного старта компа (Завершение работы -> включение) БП на старте не может раскрутить Арктик - он просто дёргает крыльчаткой с интервалом в несколько секунд. Если дать нагрузку (стресс-тест ЦПУ в Aida64, Superposition Benchmark, встроенный бенчмарк Cyberpunk 2077) то крыльчатка вентилятора начинает дёргаться интенсивнее и через две-три минуты вентилятор стартует. Далее он уже не выключается даже в простое, до самого завершения работы ПК.

Я так понимаю, это следствие того что Арктику нужно более высокое стартовое напряжение, нежели то что выдаёт контроллер Чифтека - судя по гуглу и нейронкам он стартует где-то на 4,5-5 В, тогда как штатный китаец раскручивается уже на 3,5-4 В. Плюс, насколько я понимаю, у Арктика пусковой ток повыше будет. Можно ли как-то малой кровью поддать Арктику пинка на старте, не ломая штатную схему управления вентилятором?

Я умею держать паяльник, но в схемотехнике разбираюсь кране посредственно, хоть и имею общее представление куда я лезу - я электрик а не электронщик. Из инструментов есть собственно паяльник и обычный true-RMS мультиметр.
Аноним 18/02/26 Срд 03:28:34 588668 62
1875 56Кб, 534x400
534x400
>>588667

Ну ищи схему своего БП или сам смотри где у тебя там регулятор да правь смещение.
Аноним 18/02/26 Срд 03:30:37 588669 63
>>588668
Я откровенно не хочу лезть в схемотехнику блока, потому что не имею привычки пидорасить то в чём я не разбираюсь. Нет варианта напаять чего-нибудь в разрыв провода вентилятора, чтобы бустануть его на старте?
Аноним 18/02/26 Срд 03:37:23 588670 64
>>588667
ШИМ ему скорее всего нужен. Если ты контрольный пин в воздухе оставил, там скважность же 100%
Аноним 18/02/26 Срд 03:45:31 588671 65
>>588670
ШИМ и тахометр Арктика ясен хрен остались висеть в воздухе, но когда ШИМ-сигнала нет, он (и любой другой компьютерный вентилятор) просто шарашит на полную пропорционально подаваемому на него напряжению.
Я могу завтра вскрыть БП, просмотреть что там куда идёт, сделать фотки и промерить всё что он выдаёт на вентилятор, но подумалось что может есть более простое и менее инвазивное решение, чтобы не переделывать схему самого блока. Можно конечно просто вентилятор заменить на менее "тугой" в плане старта, но я специально хотел P14 Pro потому что он давит как не в себя даже на невысоких оборотах.
Аноним 18/02/26 Срд 03:51:36 588673 66
>>588669
>в разрыв провода вентилятора

Можно схему аналогичную регулятору, но тебе один хрен придется цеплятся к +12В в БП ну и посчитать параметы.
Аноним 18/02/26 Срд 04:12:00 588674 67
image.png 246Кб, 650x650
650x650
Сап рач, купил токовые клещи ES-687 для DC/AC на датчике хола, заметил что на разных проводах, hot и neutral показания немного отличаются? Почему это же переменка.
Аноним 18/02/26 Срд 15:17:35 588677 68
>>588674
Что за hot?
Может иметь место утечка по проводу заземления, либо через корпус. Насколько большая разница?

Я однажды на старом крановом движке с фазным ротором, кило так на 11, по земле намерял 0,3 ампера. Ахуел.
Аноним 18/02/26 Срд 16:17:08 588678 69
image.png 30Кб, 535x317
535x317
Аноним 18/02/26 Срд 16:44:09 588679 70
>>588678
Это называется фазовый провод. Судя по всему ты обютубился.
Аноним 18/02/26 Срд 17:05:20 588680 71
image 353Кб, 686x386
686x386
>>588674
>Почему это же переменка
Меняется напряжение на фазовом проводе, на нуле оно всегда должно быть ноль.
На фазовом летает от -300 до +300
Аноним 18/02/26 Срд 17:11:11 588681 72
>>588680
>должно быть ноль
Относительно чего? самого себя?
Аноним 18/02/26 Срд 17:16:35 588682 73
>>588681
Относительно земли. Ноль заземлён на подстанции. Но из-за нагрузки на нуле не прям ноль. Есть теория, что из нуля можно брать бесплатное электричество и такая же теория, что ты за это будешь платить.
Вон креосан делал https://www.youtube.com/watch?v=LEnxtNZ5KdI
Аноним 18/02/26 Срд 17:23:57 588683 74
>>588682
>Относительно земли. Ноль заземлён на подстанции
Тоесть относительно себя. Это я к тому что напряжение это величина между двумя точками.
Аноним 18/02/26 Срд 17:25:12 588684 75
>>588683
Ноль и земля это разные провода. Держу в курсе.
Аноним 18/02/26 Срд 17:33:44 588685 76
>>588684
Но напряжение земли и нуля относительно фазы тоже не равно нулю.
Аноним 18/02/26 Срд 19:41:25 588686 77
>>588679
Фазный, а не фазовый.
Аноним 18/02/26 Срд 19:51:38 588687 78
Аноним 18/02/26 Срд 20:15:14 588688 79
>>588677
>Насколько большая разница?
На нейтрале 12.7А на хоте 13А.

Так на какой провод правильно цеплять токовые клещи? На фазу или ноль? Алсо где именно провод должен находиться в клещах?
Аноним 18/02/26 Срд 20:47:08 588689 80
>>588687
Твоя шлюха-мамаша, очевидно.
https://technical_translator_dictionary.academic.ru/259485

Фазовый, блять. Хуязовый.
Аноним 18/02/26 Срд 21:26:33 588690 81
>>588689
Так по ссылке пишут что фазный это тоже не правильно, ебака ты грозный.
Аноним 18/02/26 Срд 22:07:54 588692 82
>>588671
> Я могу завтра вскрыть БП, просмотреть что там куда идёт, сделать фотки и промерить всё что он выдаёт на вентилятор, но подумалось что может есть более простое и менее инвазивное решение, чтобы не переделывать схему самого блока.
Самое простое что можно сделать это зашунтировать конденсатором то, что регулирует вентилятор. Чтобы дать на него начальный импульс тока. Только емкость его нужно будет подобрать. Кондер подойдет обычный электролитический, можешь попробовать начиная от емкости 100мкФ, например. Единственное только, что после быстрого повторного включения компа кондер может не успеть разрядиться. И фокус не сработает. Но это уже будет зависеть от схемы регулирования.

Либо же можешь зашунтировать резистором. Поскольку вентилятор у тебя почти стартует то там только слегка нужно будет добавить тока. И эффективность регулировки оборотов вентилятора от нагрузки на блок питания особо не пострадает.
Аноним 19/02/26 Чтв 01:17:57 588693 83
>>588690
ПУЭ-7 открой, и посмотри что тебе пишет пусть и уже не действующий, но корневой отраслевой стандарт. Можешь ГОСТы погуглить сходить. Правильный термин - фазный, или линейный проводник.
Аноним 19/02/26 Чтв 02:15:37 588694 84
>>588693
Барин приказал говорить фазный, а не фазовый, в этом все дело?
Аноним 19/02/26 Чтв 11:18:59 588696 85
image.png 63Кб, 632x278
632x278
Я наконец обновил видюху на 5070, когда подключал монитор (был вставлен только дисплейпорт), касался в нем внешнего корпуса usb порта, в это время я голой жопой коснулся батареи (она старая, с голым металлом), меня немного пиздануло током, я сначала не понял, потом еще раз жопой к батарее пододвинулся, результат на жопу, так сказать. Так вот, у меня уже дней пять тряска, что видюха могла как-то испортиться от этого, что-то навроде деградации или чего-либо (начитался в интернете).
Анон, подскажи мне, пожалуйста: я ебанутый и мне не стоит насиловать мозг? Тесты проходятся, игрулечки играются. Нейроночка сказала, что это хуйня. Заземления в хруще нет.
Аноним 19/02/26 Чтв 11:22:48 588697 86
image 120Кб, 1110x1280
1110x1280
image 87Кб, 351x1280
351x1280
>>588696
Ты ебанутый. Если все работает то все ок. Никакой ресурс не потратился
Аноним 19/02/26 Чтв 11:30:08 588698 87
image.png 41Кб, 225x225
225x225
>>588696
Комп кстати был включен, работал телевизор по hdmi, а первый монитор не был подключен к питанию, собственно его то я и вставлял, когда меня током пиздануло.
>>588697
А откуда напряжение взялось? Батарея по-идее как земля должна была сработать. Чувствую себя, кстати, как женщина с пикчи
Аноним 19/02/26 Чтв 11:35:51 588699 88
image 144Кб, 768x1024
768x1024
image 195Кб, 906x1280
906x1280
>>588698
В компьютерном бп применен фильтр, которому для правильной работы нужно заземлить среднюю точку, которая сидит на корпусе. Без заземления на корпусе присутствует половина питающего напряжения при небольшом токе.
Аноним 19/02/26 Чтв 11:39:21 588700 89
>>588699
Ахуеть, получается земля на видюхе тоже с напряжением. Добра тебе, анон
Аноним 19/02/26 Чтв 20:36:35 588709 90
>>588696
Если вкрации. Вероятность спалить таким образом hdmi на одном конце ОЧЕНЬ ВЫСОКА, в том числе, потому что это не плаг-н-плей штука. Все переключения только на выключенной железке. Ну и разница потенциалов на экране кабеля может быть ого-го.
Если в этот раз ты ничего не спалил, радуйся, в следующий будешь умнее.
Аноним 19/02/26 Чтв 22:36:38 588712 91
IMG202602192232[...].jpg 793Кб, 2148x2833
2148x2833
Антон, подскажи в чем проблема в сопротивлении
Контакт в пилоте вроде норм
Аноним 19/02/26 Чтв 22:37:51 588713 92
IMG202602192232[...].jpg 793Кб, 2148x2833
2148x2833
Антон, подскажи в чем проблема в сопротивлении
Контакт в пилоте вроде норм
Аноним 20/02/26 Птн 04:07:30 588716 93
image 96Кб, 1280x682
1280x682
image 27Кб, 600x541
600x541
image 104Кб, 850x1133
850x1133
>>588712
Плохой контакт, перегрузка, жирные грязные руки, плохая пластмасса, нестриженные ногти, хз, много чего можно придумать.
Аноним 20/02/26 Птн 05:22:17 588717 94
>>588709
Во-первых ты попутал плаг-н-плей и хотплаг, видимо, лол.
Во-вторых хдми является хотплаг.
В-третьих совершенно все разъемы на бытовых приборах которые расположены в непосредственном доступе для пользователя являются хотплаг. То что ты задвигаешь было полвека назад, может быть, когда штекеры прикручивались, и то не все
Аноним 20/02/26 Птн 08:56:35 588718 95
236e17a73d0ae54[...].png 140Кб, 300x256
300x256
Попалась очень теплоёмкая плата от навигатора Гармин, на которой К3.

Есть возможность взять тепловизор на время. Поможет при поиске? Думаю, что если деталька и будет греться, то очень немного - из-за тепло ёмкости как раз.
Аноним 20/02/26 Птн 09:10:13 588719 96
image 77Кб, 1179x1082
1179x1082
image 160Кб, 814x1280
814x1280
>>588718
С тепловизором в любом случае лучше чем без него. Хотя часто можно обойтись пальцами/миллиомметром.
Аноним 20/02/26 Птн 14:05:23 588722 97
image.png 544Кб, 800x1129
800x1129
image.png 414Кб, 484x698
484x698
мысли мнения? или лучше сразу начать с хоровица?
Аноним 20/02/26 Птн 15:54:25 588724 98
Кто имел дела со скейлерами и/или тупой заменой матриц на ноутах (LVDS)? Там паршивка контроллера скейлера/видео бивис хуй ложит на EDID матрицы и смотрит только на то что производитель зашил?
Аноним 20/02/26 Птн 19:52:02 588727 99
>>588722
Ненужно, ненужно и ненужно.
Есть задача, ищешь в тырнете решения, покупаешь всякие хуёвины, читаешь смотришь гайды по соответствующим вещам.
Нет задачи, нахуй ничего не надо. Иди нахуй.
Аноним 20/02/26 Птн 19:57:14 588728 100
Аноним 20/02/26 Птн 20:13:49 588729 101
>>588727
ща шиз ИТТ будет объяснять что теория не нужна кек

уроки выучил?
Аноним 20/02/26 Птн 20:14:34 588730 102
>>588722
можно начать и с этого, хоровиц уж больно сухой и скорее как справочник, чем учебник

также советую смотреть лекции по ТОЭ и радиоэлектронике. Можно как любительского уровня, так и университетского, в целом разницы особой нет
Аноним 20/02/26 Птн 20:27:02 588731 103
Hu Tao - 156.jpg 73Кб, 735x757
735x757
Аноним 20/02/26 Птн 20:55:10 588732 104
>>588731
Если тебе нужна поверка и ты будешь использовать все его функции, то норм. Если нет, то какой-нибудь маленький uni-t будет лучше и дешевле.
Аноним 20/02/26 Птн 21:26:31 588734 105
Hu Tao - 155.jpg 109Кб, 736x986
736x986
>>588732
Ну а по экплуатационным чо, до следующей поверки-то доживёт? Прозвонка аналоговая? Ток в 10 А пронаблюдать можно хотя бы полчаса? Если микроамперметром воткнуть в розетку, починить потом можно или сразу в мусорку?
Аноним 20/02/26 Птн 21:26:47 588735 106
Подскажите недорогой фен для смд (хотя бы для отпайки\прогрева).
Аноним 20/02/26 Птн 22:00:23 588736 107
st1.jpg 1051Кб, 1800x863
1800x863
>>588592
Короче, конденсатор по всем параметрам, которые я смог измерить, - как бы норм. Утечек замечено не было (во всяком случае на напряжении до 30в).
На вид целый. Производитель, предположительно, мурата. Ёмкость правда не 0,1, а 0,01, что скорее всего из-за того, что аппарат в котором он стоял eu-версия (т.е 220v, а не жапанииизэ, 110.

Я в замешательстве. Ничего не понятно, но очень интересно.
Аноним 21/02/26 Суб 01:06:11 588742 108
>>588735
Да недорогой он в приципе один в куче разных корпусах.
Аноним 21/02/26 Суб 02:11:47 588743 109
Se5fdd207a1d447[...].jpg 119Кб, 1000x1000
1000x1000
Сап анон, купил у китайцев референсной напруги плату на AD584KH. Корпус AD чипа весь к хуям кородировал, не ебу чем косые его паяли, но выгдядит плохо, флюс не оттерли, следы кривой ручной пайки и т.д. Плату я решил рефандить, но возникла мысль поменять микруху на нормальную, вопрос: насколько это рационально? Эти платы калибруются или просто проверяются на заявленные спеки?
Аноним 21/02/26 Суб 09:34:40 588744 110
>>588743
>Эти платы калибруются или просто проверяются на заявленные спеки?
Ты шутишь?
Аноним 21/02/26 Суб 09:36:31 588745 111
>>588736
>Я в замешательстве. Ничего не понятно, но очень интересно.
Тсть, в качестве диагностики, выпаять конденсатор и включить без него, что бы исключить/локализировать проблему ума у тебя не хватило?
Аноним 21/02/26 Суб 10:02:17 588746 112
>>588745
Это было сделано с самого начала, если ты не заметил.
Аноним 21/02/26 Суб 10:20:42 588747 113
photo2020-09-16[...].jpg 163Кб, 1280x960
1280x960
photo2020-09-16[...].jpg 79Кб, 960x1280
960x1280
photo2020-09-16[...].jpg 181Кб, 1280x960
1280x960
Аноним 21/02/26 Суб 10:21:58 588748 114
>>588747
Сними чип этой штукой, пробуй. Равно как и паяльником.
Аноним 21/02/26 Суб 10:31:49 588749 115
Аноним 21/02/26 Суб 11:19:17 588750 116
>>588747
Какие же дегенераты, пиздец просто.
Аноним 21/02/26 Суб 14:46:35 588754 117
f04934d6-a855-4[...].webp 207Кб, 1080x1440
1080x1440
привет, посоны. Суть такова, купил себе светодиодные минилинзы, так как мои галогенки светят хуже ходовых огней. После подключения пошли жесткие помехи на фм-радио. Опытным путем выявил, что это фонит кулер охлаждения. Дежру пари, если его выкинуть, то светодиод быстро выйдет из строя. Можно ли взять другой кулер, например, на 24 вольта, подкинуть параллельно на ближний свет, и прикрепить к радиатору?
Аноним 21/02/26 Суб 14:46:36 588755 118
Пытаюсь интереса ради смоделировать высоковольтный мультивибратор в LTSpice. Транзисторы взял 2SAR340P, кондеры обратной связи по 10мкФ, резисторы в коллекторах 50кОм, в базах 100кОм. А оно не работает. Напряжение питания 350В.

Неужели нельзя собрать обычный мультивибратор на биполярниках с высоковольтным питанием? Что ему может мешать работать? Попробовал еще снизить напряжение питания до 30В, убавив сопротивленя резисторов до 5кОм и 10кОм соответственно. Все равно не заводится.

Воpможно LTSpice в принципе не умеет моделировать автогенераторы.
Аноним 21/02/26 Суб 14:51:12 588756 119
>>588755
>Воpможно LTSpice в принципе не умеет моделировать автогенераторы.
Это все обьясняет
Аноним 21/02/26 Суб 14:54:50 588758 120
>>588754
> Можно ли взять другой кулер, например, на 24 вольта, подкинуть параллельно на ближний свет, и прикрепить к радиатору?
Можно конечно. Главное чтобы он у тебя стартовал всегда от 24В.
Аноним 21/02/26 Суб 14:59:58 588759 121
>>588754
>Можно ли взять другой кулер, например, на 24 вольта, подкинуть параллельно на ближний свет, и прикрепить к радиатору?
Можно попытаться разобраться и устранрить причину только сильных помех.
Аноним 21/02/26 Суб 15:57:27 588761 122
>>588744
Почему же, вполне себе серьезно. Я же не знаю как оно устроенно, может там есть микруха позволяющая калибровать AD. Хотя в подлинности этого AD584KH у меня есть сомнения равные чуть более сотне процентов, 1) чипы сняты с производства 2) на ибэе чип поштучно от 60 баксов продается если продаван из сша 3) такой же чип из кетая за 5-6 бачей, вот и думайте.
Аноним 21/02/26 Суб 16:01:22 588762 123
>>588761
>такой же чип из кетая за 5-6 бачей, вот и думайте.
>Почему же, вполне себе серьезно
Ты точно серьезно это пишешь?
Аноним 21/02/26 Суб 16:13:27 588763 124
>>588758
> Главное чтобы он у тебя стартовал всегда от 24В.
*от 12В.
Аноним 21/02/26 Суб 16:50:40 588765 125
Аноним 21/02/26 Суб 18:12:03 588766 126
image.png 224Кб, 530x325
530x325
>>588765
Зачем? Зачем вы это придумываете?
Аноним 21/02/26 Суб 22:00:24 588771 127
>>588754
Во-первых убедись что это реально проблема от кулера. Не особо тебе верю.
Потому что мы сталкивались с тем что драйверы светодиодов срали в обратку питания.

Лечится тем что устариваешь фильтрацию по питанию.
Кулер конечно же оставь, его не от блажи туда поставили.

На шаге 1 просто поставь на питание (параллельно питанию) конденсатор или несколько. Лучше в параллель и электролиты и керамику. Лучшие результаты дадут low-ESR конденсаторы. Китайский noname хлам с aliexpress/ozon будет работать плохо.

шаг 2 - перед питающими проводами (+ и GND) либо надеваешь ферритовые кольца, либо что гораздо лучше ставишь катушки/дроссели. Дроссель имеет низкое сопротивление по пост. току и высокое ВЧ токам.

Шаг 3, если не поможет шаг1, шаг2 - установка LC фильтра-"пробки". Либо покупной, либо самодельный.
Аноним 21/02/26 Суб 22:23:35 588775 128
>>588743
>> хуям кородировал, не ебу чем косые его паяли, но выгдядит плохо

Он корродировал из-за того что либо оригинальная плата с нима валялась где-то на открытом воздухе под дождями и солнцем, пока чипец не распаяли. Либо корродировал во время самой выпайки.

>> 2) на ибэе чип поштучно от 60 баксов продается если продаван из сша

Не стоит он $60.

>> 3) такой же чип из кетая за 5-6 бачей

Китацы в подавляющем большинстве случаев барыжат выпайкой, вторсырьем, зачастую с перепаянными ногами итд. Поэтому такая цена.

>> Эти платы калибруются или просто проверяются на заявленные спеки?

В этой "плате" как ты выразился нечему "калиброваться". Все напряжения выдает AD584 это именно он на заводе при производстве был откалиброван (на кристалле резисторы подогнаны лазером или что-то типа того, читай даташит).
Поэтому диапазон выдаваемых напряжений AD584 определяется исключительно его даташитом и буквой чипа.

Косой должен был взять один из самых точных и лучших в мире 8.5-разрядный мультиметров метрологического качества HP3458A,
взять термометр и измерить выдаваемые напряжения при даной температуре, после чего написать их на бумажке по типу как на фотографии. Еще большой вопрос: почему косой написал 5 цифр после точки, если HP3458A измеряет с восемью цифрами после запятой?

Проблема в том, что на Aliexpress и прочих маркетплейсах косоглазые просто клеят одну и ту же бумажку,
чем сводят ценность таких калибровочных плат к говну. Потому что долбоёбы и всё делают на наебать и полный отъебись.

У тебя есть такая бумажка?
Цифры написаны те же что и на фото или оригинальные? 😢

Лучше взять калибровочную плату на LM399 (она значительно дороже), но там будут все те же самые проблемы.
Аноним 22/02/26 Вск 04:23:40 588783 129
>>588775
Спасибо за объяснение. У меня стикер с другими цифрами, там прямо кошерно три нуля после запятой, бесит что вольтаж чекали при 25С, пидарасы косые, где я высру им 25С в моей морозилке.

Пошарился по крупным поставщикам рассыпухи, старые прайсы показывают 35-40 за новые чипы, так что барыги могут ломить сколько захотят за оригу.

Нахуя говну за 9 баксов 8 цифр после запятой?
Аноним 22/02/26 Вск 04:28:05 588784 130
Аноним 22/02/26 Вск 10:20:56 588792 131
>>588783
>У меня стикер с другими цифрами
Что тебе мешает напечатать какой тебе нужен стикер?
Аноним 22/02/26 Вск 15:09:27 588800 132
Ребят, есть старый андроид смартфон sony xperia 5 II.
Вполне ещё бегает, однако, невозможно найти адекватный аккумулятор. Поставил новый, но держит полдня.
Как быть? Думаю, надо отпаять плату от родного акка, и поискать какие-нибудь банки, подходящие по размеру?
Что можете посоветовать по банкам и по идее?
Аноним 22/02/26 Вск 16:13:43 588805 133
>>588783
>> чекали при 25С, пидарасы косые, где я высру им 25С в моей морозилке.

Стандартная температура в метрологии похоже 22°C, я ее очень часто встречаю.

Азазаза, забыл сказать что еще и ДАТА должна стоять конечно же обязательно.
Температуры-влажности мало.

>> Нахуя говну за 9 баксов 8 цифр после запятой?

Вопрос правильный и разумный. Действительных знаков там скорее всего где-то 5 и есть, влияет обвязка итд.
Говну-то они незачем, и ни о каких 8 знаков с ним быть не может, уплывёт со временем даже уже в 6м знаке обязательно.
Но если у тебя есть точный метрологический 8.5 прибор и ты продаешь калибровочную плату, РАЗУМНО БЛЯ писать сколько намерил твой прибор, это просто тупо повышает к тебе доверие.

Когда такую хуету берут чтобы (зачем-то?) сверить карманный мультиметр - это сканает, потому что там точных 2-3-4 знака. Но для задач в которых уже хотя бы 5 знаков, не говоря уже о 6-7 знаках это бесполезная вещь и не вызывающая доверия.

Смешно, но 99% смысла - именно в этой бумажке, именно в качественных, заслуживающих доверия промерах.
Аноним 22/02/26 Вск 16:16:04 588807 134
>>588792
>> Что тебе мешает напечатать какой тебе нужен стикер?

Китайские тролли, по-совместительству долбоёбы и похуисты так и делают.
Они продают эти платы, а стикер на всех платах, как оказалось, один и тот же.
Аноним 22/02/26 Вск 16:30:08 588808 135
image 163Кб, 1029x1280
1029x1280
image 36Кб, 826x1280
826x1280
image 96Кб, 905x1280
905x1280
>>588800

> отпаять плату от родного акка, и поискать какие-нибудь банки, подходящие по размеру
Это хорошее решение
Аноним 22/02/26 Вск 16:32:12 588809 136
Кстати, а есть на Али проверенные магазины где не продают левые транзисторы и прочие полупроводники? Ориентироваться по цене компонентов?
Аноним 22/02/26 Вск 16:47:16 588810 137
С чего начать изучать, чтоб хоть мог розетку поставить? Нулевой, аж страшно. Посоветуйте, пожалуйста
Аноним 22/02/26 Вск 16:52:30 588811 138
>>588805
Даты нет, есть год и месяц. Из фоток что я видел, цифры не повторяются, что ничего не гарантирует, ибо что мешает кетайцам запилить скрипт с рандомайзером для этикеток, но в сети есть несколько обзоров с толковой прибористикой и замеры +/- совпадают.

Чел, побойся бога, какая в пизду метрология с алей, ты этой хуйней собираешься флюк за 10к грина калибровать? На трех знаках не пиздит и уже заебись!

Алсо поцпнтре, я вот видел спрей-краску для 3д сканирования, она испаряется (сублимируется?) через час, а есть похожий продукт но для термографии?
Аноним 22/02/26 Вск 17:03:43 588813 139
>>588810
Если тебе именно электрику надо, то ищи инфу про выбор сечения проводников в зависимости от тока, выбор автоматов защиты, качество арматуры в зависимости от производителя (розетки, выключатели и т. п.), правила электромонтажа. Например, по сгораемым поверхностям проводка монтируется только в защитной гофре. А зачищенные концы многожильных проводов по правилам надо либо обжать наконечником, либо пропаять.
Аноним 22/02/26 Вск 17:04:10 588814 140
image 37Кб, 510x510
510x510
image 65Кб, 607x1080
607x1080
image 183Кб, 681x1280
681x1280
Аноним 22/02/26 Вск 17:26:40 588815 141
>>588813
Гофра прогрев заказчика на бабло,
Если загорится там гофра не поможет, ввгнг и так пойдет чтт по дереву что по бетону если ты ххромую лошадь с феервеками делать собрался. С гофрой больше ебани, нормально делать и нихуя не загорится, а так и с гофрой все сгорит к хуям.
Аноним 22/02/26 Вск 17:33:47 588816 142
>>588815
И все это нахер не надо если нужно розетку поменять. Смотришь пару видосиков и меняешь. Вот я не мог три для назад разобрать смеситель. И чо я пошел на сантехника поступать? Нашел на ютубе несколько видосов с похожими смесителями, посмотрел, в одном видосе было то что нужно. Сделал забыл. Все. А то что он перечислил нужно если ты шабашник с корочками. Тогда тебе это все нужно постоянно в башке держать.
Аноним 22/02/26 Вск 17:36:08 588817 143
>>588815
Загорится или не загорится зависит от скорости срабатывания защиты. При не сильном КЗ будет сильный нагрев и оно будет гореть. Прожигая то, что находится горючее рядом. Гофра же пока успеет прогрется то провод внутри сплавится так, что защита отработает наконец. Гофра металлическая, разумеется.

Мне еще не нравится то, что современые автоматы не имеют такого же быстродействия, как обычный плавкий предохранитель. Пока там биметалл от перегрузки прогреется... А при КЗ нужен достаточно высокий ток чтобы электромагнит отключил контакты. Который можно и не получить если ТП далеко и проводка не имеет большого сечения. Конечно, есть автоматы с меньшим током срабатывания при КЗ, но все же.

>>588816
Я смесители и вентили вообще без просмотра видосов менял. Там все сразу видно что и как надо делать. Разве что может в современных стильных-модных всякого наворотили и надо специально предварительно разбираться.
Аноним 22/02/26 Вск 17:36:20 588818 144
>>588809
Цена не гарантирует ничего
Например вот этот https://youtu.be/1PRTELsjnfM?si=lPWLOv-Y5QPGQD5S&t=620
купил аж на ebay щупы от Fluke по цене оригинальных и так и не понял что китайцы его наебали и это ПОДДЕЛКА. Потому и такое качество. А стоят они прям вообще дохуя.
Аноним 22/02/26 Вск 17:40:53 588819 145
>>588817
Ну молодец рад за тебя. Я не менял я разбирал. В свое время купил дорогущий смеситель и по нему совершенно не понятно как что. На самом деле если бы я его почистил от извести, я бы увидел что к чему.
Аноним 22/02/26 Вск 17:43:42 588820 146
>>588809
Проверенные магазы есть, ремонтеры в них обычно закупаются. До того как путинские договорились с алибабой и перекупили в России aliexpess, раньше можно было зайти в каждого продавца и у него посмотреть количество плохих отзывов и почитать их. Это возможно и сейчас, только не на aliexpress.RU, а на других доменах. Продавцы и там и там имеют одинаковый ID в URL. И имя на сайте.

Все сильно зависит от того что именно ты покупаешь. Здравый смысл все-таки есть. Если ты метишь в то что эта деталь будет "новая, оригинальная, муха нэ сидэл, мамой клянус", неплохо бы сходить и посмотреть сколько она вообще-то стоит на официальном сайте ST,TI, ANALOG или почем ее продают реальные оптовые склады типа LCSC. Соответственно, если оригинальная микруха $25 за 1 шт, оптовики торгуют по $27, а на али цена $2.5 - ну ты понял чего ожидать...
Аноним 22/02/26 Вск 17:52:03 588821 147
>>588818
Мне как раз надо будет купить еще один тестер на Али. Что-то из их раскрученных местных брендов. Должно быть неплохое, тестер типа Флюка мне для быта не нужен, я не в лаборатории работаю. Только думаю взять с автовыбором пределов измерений либо с ручным переключением. И с обычным ЖК ч/б экраном. Щупы надо будет сделать самодельные, взять только сами иголки и контакты для подключения к тестеру. После чего припаять нормальный провод. Потому что сечение проводников у заводских такое себе. При измерении больших токов нагреваться начинают.

>>588820
Спасибо.
Аноним 22/02/26 Вск 18:08:20 588824 148
>>588821
>Щупы надо будет сделать самодельные, взять только сами иголки и контакты для подключения к тестеру. После чего припаять нормальный провод. Потому что сечение проводников у заводских такое себе. При измерении больших токов нагреваться начинают.
АААААААА-А-А!
Аноним 22/02/26 Вск 18:20:51 588826 149
>>588811
А вот такая метрология. Объясняю как это работает.
Пускай у тебя в руках предельно хуёвенькие инструменты. Например кривые-косые эталоны/резисторы/конденсаторы/индуктивности с 5% точностью. Однако если ты имеешь доступ к метрологическому стандарту, ты можешь свои инструменты измерить с высокой точностью (для примера измерил и убедился что вот этот резистор 9.9978591 Ом) - притащил домой в тот же день и о чудо, поверил по ним свои инструменты. Не калибровать, просто поверить.

Зачем?

Народ сейчас покупает в Китае старенькие 6.5 разрядные и даже 7.5 разрядные приборчики. Это и не 8.5 разрядные метрологические эталоны за тысячи зелени. Но и не бытовой кал. Это мой случай.
Аноним 22/02/26 Вск 18:24:22 588827 150
Может это все лишь у меня в голове? Может я сошел с ума и это ОНИ так шутят свои шутейки?
Аноним 22/02/26 Вск 18:34:30 588828 151
>>588808
Сарказм или серьёзно? Картинки твои смущают
Аноним 22/02/26 Вск 18:38:46 588829 152
>>588809
Если тебе с гарантиями то не на али, в чип и дип, промэлектронику, дип-8, радиодар, ...
Аноним 22/02/26 Вск 18:42:37 588830 153
image.png 142Кб, 600x600
600x600
Какие подводные камни пайки смд пинцетом? Идея выглять как иба.

Но не могу понять почему это на стало массовой техникой.
Аноним 22/02/26 Вск 18:45:45 588831 154
>>588830
>почему это на стало массовой техникой
Все паяют феном. Я паяю жалом топориком.
Отдельный пинцет слишком дорого.
Аноним 22/02/26 Вск 18:48:20 588832 155
>>588820
>Это возможно и сейчас, только не на aliexpress.RU, а на других доменах.
Как раз на ру больше отзывов.
На .ком ввели какую-то анальную модерацию, много чего почистили и выдают только локальные отзывы.
На .ру всё на месте.

Но отзывы это всё равно хуита бесполезная: Упаковано хорошо, проверю дополню.
Что ты там читать собрался?
И даже если кто-то померял ESR конденсатора тебе это скажет только ESR того конденастора.

>сколько она вообще-то стоит на официальном сайте ST,TI, ANALOG
На официальных сайтах ничего не продаётся. В лучшем случае тебя отправят на маузер какой-нибудь.
А цены зависят только от логистики. Микруха отпускается по $0.2 с завода партией в фуру. Коробкой она $2. К штучной рознице с доставкой за день она доходит до $20. А интегратор с документами по тендеру запросто продаёт её за $200.
Посередине – простор для оптимизаций, коммерции и скакания кабанчиком.
Цена на массовые изделия значит ровным счётом нихуя, за сколько хочешь за столько и можешь купить, а с тебя её и навар будут иметь всё равно.
Аноним 22/02/26 Вск 18:49:06 588833 156
>>588830
Один компонент норм, но больше – дроч уже.
И для микрухи всё равно фен доставать. Да даже для транзистора.
Аноним 22/02/26 Вск 18:58:29 588834 157
>>588826
>Народ сейчас покупает в Китае старенькие 6.5 разрядные и даже 7.5 разрядные приборчики. Это и не 8.5 разрядные
Их один хуй нужно калибровать и платить за это бабки.
Аноним 22/02/26 Вск 18:59:01 588835 158
>>588821
>> Мне как раз надо будет купить еще один тестер на Али.

Цена?
Я (из России) на али уже давно ничего не покупаю (кроме редких), так как это стало дороже чем везде. Еще как ни удивительно на Авито бывает продают не обязательно БУ, различные фирмы давно освоили его как маркет.

>> Что-то из их раскрученных местных брендов. Должно быть неплохое, тестер типа Флюка мне для быта не нужен, я не в лаборатории работаю.

Mastech либо UNI-T? (как правило это UNI-T UT61E, UNI-T UT61E+)
Смотри на авито.

>> При измерении больших токов нагреваться начинают.

Щупы-иголки не предназначены для измерения больших токов. Держи в запасе два набора щупов.
Иглы нужны чтобы лезть
а) В разъемы
б) В близкостоящие ножки TQFP микрух
в) в SMD 0402 и меньше.

>> Щупы надо будет сделать самодельные

Щупы с некоторыми мультиметрами идут нормальные иголки для работы с электроникой.
Причины делать свои нет и это тоже хороший плюс, так как хорошие щупы типа BST-050-JP обойдутся рублей 600-700.

>> сечение проводников у заводских такое себе

Дроч на "сечение" ошибка хотя бы потому, что у хорошего нормального мультиметра есть компенсация нуля сопротивления проводников.
Брать мультиметр надо с компенсацией нуля сопротивления.
Всё остальное китайская бытовая поебь.

Автомат от ручника отличается скоростью промера. Автомат увы сильно разный бывает. Автомат нужен такой чтобы работал быстро и всегда была возможность переключиться на ручник или зафиксировать диапазон.

А так-то поводом для обсуждения должны выступать
1. точность (погрешность, аккуратность).
2. разрешающая способность.
Аноним 22/02/26 Вск 19:02:46 588836 159
image 199Кб, 1280x1259
1280x1259
image 106Кб, 811x1014
811x1014
image 157Кб, 848x1280
848x1280
image 141Кб, 1062x743
1062x743
>>588828
Ты можешь верить анимешной кошечке.
Аноним 22/02/26 Вск 19:04:41 588837 160
>>588830
Это проф оборудование для заводов, для потока, ебантяи операторы накосячили с BOM листом и вместо правильного резюка поставили другой, а материнок собрано уже несколько сотен или тысяч, вот там эта хуйня в тему. Ну или ты ежедневно ебешься с телефонами там тоже в тему.
Аноним 22/02/26 Вск 19:20:07 588838 161
Aliexpress Cust[...].png 101Кб, 1369x983
1369x983
>>588832
>> Как раз на ру больше отзывов.

Либо я что-то не там смотрю (чего-то не знаю)
либо ты походу путаешь и не понимаешь о чем я.

Давай вот случайный магаз, выбор неудачный, я взял первый попавшийся
https://aliexpress.ru/store/1104861296

На aliexpress.ru жму на "i" и ничего не вижу.
56 отзывов оставлено на 4038 товаров

Всё, больше ничего.
Чтобы ты понял - я не пытаюсь посмотреть отзывы на ТОВАР.
Я пытаюсь посмотреть все отзывы у магазина на все товары за всё время.

На aliexpress.ru — отзывы на все товары поначалу были, но со временем их убрали.
на aliexpress.com - я их вижу и сейчас. Смотри скриншот в ататче, только что сделал.
Аноним 22/02/26 Вск 19:22:44 588839 162
>>588830
Им не паяют, а выпаивают.
Это разные вещи

Запять ты можешь обычным паяльником, взял по-очереди и запаял, сначала первый, потом второй.

А вот выпаять обычным паяльником это надо поебаться, потому что выводов становится как минимум уже ДВА. Конечно можно и обычнм паялом, но удобнее пинцетом.
Аноним 22/02/26 Вск 19:23:46 588840 163
>>588832
>> Что ты там читать собрался?

Что я там читать собрался видно даже на моем скриншоте. Вопли о подделке. Всегда пишут, когда покупают поддельные радиодетали.
Аноним 22/02/26 Вск 19:25:22 588841 164
>>588840
> Всегда пишут, когда покупают поддельные радиодетали.
Это какой то особый мазохизм
Аноним 22/02/26 Вск 19:36:06 588842 165
>>588824
ББББББББ-Б-Б!

>>588829
Спасибо.

>>588835
> Цена?
2к максимум пока что. Но было бы неплохо еще и индуктивность измерять. Такие наверное дороже будут. Я просто давно не разбирался что зараз хорошим считается из тестеров. И сколько что стоит.

> Mastech либо UNI-T? (как правило это UNI-T UT61E, UNI-T UT61E+)
> Смотри на авито.
> Щупы-иголки не предназначены для измерения больших токов. Держи в запасе два набора щупов.
> Иглы нужны чтобы лезть
> а) В разъемы
> б) В близкостоящие ножки TQFP микрух
> в) в SMD 0402 и меньше.
Спасибо.

> Щупы с некоторыми мультиметрами идут нормальные иголки для работы с электроникой.
> Причины делать свои нет и это тоже хороший плюс, так как хорошие щупы типа BST-050-JP обойдутся рублей 600-700.
> Дроч на "сечение" ошибка хотя бы потому, что у хорошего нормального мультиметра есть компенсация нуля сопротивления проводников.
> Брать мультиметр надо с компенсацией нуля сопротивления.
> Всё остальное китайская бытовая поебь.
Дело в том что в низковольтных цепях при больших токах сопротивление проводников будет уже заметно влиять. Поэтому даже с компенсацией ток при измерении будет ниже, чем без щупов. В треде выше скидывали детали для сборки самодельных щупов, вот это норм тема. Если там только контакты точно латунные, не с железа какого-нибудь сделаны. Припаять толстый гибкий провод в силиконовой изоляции и будет самое то.
Аноним 22/02/26 Вск 19:41:33 588843 166
>>588842
>Дело в том что в низковольтных цепях при больших токах сопротивление проводников будет уже заметно влиять
Чего у тебя фиксация на измерении тока? Это измеряется очень редко. К тому же тебе нахрен не нужен щуп. Так как при больших токах лучше всего мерить шунтом либо клещами. А для напряжемеряния это все роли не играет. ТЫ придумываешь себе проблемы.
Аноним 22/02/26 Вск 19:49:49 588844 167
>>588843
Да, можно и клещами. У меня их нету пока что. Присмотрел пока UT58D. Он конечно дороже прилично, но зато измеряет индуктивности. Но в нем нету TrueRMS. Что нехорошо. В тестерах же с TrueRMS нету измерения индуктивностей. Видимо рассчитано на то, что раз хочешь все в комплекте то изволь купить уже лабораторный прибор за кучу денег. Может у китайцев на Али есть что-то с нужным мне функционалом. Которое не стоит как турбина от самолета. Надо будет поискать.
Аноним 22/02/26 Вск 19:51:00 588845 168
>>588834
>> Их один хуй нужно калибровать и платить за это бабки.

Дык... Весь вопрос в том, какие бабки.
Эта сумма в России сопоставима и выше стоимости БУ прибора, причем просто тупо поверка (сравнение).
А вот калибровать смогут лишь в нескольких местах (институтах метрологии) и возьмут за это о я ебу сколько, это решается в порядке особой договоренности.

И слово "нужно" тут не обязательное. Хотя бы поверить (просто сравнить).
Аноним 22/02/26 Вск 19:52:53 588846 169
>>588844
>Он конечно дороже прилично, но зато измеряет индуктивности
Измерение емкости и индуктивности это целая наука. Для этого лучше всего иметь настольный прибор, или от безысходности портативный РЛЦ, так как это не те величины которые существуют в идеальном виде на практике, а в основном привязаны к частоте измерения. Поэтому тупая индуктивно мерялка - это мусор, тебе нужно нечто что умеет задавать частоту при измерении велины. Поэтому даже не смотри на измерение индуктивности в мультиметре.
Аноним 22/02/26 Вск 19:53:34 588847 170
>>588841
>> Это какой то особый мазохизм

У кого? У покупателей или у меня?

Это Росиия.
Аноним 22/02/26 Вск 19:54:12 588848 171
>>588847
>У кого?
У того кто покупает подделку и потом жалуется.
Аноним 22/02/26 Вск 20:00:13 588849 172
>>588846
Я было измерял готовые индуктивности транзистор-тестером так называемым. Вполне себе получал довольно точные показания к указанным на них. Но тебя понял, думаю как отдельный LCR измеритель UT612, например, бы подошел.
Аноним 22/02/26 Вск 20:03:27 588850 173
Аноним 22/02/26 Вск 20:05:34 588851 174
image.png 63Кб, 848x887
848x887
image.png 219Кб, 1686x845
1686x845
>>588849
>Вполне себе получал довольно точные показания к указанным на них.
Точные конкретные показания. Ну да. Ну да.

Тем временем даташит индуктивности для силовых цепей
Для сигнальных
Аноним 22/02/26 Вск 20:09:57 588852 175
>>588848
>> У того кто покупает подделку и потом жалуется.

Наивный человек. В России, Украине, Белоруссии и даже в Италии-Испании-США (смотрю их каналы)
существует огромное количество людей ремонтирующих технику (Профессиональных ремонтников РЭА)
Это их отзывы.

А где ты возьмешь детальку в России?
- 1 штуку тебе разные барыги просто не повезут.
- есть понятие минимального заказа по деньгам
- срок доставки от 5-10 недель. Что это значит для ремонтника и человека который ждет ремонта?
Farnell, NewArk, Digikey, Ocotpart, Mouser и др. - ффсё. ebay всё. Amazon всё.
Есть еще спецмагазы для ремонтников, угу угадай откуда они тарятся.
Аноним 22/02/26 Вск 20:13:02 588853 176
>>588840
>видно даже на моем скриншоте
>Звук ватный
>Медь не магнитится
Сам то его читал?

Отзывы максимально бесполезная хуита всегда, в каждом товаре каждой категории будет воли о подделках и подобное. Что тебе вообще это говорит кроме того что тот кто писал отзыв дегенерат?
Аноним 22/02/26 Вск 20:13:16 588854 177
>>588852
Так я о том, что если ты знаешь у кого ты покупаешь, зачем жаловать на то что ты купил. Это выглядит как мазохизм. Либо не покупай, либо прими как данность.
Аноним 22/02/26 Вск 20:14:45 588855 178
>>588851
Что ж. Любителю в этой теме конечно же полезно видеть характеристику вплоть до 1.1 GHz... 😄
Аноним 22/02/26 Вск 20:17:42 588856 179
>>588851
> Точные конкретные показания. Ну да. Ну да.
Видимо так получилось, что частота измерения у того транзистор-тестера подходящая оказалась. Для тех индуктивностей. Я даже не ожидал от него таких довольно точных показаний. Потому что измерителем там выступает китайская копия Атмеги. А не что-то специализированное.
Аноним 22/02/26 Вск 20:20:35 588857 180
>>588853
>>588854


>> Отзывы максимально бесполезная хуита всегда
>> Либо не покупай, либо прими как данность.

Послшай.
Всё, давай закончили.

Опять теоретик detected.

ты блядь знаешь, когда ты ремонтник,
когда у тебя клиент ждет результата,
КАК-ТО БЛЯДЬ ИМЕЕТ ЗНАЧЕНИЕ и отзывы и купил ли ты хуйню.

То есть пойми, ты с дивана рассуждаешь.
А была бы у тебя жосткая реальность ты б по другому заговорил.

Философия это одно.
А не наебаться и не наебать других (и пустить по пизде твой бизнес и остаться голодным) это другое.
Аноним 22/02/26 Вск 20:20:53 588858 181
>>588856
>частота измерения у того транзистор-тестера подходящая оказалась
Это не имеет совершенно никакого значения. Потому что имеют значения характеристики при рабочем режиме. А для гибкого указания частоты для измерения полного имепеданса нужно что-то посложнее чем режим 1/10/100КГц. Более того, конкретная величина здесь мало что значит, так как нужен график.
Аноним 22/02/26 Вск 20:24:55 588859 182
>>588858
> А для гибкого указания частоты для измерения полного имепеданса нужно что-то посложнее чем режим 1/10/100КГц.
Наверное гибко можно задать только в настольных приборах.
Аноним 22/02/26 Вск 20:30:32 588860 183
Аноним 22/02/26 Вск 20:36:29 588861 184
>>588836
>> Ты можешь верить анимешной кошечке.

Хуясе. Эти самые среди нас, нежные ребята? =)
Я думал ты по тёлкам тащишься.
Аноним 22/02/26 Вск 20:41:10 588862 185
.jpg 47Кб, 800x800
800x800
Насколько хорошо работают вот такие микропредохранители? Они же совсем мелкие, бабаха при срабатывании не будет? Читал что срабатывают очень быстро.
Аноним 22/02/26 Вск 20:43:06 588863 186
>>588830
Ты и не поймешь
Если не работал монтажником, паять этой хуйней не удобно. Выпаивать только, как анон выше написал а ома эта хуйня нахуй не нужна.
Аноним 22/02/26 Вск 20:44:40 588864 187
Аноним 22/02/26 Вск 21:58:42 588865 188
>>588734
Ты точно понимаешь что такое поверка, кому и нахуя она нужна?
Аноним 23/02/26 Пнд 00:20:55 588866 189
Hu Tao - 136.jpg 86Кб, 731x900
731x900
Купил с аванса >>587937. Стоит своих денег. Даже не допиливал и не менял ничего. Фен с герконом и термодатчиком, 0206 не сдувает. Любая хуйня на нижнем подогреве запаивается быстро и элементарно штатной же иголкой, ничё нигде не залипает и не превращается в кашу. Пластик не оплавляется: запаял ради экперимента планарные электролиты с пластиковыми подставками — как прогулка в парке, будто так с завода и було.

>>588830
Если ты не занимаешься профессионально ремонтами и/или наладкой, то это бесполезная хуйня. А если занимаешься, то выпаять/запаять какой-нибудь пятиногий стабилизатор напряжения/буфер в труднодоступном месте, поменять один 0206 резюк или откинуть дроссель и промерить ток — оно вот для такого.

>>588860
Нет.
Это два одинаковых прибора с одного китайского завода, просто не его написано UNI-T, а на моём — RGK. Ну а смешное дальше: о моём есть запись в госреестре, т.е. он признан средством измерения, и он поверен, т.е. является средством измерения на срок поверки, а у моего оппонента тупо кейтайске показёметер. При этом разница менее 2 тыр. Вот, блять, с этого и смешно.
Аноним 23/02/26 Пнд 02:46:00 588867 190
image.png 891Кб, 618x1000
618x1000
image.png 234Кб, 333x480
333x480
image.png 551Кб, 700x488
700x488
image.png 1246Кб, 800x1078
800x1078
Аноны, со времён золотой эпохи плакатов совка есть что-нибудь про ТБ по пайке/сборке/электронике/хоть чего с радиоделом свзяанному?
Аноним 23/02/26 Пнд 09:26:27 588868 191
я01.jpg 266Кб, 945x705
945x705
есть одна колонка 200вт вайфай хуяй вся хуйня отъебнуло бп чинить его нет никакого желания думаю на маркетплейсе заказать питальник вкорячить его туда и..
но проблема в том что хз сколько питание у усилков думал нагуглить на эти микрушки даташит снял радиатор - пиздоглазы их к верху ногами вкорячили поднял микрушку и? ииии? и очевидно маркировка затерта по косвеным питание однополярное гдето 40в но я ебал такие експерименты да и мой "лабораторник" может только до 24в
вопрос может есть какой сервис по поиску микрух по корпусам?
Аноним 23/02/26 Пнд 10:03:06 588869 192
Screenshot2026-[...].jpg 527Кб, 1080x2080
1080x2080
Имеется борда от ноута rev.2 и схема rev 0.1
Не смог найти один сраный кондёр, даже обозначения нет, его просто убрали с платы?
Искал пристально дважды, думал может я слепой
Аноним 23/02/26 Пнд 10:04:03 588870 193
1666253612325.jpg 3Кб, 272x185
272x185
>>588830
У меня на работе есть такой. Хуета кособокая. Одной стороной пытаешься попасть разогреть, другая сторона слетает. Два паяльник намного удобнее, они независимые. Но это всё для отпайки. А ещё можно на похуях фен использовать, если вокруг нет ничего-то боящегося разогрева.
Аноним 23/02/26 Пнд 10:22:51 588871 194
>>588868
Сколько вольт хочет конкретная тда-шка не очень полезно знать, тебя сейчас должно ебать только то что рядом с гнездом питания тусуется и генерирует все эти опорные сколько-то там вольт. Ты бы лучше не плату усилка ковырял, а бп вскрыл, или хотя бы паспорт устройства полистал.
Аноним 23/02/26 Пнд 10:54:01 588872 195
>>588869
Померь емкость по линии, лалка
Аноним 23/02/26 Пнд 11:00:30 588873 196
>>588869
>его просто убрали с платы?
Ну убрали и убрали чего бухтеть то. Вот же есть 2.2 такой же.
Аноним 23/02/26 Пнд 11:02:51 588874 197
>>588873
Хотел проверить а не ушел ли он в кз, те два сомнительные, хотя шимку менять по любому

>>588872
Мде, жаль мультик дешёвый
Аноним 23/02/26 Пнд 11:44:06 588876 198
177183616865115[...].jpg 52Кб, 662x463
662x463
177183618182324[...].jpg 11Кб, 216x233
216x233
177183621357157[...].jpg 115Кб, 750x750
750x750
>>588868

D-class, их не так много. Гугли d-class ic tsop36 и сравнивай поножовщину. Ну и китайцы их не переварачивали, они с завода такие идут.
Аноним 23/02/26 Пнд 18:56:28 588878 199
>>588009
Покупал такие как на третьей пикче, у них железные иголки. Потому что магнитятся ояебу. Резьбовые части не магнитятся, те видимо уже как и должно быть из латуни. Вот уж не думал что на такой мелочи как латунные контакты будут экономить.

Интересно, а есть на Али, например, годные щупы? Глянул там на BST 050 JP. У них слишком уж контакты золотистые, как бы тоже не крашенное какое-нить железо было. Но за такую цену может и с латуни сделали.
Аноним 23/02/26 Пнд 20:00:50 588879 200
exfrccuj.jpg 124Кб, 640x615
640x615
Аноним 23/02/26 Пнд 20:28:16 588881 201
>>588879
Всегда думал что паяльник нужно всавлять в жопу, зачем они его руками держат?
Аноним 23/02/26 Пнд 21:38:25 588882 202
Есть монитор у которого отвалился блок питания на 19v 2.1A. Я нашел в чем проблема и собираюсь ее устранить. Но мне нужен монитор прямо сейчас. У меня есть блок питания на 19v 3.4A. Могу ли я его подключить, чтобы монитор не отъебнул?

Я вроде подключал блоки питания с большей силой тока, например на роутеры и камеры, но с монитором боюсь пробовать.
Аноним 23/02/26 Пнд 21:42:52 588883 203
>>588882
Как многие говорят возьёт ровно столько сколько надо, остальное не особо важно
Аноним 23/02/26 Пнд 21:43:00 588884 204
Аноним 23/02/26 Пнд 21:44:06 588885 205
Аноним 23/02/26 Пнд 22:08:17 588887 206
>>588885
Заработало. Вот только крепеж шлейфа повредил. Хуй знает сколько теперь проработает. Сраная мелкая крышечка с отверстиями под контакты.
Аноним 24/02/26 Втр 00:10:11 588890 207
А зачем нужны эти ваши опорные напряжения в 2026? Пытаюсь найти оправдание почему мне не хватит трех знаков и не могу.
Вот что действительно имеет значение, так это сравнение величин в пределах системы, но там не нужны эталоны никакие, и точности даже в 12бит не всегда хватает.
Аноним 24/02/26 Втр 01:42:49 588892 208
>>588881
>Всегда думал что паяльник нужно всавлять в жопу
Инженер АвтоВАЗа?
Аноним 24/02/26 Втр 02:30:25 588893 209
t-obraznyy-otve[...].jpg 151Кб, 930x550
930x550
1 (2).webp 50Кб, 900x1200
900x1200
i - 2026-02-24T[...].jpeg 31Кб, 916x532
916x532
>>338104 (OP)
Есть ли какой-то простой способ сделать то же самое что делает кабельный ответвитель ("отвод 90%"), пик1, но от тонюсенького провода вроде витой пары? То есть идёт длинный провод, к нему в нескольких местах сделать отводы.
Из идей только скотчлоки на 3 жилы (как на пик2, принцип показан на пик3), но не сильно удобно. Нужно что-то быстрое и условно надёжное, снимать изоляцию и припаивать/скручивать не вариант.
Аноним 24/02/26 Втр 02:48:27 588894 210
>>588892
>Инженер АвтоВАЗа?
Смешно, но это лучшее что у нас есть.
Боюсь представить куда засовывают паяльник остальные.
Аноним 24/02/26 Втр 03:03:22 588896 211
Купил себе ультразвуковую ванну, кто что покупает для отмывки флюсов и окислов? Достаточно ли концентрата солинс и обычной фильтрованной воды? Можно ли без подогрева использовать изопропанол? Купил ни то ни сё, 300150150, по размерам. Для мелочей большой объём, для материнок мелкая. Надо было заранее посоветоваться.
Аноним 24/02/26 Втр 03:21:24 588897 212
Screenshot2026-[...].jpg 356Кб, 1080x1343
1080x1343
Screenshot2026-[...].jpg 333Кб, 1080x1435
1080x1435
>>588893
Мож такое подойдёт?
Аноним 24/02/26 Втр 13:07:35 588898 213
20260108111007.jpg 7271Кб, 8000x6000
8000x6000
20260108110949.jpg 7748Кб, 8000x6000
8000x6000
20260108111052.jpg 16215Кб, 8000x6000
8000x6000
>>338104 (OP)
В общем хз где создать, есть такие девайсы, атс тсанции,если я правильно понимаю, они чего то стоят на вторичке, или мне их разобрать на цветмет и детали?
Аноним 24/02/26 Втр 13:57:04 588899 214
image.png 121Кб, 631x135
631x135
>>588898
Это тот самый чатгпт?
Аноним 24/02/26 Втр 17:48:27 588901 215
>>588876
спс анон - ебаные "кривые" корпуса руки за такое отрывать надо - кто знал что лицевая сторона та где жопа? маркировка не затерта она просто не там где я ее искал - и подымать ее не надо было
Аноним 24/02/26 Втр 18:02:00 588902 216
>>588901

Какие микрухи то в итоге? У меня тут идея зародилась сделать tri-amp усилок с цихровыми кроссоверами на встроенных dsp/dap в этих усилках.
Аноним 24/02/26 Втр 18:32:41 588903 217
firefoxUoD9RdqP[...].jpg 37Кб, 523x748
523x748
Аноним 24/02/26 Втр 20:07:50 588904 218
>>588902
sta516 сейчас в размышлениях где взять 50 вольт чтобы усилки "отзванить"
Аноним 24/02/26 Втр 20:30:51 588905 219
Аноним 24/02/26 Втр 20:33:25 588906 220
Screenshot20260[...].jpg 215Кб, 1451x1982
1451x1982
Screenshot20260[...].jpg 208Кб, 1411x2001
1411x2001
>>588904

У меня канплюхтерные колонки на PCM1808 (АЦП), STM8S003 (МК) и TAS5713 (полностью интегрированный УМ с DSP и всей обвязкой цифровой). Для меня загадка хули производитель чисто цихровой вход не прикрутил к этому.
Аноним 24/02/26 Втр 20:54:49 588907 221
>>588906
в смысле чисто цифровой? это как? но главное нахуя?
на сколько я помню в 90х когда только все начали драчить на цифру были попытки на магнитную ленту ее писать - уже оцифрованый звук плюнули оказалось хуйня - ожидаемого какчества нихуя а все остальное...
карочи в итоге решили не трахать мозг и звук - аналог пускают как есть и проще и дешевле и нет головняков с интерфейсами как у тогоже видео сигнала аналогового
конечно есть звуковой интерфейс по оптике но это для особо отбитых
>>588905
с хуяли? даташит говарит что 52-58в хоть минимальное и 10в
Аноним 24/02/26 Втр 21:06:51 588909 222
>>588907
>в смысле чисто цифровой?

Ну смотри как оно работает, МК инициализирует все и запускает семлинг на АЦП, с АЦП оцифрованные с линейного входа данные валятся на цифровой вход усилка, в усилке проходят цифровую обработку на встроенном DSP (эквалайзер, фильтры, компрессор-лимитер, регулировка усиления) и потом пиздуют уже управлять PWMом. Вот вместе с АЦП могли бы добавить коаксиальный или оптический вход S/PDIF шоб гнать со звукахи напрямую минуя преобразования ЦАП звукахи -> аналог -> АЦП колонок.
Аноним 24/02/26 Втр 21:33:07 588910 223
>>588909
понял
ну тут опять скорей всего вопросы совместимости и скорей всего програмной - тое например в игорях кто будет отвечать за развесовку по каналам? понял? с какого момента брать эту самую цифру? конечно гораздо пизже на всем пути иметь меньше посредников но на практике...
карочи ты вот тупо предлогаеш звуковую карту тупо убрать в колонки спорное решение но не нереализуемое например внешние звуковухи ...
карочи сие сложно реализуемо именно в условиях китайского завода по производству ширпотреба из говна и палок вполне вероятно скоро высрут чтото подобное и для гоев но эти самые гои покамест не спешат отказываца от тогоже 3.5миниджека а поскольку один хуй ставить ацп - то им проще не потавить спдиф да и на компах его какбы и нет... и вообще колонки к компу в 90% случаев берут на здачу
Аноним 24/02/26 Втр 21:41:07 588911 224
>>588907
>хоть минимальное и 10в
Ну вот минимального тебе и хватит для отладки
Аноним 24/02/26 Втр 21:41:45 588912 225
177195843303672[...].jpg 176Кб, 1065x1024
1065x1024
>>588910
>звуковую карту тупо убрать

Нет, у тебя если выбран цифровой выход на звукахе/телевизоре то сэмплы звукаха выдает на него вместо ЦАП. Вот пример мониторов где такие цифровые входы искаропки.
Аноним 24/02/26 Втр 22:21:18 588913 226
>>588897
Спасибо, анон, но он "от 0.25" - даже витая пара awg 24 будет меньшего сечения. Может и закроется, но ненадежный контакт.

Кстати, а какой допустимый максимальный ток для awg 24? Где-то пишут 2.1 А, где-то 2.5 А, где-то 5.6 А. Нейросеть вообще говорит 0.6-1 А. Где правда? Сечение 0.2 мм^2, диаметр 0.5 мм. Напряжение питания 24В, провод идёт самостоятельно, не в ручке витой пары
Аноним 24/02/26 Втр 22:21:45 588914 227
>>588913
Хотя может и в пучке, кек
Аноним 24/02/26 Втр 22:54:26 588916 228
Можно ли спалить строительный фен редукционной насадкой?
Аноним 24/02/26 Втр 23:27:42 588917 229
>>588916
Если поставить за цель, то можно.
Аноним 25/02/26 Срд 00:58:48 588918 230
изображение.png 703Кб, 1086x959
1086x959
Есть старый тостер. У него часовой механизм. В составе часового механизма силовые контакты замыкающие цепь тэнов. Контакты от времени обгорели.
Есть мысль перевести их на слаботочку. Можно было бы управлять релюшкой, но вершина технического прогресса это симистор.
Но я чёт затупил и никак не могу понять, какой резистор надо ставить на управляющий вывод&
Аноним 25/02/26 Срд 01:00:13 588919 231
изображение.png 570Кб, 790x526
790x526
Аноним 25/02/26 Срд 01:23:27 588920 232
>>588918
>симистор

Тут выше по треду уже поясняли за приколы тиристоров и симисторов.
Аноним 25/02/26 Срд 01:36:59 588921 233
>>588916
В нём термоконтроль по идее должен быть, так что скорее нет.
Но зависит от того насколько хуёвый у тебя фен.
Аноним 25/02/26 Срд 02:19:06 588922 234
>>588920
Почитал, ничего и не понял.

Вот у меня нагрузка 850Вт. Это в районе 4А. Надо брать с запасом.
Нашёл такой
https://www.chipdip.ru/product/bta12-600brg-simistor-12a-600v-50ma-standard-to-220a-umw-9001333371
И вот непонятка
>Отпирающее постоянное напряжение управления, В 1.5
Т.е. я должен подобрать такой резистор чтобы на управляющем выводе было 1,5 вольта.
Но напряжение то переменное. Мне надо чтобы он в начале полуволны синусоиды открывался. И если я рассчитаю резистор в этой точке, то на горбушке волны напряжение будет значительно выше.
Аноним 25/02/26 Срд 08:08:15 588923 235
я01.jpg 42Кб, 756x451
756x451
>>588912
это разговор на тему почему совецкие ракеты танчики самолетики и прочий космос такие ахуительные а автопром и ширпотреб лютейшее гавно
и ответ на него - уровень инженеров - очевидное распределение очевидно распределяет
>>588922
>на горбушке волны напряжение будет значительно выше.
поэтому семистр тиристр отпирают импульсом
гугли подобную пику схему включения а резюк считай на 30ма 220в
и вообще клацать семистором как релюхой такое себе по хорошему фазу надо резать но это уже датчики и прочая хуйня
Аноним 25/02/26 Срд 08:48:08 588925 236
7350109353.webp 19Кб, 375x500
375x500
6300939914.webp 17Кб, 500x433
500x433
Прошу прощения за вопросы: что можете посоветовать для увеличения при пайке? Подешевле, так как я нищеброд из деревни. Пробовал пикрил. Цифровая камера хорошо увеличивает, но даёт блики на свету и разрешения немного не хватает. Плюс ещё чуть что, слетает фокус. Лупа с клешнями в том вопросе лучше, но даёт такое слабое увеличение, что я это могу и невооружённым глазом увидеть. Мне надо при поверхностной пайке как-то понимать припаялся контакт или нет.
Ещё проблема сама поверхностная пайка: гуглил две технологии. При первой на дорожки ровно ставится деталь ножками и сверху паяется. Но тогда к самому контакту на плате плохо пристает припой. Другой вариант- залудить контакты на плате заранее и уже сверху пихать чип. Но тогда на контактах формируются бугорки и остальные ножки, которые сейчас не паяется, сползают с них, смещая весь чип. Как лучше паять?
Аноним 25/02/26 Срд 09:15:12 588927 237
image 41Кб, 811x540
811x540
image 191Кб, 813x1280
813x1280
>>588925
Если ты после монтажа прям каждый контакт потом шатаешь, то лупа на 10 или больше, что еще надо для контроля я хз.

Если к контакту плохо пристает припой то надо использовать флюс.

По твоим словам похоже ты паяешь контакты по одному, значит площадки надо максимально очищать от припоя, чтобы деталь стояла ровно и максимально ближе к плате.
Аноним 25/02/26 Срд 09:48:06 588929 238
Screenshot2026-[...].jpg 427Кб, 1080x1488
1080x1488
Screenshot2026-[...].jpg 140Кб, 1080x507
1080x507
Screenshot2026-[...].jpg 144Кб, 1080x1261
1080x1261
>>588925
Мне зашёл вот такой микроскоп. Конечно не бинокуляр, но по сравнению с пиком 3, уже можно пользоваться. Разрешение и подсветка устраивает. Пропаял все контакты платы конроллера ЖД. Возможно более габаритные предметы будет уже неудобно паять, но пока не пробовал.
Аноним 25/02/26 Срд 10:41:59 588930 239
>>588925
> Подешевле, так как я нищеброд из деревни
Если негде спиздить МБС-2 или МБС-10 или хотя бы козырёк с линзами, то попробуй ещё раз поиграться с цифровыми микроскопами и поляризующими фильтрами, какие-нибудь дешёвые очки с али можно распилить на сегменты поменьше и присрать с возможностью крутить угол подстраивая яркость и блики
> Но тогда к самому контакту на плате плохо пристает припой
С флюсом паяй, всё будет хорошо приставать. Гель из спиртоканифоли бери и не парься.
Аноним 25/02/26 Срд 10:49:28 588931 240
image 31Кб, 382x447
382x447
image 84Кб, 1000x500
1000x500
image 166Кб, 752x1280
752x1280
>>588925
А еще если ты после каждой сопли проверяешь как она припаялась, пусть даже через микроскоп, это онанизм. Сначала все пропаиваешь, оттираешь флюс, тогда уже смотришь и исправляешь, если есть что.
Аноним 25/02/26 Срд 10:54:21 588932 241
>>588474
Дело в том что я тупой, реально тупой вышка есть (я электроэнергетик), но схемы ни биполярных транзисторах я не понимаю (это хобби). Читал и смотрел лекции. На форумах я тоже писал, но там тоже нет ответа.
Аноним 25/02/26 Срд 12:03:06 588934 242
Screenshot2026-[...].jpg 282Кб, 886x1211
886x1211
>>588903
Это же для форсунок. На озоне не одного отзыва про электронику. Только запчасти и ювелирка. И в составе только ПАВ. Я про пикчу говорил, наверно лучше нету. А как со спиртом быть, мыть в нем можно? Или использовать только для удаления остатков воды после основной мойки?
Аноним 25/02/26 Срд 12:23:37 588935 243
>>588934
>И в составе только ПАВ.
А тебе и не нужно ничего.
Аноним 25/02/26 Срд 13:45:09 588936 244
Аноним 25/02/26 Срд 14:05:11 588937 245
Не в тему, но полагаю, только здесь достаточно квалифицированные аноны сидят.

Планирую посредством софта на телефоне определять идентификаторы (CID, LAC) сотовых вышех. Не спрашивайте, зачем. Для этого естественно нужен усилитель (репитер). Посоветуйте, пожалуйста, варианты для приобретения сего девайса.
Аноним 25/02/26 Срд 14:50:25 588939 246
>>588937
>усилитель (репитер)
Вот тут ты вероятно ошибаешься. Усилитель сам по себе никак не изменит дальность приема. МШУ в принципе используют не для самого по себе усиления, а для снижения коэффициента шума. Но он и так ниже некуда. Так что вероятно тебе нужна одна лишь антенна получше.

Но конечно тебе лучше знать, я не эксперт в этом деле.
Аноним 25/02/26 Срд 16:07:38 588940 247
>>588927
У чипа контакты не пошатаешь- они твердые. И при поверхностной пайке и не прозвонить ни как
Скорее проблема понять припаялся контакт к площадке или нет. Вижу горб на контакте, но не могу понять: он только на ножке или ещё и на площадке
>максимально очищать от припоя
то есть залуживать контакты на плате отдельно не надо
>>588929
Под ним плату не поворочаешь. А как у него с бликами от света и разрешением?
>>588930
Это куда пленку пихать? Там в глубине в малом отверстии находится камера. Причем кончаться ее не советуют: оставишь отпечаток и все на камере будет как в тумане. А так идея неплохая. Останется с фокусировкой разобраться
>спиртоканифоли
Я на чистой канифоли. Сильно по ощущению отличается? То есть она же буквально тает, когда ты в нее паяльник с припоем опускаешь. Есть ли особая разница?
Аноним 25/02/26 Срд 16:19:41 588941 248
>>588940
Да просто перед объективом монтируешь, как то кольцо с подсветкой как взрослого микроскопа, можешь хоть из горлышка от бутылки соорудить крепление лол.

Она чуть-чуть остаётся на капле олова, и пока не выгорит целиком, все эти несколько секунд даёт олову течь пожиже не сбиваясь в капли. Гелевый флюс просто даст тебе возможность нанести его прямо на место пайки и не торопиться никуда. Кто-то вон вообще с жиру бесится и паяльной пастой паяет, там ещё и мелкие шарики припоя во взвеси присутствуют.

Вообще если ты прям многоногие чипы паяешь на пустую плату, можешь попробовать залудить контакты и потом пройтись по ним медной оплёткой и снять всё олово крометого микронного слоя, который останется после зачистки оплёткой, к таким пятакам будет сильно проще припаяться. Но флюс всё же рекомендую закупить большим толстым шприцом и лить его как будто он бесплатный, эта хуйня облегчает жизнь просто пиздец как. Бери обычный безотмывочный канифольный флюс, не хватало ещё потом от активного флюса забыть плату отмыть и вернуться к ржавой ебанине спустя неделю.
Аноним 25/02/26 Срд 18:17:08 588945 249
>>588940
если плата новая то лудить обязательно - не верть уебанцам которые тут рассказывают что флюс хуюс припой затечет - если хочеш надежность и меньше ебать мазги то шкуриш площадки наждачкой без фанатизьму облуживаеш на этом этапе можно применять более агресивные флюсы - химия свое дело сделает и придеца меньше греть - чем дольше больше грееш дорогу тем вероятность того что она отлезет от текстолита растет
залудил? стряхни с паяльника припой и сними с площадок лишний припой - в идеале весь который снимеца можно для этого использовать спецальную хуйню - выглядит как плетеный медный многожильный провод - глазом контролируеш какчество и в ванну с бензаком и пищевой содой (если применял агресивные флюсы)
сама пайка чипа не такуж и сложна - ставиш его на место главно попасть любую крайнюю ногу с ее площадкой - поставил паяльником точку подправил чтобы все ноги совпали по диагонали от уже припаяной ноги ставиш вторую точку маниториш глазом чтобы все везде заебись совпадало - наносиш флюс - туже канифоль - обильно чтобы ноги закрыло и вот тупо проводиш паяльником - здесь желательно на жале иметь определнное количество припоя - приходит с опытом очень не плохо в данный момент помогают те мелкие капли(шарики) которые остались после того как стряхиваеш с жала лишний припой
повторюсь канифоль надо именно обильно тк она на данном этапе способствует разделению припоя между ногами площадками за счет его - припоя поверхностного натяжения
по флюсам - их сейчас хуева гора но туже канифоль никто не отменял - здесь нюванс в том что надо подобрать температуру жала такую чтобы она - канифоль достаточно долго не темнела и тем более не кипела и не дымилане получаеца? - припой не плавица ? драчись с припоем добавляй в него более легкоплавкие составляющие канифоль удобно разбавлять в бензаке до состояния смолы - ее так удобнее наносить в этот состав можно капнуть чутку моторного масла ну или разбавлять канифоль в бензинмасляной смеси для бензоинструмента - двухтактных движков
по глазам - жри маркошку еще рекомендуют каждый день с утра 50 ростков овса и рыбу конечно это зрение не улучшит но поможет его не проебать годам так к 40 очевидно его необходимо береч - поменьше варить без маски и тд и тп
по части всяких микроскопов луп залуп тут смотря с чем ты работаеш - если сотовые и прочая микроминиатюризация то да без подходящего инструменту тут не обойтись в основной массе хватает и спец очков - есть такие имено для ювелирки и пайщиков можно в области мидецины поискать но с очками акуратней я ими себе зрение и посадил - смысл вот в чем глаз это не камера он должен уметь сам фокусироваца на мелких объектах а если ты применяеш приспособы то он вот тупо леница и уже сложнее на чемто мелком сфокусироваца - руки сами тянуца к очкам - хотя старость не радость - например до 40 я легко паял весь поверхностный монтаж и сотики потом размеры еще больше сократили и пришлось юзать очки - о заебись приспасоба подумал я и начал под ними паять все итог плачевен теперь без них я даже 0.5мм провадки толком спаять не могу
Аноним 25/02/26 Срд 18:30:53 588946 250
Recording 2026-[...].mp4 4288Кб, 932x786, 00:00:09
932x786
Зачем вам покупать термофен? Вам больше деньги нет куда девоть?
Аноним 25/02/26 Срд 18:32:07 588947 251
>>588945
>что флюс хуюс припой затечет
Как мы к этому пришли? Когда и почему мы свернули на этот путь?
С каких пор флюс рассматривается как опция?
Аноним 25/02/26 Срд 18:35:33 588948 252
>>588913
>Сечение 0.2 мм^2
Из расчёта, что 1 мм^2 это 8 ампер, то получается 1,6 ампер.
Аноним 25/02/26 Срд 20:26:49 588952 253
А правда, что микросд-карты памяти это по сути "ссд без контроллера", а его фунцию выполняет картридер или само устройство (например телефон)?
Т.е меняя картридер я меняю у этого нанд-флеш-"сисиди" половину устройства?
Аноним 25/02/26 Срд 20:40:57 588953 254
>>588952
Это всего лишь семантика
Аноним 25/02/26 Срд 20:48:12 588954 255
>>588952
У микросд карты мозгов больше чем у тебя.
Аноним 25/02/26 Срд 20:55:02 588955 256
image 70Кб, 783x913
783x913
image 120Кб, 960x924
960x924
image 255Кб, 905x1280
905x1280
>>588952
Нет, у сд-карты точно так же как и у ссд есть контроллер. "Ссд без контроллера" это голая флеш-память, которую никакой картридер прочитать не сможет, потому что она бывает разной структуры, с разными интерфейсами и вообще в разных количествах кристаллов, даже в оной микросд бывает несколько пластин флеш-памяти. Контроллер все это знает и выводит на стандартный интерфейс, понятный картридеру.
Аноним 25/02/26 Срд 21:03:43 588956 257
Как же хочется нормальный держатель за вменяемые деньги плат 30х40 под подогревайку, господи, разве я так много прошу.
Аноним 25/02/26 Срд 21:51:56 588957 258
>>588955
А какой смысл пихать контроллер в сикросд если у них у них почти у всех одинаковые выводы и протокол работы? Почему бы и не вывести память?
Аноним 25/02/26 Срд 22:19:45 588958 259
>>588957
Протокол-то внешний, и очень похож на старый проперженный IDE, не настолько сильно как у цф-карты, но там такая же длинная история легаси-совместимости со старыми зеркалками. А по какому протоколу контроллер с NAND чипом общается это вообще рандом.
Аноним 25/02/26 Срд 22:26:55 588959 260
>>588957
>Почему бы и не вывести память?
Что именно вывести? Что такое "память"?
Аноним 25/02/26 Срд 22:30:54 588960 261
>>588923
>по хорошему фазу надо резать
Зачем мне фазу резать? Мне надо просто вкл выкл, безо всякой регулировки.
Аноним 25/02/26 Срд 22:39:48 588961 262
>>588935
Попробую конечно, небольшой объем. Но сдаётся мне что удалять липкий флюс из под бга лучше чем-то более специализированным. А что по поводу разбавления конценратов? Можно обычной фильтрованной водопроводной водой? Или обязательно дистилированную?
Аноним 25/02/26 Срд 22:58:07 588962 263
i(1).jpg 266Кб, 1103x1080
1103x1080
7929d0d4728e76f[...].jpeg 69Кб, 1000x1000
1000x1000
088d13c8dabf33c[...].jpeg 67Кб, 1000x1000
1000x1000
630f50c36dde086[...].jpeg 139Кб, 1000x1000
1000x1000
>>588936
Ну дык твои скотчлоки лучший вариант, можно даже попробовать не резать основную жилу, а в 2 раза сложенную туда пихать (и использовать 2 контактный, а не 3х). Плюс что защита от влаги в виде геля присутствует. Поищи ещё что-то для патч панелей, возможно есть какие-то хитрые клеммы с замкнутыми контактами, но тогда для монтажа нужен будет ещё и нож.

Зы: Вот ещё тебе нашёл пикчи.
Аноним 25/02/26 Срд 23:12:39 588963 264
>>588940
>Под ним плату не поворочаешь. А как у него с бликами от света и разрешением?
Ну для больших плат нужен нормальный штатив прикрученный на стену. Он сам будет дороже этого микроскопа стоить. Можно из кронштейна для монитора что-нить сколхозить. Просто показал что дешевле такого лучше не брать. Возможно камеры, за эту сумму будут ничего, но опять же - плюс кронштейн ещё столько.

По поводу бликов, решается разным разносом гибких светильников, можно угол удобный подобрать.

Я ддр ногастую просто с лупой у глаза перепаивал. Правда фокусное растояние маленькое и слишком близко горячий паяльник к лицу, неприятно.
Аноним 25/02/26 Срд 23:56:39 588964 265
>>588960
тогда зачисти - востанови родные контакты и не трахай ни себе ни людям мозг тк семистр в твоем случае это неоправданое удорожание и усложнение БЕЗ извлечения основных профитов - это как купить смартфон и только по нему званить - использовать в роли кнопочного телефона
предвижу очередной нубярский вопрос и тутже на него отвечаю - высоко нагруженые контакты засираюца окислами - "выгорают" тем самым увеличивая свое сопративление не только от действия дуги но и под действием окружающей действительности а в тостере она не особо то и приятна - масло крошки и прочая гавнина имеют тенденцию на них - контакты попадать и если через них пропускать расчетный - высокий ток то эта гавнина тупо выгорает - уловил суть явления? тое контакты самоочищаюца. карочи эти контакты долго работать в качестве низкоточной кнопки не будут - засруца маслом и прочими хлебными крошками
Аноним 26/02/26 Чтв 04:34:14 588967 266
>>588964
Контакты внутри ихнего корпуса, ничем они не засрутся, ни какой гавниной.
>востанови родные контакты
Я их почистил от нагара, но пускать по ним точину не хочу. Они конструктивно выполнены как часть часового механизма. Если им пизда - всему часовому механизму пизда. А мне это тостер дорог как память.
>>588964
>это неоправданое удорожание и усложнение БЕЗ извлечения основных профитов
Какое нахер удорожание? Цена вопроса 60р! Релюха дороже стоит.
Кароче ты за меня не решай что мне делать, а лучше будь человеком, помоги разобраться с резистором.
Аноним 26/02/26 Чтв 08:04:02 588969 267
>>588967
>разобраться с резистором
я выше тебе скинул схему коих валом в интернетах если не надо резать фазу то выкидываеш рс цепочку и динистор
карочи начинай плясать от 220в/0.04а = 5.5ком
но я бы всеже сделал 2 степени регулировки мощности - по времени и по резке фазы - взял бы этот узел от какого нибуть пылисоса ну или крутилку от болгарки и прочего электроинструмента коих на маркетплейсах валом
а вообще у тебя достаточно идиоцкая схема получаеца не илюзорно грозящая пожаром - кто тебе даст гарантию что пока ты в школе симистр самопроизвольно не включица?от чего? от висящего в воздухе затвора или ты собрался свой тостер постоянно выдергать из разетки? семистр тиристр несколько идиоцкий тип приборов это не полевик там или биполярный транзюк у которых подтянул базу затвор к минусу и он точно не включица - с семистором такие фокусы не прокатывают
Аноним 26/02/26 Чтв 09:12:36 588970 268
>>588967
>А мне это тостер дорог как память.
Тогда купи новый, а этот оставь как сувенир и не еби мозги.
Аноним 26/02/26 Чтв 10:16:42 588971 269
>>588934
>Это же для форсунок.
И? Что мешает им платы мыть, после выанной промыл в проточной воде выдул их под микросхем высушил... Он заебись отмывает хз как эти солинсы, мой в нефрасе если деньги есть или в изопропаноле. Эта жижа разбавляется не помню точно 1к 10 вроде и нормально все в теплой воде отмывает за 20 минут.
Аноним 26/02/26 Чтв 10:27:42 588972 270
>>588934
>На озоне не одного отзыва про электронику.
Я не удивлюсь если там и про форсунки не одного отзыва не будет, кто их кроме додиков и куриц оставляет? Монтажник на военке будет тебе видосы снимать как платы от ракеты отмыл или механик в сервисе форсунки крутить на камеру?
Аноним 26/02/26 Чтв 10:41:49 588973 271
>>588971
>И? Что мешает им платы м
Оно лишнее, если это для форсунок, там какие-то добавки против сажи должны быть. Удаляет сажу очень хорошо, кстати.
Аноним 26/02/26 Чтв 10:42:51 588974 272
>>588973
Ах да, оно еще люминий будет ебать, поэтому лучше в електронике не использовать.
Аноним 26/02/26 Чтв 14:17:05 588977 273
>>588974
Не, там прямо написано что не повреждает металлы.
Аноним 26/02/26 Чтв 14:18:07 588978 274
>>588972
Видосики про форсунки, суппорта и ювелирку присутствуют.
Аноним 26/02/26 Чтв 14:24:01 588979 275
>>588971
Ок. Спасибо. Попробую обязательно. Если что, то для гаража оставлю. А по горючим жидкостям, вот в нефрасе я бы побоялся, а в изопрапаноле попробовал бы. Есть пара 5ти литровок. На сколько опасно в нем мыть? Сам пробовал? Вряд ли он в пузыриках кавитации нагреется до температуры воспламенения. Наверное самая большая опасность просто пролить, а потом случайно поджечь.
Аноним 26/02/26 Чтв 14:43:19 588980 276
>>588977
>Не, там прямо написано что не повреждает металлы.
Только если у него нейтральный pH чего не может быть.
Аноним 26/02/26 Чтв 15:13:44 588981 277
>>588979
Сам не пробовал, у меня задачи были от спиртоканифоли отмывать по многу когда накапливалось. Изопропанолом я зубной щеткой оттерал после допайки того что в ванной нельзя мыть.
Аноним 26/02/26 Чтв 15:50:42 588982 278
>>588979
А чё боятся то в нефрасе моют железки перед покрытием от всяких масел, тут скорей вопрос дороговизны да и смотря что смывать. Раствор же не сильно греется минут за 40 градусов под 50 может.
Аноним 26/02/26 Чтв 16:17:06 588983 279
>>588961
Да бга лучше наверное вобще в таком не быть где активные вещества...Да и вобще можно ли их мыть в уз ванне типа видюхи если ты это делать собрался..
Аноним 26/02/26 Чтв 16:50:20 588985 280
>>588961
>что удалять липкий флюс из под бга лучше чем-то более специализированным
Удалять флюс из под бга лучше всего паянием его специализированым флюсом с заявленым отсуствием коррозии.
Аноним 26/02/26 Чтв 17:54:58 588986 281
>>588974
>люминий будет ебать
с хуяли бы даун??? весь впускной колектор двс это люминий а форсунки на рампу установлены она какбы тоже из люминия и поршня да ебана рот две трети двса это люминий
>>588980
хуяш -там принцип работы другой имено растворение всякой дряни - золи лаки и прочее а не как у щелочи кислоты реакция
>>588985
проблема флюсов не только в корозии - хим реакции с тем с чем не надо - ноги дороги а в том что ин как правило гигроскопичны и в себе растворяют окислы - соли металлов и спустя несколько дней после пайки вроди все заебись а потом начинаеца разного рода залупа - остатки флюса напитывают воду и получаеца гремучая смесь - вода + соли металлов + сам флюс - приводящая либо к паразитным емкостям либо вообще к электрической проводимости
Аноним 26/02/26 Чтв 18:04:04 588987 282
>>588986
>с хуяли бы даун???
Доложите свой уровень ии мамкин теоретик делающий выводы на основе базовых общих знаний.
>весь впускной колектор двс это люминий а форсунки на рампу установлены она какбы тоже из люминия и поршня да ебана рот две трети двса это люминий

Когда я мыл в подобной жиже гловку от газонокосилки, она хороша так "кипела". Но при этом, кроме изменения цвета на более темный ничего не произошло. Но этого достаточно что бы не использовать это в электронике.
Аноним 26/02/26 Чтв 18:09:27 588988 283
>>588986
>хуяш -там принцип работы другой имено растворение всякой дряни
какое то сракобесие. У нас тут железные форсунки в смазке, жирах и солярке, поэтому давайте возьмем нейтральные ПАВ и будем мыть следующие два месяца, вместо того что бы растворить это все за 5 минут благодаря омылению в лужной среде.
Аноним 26/02/26 Чтв 18:35:12 588989 284
>>588967
Да делай, кто тебе мешает?! Возьми схему оптореле и по ней сделай.
Этого >>588964 шиза не слушай, у него обострение.
Аноним 26/02/26 Чтв 19:56:35 588991 285
>>588987
> гловку от газонокосилки
чигоблядь.шебем?
Аноним 26/02/26 Чтв 21:42:38 588992 286
изображение.png 22Кб, 834x468
834x468
Итак. Досталось мне восстановить работоспособность сервоусилителя привода подачи стола фрезерного станка, бородатых годов выпуска. Схем нет. На часть деталюх даже даташитов нет. В выходном каскаде напрочь выгорели два транзистора и два резистора. Один удалось распознать по методу измерения измеряющихся сопротивлений до места обрыва. Вышло +- 470 Ом, второй выгорел к хуям. Как рассчитать смещения? Я больше по цифровым хуюшкам. От аналога голова кружится и тошнить начинает
Аноним 26/02/26 Чтв 21:50:45 588993 287
>>588991
Газонокосилки головка
За щекой летает ловко...
Аноним 26/02/26 Чтв 22:10:23 588994 288
>>588969
>постоянно выдергать из разетки?
Всегда так делаю с мощными приборами.
>в школе
Судя по орфографии в школку ходишь ты. Или, как раз, не ходишь. Но спс за разъяснения.

>>588989
>оптореле
Что за оптореле?

>>588970
Пока работают тэны я от него не отстану.
Аноним 26/02/26 Чтв 22:14:36 588995 289
image.png 703Кб, 1200x800
1200x800
>>588991
>чигоблядь.шебем?
Сложно. Очень сложно
МИСТИКА Аноним 27/02/26 Птн 01:12:00 588996 290
image.png 66Кб, 550x550
550x550
Паяч, выручай, я медленно схожу с ума.

Пытаюсь по уму подключить китайский 12В инвертор на пару киловатт типа пикрил.
Чтобы спокойнее спалось, решил батарею подключить через предохранитель. Фактически на высокой стороне буду снимать не больше киловатта, так что, учитывая эффективность инвертора в районе 80% и напряжение отсечки батареи в 10.5В, пиковый ток в цепи аккумулятора должен быть в районе 130А. Решил отставновиться на автомобильном предохранителе типоразмера Mega на 200А. Кабель используется гостовский сечением 50 мм2.

Собираю всё вместе, и проверяю с нагрузкой 800Вт. Всё работает, но через пару минут пред дико нагревается, и ещё через минуту сгорает. Думал, что купил хуевый китайский предохранитель, взял Бош за 500 рублей, результат идентичный. Инвертор при этом пишет, что потребляемый ток от батареи всего около 80 ампер. Токовые клещи показывают 130А, но они по паспорту адекватно считают RMS лишь до 400Гц и, видимо, не дружат с осциллограммой инвертора.

Немного охуев, собрал стенд из ЛАТРа и понижающего трансформатора. Взял аналогичный пред, и вжарил в него 150А. Греется, но 10 минут выдержал без проблем. При 200А уже стал пованивать, но всё равно держит, окончательно сгорел лишь при 250А.
Ставлю такой же пред из одной упаковки на инвертор - опять перегорает за 3 минуты.

Это уже не смешно.

Подключился осликом к концам минусового провода, посмотрел на падение напряжение на нём, пересчитав его в ток. И значение RMS действительно выходит в районе 80 ампер, хотя график потребления довольно шумный, пилообразный, с резкими иглами частотой примерно в 20кГц.

Собственно, вопрос: а какого хуя?
Как может пред длительно не сгорать при токе 150А на тестовом стенде, сгорая при этом в цепи инвертора при вдвое меньшем значении? Что это за шизика такая?
Не может ведь рваный график тока каким-то особенным образом влиять на разогрев предохранителя? Важно ведь только среднеквадратичное значение, верно?
И частота в 20кГц ведь слишком мала для всякой там индукционной хуйни и прочих скин-эффектов?

Молю, помогите, уже всю голову сломал с этой хуйнёй. Просто так ставить предохранитель бОльшего номинала не хотелось бы.
Аноним 27/02/26 Птн 04:24:23 589000 291
image 143Кб, 1080x1063
1080x1063
image 167Кб, 728x1280
728x1280
Мне в свое время было лень разбираться, я просто поставил пред раза в три мощнее рассчетного. Но у меня инвертор гораздо меньшей мощности. В твоем случае я бы автомат поставил.
Аноним 27/02/26 Птн 04:29:59 589001 292
image 104Кб, 1028x1280
1028x1280
image 117Кб, 535x1280
535x1280
>>589000
Еще гугл вот подсказал что надо ставить класс Т то есть ТОРМОЗНЫЕ предохранители, которые прощают кратковременные большие перегрузки
Аноним 27/02/26 Птн 04:34:27 589002 293
>>588992
Хуйня схема, неработоспособная.
Аноним 27/02/26 Птн 10:00:54 589004 294
>>588996
>Всё работает, но через пару минут пред дико нагревается, и ещё через минуту сгорает
Не нужен тебе там предохранитель
Аноним 27/02/26 Птн 12:50:01 589015 295
дроссель 9 генри, 0.5ом. возможно ли увеличить сопротивление намотки установив резистор?
Аноним 27/02/26 Птн 13:01:48 589016 296
VID202602271259[...].mp4 9341Кб, 1920x864, 00:00:33
1920x864
>>588996
я плохо шарю но могу сказать тебе, что частота инвертора без заземления/зануления может быть гораздо выше чем основная частота.
Аноним 27/02/26 Птн 13:13:15 589018 297
image.png 70Кб, 500x288
500x288
>>588996
>10.5В, пиковый ток в цепи аккумулятора должен быть в районе 130А
Это только если у тебя предварительный фильтро стоит который обеспечивает равномерный отбор мощности от источника, что маловероятно, так как нужен здоровенный дросель и куча емкости, и там оно проще, что ведет импульсному отбору мощности.


>окончательно сгорел лишь при 250А.
Это при равномерном потреблении. Когда у тебя импульсы амлитудой в 500-1000а шириной в 20кгц, он у тебя не будет разрушаться, поскольку будет успевать остыть.

>>588996
>И частота в 20кГц
В самый раз для игбт

Убери не нужный предохранитель, и не придумывай проблем. У тебя корочобка разрушиться быстрее чем сработает твой предохранитель при таких токах. По сути она и есть предохранитель.
Аноним 27/02/26 Птн 13:20:21 589019 298
>>589000
>В твоем случае я бы автомат поставил.
Автоматов постоянного тока в моей мухосрани нет, ждать с алика месяц. Да и я теперь не уверен, что автомат адекватного номинала не будет вести себя точно так же.

>>589001
>надо ставить класс Т то есть ТОРМОЗНЫЕ предохранители, которые прощают кратковременные большие перегрузки
Class T наоборот сверхбыстрые, и они жутко дорогие (по 3к+ штучка).
Да и у меня нет кратковременных перегрузок, ток, потребляемый инвертором стабилен. Фича Т-предов в том, что они при компактных габаритах способны отключать токи до 20кА.

>>589004
>Не нужен тебе там предохранитель
Как-то мне ссыкотно. Вдруг инвертор по входу замкнёт.

>>589016
Пусть так, но разве от частоты зависит нагрев плавкой вставки?
Вообще, у меня по физике тройка, но мне всегда казалось, что за счёт тепловой массы предохранителю должно быть похуй на частоту протекающего через него тока и важно лишь действующее среднеквадратичное значение.
Аноним 27/02/26 Птн 13:27:22 589020 299
>>589018
>Убери не нужный предохранитель, и не придумывай проблем.
Так в мануале на инвертор предписывается использование предохранителя. Правда, никаких деталей по типу и номиналу не приводится (там одна инструкция на охулиард моделей от 500Вт до 10кВт).

Да и в тех же бесперебойниках батарея тоже всегда защищается плавкой вставкой.

>У тебя корочобка разрушиться быстрее чем сработает твой предохранитель при таких токах
Да с коробочкой хуй с ней, лишь бы хата не сгорела.

Плюс, у меня теперь уже любознательный интерес - какая такая магия заставляет 80А сжигать пред номиналом в три раза больше.
Аноним 27/02/26 Птн 13:28:00 589021 300
>>589019
я тоже троешник я честно ни ебу, но видимо это все влияет. гдето вверху тип видео кидал где от кривого синуса лампа накаливания тусклее светила.
плюс еще на работе горели бп имеено одни и теже кондеры, так и не разобрались что, но там на ослике была полная пизда.
Аноним 27/02/26 Птн 14:09:07 589023 301
image 165Кб, 1174x1280
1174x1280
image 156Кб, 750x749
750x749
image 127Кб, 1280x904
1280x904
>>589019
Ставь переменного, большая прям разница
Аноним 27/02/26 Птн 14:18:59 589024 302
>>589023
>Ставь переменного, большая прям разница
Большая.
В случае с постоянкой нет перехода через ноль, дуга просто так не гаснет.
Да и автоматы на 200А тоже недешевые (ибо в основном трехполюсные).
Аноним 27/02/26 Птн 15:02:10 589027 303
image 68Кб, 700x933
700x933
image 110Кб, 1280x1041
1280x1041
image 145Кб, 848x1199
848x1199
>>589024
Дуга не гаснет при переходе через ноль. Если б гасла, не было бы всех этих видосов где дуга на подстанции начинает ебашить и потом от ячейки одни угольки.

Автоматы - Тепловая и там и там одинаково сработает. Кз ВОЗМОЖНО не сработает при неправильной полярности, от устройства механизма сильно зависит. Если подумать то скорее всего только этим они и должны отличаться, на переменку электромагнит сработает при ударе якоря только в одну сторону, а на постоянку в обе. Это всегда можно выяснить и включить как надо. То что они дорого стоят я не знал, давно не покупал, вроде бы они не так уж дорого стоили... Можно трехфазный запаралелить, и так даже ток грубо подобрать. Мне показалось что это будет лучше чем жечь фирменные предохранители.

>>589019
> Class T наоборот сверхбыстрые
Нейросеть тебя подвела. Не верь всему что она пишет.
Аноним 27/02/26 Птн 15:12:37 589028 304
>>589019
Видел, что берут четврехполюсные переменного тока, и подключают через них постоянку, пропуская провод последовательно через каждый полюс, именно чтобы бороться с дугой.
Но советовать не буду, не знаю, насколько это эффективно
Аноним 27/02/26 Птн 15:32:25 589030 305
>>589024
>Большая.
для потенциала в 12в это не имеет значения
Аноним 27/02/26 Птн 17:23:29 589039 306
>>588995
Но это ГБЦ, причем тут газонокосилка вообще?
мимо
Аноним 27/02/26 Птн 17:29:30 589040 307
Люкей с феном за 1к норм?
Аноним 27/02/26 Птн 17:33:06 589041 308
>>589027
>Дуга не гаснет при переходе через ноль
Ну тут зависит от обстоятельств.
Если облачко плазмы успеет отойти от места пробоя на достаточное расстояние, то повторно после прохождения нуля дуга уже не разгорится.
Поэтому в автоматах постоянного тока дугогасительная камера более эффективно устроена.

А расцепители там действительно одинаковые.

>Нейросеть тебя подвела. Не верь всему что она пишет.
Да при чём тут нейросеть, сами производители заявляют: https://www.littelfuse.com/products/fuses-overcurrent-protection/fuses/ul-class-fuses/class-t-fuses
Аноним 27/02/26 Птн 17:59:08 589042 309
>>589039
У газонокосилки есть двигатель. Но почему это так сложно?
Аноним 27/02/26 Птн 18:02:49 589043 310
>>588996
>Как может пред
какая конструкция? если просто плавкая вставка то очевидно ей не нравица частота -токами увч калят детали машин у тебя хоть и не увч но 20кгц тоже вполне вероятно резанируют
раздербань мертвый и скинь фотки
>>589027
>Дуга не гаснет при переходе через ноль
сильно зависит от тока напряжения расстояния и частоты- если у тебя все на границе "минимумов" то погаснет а на подстанции мало того что токи ебучие так еще и напряжение от 10кв там даже решотки чтобы долбаеб электрик свое ебало на опасное расстояние не приблизил
>>589028
смысла ровно ноль - они не все одинаково одинаковые - разброс есть палюбому и тот что раньше всех срабатывает будет выгорать а остальные даже срабатывать не будут
>>589042
основная масса бензоинструмента это 2т у них нет головы - выполнена в одной отливке с цилиндром
4т газонокасилка это уже поля футбольные косить что ты там ей кстати косиш?
Аноним 27/02/26 Птн 18:40:13 589044 311
image.png 436Кб, 783x1000
783x1000
>>589043
>какая конструкция
Обычная плавкая вставка типа пикрил.

>раздербань мертвый и скинь фотки
Выбросил уже, но там особо смотреть не на что - просто промежуток в металле с обгоревшими краями.
Аноним 27/02/26 Птн 18:49:31 589045 312
>>589043
>4т газонокасилка это уже поля футбольные косить что ты там ей кстати косиш?
Газон, очевидно. 2т это триммер(мотокоса). А те что на колесиках, там 4х стоят.
Аноним 27/02/26 Птн 20:07:16 589049 313
>>589042
Потому что у газонокосилки нет головки, очевидно же.
Аноним 27/02/26 Птн 21:10:32 589053 314
image.png 675Кб, 675x515
675x515
пиздос, сегодня тренировался в поверхностой пайке. Еле удалось напаять резистор. И то непонятно: не задел ли я соседние пины? Или не замкнул ли я контакны снизу?
А так процесс издевательство: паяльник на 270 градусов но буквально деталь не хочет стаять на месте. То липнет к пинцету, то к паяльнику. Плюс из-за малого размера достаточно было просто паяльник прислонить, чтобы отошло оба контакта, так что не понятно напаял ли я второй- если бы начал и там греть, резистор бы снова отошел и черт знает куда бы съехал. А что вы скажете? Что посоветуете? И как по таким резисторам без каких либо маркировок определять их сопротивление? только или прозванивать, выпаивая, или на схему смотреть?
Аноним 27/02/26 Птн 21:13:32 589054 315
image.png 655Кб, 671x508
671x508
>>589053
сдвинул камеру, кажется все же хреново напаял. Явно запкнул сверху две плащадки
Аноним 27/02/26 Птн 21:32:06 589055 316
я01.jpg 266Кб, 900x750
900x750
>>589054
>>589053
как паять
в левую руку зубочистку я использую калючку от окации в правую паяльник мокаеш ее в канифоль разведеную в бензаке до состояния сметаны цепляеш элемент - резюк там кондюк или мелкосхемку никаких нахуй пинцетов - ставиш на место и придавливаеш с боку подносиш паяльник и пропаиваеш с разу оба контакта затем если требуеца каждый контакт - площадку сторону пропаиваеш отдельно - убираеш лишний или добавляеш припой
все это если глаз не позволяет выполняеш при помощи оптических приспасоб - линзы там очки микроскопы флюс не жалей - но и чрезмерно не расходуй - в идеале деталь - резюк кондюк должна быть в капле на две трети своей высоты больше уже нет необходимости - долго греть тоже нет смысла - в идеале ты тупо ставиш точки - по секунде на одну точку
если нет маркировки то только званить - выпаивать и званить
Аноним 27/02/26 Птн 21:34:48 589056 317
>>589053
Зачем площадки лудишь? Положил компонент, прижал пинцетом к плате мазанул лит 120 кисточкой одну сторону взял припой на жало и перенес...
Аноним 27/02/26 Птн 21:47:15 589057 318
15937746561450.jpg 206Кб, 600x450
600x450
>>588996
ДЕЛО РАСКРЫТО.

Поигрался с настройками ослика, ещё раз сравнил показания шунта на контрольном источнике и на инверторе, и выяснилось, что инвертор действительно жрёт под 200А. Вернее, жрёт-то он меньше, а вот гоняет по батарейным проводам туда-сюда все двести, поэтому и предохранители на 200А долго не живут. И это при потребляемой мощности меньше половины номинала. А если на все 2кВт нагрузить, тогда вообще под 500А выйдет что ли?

Зачем он это делает, мне непонятно, ведь это ощутимо снижает эффективность.
Я не большой спец по инверторам, но такое ощущение, что он избыточно накачивает трансформатор (или емкости), а потом, то, что не ушло в нагрузку, возвращает обратно в батарею. Я как бы знаю, что DC-преобразователи сосут энергию со входа импульсами, но про возврат её обратно никогда не слышал.

Нагрузка у меня подключена с PF=0.85, то есть не особо реактивная, чтобы вызывать такие дики пляски.

В общем, если тут есть спецы по инверторам, буду рад выслушать логику такого поведения.
Аноним 27/02/26 Птн 21:49:31 589058 319
6555289525.webp 213Кб, 1876x2500
1876x2500
Стоит купить бу за 2к? Вроде манит купить, правда на постоянку ставить мне её некуда, но смд иногда паяю, как и крупные детали, любительски, не массово.
Аноним 27/02/26 Птн 21:54:43 589059 320
>>589058
Я бы не брал чисто из-за паяльника с накладными жалами, в 2к26 это уже несерьезно.
Аноним 27/02/26 Птн 21:55:02 589060 321
>>589057
опиши что за инвертор точнее схему а то сложно понять что у тебя за конечный агрегат - ванги тут вымерли уже лет как 10
>>589058
смд можно паять и просто паяльником - главное чтобы на его жале поддерживалась точно постоянная температура ну и само жало было в адыкватном состоянии
фен штука хорошая и много где помогает - например епаксидку прогревать ну или смд микрушки демантировать достаточно аккуратно если ремонт происходит методом тыка
ответ очевиден - некуда ставить не бери
Аноним 27/02/26 Птн 21:56:26 589061 322
>>589059
что с ними не так? с этими
> накладными жалами
Аноним 27/02/26 Птн 22:00:42 589062 323
7350428905.webp 126Кб, 900x1200
900x1200
8898260935.webp 47Кб, 900x1200
900x1200
>>589060
А вот если вот это купить? + простой паяльник с плоским жалом.
Аноним 27/02/26 Птн 22:01:09 589063 324
image.png 224Кб, 1000x1000
1000x1000
>>589060
>опиши что за инвертор точнее схему
Инвертор пикрил Hiden HPS30-2012, для батареи 12В, мощность 2000ВА.
Схемы не знаю. Знаю лишь, что внутри есть здоровенный тор.
Аноним 27/02/26 Птн 22:12:32 589064 325
image.png 136Кб, 800x800
800x800
>>589061
Теплоперенос от керамического нагревателя к кончику жала там весьма фиговый. Лучше, чем у дедовского паяльника, но гораздо хуже, чем у современных паяльников с жалами-картриджами. И чёрт бы с ним, со временем нагрева до рабочей температуры (у Т12 или C245 он составляет считанные секунды). Главное, что при попытке выпаять что-то на плате с массивными полигонами, паяльник Люкея делает пук-среньк. Приходится задирать температуру жала, использовать нижний подогрев, фен и другие изъёбства.

При этом при помощи 245 жала можно даже медный провод 6 кв мм залудить на изи.

>>589062
>простой паяльник с плоским жалом
Забудь про это. Покупка настолько говенных инструментов это отличный путь отвернуть себя от нового хобби.
Купи себе T80 C245 на распродаже.
Thank me later.
Аноним 27/02/26 Птн 22:16:43 589065 326
>>589064
>пик
Крутая штучка, хотел себе одно время автономный паяльник, да дорогие они чего-то.
>забудь
В принципе то им можно паять, если жало керамика, смущает только то что регулировки температуры нет (делать самому), ну и 220в паяльником в смд копаться стремновато.
Аноним 27/02/26 Птн 22:22:04 589066 327
>>589065
>хотел себе одно время автономный паяльник, да дорогие они чего-то
Ну этот не совсем автономный. Встроенной батареи у него нет, нужно питать от БП или повербанка с PD.
Что до цены, то на акциях видел по 2к, что просто кража как по мне.
Такой паяльник реально покрывает практически все нужды. 100Вт с точной регулировкой температуры и мгновенной обратной связью, а T90 вообще 140Вт вкачивает.

Круче уже только только индукционки Metcal за безумные даллары.
Аноним 27/02/26 Птн 22:23:50 589067 328
>>589057
>Зачем он это делает, мне непонятно, ведь это ощутимо снижает эффективность.
По другому импульсный преобразователь и не работает.
Он так и называется, импульсный. Тоесть преобразует импульс одного потенциала в иной потенциал, в том самом здоровенном торе.
Аноним 27/02/26 Птн 22:24:34 589068 329
>>589055
Зачем ты червей на плату накидал?
Аноним 27/02/26 Птн 22:26:47 589069 330
>>589066
А что насчёт фена? Ну банально чип какой-нибудь снять или прогреть.
>покрывает
Ну я тоже чего-то вот думаю, люкей конечно круто, но мне его стационарно ставить некуда + эта бандура иногда имеет свойство ломаться.
Аноним 27/02/26 Птн 23:34:39 589075 331
Hu Tao - 118.jpg 47Кб, 736x761
736x761
>>589053
Лей больше флюса, лей больше ацетона inb4: на работе у меня Flux-on, по сравнению с ним ацетон — слабый растворитель. смывают этой жуткой хуйнёй заводской флюс, который иногда и отковырять-то сложно.
Любая поверхностная хуйня выравнивается сама за счёт сил поверхностного натяжения припоя. Так что проще и естественней всего мазануть площадки ЛТИ-120, шлёпнуть деталь и прогреть феном. Ну это при условии, что предварительно ты прошёлся по площадкам каплей припоя и они забрали его достаточно. Ну или нанёс пасту по трафарету. Ну и если плата многослойная (с высокой теплоёмкостью), монтаж делается на термостоле, дабы не доводить до локального перегрева.
Всё остальное менее естественно. Так то паять их можно хоть ЭРА ЭПСН-65 с диммером, просто придётся уже поддерживать пинцетиком (немагнитным) и следить за тем, чтобы они не присасывались к жалу теми же силами поверхностного натяжения.
З.Ы.: Практический критерий недостаточности флюса/нагрева — при отрыве жала от спаиваемого соединения за ним тянется сопля припоя. Я такое переделываю.
>То липнет к пинцету, то к паяльнику.
Оно липнет в первую очередь туда, где выше силы поверхностного натяжения, а выше они как правило там, где больше припоя. Вообще, заведи тряпочную губочку, вымоченную в канифоли, по центру которой плавает кусочек припоя — кроме банальных функций очистки и активации жала в эту каплю удобно сбрасывать излишки припоя, они в неё сами затекают.
Плюс, оно магнитится. Посему я люблю немагнитные пинцеты и медные жала — к ним не магнитится.
Плюс, всё мудзё про поверхностное натяжение перестаёт работать при недостаточном количестве флюса.
>И как по таким резисторам без каких либо маркировок определять их сопротивление?
Схема, прозвонка — больше никак. У них маркировка на бобинах, которые в машину заряжаются.
Аноним 28/02/26 Суб 04:30:15 589079 332
Аноним 28/02/26 Суб 09:16:02 589080 333
image.png 1099Кб, 926x690
926x690
к вопросу о пайке. Получилось паршиво. и как бороться с тем, что деталь липнет к пинцету?
>>589056
я даже не лудил. это слишком хардкорно
>>589075
фена нет. есть дедовский медный паяльник, канифоль. деды же как-то так паяли?!
Аноним 28/02/26 Суб 09:18:17 589081 334
>>589080
я еще видео запилил, но к сожалению в тред его не выкинуть
Аноним 28/02/26 Суб 09:39:36 589082 335
>Такой паяльник реально покрывает практически все нужды. 100Вт с точной регулировкой температуры и мгновенной обратной связью, а T90 вообще 140Вт вкачивает.
Лол с сантиметровым диаметром жала часть может и покроет, но не заменит.
Аноним 28/02/26 Суб 09:40:15 589083 336
>>589080
>и как бороться с тем, что деталь липнет к пинцету?
Никак.
>фена нет. есть дедовский медный паяльник, канифоль. деды же как-то так паяли?!
Почему ты решил что можно делать любую работу без базовой базы? Для смд нужен фен.
Аноним 28/02/26 Суб 09:51:17 589084 337
>>589083
1206 можно и дедовским 40 ватным эпсн спокойно паять.
Вопрос больше в удобстве.
Аноним 28/02/26 Суб 10:05:36 589085 338
>>588932
Значит плохо спрашивал или не там. Я тебе привел список форумов где спрашивать.
Если ты собрался это СОБИРАТЬ, то у меня для тебя плохие новости. Тебе же это придется отладить, не так ли? А как ты отладишь, если ты не понимаешь как это работает?
Ты собрался отлаживать при помощи дяди удаленно? Или пришлешь дяде плату чтобы он сделал всю работу?
Плохо. Конечно же чтобы собирать такое или отлаживать, надо знать как работает хотя бы самый простой каскад на транзисторе.

Как "работает" транзистор мне было понятно лет в 6-8, когда я читал "детскую энциклопедию" в 12 томах том 5.
https://publ.lib.ru/ARCHIVES/A/Akademiya_Pedagogicheskih_Nauk/_APN.html
Если ты найдешь ее и скачаешь, увидишь там рисунок, микрофон с батарейкой подключены к базе-эмиттеру, а динамик со своей батарейкой подключен к эмиттеру-коллектору. Что самое смешное, я эту "схему" если её так можно назвать спаял. Только микрофон надо брать угольный (я взял от телефона), а вместо динамика 4-8 ом лучше взять наушники, иначе усиление на такой низкоомной нагрузке будет очень малым, сгорят и транзистор и катушка динамика. Очень сложно было припаяться к микрофону, он никак не лудился, т.к. никелированый.

Работа биполярного транзистора проста.
В транзисторе есть два тока.
Первый ток слабенький, называется базовый ток. Он течет между базой и эмиттером.
Второй ток мощный, называется коллекторный ток. Он течет между коллектором и эмиттером, это усиленная в β раз копия базового тока.
Базовый ток управляет коллекторным.
Получается что транзистор усиливает базовый ток ровно в β раз. β, она же h21э это основная х-ка транзистора, его коэффициент усиления тока.
Типичное усиления по току стареньких-престареньких германиевых транзисторов 25-50, современных кремниевых 150-350, у некоторых может доходить до 1000.
Еще надо знать закон Ома. R = U/I, U = RI, I = U/R.
Это всё что нужно для понимания. Больше ничего нет!
Всё это также нарисовано в картинках в книжке Рудольф Сверень, "Электроника Шаг за Шагом" (см. шапку темы)
и в Е.Айсберг "Транзистор это очень просто!"
https://publ.lib.ru/ARCHIVES/M/''Massovaya_radiobiblioteka''_(seriya)/_MRB_0600-0699_.html


Минимальный усилитель на транзисторе это сам транзистор и два резистора.
Первый резистор включается в цепь коллектора (между коллектором и питанием). Его обычный номинал - примерно единицы килоом.
Второй резистор подсоединяется к базе транзистора, а вторым концом опять-таки к питанию или (это хитрее) к коллектору . Его обычный номинал десятки-сотни килоом.
Эмиттер транзистора присоединяется к "земле".
"Вход" аудиосигнала через конденсатор - между эмиттером и базой.
"Выход" аудиосигнала через конденсатор - между эмиттером и коллектором.
Данная схема включения транзистора называется "общий эмиттер" (ОЭ), так как у транзистора три ноги, одна, эмиттер будет "общая" между входом и выходом.
Почему резистор в базе такой высокоомный. Да потому что транзистор усилит базовый ток в β раз, следовательно и ток в базе должен быть в β раз меньше, а потому сопротивление резистора должно быть в β раз больше (смотри закон Ома).
Между источником сигнала и на выходе со схемы ставяется конденсаторы, потому что они пропускают переменный ток (звуковой сигнал) но не пропускают постоянный ток.

Аналоговая электроника прощает всё.
Даже если ты возьмешь наобум первый попавшийся транзистор, возьмешь от балды резистор в коллектор килоом 3-5 и возьмешь от балды резистор в базу килоом 50-250, это заработает.
Другой вопрос заключается в том, как же схему наладить и заставить работать оптимально. Оказывается, на коллекторе транзистора должна быть половина питающего напряжения. Чтобы это сделать, резистор в цепи базы подбирают, его можно конечно же примерно рассчитать зная β транзистора и закон ома.

Я утверждаю, что то что я тебе написал, то есть понимание как текут токи, к чему стремятся (половина питающего напряжения "посредине"), как токи усиливаются и знание закона Ома - вполне достаточно чтобы понимать как работает твоя схема четырехканального усилителя AB и чтобы ее отладить.
https://ru.wikipedia.org/wiki/Классификация_электронных_усилителей#Режимы_B_и_AB
Твоя схема это совершенно типичный усилитель Лина с дифференциальным входным каскадом (Q101,Q103).
Остальное, "верхняя половина" Q105,Q108,Q110 это и есть верхняя половина усилителя Лина,
Q106,Q109,Q111 - "нижняя половина".
https://ru.wikipedia.org/wiki/Усилитель_Лина
только этих входных дифференциальных каскадов наворотили для симметрии аж два, второй, перевернутый и симметричный дифф. каскад это Q102 и Q104.
вероятно автор преследовал цель "симметризации" усилителя. Что это реально дало - надо еще изучать.
Дифф.каскад работает очень просто, это основа опрационного усилителя с двумя входами, прямым и инверсным. На прямой подают сам усиливаемый сигнал, на инвесрный - ООС, отрицательную обратную связь, улучшающую параметры усилителя.
Усилитель Лина класса AB - это довольно тривиальная, тыясячу раз накатанная схема, работает везде, от бытовых усилителей на колонки и заканчивая радиприемниками.

Остальное там это мелкие нюансы, такие как ООС (обратная отрицательная связь R153-R154 задающая коэффициент усиления равный R153/R154 + 1 = 13) и снижающая искажения.
Или такой нюанс, неизвестный из схемы, но его всегда надо делать с таким усилителем: Q107 это термо-копенсация токов покоя в Q110,Q111, его изолированно монтируют на один радиатор с силовыми выходными Q110,Q111. Q107 также делает из усилителя класса B (если бы выходные транзисторы были всегда закрыты) усилитель класса AB, то есть чуть приоткрыает выходные транзисторы, заставляя работать их чуть-чуть в классе A, улучшая (делая более аналоговой, более линейной) общую характеристику усилителя, уменьшая жесткие искажения вида "ступенька".

Еще в схему внесен блок питания на TL494 и входные цепи регулировки тона. И всё это разрисовано в количестве четыерх штук, со всеми проводниками, из-за чего страшно аж жуть.
Но на деле слона едят всегда по-кусочкам (разделяй и властвуй), и по-частям эта схема очень узнаваема и не сложна.
Но прежде чем браться, конечно же надо освоить хотя бы один маленький транзисторный каскадик по схеме ОЭ (см. выше).
Аноним 28/02/26 Суб 10:05:47 589086 339
>>589080
короче я обосрался. когда проверял пинцетом деталь держалась, но когда начал щеткой чистить от канифоли, деталь отвалилась и потерялась. Похоже она только на застывшей канифоли и держалось
Аноним 28/02/26 Суб 10:07:58 589087 340
>>589084
>1206 можно и дедовским 40 ватным эпсн спокойно паять.
>Вопрос больше в удобстве.
Это превозмогание в том месте когда проебал подготовку. Это не удобство, это невротическое мышление.
Аноним 28/02/26 Суб 10:14:09 589089 341
>>588937
Прогу OpenSignal видел?
Аноним 28/02/26 Суб 10:36:57 589090 342
Что скажете про паяльник от 220 вольт? Я смотрю их очень много в продаже, но ведь ими опасно вроде паяль электронику.
Аноним 28/02/26 Суб 10:37:58 589091 343
>>588940
>> Я на чистой канифоли. Сильно по ощущению отличается?

Ты конечно дикий, паять SMD с канифолью.
Смотри все видео здесь
https://www.youtube.com/@jkgamm041/videos
Это пайка по стандартам MIL и NASA. Если будешь запредельно внимателен, на этих видео увидишь и температуры, и применяемые им флюсы и саму технику пайки.

1. Канифоль это очень старый флюс.
Современные флюсы очень сильно его обошли по качеству, для того-то их состав химики и проектируют.
Следующий твой шаг предсказуем - это попытка купить флюс на Aliexpress/Ozon.

2. Не вздумай покупать флюс у китайцев с Aliexpress (и сейчас Ozon), все что там есть - это китайское наебалово, китайцы льют вазелин в тюбики и впаривают доверчивым лохам. Ни в коем случае не RMA-223 и не NC-559. Два этих флюса однозначно фтопку, это старое известное китайское наебалово. Паяют эти флюсы примерно так же, как если бы ты поплевал взял стеариновую свечку или ту же канифоль с глицерином. Можно впрочем на свой страх и риск попытаться закупить что-то типа такого https://aliexpress.ru/item/1005007594893315.html и попробовать.
Из недорогих и очень хороших флюсов - гугли "флюс Романа Гребенникова".

И учти. Канифоль безвредна, её "воскурение" что-то сродни воскурению ладана. Кстати! Канифоль канифоли тоже огромная рознь, ее качество для пайки очень сильно различается. Есть канифоль очень приятно пахнущая и не оставляющая сгоревших следов. А есть - воняет едкой пакостью и оставляет копоть и черный нагар.
Вся современная химия требует вытяжки. Особо лютейший пиздец который может быть - гидразиновый флюс (в бытовой продаже, читаем что такое гидразин, компонент ракетного топлива).
Аноним 28/02/26 Суб 10:48:46 589092 344
>>589091
>Особо лютейший пиздец который может быть - гидразиновый флюс
Паяет, наверное 10 из 10. Кстати, насколько плохи жидкие флюсы на основе глицерина с добавками? Хотел попробовать но никогда не приходилось. По идее должно быть не плохо, ведь у глицерина высокая температура кипения. То что нужно мыть, это понятно.
Аноним 28/02/26 Суб 11:29:47 589093 345
>>588925
Загугли на ютубе "электролупа". Там ещё 100500 видосов тебе накидает.
Ну в кратции суть такова: нужно взять простой советский фотоувеличитель и присобачить к нему анало_говую камеру, которую через конвертер подключать к любому монитору. Можно даже и без увеличителя, чё-то на коленке сообразить. От него по сути нужна только штанга с регулировкой по высоте, и объектив.
Аноним 28/02/26 Суб 11:35:20 589094 346
image.png 101Кб, 500x400
500x400
>>589069
>А что насчёт фена?
Фены с ручкой типа пикрил все более-менее одинаковы, выбирай любой. У меня вариант от KSGER, не жалуюсь, правда, саму ручку уже пришлось поменять из-за пробоя ТЭНа на корпус.

>>589082
Я говорил конкретно о случаях использования контактного паяльника. Фен в любом случае нужен.
Аноним 28/02/26 Суб 11:36:12 589095 347
>>589085
>Аналоговая электроника прощает всё
До первого самовозбуда
Аноним 28/02/26 Суб 11:36:35 589096 348
>>589085
>> * "Это всё что нужно для понимания. Больше ничего нет!"

Это чтобы не пугать. Все что нужно для понимания работы транзистора на первом этапе.
Обязательно читать "Искусство схемотехники" Хоровица и Хилла, 3е издание
http://the-epic-file.com/text/bookz/aoe_3/aoe3_contents.htm

и Титце и Шенка. (Но это всё читать бессмысленно, если не понимаешь хотя бы закон ома и не прочел какой-нибудь "транзистор это очень просто").
И то, они это лишь необходимая база.

И если мы говорим про книги, то тут уготовлена настоящая засада.
Дело в том, что поиск по интернету дает в лучшем случае отрывочный, непонятный, мусорный материал. Даже в английской части сети.
Поэтому основный пласт информации всё еще содержится только в книгах и брошюрах.

Но зачем нам книги, если мы привыкли все искать в сети? "Сейчас поищу и всё найду", правда? Но не тут-то было. Потому что это узкоспециальное знание.
Аноним 28/02/26 Суб 11:42:56 589097 349
image 165Кб, 1024x1280
1024x1280
image 123Кб, 954x1280
954x1280
image 108Кб, 640x853
640x853
image 87Кб, 750x1280
750x1280
>>589090
Было бы опасно - их бы не продавали
Аноним 28/02/26 Суб 11:43:03 589098 350
>>589067
>По другому импульсный преобразователь и не работает
То, что импульсный преобразователь потребляет ток от батареи импульсами, меня не смущает.
Смущает меня то, что вместо того, чтобы аккуратно дозировать импульсы таким образом, дабы их плюс-минус хватало для отдачи в нагрузку нужной мощности, эта шайтан-машина вместо этого сначала жрёт кулоны как не в себя, а потом возвращает их взад в батарею, впустую нагревая провода и предохранитель.
Аноним 28/02/26 Суб 11:45:25 589099 351
>>589097
Что, долбоёб, если смехуечки и анимешное говно не прикреплять, никто на твои высеры не отвечает, надо обязательно внимание клянчить?
Аноним 28/02/26 Суб 11:45:58 589100 352
>>589092
Паяет он действительно отменно, взамен ему можно взять вот этот:
https://www.vseinstrumenti.ru/product/flyus-fv-529-3-orl0-flakon-1-l-izagri-uf-00003367-12323891/

>> насколько плохи жидкие флюсы на основе глицерина с добавками

Жопа с глицерином в том что он ПРОВОДНИК !!!
Поэтому его надо очень тщательно смывать. Пошоркать щеточкой по плате - не выйдет.

Вообще, очень многие флюсы ведут себя так, как вы не ожидаете. Полный пиздец. Работа схемы даже со смытым флюсом сильно нарушается, а некоторые схемы перестают "запускаться" (работать).

Более того, некоторые активные флюсы убивают печатную плату навсегда. Потому что в ее основе органическая смола. Поэтому нет ничего удивительного в том, что химия въедается в смолу, разрушает её, связывается с ней и ты её уже не "смоешь" никогда. Потому что это не просто флюс намазан, а он вступил в хим.соединение с самой основой печатной платы и изменил её навсегда.
Аноним 28/02/26 Суб 11:47:35 589101 353
>>589099
Я с тобой не согласен. Мне лично прикольны его анимешные картиночки и прочая забавная поебь. Потому что разбавляет унылый технарский быт. Не обижай его зазря, он нормальный.
Аноним 28/02/26 Суб 11:48:32 589102 354
Hu Tao - 105.jpg 74Кб, 600x934
600x934
>>589080
Из медного прутка при помощи молотка и напильника можно любую технологическую оснастку сделать. Базу я тебе рассказал. Так что иди и подчиняй силы поверхностного натяжения. Представь, что от этого зависит твоя жизнь.

>>589086
Ты же не забыл добавить припоя на контактные площадки?

>>589091
>Ты конечно дикий, паять SMD с канифолью.
А в чём проблема, ЛТИ-120 какбэ тоже на основе канифоли. И безотмывочный флюс для пайки BGA у меня тоже на основе канифоли. Другое дело, что под канифолью сейчас понимают множество натуральных и синтетических смол, так что их свойства могут сильно разниться, от божественной амброзии до чадящего говна из глубин Ада.
Аноним 28/02/26 Суб 11:57:52 589103 355
>>589101
Семёнить неприлично. Технарский быт можешь идти на пикабу разбавлять, вот мне тут ещё этого говна не хватало.
Аноним 28/02/26 Суб 12:09:06 589104 356
>>588946
Ну-ну. Видео: Типа поковырял-поковырял и готово.
Реальность: Заебёшься вот таким ножом и вот так резать.
Я бы хотя бы дремелем отрезал.

Все такие кажутся находкой до того как сам попробуешь.
А когда ты сам попробуешь - столкнешься с жесткой реальностью:

1) Нож проскочил дальше вниз и ты разрезал дороги.
Хуже когда ты это не заметил под маской и запаял новый чип.

2) Когда давил на нож, ножка "повелась" за ним и таки вырвала тебе пятак (или даже несколько пятаков) с печатной платы. Обрати внимание что пайка чипа очень специфична, дорог-то почти нет. И вот ты всё проклинаешь, проклинаешь ебаного пидора индуса/китайца и тебе надо восстанавливать пятаки. А это уже лютый гемор.

Поэтому нахуй весь этот бред с Youtube. Взял фен, залепил вокруг термоскотчем и аккуратно выпаял.
Второй способ который я признаю - ChipQuick чтобы точно не перегреть и чтобы снизу SMD не отпали.
Аноним 28/02/26 Суб 12:28:42 589105 357
>>589104
Да это вибронож скорее всего.
Аноним 28/02/26 Суб 13:08:05 589106 358
>>589102
Помимо ЛТИ-120 (ГОСТ 60-какого-то года) существует следующий, более высокий уровень флюсов.
Но обойдется уже не 100р за бутылочку, а 1000-2000р за шприц.
для ЛТИ-120 нужна вытяжка и плату от него обязательно надо мыть,
(паяет он хорошо потому что это высокоактивный флюс, при его разложении образуется соляная кислота.
если оставить или плате или пайке через сколько-то лет может стать нехорошо)

Если паять будешь без вытяжки, то:
Диэтиламин гидрохлорид
https://ru.wikipedia.org/wiki/Диэтиламин#Токсичность
Триэтаноламин
Под вопросом https://en.wikipedia.org/wiki/Triethanolamine#Safety_and_regulation

Оригинальные флюсы Amtech (а не китайский вазелин) стоят 2135р за шприц.
https://esd-line.ru/catalog/raskhodnye-materialy/?PAGEN_1=2
https://shop.inventec.dehon.com/

На Avito поищи по словам "флюс ERSA", там же увидишь продажу сопутствующих.
Это берут в основном ремонтники, там где надо быстро, качественно и проебаться нельзя.

Я использую ERSA, MARTIN,
EFD FluxPlus 6-412-A
и др.
Аноним 28/02/26 Суб 13:10:33 589107 359
>>589103
Да нет, это не семён. на Пикабу нынче вообще какой-то пиздец, ничего "смешного" там давно уже нет.
Ну он все равно делает пост, верно? Ну и добавляет картиночки. Чего такого-то?
Четь взъелся, какая муха тебя укусила?
Аноним 28/02/26 Суб 13:11:19 589108 360
flashchip032.png 809Кб, 1364x766
1364x766
flashchip031.png 799Кб, 1364x766
1364x766
flashchip030.png 751Кб, 1364x766
1364x766
как читать что написано на чипе, если что-то более менее читается только когда высыхает спирт, в процессе, когда на половину высохло.
Аноним 28/02/26 Суб 13:25:55 589110 361
>>589108
Термопастой мазни, мелкобуква ебаная
Аноним 28/02/26 Суб 13:32:12 589111 362
>>589107
Он высирает какой-то бесполезный кал и добавляет туда три баяна и рандомную картинку с гелбуры. Ничего из этого не добавляет ни пользы, ни смысла, только ещё один щитпост не в тему, состоящий полностью из бесполезного говна. Только траффик занимает и место на экране.
Аноним 28/02/26 Суб 14:03:57 589113 363
>>589111
Ладно.
А сам че такой злой сегодня? Что случилось?
Аноним 28/02/26 Суб 14:04:40 589114 364
>>589113
Сел за комп и долбоёба этого увидел, день испорчен
Аноним 28/02/26 Суб 14:09:27 589115 365
>>589106
Понятно что загуглив цену на EFD FluxPlus 6-412-A мне тут скажут "дядя ты ебанулся?"
В таком случае попробуйте на Ozon набрать "Rusflux". Или поискать слово "Союз-Аполлон"
Сам давно облизываюсь. Вроде бы как Роман Гребенников (химик) сварил полный аналог Flux Plus'а.
Но я пока еще не пробвал.
Аноним 28/02/26 Суб 14:22:32 589117 366
>>588925
Вначале я проигнорировал пост.
Брали как-то вот такую камеру, как на второй картинке. Ужас полный. Она пиздец какое говоенное качество дает.
Просто неюзабельна полностью. Говно какое-то.

Сам я на ALiexpress в 2021 году брал:
Цифровой микроскоп Andonstar ADSM201 HDMI 1080P, паяльный инструмент с большим радиусом действия для проверки печатных плат, ремонта телефонов, оценки ювелирных изделий 10057,71 ₽.
После просмотра видосов вот этого ебаната https://www.youtube.com/@Androkavo/videos
Они сделаны именно этим AndonStar'ом, этот долбоёб где-то в пейсбуке написал, после чего я и купил.
Работает он хорошо ТОЛЬКО с 31" монитором. Сам по себе вывод на такую диагональ это хорошее увеличение.
Экранчик микроскопа никогда не использовал, на мой взгляд это полный бред и хуета.

С тех пор появились куда как получше.
Катит такой микроскоп только для инспекции, паять им и делать ремонты все равно как если компьютерной мышью управлять локтем.
Для нормального ремонта и пайки нужен только оптический бинокулярный микроскоп.

Для любительства - сканает китайский, но если будешь работать днями то с китайцем зрения лишишься, все дело в ходе оптических осей внутри,
у китайев глаза стоят как-то не так (или они просто долбоёбы и всё делают через жопу)
но люди ВСЕГДА отмечают что после долгой работы с китайцем и бошка потом болит и зрение падает.
Знаю случай когда дружок в конце концов избавился от китайца и заменил его на БУ МБС.

Нужны и увеличивающие очки-лупа. Микроскоп и очки это разные вещи.
И лупа на подставке тоже это другое.
Раньше, в 2000х-2010х коллега паял/ремонтироал SMD 0805 без всяких микроскопов и очков, просто с хорошей лупой на подставке.
Аноним 28/02/26 Суб 14:54:05 589119 367
>>589053
1. Если надо вручную припаять один SMD компонент, нужен тонкий пинцет.
https://aliexpress.ru/item/32995778215.html
(но мне мне также нравится керамика, потому что она не отводит тепло

2. Паять нормальные конструкции таким образом все равно никто не паяет.
Потому что SMD компонентов может быть несколько сотен и это очень-очень долго и сопряжено с большим количеством ошибок.
Впаивать по-одному ты будешь неделю. Поэтому этот способ пайки по-одному под микроскопом тупиковый. Он используется максимум для ремонта.

Поэтому сначала на площадки наносят паяльную пасту. В нормальном случае это делают через трафарет, который часто заказывается производителю платы.
В простом случае это делают дозатором паяльной пасты (кому-то и зубочистка дозатор).
3. Плату с пастой и расставлеными компонентами либо отправляют в печь. Либо в домашнем случае можно запаять снизу на столе (даже на утюге), либо сверху феном.
Аноним 28/02/26 Суб 15:37:43 589122 368
1670873496587.webp 23Кб, 640x640
640x640
1735254558079.webp 63Кб, 1000x1000
1000x1000
>>589119
> https://aliexpress.ru/item/32995778215.html
Твой пинцет с круглыми ручками - говно. Нужен пинцет с плоскими ручками. У них шире место где половинки пинцета соединены и пальцами ты давишь только для сдавливания (меньше скручивания). Поэтому губки пинцета лучше сходятся и меньше смещаются. У меня есть и круглый и плоский.
> все равно никто не паяет
Д, конечно, блядь, никто не паяет. Десять лет назад в пту мне так же говорили. Уверен что и сейчас так же говорят.
> сопряжено с большим количеством ошибок
Только если ты тупой и рукожопый. Здоровый аутист отлично справляется с такой работой.
Аноним 28/02/26 Суб 15:43:48 589123 369
>>589122
>никто не паяет
Все дело в том, что в этом нету смысла. Только если совсем от бедности когда у предприятия нету денег заказать сборку. Но зачем так жить?
Аноним 28/02/26 Суб 15:59:27 589124 370
>>589122
Где ссылка-то на Ali, блядь?
Аноним 28/02/26 Суб 16:02:59 589125 371
Аноним 28/02/26 Суб 16:46:15 589127 372
>>589111
Да забей, ну ебнулся человек малость. Может у него одна радость каждый день чтоб тут внимание обратили. Chance клиент поставь для андроида если трафик экономить собрался, там дохуя настроек предзагрузку картинок можно отключить, да и удобно что на ответы к твоим постам оповещения есть.
Аноним 28/02/26 Суб 16:49:11 589128 373
>>589127
Для того чтобы клянчить внимание есть десятки других досок и чятиков в них, здесь - последнее место где его ждут. Не в предзагрузке дело, а в отношении.
Аноним 28/02/26 Суб 16:52:58 589130 374
>>589128
Ну чё возьмёшь с больного...
Аноним 28/02/26 Суб 17:23:10 589131 375
image.png 686Кб, 1000x804
1000x804
Почоны, есть тупой вопрос
Есть вот такие сервоприводы
В датащите указан максимальный вольтаж 6.8В,
Насколько хуёво будет пустить на них питание напрямую с батареи 8.4В?
А то жрут они дохуя, и на каждый ставить по мощной понижайке чёт влом
Аноним 28/02/26 Суб 17:41:06 589133 376
Аноним 28/02/26 Суб 17:49:43 589134 377
>>588996
>>589057
Ещё один апдейт: оказывается, такой лютый ток от батареи инвертор жрёт только при запитывании строительного фена с симисторным регулятором температуры, который я использовал в качестве тестовой нагрузки ввиду возможности удобно регулировать потребление. Я как бы знал, что инверторы не особо любят реактивные нагрузки, но учитывая, что я использовал всего около 40% заявленной мощности в вольт-амперах и при cosφ=0.85, то такой подставы не ожидал. Прям слышно, как коробочку трясёт от фена - дико трещит трансформатор и резко скачут обороты вентилятора. Видимо, транс входит в насыщение или типа того.

Интересно, что ту же болгарку с не менее симисторным регулятором оборотов и коэффициентом мощности всего в 0.5, инвертор вообще не замечает - никакого шума трансформатора, и ток батареи в разумных пределах.
Аноним 28/02/26 Суб 17:51:13 589135 378
>>589133
Что ты хотел сказать этим видео?
Аноним 28/02/26 Суб 18:55:50 589137 379
>>589113
пмс у него случился у него перманентный пмс сколько я себя здесь помню
>>589131
не советую сгореть сразу конечно не сгорит но при интенсивном использовании в жаркую погоду срок службы тебя не обрадует
>>589134
и что там в фене реактивного? и перестань страдать херней хохлина
Аноним 28/02/26 Суб 18:59:17 589138 380
>>589137
>и что там в фене реактивного?
Симисторный регулятор температуры же.

>хохлина
Мимо. В гараже часто свет отключают, хочу резервное питание организовать.
Аноним 28/02/26 Суб 19:14:24 589139 381
>>589122
Попробуй магнит на пинцет всетаки.
Аноним 28/02/26 Суб 19:20:31 589140 382
741972f42c156a5[...].jpg 240Кб, 1280x1291
1280x1291
>>589131
Найди такое же фото, но почетче.
Аноним 28/02/26 Суб 19:32:13 589141 383
image.png 899Кб, 953x794
953x794
Аноним 28/02/26 Суб 19:47:56 589142 384
>>589138
>Симисторный регулятор
он просто регулирует неуч и фактически не являеца нагрузкой
Аноним 28/02/26 Суб 21:39:48 589144 385
project01.png 1279Кб, 1280x601
1280x601
>>589102
>подчиняй силы поверхностного натяжения
так это только с феном работает
>Представь, что от этого зависит твоя жизнь.
сделал. Правада пришлось перейти от канифоли к флюс-пасте. А потом перешел от тренировке к практике и наконец нормально напял флеш на ноут. Причем сделал на канифоли медным паяльником. Теперь осталось только найти чип биоса. Мастер сказал, что можно попробовать его перепаять с донора. Если не получится, то ноут можно на помойку. С другой стороны тот же мастер мне казал на флеш чип и сказал что это биос...
Короче чувствую, что придет раскуривать схему, так как нормально найти не удалось. а потом, если не выгорит, придется учиться прозванивать цепи включения, но это будет уже нескоро.
>>589110
спасибо
28/02/26 Суб 22:22:28 589145 386
>>589142
>он просто регулирует неуч и фактически не являеца нагрузкой
Это троллинг тупостью?
В комбинации с ТЭНом фена является.
Аноним 28/02/26 Суб 22:43:20 589146 387
>>589091
>Канифоль безвредна, её "воскурение" что-то сродни воскурению ладана.
Интересно, с чем можно сравнить воскурение аспирина?
Аноним 28/02/26 Суб 22:58:13 589147 388
>>589144
>напял флеш на ноут
>осталось только найти чип биоса
>мастер мне казал на флеш чип и сказал что это биос

Ты там в каком году живешь? BIOS уже давно в SPI Flash лежит.
Аноним 28/02/26 Суб 23:04:50 589148 389
>>589144

И да, в этом же SPI Flash может и паршивка EC лежать. Ты лютую хуйню сделал, по сути кирпич.
Аноним 28/02/26 Суб 23:07:14 589149 390
>>589141
Плата выглядит иначе чем тут >>589140 Это два мосфета.
Интересное с обратной стороны
Аноним 28/02/26 Суб 23:25:44 589150 391
Аноним 28/02/26 Суб 23:32:52 589151 392
>>589146
>> Интересно, с чем можно сравнить воскурение аспирина?

Идет по морю корабль. На мостике стоит старый бородатый капитан, в фуражке и прочими характерными атрибутами, и со смаком курит трубку. Тут появляется молодой юнга, встает недалеко и тоже начинает трубочку раскуривать. Капитан на него смотрит и говорит:
- Что куришь, салага?
- Табачок, товарищ капитан! Вот, самосад из дома, попробуйте!
Капитан берет трубочку, затягивается, выпускает кольца дыма и говорит:
- Эх, салага, херню ты куришь!
- А что вы курите, товарищ капитан?
Капитан делает смачную затяжку, выпускает несколько густых колец, щурится от удовольствия и говорит:
- Настоящий морской волк курит только волосы с лобка любимой женщины! А теперь марш на вахту!
Ну юнга удивился, почесал затылок и убежал на службу.
А через 2 недели, после того как корабль вернулся в порт и снова ушел в плавание, встретились на том же месте вновь - капитан с трубкой и юнга. Юнга раскуривает свою трубочку, смачно затягивается, выпускает колечки, в общем ловит кайф по полной! Капитан на него смотрит и говорит:
- Ну что салага, что у тебя на этот раз за табачок?
- Это не табачок, товарищ капитан, а как вы и говорили волосы, с лобка любимой женщины! Хотите попробовать?
Капитан берет у юнги трубочку, делает затяжку, и вдруг начинает кашлять, кашлять и материться:
Тьху-тьху, тьху!
БЛИЗКО К ЖОПЕ РВЕШЬ!
Аноним 28/02/26 Суб 23:33:49 589152 393
>>589108
Свети под разными углами.
Аноним 28/02/26 Суб 23:35:41 589153 394
>>589152

Полярик надо и будет норм без плясок с бубном.
Аноним 28/02/26 Суб 23:51:22 589154 395
image.png 1725Кб, 1152x815
1152x815
>>589149
Вот снял через лупу
Аноним 28/02/26 Суб 23:52:07 589155 396
>>589147
не знал. Читал что оно как и в пк отдельным чипом идет, тольк тут он впаиваемый
>>589148
это почему кирпич сделал?
>>589150
окей, поробую его завтра с донора перепаять.
>>589152
>>589153
я поступаил как советовали: мазал чуть-чуть термопасты и все было видно
Аноним 01/03/26 Вск 00:28:32 589156 397
177231335153586[...].jpg 154Кб, 800x652
800x652
177231347237457[...].jpg 164Кб, 1200x1200
1200x1200
177231352682111[...].jpg 308Кб, 1024x1018
1024x1018
>>589155
>это почему кирпич сделал?

EC отвечает за все, он управляет питание и всем прочим, он пинает систему на старт, а т.к. ты вкорячил флеш с хуй пойми чем то EC просто не стартанет.

>я поступаил как советовали: мазал чуть-чуть термопасты и все было видно

А с поляриком тебе ничего мазать и трогать не придется. Вот тут >>588290 на видео видно что с контрастом если правильно покрутить полярик.
Аноним 01/03/26 Вск 00:47:00 589157 398
>>589156
>А с поляриком тебе ничего мазать и трогать не придется. Вот тут >>588290 на видео видно что с контрастом если правильно покрутить полярик.
ЭТО ПРОДЕЛИЯ ДЬЯВОЛА НЕ СМОТРИТЕ ЭТО ВИДИВО ИБО БУДЕТЕ ПРОКЛЯТЫ
Аноним 01/03/26 Вск 00:53:09 589158 399
>>589156
ну так с этим и проблема с ноутом уже. Так что если я впаяю его из может быть рабочего ноута, то положение улучшится...
>>589156
я заказал пленку. Она еще идет ко мне. Правда я так и не понял как ее лучше присобачить к микроскопу. Есть мысль сделать, например из глины, аналог съемной части у микроскома, в которую его вставить. Советовали как-то с горлышком бутылки, но до меня не доперло как
Аноним 01/03/26 Вск 00:56:59 589159 400
>>589158
Пленку можно взять с любой лсд матрицы, даже с калькулятора. Это не проблема.
Но она и не нужна. Все решает направление света. Лучше светить фонариком под разным углом
Аноним 01/03/26 Вск 00:59:17 589160 401
>>589159
может быть. может когда-нибудь попробую поставить настольную лампу под углом.
Аноним 01/03/26 Вск 07:53:49 589161 402
17059595339380.png 476Кб, 858x827
858x827
>>589145
прекращай идиотничать и загугли что такое реактивная нагрузка
если в кратце то это такая нагрузка которая накапливает и в какойто момент возвращает липиздричество обратно в питающую сеть например двигатель (эдс самоиндукции)или конденцатор тенник же не являеца онной тк не преобразует запасенное тепло обратно в липиздричество он тупо остывает и пиздец а семисторный регулятр здесть совершенно не причем тк по сути являеца ключем - такимже тенником в определнный момент меняющим свое сопративление - конечно в самом регуляторе присутствуют конденцаторы для более увереного включения и выключения а также времязадающий в цепи затвора но их емкость ничтожна для того чтобы чтото там возвращать
и еще раз хохлина если тебе люди говорят чтото то имено так оно и есть и нехуй тупить
>>589138
крым чей?
Аноним 01/03/26 Вск 08:11:51 589162 403
>>589144
пвеселил твой пик - особенно цифровой транзистр
с такими пиками и познаниями можеш смело этот ноут дербанить на запчасти
>>589155
маловато для бивиса
>>589158
почему сцука нубье при ремонте компов если материнка не заводица отметает напроч ВСЕ возможные неисправности коих хуева гора и сразуже лезет перешивать перепаивать бивис?
ты цепи питания проверил?
Аноним 01/03/26 Вск 08:59:00 589163 404
>>589162
>цифровой транзистр
да я половина чипов что делает не понимаю
>ты цепи питания проверил?
я не умею читать схемы. А годных видео в интернете по прозвонке не нашел. Есть где человек буквально на плате знал где к какому чипу и к какой ноге надо проверять, но это ни как не ассоциировано со схемой.
Аноним 01/03/26 Вск 09:31:38 589164 405
image.png 62Кб, 834x596
834x596
image.png 36Кб, 915x585
915x585
>>589162
кстати да, вам наверное могло показаться, что я достаточно умный, чтобы разобраться в чипах, но нет. Я тупо сидел с нейронкой
Аноним 01/03/26 Вск 09:52:07 589165 406
>>589162
>и сразуже лезет перешивать перепаивать бивис?
Ютуб.
Аноним 01/03/26 Вск 09:56:19 589166 407
>>589135
Что в этой ковырялке 100+ ватт только на разогреве. Смд паять пойдет.
Аноним 01/03/26 Вск 10:04:21 589167 408
>>589104
На видео шутейка.
Аноним 01/03/26 Вск 12:02:08 589169 409
k1.png 134Кб, 1297x878
1297x878
k2.png 86Кб, 1484x826
1484x826
>>589164
В голосину с этого был ещё в начале нулевых. Эти сраные "цифровые" (а на деле транзисторы с двумя сраными резисторами в одном корпусе) ставили во всякие корейские магнитофончики по типу LG.

Нахера их назвали ЦИФРОВЫМИ наверное не знает до сих пор никто.
Аноним 01/03/26 Вск 12:40:10 589170 410
>>589169
>Нахера их назвали ЦИФРОВЫМИ

Патамушта управлять можно (LV)TTL уровнями без доп. обвязки.
Аноним 01/03/26 Вск 13:04:28 589171 411
>>589170
Не угадал. Я специально подчеркнул на картинке.
Аноним 01/03/26 Вск 13:18:38 589172 412
>>589154
1. Посмотри указанное рабочее напряжение на электролите.

2.
Найди что за стабилизатор напряжения (LDO) в центре от которого питается неизвестный (пока) китайский микроконтроллер FA065113
На LDO стабилизаторе написано (вроде как) HL33F. По всей видимости, он делает 3.3V для микроконтроллера.
Найди его Datasheet документ.
Если на китайском, переведи при помощи translate.google.com
В Datasheet найди таблицу Absolute Maximum Ratings. Или если косоглазые назвали это как-то иначе, ищи глазами.
В Absolute Maximum Ratings найди строку Input Voltage.
Так ты узнаешь при каком входном напряжении сгорит LDO и значит выйдет из строя эта плата управления.
От LDO и от его предельного входного напряжения зависит все дальнейшее.

3.
После того как убедишься что и электролит и LDO выдержат 8.4V,
можешь попробовать подать 8.4V. Нормальные LDO не должны сгорать от 8.4V. Как этот конкретный китайский - не знаю.
ЭТО НА ТВОЙ СТРАХ И РИСК, не надо потом материть меня что я виноват. Китайцы непредсказуемы, Виноват если что будешь ты. Ты подаешь напряжение и ответственность на тебе.

4.
Не исключено что китайцы предельные 6.8V относят к щеточному двигателю постоянного тока,
питаемому через два MOSFET'а PT4953 и PT9926.
Либо движок начинает просто пропускать через себя чрезмерный ток и греться (и подгорать его щетки например).
Либо же back-emf выбросы от движка начинают расти и угрожать MOSFET'ам.
Аноним 01/03/26 Вск 14:04:20 589173 413
>>589171
SWITCHING APPLICATION

ты, конечно же, не подчеркнул.
Аноним 01/03/26 Вск 14:29:36 589174 414
>>589169
Удивлен, что тут кому-то может быть непонятно или смешно.
"Цифровые" трназисторы очевидно что это маркетинговое название. Другое название RET transistors.
Биполярные цифровые транзисторы это на самом деле "ключи" (открыт-закрыт, 0 или 1).
Отсюда, из-за ключевой функции и идет маркетинговый термин "цифровые".

Резисторы можно рассматривать как делитель напряжения с выхода микроконтроллера.
Либо, резисторы делителя напряжения можно рассматривать по-отдельности:
один резистор подтягивает базу транзистора к земле, обеспечивая:
- надежное закрытие транзистора как ключа.
- чтобы при висящей базе (она может появиться пока микроконтроллер загружается или спит) транзистор не открылся из-за наводок, или из-за схемных особенностей
- чтобы транзистор не само-открылся при повышенной температуре
- также этот резистор помогает транзистору быстрее закрыться - и следовательно, уменьшить шансы на нагрев или тепловой пробой.
Второй резистор ограничивает вытекающий ток от микроконтроллера, логическая "1" на порту микроконтроллера это, как правило, открытый мосфет в верхнем ключе. Смотри внутреннюю схему портов микроконтроллера, у многих микроконтроллеров она приведена в даташите или реф.мане.
Итого, "цифровой транзистор" (попросту ключевой транзистор, транзистор-ключ) удобная штука, избавляет от 2х резисторов или от 4х точек пайки, экономит место на печатной плате + унифицирует процесс разработки для инженеров, повышает надежность аппаратуры.
Аноним 01/03/26 Вск 14:41:03 589175 415
>>589174
Маркетинговый булщит нормальным людям абсолютно не важен. Нужно видеть суть.
А суть у этого говна одна: - это совершенно обычный транзистор в корпус с которым уже упаковали резистор/ы. Со всеми вытекающими плюсами и минусами.
Аноним 01/03/26 Вск 14:58:43 589176 416
16096726385460.jpg 17Кб, 750x375
750x375
>>589175

Спасибо, Капитан Очевидность!
Что бы мы делали без тебя? Кто бы еще смог нам объяснить, что © «это совершенно обычный транзистор в корпус с которым уже упаковали резистор/ы»

Какая прозорливость, просто невероятно, невероятно...
Аноним 01/03/26 Вск 15:04:03 589177 417
>>589176
Именно. Зачем тебе стоило высирать простыне выше - до сих пор непонятно. Как и то почему сраный биполярный транзистор с двумя резисторами обозвали аж ЦЫФРОВОЙ.
Аноним 01/03/26 Вск 15:28:20 589178 418
>>589177
Ты считаешь нельзя так было делать?
Аноним 01/03/26 Вск 16:03:18 589179 419
>>589178
Все считают что делать можно как угодно. Вопрос в том нахуя два резистора + транзистор из 60-х годов называть ЦЫФРОВЫМ, кек.
Аноним 01/03/26 Вск 17:20:15 589181 420
>>589179
>> Все считают что делать можно как угодно.
>> Вопрос в том нахуя два резистора + транзистор из 60-х годов называть ЦЫФРОВЫМ, кек.

Ты несколько раз что-то писал, но причину мы не увидели.
Итак, в чем же проблема назвать его ЦЫФРОВЫМ?
Аноним 01/03/26 Вск 18:03:48 589182 421
Аноним 01/03/26 Вск 18:05:56 589183 422
Аноним 01/03/26 Вск 18:10:00 589184 423
>>589182
>> Цифр нету

Ну как это нету. На нем цифры написаны.
Аноним 01/03/26 Вск 18:10:30 589185 424
>>589163
не понимаеш не лезь
1 чиго надо сделать это определить в норме ли питающее напряжение не обязательно знать всю схему да это и нах не надо по большому счету - карочи суеш туда свое ебало и ищеш ближе всего стоящие микросхемы к разъемам акума и внешнего бп - гуглиш их и начинаеш курить даташит - за что отвечает каждая нога и осцилографом смотриш чего там происходит - но для начала полезно локализовать проблему - пробежать мультиметром по электролитам и танталу - поскольку это комп то там цепи питания ветвяца тое - оперативе надо одно напряжение винту другое камню третье и тд и тп
>годных видео
ты ебанутый? это комп там тысячи элементов и множество подсистем и отдельных не зависимых систем а в ноуте это усугубляеца еще и тем что много чего на одной плате - тое блочный ремонт не прокатит - конечно ты можеш отщелкнуть винт - его кстати всегда надо отщелкивать если полез "ремантировать" комп - это первое что надо делать.. снять камень вынуть оперативу - ты это делал? может вообще банальная батарейка?
опыт ремонта наличие доноров? или ты наивно пологаеш что? вот что?
отдупли один простой факт человеки за всю свою историю ничего сложнее компов покамест не придумали а ты тут такой - а давайте поменяем бивис - тыбы для начала питальник поменял отклацнул все что отклацываеца и попытался завести нулину - послушать пост коды например блядь - сцуко я последний раз компы чинил 20 лет назад и то у меня была минимальная база - магаз подошел взял на витрине заведомо рабочую деталь и понеслась... и то это галимый метод тыка - блочный ремонт
карочи слушай пост кода
ну и симптомы еще раз и что ты там нахуевертил своими кривыми руками
Аноним 01/03/26 Вск 18:17:45 589186 425
>>589185
А как я пойму что ты не пиздишь?
Аноним 01/03/26 Вск 18:29:34 589187 426
>>589182
Ты не поверишь, но цифр нету даже в логических И ИЛИ но их называют... цифровыми.
Все это называется так по одному критерию, наличию состояния да/нет, 1\0, как тебе удобно.
Аноним 01/03/26 Вск 18:44:19 589188 427
>>589187
Так уж, стало быть, и нету?
А где же тогда цифры есть?
Аноним 01/03/26 Вск 18:56:41 589189 428
>>589188
>А где же тогда цифры есть?
Их нету, это семантика.
Аноним 01/03/26 Вск 18:57:51 589190 429
>>589163
>А годных видео в интернете по прозвонке не нашел.
Ютуб вырастил совершенно ебанутое поколение безмозглых повторяшек
Аноним 01/03/26 Вск 19:12:48 589191 430
>>589185

Достаточно того что он уже вместо родного spi flash с паршивкой EC и BIOS вкорячил непонятно что.
Аноним 01/03/26 Вск 19:20:51 589192 431
00х.jpg 238Кб, 916x729
916x729
>>589164
интересно какой долбаеб научил...
оказываеца ии это?
и вообще ии ли это?
ну не может система само обучаца... даже не так - нужна смерть чтобы заработал инстинкт самосохранения и вот чтобы было вот это само осознание
я человек я мыслю я себя само осознаю - у меня сцука в мазгу хуева гора неронов аксонов - это много эмитерные много затворные транзюки которые управляюца помимо липиздрических сигналов еще и био химией - напомнить что такое синильная кислота? и сколько ее надо?
"ии" в нынешнем его зачаточном состоянии высраный жидами при поддержке пиндосов даже "виртуальным" интелектом назвать сложно - ибо не имеет свободы воли и он ее не заимеет НИКАГДА пока не срастица с окружающим пространством через химию и прочие элементарные частицы которых "нет"
ССАЦА НАДО ССАЦА пивас и водка УХ БЛЯ
доебать чтоли мачу?

карочи шкальниги вы стоите на низшей низменой ступени развития -вы только познаете этот мир не спорю "большая совецкая инцеклопедия" это ОРУЖИЕ в руках пролетариата призваное из глубин ада с целью установить ИСТИНУ
жизнь наша коротка скоротечны моменты ее восприятия да мы не идеал у нас нет такой ахуительной памяти - хотя тут можно поспорить я вот помню в картинках 40 лет назад себя покажи мне винт который - ну есть от вд стошисятки рейд едишн ...
все стареет все умирает
вот основная проблемма любого интелекта - неизвестность посли смерти
и ленть ебаная
БОРИСЬ С НЕЮ АНОН БОРИСЬ
вот тупо ходи - зарядка с утра это ЗАЕБИСЬ
янапример не делаю мотарошку лиш потому что не будет зарядки - мне до ангарчика 5километров
до ангарчика где я гружу зерно - зерно не западло я даю людям кушать
да и бипцепц растет много мяса кушаю мазги савсем отбило
НАДО КУШАТЬ РЫБ тама фосфор легко усвояемый
карочи с высоты ух бля я вам повторю
в здоровом теле здоровый дух

сумбурно канешн получилось но была хохзляцкая и так сажрет
>>589186
наверно потому что я сам бог матарошка мне пиздеть = врать даже боту не составляет ни какого удовольствия
ЗАПОМНИ я сам 1331 ябог многие меняздесь знают как шизик матарошка
больше всего я люблю подклюцать к микроконтроллеру семисторы - поверь даже больше чем твою маму
напомни кстати как ее завут?
рандомнаяшебем для длинно поста до белых платюшек чарли по списку не доехали
шебемку не разрешают
Аноним 01/03/26 Вск 19:25:49 589193 432
>>589189
Так ты поэтому отказываешь цифровым транзисторам?
Мол, всё это лишь cемантика?
Аноним 01/03/26 Вск 19:30:49 589194 433
>>589193
>Так ты поэтому отказываешь цифровым транзисторам?
Нет, я так называют цифровые логические схемы.
Аноним 01/03/26 Вск 19:32:33 589195 434
>>589192
Ты пивчанским гасишься, или беленькой?
Аноним 01/03/26 Вск 19:36:45 589196 435
>>589189
Двачую! Тот же фм-передатчик на 155ЛП-чего-то там... Всё зависит от области применения.
Аноним 01/03/26 Вск 19:38:41 589197 436
>>589192
Ты ещё жив, болезный?
>>589195
Это Матарошка, местный шиз и алкаш.
Аноним 01/03/26 Вск 19:56:58 589198 437
>>589187
>> наличию состояния да/нет, 1\0, как тебе удобно.

А 1\0 что, не цифры что ли?
Аноним 01/03/26 Вск 19:57:50 589199 438
177238411941128[...].png 17Кб, 684x345
684x345
177238415935481[...].png 5Кб, 429x309
429x309
177238424688767[...].png 10Кб, 525x313
525x313
Аноним 01/03/26 Вск 20:01:36 589200 439
Моторошка4.jpg 65Кб, 720x540
720x540
Моторошка3.jpg 59Кб, 720x540
720x540
Моторошка2.jpg 98Кб, 780x780
780x780
Моторошка1.jpg 63Кб, 720x540
720x540
>>589197
>> Это Матарошка, местный шиз и алкаш.

Скорее всего более правильно МОТОРОШКА
Мотороллер.
Аноним 01/03/26 Вск 20:10:01 589202 440
>>589198
>А 1\0 что, не цифры что ли?
Ты хочешь сказать что логическая схема хуярит по проводам единички и нолики?
Аноним 01/03/26 Вск 20:51:45 589203 441
Анончики, как лучше расположить тумбу с принтером - компьютерный стол и стол под радилюбительство?
В принципе думаю так и поставить по одной стенке:
Окно - тумба - компьютерный стол - радиомонтажный стол.
Или лучше с другой стороны комнаты стол расположить? Тогда и дым в окно лучше выходить будет.
Аноним 01/03/26 Вск 21:09:24 589204 442
>>589202
>> Ты хочешь сказать что логическая схема хуярит по проводам единички и нолики?

Нет, это ты написал и хочешь сказать.

>> Ты не поверишь, но цифр нету даже в логических И ИЛИ но их называют... цифровыми.

Так почему бы транзистор не называть цифровым?
Что мешает?
Аноним 01/03/26 Вск 21:10:06 589205 443
>>589098
Я мимокрокодил, но что-то слабо верится в то, что ток из преобразователя идёт обратно в батарею. Именно с противоположным направлением.
Аноним 01/03/26 Вск 21:10:23 589206 444
>>589203
На самом деле, лучше всего по-кругу.
Аноним 01/03/26 Вск 21:14:20 589208 445
>>589206
Есть ньюанс, например если понадобится подключить приблуду к компу со стола монтажного, это проще сделать если он будет сбоку.
Аноним 01/03/26 Вск 21:25:04 589209 446
>>589208
Так он и будет сбоку.
Аноним 02/03/26 Пнд 04:58:20 589214 447
image 31Кб, 1080x604
1080x604
Аноны видели какие-нибудь копеечные модули в которых стоит кварц 3225 на 30 мгц? Неохота 300р платить за 10шт если нужен только один. У себя все перерыл нигде такой частоты нет
Аноним 02/03/26 Пнд 09:02:05 589217 448
01ф.jpg 169Кб, 844x684
844x684
02.jpg 283Кб, 866x663
866x663
>>589200
пась закрой
матарошка это погоняло высраное мотачем лично для мене конечновнимание блядство здеся харам - но слишком уж я особеный и у когото от этого перманентный пожар в жёпке а я и не против
мотарошка это пик - канкретный скутер стиля корч
иногда еще псину мою звали моторошка но недолго - столько барашек и коз выебал в рот ух бля... умнейший кабель был
Аноним 02/03/26 Пнд 09:36:49 589218 449
03в.jpg 129Кб, 589x723
589x723
>>589195
много чем вчера паленка + крепкое пиво спецально брал чтобы закрыло вот типерь выхдной но сейчас стараюсь меньше - старость не радость да и мешки на зерноскладе с похмела вобще не грузяца - завтра тонн 5 зерна надо трелевать блядь..
но не одной водкой - у меня до кучи231 аграрная - досих пор ходят исчут - вот какбудто я долбаеб ога?
лет 5 назад на солярку марафонил -благо что не за свой счет - не советую - тупой бычий кайф а привязанасть... не стоит и говарить как бъет по карману
а хобот у меня20 сантиметров - им досих пор зуеров пгают
>>589203
суп с сиськами в студию - резко решительно я тогда фвсе по феншую разложу
>>589205
там отсечка тупица и дивод дляэтих целей поствлен - чтобы цепи управления мазги не ебали
>>589214
дешовый кварц хорошим не бывает и не стоит маня экономить на этом элементе -конечно пердуине "похуй" но когда начнеш в серьезные весчи - с первого щелчка прыгнул поп до потолка со второго лишился языка...
Аноним 02/03/26 Пнд 09:48:33 589219 450
>>589218
Хватит нести хуйню, долбоеб, кто будет верить в твоей бред если ты даже язык не осилил? Только такие же долбоебы.
Аноним 02/03/26 Пнд 11:16:07 589220 451
>>589218

А что по-жизни у тебя так не сложилось, что ты грузчик?
Вроде бы минимум мозгов-то у тебя есть, паять умеешь, руки работают.
В чем дело с тобой?
Аноним 02/03/26 Пнд 11:17:26 589221 452
>>589217

>> суп с сиськами в студию
>> а хобот у меня20 сантиметров
>> столько барашек и коз выебал в рот ух бля

Это у тебя такие сексуальные фантазии пошли?
Аноним 02/03/26 Пнд 11:26:11 589222 453
>>589220
Он который год флексит комнатным обогревателем и какой-то сраной цифровой панелью собранной по инструкции, мозгов там если и было, то все давно пропиты. Нормальный человек не выберет бешеную табуретку как основной способ передвижения, даже от нищеты.
Аноним 02/03/26 Пнд 11:43:29 589223 454
>>589220
>В чем дело с тобой?
Зачем роботать если можно получать пенсию по шизе? Завидуй молча
Аноним 02/03/26 Пнд 11:48:15 589224 455
>>589218
Автоскрыл шиза-мелкобукву. Жаль, что ты еще не загнулся от стекломоя в курятнике.
Аноним 02/03/26 Пнд 12:07:59 589225 456
Что означает

>> у меня до кучи231 аграрная - досих пор ходят исчут - вот какбудто я долбаеб ога?

и

>> лет 5 назад на солярку марафонил

Марафонить наркоманский сленг, а что за солярка?
Аноним 02/03/26 Пнд 12:10:41 589226 457
>>589222
>>589223

Ну в жизни ему подобные долбоёбы — обычно самые фактурные персонажи.
Чего он только сюда прикипел, не понимаю.

Сколько ему, кстати?

Алё, Матарош, ты до скольки лет уже дожил?
Аноним 02/03/26 Пнд 12:20:04 589227 458
>>589225
знание оружие
портредлял вещества
различные\
https://www.yandex.ru/video/preview/7217307809209564804
вы хотели чтобы мы были рабами?
но вам рабам нас по подобию и разумению сделать такими как ВЫ
не прокатило
утро ня
Аноним 02/03/26 Пнд 12:53:23 589228 459
Как плавно диммировать дешевые лед лампочки e27, mr16, gx56? От обычных диммеров они резко включаются и мерцают на малой яркости.
Стоит ли пробовать управлять ими как обычной лентой, т.е. выпрямить 300в и шимить через транзистор?
Или собирать диммер который режет спадающую часть синуса? Но для этого в лампочках должна быть умная микросхема которой там скорее нет.
Аноним 02/03/26 Пнд 12:58:50 589229 460
>>589228
мерцают на малой яркости.
сама технология производства не дает сверх ярким свето диводам излучать мало
ну или ты их рукажеп поджарил
если необходимы малые токи очевидность в виде разделениия питания очевидна
но опятьже - да
Аноним 02/03/26 Пнд 13:00:48 589230 461
>>589228
В общем лампочка не обязательно должна быть умной, сначала снимаешь с неё весь этот верхний, потом начинаешь плавно диммировать. Если резко включается и начинает мерцать, не спеши, диммируй более нежно. И шимь обязательно через транзистор конечно. Попробуй силденафила 50-100мг, синус спадать не будет.
Аноним 02/03/26 Пнд 13:03:49 589231 462
>>589228
Нихуя ты там не сделаешь драйверу постоянного тока если в него производитель диммирование не заложил.
Аноним 02/03/26 Пнд 16:50:24 589234 463
>>589230
светодивод особенно современный это не лампачка
у него своеобразная вах сродни стабилитрону
тое он не потребляет не поребляет а потом хуяк и начинает жрать как не в себя
>>589231
хуирование - называй вещи своимиименами - реглировка
и ладно советы которые хохлам целый язык придумали - вот тупо потомчто могли - досих пор на хохлятину вся планета как на долбаебов смотрит кстати они на самом деле ими являюца
но ты то руссукай человек - нахуя спрашиваеца козе баян? выебнуца хочеш? перед кем? на анонимном форуме?
ты с головою дружиш? у него под сракой великий и могучий нет сцука буду жрать гавно
Аноним 02/03/26 Пнд 18:53:39 589236 464
>>589225
>что за солярка?
Вангую, что солямба! Тогда с ним всё ясно...
Аноним 02/03/26 Пнд 19:27:40 589238 465
>>589225
>231
Статья за выращивание.

>солярка
Очевидная соль.

Все с этим кадром понятно.
Аноним 02/03/26 Пнд 19:38:58 589239 466
image.png 9Кб, 192x154
192x154
image.png 15Кб, 400x100
400x100
Как же гоев наебывают тем что термопара это один элемент, пиздец просто.
Объясните почему хуйня на пик.2 работает, когда обе спайки находятся в зоне нагрева, или вторая удалена, но не сущесвенно.
Аноним 02/03/26 Пнд 19:50:17 589241 467
>>589236
Дело в том, что он напоминает моего школьного друга. Друг умер несколько лет назад. По-большому счету из-за синьки.
Тоже занимался электроникой на уровне радиолюбительства.

И когда нажирался, писал в мессенджер нечто такое... Это непередаваемейший пиздец, писал как-то... Парадоксально что ли.
От попыток его понять, у меня иногда наступало странное ощущение в голове. Трудно передать. Как будто легкое головокружение.

Его сообщений у меня нет, точнее я не буду искать. Вот сходное, другого персонажа, тоже по синьке.

Несогласен я - ибо только вакханалия, разврат и стяжательство одеял с босых ног утром приведёт к естественному самообразованию социума и зарождению либерализЬма, социализЬма и наконец - коммунизЬма! - Вся власть китайським и вьетнамським рабочим и крестьянам! Ура-а!

Витала идея недолго... Устаревший и почивший было в лету телепон с АМОЛЕД дисплеем, но не обновляемым Андроид 4.0 сделать часами. И вот, 60 секунд. И валявшийся HighScreen бессмысленно в серванте теперь - интерьерно-прикроватные часы, с нежно бирюзовым, адаптивным цветом имитации семисегментного... Чертовски приятно! :)

Погоди-ка с резюме, беляшь. Таких соискателей уже много... И даже я... не смог достать локтем до пупка. Таких не берут в отчаянные и откофенные войска.

Ты даже удивиться толком не успеешь. Это мне Алиса сказала снова в полчетвертого утра, и снова шепотом. - Я же тебя вычистил си-си клинером! - воскликнул в голос я. - Дурачок штоле? - Снесу систему! Отформатирую! - И правда придурок, я же облачная... Хотел проснуться, но это был не сон, а сон во сне ли?

Но этому персонажу далеко до покойного. Там было феерическое. Дело в том что он бухал так, что находился в состоянии полного автопилота, но не падал, не спотыкался но в том же время и не угоманивался. Эта его удивительнейшая способность меня изрядно удивляла.

Матарошка по сравнению с ним пишет не так. У него есть какое-то расстройство ума, но это совсем не то, ему очень далеко до этой по-настоящему безумной херни. А хотя...
Аноним 02/03/26 Пнд 19:51:41 589243 468
>>589241
Зачем ты все это пишешь?
Аноним 02/03/26 Пнд 20:08:38 589244 469
>>589241
При шизофрении тоже вполне можно такие рассказы складывать.
Аноним 02/03/26 Пнд 21:35:33 589245 470
>>589220
просидиш на жопе 20 лет в конторе
сольеш пару боев - в которых цена твоя жизнь
я серьезно гдето были эти кулстори за прошлое лето - реально на минималках выворачивался
отъебнет стиралка акум на матарошке да и теже сигареты...
но основная причина почему грузчиком - для меняэтовот тупо бесплатный спорт зал - за посещение которого мне еще и платят - прикались я подымаю мешок несу его метров 10 и мне за это башляют 20рублей - фактически пол булки хлеба
>минимум мозгов-то у тебя есть
>паять умеешь, руки работают
не повериш вот тупо надоело кстати у меня и ипешка 62. чтото там.. хотя любой кретин может эту цифру нарисовать при подаче заявления вот только не каждый сможет фунциклировать - платить налоги - мою ипеху короновирус к хуям пофиксил- две трети моих клиентов вот тупо существовать перестали - умерли физически и хуля толку от тех25к что мне дало это государство? жалкие подачки...
>>589221
ога хочеш об этом подробнее?
>>>589222
> собранной по инструкции
98 процентов липиздроники маня это инструкции а у когото на этой борде не будем показывать пальцем мазгов не хватает даже для того чтобы нагуглить эти самые инструкции им необходим целый тред БЕСКОНЕЧНЫЙ для их идиотизма нубья и прочего дерьма
>>589224
за малым седня не пизданулся с лестницы когда на этаж ходил стиралку туда сюда
>Автоскрыл
ну зачем ты вреш на анонимном форуме? все мы прекрастно знаем...
>>589226
82 года я
>>589236
>>589238
зато сны пиздец какие яркие и ЦВЕТНЫЕ и не проходят даже спустя год после не употребления
сказать что я о чемто жалею что данными веществами расширял кругозор познания не скажу
дорого пиздец как дорого
но опятьже на халяву и уксус сладкий
а нищеброды ну блядж такая их нищебродская доля - гореть пердаком и завидовать ЗАВИДОВАТЬ
и да нищеброды даже если .. карочи вам никто завидовать не будет
карочи такова ваша нищебродская доля - гореть пердаком от зависти
и кстати ту дич что показывают вам в шебемах к солидолу не имеет никакого отношения хотя не эксперти врать не буду - там очевидные передозыно я видал кадра который за раз полтора грамма сожрал - я думал он сдохнет -он такой хуйни не тварил
все эти видосы похожи на спайсы - тгк искуственный - вот там реально дич не советую - реально можнов окно выйти
>>589239
>Объясните почему хуйня на пик.2
вот в душе ни ебу откуда ты высрал этот пик очевидно гдето на форуме для таких как ты - тупых гоев до кучи высраном "ии"
>вторая удалена
температура холодного спая нужна для пущей точности
почему это работает? тыж мудила даже гойскую википедию не загуглил ога?
и заведомо уже решил что все вокруг тебя долбаебы один тыу мамы леденец
ПАШЕЛ НАХУЙ кретин
и запомни пока существуют такие как ты такие как я будут иметь по 5к шабашки за пайку одного элемента
>оже занимался электроникой на уровне радиолюбительства.
очнись дура я 15 лет в ЦТО просидел и именно занимался ремонтом не спорю это была кармушка прописаная в законе со всеми вытекающими - например в этом законе было прописано 82часа на ремонт - нет результата? ставь на объект за свой счет подменный аппарат в курсе сколько он стоил? 3 моих зарплаты
и нас регулярно возили на курсы повышения квалификации - за наш же счет
>>589241
>в состоянии полного автопилота
я в таком состоянии разносил счета по объектам - обычно круг от 10 километров начинался - до начала круга на маршрутке а потом ножками я тупо как лошадь на ходу спал - самое фееричное помню приснул вот так просыпаюсь и немогу понять где я - ога ога как том кине - области тьмы - вообще не знакомая местность по внешним признакам устоновлю местоположение и ахуеваю - 2 километра протопал в пустую

по части же дурки и прочих неисправностей головного мозга
вы в курсе что КАЖДЫЙ КАЖДЫЙ человек в силу своей природы подвержен заболеванию - вялотекущая форма шизофрении
в силу того что природой не учтен такой объем головного мозга
или ты думаеш что вот эти транзисторы резисторы и прочую хрень придцумали ОБЫКНОВЕНЫЕ быдлы? ты на хохлятину посматри и все станет сразу ясно
но я точнее мое с вами долбаебами отличие том что я прекрастно отдупляю ОСОЗНАЮ что и как в моем мазгу не в порядке ну и очевидно купирую различного рода...
>>589243
для доллбаебов типа тебя неотдуплляющих что вокруг них происходит но при этом мнящих себя на анонимном форуме богами
ты не бог ты продукт эволюции - ебли волосатых обезьян
Аноним 02/03/26 Пнд 21:44:07 589246 471
и кстати дифченки загадка шизика сама себя до сих пор не решила
Аноним 02/03/26 Пнд 22:31:15 589247 472
>>589243
>> Зачем ты все это пишешь?

Я это написал в ответ как бы анончику, да, но предназначалось Матарошке.
Просто поговорить с ним хотел. И он написал. Я, кстати, доволен. Узнал о нем побольше. Почему нет-то? Сидим на доске, ничего друг о друге не знаем.
Аноним 02/03/26 Пнд 22:41:30 589248 473
>>589247
>Сидим на доске, ничего друг о друге не знаем.
В этом смысл анонимной доски.
Аноним 03/03/26 Втр 05:27:53 589257 474
>>589239
Твой вопрос непонятен
Аноним 03/03/26 Втр 09:35:06 589259 475
Анон, чем суперклей растворить? Тут какой-то имбецил решил оторванный микроюсб шматком клея назад к плате присрать.
Аноним 03/03/26 Втр 10:23:13 589260 476
>>589259
Димексидом из аптеки. Но осторожнее, он может что-то нужное растворить. И ещё немного в кожу проникает вместе с растворенным.
Аноним 03/03/26 Втр 11:14:07 589261 477
>>589257
Напряжение на термопаре это разница значений между двумя спайками. В общем случае вторая спайка находится при референсной, измеряемой температуре и таким образом можно посчитать напряжение на второй. Но в случае паяльника, как устойчиво измеряется напряждение на конце жала, если вторая спайка находится в том же жале и в течении не продолжительного срока температура второй спайки будет так же расти.
Аноним 03/03/26 Втр 11:19:26 589262 478
>>589261
Мне кажется ты неправильно решил что каждая "спайка" имеет эффект термопары.
Аноним 03/03/26 Втр 11:33:37 589263 479
Аноним 03/03/26 Втр 11:35:58 589264 480
>>589263
Вот еще

Принцип действия основан на эффекте Зеебека или, иначе, термоэлектрическом эффекте. Между соединёнными проводниками имеется контактная разность потенциалов; если стыки связанных в кольцо проводников находятся при одинаковой температуре, сумма таких разностей потенциалов равна нулю
Аноним 03/03/26 Втр 12:40:00 589265 481
image.png 574Кб, 800x570
800x570
всё-таки не удержался от паечного воздержания, захотелось попаять проводочки-контактики
заказал псевдо 80ваттный кипятильник с озона, пос61 и канифоль, в чём не прав?
щас ещё на 3д принтере подставку под пайку проводов распечатаю и подставку по паяльник, и заживу
Аноним 03/03/26 Втр 13:31:58 589267 482
S98a035be1cb245[...].jpg 114Кб, 1000x1000
1000x1000
>>589259
Не, суперклей не подходит. Он слишком хрупкий.
Лучше всего красный клей.

Красный термоклей для пайки SMT 30 мл
https://aliexpress.ru/item/1005010351129639.html

Им услиливают разъемы все ремонтники.
https://mysku.club/blog/aliexpress/78785.html

Недавно видел на Youtube тест замены разъема Micro USB на USB C проклеенный этим клеем, но в истории нет, проебал.
Аноним 03/03/26 Втр 13:40:36 589268 483
>>589261
В T12 ручках внутри ручки (не жала, а ручки) находится
1. Шариковый контакт на ее положение (должен быть, но могут не поставить)
2. Термодатчик NTC 10K (должен быть, но могут не поставить)

И если в ручке и стоят, станция может не воспринимать, короче китайцы...

И не всякая схема ручек в интернетах правильная. Есть конечно и упрощенные.
images.google.com t12 handle schematic или схема ручки t12
Аноним 03/03/26 Втр 14:47:02 589270 484
Аноним 03/03/26 Втр 14:51:44 589271 485
17688241174550.mp4 310Кб, 576x576, 00:00:14
576x576
Здарова, радиолюбительницы, ебанутый реквест итт. Реально ли при помощи четырёхпинового 3.5 джека мимикрировать под usb разъём? Единственная проблема которая мне видится, это замыкание контактов, но по идее, можно сделать первое кольцо gnd, а последнее +5 v. Взлетит такая буханка из сладкого хлеба?
Аноним 03/03/26 Втр 14:59:22 589273 486
>>589271
Ты только что айпод шафл
Аноним 03/03/26 Втр 15:04:28 589274 487
177209700696700[...].jpg 48Кб, 229x251
229x251
>>589273
>айпод шафл
Всегда думал, что там где-то спрятан эпловский гига разъем.
Аноним 03/03/26 Втр 15:27:25 589275 488
Аноним 03/03/26 Втр 15:48:55 589276 489
>>589267
Металлические можно припаивать к палате, пластмассовые приклеивать суперклеем с содой или термосоплями.

Токсичная херня, хранить в холодильнике с продуктами, еще оттаивать ее перед работой. И цена за полшприца. Нахер нахер.
Аноним 03/03/26 Втр 15:52:26 589277 490
>>589267
> Им услиливают разъемы все ремонтники.
Если разъём нуждается в усилении, ты или используешь неправильный разъём, или жопишь кабель, в любом случае не надо так. Термоклей нужен радиаторы крепить, а не разъёмы.
Аноним 03/03/26 Втр 15:58:48 589278 491
>>589277
Мда чел, очевидно замена микроусб на усб-ц это "неправильный разъем".
Аноним 03/03/26 Втр 16:04:41 589279 492
>>589278
Очевидно на usb-разъёме любой формы девайс не должен крутиться как будто им размахивают за провод. Но если стоит такая задача, ты не тайпси припаиваешь, который каким-то образом всё ещё хлипче микроюсби, а какой-нибудь четырёхпиновый мини-хлр который за железную гайку на корпусе держится.
Аноним 03/03/26 Втр 16:17:19 589280 493
>>589279
Очевидно что левый разъем может не совпадать ни с одним контактом посадочного места на плате, поэтому его надо приклеить, и не важно будут его потом крутить или нет
Аноним 03/03/26 Втр 16:19:39 589281 494
>>589280
Ну я и говорю, буквально используешь неправильный разъём. Твой сраный павербанк можно оснастить тайпсишным разъёмом который держится за корпус без всякого клея, а не за плату, а к плате подпаяться через шлейф. А пожилую мобилку уж потерпи и юзай с оригинальным гнездом.
Аноним 03/03/26 Втр 16:23:10 589282 495
>>589281
Это в твоем мире так все однозначно, а в реале случаи разные бывают, что может понадобиться сделать не так как ты хочешь.
Аноним 03/03/26 Втр 16:37:54 589284 496
>>589282
В моём мире уже хватило компромиссов и я научился говорить "нет" на совсем уж необоснованные хотелки. Некроте которая хорошо если на 2.0 скорости работает нахуй не упёрся тайпси, всё что ей нужно это неразболтанный разъём и кабель который держится без подпирания его книжкой, что разбалтывает его ещё сильнее. По разъёмам чисто для питания есть варианты крепления за корпус, как я уже упомянул, но весь этот колхоз это уже пройденный этап. А пересаживать весь дом на тайпси это шизофрения, если ты не готов всирать по сто баксов в каждый кабель или маркировать комплектные кабели то это ничем не лучше чем просто оставить стоковое гнездо и не мучать жопу.
Аноним 03/03/26 Втр 16:46:27 589285 497
>>589270
ну я купил технопайка 20 г
сначала сотку заказал, потом подумал куда мне столько
Аноним 03/03/26 Втр 17:34:38 589286 498
>>589276
Суперклей слишком хрупкий.
Он застывает, но потом крошится на осколки.
Тебе второй раз пишут
Аноним 03/03/26 Втр 17:39:35 589287 499
Красный клей.jpg 114Кб, 1000x1000
1000x1000
>>589277
Скажи это
а) Тысячам ремонтников (разъемов и другой хрени) в ноутбуках, планшетах, сотовых...
б) Именно этот клей ("красный клей") — это фирменный клей, ипользуется при производстве ноутбуков, планшетов, сотовых и др.

То есть ты открываешь устройство для ремонта, а там этот красный компаунд.
Но откуда тебе это знать? Ты ж диванный теоретик. Не ремонтировал сотни девайсов и не тусил на форумах ремонтников, потому и не знаешь откуда и зачем я сюда принес именно этот клей.
Аноним 03/03/26 Втр 18:12:06 589288 500
050.jpg 125Кб, 990x1373
990x1373
Приехали острые щупы BST-050-JP.
Долго думал, оформить возврат или оставить...

Вот пример, почему пока сам не столкнешься, никогда ничего не узнаешь. Все эти Youtube обзорщики, все эти ремонтники нахываливающие на форумах... я вот не знаю. Толи они просто долбоёбы? Толи они всегда пишут заказные статьи. Скорее и то и то. Ни один не сказал две главные вещи:

1. У них слишком короткие провода, всего 75см. Это слишком мало, если мультиметры и проч. приборы стоят у тебя сверху на полке.

2. У их "бананов" слишком толстая обечайка и она не лезет в HP34401A, HP34410 или TrueVolt или в мультиметр "нищеброда в прыжке" Mastech M-932 (но, лол, лезет в Keithley DMM7510).

Всё-таки китайцы долбоёбы.

3. Реально сами щупы и выглядят дёшево и стремно. И не только выглядят, являются.
Пользоваться можно, но неудобны. Как всегда, у китаёз фундаментальная проблема с юзабилити, а скорее с глупой башкой.
Аноним 03/03/26 Втр 18:31:06 589289 501
>>589288
>Толи они просто долбоёбы?
Нет, долбоеб здесь только ты. Потому что решил что они все это снимают что бы тебе помочь, а не другие цели, реклама, привлечение внимания, монетизация канала, что угодно.
Аноним 03/03/26 Втр 18:40:44 589290 502
>>589287
Ты путаешь корпусный ремонт с присиранием инородного разъёма. То, что ты им даже почтовые конверты запечатываешь, не говорит об его повсеместном использовании.
Аноним 03/03/26 Втр 20:05:03 589291 503
>>589162
>ты цепи питания проверил?
не умею. сейчас решил попробвать на доноре. Землю воткнул на дырку в плате( там кажется по умолчанию земля) начал по порядку звонить кнопку питания. А там напряжение только на одном пине в 0.03 вольт. Прозвонил пин на рядом с зарядником- там 19В. Тогда решил позвонить источник опорного напряжения( судя по названию от отвечает за начало цепи питания)- все по нулям, но от ноута запахло паленкой
Аноним 03/03/26 Втр 23:26:47 589295 504
>>589291
перепаял чип с биосом. Чудо не свершилось- не помогло. Аноны, есть годные инструкции как прозванивать цепи? схема есть, хотя и получитаемая
Аноним 03/03/26 Втр 23:38:07 589296 505
>>589295
>Аноны, есть годные инструкции как прозванивать цепи? схема есть, хотя и получитаемая
До этого действовать по инструкции не получалось, а вот в этот раз ВСЕ ТОЧНО БУДЕТ КАК НАДО.
Аноним 04/03/26 Срд 01:00:29 589300 506
Допустимо ли запускать коллекторный мотор от стиралки через лампу 100-150 вт? Без нагрузки. Мне надо поменять и притереть щётки, для этого хочу таким образом ограничить мощность и погонять 1-2 часа на пониженных оборотах.
Аноним 04/03/26 Срд 06:15:09 589302 507
>>589288
Я вот честно говоря не понимаю как они могут быть 2000v вообще с разборной конструкцией. И нет ограничения для пальцев, типа такого бортика об который пальцы будут стопориться если взялся слишком близко к иглам.
Аноним 04/03/26 Срд 06:37:15 589303 508
>>589296
ой, да ладно тебе. Я же только учусь
Аноним 04/03/26 Срд 10:23:38 589308 509
1000074329.jpg 251Кб, 1300x731
1300x731
>>589287
Сейчас попался ролик китай г где этот долбаеб на электро отвертке зачем то меняет рабочий микро усб на тайп си засрав все этим красным говном. Зачем эти долбаебы хуйней маются подобной, через тайп си один хер быстрей не зарядишь через тп4056.
Аноним 04/03/26 Срд 12:13:37 589309 510
>>589275

Ля какая. Интересно как оно фольгу на текстолите режет.
Аноним 04/03/26 Срд 18:47:15 589312 511
>>589309
Тоже об этом подумал. А как сам текстолит?!
Аноним 04/03/26 Срд 19:17:26 589314 512
>>589302
(автор >>589288)
>> Я вот честно говоря не понимаю как они могут быть 2000v
>> вообще с разборной конструкцией

Хаспаде, ты меня удивляешь своей наивностью! =)
Как-как... Обычный китайский пиздёж. Набери в гугле фразу "верить китайцам"
Аноним 04/03/26 Срд 19:42:15 589316 513
ну чё, радиокарлики, залудил и припаял два проводка друг к другу
криво, но работают, под мой будущий проектик хватит
хотя этот онлайтовский кипятильник будто уже сдох, хуй знает, может сдать его и нормальный взять?
Аноним 04/03/26 Срд 19:51:23 589317 514
201912221622img[...].jpg 139Кб, 800x600
800x600
>>589295
Прозвонка цепи это просто удостовериться в том что она замкнута. Тебе вряд ли надо что-то "прозванивать".

Ремонт ноутбука ли, сотового телефона итд это не действие по какой-то инструкции. Это именно ПОНИМАНИЕ как он работает. Если он допустим не включается, тебе надо ПОНИМАТЬ как происходит процесс его включения. Сколько тебе лет? В данный момент ты творил просто рандомную хуйню. Вот ответь, какова проблема с твоим компьютером, с твоей платой, и с чего ты решил что в этом всенепременно-обязательно виноват BIOS? Какова была логика?

Первое что тебе надо найти это а) Поискать схему на свою материнку. б) Поискать Boardview файл для своей материнки. Для того чтобы их скачать часто придется заплатить некоторую денежку, от 100 до 500р. У ремонтников есть свои каналы, свои форумы, свои группы VK. Что вы вообще здесь забыл? Здесь полторы калеки и вопросы уровня как починить максимум вибратор. =) Ноутбук починить тебе здесь НЕ ПОМОГУТ потому что НЕКОМУ. Ты попутал, тебе надо идти в группы телеги, группы VK, искать форумы: вбиваешь в поиск "форум ремонт ноутбуков", "группа ремонт ноутбуков" и так далее. В этом твоя самая первая ошибка, что ты не нашел четкое сообщество с высоко-профессиональными людьми.

Часто схемы нет никак вообще ни в каком виде. Только Boardview. Часто мать такая, что и boardview ты не найдешь, тогда приходится искать что-то сходное. В любом случае, первые твоя задачи по степени очередности такие:
1. найти нормальное сообщество ремонтников и присоединиться к нему
2. попытаться найти файл схемы для своей материнки
3. попытаться найти файл boardview для своей материнки
Часто поиск п.2 п.3 сопряжен с тем что придется заплатить деньги. Либо придется поискать по форумам (есть группы в телеге с ботами схем и боардвью), возможно даже с кем-то связаться, написать в группу, поклянчить. Есть постоянно пополняемый Yandex каталог с фалйами. Я не привожу сюда потому что смысла нет, сам найдешь.

4. Выписать (для себя и для людей у которых ты будешь спрашивать) тщательно свою проблему, в чем она заключается, как ведет себя система? В чем неисправность? Как она начиналась или произошла?
В это необходимо будет включить например потребляемый от блока питания ток (обычно наблюдают на блоке питания). Напряжения на ключевых элементах.

5. На базе пункта 4 выработать СТРАТЕГИЮ (т.е. последовательность "игры") как и что проверять, стратегию поиска проблемы.
Если ты не можешь, не понимаешь, не знаешь - обращайся в сообщество с вопросом о стратегии поиска и хотя бы перечисли сиптомы определенные тобой на шаге 4.

Пока что ты страдаешь абсолютно полнейшей хуетой, так как не сделал ни одного шага, в особенности шага 4.
Даже не написал свой ноутбук, название и версию своей материнки (на ней пишется) и так далее.

Ты хотя бы на Youtube понабирай "ремонт материнской платы ноутбука" или там "ремонт платы с чего начать" или там "ремнт ноутбука с чего начать" или там "уичмся ремонту ноутбуков", сейчас полных видосов с ремонтом (часа по 3-4 и более) хоть жопой жуй. Иногда пытаюстя продавать курсы по ремонту. Попробуй поискать на rutracker или других торрентах и скачать.
Именно из видосов если бы ты посмотрел хоть один, ты бы уж точно почерпнул что тебе нужен как минимум блок питания, как минимум мультиметр с острыми щупами, нужна как минимум схема и как минимум boardview. А если что-то запахло палёным, как ты писал, это можно было бы увидеть на тепловизоре или хотя бы быстро-быстро поискать руками (да-да, вполне себе методика поиска, я не чураюсь класть ладонь и определять калящуюся дохлятину когда нет тепловизора просто наощупь).

6. Самая главная твоя сверх-задача не убить глупым действием плату так, что её уже невозможно отремонтировать. Но ты уж начал это делать.
И лол, всё как по писаному. Часто смотрю видосы других ремонтеров, и сам знаю. Притаскивают убитый ноут - сука, в 99% случаев манипуляции с микрухой BIOS.
И бля после убийства "ремонтом" в 99% случае предстоит "подъём" и прошивка того, что можно прошить, часто это не обязательно даже BIOS.
Аноним 04/03/26 Срд 20:01:54 589318 515
Аноним 04/03/26 Срд 20:03:16 589319 516
image.png 4443Кб, 1875x2500
1875x2500
>>589316
аноны, стоит ли эту парашу обратно отнести и взять пикрил?
Аноним 04/03/26 Срд 20:07:15 589320 517
>>589318
Этот который в видео 20-ку уже стоит. Но зато как я вижу любое лезвие к нему подойдет?
https://aliexpress.ru/item/1005008607384373.html

Из комментов к видео:
«Штука занятная, но с электроникой нужно осторожно, а кое-где даже близко не подносить, иначе будут выведены из строя ( разрушены) кварцы, микроэлектромеханические микросхемы ( MEMS), примерно как УЗВ ванны выводят из строя такие компоненты. И кстати по ноге транзистора хорошо видна резонансная вибрация и отделением вывода от компаунда - можно легко нарушить разварку проводника к кристаллу.»
Аноним 04/03/26 Срд 20:11:23 589321 518
>>589319
Какую парашу-то. Болезный, ты думаешь что все бля такие вычитывают внимательно твои сообщения, да?
ВСе такие запоминают что какой-то анон покупал...

И нахуя ты рендеры - картиночки постишь? Тебе сколько лет? Это что, аниме? Порно?
Либо фото с ценой нужны, либо ссылки на ozon/ali
Аноним 04/03/26 Срд 20:18:40 589322 519
image.png 182Кб, 1000x1000
1000x1000
>>589316
>хотя этот онлайтовский кипятильник будто уже сдох
>>589321
это ты какой-то болезный, раз не можешь понять по вполне конкретному маркеру, о чём речь
>рендеры
вообще не понимаю доёба, после стекломойки что ли набычить не на кого?
Аноним 04/03/26 Срд 20:25:40 589323 520
>>589308
Ебать, вот где я видел этот ролик. Я его видать открыл в Incognito mode, чтобы не засирать историю просмотра подобным говном.

https://youtu.be/qLFUJettV2k?si=uq2GVwi1kb4Nq7BP&t=703

в отличии от тебя меня не заломало URL вставить

Клей этот отличная штука. Жаль только дорогой аж пиздец.
Это аналог KOKI JU-50P
https://www.mettatron.ru/images/files/JU-50P_product_info_RUS.pdf

>> Зачем эти долбаебы хуйней маются подобной, через тайп си один хер быстрей не зарядишь через тп4056.

Да затем что TYPE C универсальный кабель, который сейчас в 2026 всегда и везде есть. Только поэтому.
А ебаный Micro USB например дохлый и слабый. Первые Micro-USB разъемы что подох был на
1) Samsung Galaxy S-III,
2) затем на Microchip PICKIT-4,
3) затем полудурки ST зачем-тол поставили Micro-USB на ST-Link/V4

И с собой возить еще или держать на столе отдельный суко MicroUSB кабель. Оно надо мне?
Аноним 04/03/26 Срд 20:26:23 589324 521
>>589322
Иди ты нахуй тогда со своим паяльником. Я другой анон. И я тебе по делу все написал.
Аноним 04/03/26 Срд 20:27:24 589325 522
Мтарош, дай ему пизды за то что он не прав.
=)
Аноним 04/03/26 Срд 20:34:56 589326 523
>>589322
Ладно. Паяло нормальное. Но есть два но.
1. Жить оно будет ТОЛЬКО с регулятором. Без регулятора он не жилец.

2. Вот эти ёбнутые жала-"иглы" удобны ТОЛЬКО на производстве бабам на конвеере, паять по-американски. То есть прислонять правой паяло, и потом пруток припоя с флюсом.
Дело в том, что если жало медное, то конус из него делать не надо. Надо делать жало "копытцем". По другому (но очень редко) называют "козья ножка".
Жало-копытцем к тому же быстро превращается к "ложечку" или своеобразную мини-волну.
Так что откуй/переточи/купи жало в копытце, иначе как этим паять я не представляю.
Аноним 04/03/26 Срд 20:44:54 589327 524
>>589323
> Только поэтому
У меня в доме их штук десять валяется, нормально в гнезде держится так чтобы я доверил ему перепрошивку только один. Причём это не говнище которое идёт в комплекте с китайской хуйнёй, это намеренно выбранные кабели подороже чтобы хоть полгода прожили, но один хуй говно. Разбалтываются эти гниды гораздо быстрее, чем подпружиненный зубастый сраный микроюсб, живущий десятилетиями, и вот он реально на всём стоит и не требует ещё четырнадцати смдшных перемычек просто чтобы выставить режим. Вот уж где универсальный кабель который всегда и везде есть. А вот эту хуйню с али ты будешь через полгода отколупывать кусачками и впаивать новую, когда штекер в ней неизбежно начнёт болтаться как карандаш в стакане.
Аноним 04/03/26 Срд 21:13:50 589328 525
>>589319
>аноны, стоит ли эту парашу обратно отнести и взять пикрил?
Это также параша. Не параша это паяльники с эалами т12 либо с245 или похожее.
Аноним 04/03/26 Срд 21:20:29 589329 526
>>589328
Последний топ - паяльные станции на жалах JBC (3 разных по мощности ручки C115, C210, C245)


Перед этим был топ - жала T12.
Ручки и станции надо брать либо KSGER либо QUICOO / QUICKO, чтобы внутри ручки был датчик просыпания и температуры.
2388р.
https://www.ozon.ru/product/bystryy-nagrev-t12-952-stm32-payalnaya-stantsiya-elektronnyy-svarochnyy-utyug-oled-tsifrovoy-1654169436/
Аноним 04/03/26 Срд 21:24:18 589330 527
>>589329
>T12
это на том же уровне как с245, у хакко есть микроверсия, но оно не популярно у китайцев и клонов не наделали.

А с учетом копеечной цены на т12, при том что они напорядок качественнее клонов 245, т12 выглядит привлекательней
Аноним 04/03/26 Срд 21:35:22 589331 528
Что скажете про паяльники-ручки в районе 1к? Смотрю их очень много, даже с картриджами есть.
Если примерно, то чтобы плавил ПОС-61, была возможность паять smd, ну и иногда провод залудить.
Аноним 04/03/26 Срд 21:38:19 589332 529
>>589330
Косоглызе бляди сейчас продают станции с 3мя ручками и по 3 жала накажду ручку за 6524 р. всё.
https://www.ozon.ru/product/sugon-payalnaya-stantsiya-120-vt-nihromovyy-nagrevatel-1248714337/

Оригинальная JBC стоит 72 тыс. с одной ручкой T210 и без жала.
https://www.ozon.ru/product/induktsionnaya-payalnaya-stantsiya-jbc-cd-2shqf-2323886337/
(это бред про индукцию, она не индукционная конечно, )
Аноним 04/03/26 Срд 21:50:15 589333 530
>>589317
толсто. Короче мне просто не сюда. Прошу прощения
пойду пилить анкету в /soc/: ищу тян, которая научит прозванивать и чинить ноуты
Аноним 04/03/26 Срд 22:06:10 589334 531
>>589333
Тян да еще в /soc?
В /ga же. 😀 Накрайняк /sex в треде знакомств.
И чтобы умел ремонтировать ноуты.
Аноним 04/03/26 Срд 22:06:43 589335 532
>>589334
Я тян, а ты няшный?
Аноним 04/03/26 Срд 22:08:51 589336 533
>>589326
>Жить оно будет ТОЛЬКО с регулятором. Без регулятора он не жилец.
у меня есть какая-то крутилка, но не охота её тратить на паяльник
бля в пизду, сдам взад и возьму что скинул
>>589328
ну скинул бы пример
Аноним 04/03/26 Срд 22:09:57 589337 534
>>589336
>бля в пизду, сдам взад и возьму что скинул
Не имеет смысла. Шило на мыло.
Аноним 04/03/26 Срд 22:11:30 589339 535
image.png 562Кб, 960x960
960x960
>>589336
>ну скинул бы пример
ksger c245(можно t12)
Например.
Аноним 04/03/26 Срд 22:14:24 589340 536
image.png 88Кб, 288x572
288x572
>>589339
типа брать вот эту штуку за 5к паять проводчки? ну двач как всегда
>>589337
так там встроенная крутилка, тольковыйграл же, не?
Аноним 04/03/26 Срд 22:16:21 589341 537
Да что же так дорого, мне всего лишь паять проводочки и средние smd (без микрух).
Аноним 04/03/26 Срд 22:17:53 589342 538
image.png 43Кб, 194x259
194x259
>>589340
>типа брать вот эту штуку за 5к паять проводчки? ну двач как всегда
Так паять проводочки тебе не сюда. Если тебе паять проводочки, то нужнен самый простой елдак мощностью побольше, который ты можешь купить в ближайшем магазине. Возможно есть смысл рассмотреть тигель. Бывают такие чашечки, которые нагреваются от огня
Аноним 04/03/26 Срд 22:20:09 589343 539
>>589342
как я понимаю твоя мама настолько толстая, что будет гореть, нагреваясь до 9000 градусов, и я на ней буду этот тигель греть?
>>589326
>Жить оно будет ТОЛЬКО с регулятором. Без регулятора он не жилец.
ладно, сдаюсь
подумаю ночью брать елдак за 500 рублей со встроенной крутилкой
или свою к этому присобачить, но тут остаётся вопрос оптимальной температуры - термометра же нету
Аноним 04/03/26 Срд 22:22:33 589344 540
image.png 1742Кб, 1280x720
1280x720
>>589343
>как я понимаю твоя мама настолько толстая, что будет гореть, нагреваясь до 9000 градусов, и я на ней буду этот тигель греть?
Почему ты горишь? Тигель это база, если у тебя много проводочков, то паяльник это параша для этой задачи, к тому же, качество пайки будет хуже тигеля. А греть можно и на плите.
Я тут погуглил, что тигель можно сделать из бронзового тройника. Взял на заметку
Аноним 04/03/26 Срд 22:53:58 589345 541
>>589317
а вообще если серьезно я надеялся обойтись тут малой социальной кровью. последние годы мне уже не очень хочется общаться с людьми.
схему я нашел, а на самом деле прозвонка куда серьезнее: сначала ты прозваниваешь устройство отключенное от сети, чтобы проверить целостность линий, а потом прозваниваешь с включеннным, чтобы отследить путь сигнала включения и где оно запапрывается, что ноут не включается.
К выводу почему проблема в биос, как я ранее говорил, мне сказал в виде предположения мастер
На счет схемы: я более менее, как мне кажется, понял как идет сигнал включения, но абсолютно не понимаю как на схеме идет преобразование входного тока в 19В в 5В на кнопке и как это продиагностировать.
>>589334
я, кстати, так реально делал. так мне потом столько кунов в личку написало, что таких тян не существует. А в треде еще просили модеров удалить мой пост, что мне аж пришлось оправдываться, что тян с паяльником - это мой фетиш
Аноним 04/03/26 Срд 23:10:00 589346 542
>>588318
О, я у них уже три раза разные платы заказывал.
Четырёхслойки норм, качество вполне себе. Их же трафарет идеально к плате подошёл.
Однослойные на алю субстрате тоже умеют делать, их тоже заказывал.
Аноним 04/03/26 Срд 23:35:05 589347 543
1731473449438.webp 42Кб, 612x792
612x792
Хочу маленький регулятор для вентиялтора 12 вольт с тремя проводами. Регулятор должен при включении раскрутить вертиляьтор на полную мощность на 5-10 секунд, а потом сбросить обороты до минимальных на которых вентилятор может крутиться и он должен сам разобраться какие это обороты, что б обязательно крутился, но очень медленно. И ещё сигнализировать пищалкой если вентилятор не крутится. Необязательно.
Есть такое? Или надо самому учиться мелконконтроллеры. Я могу на ардуине. Наверно. Скорость читать, пвм'ом через какой-нить мосфет (BSN20) напряжение регулировать. Я ещё когда-то читал смотрел про супер мелкие мелкоконтроллеры, но не купил и не играл с ними.
Я хоть в ту сторону иду?
Аноним 04/03/26 Срд 23:43:00 589348 544
лан похуй заказал с дисплеем за 500 рублей, посмотрим
Аноним 05/03/26 Чтв 03:53:47 589349 545
Hu Tao - 107.jpg 97Кб, 736x736
736x736
>>589295
Какой интересный персонаж, он не может даже примерно прикинуть, где посмотреть основные питающие напряжения, зато уже отреболил проц, перешил биос и нихуя не сомневается в качестве своей работы. Я вчера QFN16 при замене криво запаял — безумные заводские умения дали сбой.
>годные инструкции как прозванивать цепи
Пиздуешь курить устройство электронных компонентов, типовые схемы и принципы их работы. После становится самоочевидно, куда тыкаться.
90% ремонта — поиск неисправности, твою работу за тебя никто делать не будет.
Аноним 05/03/26 Чтв 04:18:09 589350 546
>>589347
Такой херни вряд ли есть.
Зачем учиться если есть ии?
Аноним 05/03/26 Чтв 05:51:16 589351 547
Аноним 05/03/26 Чтв 06:19:07 589352 548
Hu Tao - 107.1.jpg 226Кб, 736x736
736x736
>>589351
Что это, зумеры переизобрели эпоксидный лак УФ отверждения и покрывают им всё, до чего дотянутся, прямо как на советской военке? Ну, в ракетных и беспилотных войсках пригодится.

З.Ы.: Профиль годного к военной службе радиомеханика: паяльник на батарейках, тигель, эпоксидный лак. Повестку и на фронт, канифоль на месте из сосны добудет.
Аноним 05/03/26 Чтв 06:33:34 589353 549
>>589352
Чего ж так тебя порвало на ровном месте. Просто тюбик смешной. Надо было лучше в засмеялся-отпаялся запостить наверное...
Аноним 05/03/26 Чтв 09:34:52 589356 550
Как только я перехожу по вашим ссылкам, мои рекомендации мгновенно заполняются однотипными выдева уровня "что означают выводы VAA VSS", "КАК РАБОТАЕТ БУК НА 5В" "КАК РАБОТАЕТ БУК НА 5.5В" "КАК ПРИПАЯТЬ КОДЕНДЕСАТОР" "КАК ПРИПАЯТЬ РЕЗИСТОР".

Что ж такое, уже сил блокировать это все нет.
Аноним 05/03/26 Чтв 10:29:54 589357 551
>>589356
Из истории просмотра удали видос - перестанет предложку по нему кидать. Я этим трюком уже лет шесть пользуюсь.
Аноним 05/03/26 Чтв 10:43:53 589358 552
>>589357
Когда я написал блокировать, я это и имел ввиду.
Аноним 05/03/26 Чтв 10:46:27 589359 553
>>589356
А ты не блокируй, ты подписывайся. Дед тоже прикольный.
Аноним 05/03/26 Чтв 12:04:03 589360 554
>>589356

Щас бы открывать ссылки не в режиме инкогнито.
Аноним 05/03/26 Чтв 12:28:43 589361 555
Какой паяльник купить в пределах 2к для смд и крупных элементов?
На работе паяю станцией круглым жалом ~1мм почти всё, под смд (редко) кондеры какие-нибудь острое жало. Но у меня xytronic lf1700, для дома она бестолковая и дорогая.
Аноним 05/03/26 Чтв 13:00:43 589362 556
201912221629img[...].jpg 141Кб, 800x600
800x600
>>589341
Короче.
Бери вот такй паяльник 457 рублей.
https://www.ozon.ru/product/payalnik-s-regulirovkoy-temperatury-80-vt-chernyy-keramicheskiy-nagrevatel-1380196381/
там же, в этой же карточке товара продается тот же паяльник но со всеми жалами (колпачками) и даже с подставкой

Это тебе и для "проводчков" пойдет и даже в SMD потыкать если что сможешь.
Аноним 05/03/26 Чтв 13:09:48 589363 557
>>589362
А то, что 220 вольт не опасно?
Аноним 05/03/26 Чтв 13:19:31 589364 558
>>589363
Ты пальцы в розетку совать собрался, или паяльник? Чайник тоже от USB запитываешь?
Аноним 05/03/26 Чтв 13:22:27 589365 559
>>589345
>> а вообще если серьезно я надеялся обойтись тут малой социальной кровью.

Без людей ты не проживешь. Это не "малой социальной кровью", а надо лечить собственную психику, увы. Удаление от социума и от людей проводит и приведет к очень печальным последствиям. Если уж дело дошло до того чтобы удаленно написать вопросы в чат или в группу для тебя проблема.
С 2ch, точнее с анонами на нем в целом проблема лежит куда глобальнее.
Хуйня творится на том уровне, который я себе не представляю.

У тебя вот какая задача стоит? Починить ноут? Вряд ли. Потому что если бы она действительно была такова, то ты бы очень внимательно вчитался в то что я написал, выделил самые важные вещи и если бы это тебя реально интересовало, ты бы задал мне вопросы. Либо немедленно пошел бы поискал несколько сообществ ремонтеров. Но твоя задача судя по всему далека от поставленной. Вместо всего этого ты мне пишешь какой ты хикка и как ты знакомишься с девушками.
Ну ок, чо. Продолжай, тебя ждет успех.

>> сначала ты прозваниваешь устройство отключенное от сети, чтобы проверить целостность линий

Ты собрался рассказать мне как ремонтировать электронику? Похоже на то.
Просто последей совету если ты хочешь чего-то добиться.

>> мне сказал в виде предположения мастер

Иронично посмеялся.
Я сильно сомневаюсь что наш с тобой диалог вообще имеет смысл. (Я тут занимаюсь со своей стороны вообще просто долбоебизмом).
Если у тебя стоит задача все-таки отремнтировать прибор, последуй моим советам.
Самое главное, с ремонтами такой сложности надо консультироваться не в треде "Помощи ньюфагу тред", и не на дваче вообще.
Пойми хотя бы это.
Аноним 05/03/26 Чтв 13:25:55 589366 560
>>589362
Базированая контора. Если плохо паяешь, тебя сажают в клетку. Клеточку выдают за послушание.
Аноним 05/03/26 Чтв 13:30:38 589367 561
>>589363
>> А то, что 220 вольт не опасно?

Пиздец, тебе видимо западло даже нормально вопрос написать.
Ну ок, на тебе такой же ответ:
Да, анон, 220 вольт пиздец как опасно, не суй пальцы, язык и хуй в розетку, не кусай провода и не засовывай в жопу.
Аноним 05/03/26 Чтв 13:32:42 589368 562
>>589367
>и не засовывай в жопу.
В жопу засовывать можно, если напряжение ниже 600в.

Мимо с допуском к работе с 10кв
Аноним 05/03/26 Чтв 13:33:45 589369 563
>>589356
Right click → Open link in incognito video...
Аноним 05/03/26 Чтв 13:34:52 589370 564
>>589369
* QuickFix Open link in incognito window...
Аноним 05/03/26 Чтв 13:46:09 589371 565
>>589364
Гыгы. И USB не панацея
Запитка от USB компа, если комп (его корпус и масса USB) по настоящему не заземлен может привести анона к пиздецу.

Запитка от USB зарядки то же самое, в меньшей конечно мере, емкостная связь.
Аноним 05/03/26 Чтв 13:48:12 589372 566
>>589364
>>589367
Я имею в виду для smd элементов не опасно, не пробьёт? Они же без заземления.
Аноним 05/03/26 Чтв 13:49:47 589373 567
>>589371
5 вольт к пиздецу не приведёт как раз, максимум сам элемент сгорит, а вот 220 может испортить весь прибор.
Аноним 05/03/26 Чтв 13:54:33 589374 568
>>589372
Есть простое решение, не втыкать питание в прибор пока ты его паяешь

Но вообще и жало, и usb порты должны быть заземлёнными по хорошему. Или на корпус, или через БП, хотя бы на общий минус. Если розетки в доме без заземления, считай пропал, а если контакт есть, то два путя - либо один хуй в подвале земля на ноль зашунтована, либо земля отдельно. Если зашунтована, считай пропал, а если земля отдельно, есть два путя - либо свитером своим синтетическим статику накопишь, либо между нулём и землёй какой-то жмур замыкает сеть и у тебя постоянно между батареями кранами и нулём по 50 вольт плавает. Ну и так далее. Не парься короче, и подключенные приборы не паяй, и голыми пальцами ничего не трогай.
Аноним 05/03/26 Чтв 13:55:52 589375 569
>>589356
>> Что ж такое, уже сил блокировать это все нет.

Оно учится.
То что тебе подсказали надо делать не так.
Методично, видео за видео, день за днём, начинаешь скрывать. Правой кнопкой "не предлагать" или как оно там называется.
Со временем обучится. Заставить его выдавать тебе годный контент можно, но не сразу и надо поработать.
Мне например всего этого ньюбского говна не падает. (или говна для развлекухи, чисто для "интереса") Но правда я и не подписывался на него (это тоже очень важно).

А падает мне про разработку электроники, ремонт, причем качественный (и много что еще).
Тех пидорасов что пилят видео для собственной рекламы также блокирую. Не рекомендовать канал.
Некоторые видосы пидорасов удаляю из истории, прям прохожу по истории и удаляю.
Аноним 05/03/26 Чтв 14:02:28 589376 570
>>589375
>Методично, видео за видео, день за днём, начинаешь скрывать. Правой кнопкой "не предлагать" или как оно там называется.
>Со временем обучится. Заставить его выдавать тебе годный контент можно, но не сразу и надо поработать.
Так я же методично скрываю, добился идеального состояния рекомендаций. Открыл очередное видео ни о чем и все пошло по пизде.

Проблема только в том, что это все как рак, они создают больше бы быстрее тупых видео ни о чем чем система успевает их класифицировать.
Аноним 05/03/26 Чтв 14:07:22 589377 571
>>589376
Дизлайки ставить не забывай, их не видно, но они на полшишечки влияют. По слухам нашептавшей бабки двоюродной собаки дочери офицера оно даже учитывает в какой момент видео ты его въебал, если под конец то это вовлечение, хоть пусть бы и троллингом тупостью, а если почти сразу после начала просмотра тебя считают залётным которому это не надо и выкидывают из выборки.
Аноним 05/03/26 Чтв 14:09:16 589378 572
>>589372
>> Я имею в виду для smd элементов не опасно, не пробьёт? Они же без заземления.

Вот так другое дело.
Опасность остается. Анон правильно написал, но увы, его условие выполнить не всегда получится, потому что девайс часто бывает подключен к блоку питания или к компу, плюс ты и емоксть твоего тела (и часто ты соединен с заземлением через SMD браслет).

У меня этого паяльника нет.
Возможно что повезет и металл жала ни к чему не подключен и далеко от нагревателя. Поэтому емкостная связь будет минимальна.

И еще рассказ из жизни. Когда-то на Ali был куплен KSGER T12. Китайцы отсоединили заземление жала от заземления (и об этом МОЛЧОК), оставив жало болтаться в воздухе. Как итог, осциллографом было обнаружено на жале толи полуфазное (115В) толи вся фаза. Соединение было явно не прямое, но факт был фактом, на жало валило дохуя вольт и обнаружил я это случайно.

Еще раз, запоминаем как мантру. Китайцы с маркетплейсов козлы и долбоёбы.
Всё что приобретается у китайцев это сраный полуфабрикат, недоработка, косоручие и брак.

Понять нужно другое.
Почему я слазил на Ozon, нашел это паяло и написал тебе сюда.
1. За эту цену ты ничего лучше не купишь. Не ты ли выше страдал что SMD паяльная станция тебе не по карману?
2. Паяло регулируемое.
3. Оно на ручках и нагревателях HAKKO 907 (поддельных конечно). Но к ним можно будет докупить жала-колпачки, а лучше сразу взять в комлпекте.

Так что да, это не SMD проф. паяльная станция с заземлением, некая опасность появления сколько-то там на жале есть,
но пункты 1-3 бьют все.
Аноним 05/03/26 Чтв 14:11:53 589379 573
>>589373
Какие 5 вольт. С незаземленного компа (или чего угодно с 3м выводом заземления) при отсутствии в розетке реального заземления (дом по последним СНИП) всегда валит полуфазное. ВСЕГДА. 115 В.
Аноним 05/03/26 Чтв 14:26:05 589380 574
>>589323
Может ты просто криворукий что с проводом совладать не можешь... У меня от huawei g500 кабель лет 15 работает, заряжаюхонор десятый и гэлэкси s3 neo каждый день на которых гнезда тоже живы. Лайтнинг пидорфоновский как то понадежней выглядит этой популярной залуп,
Аноним 05/03/26 Чтв 14:29:51 589381 575
>>589378
> было обнаружено на жале толи полуфазное (115В) толи вся фаза
В абсолютно всех китайских кирпичах контроллер запитывается от внутреннего БП, генерирующего 12 вольт. 115 вольт там можно намерить только если у кого-то с землёй в квартире настолько нахуеверчено, и настолько кто-то этажом выше варит батарею, что откуда-то напряжение подскочило в десять раз, если это о чём-то и говорит, то о том что жало таки заземлено куда-то на кабель питания, и дальше вопросы уже к твоей земле по которой 115 вольт гуляет.
Аноним 05/03/26 Чтв 14:30:50 589382 576
>>589378
А вообще я эту байку уже давно периодически слышу, и начиналась она с 20 вольт, потом срали про 50 вольт, сейчас вот уже 115, лол, ждём очередную инфляцию заземления.
Аноним 05/03/26 Чтв 14:34:53 589383 577
>>589372
само по себе заземление тебе не спасет от пробоя, так как не важно какой ток пойдет от потребителя. Если на плате ноль, и жало подвешено к фазному потенциалу - то ебанет.
Если жало заземлено, и на плате фаза - ебананет.
По сути, это ничего не меняет и не от чего не спасает.
И работает только для случаея когда на жале и на плате равный потенциал.

Другое дело, это статический заряд, который должен уходить с жала на землю, как и с платки.
Аноним 05/03/26 Чтв 14:52:01 589384 578
>>589381
В твоем копьютере стоит блок питания, у него три контакта.
1. Нуль
2. Фаза.
3. Земля

В БП рассчитано так что земля будет соединена с реальным заземлением.
И именно поэтому в нем находятся Y-конденсаторы входного фильтра:
Нуль-земля
Фаза-земля.
И это будет работать, когда есть реально заземление как в домах по новым СНИПам.

Когда заземление (оно же корпус, оно же GND USB) не подключено никуда,
два конденсатора Y фильтра образуют собой делитель напряжения. На их средней точке появляется 230/2 = 115В.

Есть вопросы.

Факты:
Не так давно вынес нахер фирменный ST-Link/V2 , отвалился провод соединяющий GND разрабатываемой схемы и GND компа. Втыкаю ST-Link в USB - дымок. USB порту кстати тоже пизда, нет не предохранитель.
Аноним 05/03/26 Чтв 14:55:07 589385 579
>>589382

Я тебе черным-по белому написал что осциллографом обнаружил. Какие еще нахуй байки. Просто не помню сколько там было.
Напряжение разное потому что различный уровень емкостной связи.

Ты можешь потешаться, писать лол и чего-то там вы можете ждать
только потому что ты безграмотный.

Про то же, откуда на заземлении компа, его корпусе и GND USB с плавающим неподключенным контактом заземления
ОБЯЗАТЕЛЬНО будет 115В - я на пальцах объяснил выше.

И не только компа, многие приборы с импульсным БП.
Аноним 05/03/26 Чтв 17:32:45 589387 580
>>589331
Бери sh72 и не выебывайся, запитаешь от зарядки ноутбука или бп на 24 вольта.
Аноним 05/03/26 Чтв 17:37:46 589388 581
>>589331
"Паяльники-ручки" это что имеешь в виду?
Примеров накидай.
Аноним 05/03/26 Чтв 18:28:54 589389 582
image.png 502Кб, 680x1024
680x1024
>>589388
>Паяльники-ручки
Имеется в виду паяльник про уровня
Аноним 05/03/26 Чтв 18:31:04 589390 583
>>589389
Паяльник про-уровня это здоровенная ебанутая рукоять и кирпич с надписью metcal, паяльники-ручки это проплаченный китайцами форс тайпсишной хуйни для разъездной работы от павербанка
Аноним 05/03/26 Чтв 19:00:58 589391 584
7250076682.webp 213Кб, 1875x2500
1875x2500
Короче заказал такой, может отменю ещё, как пишут - жала не медные, это хорошо, ибо помню как они быстро прогорают и ломаются.
>>589387
На будущее оставлю, пока я хочу ещё фен докупить.
Аноним 05/03/26 Чтв 19:04:47 589392 585
Metcal PS-900.jpg 22Кб, 906x681
906x681
>>589390
владелец Metcal ps-900, рукоятка маленькая, легкая. ЧЯДНТ?
Аноним 05/03/26 Чтв 19:07:34 589393 586
>>589361
>>589391
мимопаяю на работе этой штукой. Хоть и Китай, но вполне себе паяет.
Аноним 05/03/26 Чтв 19:09:29 589394 587
60690125.jpg 251Кб, 1000x837
1000x837
Аноним 05/03/26 Чтв 19:15:40 589395 588
>>589392
У тебя одно только жало размером с пэнсил который он имел в виду, ты видел вообще какие карандаши сейчас пытаются выдать за полноценный паяльник?
Аноним 05/03/26 Чтв 19:28:01 589396 589
1444564564568000.jpg 250Кб, 960x1280
960x1280
>>338104 (OP)
анончик выручай!
Приступил я к замене кабеля на ушах akg k371 bt
Тут вот такой пикрил, я в пайке 0, мои действия:
@нанес чут чут лти 120 активированный как рекомендовали на контакты
@разогрез до 320
@на жало тоже чуть смакнул лти
@подношу на 2 секи максимум
@не выходит и олово не хочет/слабо плавится
Что я делаю не так? Мне рекомендовали больше 320 не ставить.
Аноним 05/03/26 Чтв 19:32:35 589397 590
>>589391
Имей в виду, китайский припой полное говно, подстава, скорее всего ты его выкинешь. Паять им невозможно, не въебись на этом. Я бы не рисковал.
Пинцет - а нужен ли он, цена ему и так максимум 50р, ну ок, если пинцета вообще нет то пусть.
Чехол нужен только возить паяльник куда-то в командировку. Дома это лишнее.
Эта "подставка" на самом деле полный пиздец, она нужна только для переносных условий. Но она здесь она среди всего комплекта кроме паяльника самая полезная.
Пиздец она потому что и маленькая и наверное будет сама складываться. Не факт, но я бы не рисковал.
Я бы или докупил позже нормальную, или сделал бы сам.

Вот это подставка:
238р.
https://www.ozon.ru/product/podstavka-dlya-payalnika-s-gubkoy-hakko-936-3414658352/
потому что она не елозит, не переворачивается вместе с паялником и не складыается.

ну а паяльник взял в точности такой же за 357р.
https://www.ozon.ru/product/payalnik-80-vt-keramicheskiy-nagrevatel-1-predmetov-3228747163/

и никакого развода лохов с китайскими припоями (это риск наебалова), навесом в виде пинцетов и прочей хуеты.
припой - отдельно, наш Российский пос 61 (Рязань или Новосибирск).
Аноним 05/03/26 Чтв 19:39:20 589398 591
>>589396
Поплавь своё "олово" где-нибудь еще. На жестяночке. На левой платке.
Поплавь и потренируйся как оно плавится, потренируйся паять. Возьми два тонких проводка и спаяй их.

Что за "олово", где брал этот припой? Китай?

>> Мне рекомендовали больше 320 не ставить.

Верно.
Платки, электроника и самоделки паяются на 270°C обычным припоем ПОС-60.
Аноним 05/03/26 Чтв 19:45:46 589399 592
>>589398
>Платки, электроника и самоделки паяются на 270°C обычным припоем ПОС-60.
мммм....
Аноним 05/03/26 Чтв 19:46:01 589400 593
>>589396
Вообще там на динамиках наушников очень мало припоя, поэтому плавиться он должен практически мгновеннно, как только коснулся.
За 0.5-1секунду.

Если это не так, что-то либо с твоим припоем, либо с паяльником.
Как выше написал, потренируйся на кошках на кусочке жести, на проводчках, ненужных платах, итд.
Аноним 05/03/26 Чтв 19:48:29 589401 594
>>589397
Так там жала ещё в комплекте. В итоге сумма и набирается.
>>589398
>паяются
То ли я xytronic-станцией на 450 постоянно паяю ПОС-61.
Аноним 05/03/26 Чтв 19:48:50 589402 595
144574565543900.jpg 217Кб, 960x1280
960x1280
>>589398
Я потренил на старых ушах, там оно легко за 2-3 секи отплавлялось, но и шарик там был маленький, и припаивал назад тоже без проблем.

Попробовал вощем сделать всё тоже самое, но чуть побольше флюса нанести и на жало ещё каплю олова - отплавилось за 3-4секи, надеюсь хуйни не сделал.

>Что за "олово", где брал этот припой? Китай?
пос 61
Аноним 05/03/26 Чтв 19:49:13 589403 596
>>589396
>Мне рекомендовали больше 320 не ставить.
А ты уверен что у тебя 320? ТЫ проверял это калибратором?
Рекомендуют больше не ставить потому большая температура перегреет платку и компоненты.
Во первых, компонентов у тебя там нету.
Во вторых, если припой не плавится, то, очевидно что тепла не достаточно.
Поэтому увеличивай температу пока оно не будет оплавлятся относительно быстро.
Аноним 05/03/26 Чтв 20:00:52 589405 597
>>589400
>поэтому плавиться он должен практически мгновеннно, как только коснулся.
Хуй знает, щас глянул, на реддите чуваки говорили что там какой-то тугоплавый припой, конкретно у этой модели. Ещё остается главное ухо с блютуз модулем и прочем, очко начинается сжиматься.
>>589403
>А ты уверен что у тебя 320? ТЫ проверял это калибратором?
не уверен и проверить не могу, cxg dt70, вроде
Аноним 05/03/26 Чтв 20:04:36 589406 598
>>589402
Пойдет.

Температура чисто для ориентировки. Во-первых, редко какой китайский паяльник не пиздит. У меня была станция пиздела вплоть до 40°C (без калибровки), на разных жалах по-разному. В итоге купил китайский термометр, подделку HAKKO. Тоже хуйня полная. Чтобы определить температуру, заебешься, все термопары показывают разное. Каждый раз как ни тыкни, температура очень разная. В зависиомсти от степени прижатия - разная.

Температуру всегда лучше подобрать руками, опытным путем.
Ставят так - минимально вниз, температуру по-минимуму. Подбирают. Но припой должен плавиться, а не превращаться в кашу.
Потом начинают идти вверх, если по факту ты тыкаешь паяльником, а он нифига не плавит то добавляют. И в итоге, так более-менее и подбирают.

Еще можно судить по канифоли.
Хорошая температура такая - канифоль на жале плавится и присутствует в жидком виде еще несколько секунд, постепенно улетучиваясь и превращаясь в тоненький дымок. Она не должа сгорать сразу же с обильным дымом, это явный перекал.

В общем стремится к минимуму, но не в такой ахуй что у тебя точка пайки распавляется по 3-4-5сек. Если на паяльнике есть оловянно-свинцовый припой,
то касаение вот такй площадки как у тебя, плавит ее буквально за 0.2 -0.5сек. почти мгновенно.
Аноним 05/03/26 Чтв 20:06:43 589407 599
>>589405
>> какой-то тугоплавый припой

Точно.
Скорее всего ебаные помешанные на сохранности природы пидорасы паяют на заводе бессвинцовым припоем. Тогда да, ставь выше. 350-370 вплоть до 380°C.
Вот поэтому у тебя и проблемы. Ты столкнулся с бессвинцом.
Аноним 05/03/26 Чтв 20:07:18 589408 600
Пос-61 + 450 градусов + ЛТИ = мой золотой стандарт.
Аноним 05/03/26 Чтв 20:11:19 589409 601
>>589408
>>589406
От флюса брызки, припой прям с прутка каплей падает на паечку, пшшиииик и нежнейшая паечка готова. Блестит, не отрывается, надо только СБСом помыть и пойдёт.
Аноним 05/03/26 Чтв 20:13:39 589410 602
>>589409
Шутить нонеча изволите.
Аноним 05/03/26 Чтв 20:14:39 589411 603
image.png 85Кб, 309x277
309x277
>>589406
>В итоге купил китайский термометр, подделку HAKKO.
Никогда не понимал этой параши. Это расчитано на каких то потреблядей. Почему нельзя так просто купить удобную фикстуру, а термопару я могу и к своему настолькому мультиметру подключить
Аноним 05/03/26 Чтв 20:14:49 589412 604
>>589410
Да нет, рабочий процесс на заводе описываю.
Аноним 05/03/26 Чтв 20:14:59 589413 605
>>589406
благодарю анончик за подробный ответ
Аноним 05/03/26 Чтв 20:34:40 589414 606
>>589411
Во, при удобную фикстуру не знал. А ссылка есть?

Да за копейки увидел на aliexpress'е в свое время. Термопары там сменные потому что олово в припое их быстро убивает.
Реально какой-то пиздец. Толи дело в китайцах (сильно подозреваю). Но оно вряд ли так должно рабоать.
Должно так - коснулся паяльником, показало. Ну ведь верно?

А с этой хуетой конечную температуру просто невозможно определить, она разная для разных термопар, для всех сменных 10шт. Разная с каждым измерением. Разная в зависимости от того как надавил, ак прижал паяльник. Не, я понимаю там разная на 3-4°C. Хуй-то там. Разная градусов на 30-40-50, а это уже не измерение, а какя-то профанация.

Но в то же время, был случай. Притащил дома заебавшись эту хуету на работу. На работе ERSA MX-2000, Micro-Tool, жало миниволна "кочергой".
Тык эрсой в этот термометр. И охуел - температура совпала вплоть до градуса-двух. Чезанах...
Аноним 05/03/26 Чтв 20:56:29 589415 607
Аноним 05/03/26 Чтв 20:56:48 589416 608
>>589414
Мне только сейчас эта идея пришла, погуглил и нашел только это
https://www.dwyeromega.com/en-us/solder-iron-tip-temperature-sensing-thermocouple-module/p/STS-2X-Series?srsltid=AfmBOoo2Qv9nx6rN3GZD358qmvIqWoXnwAMki-FkqrpiDdxUTB_b5TgT

А в твоей штуке наверняка можно концы подключить напрямую к нормальному измерителю, скорей всего там К термопара. Сами по себе термопары очень точны и стабильны, просты и дешевы, вряд ли она может испортиться после 1000 измерений.
Аноним 05/03/26 Чтв 23:27:25 589425 609
>>589415
Спасибо тебе, добрый анон!
Аноним 06/03/26 Птн 00:04:21 589429 610
image.png 1026Кб, 1000x1000
1000x1000
image.png 366Кб, 960x839
960x839
>>338104 (OP)
Сап суисекач. Не буду притворяться, что я хоть что-то понимаю в вашем деле, поэтому сразу попрошу пнуть в нужную сторону, если с моим вопросом не сюда. Увидел недавно, что из rp2350 можно сделать FIDO Passkey с помощью pico fido, однако в видео освещающих эту тему еще мелькает бесплатный web commisioner, а теперь его нет и все ссылки ведут на предложение купить приложение за 30 евро, так еще и список поддерживаемых микроконтроллеров сужен чисто до raspberry pico. Энтузиасты сделали picoforge, он работает только с ПО версии 7.2. Из истории версий на гитхабе можно скачать 7.2, но они доступны уже только для пико, а хотелось сделать на waveshare rp2350 one или tenstar'e, потому что у них usb-a уже торчит удобненько. Собственно вопросы: есть ли бесплатные альтернативы, можно ли где-то достать старый commisioner, пойдет ли ПО для пико на вэйвшэр или тенсент? Или вариант только делать бочку покупать неудобный пико 2 и таскать с собой микроюзб провод/перепаивать коннектор, параллельно покупая ПО?
Заранее спасибо
Аноним 06/03/26 Птн 05:33:19 589433 611
image.png 1472Кб, 1280x960
1280x960
Пришло с вот такой вот печалью, это что за деталь? Кондёр какой-то, как я понимаю? Подпаяться если пытаться криворукому, то никак? ESP32 C6 Oled.
Аноним 06/03/26 Птн 07:14:46 589435 612
>>589433
Это антенна.
Нах тебе есп32 если ты гуглить не умеешь
Аноним 06/03/26 Птн 10:34:45 589440 613
>>589395
Так это что бы сократить тепловую инерцию.
Аноним 06/03/26 Птн 11:10:05 589441 614
>>589396
>нанес чут чут лти 120 активированный
>активированный
Значение знаешь?
Теперь тебе его нужно отмывать, а то оно съест все, куда затекло.
Аноним 06/03/26 Птн 11:16:15 589442 615
image.png 22Кб, 259x194
259x194
Обьясните почему у паяльщиков все специальное и проприетарное и пиздец как оверпрайснутое, какзалось бы технари, умные люди.
К примеру, почему эти параши такие дорогие когда можно просто использовать ебаный пылесос либо кухонную вытяжку.
А также можно было бы иметь развитый рынок причандал и дополнительных фильтров под это все
Аноним 06/03/26 Птн 11:22:14 589443 616
>>589442
> можно
У себя дома можешь хоть гвозди головой забивать, она тебе все равно ни к чему. А на фото у тебя образец промышленного оборудования
Аноним 06/03/26 Птн 11:23:49 589444 617
>>589443
>образец промышленного оборудования
База. Применение канцелярщины автоматически добавляет миллион к стоимости продукта.
Аноним 06/03/26 Птн 11:24:01 589445 618
>>589442
Всё зависит от бюджета и желания. Пикрилы они как раз именно под специального назначения где невозможно провести вытяжку на улицу.
>пылесос, кухонную
Нет, вытяжка должна быть на улицу, для этого достаточно располагаться ближе к окну и в окне установить приточный вентилятор. Если будет много дыма, то уже конструировать воздуховоды.
На промышленное оборудование не надо смотреть.
Аноним 06/03/26 Птн 12:08:09 589448 619
>>589435
>Нах тебе есп32 если ты гуглить не умеешь
Да пох, навайбкожу что-нибудь ради прикола.

>>589435
>Это антенна.
Ну, по крайней мере с экранчиком поиграюсь, спасибо.
Аноним 06/03/26 Птн 12:10:38 589449 620
>>589448
Какое спасибо, припаивай давай на место, разбирайся.
Аноним 06/03/26 Птн 12:19:07 589450 621
image.png 297Кб, 900x900
900x900
>>589449
В принципе, я много паял раньше, лет 10 назад, может быть и достану старый паяльничек. Единственное что - он у меня вот такой классическо-китайский, боюсь что спалю всю плату нахуй.
Аноним 06/03/26 Птн 14:15:34 589459 622
image.png 583Кб, 1080x700
1080x700
image.png 1578Кб, 1772x1048
1772x1048
Прелесть делания своих платок состоит в том, что ты можешь взять компоненты, для которых ты хрен найдешь потом замену.

Как же барен пакует, просто 10 из 10.
Аноним 06/03/26 Птн 15:26:06 589462 623
>>589450
Такими полмира паяет
Аноним 06/03/26 Птн 20:22:45 589465 624
>>589374
>то два путя
Это сотка!
Аноним 06/03/26 Птн 20:39:27 589466 625
>>589416
Ты цену-то видел?

Думаю надо измерять мультиметром
Аноним 06/03/26 Птн 21:21:10 589468 626
IMG202603042133[...].jpg 3977Кб, 4096x3072
4096x3072
ПОМОГИТЕ!
купил G3061, это столик 5.6x5.6 см с нагревом до 250°. Когда он включается слышен вч писк. Писк исходит от стоек нагрева когда одна из них соприкасается с контактами поверхности нагрева.
я думал изза отсутствия пайки (прямой контакт обеспечивается нажимом), но когда полностью запоял стойки писк не пропал. Нахуячил на все элементы платы клеем - не помогло.
Аноним 06/03/26 Птн 21:24:44 589469 627
>>589468
Если стойки с пружинами внутри то они могут дребезжать, как индуктивности от импульсных токов
Аноним 06/03/26 Птн 21:26:53 589470 628
>>589469
да там пружины, попробую поменять, спасибо за подсказку.
хмм, любая индуктмвность будет пищать от импульсного тока, или только при насыщении?
Аноним 06/03/26 Птн 21:27:35 589471 629
image.png 3608Кб, 1875x2500
1875x2500
Приехал пикрил, господи, какой замечательный паяльник! Просто земля и небо по сравнению с хуетой за 250 рублей а-ля совок стайл фром чайна. Поставил температурку - и лежит, ждёт, не коптит. Взял, макнул в канифоль - она плавится, не горит за секунду.
Если кто только выбирает паяльник - не берите без термометра. Доплата того стоит.

Алсо. Впервые не то, что папаял, но уже какую-то схемку собрал. Подохуел мальца, что, оказывается, все контакты надо залудить, а перед этим канифоль нанести.
Аноним 06/03/26 Птн 21:44:52 589472 630
>>589470
>любая индуктмвность будет пищать от импульсного тока
Они будут пищать от режима когда модуляция работает пачками, например пачка частотой в 10кгц либо от гармоник возникающих от изменения модуляции с этой же частотой. Писка в 80кгц скорей всего ты не услышишь.
Аноним 06/03/26 Птн 21:59:57 589473 631
>>589442
Всю паяльную хуету покупают производственные фирмы, а не DIY-хоббисты.
А у фирм под производство деньги есть.

Поэтому тут так и сделано, тянуть охуенные деньги. Это ты еще блядь настояшего оверпрайса не видел, хо-хо-хо. Посмотри сколько стоит не китай, а немецкая ERSA, сходи к ним на сайт, только не ёбнись.

Туда же идут WELLER, PACE, METCAL, JBC, HAKKO.
Аноним 06/03/26 Птн 22:18:03 589474 632
>>589473
>HAKKO
У хакки вполне нормальные цены.
Аноним 06/03/26 Птн 22:19:42 589475 633
>>589442
1. китайские вытяжки дешевле .
2. Часто вытяжки себе делают сами.

Например:

Честный Сервис
"Мощная вытяжка Своими руками. Дымоуловитель. 4K"
https://youtu.be/Wjt0cnmK4dQ?si=P9XDMm0aTT3Fhp2I&t=201
Аноним 06/03/26 Птн 22:21:27 589476 634
>>589459
В какой стране живешь? Так чисто, интересна география посещения двача
Аноним 06/03/26 Птн 22:26:40 589477 635
>>589468
Это не "стойки нагрева", а походу pogo pin.
Они дешевые и с разными контактными поверхностями, ищи на Ali, Ozon если что.

Держи в курсе если победишьт проблему.
Аноним 06/03/26 Птн 22:40:42 589478 636
>>589471
Слава тебе господи! Алилуйя! :-)
Продолжай потихоньку, двигаться к совершенству маленькими шажочками. Припой не из китая. Флюс(ы) с кисточками. Бронзовый моток. Вискозная салфеточка (в пятерочке или хозмаге возьми). Нормальная подставка. Пинцет. Перчаточки. Самопальная вытяжка дыма из компьютерных кулеров.

Почалося =)
Аноним 06/03/26 Птн 23:00:45 589480 637
>>589478
Жало бы хорошие, а то как на пике насколько знаю медные с никелевым покрытием, а это лажа. Хотя стальные такой паяльник и не прогреет нормально.
Аноним 06/03/26 Птн 23:02:29 589481 638
>>589472
>>589477
проверил через повербанк, точно такой же писк.
поставил 2.5 медь - писк остался.
писк есть даже без контакта стоек.
значит чтото на плате, хотя я все залил клеем и поиидее он должен был стать тише но нет.
Аноним 06/03/26 Птн 23:33:13 589483 639
>>589478
Ну у меня есть канальник, хз зачем вытяжку делать, не думаю что на постоянке буду много паять.
Аноним 06/03/26 Птн 23:43:08 589484 640
завтра предстоит шлейф чинить, 6 жил всего, вопросики:
сам по себе шлейф короткий и оборвался в неудобном месте для починки, вытащить и по человечески зафиксировать и запаять варианта нет. нормально если я жилами удлиню шлейф на ~1-3 см и потом пластиковым уплотнителем от старого шлейфа прихуярю с двух сторон на термоклей? или ещё хуйнёй какой заполню образовавшееся пространство? можно ли и воовсе хуй забить и оставить всё как есть к тому же двигаться шлейф не будет, а вокруг него лишь пластик. (четко зафиксирован)
Аноним 07/03/26 Суб 00:04:56 589485 641
>>589484
>6 жил всего, вопросики:
Если это FFC что мешает заменить на новый? Цена 5 рублей.
Если это FC, это еще проще
Аноним 07/03/26 Суб 11:41:53 589486 642
>>589481
Ну плату хоть сфотай нам, раз разобрал.
(чтобы на ней только компоненты читались)
Только в тред инструментов и приборов, здесь сообщение подохнет.

Пищат ну конечно же дроссели.
Магнитострикционный эффект называется.
Аноним 07/03/26 Суб 11:42:56 589487 643
>>589483
Мы думали ты испытываешь страсть к пайке и будешь паять много
Аноним 07/03/26 Суб 11:44:48 589488 644
>>589484
нормальные люди пишут между чем и чем шлейф.
Аноним 07/03/26 Суб 12:14:06 589489 645
>>589487
не, не охото чёта
Аноним 07/03/26 Суб 12:46:02 589490 646
>>589429
А в чем удобство этого беспарольного механизма, что ты аж решил так заморочиться? Что тебя сподвигает?
Ну это первый обычный и понятный вопрос, нахуя всё это?
И нахуя всё вот так?
Создалось впечатление что ты себе какую-то боль устраиваешь. Эта боль чем-то должна быть оправдана. Чем?
Аноним 07/03/26 Суб 13:29:53 589491 647
image.png 1260Кб, 1700x1700
1700x1700
DSO2512G мысли мнения?
Аноним 07/03/26 Суб 13:37:18 589492 648
image.png 193Кб, 1382x626
1382x626
image.png 354Кб, 1182x595
1182x595
image.png 617Кб, 974x701
974x701
>>589491
цены пздц скачут... почему на озоне он дешевле чем на али?

еще насчет щупов вопрос: стандартные можно сразу выкидывать или лучше покупать что-то лучше? планирую смотреть шим сигналы на ИИП. я так пынимаю там напряжение до 400В может быть после диодного моста и электролитического конденсатора. поэтому нужны щупы 1:100
Аноним 07/03/26 Суб 14:57:45 589497 649
>>589492
>стандартные можно сразу выкидывать или лучше покупать что-то лучше
Всякий щуп имеет лучшие характеристики чем твой осцилограф.
Аноним 07/03/26 Суб 15:07:09 589498 650
Hu Tao - 115.jpg 80Кб, 736x736
736x736
>>589491
Сырцы на FPGA е? Не — нахуй.
Ты программист-железячник? Не — нахуй.
Инженер РЗАиТ/АСУТП/АСКУЕ/автодиагност? Не — нахуй.
Студент-электронщик с проектом показометра? Не — нахуй.
Пиздатая штука.

Чё ты им делать-то собрался, починять беспилотники в окопе под обстрелом? Они нужны только узкому кругу специалистов, которые сразу накатывают кастом чтобы сделать специфический показометр под конкретные задачи диагностики.

>>589492
>планирую смотреть шим сигналы на ИИП
Он для этого не подходит. Ну только если твой ИИП не инвертор 24-220 В от Р160.
Аноним 07/03/26 Суб 15:24:17 589499 651
>>589492
>> цены пздц скачут... почему на озоне он дешевле чем на али?

Ты из какой жопы вылез? С раморозкой блядь
Али давным-давно уже перекупили путинские и залупили на нём
1. Курс бакса
2. Въебали кждому товару по несколько сот рублей "доставки".

Всё нахуй, пизда Aliexpress'у настала в России.

И сейчас они хотят выебать Ozon, въебать налог.
Аноним 07/03/26 Суб 15:57:39 589500 652
>>589499
База. Рыночек и конкуренция. Когда цены на китайские товары вырастут запредельно, россияне начнут делать сами конкурентноспособный продукт.

нет, не начнут, будут терпеть, у нас свой капитализм
Аноним 07/03/26 Суб 17:50:23 589503 653
>>589499
>перекупили
не перекупали, просто сделали прокладку, берущую мзду
>>589500
>будут терпеть
ну я надеюсь ты покажешь как надо не терпеть? а аноны за тобой подтянутся
Аноним 07/03/26 Суб 18:35:06 589504 654
>>589503
>ну я надеюсь ты покажешь как надо не терпеть?
Ну тебе уже показали как делать процессоры и автомобили. Как успехи? Подтянулся?
Аноним 07/03/26 Суб 19:02:43 589506 655
>>589491
Норм, работает.
Заебись как первый осциллограф. За ту же цену ничего лучше нет, там вообще пустошь до рыголов за 20к.
Аноним 07/03/26 Суб 19:21:40 589507 656
>>589503
Что в России перекупили весь Alibaba Group,
торгующий по всему Китаю, Индии, восточным странам (включая Израиль) Корее, Японии, США, Европках, Бразилии и даже блядь в Африке,
и представляющий собой разделенную (share) собственность между несколькими банками около 1 трлн. долл
- такое мог подумать только двачер из /ra
Аноним 07/03/26 Суб 19:39:36 589509 657
>>589491
Ты в курсе что такое bandwidth у осциллограф?,
Каков он реалистичный у DSO2512G?

И какой нужен/устраивает тебя?

>>589492
>> я так пынимаю там напряжение до 400В может быть после диодного моста и электролитического конденсатора

даже если это батарейный овцелограф, совсем хуёвая мысль соединить его GND с точкой на которой переменное ВЧ напряжение около 400В.
В том смысле что осциллограф охуеет и ничего правильно он тебе не покажет.
Никакой делитель щупа тебе не поможет.

Этот вопрос решается дифференциальным щупом. Ищи гугли, смотри как им пользуются при ремонте БП или наладке каких-нибудь там индукционных печей.

Ответ от LLM AI gemini-3.1-pro-preview:
--------------------

DSO2512G (часто продается под брендами ZEEWEII, FNIRSI или вообще без бренда) — это популярный ультрабюджетный портативный осциллограф. Заявлена полоса пропускания 120 МГц и частота дискретизации 500 Мвыб/с (500 MSa/s), но, как и у многих сверхдешевых китайских осциллографов, эти характеристики сильно завышены. В реальности его рабочая (честная) полоса пропускания составляет около 30–40 МГц.

Ниже представлен подробный разбор ситуации с модами, кастомными прошивками, а также мнение о том, стоит ли его покупать в преддверии 2026 года, и какие есть лучшие альтернативы.

---

### 1. Существуют ли DIY-модификации (моды) для DSO2512G?
Да, но они носят исключительно аппаратный характер. Поскольку устройство создано с упором на минимальную цену, радиолюбители часто дорабатывают саму "железку" для повышения надежности и удобства:
* ВЧ-экранирование: Пластиковый корпус совершенно не защищает от электромагнитных помех, из-за чего осциллограф ловит наводки из окружающей среды. Популярный мод — оклейка внутренней стороны задней крышки медной фольгой (с обязательным заземлением на основную плату). Это значительно снижает уровень шума.
* Увеличение емкости батареи: Штатный литий-полимерный аккумулятор имеет малую емкость. При наличии базовых навыков пайки его можно легко заменить на LiPo-аккумулятор 3,7 В большей емкости, чтобы удвоить время автономной работы.
* Аксессуары на 3D-принтере: На сайтах вроде Thingiverse или Printables есть множество моделей для печати улучшенных настольных подставок, защиты экрана и противоударных бамперов, так как штатная откидная ножка очень хлипкая.
* Усиление BNC-разъемов: Разъемы BNC припаяны прямо к печатной плате. Со временем из-за постоянного подключения и отключения щупов пайка может треснуть. Если разобрать осциллограф и аккуратно залить основание разъемов эпоксидной смолой, это предотвратит поломку.

### 2. Существуют ли кастомные прошивки?
Нет, для DSO2512G не существует развитого сообщества по созданию кастомных прошивок.
В отличие от старых DIY-осциллографов (таких как JYE Tech DSO138 или DSO150) или паяльника Miniware TS100, в DSO2512G используется проприетарная связка микроконтроллера и ПЛИС (FPGA) с закрытым исходным кодом. Успешных и массовых попыток реверс-инжиниринга для создания открытой ОС под него не было. Вы полностью зависите от производителя в плане обновлений прошивки (которые выходят редко и исправляют лишь мелкие баги).

### 3. Стоит ли покупать DSO2512G в 2026 году?
В целом, нет. Если только у вас не крайне жесткий бюджет (менее $80) и вам не *жизненно необходима* портативность с питанием от батареи, лучше пройти мимо. По меркам 2026 года DSO2512G морально устарел.
* Характеристики фейковые: Этим прибором невозможно точно измерить сигнал частотой 120 МГц. На частотах выше 30–40 МГц синусоида сильно искажается, а прямоугольный сигнал (меандр) превращается в синусоиду.
* Малая глубина памяти: Он не может захватывать длинные потоки данных для последующего увеличения (зума), что критически важно для декодирования цифровых протоколов (I2C, SPI, UART).
* Тормозящий интерфейс: На быстрых развертках меню и интерфейс начинают заметно подтормаживать.

---

### 4. Лучшие осциллографы для радиолюбителя
Если вы покупаете осциллограф для любительской электроники, проектов на Arduino/Raspberry Pi или ремонта аудиотехники, вот к чему стоит присмотреться.

#### Альтернатива 1: Современные бюджетные настольные осциллографы (Лучший выбор в целом)
Если вы работаете за столом, не покупайте портативный осциллограф. Настольные приборы предлагают принципиально лучшие экраны, управление, глубину памяти и честные характеристики.
* Rigol DHO802 / DHO804 (~$300): На данный момент это "золотой стандарт" для радиолюбителей. Он оснащен современной ОС Android с сенсорным экраном, огромной глубиной памяти и, что самое главное, 12-битным АЦП (большинство осциллографов, включая DSO2512G, 8-битные). Это означает, что осциллограммы невероятно четкие и точные. Он питается от USB-C, поэтому при необходимости может работать от мощного повербанка.
* Siglent SDS1202X-E (~$300): Модель постарше, чем Rigol, но это легендарный, "неубиваемый" двухканальный осциллограф для хобби с отличными функциями декодирования сигналов.

#### Альтернатива 2: Лучшие портативные осциллографы (Если вам обязательно нужна мобильность)
Если вы ремонтируете автомобили, проводите выездной ремонт или у вас просто нет места на столе:
* FNIRSI DPOX180H (~$140): Это духовный наследник таких приборов, как DSO2512G. В нем реализована технология "цифрового фосфора" (дисплей с градацией интенсивности — вы легко увидите аномалии и глитчи сигнала) и гораздо более высокая скорость обновления осциллограмм (50 000 осц/с). Он на голову превосходит DSO2512G при небольшом увеличении цены.
* **Owon HDS272S (~$150 - $180):** Гораздо более профессиональный портативный прибор. У него честные характеристики (70 МГц), отличное качество сборки и встроенный цифровой мультиметр на 20 000 отсчетов. В руках он ощущается как настоящий инструмент, а не игрушка.

#### **Альтернатива 3: USB-осциллографы для ПК (Если нужен большой экран)**
* **PicoScope 2204A (~$150):** Хотя его аппаратные характеристики кажутся скромными (полоса 10 МГц), он невероятно точен, а программное обеспечение для ПК (PicoScope 7), возможно, лучшее в индустрии. В нем есть глубокая память, продвинутые математические каналы и десятки декодеров цифровых протоколов.

### Краткие выводы
Не покупайте DSO2512G в 2026 году, разве что вы найдете его б/у за $30.
* Если у вас есть рабочее место (стол) и $300, купите **Rigol DHO802** или **DHO804**. Этот прибор прослужит вам больше 10 лет.
* Если вам нужно что-то портативное и недорогое, возьмите **FNIRSI DPOX180H** или **Owon HDS272S**.
Аноним 07/03/26 Суб 19:50:21 589510 658
Я очень бедный человек, мне бы осциллограф отлаживать ШИМ при ремонте блоков питания

gemini-3.1-pro-preview
Если у вас сильно ограничен бюджет, а главная и единственная задача — ремонт блоков питания (БП) и проверка ШИМ-контроллеров, то ситуация в корне меняется. Вам не нужны дорогие осциллографы за $300.

ШИМ-контроллеры в импульсных блоках питания обычно работают на частотах от 30 кГц до 150 кГц (очень редко до 500 кГц). Для таких частот подойдет практически *любой*, даже самый дешевый "игрушечный" осциллограф. Ваша задача — просто увидеть, есть ли генерация (импульсы) на затворе транзистора, а не изучать наносекундные задержки.

Но при ремонте БП на первое место выходит БЕЗОПАСНОСТЬ.

### ⚠️ Важнейшее предупреждение по ремонту БП
В "горячей" (первичной) части блока питания напряжение на сетевом конденсаторе достигает ~310 Вольт постоянного тока, а выбросы на транзисторе могут достигать 600–800 Вольт!
1. Никогда не лезьте туда щупом в режиме 1X. Вы мгновенно сожжете осциллограф. На щупе всегда должен стоять переключатель в положении 10X (а лучше купить отдельный щуп 100X).
2. Портативность — это плюс. Дешевые аккумуляторные осциллографы (как тот же DSO2512G) не связаны с "землей" в розетке. Если вы полезете стационарным осциллографом (который включен в розетку) в горячую часть БП без развязывающего трансформатора — будет короткое замыкание и взрыв. С портативным осциллографом от батарейки этой проблемы (земляной петли) нет.

---

### Лучшие ультрабюджетные варианты для ремонта БП

Если у вас совсем мало денег, вот что стоит купить на AliExpress (цены ориентировочные, часто бывают распродажи):

#### 1. FNIRSI DSO-TC3 (Цена: $35 - $45) — Идеальный выбор для ремонта
Это устройство "2 в 1": простейший осциллограф + тестер компонентов.
* Почему это лучший выбор: При ремонте БП вам гораздо чаще придется проверять пробитые транзисторы, сгоревшие диоды и высохшие электролитические конденсаторы. Встроенный тестер (транзистор-тестер / ESR-метр) сделает это за секунду.
* Осциллограф: Полоса всего 500 кГц, но для проверки ШИМ в блоке питания этого более чем достаточно. Вы прекрасно увидите прямоугольные импульсы на микросхеме.
* Минус: В комплекте часто идет простой щуп с крокодилами. Вам *обязательно* нужно докупить стандартный осциллографический щуп P6100 (с делителем 10X) и переходник MCX-BNC. Это еще около $5-7.

#### 2. ZOYI ZT-702S / Aneng AOS02 (Цена: $60 - $70) — Мультиметр-осциллограф
Это полноценный мультиметр (который в любом случае нужен при ремонте), в который встроен отличный для этой цены осциллограф (10 МГц).
* Почему это хорошо: У него хорошая входная защита. Прибор спроектирован как мультиметр, поэтому он не сгорит так легко, как обычные дешевые осциллографы, если вы случайно ткнете не туда. Батарея 18650, отлично держит заряд.
* Для ШИМ его характеристик хватит с огромным запасом.

#### 3. Возвращаясь к DSO2512G (Цена: ~$60 - $70)
Для ремонта блоков питания он вполне годится.
Поскольку мы выяснили, что вам не нужны 120 МГц, то его реальных 30 МГц хватит за глаза, чтобы увидеть даже самые мелкие "иголки" (выбросы) на ШИМ-сигнале. Он портативный (безопасно для земляной петли), в комплекте уже идут нормальные щупы с делителем 10X. Если вы найдете его по скидке долларов за 55-60 — можно смело брать.

#### 4. FNIRSI DSO153 (Цена: ~$20 - $25) — Самый-самый минимум
Если денег нет совсем. Это прибор размером с пачку сигарет. Полоса 1 МГц.
Он покажет вам наличие импульсов (есть ШИМ или микросхема мертва), но красивую и четкую картинку выбросов вы не увидите. Поставляется с плохими щупами-крокодилами (для 310 Вольт они опасны), нужно будет докупать щуп с делителем. Встроен генератор сигналов.

### Резюме: что в итоге выбрать?

1. Если вам нужен прибор исключительно для ремонта и у вас нет прибора для проверки конденсаторов — покупайте DSO-TC3 (и докупите к нему щуп P6100 10X). Это сэкономит вам уйму времени при поиске неисправных деталей.
2. Если тестер деталей у вас уже есть, и хочется просто осциллограф — DSO2512G будет нормальным рабочим вариантом для ремонта БП, несмотря на все его недостатки по сравнению со "взрослыми" приборами. Главное — всегда используйте режим щупа 10X при работе с первичной цепью!
Аноним 07/03/26 Суб 22:03:31 589513 659
1772910210808.jpg 246Кб, 1000x1000
1000x1000
>>589490
Честно говоря - по приколу, как микрохобби. Где-то увидел об этом статью, нашел микроконтроллеры, покопался в гитхабе, посмотрел куда применить могу из своих сервисов, туда-сюда. Еще на 3д принтере оболочку напечатаю, чтобы и кнопку можно нажать было. Если не получится - цена проекта 15 баксов за два разных rp2350, сделаю на них подобие раббердаки, которые будут открывать митспин или типа того. Если бы мне на серьезных щщах это было нужно - купил бы что-нибудь серьезное, а так просто проверяю, могу я еще что-нибудь изучить или уже совсем стал старый
Зачем нужен FT8 Аноним 08/03/26 Вск 21:55:21 589535 660
image 643Кб, 900x1800
900x1800
Щяп, граждане радиогубители. Сами мы не местные, и в эфир пока не гадили, но тему потихоньку курим. Расскажите пожалуйста, а в чем вообще смысл FT8? В нем нельзя добавить полезную нагрузку в виде данных, там же только позывные, локации, и прочая сервисная инфа. Зачем тогда на нем дудеть? Ради коллекционирования истории связей? Для исследовательских целей, тип, протестировать прохождение? Кто занимается, в чем вы видите смысл своей деятельности?

Алсо, сейчас учу морзянку, научился более-менее устойчиво пищать кириллицей, прием пока туго. Разговаривает ли кто-то до сих пор на морзянке, или тоже просто рукопожатиями балуются? Хочу начать с QRP, потому что я нищенка.

Всем ура) Пикрандом
Аноним 08/03/26 Вск 22:26:40 589536 661
>>589535
>В нем нельзя добавить полезную нагрузку в виде данных, там же только позывные, локации, и прочая сервисная инфа.

Можно, уже добавили в JS8CALL.
Аноним 08/03/26 Вск 23:20:28 589539 662
lamp207-1.jpg 77Кб, 654x436
654x436
001942222.jpg 277Кб, 640x640
640x640
Сап, рукоблуды. Хотел написать в тред по тематике, но там все мертво.
У меня есть идея, сделать ламповый комбарь для элетрогитары.
Короче, имеем 8 дюймовый динамик jensen c8r, корпус уже изготовлен.
Хочу сделать триодный двухтакт на 6н6п. Анодно-накальный транс есть, сейчас собираюсь изготавливать выходной транс на железе от твк-110лм с сердечником шл16х25.
Нашел старую совковую схему, но хочу кое-что тут доработать, а именно:
1. Поставить самодельный транс с параметрами - первичка 1250+1250 витков с отводом, вторичка 80 витков(динамик 8 ом)
2.Подать анодное 290-300 вольт
3.Анодный ток на каждом триоде 21-22 мА
4.Катодный резистор со 150 ом увеличить до 240-270 для смещения в -12 вольт, плюс на сетках тоже подкрутить, чтобы был нужный анодный ток
5.Мощность хочется ожидать в районе 6-8 ватт
Аноны, тыкните меня в говно в мои ошибки и подскажите, где я тут проебался?
Многие скажут, не еби мозги, выкини это говно, играй в процессор или звуковуху, сделай на 6п14п, но тут важен сам процесс и итоговый результат
Аноним 09/03/26 Пнд 18:13:35 589549 663
Сап ананасы. В общем проблема патово дебильная. Купил на али tecsun h 501 x как подарок деду. А эта сволота не чует ни короткие волны, ни боковые полосы. Как я его не крутил, да так нихуя и не понял. Не работает и всё. Шум есть, а приема нет.
Сравнивал с другими и результат неутешительный. В общем что с ним можно сделать? Возвраты не предлагать, ибо али отказало в этом.
Аноним 09/03/26 Пнд 20:39:02 589552 664
>>589549
Выйди в поле, попробуй в разное время суток. Дома и близко к цивилизации дохрена помех.
Аноним 10/03/26 Втр 01:30:22 589554 665
20260309223626.jpg 5877Кб, 4624x3468
4624x3468
20211202005149H[...].jpg 7677Кб, 4624x3468
4624x3468
Подскажите, я дебил, или кроме колхоза реально нет пути.

Периодически приносят на перебор всякие штуки с вынесенным подальше от платы потенциометром, обычно в виде лапши в которой путается всё остальное. В попытках как-то хотя бы разгрести всё по группам, пытался найти где раздобыть живучих шлейфов, которые выдержат пяток сборок-разборок с несильным дёрганием/сгибанием в разные стороны, чисто под весом крутилок/тумблеров, но чёто и не гуглится ни фига путного, и спиздить негде. Идешные сделаны из какой-то лоиучей хрупкой паутины и сразу после места пайки их разламывает, либо там одна жила которой каюк наступает ещё быстрее, дюпонты в моём хуево-кукуево схожего качества и ещё и не паяются. Пока что сижу тупо косички плету из мгтф, как на пикриле, он гибкий и не ломается так быстро рядом с местом пайки, и там посчитать можно обороты чтобы провода обратно в ту же последовательность выстроились, но это же бред какой-то. Где вообще берут шлейфы с медным многопроволочным ядром, и делают ли их вообще?
Аноним 10/03/26 Втр 05:08:04 589556 666
image 338Кб, 1501x1080
1501x1080
Аноны а какого хрена у меня в усб-докторе корпуса усб-ц разъемов не припаяны к минусу а просто висят в воздухе? В этом есть какой-то смысл?
Аноним 10/03/26 Втр 05:19:32 589557 667
>>589554
На aliexpress.ru "rainbow cable" или "dupont"
продают две толщины, нормальный толстый (dupont) и тонкий. Читай описание внимательно.
Аноним 10/03/26 Втр 05:23:07 589558 668
>>589554
Имей в виду, косичка и шлейф разные вещи. Косичка переплетает между собой и это может помочь в борьбе с наводками.
Аноним 10/03/26 Втр 07:36:13 589561 669
>>589552
Дак он даже отсасывает моему панассонику т 370. Тот в скотоблоке на кв может выловить и китайцев, и амеров, и французей. Эта же залупа просто не пашет даже на подстройке 1-1.
Я подозреваю, что у него сдох чип. Но блжад, ремонтировать такое я банально не смогу одним паяльником.
Аноним 10/03/26 Втр 11:15:43 589566 670
393.png 21Кб, 507x252
507x252
Пикрилейтед - внутренняя схема компаратора LM393.
Ищу покаскадное описание этой схемы, как она работает?
Аноним 10/03/26 Втр 12:01:51 589567 671
>>589557
А есть примеры лотов, или может что-то из твоей истории заказов, где не прелый кал который еле лудится, а вот прям нормальный медный кабель, который паяется и гнётся не ломаясь? А то мои дюпонты из той же провинции, видимо, заказаны, что и первые 100 лотов в выдаче
Аноним 10/03/26 Втр 15:45:29 589572 672
изображение.png 4679Кб, 1927x2560
1927x2560
>>589064
>Забудь про это. Покупка настолько говенных инструментов это отличный путь отвернуть себя от нового хобби.
Ага да. У меня дома только пикрил есть и батя настаивает чтобы я на нём учился паять. Чё это прям совсем говно?
Аноним 10/03/26 Втр 15:50:02 589573 673
Чёто слышал про какие-то позывные, хуйню малафью, что надо сделать чтобы дойти до уровня когда можно по вечерам сидеть ноги на стол закинув с сигаретой в зубах и общаться с местными дедами?
Аноним 10/03/26 Втр 16:14:55 589575 674
>>589572
ЭПСН-25? Именно 25 по ГОСТу нормально паяет при использовании свинцового припоя (ПОС-63, 61). А там на фото китайское говно, которое перегревает припой, пережигает флюс, чадит и не паяет.

Но если есть возможность, лучше купить Т12 для вката
https://www.ozon.ru/product/payalnaya-stantsiya-t12-s-oled-tsifrovym-displeem-i-reguliruemoy-temperaturoy-mini-dlya-raspayki-3468250112
Блок питания - любой от ноутбука на 19 В.
Аноним 10/03/26 Втр 16:15:08 589576 675
>>589549
20тыщ. Хороший подарок.
У тебя срок 15 дней вышел или как? Возвращай.
Аноним 10/03/26 Втр 17:03:59 589577 676
Как известно, электроны движутся в цепи от катода к аноду, а вот направление тока условно назначили в обратную сторону. Мне кажется, это вносит путанницу в понимании электротехнических основ. Нет ли методичек, объясняющих все явления протекания тока, включая формулы и цифры, исходя из реального движения электронов?
Аноним 10/03/26 Втр 17:36:04 589580 677
>>589566
Так недавно один из типичных писателй на Habr как раз, пытался описать как работает компаратор LM393:
«Почему операционный усилитель — плохой компаратор»
https://habr.com/ru/companies/yadro/articles/963418/ Там ты можешь почерпнуть изрядную долю описания.

У меня резкая идиосинкразия к статьям написанным на самом-то деле любителями, но с закосом что-то "объяснять".
Т.к. я профессионал, хочется прочесть что-то интересное, новое, необычное. Начинаешь читать, а это унылое говно. Какой-то чувак излагает давным-давно известные примитивные азбучные истины. И этот уровень - это сейчас 99.9% статей. Да, они бывает содержат и ошибки, но дело не в этом. Они БЕССМЫСЛЕННЫ. Ты читаешь, и понимаешь что потратил своё время зря. Весь "потуг" можно было написать в несколько простых предложений, а автор ньюб, ардуинщик, любитель. Но вот что важно, с таким уровнем понимания и с таким уровнем "умения объяснить" ПИСАТЬ СТАТЬИ НЕ ДОЛЖЕН. Херня здесь уже в самом заголовке, в самой мысли, в самом послании, в названии статьи.
И почитай там обязательно комменты к статье.


Схемы микросхем меняются, меняется и топология. LM393 старый дизайн (1972), разрабатывался переллально с ОУ LM324 и конторы пото его дорабатывали. Поэтому схема LM393 за годы менялась.

R1, R2, D5, D6, T13, T9, T14, T10, T15, T11, T12, - источник(и) тока, схема "токовое Зеркало". T5, T6 тоже источник тока и токовое зеркало. ЧСХ, на всё это есть патенты. Зачем нужны источники тока - читай "Искусство схемотехники" Хоровица-Хилла, 3е издание.
http://the-epic-file.com/text/bookz/aoe_3/ch_02/aoe3_02_02a.htm#x_02_02_06

С ухудшением схемы могут быть заменены резисторами (резистор тоже "источник тока" но очень плохой).
D1, D2, D3, D4 защита, в более поздних схемах были добавлены доп. диоды. Пары T1-T2 и T3-T4 составные транзисторы Дарлингтона, усиление по току (бета) составного транзистора является произведением бет обоих транзисторов, а входное сопротивление есть (грубо) входное сопротивление T2, T3 помноженное на беты T1, T4. Итак, два составных транзистора T1-T2 и T3-T4 это есть старый, добрый дифференциальный каскад. Именно он-то и "сравнивает", а на самом деле ничего он не сравнивает а тупо усиляет РАЗНИЦУ между входами. Усилок с огромным коэффициентом усиления без обратной ООС "усиляет" тебе либо максимум в пол, либо максимум в потолок. Вот отсюда и весь якобы дискретный "компаратор". Нет, это не компаратор, а просто дифференциальный усилитель с большим коэффициентом усиления и без ООС (более того, зачастую с небольшой ПОС). T7,T8 усилительный каскад. T8 оконечный каскад с открытым коллектором.

Почему входной дифф.каскад перевернут вверх ногами? Для того чтобы сделать питание однополярным и при этом дать возможность входам иметь 0В или напряжение близкое к 0. Если его выполнить не на PNP, а как обычно на NPN транзисторах и выполнить как обычно, эмиттерами вниз, то тогда он не сможет при однополярном питании работать с напряжением близким к нулю (т.е. GND) на базах входных транзисторов. Чтобы транзисторы работали, на базах должно быть напряжение > 0.6V, больше чем напряжение падения на база-эмиттерном переходе кремниевого транзистора. Переворот дифференциального каскада и исполнение его на PNP транзисторах был решением. Кстати это случилось только после того как смогли делать PNP на одном кристалле с NPN.
Аноним 10/03/26 Втр 17:38:31 589581 678
>>589572
Откуй жало молотком на тисках или наковаленке. Медь куётся легко, это 10 минут работы.
Сделай его конец в виде маленькой "отвёрточки" а не этой плоской лопаты.
И еще раз, я заебался вам это писать, медный паяльник без регулятора (100 руб на Ozon) - деньги на ветер и выбросить.
Аноним 10/03/26 Втр 17:48:06 589582 679
>>589064
>> Главное, что при попытке выпаять что-то на плате с массивными полигонами, паяльник Люкея делает пук-среньк.
>> Приходится задирать температуру жала, использовать нижний подогрев, фен и другие изъёбства.

Во блядь. Наконец-то появился кто-то разумный. А ты слышал мою историю про то как люкей у меня к плате припаялся? :))))
Ну он на самом деле не люкей. История там такая. В оригинале это HAKKO 936, а до неё HAKKO 931. Ручка эта называется HAKKO 907.
И сама HAKKO 907 с её плёночным керамическим нагревателем, с многослойными жалами-колпачками была вполне на уровне.

Китайцы стали толи в конце 90х, толи в начале 2000х поддлелывать этот древний HAKKO. Разумеется, как и все их подделки, чисто только на внешний вид. Внутри уже никакого пленочного нагревателя, самая обычная спираль. Они керамику делали из глины, а не так как японцы, и поэтому чтобы паяло не трескалось при нагреве, пришлось сделать внутри большие зазоры. Вот поэтому оно всё как говно. Китайская подъёбка. В японском оригинале это хороший паяльник.
Аноним 10/03/26 Втр 17:51:50 589583 680
Аноним 10/03/26 Втр 18:06:18 589584 681
Аноним 10/03/26 Втр 18:13:47 589585 682
>>589567
Нету, только тонкий. Внутре его медь, но там 4 тонюсеньких жилки. Не советую. Дюпоны или джампер wires я готовые заказывал, уже обжатые.
Поробуй у этого
https://aliexpress.ru/item/1005010536557150.html?sku_id=12000052738580154
Pure Copper, мамой клянус, но фото заказов нет. Напротив, на фото типичный светлый сплав, их светлая говномедь. См. табличку. Попизди к косоглазым, может у него есть варианты кабелей.

Проблема еле лужения в том что сам провод конечно говно, я отлично понимаю о чем ты, так как сталкивался с ним.
Но твоя проблема не только в нем, а в отсутствии нормального активного, агрессивного флюса, паяешь скорее всего канифолькой.
Мы когда сталкивались с таким нелудящимся говном, решали проблему силовым способом - брали ебейший флюс и лудили.
Бери флюсы (по классификации) ROH1, REH1, ORH1. А когда у тебя появится агрессиный флюс, не уничтожь жало паяльника, так как активный флюс сжирает его и чтобы лудить агрессивным флюсом нужен отдельный дешевый медный паяльник.
Аноним 10/03/26 Втр 18:25:02 589586 683
>>589585
> а в отсутствии нормального активного, агрессивного флюса
Да это хуй бы с ним, мне не в падлу поскрести скальпелем пока металл не заблестит, просто если в китае есть нормальный монтажный кабель на котором можно корову подвесить в том же калибре, который блестит своей медной рыжестью и радует глаз когда паяешь, то почему шлейфы-то блять все такие каличные.

Он еле лудится в том числе и потому, что ещё на складах лежит лет по 10 и начинает обратно разлагаться в тот гуталин, из которого его готовили. Эту хуйню отжечь паялом недолго, и текущая канифолька медленно, но таки лудит его, но глядя на нормальные одинарные провода как-то калит.

Ещё одно время "микрофонным" кабелем пользовался, где одна из жил оплётка, это ваще имба, но он кончился быстро и был жирный и пластмассовая оболочка под конец катушки задубела так что еле гнулась, вот эти всратые косички хотя бы гибкие в любой точке.

Подумываю уже какую-нибудь приблуду намутить, как старинные канатные станки, которая бы мне наплела десять метров этой хуйни и сидеть припеваючи. Ну или реально надо с китайцем попиздеть, может у него чёто подороже валяется, но лот не гуглится.
Аноним 10/03/26 Втр 18:28:50 589587 684
>>589576
>> Возвраты не предлагать, ибо али отказало в этом.

Сумма не копеечная. Но только убедись в том что ты всё сделал правильно. Приемник не простой, не две ручки.
Обратись в vk.com/alisupport
Аноним 11/03/26 Срд 08:39:07 589615 685
>>589581
Почему ковка а не напильником подточить. Можно и так, но ковка повзяолет оставить медь, котроую напильник сточит. Еще кованая медь получше чем обычная. Если будешь ковать (на самом-то деле просто постучать молотком), вытаскивай жало из паяльника, иначе разобьешь втруху керамический или слюдяной нагреватель. Ну либо наильником подточи. Я обычно отковывал или стаичивал чтобы осталось "копытце", то есть скошенный конус. С двух сторон чтобы паяльник был залужен не надо. Зачем, это не требуется и неудобно.
Аноним 11/03/26 Срд 08:59:32 589616 686
>>589549
Какая интересная тенденция в целом, все маркетплейсы завалены оверпрайснутыми машинками которые вроде бы и бытовые приемники и вроде могут принимать SSB, тут же в них блютуз, 40 динамиков по кругу, MP3 от Фраунгофера, часы, блудильник, элегантный внешний вид. Люди берут себе и для деда, попадают в патовые ситуации, обкладываются разномастными тексанами, хуйрогами и каких только названий нету, цены фигурируют такие что можно старенький японский трансивер порой купить под неспешно восстановление. Хорошо деньги-бумага. Предположим работает нормально Тексан этот, вручаем его деду. Чего он будет делать с ним? Натянет антенну, зароет заземление и чтобы что? Если дед из бывших военных связистов, телеграфист или был в прошлом радиолюбителем он знает что ему нужно и это явно не тексан. Крутить его в мегаполисе так себе идея, ну предположим все равно крутить. По настоящему интересных станций с русскими службами вещания по типу BBC, RFI, DW, VOA, радио Свобода все то что слушали из КВ вещания деды в СССР и России 90ых-начала 2000-ых уже в эфире нету, под шумовой полкой средней руки города тонет приличная доля станций нижнего, ночного КВ. Международное радио Китая крутит свои передачи по кругу про лапшу и свадьбы что их можно выучить наизусть все слушая по 5 минут в день несколько лет. Предположим дед полиглот и легко переваривает и английский и фарси, тогда плюс-минус есть что послушать. Может быть деды все поголовно тянутся друг к другу и встречаются на диапазоне 100 метров? Так там деды за 20 000 рублей зайца в поле лопатой убьют, они за эти деньги себе купят Ишум, сварганят ламповый передатчик, натянут вярёвку на березу и будут ночами собирать коллективы станций напоминающие товарный поезд по длине. Им эти хуйроги и тексаны вообще недоступны и нахуй не нужны. Радиолюбителей будут слушать эти деды может быть? Бесконечный контест, мелодичные переливы FT8? 7055? 2920? 10460? Так для этого подходят больше связные приемники и трансиверы, нужны нормальные антенны, что деды будут inverted V натягивать на даче и цеплять к Тексану? Ну купите деду нормальный трансивер, пусть кайфует раз он готов полевочку швырнуть на березку. Дедов вообще спрашивают прежде чем подарить ему бытовую хуйню ценой в полторы пенсии, чуть дешевле оригинального Малахита и не сильно дешевле Ксиегу G90? Может лучше поговорить с дедом и купить то, что ему прям хочется, может ему лампосовок хочется или армейский приемник из молодости как в армии или на коллективке дворца пионеров.
А тексан этот конечно лучше было не покупать, но раз взял сдуру этот хлам, то его нужно проверить по другому приемнику, на край по веб SDR с расположением как можно ближе к местоположению. Может он и рабочий, а если нет так будет блютуз колоночка, не огорчайся.
Аноним 11/03/26 Срд 10:54:50 589622 687
>>589576
Вышел, так что послали нахуй. 20к не смертельно. Я уже его сплавил барыжке на лохито чуть дешевле.
>>589616
Тут ситуация глубже, чем все наши глубины. Дед, живя в далекой и дремучей Карелии, сидит там в каком-то локальном радиоклубе местного дачного кооператива. Суть писькомерии в том, что у кого портативный приемник с бОльшим числом наворотов, тот и круче. Ему глубоко похуй на сканеры, которых у него как говна за баней, на трансиверы за 200 ватт и прочую поеботу. Сама фишка – послушать МУЗЫКУ погромче с флешки, обычное радио-зомбоящик и про любимого желтобрюха на 14100. А потом уже вечером залезть в будку и устроить дебаты со своего кенвуда, лол.
Причем писькомер таков, что у соседа появился s 8800 с ПУЛЬТОМ. И мой дед на юбилей сделал заявление "вот так и так, хочу себе 501 пощупать".
Я рыпнулся и заказал. Произошел обосрамс и по итогу ему просто купил мечту молодости ака 004 ленинград.
>лампосовок хочется
Это вообще не напоминай. У него вся хата забита финскими/шведскими ламповыми коробами, 90% которых я тащил в свое время через границу по его просьбе.
Аноним 11/03/26 Срд 11:41:43 589626 688
>по сравнению с хуетой за 250 рублей
Гвоздь заточи как нож вставь вместо жала сделай резак для пластика, чтоб не валялся....
Аноним 11/03/26 Срд 11:42:31 589627 689
Аноним 11/03/26 Срд 12:32:44 589633 690
>>589622
Понял, там случай тяжелый, люди уже угорают. Своя атмосфера, каркаты, озера, сатком, КВ и уже не знают что куда совать чтобы испытать новые эмоции. Это я одобряю.
Аноним 11/03/26 Срд 15:46:40 589641 691
IMG202603060716[...].jpg 56Кб, 1179x727
1179x727
Ситуация,
Дослужился с обычного работяги до зама сборочного производства в средней конторе, производим датчики и автоэлектронику.
Собираюсь уходить на ЗП побольше и желательно уже руководителем, в некоторых вакансиях пишут что необходим навык чтения эл. схем. Я прям уверен что на новой работе мне не придется копаться в этих схемах (как и на текущей);а скорее всего на собесе hr предложит стандартные какие-то схемы для галочки. Потому что руководителей производства в основном дрочат по управленческой фигне на собесе.
Как бы мне натренить хотя бы поверхностное "навык чтения электрических схем"
Есть остаточные знания от универа, знаю про закон Ома, 1 правило Кирхгофа, знаю все обозначения элементов на схеме. А вот если спросить что видите на схеме вообще хз
Аноним 11/03/26 Срд 15:55:39 589643 692
Аноним 11/03/26 Срд 15:58:49 589644 693
Аноним 11/03/26 Срд 16:26:29 589650 694
>>589641
>навык чтения эл. схем

Каких именно? https://habr.com/ru/articles/451158/

>знаю все обозначения элементов

А как они соединяются? Шины, метки, вот это все?
Аноним 11/03/26 Срд 16:29:50 589651 695
>>589641
Аниме называется "ну не может мой зам быть настолько тупым". И это я не про то что ты не умеешь читать схемы.
Аноним 11/03/26 Срд 16:36:32 589654 696
avr-microcontro[...].png 26Кб, 1182x632
1182x632
PUSHBUTTON8051P[...].png 41Кб, 881x458
881x458
>>589650
Подобное как на приках

>А как они соединяются? Шины, метки, вот это все
Скорее нет чем да
Аноним 11/03/26 Срд 17:07:56 589659 697
image.png 19Кб, 656x424
656x424
Господа, подскажите нубу. Хочу управлять соленоидом размыкателя массы в машине с МК STM8. Размыкатель работает от 12В, у МК рабочее напряжение 3.3В. Как быть?
Приходит в голову использовать реле, вроде бы целая куча таких, которые прямо с выводов МК могут управляться. Но тут я поспрашивал нейронку, и она мне предлагает некую хуйню под названием "верхний ключ". Т.к. я нуб и с трудом понимаю, как даже один транзистор работает, я чёт не особо вкурил, хуйню она предложила, или что-то дельное.
Вот такую залупу, как на пикче, оно мне рисует.
Аноним 11/03/26 Срд 17:58:52 589662 698
177324097172375[...].png 314Кб, 1987x1411
1987x1411
177324100001733[...].jpg 72Кб, 1123x794
1123x794
177324104380348[...].jpg 55Кб, 735x513
735x513
177324108407561[...].jpg 395Кб, 2048x1384
2048x1384
>>589654

Накачай попенсорсных схем да пизженных сервис мануалов и проверь себя что в них непонятно. Я не думаю что надо прям принципиальные схемы, скорее нечто более высокого уровня.
Аноним 11/03/26 Срд 18:19:10 589664 699
>>589573
Соснуть хуйца и бочку сделать, очевидно же!
Аноним 11/03/26 Срд 18:39:23 589665 700
14095816477410.jpg 32Кб, 480x645
480x645
Аноним 11/03/26 Срд 18:47:29 589666 701
>>589641
>Собираюсь уходить на ЗП побольше и желательно уже руководителем, в некоторых вакансиях пишут что необходим навык чтения эл. схем
Все очень просто. У тебя недостаточно компетенций для занимаемой должности.
Аноним 11/03/26 Срд 19:53:06 589670 702
>>589662
Чёт даже не подумал об этом, спасибо за совет. Далеко ходить не нужно, у сервисников есть схемы ремонта
Аноним 11/03/26 Срд 19:58:36 589671 703
>>589670
Зачем ты хватаешься за то что ты не тянешь? Вместо того что бы позволить занять место тому, кто достоин, ты просто портишь мир вокруг себя, потому что тебе так хочется. Ты - человек-говно.
Аноним 11/03/26 Срд 21:07:55 589675 704
Стерео-микроскоп это самая мегабаза в пайке. После нескольких лет хоббийного паяния своих схемок, таки купил нормальный микроскоп и все стало максимально идеально.

Раньше избегал смд, теперь 0402 не вызывает проблем, даже выглядит достаточно большим.

Самое интересное, что при пайке "в слепую", при температуре в 350 на паяльнике, казалось что припой не плавится, а сейчас видно что он плавится даже при 300С.
Аноним 11/03/26 Срд 21:57:11 589677 705
>>589616
Твой рассказ заставил задуматься. Не зря наваял, ох не зря... Может я и правда где-то потерял, не прикоснувшись к радиолюбительству? Помню журналы Радио 70х (в подшивке) и 80х. Довольно скучновато там было, про радиолюбительство в самом начале-середине они всегда писали. Но всё же, это привлекло мое внимание и я запомнил что есть вот такие радиолюбители, позывные, все дела. Сейчас хочу просто поплавать на волнах эфира, как это делал я когда-то в юности всего-то на бытовом "Океане" да на самодельных АМ-приемниках, кои мне удавалось сдвигать от СВ в сторону КВ. Понятно что для этого надо как-то гамырить антенну, а как непонятно, я живу-то не в частном доме деревни, даже дачи нет. Но и не совсем город, за городом в большом разросшемся районе набитом старыми 9-этажками, 5-этажками и новыми высотками. В деле радиолюбительства помогает наверное житие на последнем этаже высотки, там хоть антенну можно на крыше соорудить.
Аноним 11/03/26 Срд 22:00:31 589678 706
>>589622
>> и по итогу ему просто купил мечту молодости ака 004 ленинград

Ну ты блян сравнил, Tecsun h 501 и Ленинград 004, по возможностям разные вещи все-таки...
А что правда, Ленинград 004 весит 9 кг? Это не опечатка? https://rw6ase.narod.ru/index1/radiopriem/rp_pp/rp_pp2/leningrad004.html
Аноним 11/03/26 Срд 22:27:20 589679 707
>>589677
Крутни WEB SDR, брателло, если что щелкнет в мозгу и просидишь пару часов, а то и до светла тогда и подумаешь насчет аппаратурки, какая, зачем. Все решаемо, было бы желание. Эфир меняется и может так статься что ничего ты себе там не найдешь, а может и найдешь, тогда сам поймешь что нужно. Может тебя вовсе вопрет подойти на местую УКВ пиратскую разговорную частоту и будешь беседовать с мужиками и юморить. Плох тот городок где нельзя ворваться в неформальное общение будь то Си-би или какой канальчик на семидесятке втиснувшийся между несущими Глушилок РЭБа.
Аноним 11/03/26 Срд 22:48:13 589680 708
>>589641
Ну тут и рад бы, да ничего тебе не предложишь, епта. Я начинал как-то так. Меня в детстве просто неебически привлекала электроника. Я её ценил до такой охуенной степени, что как-то раз променял невероятнейший супер-форсированный авиамодельный движок с оухеннейшей парой, с невероятной охуеннейшей компрессией на пачку каких-то плат с какой-то видимо импортной АТС и видимо горелых и когда-то выброшенных... Вот настолько безумен я был.
Так что лет с 7-ми я читал простенькие схемки в "Юном Технике", потом в "Радио", всяких брошюрах типа МРБ и проч.

Я это всё к тому, что беглое чтение схем это вырабатываемый НАВЫК. Так что твое обращение это по типу:
Пацаны, все буквы по-отдельности знаю. Слово вроде бы прочесть по буквам могу. Но читать нихуя не умею.
Конечно не умеешь, если ты не читаешь ничего!

Ладно, вот тебе несколько личных наблюдений.
К сожалению, сейчас схемы рисуют в CAD различные долбоёбы и пидорасы, сами не читавшие нормальных схем в "Радио".
Но всегда принцип был таков: Слева в схеме всегда вход, Справа в схеме всегда выход. Это основной принцип, в схемах что-то проходит, обработка, усиление идёт слева-направо. Это самый главный принцип схем, но повторяю, современные ебанько могут и постоянно его нарушают. У нас в конторе степень пиздеца доходила до такой степени, что вроде бы вменяемый мужик, главинженер зачем-то нахуярил в несколько-листовой схеме узлы блоков питания справа-налево. Нахуя? Я вот не понимаю этого долбоебизма. Также молодой схемотехник тоже такое же устроил, изобразил блоки питания справа-налево долбоёб блядь.

Принцип второй. Вообще-то любая нормальная схема не представляет собой сплошное однотипное серое поле. Это не так. Любая схема состоит из УЗЛОВ, даже если ты их на первый взгляд не видишь. Старые схемы обычно скомпонованы вокруг транзисторов. Относительно новые, годов с 70х компонуются вокрух микросхем. То есть микросхема (или транзистор) или группа транзисторов - это узел, блок. Выолняющая свою функцию.
Поэтому когда читаешь схему, нужно сразу же разделить её глазами на такие вот блоки. Если перед тобой ну например приемник, найти блок (узел) питания, найти блок усилителя, найти узел гетеродина, узел входного усилителя. Понятно что нормальные схемы и так бывают разбиты на блоки, но если нет, то надо ЗНАТЬ что не схема это не "равномерное поле". Перед тобой БЛОКИ или УЗЛЫ. Так что первое что надо сделать, глазами найти узлы. Часто эти узлы они как бы виртуальные, вщиты в схему.
Но в то же время важно знать что все составляющие части узла находятся на схеме вблизи друг к другу. Ну тут опять же, если не пидор схему рисовал. Насколько я помню конфуз вызывала схема монитора Электроника МС 6105

Вот пример. Сверху >>589566 была схема компаратора LM393. Казалось бы, "равномерное поле" из транзисторов, диодов и резисторов. Ан нет, там по сути дела три блока. 1й узел формирует так называемые "источники тока" (и так называемые "токовые зеркала") для питания транзисторов. И этот узел разбросан по всей схеме так что сразу и не поймешь, это T5, T6, T13, T9, T14, T10, T15, T11, T12, D5, D6, R1, R2. 2й узел это основной рабочий узел, входной дифференциальный усилитель на T1+T2 и T3+T4. Причем, многие схемные "соединения" деталей они как бы являются уже наработанными своеобразными шаблонами, клише. Таково включение T1 и T2, T3 и T4. Когда эмиттер первого входного транзистора идет в базу второго транзистора это называется "составной транзисор" или "транзистор Дарлингтона" или иногда "Дарлингтон". Это надо только знать, иначе никак. И также таким узнаваемым "клише" явлется дифференциальный входной усилитель из двух смотрящих друг навстречу другу T1+T2 и T3+T4.
Ну и 3й узел, это выходной усилитель на T7, T8. Видно что T8 это явно ведь выходной транзистор, поскольку его коллектор идет на выходной сигнал OUT ("out" по-английски это выход). Тут чисто по-логике, если транзистор соединен с выходом, то это выходной транзистор. И наоборот, слева видишь два входа, IN(+) IN(-) они идут на T1, T4. Значит по логике понимаешь, это входные транзисторы.

И наконец еще один принцип.
Обычно питание рисуют двумя линиями-"шинами". Одну сверху. Другую снизу. Сверху всегда идет "активное питание" сейчас это в подавляющем большинстве случаев + питания, снизу идет всегда идет "общая земля". Даже этот простой принцип современные CAD-пидорасы умудряются разрушать, вычерчивая снизу всегда символы "земли", а сверху у каждого транзистора "пятаки" или стрелки питания.

Вообще смотри внимательно межсоединения между собой и думай. Ну ты же видишь, например, что все эти многочисленные загадочные T13, T9, T14, T10, T15, T11 - все они соединены — куда? К питанию. Хммм.. должен подумать ты.. Какая бы у них могла быть функция, если они все подцеплены к питанию минимум одной ногой? И если у них у всех транзисторов база общая? Интуиция тебя не подводит, все так и есть, их функция - питание. Питать током все нижелещащие транзисторы. Ладно, а нахуя тогда T12? Ну смотрим, он своим коллектором подцеплен ко всей гирлянде сверху. Следовательно - что? Верно, он как-то в этом участвует. Так что его функция по-логике тоже как-то входит в питание...

Вот так схемы и разбирают, так и мыслят, даже не понимая даже что это перед ними за узлы. Догадываются. Всегда сначала догадываются, пытаются угадать. А уже потом человек читает например "Искусство Электроники" Хоровица-Хилла и научается, начинает узнавать узлы такие как "токовое зеркало Видлара", источники тока, и так далее. То есть имея опыт, потом человек начинает сразу узнавать что он видит перед собой. Так и нарабатывается чтение схем.

В общем дерзай.
Аноним 11/03/26 Срд 23:50:25 589682 709
image.png 456Кб, 520x513
520x513
image.png 806Кб, 1280x960
1280x960
image.png 812Кб, 1280x960
1280x960
На клавиатуре греются вот эти два элемента (U5 и D2).
Планирую просто заменить их на новые. По D2 (w5) замену нашел, а вот на:
BYK
OBP
S2LJ


Что это вообще такое? И может быть есть аналоги которые можно достать в чипидипе.
Аноним 12/03/26 Чтв 00:01:01 589683 710
>>589577
Движется - поле. Электронов не существует.
Аноним 12/03/26 Чтв 00:16:04 589684 711
>>589626
Можно ещё медную оплётку к жалу примотать медной же проволокой, и сделать лудильник. Набираешь немного припоя на оплётку и размазываешь это дерьмо повсюду. На дорожки пристаёт минимально необходимое количество. Оче годно выходит.
Аноним 12/03/26 Чтв 00:32:22 589686 712
4662.gif 35Кб, 182x200
182x200
>>589659
Для начала обязательно нечерти эту схему на бумаге нормальными символами: транзисторами, резисторами, проводниками, потому что пытаться понять начерченное LLM-кой тяжело. Не ленись. Бумажку сфотай телефоном и кидай сюда.

"Ключ" это выКЛЮЧатель. Только этот выключатель выполнен не на контактах как в выключателе, переключателе или реле, а на транзисторе. Для этого дела сейчас используются полевые транзисторы, они же "металл-окисел-полупроводник-транзистор, MOSFET" потому что обыкновенные биполярные транзисторы как ключи конечно работают, но полевые транзисторы лучше в том что их сопротивление когда он "включен" (в электронике говорят "насыщен") сопротивление канала сток-исток очень мало. У биполярного транзистора такого низкого сопротивления коллектор-эмиттер никогда не добиться. Есть MOSFET'ы имеющие сопротивление канала меньше чем дорожки платы.

"Верхним" ключом называется выключатель управляющий питанием (питание сверху), поэтому он "верхний". Есть нижние ключи, они управляют массой, отрубают массу. Масса снизу, поэтому "нижний" ключ.

Что предложила тебе LLM?
Если ты собрался управлять массой машины, то делать это транзисторами дорого и опасно, потому что в автомобиле между массой аккумулятора и стартером гуляют огромные токи. В принципе, их можно переключать при помощи современных MOSFET, но во-первых, это напряжно из-за изоляции, во-вторых будет, как ни крути, дорого. Поэтому LLM предложила тебе размыкать массу при помощи реле.

Всё дальнейшее строится управлением катушкой этого реле.
"Верхний ключ" пропускает питание "сверху" на катушку реле. Этим верхним ключом служит полевой транзистор, MOSFET IRF4905.

Полевые транзисторы управляются подачей напряжения (потенциала) на затвор (gate). Но напряжение подается не из воздуха, оно подается всегда относительно какой-то точки и в 99% случаев обыкновенных полевых транзисторов этой точкой является исток (source).
Чтобы управляеть транзистором и управлять катушкой реле, надо чтобы в схеме что-то подало напряжение между истоком мосфета и его затвором. Тогда он откроется и запитает катушку.

Верхний ключ подключен стоком (source) к положительной шине питания +12. По-умолчанию транзистор выключен. Включить его можно подав между его стоком и затвором напряжение. Откуда его взять? Любой электрический потенциал (напряжение) относителен. Если транзистор включен в разрыв +12V, то если ты присоединишь его затвор к массе (GND), то относительно себя транзистор увидит на затворе -12V.

Какие полевые MOSFET транзисторы у нас открываются отрицательным напряжением на затворе? Положительным открывается обычный n-канальный MOSFET, это можно было понять наблюдая обычные схемы в которых стоят n-канальные MOSFET. Отрицательным открывается p-канальный MOSFET. Вот поэтому в верхних ключах всегда стоят p-канальные мосфеты.

Подтягиваем затвор верхнего p-канального софета IRF4905 к "земле" (GND) и он открывается, катушка реле срабатывает. Но выходная схема порта микроконтроллера не выдержит 12V. Очевидно, надо что-то, чтобы выдерживало +12 сверху и подтягивало к GND. Таким ("нижним") ключом работает второй мосфет, ITLZ44N. Его задача замыкать своим каналом затвор верхнего p-мосфета IRF4905 с GND, выдерживать +12 через свой канал и не дохнуть.
И если "верхний" ключ IRF4905 открывался напряжением -12V, то нижний ключик должен открываться от малых +3.3V, идущих с управляющей лапы (порта) микроконтроллера. Появились +3.3V - открылся n-MOSFET (нижний ключик), подтянул своим открытым каналом затвор верхнего p-MOSFET'а (верхний ключ) к GND, тот открылся, пошел ток на катушку реле, реле сработало. Задача управления решена.

Нюансы. Катушка реле когда ток через нее прекрашается, "лягается" в обратную сторону высоковольтным выбросом. Его шунтирует блокировочный back-EMF диод 1N5408, это классика влючения реле. Затворы транзисторов очень высокоомны, настолько высокоомны, что зарядив висящий в воздухе затвор полевика, ты увидишь что он откроется и будет висеть в таком состоянии десятки и сотни минут. Оставив затворы болтаться, можно получить непредсказуемое поведение. Таким образом, "подтягивающие" резисторы разряжают или заряжают затвор до предсказуемых потенциалов. Через канал полевого транзистора (если он управляет затвором другого) должны идти не пикоамперы и не фемтоамперы тока утчеки затвора, а вполне предсказуемый паспортный рассчетный ток. Поэтому затворы полевиков всегда подтягивают. Еще, при дизайне этой схемы учтено, что когда нет управляющих напряжений (микроконтроллер сброшен или инициализируется) схема будет не активна и масса у автомобиля будет отключена. Об этом говорят подписи OFF by Default и OFF during reset. Это чтобы ничего вдруг не включилось, если микроконтроллер еще не запущен и программа еще не работает. И это хорошая практика, нельзя дизайнить иначе, когда схема вдруг включится и без микроконтроллера.

Теперь ты понимаешь всё что тебе нужно, понимаешь как работает схема, и понимаешь как ее отладить.
Я бы на твоем месте проверил такие параметры предложенных MOSFET'ов как выдерживаемые токи и напряжение открытия транзистора. А также подобрал реле, здравый смысл говорит что это будет вовсе не миниатюрное реле, оно должно выдерживать своей контактной группой огромные токи массы автомобиля и иметь при этом катушку расчитанную на 12V. Сопротивление (или номинальный ток) катушки имеет значение, надо посмотреть что протекающий через нее ток не причинит вреда питающему ее p-канальному мосфету верхнего ключа, что он не будет перегреваться от протекающего через него тока.
Аноним 12/03/26 Чтв 00:38:33 589687 713
>>589686

Fix:
>> Верхний ключ подключен Истоком (source) к положительной шине питания +12.
>>Включить его можно подав между его Истоком и затвором напряжение.
Аноним 12/03/26 Чтв 00:41:22 589688 714
>>589675
Да.
Какой марки мелкоскоп, название?
Аноним 12/03/26 Чтв 00:51:50 589689 715
Screenshot20260[...].jpg 852Кб, 904x1053
904x1053
Анончікі, прикупил на али двухканальный дпс джаммер, работает отлично (пикрил) питактся от 12В в радиусе метров 10 убивает всё...

Хочу сделать помощнее, но свой, дайте схему такого девайса? Спасибки
Аноним 12/03/26 Чтв 01:12:37 589692 716
>>589686
>Если ты собрался управлять массой машины, то делать это транзисторами дорого и опасно, потому что в автомобиле между массой аккумулятора и стартером гуляют огромные токи
Нене, я не настолько еблан. Я хочу управлять соленоидом выключателя массы. Выключатель - это такая ебала, через которую вся масса подключена. У него есть пара управляющих контактов, если на один подать плюс, второй подключить на массу, он переключается. Вот на один из этих контактов я и хочу подать + , когда алгоритм в МК сработает.
>А также подобрал реле, здравый смысл говорит что это будет вовсе не миниатюрное реле
Это уже есть, размыкатель массы какой надо стоит.

Спасибо за подробное объяснение, т.е. я так понял, что нейронка в общем правильно мне нагенерила и это будет работать, если параметры транзисторов правильно подобрать?
Аноним 12/03/26 Чтв 01:28:31 589695 717
>>589665
>> Я вот не могу понять выходной каскад в этой схеме >>589566

Выходной T8 называется "обычный ключ" с открытым коллектором.
Открытый коллектор позволяет тебе
1) Объединять выходы по монтажное И/ИЛИ. Push-Pull это не даст.
2) Сдвиг уровней: питать компаратор от +12В, а выходной подтягивающий резистор подключить к шине +5В или +3.3В.

Управляет ключом T8 другой транзистор T7, усилитель по наряэению.
Нагружен T7 на источник тока для того чтобы иметь высокие характеристики.

Товарищ из статьи на "Хабре" и са запутался и зря запутывает ньюбов.
Парой предложений все его объяснения:
Компаратор является узкоспециализированным операционным усилителем, созданным для специальных задач:
а) Отсутствие частотной коррекции. Работа без ООС (или с ПОС для гистерезиса). Внутри LM393 нет корректирующего конденсатора и он имеет широкую полосу пропускания и высокую скорость нарастания. ОУ же предназачены для работы в линейном режиме с ООС. Чтобы ОУ не самовозбуждался внутри ставили конденсатор коррекции искусственно тормозящий ОУ. Из-за этого скорость нарастания сигнала ОУ низка.
б) Высокие дифференциальные напряжения на входах (у ОУ между входами часто небольшое напряжение)
в) Быстрый выход из состояния насыщения (верхняя полка)
г) Чтобы диапазон входного синфазного напряжения включал 0 (GND), ранее не все ОУ и не всегда допускали это.
д) Сопряжение с цифровой логикой (открытый коллектор) и отсутствие при быстрых переключениях состояния сквозного выходного тока, как это может быть у ОУ (отсутствие токовых иголок по питанию).

И теперь обратное. Когда компаратор как ОУ.
Если открыть datasheet от ST на стр 9., можно обнаружить в нем схемы "меденного ОУ" на компараторе .


>> Что даёт Т12 со всеми придатками?
Это и есть ядро источника тока. Смотри схему 2.32 "C" на
http://the-epic-file.com/text/bookz/aoe_3/ch_02/aoe3_02_02a.htm#x_02_02_06

он питает половинку "токового зеркала" T15, а все верхние транзисторы T13, T9, T14, T10, T11 являются второй половинкой "токового зеркала".

Читай 2.3.7 "Токовые зеркала" из "Искусство Схемотехники" Хоровица-Хилла
http://the-epic-file.com/text/bookz/aoe_3/ch_02/aoe3_02_03a.htm#x_02_03_07

Почитай ХХ обязательно, начнешь узнавать многие узлы.
Аноним 12/03/26 Чтв 06:56:45 589696 718
>>589671
Так пойди устройся, я запрещаю что-ли
Аноним 12/03/26 Чтв 08:13:48 589697 719
98541b1184db0a9[...].png 65Кб, 587x395
587x395
>>589695
>Это и есть ядро источника тока. Смотри схему 2.32 "C"
Спасибо, теперь понял. TI его просто не нарисовали, спрятав под видом "internal bias".
Но при этом у TI есть Q15 в диф. каскаде, а у китайцев нет.
>дополнительный транзистор Q15 (VCM Clamp: V — voltage, CM — common-mode, clamp — ограничитель). Он не позволяет уходить в глубокое насыщение входным транзисторам, что значительно ускоряет процесс переключения компаратора. А также расширяет диапазона входного синфазного напряжения.
Как думаешь, его правда там нет? Типа китайская версия хуже (ближе к первоначальному варианту LM393)?
Аноним 12/03/26 Чтв 08:31:07 589702 720
Screenshot20260[...].jpg 251Кб, 1080x1021
1080x1021
Хочу запитать компьютерный крутилятор и плату управления.

Какой блок питания взять для этого? Я смотрю в сторону MeanWell, но не уверен насчёт конкретной модели.
Аноним 12/03/26 Чтв 17:57:58 589734 721
10000-10.jpg 20Кб, 600x600
600x600
Подскажите плиз, есть ли готовое жало-скальпель для установки в паяльник, чтобы резать пластик? Не могу найти, кроме как DIY.
Заточить жало до состояния лезвия не могу, нечем, ножовки по металлу тоже нет
Аноним 12/03/26 Чтв 17:59:20 589735 722
>>589734
У жбц такие есть, для пайки/резки пластика. Но они хромированые.
Аноним 12/03/26 Чтв 18:24:33 589736 723
TI-LM393-HD.jpg 4521Кб, 1890x2010
1890x2010
>>589697
>> Как думаешь, его правда там нет? Типа китайская версия хуже (ближе к первоначальному варианту LM393)?

Схемы разные, у TI усилитель вообще трехкаскадный, Q7-Q13-Q8, а у старой (типа "тайваньской") версии всего два каскада, на T7, T8
A clamp is added around Q3 to mimic the both inputs above input voltage range behavior of the original classic silicon.
"mimic" типа симулировать поведение старой схемы. Так что это транзистор не улучшает, а делает поведение как было раньше.

>> Как думаешь, его правда там нет? Типа китайская версия хуже (ближе к первоначальному варианту LM393)?
Откуда мне это знать. Купи микрухи, открой их и изучи кристалл. Там нормы биполярная технология десятки микрометров.
Один из способов как растворить корпус - без азотной кислоты, варка в пробирке, в канифоли.
Bars Monster (Zeptobars), растворил копус TI LM393, сфотал его и выложил 18 Марта 2014.
https://zeptobars.com/ru/read/TI-LM393-dual-comparator
TI LM393 - dual comparator: фото выходного дня
TI LM393 - сдвоенный компаратор, одна из старых рабочих лошадок электроники.
Размер кристалла - 704x748 µm.

Попробую приложить в аттаче к посту.
Можешь попробовать разбирать. Народ обычно в GIMP или фотошопе прям поверх кристалла рисует себе пояснения и дорожки. Сначала найди где питание, входы и выходы по корпусу.
Аноним 12/03/26 Чтв 18:28:02 589737 724
>>589692
>> я так понял, что нейронка в общем правильно мне нагенерила и это будет работать, если параметры транзисторов правильно подобрать?

Да, сгенерировала правильно.
Аноним 12/03/26 Чтв 18:37:22 589742 725
>>589702
От БП требования чтобы он выдавал нужное напряжение (наверное +12V) и потянул (с запасом) нужный ток.
Так что смотри сколько тока ест твой Карлссончик. Ты же не написал это. Они все разные и жрут разный ток.
БП должен давать ток НЕ МЕНЬШЕ. Если больше - это не страшно, это хорошо и это уже запас.
Аноним 12/03/26 Чтв 18:42:27 589744 726
>>589675
Купил себе с Китай-озона год назад за пятак с экраном 7" - ощущения такие-же. Не надо народ разводить!
Аноним 12/03/26 Чтв 18:44:03 589745 727
T12-K tip.webp 4Кб, 640x640
640x640
>>589734
В паяльник? Да все ж паяльники одинаковые :)
Жала "K" скажем от паяльной станции T12 или от паяльников такого типа
это внезапно KNIFE, нож. Бывают разных размеров.

Пластик оно режет, я резал.
Но. Когда-то помню видел краем глаза специальные жала-вставки в паяло и китайцы гонят помоему даже готовые паяло+нож. Ищи.
Аноним 12/03/26 Чтв 18:45:23 589746 728
изображение.png 833Кб, 800x534
800x534
>>589680
Тоненько. А так два чаю!
Аноним 12/03/26 Чтв 19:17:07 589748 729
>>589742
>Ты же не написал это

Я его ещё не купил.

>БП должен давать ток НЕ МЕНЬШЕ

А я не разорюсь на электричестве, если он будет работать 24/7 (блок питания, не вентилятор)?
Аноним 12/03/26 Чтв 19:45:20 589749 730
>>589748
>> А я не разорюсь на электричестве, если он будет работать 24/7 (блок питания, не вентилятор)?

Посчитай хотя бы прикидочно.
Аноним 12/03/26 Чтв 19:50:19 589750 731
>>589748
> если он будет работать 24/7 (блок питания, не вентилятор)
Типа вертилятор включил, а блок питания выключил? Хуя тесла.
Посчитай хоть сколько жрёт твоя двачевальная машина.
Аноним 12/03/26 Чтв 20:01:49 589751 732
>>589736
>Купи микрухи, открой их и изучи кристалл
О, это было бы очень интересно, но тут нужен хотя бы микроскоп. Да и не понимаю я ничего в этих красивых картинках.
Вот у UTC заявлено Large Signal Response Time (tR) 350 нс, у ST вроде бы 300 нс, а у TI этот параметр вообще не приводится (или я что-то не понимаю). Но похоже, что разница в быстродействии небольшая.
У меня есть мысль, как сравнить. На базе самого компаратора сделать генератор как можно более высокой частоты, чтобы прямоугольные импульсы стали пилой, и сравнить амплитуду на осцилле. Не уверен, правда, что это корректный способ сравнения быстродействия.
А вот ещё такой вопрос. Собственный ток потребления для каждой половинки компаратора 300-500 мкА. Получается, это как раз ток через токовые зеркала. Почему его не сделали меньше? Скажем, десятки мкА. Я хочу повторить схему на дискретных элементах, чтобы изучить что и как на практике, но хз как оценивать параметры самодельного компаратора, имея лишь древний осцилл и мультиметр.
Аноним 12/03/26 Чтв 20:12:54 589752 733
S8a713607da354c[...].webp 3Кб, 800x800
800x800
>>589735
нашел у jbc такое. Но это очень дорого, 2к (

>>589745
Ну я хотел именно максимальное тонкое как лезвие, а не "топорик", потому что он так-то довольно прилично толстый. Но видимо это и впрямь самый дешевый и простой вариант. Спасибо
Аноним 12/03/26 Чтв 21:03:36 589757 734
>>589752
>Ну я хотел именно максимальное тонкое как лезвие, а не "топорик",
Если есть навыки и инструменты, можешь попробовать вырезать лезвие из хромолевого ножа и припаять к жалу, сделать паз и все такое, потом его можно заточить как следует.

По идее, тебе нужна гладкая сталь, нерж, что бы пластик не пригорал сильно, но это все имеет смыл только если работать с пластиком больше чем несколько раз.
Аноним 12/03/26 Чтв 21:07:40 589758 735
>>589751
>Почему его не сделали меньше? Скажем, десятки мкА.
Потому что это все старые компараторы. Для новых даже не приводят внутренню схему, только спайс модель и характеристики. Все то, что ты пишешь существует, существуют компараторы, даже с реакцией меньше нс(и лвдс выходом) и/или током потребления в единицы микроампер.
Аноним 12/03/26 Чтв 21:15:34 589759 736
>>589751
>Я хочу повторить схему на дискретных элементах,
И это все можно сделать в симуляторе.
Аноним 12/03/26 Чтв 21:24:34 589760 737
1696988074640.png 31Кб, 800x800
800x800
Я хотел регулировать обороты 12 вольтового вентилятора с двумя проводами с помощью пвм ардуины и какого-то мосфета BSN20. Потом найду ещё вентилятор с термя проводами что бы обороты считать и термодатчик прикручу попробую. Всё в общем-то работает, но пищит, потому что ардуина пвм низкой частоты, 400 или 900 герц. Как с этим быть что б не пищало?
Схема на картинке. Программа единственный аналогВрите(9,63); в сетапе.
Аноним 12/03/26 Чтв 21:26:50 589761 738
>>589760
>потому что ардуина пвм низкой частоты, 400 или 900 герц
Увеличить частоту пвм.
Что-то мне подсказывает, что ты не используешь таймер для модуляции, но не могу понять что...
Аноним 12/03/26 Чтв 21:30:20 589762 739
>>589760
Но... что на картинке? Ты шимишь вентилятор у которого нету входа шим? Это будет плохо работать, если вообде будет работать.

Тебе нужен понижающий преобразователь(buck) или найди модулируемый вентилятор.
Аноним 12/03/26 Чтв 21:35:30 589763 740
>>589751
Микроскоп - на авито я наблюдаю оптические микроскопы за 3т.р. и даже за 1т.р.
Это не детские игрушки, толку с которых не будет, это вполне себе оптичекие микроскопы, просто старые.
У меня есть микроскоп (не для пайки, не стерео) на нем значится 40й или 50й год. Есть микроскоп-камера. Но она не заменяет оптику. Если анализировать топологию микросхем, 1. Придется делать фотографии - отсюда нужна камера. Я снимал ставя на окуляр старый смартфон. 2. Свет нужен сбоку-сверху. В идеале металлургический микроскоп, потому что дает свет не проходной.

>> На базе самого компаратора сделать генератор как можно более высокой частоты
Скорее всего, все что тебе для этого понадобится, это включить по схеме ОУ, то есть охватить ООС (на инвертирующий вход).

>> Не уверен, правда, что это корректный способ сравнения быстродействия.
Быстродействие тебе дает время нарастания, т.е. анализ нарастающего фронта сигнала. На вход для этого надо подать достаточно короткий импульс. Либо сгенерировать транзистором в лавинном режиме, есть простейшие генераторы Джима Вильямса или Роберта Пиза.
https://github.com/podonoghue/Jim_Williams_Pulse_Generator
никакие платы Jum Williams не делал, вешал всё навесным монтажом, это понятно по его аппнотам и по взгляду на его стол

>> и сравнить амплитуду на осцилле
Понятно что у прибора с ограниченным трактом амплитуда будет падать. Но так ты сравнишь только сравнительно. Не измеришь, а сравнишь.

- // -

Это очень хорошая затея, собрать аналог компаратора. Обязательно сделай.
Я тебя уверяю, прежде чем ему переехать на кристалл, он существовал в виде платы с рассыпухой.

>> Получается, это как раз ток через токовые зеркала. Почему его не сделали меньше? Скажем, десятки мкА.
Прежде всего, это связано с режимом работы используемых накристалльных транзисторов, тех что получились в ходе отладки техпроцесса.
Меньший ток вызовет уменьшение коэффициента усиления и другие последствия, напрямую повлияет на быстродействие.
Некоторые ответы на это ты получишь, как только начнешь штудировать книжку "Искусство схемотехники" (в оригинале "Искусство электроники", The Art of Electronics) упомянутую в шапке. В ней это как сейчас помню глава 3я, биполярные транзисторы. Но понадобятся и другие книги.
Кстати, в начале 70х без отладки не обходилось, так что эти токи это результат работы тех транзисторов, что вышли на кристалле. Производили кристалл, прям тыкались в него щупами, измеряли, и подгоняли снова и снова. У тебя если ты будешь повторять схему токи должны быть другие.

>> имея лишь древний осцилл и мультиметр

Поинтересуйся на чем работал (это его осознанный выбор) легенда аналоговой электроники (ученый в Linear, затем AD) ныне покойный Jim Williams.
Он работал даже в 2000х только на аналоговых скопах, и это был осознанный выбор. В Linear конечно же были цифровые скопы, сколько угодно. Где-то вот тут https://readingjimwilliams.blogspot.com/ был -пост, который разбирал предпосылки почему он это делал. Одна из них мне очень понравилась. Типа, на аналоговом осциллографе ты если привык, смотришь на утолщение луча и видишь либо шум схемы либо какой-то неучтенный сигнал (возбуждение). Да, конечно, используемые им аналоговые Tektronix имеют очень и очень хорошие параметры и по чувствительности и по времени, это не любительский скоп с полосой 10Mhz предназанченный для ремонта, анализа и работы с усилителями звука, теле и и радиоприемниками.

Повысить чувствительность скопа и мультиметра по напряжению (и по току) можно и в 10 и в 100 и в 1000 раз, то есть добавить три диапазона вниз.
(В мультике иногда можно увеличить шунт в 10 раз и в определенных задачах смириться с этим.)
Для этого тебе необходимо всего лишь собрать усилитель на хорошем ОУ, имеющий фиксированное заданное усиление в 10, 100, 1000.
И нет, это не печальное говно, лайфхак от безысходности или еще что там. Точный лабораторный мультиметр внутри имеет этот усилитель на ОУ. Секрет его якобы "точности" в том что никакой точности нет, его аналоговая часть работает как работает, как собрано. Но потом то что он намерил по сравнению с эталоном корректируется в цифровом виде. И когда будешь читать книги Jim Williams, Robert Pease, увидишь что легенды аналоговой схемотехники никогда не чурались сгамырить ту или иную приставку.
Аноним 12/03/26 Чтв 21:49:30 589764 741
1634347823021.webp 135Кб, 1008x1008
1008x1008
>>589762
Да, я шимлю вентилятор у которого нет входа шим. А хули б нет? Нахуя мне бУк конвёртер если вот эта букашка шимит до пол ампера? Получается в общем-то тот же конвёртер.
>>589761
Я нашёл вот такое волшебное заклинание.
TCCR1B = TCCR1B & 0b11111000 | 0x01;
Не знаю что оно делает. Но оно работает и вертилятор не пищит.
Это оно?
Аноним 12/03/26 Чтв 21:51:30 589765 742
>>589764
>А хули б нет?
внутренний контролер блдц будет не в восторге, может даже ебануть.
Аноним 12/03/26 Чтв 21:54:47 589766 743
>>589759
Отлаживать схему на симуляторе, это как запустить порно, дрочить и смотреть как бабу при тебе ебёт другой.
Если ебать живую девку или дрочить, то кончишь в обоих случаях.
Но не кажется ли тебе, что-то тут не так?
Проебался, но где?

Только живые электронные схемы, кончать только в свою девку.
А иначе всё это куколдизм. :)))
Аноним 12/03/26 Чтв 21:57:31 589767 744
>>589757
Спасибо, анон, но я вот изначально и написал, что инструментов (и навыков) токарных у меня нет)))
Поэтому KS жало посмотрю, если не устроит, то с пика за 2к придется взять. А так да, у меня задачи относительно частой резки пластика, в небольших масштабах
Аноним 12/03/26 Чтв 21:58:04 589768 745
>>589766
>Но не кажется ли тебе, что-то тут не так?
>Проебался, но где?
>
>Только живые электронные схемы, кончать только в свою девку.
>А иначе всё это куколдизм. :)))

Вся лектроника после 2000х это ебаный куколдизм, получается. Ведь на рассыпухе ты не сделаешь ничего того, что принципиально важно для ИС, - подбор и моделирование характеристик элементов.
Аноним 12/03/26 Чтв 22:19:43 589769 746
>>589680
Спасибо тебе большущее!
Аноним 12/03/26 Чтв 22:19:48 589770 747
>>589768
Да я шучу, конечно не всё так бинарно и экстремально.
Расчет и симуляторы нужны.

Но как в моем замечании смысл есть: паять надо. Не надо живую, аналоговую схему крутить только в LTSpice.
Так и в том что многое в нашем окружающем мире превращается в нечто непотребное.
Аноним 12/03/26 Чтв 22:21:30 589771 748
>>589770
>Не надо живую, аналоговую схему крутить только в LTSpice.
>паять надо
Одно не исключает другое, они дополняют друг друга. Поэтому можно начать с симулятора.
Аноним 12/03/26 Чтв 23:25:22 589772 749
comparator-squa[...].png 2Кб, 243x266
243x266
>>589758
Да мне для саморазвития, хочется взять что-то не сильно сложное и изучить что, как и от чего.
>>589759
Ну, в реальности параметры транзисторов и остальных компонентов разные, всякие паразитные индуктивности-ёмкости и т.д.
>>589763
>все что тебе для этого понадобится, это включить по схеме ОУ, то есть охватить ООС (на инвертирующий вход).
Да, что-то простое, типа пикрилейтеда. Подстроечники поставить и подобрать частоту.
>Либо сгенерировать транзистором в лавинном режиме, есть простейшие генераторы Джима Вильямса или Роберта Пиза
Как-то сложно, транзистор надо подбирать и т.д.
>так ты сравнишь только сравнительно. Не измеришь, а сравнишь.
Да, но других вариантов не вижу. Хотя бы так. В принципе, скорость нарастания ведь можно посчитать по частоте и амплитуде, если до предела выкручу, чтобы на выходе была пила.
>Меньший ток вызовет уменьшение коэффициента усиления и другие последствия, напрямую повлияет на быстродействие
Действительно, затупил, ведь к.у. транзистора зависит от тока, и на микротоках он хуже. Кстати, тестеры транзисторов (типа встроенного в мультиметр) обычно измеряют как раз на микротоках, и выдают не совсем правильное значение.
>аналоговые Tektronix
У меня от западных радиолюбителей жопа горит, там эти старые тектрониксы с полосой аж 100 МГц за 20 баксов отдают на барахолках, а то и даром, так они ещё и нос воротят. А у нас убитое советское барахло 1-10 МГц стоит нереальных денег. При том что в тех же тектрониксах тоже дохуя позолоты и т.д, если изучить потроха. Просто у них там содержание драгмета не заносилось в паспорта и справочники, никто не знает, сколько там чего, и потому особой охоты за старыми приборами нет.
Аноним 12/03/26 Чтв 23:44:07 589774 750
>>589772
>Ну, в реальности параметры транзисторов и остальных компонентов разные, всякие паразитные индуктивности-ёмкости и т.д.
Это все может симулятор, который предоставит значительно больше наглядных данных чем ты можешь извлечь подручными приборами.
Аноним 13/03/26 Птн 00:04:48 589775 751
>>589774
Нет, он может далеко не все. Например, шумы полупроводников он не моделирует, генератор шума на стабилитроне ты в нём не сделаешь. В реальной схеме будут непредсказуемые самовозбуды, завалы и звон фронтов, шумы, наводки и т.п, а в симуляторе все заебись.
Аноним 13/03/26 Птн 00:23:44 589778 752
>>589775
>Нет, он может далеко не все
Зачем ты это пишешь.
Аноним 13/03/26 Птн 01:46:25 589780 753
>>589659
>>589692
Я тут подумал, подумал, решил дописать. Дело в том, что полевики выдерживают достаточно большое напряжение канала. То есть чем они управляют. Но у MOSFET'а затвор отделен от канала тонким оксид-кремниевым SiO2 стеклом, которое пробивается при небольшом напряжении напряжение затвор-канал или затвор-исток , то есть Vgate-source, VGS у мосфета весьма невелико.
Попытай еще свою нейронку и скажи ей чтобы защитила затвор верхнего ключа (p-MOSFET). Что со стороны входных +12В автомобильной сети могут быть нехорошие пики. Не должно быть. Но могут. И ты помнишь, что исток (source) соединен с +12, а затвор соединяется через n-мосфет с GND. Так вот, стоит превысить напряжение на входе, т.е. не +12 а +21v и это приведет к выходу схемы из строя, так как VGS(max) будет превышен. Так что лучше ставить защиту в виде ограничения напряжения VGS(max) = ±20 В у MOSFET. Смотри его даташит. Для защиты нужен стабилитрон (Zener) 12В...~16В между Gate и Source у p-MOSFETа.
n-MOSFET IRLZ44N защищать не нужно, ему ничто на затвор VGS(max) = ±10 В не навалит.
Аноним 13/03/26 Птн 01:58:56 589781 754
>>589772
>> меня от западных радиолюбителей жопа горит

То же самое.
Повышение цен вызвано
1. Просто жадностью наших пост-советских соотечественников.
2. Охотой за драгметаллом. Вот нет чтобы бешеному принтеру принять закон о запрете аффинажа.
3. Самой авитой, вздувающей цену вверх.

Когда-то был EBay...
А на самом Ebay цены повышаются из-за того что его взяли в оборот конторы и людишки выкупающие
дохлые приборы, ремонтирующие их и выставляющие обратно. Лол, знаю пидора с Facebook, он пасётся на eevblog также,
хвастался что выкупил и починил более 600 штук HP34401A - старая отменная, точная, ходовая и ремонтопригодная "лошадь".
Именно благодаря этому гнойному пидору, китайцы, заходящие на EBay видят его цены и автоматом ставят не меньше,
то есть он обеспечил как минимум двоекратное или трехкратное повышение цен на Б/У HP34401A.

В итоге сейчас стоит попытать счастья на InJapan или на Taobao.
Но это тоже ненадолго. Именно с них сейчас закупаются пидорки выставляющие потом всё на авито. Инфа 100%
Аноним 13/03/26 Птн 02:06:18 589782 755
>>589781
> Вот нет чтобы бешеному принтеру принять закон о запрете аффинажа.
Он и без всяких законов уже давно невыгоден, остались только металлоприёмки куда можно сгрузить пару центнеров старых материнок и после полгода такой скупки по цене бумаги что-то попытаться из них выжать. В основном старую рухлядь собирают чтобы этот лом каллекционерам перепродавать, у нас сейчас типично-запоздалый бум ретроёбства как раз, и до стадии где осознание её бесполезности нам ещё года два-три ждать.
Аноним 13/03/26 Птн 08:01:49 589785 756
>>589749
>Посчитай хотя бы прикидочно

Так я не знаю как это сделать, кроме того это ещё на тепловыделение влияет, а у меня там вентилятор с термодатчиком планируется.

>>589750
>Типа вертилятор включил, а блок питания выключил? Хуя тесла.

Наоборот: блок питания работает, а вентилятор выключен по датчику температуры.

>Посчитай хоть сколько жрёт твоя двачевальная машина

Нисколько, она выключена и включается только по большим праздникам.
Аноним 13/03/26 Птн 09:03:07 589788 757
>>589085
спасибо за ответ, простые вещи я понял. Нужно просто знать типовые узлы на транзисторах, дальше все идет проще. Нашел еще вот такую схему и тут же поплыл. Обратную связь вижу, диф усилителя не вижу https://go-radio.ru/images/cxema-usilitelya-supra-sbd-a4240.jpg. Из книг мне больше всего понравилась книга Джонса электроника практический курс.
Мил человек может дашь тг чтоб вопросики задавать, ну пожалуйста.
Аноним 13/03/26 Птн 09:04:44 589789 758
Аноним 13/03/26 Птн 09:07:03 589790 759
>>589782
Осталось аргументировать такое мнение. Я вот не думаю что это так хотя бы потому что Avito вся засрана по самую крышу предложениями аффинажников о скупке советских приборов. Эти ёбаные гандоны создают одно и то же сообщение во всех крупных городах. Вдовесок к этому как публиковали аффинажники хвастливые видео на Youtube, так и публикуют. Сайты как были так и остались.
Аноним 13/03/26 Птн 09:10:41 589791 760
image.png 1415Кб, 1280x960
1280x960
image.png 1519Кб, 1280x960
1280x960
image.png 1493Кб, 1280x960
1280x960
image.png 1256Кб, 1280x960
1280x960
Сломалась микроволновка, я пробовал её починить, чувствую что какую-то малость не хватает, но не понимаю что я сделал не так.

В микроволновке пробило колпачок магнетрона и погорела панелька.

Я зашкурил, покрасил, поменял колпачок, но микроволновка не греет, хотя сам магнетрон немного нагревается.

1. Новый колпачок длиннее на пару мм
2. Нет заглушки, но её остатки можно нацепить, но успеха в этом нет
3. Красил с баллончика эмалью для ванн. Может такая краска не пропускает сверхвысокие частоты?

Ставил пробитый старый колпачок, так же запускается и не греет, хотя сам магнетрон греется.

Немного нерелейтед, соре, но пих, у меня тоже волны и излучение, так что немного релейтед. Помогите.
Аноним 13/03/26 Птн 10:13:12 589793 761
>>589788
>>589789

Прямую ссылку на Авито не даю, чтобы какой-нибудь гадёныш тебя не опередил.
Но там лежит именно этот усилок.
Если ты его возьмешь за предлагаемые деньгни, это реально как конструктор с Aliexpress.

Если ты собрался собирать его по комплектухе, ты не сэкономишь. Вместо этого, он тебе обойдется если всё собирать самому еще и дороже. (Только начсет того что ты его соберешь и отладишь сомневаюсь).
Тебе за один только готовый металлический корпус сейчас залупят 3-4 тысячи минимум. А уж на заказ...
А там еще развести и вытравить печатную плату, закупить всю рассыпуху, закупить кольцо транса, проволоку, намотать, спаять, отладить...
Аноним 13/03/26 Птн 10:29:25 589794 762
>>589793
я не собраюсь его собирать я хочу понять как он работает
Аноним 13/03/26 Птн 10:46:55 589795 763
>>589791
Магнетрону кранты (перегрелся и разгерметизировался, хапнув воздуха). При этом, вместе с собой он мог забрать предохранитель и диод в высоковольтной части.
С такими повреждениями я бы посоветовал купить новую печку, а эту разобрать на запчасти, всё не нужное - на слом, прямиком в металлолом.
Аноним 13/03/26 Птн 12:11:15 589796 764
>>589794
>> я не собраюсь его собирать я хочу понять как он работает

Видимо, чисто теоретически понять? Вообще не практически (генератор + осциллограф)?
Я не обязательно про данный конкретный усилитель.

Тогда такой вопрос. Вроде бы ты писал:
>> но схемы ни биполярных транзисторах я не понимаю (это хобби).

Если исходить из этого, то мне непонятно,
А зачем ты берешь схемы повышенной сложности, из полусотни транзисторов?
Просто я-то думал ты собираешься собрать усилитель допустим себе в машину, для меня это обосновывало сложность.

И следущий логичный вопрос.
На каком +/- уровне в данный момент понимание?
Аноним 13/03/26 Птн 12:52:23 589798 765
>>589796
основная цель это разобраться для того чтобы разумно, а не методом тыка проводить ремонты - это основная цель. Знаю схемы токового зеркала, источников тока на транзисторах,дифференциального усилителя.
Аноним 13/03/26 Птн 13:11:06 589800 766
>>589790
Осталось найти столько этой рухляди, чтобы тридцать лет не сбавляя обороты дышать кислотой. Хвастливых видео с годами всё меньше и меньше, а объявление выложить стоит ровно ноль рублей, почему бы и не закинуть его, может помрёт ещё дед какой-нибудь, чтобы его внуки-алкаши потащили инструменты в металлолом. Про какие сайты ты говоришь я хз, последний раз натыкался только на полумёртвые разделы, пристёгнутые к более крупным пхпббшным городским форумам и там три с половиной шизофреника друг другу дрочат по очереди.
Аноним 13/03/26 Птн 13:58:08 589801 767
image.png 17Кб, 704x728
704x728
вопрос тупой, но все же... нужно мембранной клаве все дороги заново сделать с нуля (думаю из 0,1-0,2мм2 провода прокладывать или из фольги для выпечки, но вероятнее с проводом проще будет).

вопрос: есть ли принципиальное отличие между двумя случаями "прокладки дорожек"? т.е. во втором случая (внизу на пике) правая клавиша как бы "вклинивается" в линию до 2 и 1 клавиш. будет ли контроллер считывать в таком случае корректно ее и все остальные?

я думаю стоит ли повторять топологию 1в1 или же я для своего удобства могу проложить дорожки так, как мне удобней, главное соблюсти сами связи?
Аноним 13/03/26 Птн 14:00:01 589802 768
>>589801
Контроллер в лучшем случае миллисекунды будет считать, а ты волнуешься что скорость света слишком медленная. Делай как на первой картинке, на второй ты только лишнюю ёмкость добавляешь с каждой клавишей и впустую тратишь провод.
Аноним 13/03/26 Птн 14:11:27 589803 769
>>589801
>есть ли принципиальное отличие между двумя случаями
Нет, это не то место где нуждно много думоть.

Используй токопроводящий лак либо тонкие провода и покрой все это уф маской, там нету больших токов и не нужно придумывать себе проблемы с фольгой и другой ерундой
Аноним 13/03/26 Птн 14:13:25 589804 770
image.png 39Кб, 1356x618
1356x618
>>589802
а все я кажись понял принцип. я сейчас остатки дорожек в диптрейс пытаюсь перенести, чтобы потом проще было ориентироваться. вот для одной клавиши один столбец и строку получается построил. а замыкаются они по этим самым столбцам и строкам без повторений двух комбинаций. т.е. не может быть в принципе такого, чтобы у двух разных клавиш были одни и те же столбец со строкой, только общий столбец, либо общая строка.
Аноним 13/03/26 Птн 14:29:05 589807 771
image.png 1845Кб, 1280x960
1280x960
>>589803
>Используй токопроводящий лак либо тонкие провода и покрой все это уф маской, там нету больших токов и не нужно придумывать себе проблемы с фольгой и другой ерундой

проблема в том что там пиздец... все мелкое (клава от ноутбука), сама "плата" клеенка (хз как назвать еще), она как решето, места практически нет для маневров (так что наверное получится только повторить уже существующую топологию, над которой инженегр пыхтел и пытался впихнуть все дорожки).

у меня получается клеенка трехслойная, склеенная. средний слой изоляционный. общая толщина всех слоев хз даже какая, явно меньше 1мм. если провода слишком толстыми окажутся, то может клава не влезть (или плохо захлопнется в корпус ноута). еще может проблема оказаться в замыкании контактов (1 и 3 слои), если толщины между ними окажется слишком тонкой. еще пробелма в том, что когда я отклеивал один из слоев, эта клеенка деформировалась, она скручивается, поэтому из-за деформаций могут быть ложные срабатывания клавиш. в общем, как бы не пришлось еще и клеенку новую делать...

и еще вопрос на будущее: как можно будет припаять провода к шлейфу? там дорожки напыленные и я не знаю выдерживает ли вообще температуры паяльника эта клеенка или нет. сам я ничего лучше не придумал, кроме как облудить провода и приклеить их скотчем к напыленным дорожкам. я знаю что вся эта затея это гемор лютый, покупать новую клаву не надо предлагать (дело принципа, я давно хотел ее починить сам, вот только сейчас руки дошли)
Аноним 13/03/26 Птн 14:31:12 589808 772
>>589807
> клава от ноутбука
На али триста рублей влом потратить, а месяц этот кал перерисовывать и обосраться с производством не влом?
Аноним 13/03/26 Птн 14:33:31 589809 773
>>589808
я смотрел клавы, они не около 2к стоят похожие, но нет ни одной как у меня. есть риск что некоторые кнопки не будут работать (судя по отзывам других пользователей). я рнн у меня времени много
Аноним 13/03/26 Птн 14:38:06 589810 774
может показаться на фото что дорожки все целые и я хуйней занимаюсь, но на самом деле это не так. там десятки мест, где они черные/стертые. это именно тот случай когда проще с нуля все сделать и быть уверенным что дорожки целые, чем пытаться восстановить то что осталось. к тому же слои все все равно придется разделять (дорожки окислились между 1 и 2 / 2 и 3 слоями, хз как так вышло, видимо китаец запланированное устаревание подложил жирными пальцами, на клаву ничего не проливали)
Аноним 13/03/26 Птн 14:40:08 589811 775
>>589810
и еще добавлю, она вообще перестала работать, ни одна кнопка. сначала одна линия отвалилась, потом кнопка О залипла, а потом вся клава перестала вообще работать
Аноним 13/03/26 Птн 14:46:48 589812 776
>>589809
>я рнн у меня времени много
тебе нужен лак, такое не пояется.
Аноним 13/03/26 Птн 14:51:56 589814 777
>>589812
я думал если я буду делать из провода, то это будет пэтв2 (с изоляцией), в теории должно быть удобно там, где дорожки будут пересекаться. а если из фольги, то изолировать скотчем.

а ты для чего лак предлагаешь? чтобы им прижать провод к дорожке на шлейфе? ты думаешь он хороший контакт создаст? а если он затечет под провод и создаст изоляционный слой? и с лаком может получится слишком толсто (хотя на шлейфе это не должно быть критично)
Аноним 13/03/26 Птн 14:53:37 589815 778
>>589814
Есть специальный лак, для этих задач. Проводит ток и им рисуются дорожки.
Аноним 13/03/26 Птн 16:26:59 589818 779
image.png 212Кб, 1622x235
1622x235
>>589795
>предохранитель
Стеклянная колбочка? не, с ней всё ок. Нейрокал на краску гонит.
Аноним 13/03/26 Птн 17:15:41 589820 780
>>589815
это все хуйня, через какое-то время снова где-нибудь дорожку разъест, придется по новой разбирать, мазать. к тому же я уже пальцами всю ее облапал. хочется 1 раз и навсегда сделать.
Аноним 13/03/26 Птн 17:32:09 589821 781
>>589820
>хочется 1 раз и навсегда сделать.
Паять пленку это и в самом деле - раз и навсегда.
Аноним 13/03/26 Птн 17:36:48 589822 782
>>589821
>я не знаю выдерживает ли вообще температуры паяльника эта клеенка или нет
>сам я ничего лучше не придумал, кроме как облудить провода и приклеить их скотчем к напыленным дорожкам
где я сказал что паять буду? под раз и навсегда имелось ввиду либо
1. провод эмалированный в изоляции который не окислится со временем
2. алюминивая фольга у которой в принципе сопротивление к окислам выше чем у чистой меди
если такое прослужит еще лет 10 без надобности очередного ремонта дорожек, то будет хорошо
Аноним 13/03/26 Птн 17:38:06 589823 783
>>589818
О, очередной нейродаун.
Поясняю.
Под колпачком находится коаксиальная линия, по которой наружу выводится СВЧ излучение. В середине этого дупла находится запаянная медная трубочка. Это не просто центральный проводник, как в коаксиальном кабеле. Именно через эту трубочку при производстве откачивается воздух до глубокого вакуума, после чего её запаивают.
Так вот, при перегреве именно через это место происходит разгерметизация.
Перегрев чаще всего происходит из-за того, что печь включили пустую, в этом случае магнетрон быстро изжаривает сам себя, именно в этом месте. У некоторых дорогих печей есть защита от такого сценария.
Аноним 13/03/26 Птн 17:40:48 589824 784
image.png 545Кб, 886x670
886x670
>>589822
Обязательно пости что в итоге получится.
Аноним 13/03/26 Птн 17:44:23 589825 785
>>589824
очевидно получится йоба. но все будет зависеть от аккуратности и толщины токопроводящих элементов
Аноним 13/03/26 Птн 21:42:25 589827 786
>>589825
в 90% случаев получаеца хуйня пробовал я и контактол и тонкие провода и скотчем их приклеивал и контактолом и спегмой девственого ослика один хуй хуйня даже объяснять лень причины - вот это вот почему - любиш пивас пить и заливаеш клаву - купи резинавую зину - есть такие клавиатуры которые в резину залиты как гандон - кстати я и такую умудрился залить винищем
Аноним 13/03/26 Птн 21:51:37 589828 787
177342778046757[...].jpg 321Кб, 951x874
951x874
Котаны, а асилит ли ЛУТ дороги под 0.3мм?
Аноним 13/03/26 Птн 21:54:12 589829 788
>>338104 (OP)
А здесь собственный блок сделанной высокоинтеллектуальной (хуйни) всячины приветствуется?
Аноним 13/03/26 Птн 22:04:01 589830 789
>>589828
Осилит, но с утюгом придётся подольше усираться
Аноним 13/03/26 Птн 22:06:59 589831 790
Аноним 13/03/26 Птн 22:11:47 589832 791
>>589831
Хотя бы пять из них включают изготовление не с помощью китайцев в подвале?
Аноним 13/03/26 Птн 22:21:17 589833 792
>>589830

Я просто уже не помню какой у меня самый мелкий шаг получался , ну и основная ебля будет с удалением бумаги. Алсо натыкался на просторах этого вашего интернета на холодный ЛУТ с растворителем, только проебал какую марку растворителя там рекомендовали.
14/03/26 Суб 06:26:18 589838 793
>>589828
>дороги под 0.3мм?
Я 0.1 хуячил
Аноним 14/03/26 Суб 09:41:50 589849 794
>>589838
>Я 0.1 хуячил

Я делал 0.08
Аноним 14/03/26 Суб 15:20:34 589863 795
>>589678
Вообще разницы между 002 и 004 по весу практически нет. Мои весы показывали 7,5 кг сухого
Аноним 14/03/26 Суб 16:02:23 589864 796
image.png 326Кб, 900x1200
900x1200
image.png 238Кб, 900x1200
900x1200
что думаете если пятаки на клаве (контакты) не из фольги для выпечки делать (решил что дороги лучше припаять к пятакам), а из такой медной самоклейки? хз какая там толщина. еще интересно можно ли такую ленту залудить без повреждения клеевого слоя? или лучше просто купить 0,1мм лист без клеевой поверхности?
Аноним 14/03/26 Суб 16:55:37 589865 797
>>589864
короче выбрал 0,1мм без клеевого слоя и пэтв2 0,125мм
Аноним 14/03/26 Суб 17:31:35 589866 798
>>589828
Ты сам вряд ли осилишь.
Фоторезист хотя бы возьми. ЛУТ уже технология древних, где в 2026м собрался глянцевые журналы и 2д принтеры брать?
Аноним 14/03/26 Суб 17:39:58 589867 799
>>589866
Там же где долбоёбы вроде тебя берут засветочный лазер или проявляют плёнку с маской, глянцевых журналов на руси до второго пришествия запасено, а расходуются они по одному листу в месяц. Спизди у мамки или склянчи в парикмахерской старый космополитан и печатай на нём, если тебе уже не насрали в почтовый ящик глянцевой рекламы.

Я хуею с дебилов, напечатать на домашнем принтере на доступной бумаге им непреодолимое препятствие, а на полупромышленное (ещё и устаревшее) производство через фоторезист ради сраного мультивибратора это совершенно нормально. Откуда эта придурь взялась, ещё и настолько поголовно?
Аноним 14/03/26 Суб 18:20:25 589868 800
>>589866
>Ты сам вряд ли осилишь.

Ну охуеть, значит раньше асиливал а теперь ниасилю?
Аноним 14/03/26 Суб 18:21:59 589869 801
>>589867

У меня еще пачка фотобумаги под это дело лежит с давних времен. В МФУ я конечно ее совать не буду а достану с полочки старый дубовый самсунг.
Аноним 14/03/26 Суб 18:45:21 589870 802
image 254Кб, 1452x1058
1452x1058
Подскажите, есть ли такой же клеммник для пайки на плату, только чтобы отверстия для проводов и отвертки были поменяны местами? Между контактами 7.6мм.
Аноним 14/03/26 Суб 19:10:31 589871 803
>>589870
Блядь, подключают же....
Аноним 14/03/26 Суб 20:31:57 589872 804
leningrad00415.jpg 178Кб, 1800x1242
1800x1242
>>589863
Хуясе. Как плохо я определяю вес на вид! Там вроде ничего такого металлического особо нет, неужто трансформатор столько весу поддает?

И да, я забыл разницу что в СССР "Переносной радиоприёмник" это, блядь, переносной, да. Порой немножко перенести можно.
Это не "портативный" и не "карманный".
Аноним 14/03/26 Суб 20:53:21 589873 805
Смотрел, смотрел на это...

>>589864
>> из фольги для выпечки делать

На поверхности алюминия всегда присутствует (мгновенно образуется) оксид алюминия, делающий пайку невозможной и электрический контакт проблемным.

Медная фольга более подходящий вариант, не обязательно добывать ее из самоклейки. Медную фольгу необходимо будет обработать химически, сняв с нее оксид.

Наверное сначала лучше попробовать "токопроводящий скотч" (Ozon). Он есть.

Есть шприцы с серебряным клеем на Aliexpress/Ozon. Другое название токопроводящий клей. Не надо путать с клеем на основе графита. Сначала кажется что серебрянным клеем легко удастся рисовать, но все мечты разбиваются о то что он расплывается по пластику как говно в широкие безобразные кляксы. Возможно пластик надо обработать каким-либо прймером/смачивателем. Игла в комплекте с ним (если она вообще есть) для ремонта автомобильных нагревателей на стёклах и слишком широкая. Вариант в том чтобы приобрести там же, на Aliexpress/Ozon набор очень тонких игл. И попытаться его как -то чуть загустить.

Не вздумай даже и пытаться паять плёнку клавиатуры. Ты тут же прожжешь в ней гигантские дыры, испортишь безнадёжно и навсегда.
Попытаться можно, разве что сплавом Розе, он продаётся. С паяльной станцией настроенной на минимальную температуру, только чтобы плавила Розе. В качестве флюса выступает вовсе не канифоль.

Вообще, я бы изучил вопрос не выдумывая, а пытая LLM'ку и поиском, наверняка люди занимались и есть опыт.
Аноним 14/03/26 Суб 20:54:28 589874 806
>>589872
>неужто трансформатор столько весу поддает?
>
+дсп
Аноним 14/03/26 Суб 20:56:03 589875 807
>>589866
На Ali продается "бумага для печатных плат".
Аноним 14/03/26 Суб 21:01:14 589876 808
Аноним 14/03/26 Суб 21:29:04 589877 809
>>589875
Весь цимес ЛУТа в том что он делается из мусора и подножных технологий, а ты теперь что-то покупать предлагаешь?
Купи фоторезист тогда и всё. Или готовую плату там же на али и заказывай, стоить будет столько же.
Аноним 14/03/26 Суб 22:05:47 589878 810
>>589877
Бумага всё ещё дешевле и компактнее чем гора оборудования для засветки. У тебя илитная версия лута всё ещё помещается между заначкой от жены и журналом "большие сиськи 2006" где-то в задней части шкафа и не требует возни с лишней химией.
Аноним 14/03/26 Суб 22:24:21 589879 811
image.png 121Кб, 1974x1192
1974x1192
>>589828

Диффпары вышли из чата.
Аноним 14/03/26 Суб 22:54:36 589880 812
>>589878
>гора оборудования для засветки
Фонарик?

Ебанутый, это для ЛУТа оборудование нужно.
Ламинатор по-нормальному, хотя бы утюг который не жалко.
Принтер нужен. Не 3Д принтер. Тот принтер который листы бумаги печатает и который в домашних условиях вымер 20 лет назад. Музейная уже технология. Где ты его взять собрался и куда этот гроб ставить будешь? А картриджи с rfid-метками закупил и драйвера под современную ОСь написал?

ЛУТ уже тупо сложнее чем всё остальное.
Сейчас фотополимерный принтер найти проще чем струйный. А он вообще сам плату может сделать по фоторезисту без других расходников и приборов.
Даже FDM принтер может, лазер или маркер только надо присрать.
Лазером или гравером можно вообще без специфичных расходников делать. Качество при этом такое что ни одному деду с его ЛУТом и не снилось.
Аноним 14/03/26 Суб 23:10:27 589882 813
>>589880
Ну да, фоторезист ты на плату из писюна сразу нанесёшь одним метким фапчком, рисунок для плёнки нарисуешь от руки самодельным рейхсфедером, или напечатаешь силой мысли, ага-ага. Не то что лут, надо профессиональный лазерный принтер и кибербабкин наноутюг, это сверхточное оборудование недоступное только лишь всем и не встречается буквально в каждом доме.
> А картриджи с rfid-метками закупил и драйвера под современную ОСь написал?
Сдул пыль с хуйни которая мне в шкиле в нулевых доклады печатала, сделал плату, профит. Гораздо более часто встречающаяся хуйня, чем буквально трёхосевой чпу требующий доработки.
Аноним 14/03/26 Суб 23:14:12 589883 814
>>589880
>Тот принтер который листы бумаги печатает и который в домашних условиях вымер 20 лет назад.

Таблетки прими.
Аноним 14/03/26 Суб 23:27:38 589884 815
Аноним 14/03/26 Суб 23:35:20 589885 816
Обсужюдают лут, хотя даже не догадываются что самое сложное и ебанутое это сверление дырочек.

Мимо перешел-на-4х-слойки-не-оглядываюсь-назад-барен.
14/03/26 Суб 23:46:31 589886 817
>>589882
А лазерный бумагу от журналов не зажует? В ом смысле не сильно на тонкая будет? Или там только обложка подходит толстая.. А то помню справку надо было сделать у меня дома светная краска кончилось в струйнике, пробовали на лазерном цветном там эти листы из тонкой желто бумаги застревали нахуй.
Аноним 14/03/26 Суб 23:48:52 589887 818
>>589886
Не, журнальная довольно плотная и хорошо прокатывается через принтер. Опять же, именно журнальная, а не рекламные буклеты
Аноним 15/03/26 Вск 00:04:08 589888 819
>>589877
>> цимес ЛУТа в том что он делается из мусора и подножных технологий

Очевидно что это твоя личная задача, сделать из мусора и подножных технологий.
Ты её выдвигаешь как универсальную и общую.
У меня задача иная, чтобы была повторяемость и предсказуемость, чтобы не было проблем.
Именно поэтому я предпочитю специальную бумагу, позволяющую перенести тонер без проблем.
Аноним 15/03/26 Вск 00:11:13 589889 820
>>589886
sage в закрепленном треде.

ОК.
Аноним 15/03/26 Вск 00:11:17 589890 821
>>589888
Повторяемость у ЛУТа? Ëбнулся чтоли.
Тут точно только ЧПУ. Даже фоторезист в кустарных условиях не даст стабильности.
15/03/26 Вск 00:15:56 589891 822
>>589889
iq < 78? Подсказать или сам догадаешься почему такое бывает.
Аноним 15/03/26 Вск 00:18:43 589892 823
>>589890
Так. Ты опять перестаешь следить за языком!

"ЛУТ" - только условное название. Неповторяемость в нем была только а) В температуре пресса б) Силе прижатия в) Времени воздействия.

Стоило только взять это под контроль (гугли: ЛУТ ламинатор), а также контролировать сам процесс травления, массу, температуру, время - всё было повторяемым в пределах небольших партий. Я говорю про 2005 год.
Аноним 15/03/26 Вск 00:20:54 589894 824
>>589891
Матароша, не борзей. Будь вежливым.
Кто и где (в каком треде) тебя обижал, что ты им сажировал?
Аноним 15/03/26 Вск 00:35:35 589897 825
>>589888
>из мусора и подножных технологий

Для не SMD самое дубовое решение это вообще рисовать перманентным маркером, лол. Да и SMD не мелкий тоже можно.
Аноним 15/03/26 Вск 00:39:17 589898 826
>>589894
Не обижай анончика сравнением с этой быдлячьей мелкобуквой
Аноним 15/03/26 Вск 01:55:56 589900 827
image.png 385Кб, 1024x1024
1024x1024
Паяч, выручай.

Попробовал сделать первую самодельную плату с паяльной маской и потерпел поражение.

Делаю вроде бы всё по гайдам.
Выдавил маску на протравленную плату, накрыл лавсаном, приложил фотошаблон, придавил стеклом, засветил УФ 3 секунды, промыл спиртом.

С виду всё норм: маска затвердела там где надо, а где не надо блестят медные пятаки. Только проблема в том, что эти пятаки теперь напрочь отказываются лудиться.

Я пробовал и в кальцинированной соде промывать, и 646 растворителем, результат тот же самый. Флюс Amtech NC-559.

Саму медь перед травлением зашкурил и обезжирил. Проверил на другом куске, до нанесения маски припой липнет отлично. После нанесения, экспонирования и промывки - хуй, так что проблема 100% связана именно с маской. Такое ощущение, что на прикрытых шаблоном пятаках всё равно формируется тоненький слой маски, который глазами не видно, но пайке он мешает.

Маска пикрил, Relife RL-UVH902. Вроде отзывы норм.
Аноним 15/03/26 Вск 02:10:00 589901 828
image.png 9Кб, 437x286
437x286
>>589900
Ну, во-первых, это ремонтная маска, а не производственная. Т.е. она не для создания первичного покрытия платы предусмотрена.
Лучше что-нибудь нормального взять. Но найти такие сложно конечно. Поэтому приходится ебаться с ремонтными.

Ты явно переэкспонировал её, поэтому и затвердело то что не надо.
Слой маски был минимально тонкий, шаблон максимально прижат, а УФ далеко?
Тебе в идеале надо чтобы свет падал строго сверху равномерно, а все зазоры были нулевыми. Иначе будет как на пикриле слева.
Попробуй минимальную каплю, хорошенько размазать шпателем. Толщину можно задать скотчем.
Экспонируй в тёмной комнате и сразу же смывай после засветки. Если эта хуйня у тебя за 3с полностью задубела, то ей и случайно пролетевшего солнечного света наверное достаточно чтобы тонкий слой полимеризовался.

Сейчас тебе конечно проще будет дремелем пятачки поскоблить.
Аноним 15/03/26 Вск 02:47:05 589902 829
>>589901
>Ты явно переэкспонировал её
Держал ровно 3 секунды, как написано на тюбике.

>Слой маски был минимально тонкий
Нет, постарался сделать погуще, потому при тонком слое эта маста вообще прозрачная, некрасиво.

>шаблон максимально прижат
Да.

>А УФ далеко?
Близко, на расстоянии около 10 см. Но фоторезист в этой же конфигурации засветился идеально.
Аноним 15/03/26 Вск 03:50:10 589903 830
>>589900
Смени флюс. Вазелин с али это не флюс.
Аноним 15/03/26 Вск 04:43:21 589904 831
m2-res480p.mp4 493Кб, 270x480, 00:00:09
270x480
Проверьте свои губки для чистки паяльников. У меня тоже магнитится.
Китайцы отсылыют грязным лаоваям крашенную сталь.
Аноним 15/03/26 Вск 04:55:48 589905 832
>>589904
Я это несколько лет знаю.

По-идее, некоторые виды латуни все-таки магнитятся
https://otvet.mail.ru/question/75552329

...Но сейчас взял свой brass wool кторый шёл в подставке Metcal, взял мощный магнит и... не магнитится. Вообще.
Аноним 15/03/26 Вск 06:47:35 589908 833
Аноним 15/03/26 Вск 06:58:19 589909 834
>>589904
Я не смог пользоваться теми которые не магнитятся.
Во-первых они слишком мягкие, жало насквозь пролетает и об дно банки стукает, это как-то не очень
Во-вторых на жалах Т210 есть ступенька, она цепляет несколько витков и вытягивает их, а когда они обратно пружинят, вокруг разлетаются брызги припоя.
Так что жесткая магнитная лучше.
Аноним 15/03/26 Вск 09:38:12 589910 835
>>589903
>Смени флюс. Вазелин с али это не флюс.
Не с Али.
Брал его у Луиса Россмана из Штатов с доставкой на круг вышло $50, который себя пяткой в грудь бьёт, что у него 100% оригинал. Да и во всех остальных случаях флюс показывал себя отлично.
Аноним 15/03/26 Вск 10:22:03 589911 836
>>589910
>Брал его у Луиса Россмана из Штатов с доставкой на круг вышло $50
Какой же ты промытый долбоеб. Господи.
Аноним 15/03/26 Вск 10:25:30 589912 837
>>589904
>У меня тоже магнитится.
Минусы будут?
Аноним 15/03/26 Вск 10:28:16 589913 838
>>589912
Счешишь с жала слой, который лудится и жало перестанет лудиться.
Аноним 15/03/26 Вск 10:28:51 589914 839
Hu Tao - 90.jpg 82Кб, 736x736
736x736
>>589900
Если оно не паяется уставными флюсами, оно запаяется флюсом для пайки аллюминия он так и называется, неизвестного состава, паяет всё, химически активный, не любит перегрева, бурно кипит и разбрызгивается; делает какое-то ООО «Векта 21 век». Если оно не паяется флюсом для пайки аллюминия, значит оно в принципе не паяется.

>>589904
Чего только не придумают люди, лишь бы не паять по технологии.
Никогда этой хуйнёй не пользовался, всегда чистое блескучее медное жало. Максимум нужна тряпка вымоченная в канифоли с каплей припоя по центру, если жало блескучесть потеряло.
Аноним 15/03/26 Вск 10:31:00 589915 840
Блять, платить за 30(10)сс тюбик жижи $50 и ожидать чего? Чего блять можно ожидать? Она сама припаяет? Пиздец.

Вера в чуловечество потеряна.

>>589913
>Счешишь с жала слой, который лудится и жало перестанет лудиться.
Успехов в твоей дрочке жалом.
Аноним 15/03/26 Вск 10:38:13 589917 841
>>589904 >>589912
Железка дерёт сильнее чем бронза. Быстрее сильнее износит паяльник. У меня на работе есть ошмётки такой губки от weller, она не магнитится. Дома обычная железная губка из хозмага в консервной банке, вытираю об неё свой sh72 и дедовскую медную ковырялку.
Шиз с соседнего отдела говорит что у него паяльник засирается всё время. Он его вытирает об какую-то мягкую жёлтую губку смоченную в какой-то моче и регулярно суёт в активатор жала. У него всё прямо в наростах каких-то.
>>589914
> по технологии
По технологии 72ого года? Или 79ого?
> медное жало
Ясно.
Аноним 15/03/26 Вск 11:14:09 589920 842
>>589911
>>589915
Покупаешь дешевый флюс - АРРРЯ ГОВНО ВАЗЕЛИН. Покупаешь дорогой - АРРРЯ ГОВНО ЗА ОВЕРПРАЙС.

Идите-ка вы нахуй, рака яиц вам.
Аноним 15/03/26 Вск 11:16:51 589921 843
>>589920
>Покупаешь дорогой
Маня, это двач, дорогой флюс здесь подразумевается, все что дороже горсти навоза.
Аноним 15/03/26 Вск 11:22:26 589922 844
>>589913
Я за ~пять лет не счесал.
Аноним 15/03/26 Вск 11:24:29 589923 845
>>589914
>Если оно не паяется уставными флюсами, оно запаяется флюсом для пайки аллюминия
Есть у меня такой флюс, попробовал - то же самое.

Короче, судя по всему, дело таки в паразитной засветке краёв.
Обнаружил, что пятаки побольше кое-как частично залуживаются, с некоторым отступом от границы маски в ~0.2мм. А те, что поменьше - хуй, потому что там между внешний и внутренней (под отверстие) границей банально нет столько фольги. Побробую чуть увеличить пятаки и сделать их заливку сплошной, без выборки под сверление, а также буду держать УФ-лампу подальше.
Аноним 15/03/26 Вск 11:33:46 589924 846
>>589923
Ты маску жижей как делал? Там же не контролируемый мрак. По нормальному тебе нужно сперва сделать негативный резист на пады, засветить его, после чего нанести маску, проявить и удолить фотомаску.

Но зачем это все делать. Чего ты хочешь добиться? Что бы было как назаводе? Защитить платку от коррозии? Просто залуди всю медь.
Аноним 15/03/26 Вск 11:38:28 589925 847
я правильно понимаю что, если принять допущение что все кабеля от меня до провайдера медные, если тыкнуть в витую пару 1кк вольт и в 10 ампер то все оборудование провайдера сгорит к хуям?
Аноним 15/03/26 Вск 11:42:23 589926 848
image.png 308Кб, 700x500
700x500
>>589925
Все так. Сгорит не только у провайдера, а и все мировые датацентры пойдут по пизде.

Нет, не пойдут, езернет порт гальванически изолирован импульсным трасформатором, на входе и на выходе. Поэтому сгорит только твой порт и останешься без интернета.
Аноним 15/03/26 Вск 11:45:35 589927 849
>>589925
И кабели не медные, а медненая сталь.

И из-за таких птдоров как ты скоро всем оптику в жопу засунут
Аноним 15/03/26 Вск 12:04:24 589928 850
>>589924
>Ты маску жижей как делал?
Выдавил состав на плату, накрыл лавсаном, сверху фотошаблон, потом придавил стеклом до более-менее равномерного распределения и засветил. Снял пленку, протер ваткой со спиртом.

> Чего ты хочешь добиться? Что бы было как назаводе?
Просто экспериментирую. Ну и плата с маской красивее выглядит, чего скрывать. Плюс, какая-никакая защита дорожек от отвала при многократной пайке.

Просто обидно, что у умельцев на ютубе всё получается, а у меня - нет.
Аноним 15/03/26 Вск 12:10:01 589929 851
>>589928
>Ну и плата с маской красивее выглядит
Очень-очень давно я игрался с пленочной маской, проблем особых не было, думаю и сейчас ее можно найти на али или где-то еще.

>Просто обидно, что у умельцев на ютубе всё получается, а у меня - нет.
Умельцы на ютубе - пиздаболы и не говрят/не показывают неприятное.
Аноним 15/03/26 Вск 13:24:04 589932 852
>>589873
>Медную фольгу необходимо будет обработать химически, сняв с нее оксид.
зачем? я думал просто залудить тонким слоем
>Не вздумай даже и пытаться паять плёнку клавиатуры
да не собираюсь я ее паять и не собирался. просто были сомнения что не выдержит температур паяльника. паять на ней не буду, но подкладывать текстолит и уже на нем спаивать провода на месте буду. ничего не успеет нагреться на самой пленке. идея в том чтобы каждые 5/10см подпаивать провода и крепить скотчем к пленке сразу на место, чтобы не мешался. там где нужно будет соединить провода с напылением на шлейфе, облужу провода и прижму их скотчем тем же.
Аноним 15/03/26 Вск 13:36:06 589933 853
>>589926
>гальванически изолирован импульсным трасформатором
сколько нужно чтоб их пробить?
Аноним 15/03/26 Вск 13:37:52 589934 854
Аноним 15/03/26 Вск 16:12:36 589936 855
Отсканированный[...].png 1211Кб, 2333x728
2333x728
Кто догадается где современный МФУ а где старый дешевый гнусмас?
Аноним 15/03/26 Вск 16:18:38 589937 856
20260315161617.jpg 2835Кб, 2580x3394
2580x3394
20260315161718.jpg 1775Кб, 2580x3008
2580x3008
>>589936

Вот так лучше видно.
Аноним 15/03/26 Вск 16:42:04 589940 857
>>589936
>современный МФУ а где старый дешевый гнусмас
Ты так говоришь, будто разрешение принтера менялось последние 20 лет.
Аноним 15/03/26 Вск 16:55:49 589941 858
>>589936
>>589937
Качество заполнения зависит от картриджа. Можешь в дорогой новый мфу поставить самый дешевый китайский картридж и он будет печатать как говно.
Аноним 15/03/26 Вск 19:28:04 589946 859
Ньюфажному треду - ньюфажные вопросы...

Собираюсь купить укороченный штырь на 70см для более спокойного ношения баофенга в городе. Вопросы такие:
1. Всё-таки, имея возможность, вернувшись домой, спокойно прикрутить в смысле, к BNC-коннектору комплектный штырь (который на 2м+70см), стоит это делать перед продолжением работы на 70см? Стоит того это усиление (или, может, другие какие-то плюшки) постоянного перекручивания антенны?
2. ЕМНИП слушать двойку можно и на укороченную антенну - а если в момент прослушивания двойки с этой самой укороченной антенной, кхм, дрогнет палец на кнопке PTT, сработает неотключенный VOX или по другой причине случится переход в режим передачи - тогда тоже выходной каскад от большого КСВ сгорит? Или просто сигнал слабее будет?

3. Лежит штырь на диапазон 13см от старого неттопа с комплектной картой 802.11bg, по длине корпуса как раз примерно те же 17см, что у комплектной антенны баофенга, по длине утолщённой части (подозреваю, что в ней активный элемент и заканчивается)... похоже, как раз где-то эти 13см.
Сейчас она стоит на принимающем SDR и ловит, как минимум, 70см и 6м вещалки, 2м не ловит, насчёт 11-10м не уверен.
Понятно, конечно, что нужно втыкать эту антенну в NanoVNA перед любым другим передатчиком, отличным от вайфая или NRF24, но всё же - какая у этой антенны наиболее вероятная ситуация с КСВ по остальным распространённым диапазонам (как минимум, те же 2м/70см/33см/23см)?

Вообще, во сколько примерно шагов выводится формула КСВ штыря из общей формулы (через КБВ, которая в Википедии указана)... если ни КСВ, ни КБВ у меня не было на физике даже в технаре, даже на дисциплине "Технологии физического уровня передачи данных"?
Аноним 15/03/26 Вск 19:35:48 589947 860
>>589926
>>589933
>>589934
На связи анон, имевший честь работать в одном московском БЦ, находящемся в здании советского машиностроительного завода. В котором не модернизировали электросеть, поэтому там нет заземления, и как езернет-розетка, так и подключенный к ней одним концом патч-корд с немаленькой вероятностью может внезапно ударить током. Так что храни Господь всё оборудование, с которым мне в тот период приходилось иметь дело, особенно - внесённое на территорию этого БЦ личное !
Аноним 15/03/26 Вск 19:53:06 589948 861
177359310665145[...].jpg 233Кб, 1123x2048
1123x2048
177359320701981[...].jpg 41Кб, 600x600
600x600
177359324020851[...].jpg 292Кб, 1382x2048
1382x2048
177359329700661[...].jpg 28Кб, 600x273
600x273
>>589946
>укороченный штырь на 70см

Штырь не совсем штырь. А WiFi антенны обычно кусок коаксиала со стаканом.
Аноним 15/03/26 Вск 20:21:41 589949 862
>>589947
>и как езернет-розетка, так и подключенный к ней одним концом патч-корд с немаленькой вероятностью может внезапно ударить током
Звучит как кулстори.
Эзернет всегда гальванически развязан.
И ударить тебя там могло разве что потешными 48 вольтами постоянки от PoE, ну или наводками от близкорасположенной попутной силовой линии, но оба этих момента от старости проводки не зависят.
Аноним 15/03/26 Вск 20:30:16 589951 863
>>589948
>Штырь не совсем штырь.
Совсем забыл. Недавно же видел. Получается, в комплектной антенне вполне может быть "спрятана" даже четвертьволновая?
>А WiFi антенны обычно кусок коаксиала со стаканом.
Пытаюсь понять... Активным элементом является стакан, а до него - как бы продолжения кабеля?

Хм, а в чём суть антенн-печатных плат, как на роутерах НетКрейз и некоторых трансиверах (вроде тех же NRF24 или HC-1x) для ардуин и других любительских встраиваемых систем?
Аноним 15/03/26 Вск 20:30:20 589952 864
>>589949
Экран езернета и металлизированный коннектор rj45 на корпусе ПК.
Аноним 15/03/26 Вск 20:33:30 589953 865
>>589949
>Эзернет всегда гальванически развязан.
Это со стороны сетевой карты? С какого года так стали делать?
>Экран езернета и металлизированный коннектор rj45 на корпусе ПК.
Думаю, THIS. Вроде, для STP земля нормальная нужна (которой у нас не было) - так же, как для 10base-5/10base-2.
Аноним 15/03/26 Вск 20:40:27 589954 866
>>589900-господин репортинг ин.

Подебил я эту маску.
Достаочно было в Kicad поставить Solder mask extension = 0.2 мм.

Короткий мануал:

1. Берем кусок текстолита с запасом, и травим его так, чтобы по краям остался ободок из непротравленной меди
2. После снятия фоторезиста, на этот ободок с друх противоположных сторон платы клеим куски скотча (он будет задавать толщину слоя маски)
3. Сверху кладём какую-нибудь мягую прозрачную пленку, типа той, в которую цветы заворачивают. Также работает рукав для запекания или кусок гладкого файла для бумаги. ПРОЗРАЧНАЯ ПЛЕНКА ДЛЯ ПЕЧАТИ НЕ ПОДХОДИТ, к ней липнет маска.
4. Попеременно разглаживая жижу пластиковой картой и придавливая стеклом, выгоняем все пузыри и добиваемся более-менее ровного слоя.
5. Кладём под стекло фотошаблон для маски, совмещаем его с пятаками на плате.
6. Засвечиваем УФ. Я использовал бабскую диодную лампу для ноготочков за 200р с Озона. При расстоянии от лампы до платы около 20см, потребовалось 15 секунд для отвердения.
7. Аккуратно убираем плёнку и протираем плату спиртом, чтобы вычистить незастывшую пасту с непроэкспонированных пятаков
8. Включаем лампу ещё на пару минут для более лучшей полимеризации.

На выходе получаем не прям завод, но весьма неплохой результат.
Аноним 15/03/26 Вск 20:41:17 589955 867
>>589951
>Активным элементом является стакан

Стакан это противовес, центральная жила после стакана активный элемент а до него коаксиал это просто фидер.
Аноним 15/03/26 Вск 20:51:01 589956 868
>>589952
>Экран езернета и металлизированный коннектор rj45 на корпусе ПК
Я за свою айтишную карьеру бывал в самых разных бизнес-центрах, от бомжатских до илитных; бывал на разных производствах, в т.ч. принадлежащих иностранным компаниям и оборудованных по последнему слову техники.

Так вот, нигде я не видел, чтобы внутри здания прокладывали экранированную витуху. Да и снаружи тоже.
Там, где реально были мощные наводки (на подстанциях, например), просто подключали оборудование оптикой.
Обычная UTP вполне неполохо защищена от помех. FTP, STP и прочая это больше про исключение наводок от самого эзернета на соседнее оборудование (если это какая-нибудь лабораторая с железками, чувствительными к ВЧ-помехам).
Аноним 15/03/26 Вск 20:58:26 589957 869
image.png 251Кб, 998x562
998x562
>>589953
>Это со стороны сетевой карты? С какого года так стали делать?
Со всех сторон. Трансивер с каждой из сторон подключается к разъёму через разделительный трансформатор. Если посмотреть на сетевуху или плату роутера, то там наверняка будет что-то типа пикрила, который он самый и есть. Правда, на новых железках их стали прямо в разъём RJ45 засовывать.

На счёт года не подскажу, но мне кажется, что так с самого начала было, потому что сетевые стандарты на базе коаксиала немало крови попили у народа именно за счёт отсутствия развязки. По крайней мере, даже не древнючих 10мбит сетевухах эти трансформаторы уже стояли.
Аноним 15/03/26 Вск 20:59:49 589958 870
>>589954
Меня возня с плёнками подзаебала, я купил кусок сетки для шелкографии. Должно быть попроще, но ещё так и не пробовал.
Пробовал валики малярные – фиаско полное, только заляпал всё вокруг.

В общем, я всегда делал ровно так же как ты описал, со скотчем и пластиковой картой. Тоже получалось заебись, те кто не шарят за электронику не верили что кустарное домашнее производство.

Как за следующую плату возьмусь планирую во-первых лазером маску сжигать вместо экспонирования, во-вторых наносить её в два контрастных слоя чтобы маркировка получалась (примерно как тут: https://www.youtube.com/watch?v=BzXxSgVrBUc)
Аноним 15/03/26 Вск 21:02:10 589959 871
>>589956
Витуха реально пиздец как серит наводками, особенно на УКВ (десятки-сотни МГц), но не похуй на это разве что радиолюбителям, для которых важен чистый эфир.
Аноним 15/03/26 Вск 21:02:51 589960 872
>>589956

>от бомжатских до илитных
А вот с этого момента попо дробнее. ЦМТ к какому классу отнесёшь, к бомжатскому или элитному?
Аноним 15/03/26 Вск 21:05:43 589961 873
>>589952
>Экран езернета и металлизированный коннектор rj45
Заземления нету, но зато есть FTP!
Аноним 15/03/26 Вск 21:08:24 589962 874
>>589941
>Качество заполнения зависит от картриджа
То, что современные лазерники печатают какую-то бледную дрисню, это общеизвестный факт. В принципе, для текста этого хватает, а вот заливка получается хуёво.

На старых принтерах при отключенной экономии слой был толстенным и абсолютно непрозрачным, идеально для ЛУТа/фоторезиста.
Аноним 15/03/26 Вск 21:22:04 589963 875
>>589962

Настройку экономии тонера я у МФУ вообще не нашел как и установку DPI. Какого хуя при печати PDF на хераксе появляется неведомая пикселизация (будто интерполяция до ближайщего соседа) я вообще ниибу.
Аноним 15/03/26 Вск 21:27:42 589964 876
>>589960
А я скажу. Каким бы элитным он ни был, правильный ответ - "не всё то золото", потому что ни радиолюбителей, ни айтишников там не любят. Когда офис моей компании туда переехал - одной причиной увольняться стало больше. Надеюсь, их опасения о последствиях моего ухода оправдаются в полной мере - настолько, что убытки понесёт и арендодатель.
Аноним 15/03/26 Вск 21:31:44 589965 877
>>589956 FTP это про прокладку кабелей большими пучками. Чтобы они не срали друг на друга
Аноним 15/03/26 Вск 21:40:01 589967 878
>>589965
>FTP это про прокладку кабелей большими пучками. Чтобы они не срали друг на друга
Витуха другой витухе не сможет насрать столько, чтобы это стало проблемой.
Лично по 100 UTPшек одним жгутом прогладывал, и никаких проблем не было. Правда, это на гигабите. На 10Гбит может быть другая ситуация, но, как по мне, десятка по меди это изврат в любом случае. Для внутристоечных высокоскоростных соединений есть DAC, для чего-то подальше - только оптика, которая щас стоит в разы дешевле нормальной FTPхи.
Аноним 15/03/26 Вск 21:42:37 589968 879
>>589967
>а 10Гбит может быть другая ситуация, но, как по мне, десятка по меди это изврат в любом случае.
Hmm I see you're a man (of culture).
Это один (из немногих) путей удешевить сборку отказоустойчивой хранилки (например, Ceph) в домашних условиях.
Аноним 15/03/26 Вск 21:46:27 589969 880
>>589967
> На 10Гбит может быть другая ситуация
Ситуация ровно такая же, кат6 ещё и фольгой обёрнут. Но такие хайвеи дальше соседней стойки не тянули никогда, даже до подешевения оптики
Аноним 15/03/26 Вск 21:52:54 589971 881
image.png 261Кб, 900x414
900x414
>>589968
>Это один (из немногих) путей удешевить сборку отказоустойчивой хранилки (например, Ceph) в домашних условиях
У меня есть отказоустойчивая хранилка в домашних условиях, и все ноды кластера соединены со свитчом пикрил DAC-кабелями, а до пеки проложен оптический патчкорд, который там втыкается в сетевуху с SFP. Да, есть единая точка отказа в виде Микротика, но втыкать в каждую ноду по несколько сетевух и кроссить их между собой не было никакого желания, линии PCIe лучше под накопители отдать. На круг б/у сетвухи ConnectX 3 с Алика, свич и кабели вышли в районе 20к доковидных рублей. Даже не знаю, что тут удешевлять.
Аноним 15/03/26 Вск 22:08:47 589972 882
>>589971
Мы с коллегами гуглили, что дискретка под SFP существенно дороже таковой под 10Г-медь.
>втыкать в каждую ноду по несколько сетевух и кроссить их между собой
Не факт, что стоило бы того. У OVS какой-то каличный MLAG, который периодически отказывает (симптом - произвольная односторонняя "видимость" между нодами), у нас лечилось в лучшем случае серией последовательных ребутов каждой ноды.


Я смотрю, здесь понемногу собираются другие админы - и это хорошо, потому что тенденция видится именно такая, что свободным девопсам пора переквалифицироваться в шарманщиков под прикрытием операторов 4-3 категорий (3 - ради 8-ваттных баофенгов).
Аноним 15/03/26 Вск 22:29:39 589973 883
>>589972
>переквалифицироваться в шарманщиков под прикрытием операторов 4-3 категорий
...и открывать ярославско-мексиканский StopHAM-NET с блекджеком gnuchess и альтушками со специальности Радиоаппаратостроение!)0)
Аноним 16/03/26 Пнд 00:35:49 589974 884
image-1.png 132Кб, 654x415
654x415
image-2.png 129Кб, 632x306
632x306
>>589910
Это не тебе писал >>589911 я не такой чтобы сходу оскорблять людей, даже если плохое настроение. Ну что сказать, хочется написать "Ого!!!" снимаю шляпу также за то что ты знаешь Луиса Россмана. Да, я в курсе что он продавал типа воскресший Amtech. Здесь в России распространяют Amtech esd-line.ru посмотри у них в каталоге.

Какая классификация у Amtech NC-559? По-моему он ROL0
вот это 3я версия флюса https://www.inventec.dehon.com/wp-content/uploads/2022/04/PDS-AMTECH-NC-559-V3-EN.pdf
но наверняка и предыдущие тоже были ROL0.

Смотри картиночку которую я сохранил с веба или вот эту ссылку: https://www.mettatron.ru/stati/payalnye-materialy/flyus-dlya-pajki
ситуация простая, буква L - это Low, низкая активность. M - Middle, средняя, H - High, высокая активность.

В некоторых задачах надо стремиться применять флюсы классифицируемые по H. Но с ними проблема. Их надо обязательно отмывать. По простому говоря, тебе нужен высокоактивный флюс. Просто "хороший флюс" не означает что он обязательно решает проблему.

И вторая проблема это возможно китайский стеклотекстолит. Народ тестирующий флюсы на Youtube не раз уж отмечал, что китайская медь (как и провода) это какая-то очень плохо паяемая хуета. Не исключно что проблема еще и в этом.
Аноним 16/03/26 Пнд 00:45:42 589975 885
>>589974
Спасибо за развёрнутый ответ.
Да, я знаю, что NC-559 не особо активный, что меня в целом вполне устраивает, т.к. если его не до конца отмыть, то, скорее всего, ничего плохого не случится. Флюс, впрочем, действительно пиздатый, разве что воняет не особо приятно при пайке, тут канифоль вне конкуренции.
Для совсем конченных случаев у меня есть какая-то лютая хтонь для пайки алюминия, но и она не помогла.

А помогло, как я уже писал в >>589954, увеличение отступа между маской и пятаками.
Аноним 16/03/26 Пнд 00:49:09 589976 886
900403 flux pas[...].jpg 113Кб, 1379x513
1379x513
Аноним 16/03/26 Пнд 00:59:05 589977 887
>>589954
>> На выходе получаем не прям завод, но весьма неплохой результат.

Нет чтобы фото привести. Как будто у тебя сотового телефона с камерой нет.
Аноним 16/03/26 Пнд 02:15:15 589980 888
image.png 119Кб, 1447x370
1447x370
>>589976
>Флюс под свои задачи существует.
Тем временем двачер: какая отличная йоба, нужно срочно им паять все что можно паять, ведь еба же! И случится чудо, мой выводной компонент припаяется как то по особенному, прямо ух, как электроны будут бегать правильно.

Почему электроника так сильно притягивает этот вот такой аудиофильный скам?
Почему двачер не может припаять смд чип без самого лучшего в мире флюса?

>>589974
>В некоторых задачах
Забыли добавить что все эти "неоторые задачи" актуальны для ремонта, а не монтажа свежей платки.
Аноним 16/03/26 Пнд 06:37:18 589982 889
>>589980
>Почему двачер не может припаять смд чип без самого лучшего в мире флюса?
Очевидно же, потому что это SMD - Surface Super Montage Malen'kie Design Detali, с двачерским тремором такое хуй запаяешь, там хорошо, если резисторы с DIP-сокетами осилишь.
Аноним 16/03/26 Пнд 06:40:32 589983 890
>>589982
Про попадание в тайминги морянки на экзамене на короткий позывной вообще молчу. И это ещё, как я понимаю, на экзамене тайминги максимально божеские, а серьёзные телеграфисты могут отвечать тебе прямо в перерывы между твоими нажатиями на ключ.
Аноним 16/03/26 Пнд 10:11:45 589986 891
IMG202603161009[...].jpg 1812Кб, 2560x1749
2560x1749
220. тут все ок или есть моментики?
Аноним 16/03/26 Пнд 10:24:20 589987 892
image 92Кб, 1024x1058
1024x1058
image 111Кб, 812x1280
812x1280
>>589986
Какие нах 220 если рмс 22? Ты множитель не включил что ли
Аноним 16/03/26 Пнд 10:29:50 589988 893
>>589987
нет, х10 поставил на щупе
Аноним 16/03/26 Пнд 10:35:38 589989 894
image 65Кб, 1107x1280
1107x1280
image 156Кб, 874x1280
874x1280
>>589988
На щупе ты поставил 1:10, на осике надо поставить x10 мля
Аноним 16/03/26 Пнд 10:46:29 589990 895
IMG202603161045[...].jpg 142Кб, 1280x960
1280x960
>>589989
ооо бля а мы и не думали
чо эта залупа не показывает трурмс
Аноним 16/03/26 Пнд 13:24:29 589995 896
>>589990
на нем можно сдвиг фазы посмотрет?
Аноним 16/03/26 Пнд 15:39:28 590006 897
>>589990
А что не так то? Для синусоиды среднеквадратичное в sqrt(2) раз меньше амплитуды. У тебя амплитуда около 300...310, вроде все сходится 308/sqrt(2)=217. То что немного не сходится можно списать на неидеальность синусоиды.
Аноним 16/03/26 Пнд 16:59:54 590007 898
>>590006
ну вот эта неидеальность как узнать на какой частоте сидит?
Аноним 16/03/26 Пнд 17:17:40 590009 899
Аноним 16/03/26 Пнд 18:05:40 590010 900
board.jpg 140Кб, 1182x960
1182x960
>>589977
Я просто стеснительный.
Аноним 16/03/26 Пнд 18:09:15 590011 901
>>589980
>Тем временем двачер: какая отличная йоба, нужно срочно им паять все что можно паять, ведь еба же! И случится чудо, мой выводной компонент припаяется как то по особенному, прямо ух, как электроны будут бегать правильно.
Я просто купил дорогой флюс чтобы понять, как много я теряю, пользуясь простой канифолью. Никакого благоговения перед распиаренными вещими у меня нет, просто любопытство и возможность облегчить рабочий процесс.

Тебя послушай, так можно только хуйцы с гречей жрать, а остальную еду вообще убрать из магазинов как излишество.
Аноним 16/03/26 Пнд 18:11:08 590012 902
>>590007
>ну вот эта неидеальность как узнать на какой частоте сидит?
Для этого тебе не ослик, а анализатор спектра нужен (ну или ослик с FFT).
Аноним 16/03/26 Пнд 18:32:14 590013 903
>>590009
>Как обжимать вот такую мелочь?
Мой тебе совет - никак. Покупай готовый пигтейл и наращивай при необходимости.

У меня есть матрица для кримпера до 0.08мм2 (28AWG), но, единожды обжав JST с шагом то ли 1.0, то ли 1.25, я навсегда зарёкся этим заниматься. Это сука невозможно, если ты не китайская лоля. Наконечник до момента обжима никак не держится, слетает от неосторожного взгляда. Разглядеть, нормально там кабель сидит в нём после заправки в кримпер невозможно. Кабель нужно зачищать с нанометровой точностью; суть больше - выпирает в тело разъёма, чуть меньше - не будет держаться. Толщина изоляции тоже очень влияет, например, нормально обжать 28AWG в силиконовой оболочке у меня не получилось, т.к. она заметно толще, чем ПВХ, и обжатый наконечник потом тупо не лезет в колодку.
И это при том, что обычный ДюПон 2.54 я могу обжать с закрытыми глазами.

В общем, оставь это тупейшее занятие маленьким китаяночкам и пользуйся продуктами их кропотливого труда.

Но если прям очень, ОЧЕНЬ надо, то примерная схема такая:
1. Тщательно подбираешь кабель по внешнему диаметру оболочки так, чтобы обжатый наконечник потом нормально заправлялся в разъём
2. Зачищаешь конец ровно настолько, чтобы оголённая часть целиком заходила во вторую (среднюю) пару усиков, и не торчала за её пределы
3. Прикладываешь провод к ещё не оторванному от ленты наконечнику и поджимаешь тонкогубцами наружные усики, пихватив изоляцию
4. Очень аккуратно, покачиваниями отрываешь наконечник от ленты, и, держа за кабель, кладёшь в соответствующее углубление на матрице кримпера
5. Читая молитву, обжимаешь.
6. Достаёшься, видишь, что нихуя не получилось, и, грязно выругавшися, начинаешь всё сначала.
Аноним 16/03/26 Пнд 18:33:14 590014 904
>>590011
>возможность облегчить рабочий процесс
Облегчить рабочий процесс, это когда ты паяешь свежую платку у которой только выводы, припоем с флюсом внутри, а ты таким и паяешь с вероятностью в 99.999%.
Все, больше ничего легче и проще быть не может. Все что сверх - это только ритуалы, которые ничего не дадут, и только создадут дополнительные сложности.
Аноним 16/03/26 Пнд 18:36:38 590016 905
>>590010
Ну и зря, довольно аккуратно выглядит. Чуть смазалось справа и слой маски чёт совсем толстенный, но дело-то житейское, для себя вообще збс выглядит.
Аноним 16/03/26 Пнд 18:44:20 590017 906
>>590014
Ну, собственно, теперь я знаю, что для моих целей обычного трубчатого припоя с канифолью достаточно, а так бы жил и гадал.

А вот паяльник на жалах T12, например, просто разделил всё моё радиогубительство на до и после.

Новое нужно пробовать, стагнация это смерть.
Аноним 16/03/26 Пнд 19:17:27 590020 907
>>590017
>А вот паяльник на жалах T12, например, просто разделил всё моё радиогубительство на до и после.
Активатор еще прикупи, тогда уж совсем будет раздел на до и после.
Аноним 16/03/26 Пнд 21:57:47 590026 908
>>590009
С матами и по даташиту.

Для такого мелкого говна обязательно нормальный инструмент а не нонейм со сменными силуминовыми матрицами. Хотя бы что-то типа IWISS или Engineer. Сколько стоит рекомендуемый даже не смотри.
Матрица должна быть правильной формы и размера.
Вот прям правильной, а не какая есть. У них разные формы, сгибы и они по-разному уши зажимают. На мелочи влияет очень сильно.
Провод тоже должен быть подходящий по размеру проводника, изоляции и зачистить его надо правильно.
Короче, прям куришь даташит и строго следуешь ему.
Сами контакты бери с запасом, зафакапишь процентов 20.
Аноним 17/03/26 Втр 01:54:43 590032 909
>>590013
>> китайская лоля
>> маленьким китаяночкам и пользуйся продуктами их кропотливого труда

Даже жалко тебя разочаровывать, что снимает изоляцию и кримпят вот такие железные "лоли":
https://www.jst-india.com/productSeries.php?pid=11092

Поэтому и получается так точно.
Эти железные "лоли", вообще говоря, в даташите указаны.
Аноним 17/03/26 Втр 02:08:37 590033 910
>>589980
Всё твоё театральное выступление базируется на мысли что на форуме с тобой нищуки и дети из 6 "б" класса.
Типичное искажение. Нет, я например профессиональный разраб электроники. Приобретаю обычно от лица конторы.
Мы на работу себе для пайки в командировке купили каждому NORDSON EFD 6-412-A Flux Plus
В сверхдорогогом Chip Dip он стоит 4 900 руб, это очень дорого.
https://www.chipdip.ru/product/efd-6-412-a-flux-plus-flyus-gel-bezotmyvochnyy-10g-9000169401
Чип-Дип цену завышает минимум в два раза. Более реальная цена ему сейчас порядка 2000т.р
И да, этот безотмывочный флюс работает просто охуенно. Все ремонтники это знают и "охотятся" за ним.
Этот KESTER TSF конечно оверпрайснут даже для конторы. Все верно, типично он идет для Rework, но не обязательно. Эти "шрицы" для установки в дозатор станка. KESTER вообще делает охуенный припой и химию. Вот только цены...
Аноним 17/03/26 Втр 02:18:27 590034 911
>>590011
>> как много я теряю, пользуясь простой канифолью

Всё правильно сделал. Подсказка. Есть не такие экстремальные варианты.

Варик первый, но всё еще не копейки - поищи на Avito по словам "флюс ERSA". Он же HERAEUS microbond. Его прикол в том, что он для пайки BGA и почти полностью испаряется. Остатки конечно есть, но этот флюс именно испаряется. Там же найдешь другие топовые флюсы.
ERSA фасует этот Heraeus и перепродает в несколько раз дороже. Народ этот флюс от Heraeus сам фасует.

Варик дешевле.
Ищи на "Ozon" или Avito флюсы от Романа Гребенникова, они же от RusFlux, они же флюсы "Орбита".
https://www.youtube.com/@%D0%A0%D0%BE%D0%BC%D0%B0%D0%BD%D0%93%D1%80%D0%B5%D0%B1%D0%B5%D0%BD%D0%B8%D0%BA%D0%BE%D0%B2/videos
Он прогрессирует и в последнее время делает копии EFD 6-412-A Flux Plus или знаменитого "Martin".
Аноним 17/03/26 Втр 02:21:16 590035 912
>>590010
Да бы сылку на какие страницы, форумы или видео. Как и ссылку на aliexpress или где ты его брал.
Из твоего описания не понятно как делается самодельная маска.
Аноним 17/03/26 Втр 02:23:30 590036 913
>>590020
>> Активатор еще прикупи, тогда уж совсем будет раздел на до и после.

Какой активатор имеется в виду? Ссылка?
Аноним 17/03/26 Втр 09:36:14 590039 914
насколько сложно сделать маску для реболла самому?
хочу максимально упростить пайку соединения, реально ли изготовить трафарет?
Аноним 17/03/26 Втр 09:42:05 590041 915
>>590036
Активатор паяльного жала.
Аноним 17/03/26 Втр 10:17:00 590045 916
>>590039

Что у тебя там такое что заводские не годятся?
Аноним 17/03/26 Втр 11:32:14 590053 917
>>590033
>Нет, я например профессиональный разраб электроники
Просто интересно, а что ты профессиональное разрабатываешь?
Аноним 17/03/26 Втр 12:00:44 590054 918
>>590045
древняя хуйня из под коня для сборки модулей автоматики, на али нет, паять надо 200 штук, хочется не охуеть. (НЕ ОРУЖИЕ)

по факту это грид 100 перемычек которые надо сконфигурировать , я хочу просто положить маску, свинцом капнуть и пойти дальше.
Аноним 17/03/26 Втр 12:18:10 590057 919
>>590054
В чем сложность заказать трафарет?
Аноним 17/03/26 Втр 12:51:42 590058 920
>>590054

Нихуясебе у тебя там МАСОЧНОЕ ПЗУ!!!
Аноним 17/03/26 Втр 15:47:11 590088 921
>>590034
Спасибо, буду иметь в виду.
Но, с моей активностью, мне и существующего 30г шприца хватит до седых мудей.
Аноним 17/03/26 Втр 15:52:11 590090 922
Аноним 17/03/26 Втр 21:50:36 590106 923
>>589956
У нас сварочный робот собственной разработки с управлением по Ethernet отъёбывал при начале процесса сварки. Я заменил неэкранированный кабель на S/FTP - связь с роботом отъёбывать перестала.

Знакомый с производства жаловался, что у них управляющий шкаф плазморезки отъёбывал от сварочника тоже Ethernet. Посоветовал заменить витуху на экранированную - после замены проблемы пропали.

Так что экранированной витухе применение есть.
Аноним 18/03/26 Срд 07:17:22 590114 924
>>590088
У тебя нейтральный, безотмывочный флюс.
Потом, как будет желание, возьми активные флюсы, но их смывать надо.
Это же относится не только к тебе, ко всем.

>>590090
Спасибо!

>>590041
>> Активатор паяльного жала.
Я понял что химия в баночке "активатор паяльного жала". Но они сильно различаются.
Какую ты брал чтобы аж случился "тогда уж совсем будет раздел на до и после" ?
Иы это написал серьёзно, или для красного словца?

У меня был вот такой:
https://aliexpress.ru/item/1005006969207689.html
за 76 рублей + 12р доставка. Мне не понравился. Он должен покрывать жало припоем. Как мне кажется, в нем почти почти один нашатырь и мизер припоя. Китайким наёбщикам веры никакой.
Аноним 18/03/26 Срд 11:56:50 590125 925
Screenshot2026-[...].jpg 850Кб, 1080x1160
1080x1160
Ебанëт?
Аноним 18/03/26 Срд 12:22:11 590130 926
>>590125
А где самое тонкое место? Это точно не лоток, не синий и не красный провод.
Неужели вторичная обмотка в трансформаторе это самый тонкий провод?
Проебался, но где?


По задумке этот гиель будет нагреваться проходящим током?
Аноним 18/03/26 Срд 15:22:22 590140 927
image.png 968Кб, 1600x1600
1600x1600
Я щас взвою, доставка проебала посылку. А эту переменную поеботу хуй достанешь. Я уже все что дома было отсмотрел ничего трансформаторного на 9в с такой силой тока нет. В магазинах поблизости нихуя нет. Ну и что делать? Как включить девайс? Терпеть и ждать опять неделю? Плюс он стоит он как ракета нахуй блядь :(
Аноним 18/03/26 Срд 15:25:35 590141 928
image.png 102Кб, 1410x876
1410x876
Аноним 18/03/26 Срд 15:26:59 590142 929
>>590140
Что за прибор такой, который от переменки питается? Вскрой ему жопу и глянь поближе, может там сразу после гнезда диодный мост стоит
Аноним 18/03/26 Срд 15:29:15 590144 930
image.png 951Кб, 1280x1280
1280x1280
>>590142
старый гитарный проц
Аноним 18/03/26 Срд 15:34:07 590145 931
153936IMG0001EO[...].JPG 5257Кб, 5472x3648
5472x3648
Аноним 18/03/26 Срд 15:42:24 590146 932
image.png 852Кб, 800x547
800x547
>>590142
Там внутри космический корабль, я слишком нуб для такого

фотка из интернетов
Аноним 18/03/26 Срд 15:43:17 590147 933
image.png 6210Кб, 2100x2800
2100x2800
>>590145
Можешь щёлкнуть поближе зону вокруг гнезда питания, а то я чёт не могу найти ничего чётче вот этих шакалов. Что-то похожее на диодный мост есть, но хуй пойми, все фото Line 6 Pod X3 в интернете как раз из ранних десятых
Аноним 18/03/26 Срд 15:46:33 590148 934
Аноним 18/03/26 Срд 15:51:20 590151 935
155713IMG0002EO[...].JPG 7824Кб, 5472x3648
5472x3648
Аноним 18/03/26 Срд 15:54:19 590152 936
>>590151
А, лол, это не диодный мост был, а два дросселя. Диодный мост чуть пониже, вон из тех четырёх смдшек. Короче, если воткнёшь в него 9 вольт постоянного тока, в худшем случае этот ток просто через два диода из четырёх будет течь, лишь бы два ампера бп вывозил. Я хуй знает в чём была экономия, учитывая что предыдущие модели в линейке бывали и с постоянкой, фильтры по питанию там чтоли какие-то особенные.
Аноним 18/03/26 Срд 16:01:28 590155 937
>>590125

Электролизник дохуя? Контроль тока где?
Аноним 18/03/26 Срд 16:07:23 590156 938
>>590152
Да просто они делали все проприетарное и делают, чтобы загонятьсвои аксессуары. Эдакий эпол от мира гейтар. Экспрешн педали на TS, у всех на TRS, они сделали непонятно нахуя на TS. Софт анально окукленный drm который до сих пор не сломан нормально, а уже 25 лет прошло. Свои проприетарные попытки заменить миди разъемы, подключая свои футсвитчи через оптоволокно. Вот были игрища с блоками питания. Свою гитару на батарейках опять же через оптоволокно предлагали подключать.

Но во всем остальном они норм, поддержка норм, даже спустя 3 десятка лет поддерживают продукты, вяло пилятдрова,хоть и с багами и бсодами,но тем не менее, ну и девайсы тоже норм.

А насчет впаивания DC прям туда - я боюся, крякнет,я не очень умный. Но я подумаю, не думал об этом, спасибо за идею.
Аноним 18/03/26 Срд 16:08:08 590157 939
>>590142
>Что за прибор такой, который от переменки питается?

Многие ADSL мопеды питались от переменки 7-12В.
Аноним 18/03/26 Срд 16:14:17 590159 940
177383943561381[...].jpg 27Кб, 450x293
450x293
>>590144

Ля какая. У нас на предприятии в начале нулевых пикрил был, только для него зажопили купить доску с фут свичами, типа вам в за актовым залом шуметь и так пойдет.
Аноним 18/03/26 Срд 16:19:51 590161 941
image.png 378Кб, 1130x399
1130x399
>>590159
Да, кайфовые. Половина хитов роцка и попсы до кризиса 2008 на них писалось, ибо относительно дешево и сердито,а потом и музыка сдохла, трава зеленее. А доску с кнопками я себе купил.
Только включить бы, лол.
Аноним 18/03/26 Срд 16:21:22 590162 942
>>590156
Да чё рассказываешь, у самого их говна порядочно валяется, но 9вольтовый джек там совершенно стандартный. Вместо проприетастии там скорее всего была какая-то попытка питаться и обычными сеговскими блоками, и блоками от педалбордов, с произвольной полярностью, только в итоге боссовский стандарт победил и теперь у всех уебанство, но одинаковое. А софт от него настолько старый, что видел бы ты что зум вытворял в те годы. Или вот недавно 14вольтовый БП приходилось изобретать вместо утерянного для боссовского gt-6, ваще не понял зачем так задирать вход, если все кишки на 5/12 вольтах всё равно работали.

Да я даже впаивать бы не стал, просто суй любой 9вольтовый блок который в гнездо влезет. Ну или внатуре подожди полдня.
Аноним 18/03/26 Срд 16:30:54 590164 943
image.png 123Кб, 409x294
409x294
>>590162
>просто суй любой 9вольтовый блок
?
9vac же
>зум вытворял
Мне не нужен вылизанный звук. Мне нужен тот самый олдскульный хрипящий пердящий подовский звук, когда все ныли про песочащие кабинеты. Без микса он звучит по сравнению с современными процами да уныло, но в миксе это и не надо. В этом есть свой шарм
Аноним 18/03/26 Срд 16:34:32 590167 944
>>590164
Выпрямленное напряжение из обычного блока пройдёт через этот диодный мост как есть. Вот переменку в 9vDC гнездо лучше не суй, обратной полуволной выбьет полплаты если там какого-нибудь трёхвольтового диода шоттки в обратку не поставили

Про зум это просто контекст что софт тогда у всех всратый был, и даже сегодня до популярных вст можно долго доёбываться, но это так уже, мимо темы.
Аноним 18/03/26 Срд 16:39:57 590168 945
>>590164
>9vac же
Это простой трансформатор, тоесть, штабилизации внутри нету и ожидается нестабильное напряжение на выходе, так как оно зависит от напряжения сети которое может быть от 200 до 260в. А это означит что ты можешь купить трасформаторный блок питания примерных параметров, выпаять выпрямитель и все.


Тебе нужен примерно пб на 9/(sqrt(2) очень примерно это 5 вольт постоянного.

можно сразу купить мелкий(20вт) транс в диапазоне 6-10 и засунуть его в коробочку. На 9в гуглится без проблем
Аноним 18/03/26 Срд 16:40:43 590169 946
>>590167
>через этот диодный мост как есть
Не факт что там только диодный мост, может там какая то магия с компенсацией/использованием частоты сети.
Аноним 18/03/26 Срд 16:48:38 590173 947
>>590169

А может и биполярка делается.
Аноним 18/03/26 Срд 16:49:21 590174 948
image.png 2119Кб, 1740x1161
1740x1161
>>590169
Да чёт хз, выглядит как просто диодный мост и вон те два дросселя сверху мелкий сёр убирать, а потом вообще в линейный стабилизатор уходит судя по другим фоткам
Аноним 18/03/26 Срд 16:51:09 590178 949
>>590174
Плата не односторонняя. По этому всему ты никак не можешь видеть что там нету трейса который идет куда надо
Аноним 18/03/26 Срд 16:52:56 590179 950
>>590178
Ну и куда он пойдёт после выпрямленного тока? По дрожанию после фильтров определять регион и исходить на говно, если японский 60герцовый прибор в 50герцовую европейскую розетку воткнёшь?
Аноним 18/03/26 Срд 17:13:27 590180 951
>>590179
>японский 60герцовый прибор в 50герцовую европейскую розетку воткнёшь

Каждый раз когда заходит разговор про герцовку питалова я вспоминаю китайские радиочасы которые хлынули на рынок в 90х и которые не имели кварца а рассчитывали на 60Гц в розетке.
Аноним 18/03/26 Срд 17:18:52 590181 952
>>590180
>Каждый раз когда заходит разговор про герцовку питалова я вспоминаю китайские радиочасы которые хлынули на рынок в 90х и которые не имели кварца а рассчитывали на 60Гц в розетке.

Ебанутые, жадные, вороватые владельцы сетей не смогли подкорректировать частоту, что бы у простого ряботаги нормально показывало время?
Аноним 18/03/26 Срд 17:34:13 590185 953
>>590181
Они корректируют, частота кстати плавает в зависимости от нагрузки и там конкретные такие контрмеры на станции применяют
Аноним 18/03/26 Срд 17:35:59 590186 954
>>590181
>подкорректировать частоту

С 50 на 60? Нихуясебе корректиров очка!
Аноним 18/03/26 Срд 17:40:24 590187 955
1927 168Кб, 1600x896
1600x896
Аноним 18/03/26 Срд 17:47:47 590188 956
>>590187
Ну да. Если не пытаться контролировать эти тайминги, на стыке двух источников мощно ебанёт.
Аноним 18/03/26 Срд 18:00:24 590189 957
>>590188

Ну так и ебануло же в еуропке.
Аноним 18/03/26 Срд 18:08:36 590190 958
>>590142
Вангую, что он из этого сам делает двухполярку. Потому нужна именно переменка.
rid 18/03/26 Срд 18:21:10 590193 959
>>338104 (OP)

Говоря в подробностях, то я хочу взять шерстяную перчатку с внутренней резиновой изоляцией (обязательно). На наружной части перчатки к указательному и среднему пальцу будут выходить два конца вторичной катушки. Сама вторичная и первичная катушка (модуль зажигания) будут находиться у меня в более отдаленном месте в кармашке другой части тела (может на поясе, это в целом не важно) И мне нужно расположить источник питания идущий к этой катушке так, чтобы это не выглядело как полу автомобильный аккумулятор (поэтому я решил выбрать два аккумулятора от шуруповерта).
В данный момент у меня есть автомобильная катушка зажигания (bosch 0 221 504 027), провода и те самые два аккумулятор. Казалось бы "иди и пробуй", но тут есть одна загвозка.
Делаю тем, что нашлось исключительно в моем гараже, а в гараже у одного из аккумуляторов отсутствует одна батарейка. Опасения в том, что когда я подключу их параллельно, то система будет считать их оприори всегда разряженными так как состоянии одного из аккумуляторов может быть максимум только 15в (вместо 18).
Собсна двач, есть идеи? Обсуждения? Там несколько ниже парень хотел создать революционное событие и к нему сразу же прибежали пояснять в том, что его влажные фантазии еще немного и станут совсем жиденькими. Мой проект же считаю таким является вполне реальным.
Аноним 18/03/26 Срд 18:30:51 590194 960
177384783570383[...].jpg 186Кб, 1200x892
1200x892
>>590193
>Говоря в подробностях, то я хочу взять шерстяную перчатку с внутренней резиновой изоляцией (обязательно). На наружной части перчатки к указательному и среднему пальцу будут выходить два конца вторичной катушки.
Аноним 18/03/26 Срд 18:56:46 590196 961
А существует ли сервис вроде JLCPCB только для индуктивностей. Вот бы кто намотал 4 ллц трансформатора под нужные спеки.
Аноним 18/03/26 Срд 19:06:55 590197 962
>>590141
я уже спать хочу, едва не помираю.

Q1 включен неправильно. Сверху у тебя должен быть S, source, И, Исток. Внизу: D, drain, С, Сток.
Посмотри на "body diode", "встроенный диод" - если он анодом вверх, он же у тебя получается открыт, через встроенный диод транзистора. всегда пойдет ток.

молодец что поменял Q2 на малогабаритный, 2N7000 у тебя ен работать, потому что ток через него очень маленький, 1.2 миллиампера. Но впредь ставь Logic Level MOSFET:
AO3400, Si2302, BSS138 и им подобный. Ключевое слово при поиске мосфета "logic level" (у тебя же 3.3? или 5V? если 5, то всё ок).

Стабилитрон ты поставил в питание.
Если что, стабилитрон просто сгорит, так как ток через него не лимитирован.
Возможно с дымом и огнем, возможно с прожиганием дыры, возможно спалимв дорожку, возможно спалив что-то вне платы (провод).
Убирай его.

Защита затвора о которой я писал не обязательна. Это хороший тон чтобы схема была надежнее.
Я же писал выше что все мосфеты не переносят напряжение канал-затвор потому что канал от затвора отделен тонюсеньким слоем SiO2оксида и этот слой просто пробивается. Соответственно, защитный стабилитрон подключай анодом к затвору Q1, катодом к истоку. Но если теперь цепь затвор-исток защищена стабилитроном, при срабатывании через стабилитрон пойдет ничем не ограниченный ток и Q2 хана, так как через стабилитрон он получит полный ток, закоротит его на массу. Из них двоих кто-то не выживет, или стабилитрон, или транзистор. Чтобы этого не происходило, необходимо отделить Q2 от затвора с защитным стабилитроном резитором где-то 10K. Если не понятно, этот резистор вместо горизонтального проводника соединяющего сейчас затвор Q1 и сток Q2.
Аноним 18/03/26 Срд 19:11:57 590199 963
>>590140
Конечно может быть что это просто для того чтобы подключать БП с переменным напряжением, т.е. чисто трансформаторный. Это логично, потому что в былые времена, ну там где-то 80е-90е сделать внешний БП с хорошим фильтрованным напряжением было тяжело, поэтому диодный мост, конденсаторы и самое главное, стабилизатор обычно ставили в корпусе.

Но если в этой приблуде есть функция подавлять сетевую наводку 50 (60) Hz, то тогда она должна питаться от сети переменного тока. Если ты подашь ей на вход стабилизированнй постоянный ток от хорошего внешнего БП, функция подавления сетевой наводки работать перестанет, потому что она чухает переменное напряжение сети.
Аноним 18/03/26 Срд 19:16:32 590200 964
>>590196
в россии ищи, я встречал неоднократно
Аноним 19/03/26 Чтв 00:55:11 590224 965
>>590130
> По задумке этот гиель будет нагреваться проходящим током?

а вы считаете что не будет?
Аноним 19/03/26 Чтв 07:46:51 590228 966
>>590224
Конечно будет. Но чтобы это происходило, и подводящие провода, и провода обмотки нужны с сопротивлением значительно меньше чем тигелек. В противном случае нагреваться по всем законам будут именно они, а не тигель.
Аноним 19/03/26 Чтв 07:48:07 590229 967
>>590196
Цена будет как за 4000 готовых китайских трансформаторов, и срок изготовления 1+ месяц.
Мотай сам, дербань откуда-то, либо покупай что-то из доступного в продаже.
Аноним 19/03/26 Чтв 07:50:58 590230 968
>>590193
Катушка зажигания (трансформатор) повышает переменный ток, но не постоянный. Либо импульсы.
Аноним 19/03/26 Чтв 07:52:10 590231 969
>>590194
Ага. А откуда такая картинка? Фильм? Или кто-то уже увлекался подобным?
Аноним 19/03/26 Чтв 07:57:37 590232 970
>>590125
Долговременная мощность такого транса от ИБП - ватт 100-200, кратковременная 300-500 ватт. У тебя он будет работать с КЗ вторички, соответственно ток первички будет ограничен лишь индуктивностью рассеяния и активным сопротивлением обмотки.
Я всё нужное сказал, дальше сам думай.
Аноним 19/03/26 Чтв 08:34:56 590234 971
Аноним 19/03/26 Чтв 14:54:45 590263 972
>>590232
а как ты понял что он с ИБП?
Аноним 19/03/26 Чтв 15:03:36 590265 973
111.jpg 53Кб, 666x453
666x453
Привет! Не могу поменять дискретизацию. Уже всё перепробовал. Получается это ограничения со стороны устройства?
Наушники Vault ardor gaming
Аноним 19/03/26 Чтв 15:44:05 590272 974
>>590265
проводчками цепляешь?
Аноним 19/03/26 Чтв 16:02:48 590274 975
>>590272
Да я уже всё понял это такой лок на usb беспроводных наушниках, ничего с этим сделать нельзя. Колонки выкручивай сколько угодно, до 192000, а тут 16-48000 и тю-тю.
Аноним 19/03/26 Чтв 16:53:36 590279 976
>>590263
Во-первых, на нем написано.
Во-вторых, это очевидно любому, кто хоть раз в жизни разбирал.

мимо
Аноним 20/03/26 Птн 01:30:44 590309 977
>>590274
>лок на usb беспроводных наушниках

А ты думал тебе туда отсыпали нормальный кодек а не копеечный cmedia для телефонных гарнитур?
Аноним 20/03/26 Птн 09:14:40 590316 978
>>590309
Дело не в кодеке, увеличение частоты в двое, увеличит потребление энергии почти в два раза аналогично. В реальности, даже 48к уже много, и лучше уменьшить.
Аноним 20/03/26 Птн 11:18:00 590322 979
Какая термопаста нужна в индукционных плитках? Я нанес компьютерную это ниче?
Аноним 20/03/26 Птн 11:20:14 590323 980
>>590322
и еще вопрос как много ее нужно наностить туда?
Аноним 20/03/26 Птн 14:32:36 590332 981
Аноним 20/03/26 Птн 15:04:03 590334 982
>>590332
на элемент который в центре спирали
Аноним 20/03/26 Птн 15:07:49 590335 983
>>590334
Зачем? И что же это должно дать?

Спираль?
Аноним 20/03/26 Птн 15:46:06 590337 984
Не могу поймать жужжалку на ATS-20.
Локация: Петербург
Антенна: штырь, который был в комплекте.
Высота: тринадцатый этаж.
Частота: 4625 кГц
Модуляция: АМ, USB, LSB
Когда: днем, ночью.
Не слышно.
Думал, "жужжалка" это мощная радиостанция, которую и из утюга будет слышно. А не слышно. Радиач, что я делаю не так?
Аноним 20/03/26 Птн 15:55:03 590339 985
>>590335
На мейл.ру ответах пишут что это термодатчик который отключает при перегреве
Аноним 20/03/26 Птн 16:34:14 590343 986
4576567568568568.png 85Кб, 518x448
518x448
Не знаю где ещё спросить...

Человек ездит на снегоходе и пользуется навигатором.
Недавно у него навернулся генератор и стабилизатор напряжения бортовой сети 12В, в результате погорел носимый навигатор. Запитан он был от зарядки для сотового.

Навигатор починил ему. Теперь стоит вопрос замены источника питания.

Вижу два варианта:
1) DC-DC преобразователь с широким диапазоном входного напряжения.
2) AC-DC преобразователь.

Хотелки:
1) 5В на выходе, 500 мА или 1 А тока (это с запасом);
2) Герметичность (стандарты защиты от пыли и влаги).

Тут вроде пробегали мотоциклисты в треде, вроде даже буранщик был. Может что посоветуете.
Аноним 20/03/26 Птн 16:41:26 590344 987
>>590343 Поставь на 12в линию нормальную защиту. Быстрый предохранитель, резистор в 0.1ом, TVS 1.5KE6 и конденсатор небольшой.
Аноним 20/03/26 Птн 17:24:56 590345 988
Что ты блядь та[...].jpg 103Кб, 720x897
720x897
>>590343
Запрос DC DC module на Ali или Ozon чем-то не устроил?
Ищи Meanwell, Mornsun, Murata.

Или не так. Сначала ищешь на сайтах по параметрам как-нибудь так:
https://www.chipdip.ru/catalog-show/dc-dc-preobrazovateli-konvertory-1249?x.11768=EbW&x.11768=vcW&x.11702=zhH&x.11702=2uH&x.11702=NHJ&x.11702=UbJ&moq=1&sort=priceup&ps=x3

а потом идешь на Ozon, Ali, www.electronshik.ru и патаешься найти искомое дешевле
Всё как обычно, немного хитрости и никакого мошенничества
Аноним 20/03/26 Птн 19:46:08 590347 989
1412515.png 202Кб, 1000x948
1000x948
>>590345
>Запрос DC DC module на Ali или Ozon чем-то не устроил?
Тем, что мне не нужен ЛЮБОЙ модуль. Чтобы уменьшить вероятность выслушивания гневных тирад на предмет: "му-хрю и чем это лучше зарядки от сотового" когда оно отрыгнёт раньше, чем сраная зарядка.

Нашёл что-то вроде такого https://www.mean-well.ru/store/IRM-30-5ST/
По идее, можно подцепить напрямую к гене (зарядка так и была прикручена, со слов владельца).

Или вот такой: https://www.mean-well.ru/store/DDRH-15-12ST/
Можно зацепить до стабилизатора напряжения.

Владелец говорит, что все здешние снегоходчики катаются с зарядками. Но это же пиздец какой-то! Вешать приборчик за 18к рублей на зарядку, которая стоит от 200 рублей, а потом удивляться, как солдат гонорее: почему же оно, блядь, сдохло всё разом?
Аноним 20/03/26 Птн 21:32:34 590352 990
>>590343
Я делал для генератора лодочного мотора buck-boost на 34063 для зарядки обчного свинцового аккумулятора на 12 вольт с усилением полевиком и драйвером для него, уже ходит лет 10.
Всё смонтировано в банке от тряпки для протирки стёкол и радиатор выведен наружу. Стыки залиты герметиком.
Аноним 20/03/26 Птн 21:38:04 590353 991
>>590352
Дополню: это было давно, я поищу схему сходу не нахожу, но как то я тогда решил момент с всплесками напруги до 100 вольт...
21/03/26 Суб 00:21:34 590360 992
>>590337
Из Калининграда на XHDATA D-808 с родным штырём ловится отлично даже с балкона.
Аноним 21/03/26 Суб 13:06:39 590365 993
>>590347
Я вчера тебе отписал и даже стер мессагу потом. Не особо понял, что еще за "зарядки", ты не очень понятно пишешь. Я-то не в теме. Вот т очто ты показал у mean-well конечно посерьезней выглядит, но ты имей в виду, если есть финансы, искать тогда советую влагозащищенный, по IPxx. Вопрос почему. Ну потому что с техникой часто бывает что в сарай втянут со снега или наоборот, туман там, брызги итд. И если они попадают на пыль, дороги, пайки итд начинают будучи под напряжением корродировать, начинается электролиз. Либо сам защищай, заливай силиконом или эпокси.
Аноним 21/03/26 Суб 19:15:10 590369 994
>>590199
Дело не в этом. Так делают по другим причинам. Например чтобы уменьшить потери на проводах и избежать лишних наводок.
Конкретно в этом приборе заявлен довольно большой ток потребления. А провода небось длинный и не самые толстые (примочка же).
Т.е любая переменная хуйня пусть идёт простыми 50 герцами ,а потом уже в устройстве, У САМОЙ СХЕМЫ В НЕПОСРЕДСТВЕННОЙ БЛИЗОСТИ всё выпрямляется и сглажывается. Положительный эффект примерно такой же как если сглаживающий конденсатор поставить максимально близко к потребителю.
Так кстати делают(ли) во многих свуковых девайсах. Микшерах например. Там даже бывает сраху тупо "двуполярная переменка" (транс с отводом от середины и три провУда на выходе соответственно).


Ещё плюс в том, что транс обычно это пластиковый герметичный кирпич. Соответственно греется не слабо. От этого диодам, элетролитам и стабилизаторам было бы херово и жили бы они меньше. А так - транс маусимально простое устройство, пусть там жарится отдельно (и внизу на полу где похолоднее), а выпрямляться и сглаживаться всё будет в самом девайсе, в непосредственной близости от схемы.

И не знаю что вы тут за хуйню развели, но можно ПРОСТО блять запитать от любого импульного источника питания на 12в. Хоть от своей пекарни. Всё будет работать. Только подлючать его желательно на выпрямляющий кондёр а не на разъём ,чтоб диоды обойтии не терять примерно вольт напряжения.
Ну и не менее 2А он держать должен офкс.
Аноним 21/03/26 Суб 19:20:13 590370 995
>>590360

У меня в зависимости от погоды на марсе ловится. То жужжит то тишина.
Аноним 22/03/26 Вск 02:19:15 590379 996
Вечер анончане. В общем с владика выцепил прибор. Называется yaesu frg 9600. Может кто по поняткам дать в нос ясности насколько я проебал эти свои несчастные рубли. И стоит ли мне его ставить на полку к остальным?
Аноним 22/03/26 Вск 12:28:35 590398 997
усилок.jpg 1937Кб, 3264x1836
3264x1836
20230311165613.jpg 1311Кб, 3264x1836
3264x1836
firefox5kajPw4B[...].jpg 82Кб, 837x629
837x629
>>590365
Яхтный лак вроде для этого збс
>>590369
Там от импульсного нихера не работало как нужно когда я подключал темброблок пока трансформатор не поставил на нужное переменное напряжение. У меня коонки креатив t7100 тоже подобный блок

Аноним 22/03/26 Вск 12:57:46 590399 998
>>590369
Хотя тут двух полярное питание нужно было >>590398 а не переменное как на колонках.
Аноним 22/03/26 Вск 15:38:26 590407 999
>>590365
>Не особо понял, что еще за "зарядки"
Обыная зарядное устройство для смартфона. Самое дешёвое, как я понял.

>Либо сам защищай, заливай силиконом или эпокси.
Это понятно.

Я ещё пару вариантов нашёл и передал всё скопом. Спасибо.
Аноним 22/03/26 Вск 18:04:16 590415 1000
Зря, наверное, у Ануса позывной не отобрали (или нет?).
Слушал я как-то двойку по WebSDR, в какой-то момент слышу позывной и не сразу, но понимаю, что он знакомый. Смотрю на его голос, а он позывному не соответствует.

В смысле, как я и думал, пока Анус не может постоять за свой позывной - им реально стали пользоваться третьи лица! А это же очередной вид кражи личности получается.

А что этим людям светит, если их поймают? То же, что и за работу без позывного, с опциональной 152 ГК РФ (если у владельца позывного было, что потерять)?
А если кто под чужим позывным не на передачу выйдет, а на условном Брандмейстере зарегается (где скана позывного не требуют)?
(Впрочем, мне тут родственник показывал скан его позывного для СиБи - так это, как будто, просто ламинированная распечатка чёрным по белому, без всякого особого оформления или водяных знаков. Это, получается, "можно" и... а станет Брандмейстер в этом случае уточнять данные у РКН?)

Или, если подойти с другой стороны: можно ли оформить доверенность на работу в эфире третьего лица под позывным доверителя?
Аноним 22/03/26 Вск 20:14:06 590416 1001
>>590343
ставь штатные запчастя - генератр и выпрямитель регулятр или чего там отъебнуло?
1 5в это обычная кренка и элементарная схема с одним кондюком
2 спаяеш навесным монтажем как можно компактней хочеш эпаксидкой залей хочеш теми соплями силиконовыми - стержень в пистолет вставляеца от температуры плавица но в автомото не рекамендуеца применять - не стоек к гсм ну или просто хренолентой обматай
несли будеш заливать то влепи пару светодиводов на вход и на выход сего девайса
Настройки X
Ответить в тред X
15000
Добавить файл/ctrl-v
Стикеры X
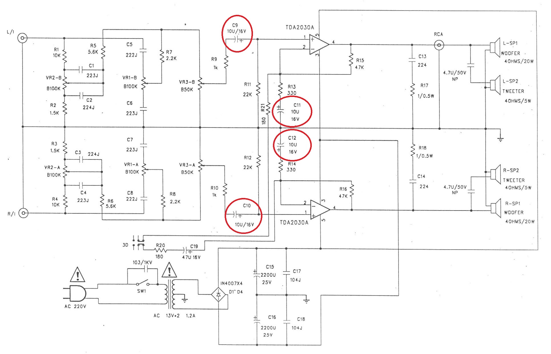
Избранное / Топ тредов