Главная Юзердоски Каталог Трекер NSFW Настройки

Инженерное дело

Создать тред Создать тред

Доска закрыта.

Check this out!
<<
Каталог
РАЗДЕЛ ЗАКРЫТ Аноним 23/06/23 Птн 14:52:44 3618 Ответ
war.webp 26Кб, 1920x1920
1920x1920
Внимание! Раздел закрыт! Проследуйте в /diy/.
Изменяемые в размерах секции для хранения вещей. Аноним 20/05/23 Суб 09:11:51 3608 Ответ
изображение.png 2Кб, 219x189
219x189
изображение.png 1508Кб, 1280x960
1280x960
230427141103.png 1438Кб, 1680x1050
1680x1050
230517053733.png 86Кб, 950x639
950x639
вопрос к инженерам, конструкторам или к умным.

Есть конечная задача:
надо грамотно рассортировать свой хлам.
К хламу я причисляю предметы:
- инструменты
- одежда разная (футболки, свитера, штаны и т.д.)
- компьютерные комплектующие
- провода
- запчасти от всякого бытового
- мелочёвка, много мелочёвки.

Хочу сделать шкафы, ящики совмещающие в себе удобство, систематизацию этих предметов, грамотную сортировку, чтобы был лучший и наглядный доступ к этому всему. + компактность.
Места мало, неизрасходованное место в ящиках шкафа - недопустимая роскошь.

Следовательно вопрос, как это организовать?
По идее, самое очевидное - это измерить каждую вещь, и под каждую из них высчитать место и размер ящика, в частности высоту и глубину, но это пиздец.
Плюс ротация вещей и новых вещей - может перечеркнуть такой способ.

Есть ли такая мебель или конструкционный способ, где мы бы могли изменять размеры ящиков для вещей, в процессе эксплуатации?

Например, с учётом множества мелочёвки, мы сделали в шкафу 20 ящиков высотой по 5 сантиметров каждый. Рассортировали.
У нас появилась новая вещь, высота которой уже выше 5 см - 10 сантиметров.
Мы её в этот ящик уместить никак не можем, ибо перебор.
Но зато она помещается в 2 таких ящиках ( убираем дно )

И обратный пример, была вещь 10 сантиметров, ящики в 10 сантиметров.
От неё мы избавились, и положили вещь в 5 сантиметров, выходит 5 сантиметров простаивают без дела, в одном ящике/отсеке шкафа должна появиться ещё одна полка, которая заберёт половину.
Абстрактно попытался обрисовать.

п.с.Всякие подвесные полки мне не подходят

по итогу должны выйти изменяемые в размерах секции для хранения вещей.
И это должны быть в идеале не полки,а ящики выдвижные.
С одними полками думается попроще задача
Пропущено 4 постов
3 с картинками.
Пропущено 4 постов, 3 с картинками.
Аноним 30/05/23 Втр 05:48:11 3612
изображение.png 742Кб, 1334x500
1334x500
>>3611
>Конечная задача изобрести велосипед, или использовать оптимальные и практичные методы?

конечная задача использоваться по максимум свободное пространство. чтобы оно не простаивало, если полки и ящики будут не по размеру предмета ( теряется выше 50% места из-за отсутствия удобства, размеров нужны )

>>3611
>Кассетные шкафы.
такие как на фото? в магазинах?

>>3611
>прикрути карусель(поворотный стол) и вращай эти кассеты.
не понял о чем речь

>>3611
>Если хочешь рассчитать необходимый объем шкафа - посчитай высоту самого большого предмета и длину(ширину),

пытался посчитать, записывал ДхШхВ, сортировал, по факту ротации вещей, может всё остаться не удел.
а ещё меня в этом вопросе напрягает:
1. что будет какая-то новая вещь, размер которой будет превышать созданное и глубина шкафа пойдёт по пизде, она туда тупо не влезет, хоть новый шкаф делать.
2. что из текущих , например 50 вещей, могут быть 3 быть, скажем 40 см, а остальные47 вещи все 30 см, и из-за трёх вещей будет потеря 10 сантиметров по всей глубине-высоте шкафа.


> или в крайнем случае прикрути направляющие с трещоткой
тут опять же не понял о чем речь, что за направляющие такие?
Аноним 01/06/23 Чтв 05:59:33 3614
Складывание фут[...].mp4 3998Кб, 540x960, 00:00:15
540x960
Аноним 02/06/23 Птн 06:48:10 3615
бамп
Аноним 04/06/23 Вск 06:03:07 3616
.
Аноним 05/06/23 Пнд 10:24:15 3617
Вопросов-ответов тред Аноним 14/10/14 Втр 22:40:48 36 Ответ
9Кб, 392x455
392x455
Задаете ваши вопросы, получаете свои ответы
Пропущено 405 постов
97 с картинками.
Пропущено 405 постов, 97 с картинками.
Аноним 26/04/23 Срд 20:04:26 3598
>>3586
Расчёт ферменных конструкций, считай балками. Нагрузки 2 варианта крайних - жопа ездуна давит гравитацией на седло и опора только на подножки (по полвеса). На ездьбу по ухабам возьми коэффициент динамичности 3-4. Закрепление - штаны вилки и подшипник маятника. Амортизаторы не считай, просто подбери. Вари из круглой трубы, старайся, чтобы одна деталь имела гибы только в одной плоскости. Или не имела вовсе.

В качестве изъёба сделай электротрансмиссию или кардан с дифференциалом.
Аноним 27/04/23 Чтв 20:10:46 3600
чем занимаются инженеры / учёные связанные с техническими науками?

1 электротехника: компы, телефоны, бытовая электроника
2 преимущественно механическая техника: автомобили, самолеты, корабли
3 строительство: зданий, сооружений, заводов
4 добыча полезных ископаемых и их разведка

что я ещё забыл?

химики это технари? или ближе к биологам? она вроде стоит в один ряд с физикой, математикой и информатикой
Аноним 27/04/23 Чтв 20:32:21 3601
5 программисты
Аноним 02/05/23 Втр 12:33:53 3602
>>3600
1. Тебе электричество в розетку откуда приходит? Электростанции, подстанции и прочая шляпа с ЛЭП. Электрические машины - двигатели/генераторы. Источники питания на частоты, отличные от 50Гц. Щитовые, релейные защиты.
2. Промышленная техника, станки.
3. Мосты, вышки.

Твоими примерами заняты единицы
Аноним 30/05/23 Втр 07:02:58 3613
Устроился птошником в газпром. У них паспорта раскиданы по папкам и называны "1", "сканирование", "паспорт". Как они вообще работают? Как можно что-то найти в этом бардаке?
Имею корочку "теплоэнергетика и теплотехника". На данный момент год работаю проектировщиком. Делал ч Аноним 17/05/23 Срд 11:56:10 3607 Ответ
SAVE20230517115[...].jpg 272Кб, 930x525
930x525
Имею корочку "теплоэнергетика и теплотехника". На данный момент год работаю проектировщиком. Делал чертежи марок КЖ, КМ, НВК, ПТ. По факту всего по немногу. Глубоко ни в одной области не разбираюсь. Контора маленькая, занимаемся проектированием всего.
Рядом с местом работы есть огромный завод по производству бумаги и ТЭЦ. Половину заказов приходит от них. Так вот, когда захожу на этот завод просто кончаю от всей этой промышленной эстетики, особенно на ТЭЦ. Кайфую от созерцания работы этого монстра, от осознавания, что это придумал и построил человек.
Думаю валить из своей мухосрани. Из вариантов - на атомную станцию. В Сосновый бор или Нововоронеж. Быть техником, проверять датчики, делать обходы, кайфовать от наблюдения рабочей атомной станции.
Есть близкие к теме люди? Может кто работает на атомке. Как там дела обстоят, что по условиям работы, зп, льготам, может другим плюшкам. За рубеж отправляют станции строить? С жильём помогут, если я из своей мухосрани приеду в их усть-пиздюйск?
ЕСЛИ ВЫ СТУДЕНТ, УЧАЩИЙСЯ НА ИНЖЕНЕРА, И ЗАШЛИ Аноним 05/11/21 Птн 15:34:49 3394 Ответ
DIylUevGrxc.jpg 1021Кб, 1754x2160
1754x2160
fXYWQmymgnk.jpg 1167Кб, 1662x2160
1662x2160
ЕСЛИ ВЫ СТУДЕНТ, УЧАЩИЙСЯ НА ИНЖЕНЕРА, И ЗАШЛИ НА ЭТУ ДОСКУ
УЧИТЕ БЛЯДЬ ПРОГРОММИРОВАНИЕ СРОЧНО
НАХУЙ ЭТО ГОВНО

мимо 8 лет в конструировании

мод закрепи итт
Пропущено 24 постов
5 с картинками.
Пропущено 24 постов, 5 с картинками.
Аноним 02/05/22 Пнд 00:54:27 3481
>>3394 (OP)
Хуй знает, но да.
Мимо-120к-5-лет-опыта
Аноним 11/05/22 Срд 17:37:19 3483
>>3394 (OP)
Ну чо, как теперь с твоим программированием?
Аноним 16/05/22 Пнд 23:40:28 3484
>>3483
Ну да, соснули, получается, все.
Аноним 20/08/22 Суб 12:02:51 3511
>>3394 (OP)
Мне похуй уже. Мне чисто корочку получить. А так да - не любишь въёбывать - не иди на инжиНегра.
Аноним 11/05/23 Чтв 16:55:09 3606
>>3394 (OP)
А щас какая ситуация ? Стоит , нет ?
Хочу спроектировать и построить разумную тентаклю, чтоб автоматизировать процесс щекотания очка. Аноним 11/05/23 Чтв 15:02:14 3604 Ответ
image.png 1083Кб, 876x1600
876x1600
Хочу спроектировать и построить разумную тентаклю, чтоб автоматизировать процесс щекотания очка.
Варианты
1) конструкция на сервах и струнах. Шесть участков, которые управляются изменением натяжения струн. На кончике - ИФ датчик и датчик давления. а если струна лопнет в жопе?
2) конструкция из полимерных колец, состоящих из трёх секторов. Запитка от воздушного компрессора. Колец нужно штук двадцать. высокий пинг
3) пиздец сложная конструкция на эффекте Ампера:
Слойка из диэлектриков с нанесением тонких электродов. Меняя полярность, можно достигать тончайшей моторики. реализация невозможна на домашнем лабораторном оборудовании

Какие подводные?


Аноним 11/05/23 Чтв 15:04:29 3605
Аз есмь К'тулху.
Взрывников тред Калоед 18/01/23 Срд 03:23:37 3571 Ответ
IMG202207290049[...].jpg 239Кб, 1480x1080
1480x1080
Без названия232[...].png 926Кб, 1080x995
1080x995
Без названия322[...].png 1319Кб, 1022x1280
1022x1280
Без названия312[...].png 904Кб, 1074x696
1074x696
С детства всегда привлекала пиротехника, потом делал из труб петарды.
Затем начал изучать именно взрывное дело, попутно читая книжки про СВУ.
Я хочу связать свою будущую профессию с взрывчатыми веществами, т.к. получаю дикий кайф от очередного бума и поднятой пыли.
Есть ли тут аноны работающие в шахтах взрывниками (должность не важна, просто связана с взрывчаткой), в карьерах(как по добыче щебня и металлов), снос зданий и МЧС саперами/военными саперами?
Как и куда поступать в южной части России, чтобы благополучно устроиться взрывником?
Смотрел на сайте азот-взрыв, чтобы к ним устроиться нужна ЕКВ и РГУПС, а так-же среднее полное образование. Но как я понял они чаще берут ребят из Сибири, а с запада России не берут аргументируя это тем, что только жёсткие сибиряки смогут выдержать те климатические условия.
Заранее спасибо
Пропущено 3 постов
3 с картинками.
Пропущено 3 постов, 3 с картинками.
Аноним 23/01/23 Пнд 19:37:06 3574
Аноним 25/01/23 Срд 09:02:48 3576
>>3574
Да, я.
В какой ПТУ или университет поступать, чтобы сдохнуть с оторванной ногой?
Аноним 02/02/23 Чтв 00:55:12 3578
>>3576
На любую специальность с физикой связанной. Лично прошёл всю нужную теорию для бомб за 3 семестра.
Аноним # OP 02/02/23 Чтв 01:32:59 3579
>>3578
Вообще в любой? Если в радиотехнический пойду, я смогу сдать ЕКВ и РГУПС?
Ну вот допустим я 23 летний лоб с ЕКВ и другими бумажками, кто меня может на вахту взять такого еще неопытного?
Смотрел, везде требуют годик опыта.
Кстати, вот эти сайты которые пишут, что можно получить ЕКВ очно, полностью через интернет ты только 10 косарей, это правда?
Заранее спасибо
Аноним 06/05/23 Суб 22:07:47 3603
видела в бауманке специальность «боеприпасы и взрыватели», с баллами егэ не жестят. мб заинтересует
Здравствуйте анонче. Поступаю в вуз в этом году. Стоит два стула - инженер сфера проектирования и ай Няшка 02/04/23 Вск 21:14:40 3587 Ответ
i-1.jpg 34Кб, 475x320
475x320
Здравствуйте анонче. Поступаю в вуз в этом году.
Стоит два стула - инженер сфера проектирования и айти.

Хочу усесться на первый, почти все моё окружение выбирает второй, и айти настолько на слуху, в горле стоит. Я сам верстал странички и пытался в бекенд когда было 14 лет. Для себя интересовался. В том числе надоела неопределённость. 300кккк наносек или 18к годами? кому верить? Риторические вопросы, айти меня не интересует в треде.

Вообщем, решил спросить у вас.
0. Какого работать в проектировании или в другой сфере инженером в 2023?
1.Как часто пробивали анус во время учебы?
2.Как часто пробивали после?
3.Как нашли первую работу?
4.Что самое худшее и лучшее в вашей работе?
5. Зп - стаж работы?
6. Город /область?
7. Что можете себе позволить работая на этой специальности? какой отдых, какую еду, какое жилье?
Аноним 02/04/23 Вск 21:35:54 3588
>>3587 (OP)
почитал доски /ing/. Пойду в айти, бля
Аноним 13/04/23 Чтв 18:58:36 3591
>>3587 (OP)
получать деньги и потерять честь -- айти
не получать деньги и сохранить честь -- инженерно-техническое
Аноним 14/04/23 Птн 20:15:33 3594
>>3587 (OP)
Сейчас нахожусь мастером в цехе в рамках производственной практики. Учусь на специальности "Машиностроение" в подзалупках на севере Казахстана. Получаю 120 тысяч тенге. В рублях это примерно 24 тысячи. Инженеры-конструкторы и технологи у нас получают столько же или больше.
Это к вопросу о зарплате. Ранее никогда не работал. Специалисты и рабочие на предприятиях у нас нужны просто пиздец.
Аноним 26/04/23 Срд 20:06:30 3599
>>3587 (OP)
Иди в проектировщики
Во время учёбы шабашь эникеем
На последних курсах старайся писать диплом не на отъебись, а актуальный
На выходе технарь с навыками автоматизации через пайтон например будет привлекателен работадателю
ЗДРАВСТВУЙТЕ Господа электрики, помогите с курсовой, Аноним 30/10/21 Суб 13:49:13 3388 Ответ
c.PNG 40Кб, 637x469
637x469
image.png 39Кб, 282x289
282x289
image.png 41Кб, 515x219
515x219
Sieppaa.PNG 388Кб, 610x635
610x635
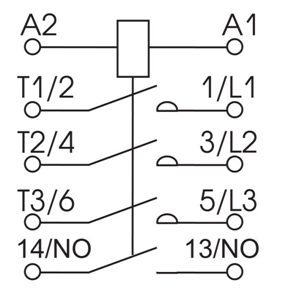
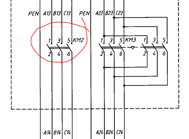
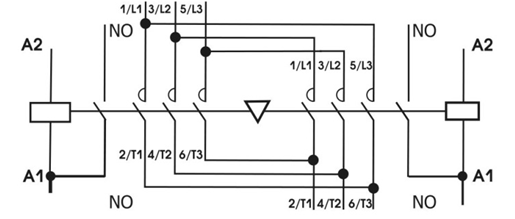
ЗДРАВСТВУЙТЕ
Господа электрики, помогите с курсовой, пожалуйства.
Вот у меня есть два потребителя: Вентилятор и Конвеер.
Нужно подобрать к ним апараты.
Вроде всё подобрал.
Но возникла проблема: необходимо обеспечить дополнительные блоки контактов для контактора.
Что?! Какие дополнительные блоки? Зачем они нужны?
Везде гуглил. Ничего не нашёл кроме общей информации. В учебниках тоже только общую информацию пишут.
Итак, к сути: Сколько нужно дополнительных контаков. Каких, и Зачем?
Найти их смогу, я просто не понимаю, в чём суть, зачем нужны эти контакты.
В интернете нашёл что-то по типу:
-Сообщать системе о положении контактора
-Резервные контакты
-Контакт, чтобы соединить блок контакторов с главными контактами
-контакты чтобы шунтировать кнопку управления.
Буду рад, даже если вы просто назовёте какие-нибудь наводки, что гуглить в такой ситуации.
Пропущено 1 постов
1 с картинками.
Пропущено 1 постов, 1 с картинками.
Аноним # OP 30/10/21 Суб 15:05:37 3389
Аноним 03/11/21 Срд 18:23:21 3393
>>3388 (OP)
А более подробнее есть? Само задание, типовая схема
Аноним 23/12/21 Чтв 16:04:33 3410
>>3388 (OP)
Дополнительный блок контактов, обычно цепляется сверху на основной контактор и в своей конструкции имеет несколько NO/NC контактов для цепей управления или обратной связи
Аноним 15/03/23 Срд 20:33:59 3583
Аноним 14/04/23 Птн 07:05:16 3593
Кароче смари вот видос тебе чел выше кинул, но если тебе коротко надо именно для работы (т.к я нехуя не учился, сразу работать пробки эти ебаные проектировать пошёл) Просто ты хуяришь на каждый контактор бошку и там она всегда одна и та же вроде. Или там два контактора совмещённых сразу с разделением ебаным есть на них вроде две башки не нужны, они в комплекте
5 осей Аноним 27/07/18 Птн 17:09:40 2227 Ответ
DECKEL-MAHO DMU[...].jpg 54Кб, 700x466
700x466
анон, поясни за 5 осей у фрезерных станков

я могу представить себе X,Y,Z, а еще две это как?
Пропущено 2 постов
1 с картинками.
Пропущено 2 постов, 1 с картинками.
Аноним 07/08/18 Втр 20:48:23 2248
Видишь стол на пикриле ,он поворачивается на 360 градусов , это четвертая ось ,а пяти- координатный станок это когда голова в пяти ещё в двух плоскостях работает , стол движется х,у ,а голова по z и ещё наклоняется .
Аноним 23/03/21 Втр 15:50:19 3293
Аноним 21/04/21 Срд 05:50:45 3332
Оси в чпу, это не координатные оси из математики. Есть оси перемещений. Основные X, Y, Z. Могут быть дополнительные. Напимер движение шпинделя к столу это Z, а стол тоже подвижный, и это ось W. А если из шпинделя выдвигается тонкий (менее жесткий, но более всепролазный) это будет уже ось V. А еще есть оси поворотов. A, B, C (соответственно вращаются вокруг X, Y, Z). Например если стол фрезерного станка может наклонятся вдоль оси X, его обозначают осью A.
Обычно под пятиосевым станком подразумевается станок который может одновременно перемещаться по трем координатам и поворачиваться по двум.
А вобще есть много вариантов. Я сталкивался с семи и двеннадцати координатными станками.
Аноним 23/04/21 Птн 13:54:59 3333
>>3332
>Я сталкивался с семи и двеннадцати координатными станками.
Что точишь? На что псотпроцессор к этому чуду похож?
Аноним 03/04/23 Пнд 16:25:08 3589
>>2227 (OP)
Если речь про так называемые "пятикоординатные станки", то суть в том, что у них стол умеет не только перемещаться, но и поворачиваться. То есть у него 5 степеней свободы: перемещение по X, Y, Z и вращение вокруг двух из трёх названных осей.
Анон помоги советом Аноним 28/09/18 Птн 09:04:44 2306 Ответ
image.png 449Кб, 618x543
618x543
Надо соединить поворотную часть газового крана (латунь квадрат ~5,3 мм сторона) и стальной пруток (мягкая сталь 4мм). Попробовал нарезать внутреннюю резьбу м4 в кране, вкрутить туда прут и законтрить длинной гайкой на пруте, но момент затяжки крана выше чем держит резьба. То есть когда я на пределе резьбы затягиваю контргайку, этого мало чтобы открыть кран - соединение раскручивается. Какие еще варианты попробовать?

Сам ни разу не инженер, в теме понимаю не так много.
Пропущено 3 постов
2 с картинками.
Пропущено 3 постов, 2 с картинками.
Аноним 29/09/18 Суб 17:19:42 2309
>>2306 (OP)
или согнуть конец прутка в квадрат, но он скорее всего раззогнется
Аноним 07/01/20 Втр 20:54:16 2549
Безымянный.png 5Кб, 800x600
800x600
>>2306 (OP)
Вроде бы можно простой трубкой <d10мм обойтись. и пару шплинтов
Аноним 07/01/20 Втр 20:59:48 2550
>>2549
Пипец, ответил человеку через 2 года. Вся суть ing/
Аноним 24/07/20 Птн 11:14:20 3171
Аноним 05/03/23 Вск 12:26:02 3581
>>2306 (OP)
герметик для резьб особо сильный. Заебешься раскручивать, скорее пруток свернешь.
Городской купол. Ищем подводные. 28/07/21 Срд 13:17:00 3376 Ответ
BiosphèreMontré[...].jpg 1000Кб, 1600x1200
1600x1200
И так, меня давно терзает идея, что бы хотя бы на один город натянуть купол полимерный. Что бы зимой отапливать не каждое помещение, а целый город.
И так. Во круг города строим 3-4 метровую подпорную стену. Так же, по всему городу вбиваем сваи распалагая их пятиугольниками. Из этих свай, будут выдвигаться телескопическое стойки, а между этими стойками будут пятиугольником лежать балки. Внутри этих балок, будет свернут прозрачный полимерный материал. Который будет натягиватся по периметру пятиугольника, когда стойки будут подняты вверх.
Т.к в городе будет постоянно тепло, мы оставим только грузовой транспорт, всех остальных, мы пересаживаем на электро велосипеды и самокаты
Пропущено 5 постов
1 с картинками.
Пропущено 5 постов, 1 с картинками.
Аноним 12/04/22 Втр 14:36:05 3479
>>3376 (OP)
В нём должны быть потребность, которую нельзя удовлетворить другими методами.

Лучше планировать такой купол на Марсе/Луне, тк там он будет оправдан.
Аноним 14/09/22 Срд 04:44:50 3515
Ну и объëм отапливаемого помещения сразу увеличивается раз в сорок по сравнению с тем, что было. Плюсом пошедшая по пизде влажность и загазованность, а ещë солнце через твой ебучий полимер будет жечь всех как муравьи.
Короче охуенный инжиниринг уровня бэ.
Аноним 18/10/22 Втр 01:43:43 3528
>>3515
Теплоизоляционные материалы, решения и рекуперативная вентиляция кое где в Норильске. Отапливаться будут дома остальное пространство по остаточному прицепу как тот подъезд. У атомов много излишней тепловой энергии случается. А как отработается технология на Земле так и к внеземных областях обязательно уже вчера нужна.
Аноним 23/01/23 Пнд 19:43:31 3575
>>3376 (OP)
Гуглируй аркологи, так-то при грамотном проектировании даже охлаждать придется.
Аноним 31/01/23 Втр 22:57:12 3577
>>3376 (OP)
Ну, если эта теплица будет достаточно лёгкой, вполне вариант для терраформирования Норильска и городов в Гренландии и Антарктиде. И вместо одного гигапузыря поэтапно расширять сеть небольших, по 100-200 метров в диаметре. При этом мембраны ячеек желательно делать двухслойные, чтобы сразу была термоизоляция воздушной прослойкой. Можно будет тропический куророт делать за полярным кругом.

Когда эта технология достаточно широко распространится на земле - экспортировать её на Марс. Там строить будет даже проще, ибо гравитация ниже, а вес конструкций компенсируется давлением внутри купола.
Пацаны, поделитесь опытом Аноним 12/07/19 Птн 21:07:32 2464 Ответ
CMY5ONj7abk.jpg 281Кб, 1558x2160
1558x2160
Проектирование производство и эксплуатация ракет и ракетно-космических комплексов.
Какие перспективы, какие подводные камни? Кто кем работает и как живет?
Пикрандом для привлечения внимания
Если вы из Красноярска - это супер актуально
Пропущено 9 постов
1 с картинками.
Пропущено 9 постов, 1 с картинками.
Аноним 20/04/21 Втр 15:13:49 3331
Бамп
Аноним 28/06/22 Втр 07:48:15 3502
Бамп
Аноним 30/06/22 Чтв 19:00:53 3504
>>2624
Потому что сам закончила, лол. Потому и специальность узкая.

Сексистские шутки-самосмейки за 200
Аноним 09/01/23 Пнд 10:51:54 3563
>>2464 (OP)
Ебучая кома лет на 5-10, вот и все перспективы. Либо закроют нас всех и забудут "что был когда-то в этой стране аэрокосмос"

Инженер-технолог и проектировщик жрд/рдтт
Аноним 18/01/23 Срд 02:58:55 3570
>>3563
РДТТ?
Я слышал, что у нас РДТТ не используют для полетов в космос.
НТЦ ВАЗа # OP 01/11/21 Пнд 10:19:10 3390 Ответ
TechnicalCenter[...].jpg 345Кб, 1296x972
1296x972
397735original.jpg 503Кб, 1400x1050
1400x1050
Суть треда: к нам в универ приходили, агитировали участвовать в программе целевого обучения от АвтоВАЗа, для выпускных курсов (по вечерам доп. занятия, потом трудоустройство и отрабатываешь 1,5 года).

Вопрос к сотрудникам НТЦ: какие подводные при работе там? какое отношение к молодым/неопытным?
Тяжело ли вкатиться? Как с коллективом?
Особенно интересно услышать мнение сотрудников отдела проектирования силовых агрегатов.

Аноним 17/01/23 Втр 01:29:18 3569
>>3390 (OP)
ну и как? вкатился, напиши хоть.
Сап инжач, 1ый курс. ебусь с начерталкой уже несколько Аноним # OP 29/11/21 Пнд 14:08:30 3400 Ответ
изображение.png 68Кб, 220x314
220x314
Сап инжач, 1ый курс. ебусь с начерталкой уже несколько недель. Вообще нет проблем с инженерной частью, типо разрезов и тп. Но геометрическая часть просто остопиздила, нужно сдать 20 заданий, а я еле-еле 6 первых сделал. Помогите анону!
Пропущено 7 постов
1 с картинками.
Пропущено 7 постов, 1 с картинками.
Аноним 17/01/22 Пнд 01:53:51 3442
Скинь задания то с которыми помочь надо
Но по-хорошему,чтобы какой-нибудь мимовасян объяснял тебе эти задачи в жизни
Аноним 31/01/22 Пнд 15:38:03 3445
Аноним 15/01/23 Вск 12:17:56 3565
Малютка ОП вернулся спустя годы.
>>3431 >>3442
сделал за месяц (в день по часику два садился). ИРЛ помогли с душниной самой, под конец семака уже сам помогал малюткам сдать.

>не твоё, бросай.
А мне кажется моё, так как с "практическим" черчением вообще не испытывал проблем, построить там сечения детали, разрезы на бумаге без CADа в принципе не сложно. В голове как-то представляю чё должно быть и всё. Самый крайняк зайти в компас какой-нибудь.
>>3445
нет!
Аноним 15/01/23 Вск 20:08:26 3567
Аноним 16/01/23 Пнд 00:34:23 3568
>>3567
за что два то, ну препод преподович, я учил но забыл, поставьте четыре мне для стипендии
Помогите, куда лучше поступить - на теплоэнергетику и теплотехнику или машиностроение?? Рассматриваю МИФИ, МЭИ. Аноним 12/06/22 Вск 13:57:38 3494 Ответ
worktec.jpg 442Кб, 2048x1076
2048x1076
Помогите, куда лучше поступить - на теплоэнергетику и теплотехнику или машиностроение?? Рассматриваю МИФИ, МЭИ.
Пропущено 4 постов
1 с картинками.
Пропущено 4 постов, 1 с картинками.
Аноним 17/06/22 Птн 13:55:49 3498
>>3494 (OP)
На теплоэнергетику иди. Основы машиностроения тебе там тоже прочитают, что непонятно - у Анурьева с Биргером спросишь. Курса с третьего иди работать по специальности, сначала лучше руками, чтобы потом не конструячить несобираемое.
Учёбу не забрасывай, по окончании (или раньше, по возможности) переводись в ИТР и начинай писать кирпич, без бумажки ктн упрёшься в потолок достаточно скоро.
Аноним 18/06/22 Суб 13:36:22 3499
>>3498
И зачем всё это? Чтобы потом зарабатывать копейки?
Вообще не понимаю, зачем работать в машиностроении в этой стране...
Аноним 21/06/22 Втр 16:15:47 3500
>>3499
Перечитай. Теплоэнергетику советую.
С корочками, если не сидеть на жопе ровно, а бегать с жопой в мыле не путать с мылом в жопе до 35 лет можно вписываться в этой стране в разные блудняки для молодых специалистов (специальные программы, гранты, премии, стипендии) и, если с головой - то что-то и отпилить.
Аноним 16/07/22 Суб 11:40:40 3506
На ядерную энергетику. С ней можно и преподавать, и в проектирование и в эксплуатацию.
Аноним 13/10/22 Чтв 07:23:14 3524
Блять. У меня именно такой же вопрос сейчас стоит. Я на 3 курсе, думаю переводиться с теплоэнергетики или нет.
поступление горная инженерия 31/07/19 Срд 13:55:22 2470 Ответ
IMG201907292105[...].jpg 2660Кб, 3036x4048
3036x4048
шалом. абитуриент на связи. есть выбор между региональным слабеньким вузом (нефтегаз, горное дело, прикладная геология) и питерским горным (горное дело (горные работы)). живу сам в регионе. призываю всех кто работает/учится в данных сферах помочь определиться. есть ли смысл 5 с хуем лет мариноваться в общаге в питере в таком вузе или смысла нет? похуй ли работодателю на то, какой вуз будет написан в дипломе? и опишите примерную ситуацию о наличии работы и зарплате в начале. спасибо.
Пропущено 2 постов
2 с картинками.
Пропущено 2 постов, 2 с картинками.
Аноним 01/11/19 Птн 23:59:22 2505
1
Аноним 22/11/19 Птн 18:53:46 2515
>>2470 (OP)
Тупой, упорный - поступай в Горный

мимовыпускник-97 СПбГГИ (ТУ) им. Плеханова
Аноним 29/11/19 Птн 20:01:26 2517
>>2470 (OP)
Дело в том, что в питерском могут дать более лучшее образование, чем в том, что твоей мухосрани.
10/12/22 Суб 21:02:16 3535
31.Strelyay.mp4 3328Кб, 230x320, 00:01:50
230x320
Аноним 13/12/22 Втр 19:12:26 3541
>>2470 (OP)
Не учился в нём, но работал. Горный - заебок. Заведение очень богатое, постепенно старается разрастись как опухоль по Ваське, занимает историческую недвижимость, ремонты свежие. Будешь хорошо учиться, покажешь результат, до 35 лет можешь присосаться к грантовой кормушке.

Ну или в добычу, да, но там на севера надо будет гонять, жопку морозить. Да и здоровье посадишь - в Заполярье тоже работал, в Ленинбурге понравилось больше, лол.
Аноним 14/10/14 Втр 21:51:25 7 Ответ
8Кб, 320x240
320x240
Я в десятке на инженераче, будет что внукам рассказать.
Пропущено 48 постов
4 с картинками.
Пропущено 48 постов, 4 с картинками.
Аноним 16/10/22 Вск 23:22:54 3525
1665951773278.jpeg 45Кб, 825x845
825x845
Я хз где дея,венн клозмаз майайз.Ебу матрас.
Аноним 16/10/22 Вск 23:26:20 3526
1665951979368.jpg 52Кб, 780x520
780x520
Если не не упомнитите Стёпу то та вашо очко полыхныхнёт.Пидарасы блядь.
Аноним 16/10/22 Вск 23:28:15 3527
Вшивовое говно.
27/02/23 Пнд 18:34:19 3580
👇
26/04/23 Срд 13:16:02 3596
Нефтяники на месте? Аноним 22/08/22 Пнд 23:18:40 3512 Ответ
image.png 1450Кб, 1110x1110
1110x1110
Сап, двач, в этом году поступил на инженера нефтегазового дела, всегда интересовался этой темой, да и прибыльно, хуле. Какие предметы надо хорошо знать? Какие подводные у профессии? Если у кого есть литература по теме буду оч благодарен
Аноним 23/08/22 Втр 11:50:23 3513
Какие предметы сдавал?

мимо школьник
Аноним 02/10/22 Вск 15:33:16 3523
>>3513
Математика профильная, русский язык, физика или информатика
не оп
Сап, двач. Задумал я сделать самодельное водяное Аноним 23/11/21 Втр 17:36:04 3398 Ответ
СВО.jpg 120Кб, 543x548
543x548
Сап, двач.
Задумал я сделать самодельное водяное охлаждение. О рациональности не говорите, сам знаю, что "нилезь убьёть потичёть всё зальёть".
Объяснения и вопрос по пикрилу. Жидкость качается против часовой. От водоблока проца горячая вода идёт в расширительный блок. Делать замкнутый контур не хочу, потому как воздуха в контура не избежать, да и в планах изредка подкидывать в систему кубики льда из теплоносителя. Потом из банки воду выкачивает аквариумный радиатор, закидывая её в радиатор. Вопрос в том, будет ли насос прокачивать радиатор, или нет? Если в одной плоскости поставить, то норм ещё, но будет место занимать, и каркас под радиатор придётся пилить. Ещё есть мысля замерять сколько этот насос качает по трубе ровно вверх, отступить от максимума, и загнуть вниз, ибо в школьные годы что-то слышал про закон Архимеда, как там стаканом воды бочку рвали. Сработает ли?
Ссыль на насос https://sunsun.ua/p/178-sunsun-hj-111b.html
Аноним 29/09/22 Чтв 12:32:48 3520
>>3398 (OP)
Перистальтический насос ставь. Он пошумнее, зато нечувствителен к работе насухую, раз ожидаешь воздух.
Если воду распыляешь, то радиатор в принципе не особо нужен, гугли градирни.
Настройки X
Ответить в тред X
15000
Добавить файл/ctrl-v
Стикеры X
Избранное / Топ тредов