Главная Юзердоски Каталог Трекер NSFW Настройки

Радиотехника

Ответить в тред Ответить в тред
Check this out!
<<
Назад | Вниз | Каталог | Обновить | Автообновление | 101 11 63
Работы и карьеры тред /work/ Аноним 08/07/25 Втр 01:40:04 579809 1
image.png 816Кб, 1249x856
1249x856
image.png 474Кб, 410x600
410x600
image.png 720Кб, 680x946
680x946
image.png 526Кб, 1539x1064
1539x1064
Работы и карьеры тред

Обсуждаем карьерные перспективы, вакансии и все прочее, связанное с реальной РАБотой в сфере электроники, радиотехники и схемотехники.

Тред будет находится в /ra/, а не в /wrk/, т.к у программистов есть аналогичный тред на доске /pr/
Аноним 08/07/25 Втр 01:41:30 579810 2
Заодно задач вопросик - в какие компании лучше всего устроиться, чтобы найти работу в области разработки электроники для ж/д техники и поездов? Кроме очевидной РЖД эксплуатации
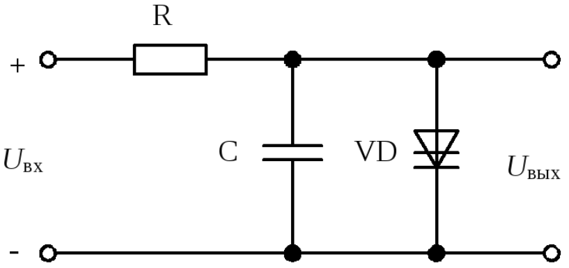
Аноним 08/07/25 Втр 15:50:22 579833 3
Объясните слаботочнику смысл последней
Аноним 09/07/25 Срд 04:21:38 579841 4
>>579833 Очередной высер гумунитария начитавшегося чатгопоты.
Первое обычный выпрямитель с умножителем для переключения 110/220в. У него хреновый коэффициент мощности.
Второе классический выпрямитель и корректор мощности. Применяется в любом современном блоке питания от 100вт.
Третье хуета из учебника, типа интеграция ККМ и выпрямителя два в одном. Но на практике это слишком сложно и дорого. Изолированное управление, дешевые игбтшки не поставить итд. Тут нужна цифровая программируемая шимка, GaN ключи для медленного плеча и 2-4шт SiC для быстрого.

Реально применяемые решения это interleaved pfc, т.е два параллельных ККМ, актуально при мощностях от киловатта.
Сильно редко (в новых серверных бп) можно встретить bridgeless interleaved pfc, это схема с третьей картинки но для верхних ключа заменены диодами и дросселей два.
Аноним 20/07/25 Вск 20:50:08 580314 5
image.png 499Кб, 1080x1080
1080x1080
Важно - необходимо наличие права на работу в списке указанных стран и знание английского языка.
Аноним 21/07/25 Пнд 19:14:20 580353 6
>>579841
Я конечно из /sdr/ треда и нихуя не понимаю, но мне кажется, это не БП, а частотник для управления трёхфазным дрыгателем
И 4 транзистора лучше, чем 4 диода, т.к. у транзюков КПД выше??
Аноним 22/07/25 Втр 06:49:19 580362 7
>>580353
Ну да, у диодов КПД ниже чем у транзисторов
Аноним 02/08/25 Суб 22:53:48 580748 8
SUP
Прощупываю рынок вакансий (Регулировщик/Настройщик РЭАиП, Испытатель ДиП и подобное) в сфере систем связи, точного времени и навигации в ДС2 и чего-то путного не вижу. Вакансии достойные на ххру есть, при этом висят они долго и откликов на них миллион, но они не закрываются, что выглядит странно. Моё же резюме даже не смотрят, а предложения которые поступают, какие-то совсем слабые по зп. :)))
Может кто-то может что-то предложить?
У меня есть хорошие навыки и опыт на линии SMD-монтажа (сейчас на ней и батрачу), по настройке и испытаниям изделий, умею в осциллограф, мультиметр и анализатор спектра.
В частности, работал с 5 и 9 приемками.
Аноним 03/08/25 Вск 13:00:10 580758 9
>>580748
>при этом висят они долго и откликов на них миллион, но они не закрываются, что выглядит странно
Потому что приходят такие типа тебя, которые "Ну СМД паять умею, переменник подстройки сопротивления могу покрутить, если он есть, а еще умею сигналы на осциллографе смотреть".
Тебе говорят "О, кстати о сигналах. Вот тебе ручка, листок, набросай схему простейшего генератора пилообразных сигналов?".
И ты делаешь пук-среньк.
Аноним 03/08/25 Вск 14:01:58 580759 10
>>580758
Я за генерацию, модуляцию, прием, передачу и остальные моменты пояснить могу. Неплохая теоретическая база имеется, короче. Трабл в том, что отклики не просматривают и в нормальные места не зовут чтобы об этом можно было хотя бы просто поговорить.
Аноним 04/08/25 Пнд 02:59:19 580771 11
>>580758
У техника обычного такого уровня знаний не должно быть, если он не устраивается инженером или схемотехником. Это же рядовая тяговая лошадь
Аноним 23/08/25 Суб 13:36:19 581498 12
>>580771
Это если устраиваешься в компанию с 1000+ сотрудников. Когда же приходишь тестировщиком в 99% остальных компаний, то будь готов не только тестировать, но и сочинять-паять себе стенды и на дурдуине набрасывать себе тестирующие программы. Потому что схемотехник в конторе один, а вас много.
Аноним 24/08/25 Вск 06:17:10 581515 13
>>581498
Зависит от компании. Не во всех мелких компаниях техник должен делать такого рода задачи.
Аноним 28/08/25 Чтв 21:57:53 581734 14
>>581498
Вдобавок тянуть на себе ОКРы, решать проблемы с рекламацией, разговаривать с заказчиком, ебать себе и другим мозги за нарушение техопераций прописанные в КД, по мне так работать в лабораториях инженером-испытателем более чильно(но менее прибыльно), чем в производстве серийник и даже мелкосерийки
Аноним 02/09/25 Втр 19:13:45 582072 15
>>580748
>на линии SMD-монтажа
И как оно? Какие подводные?
Аноним 02/09/25 Втр 19:14:26 582073 16
>>581734
>>580758
>о кстати о сигналах. Вот тебе ручка, продай мне её!
Аноним 04/09/25 Чтв 10:33:03 582153 17
>>579809 (OP)
А как в сфере дела обстоят с фрилансом/удаленкой? Я так-то 1 год как из вуза радиотехником выпустился и только на заводе поработать успел инженерным шнырем. Слышал, что раньше можно было для заокеанского барена платы разрабатывать, но после начала гойды тему вроде бы прикрыли. Мне так-то больше в кайф на производстве ручками платы иметь возможность щупать, но все равно перспективы в этом плане узнать было бы интересно да и пока что не умею я толком нихуя так-то
Аноним 04/09/25 Чтв 10:44:59 582155 18
>>580758
А у тебя есть предложение "простейшего генератора пилоообразных сигналов"?
Я поискал, не такой-то это случай чтобы это была тривиальная схема или несколько схем! Максимум что самое простое нашел, на однопереходном транзисторе.
Аноним 04/09/25 Чтв 12:25:05 582157 19
>>582153
Почти нигде нет, особенно со старта.
Качай скилл, учись делать устройства целиком, тогда можешь с кабанами на любой график договориться.
Или в какой-нибудь стартап иди, щас в околовоенной сфере их куча, адекватные растут очень быстро.
Аноним 04/09/25 Чтв 18:41:17 582177 20
>>582155
Я не он, но что тут сложного? Просто интегратор (постоянного напряжения/тока) со сбросом. В качестве интегратора - например конденсатор подключенный к источнику тока (самое простое это транзистор в активном режиме или даже просто к источнику питания через резистор). А сброс - разряжать конденсатор транзистором в ключевом режиме.
То есть самое простое это транзистор включенный общим эмиттером, а между к-э конденсатор. На базу подавать короткие импульсы с конденсатора.
Аноним 08/09/25 Пнд 01:40:00 582380 21
dD40.png 15Кб, 817x386
817x386
>>582155
> "простейшего генератора пилоообразных сигналов"
Ультрапростой, но нахуя? Обычно к генычу предъявляются ещё какие-либо требования, кроме генерации.
Аноним 28/12/25 Вск 22:50:06 586892 22
>>579809 (OP)
Без диплома можно найти работу инженером электроники или импоссибл?
Аноним 29/12/25 Пнд 13:09:00 586893 23
>>586892
Тут почти как с айти болотом - в госсекторе, или на заводе хуй будешь сосать без диплома, а в частные компании по скиллу берут.
Если хороший спец, но без диплома - работу найти не проблема.
Аноним 08/01/26 Чтв 19:54:51 587248 24
document5348288[...].mp4 7456Кб, 624x848, 00:00:36
624x848
Учусь на радиотехника, неужели мне суждено быть обосранным батраком 5/2 60к/мес ?!
Аноним 08/01/26 Чтв 21:18:33 587252 25
>>587248
Такие зарплаты только студентам стажерам платят. Средняя зарплата электронщика ближе к 150-230к
Аноним 09/01/26 Птн 18:08:01 587289 26
>>587252
И тут ты такой с пруфами.

Мимо эникей 200т. на вахте
Аноним 09/01/26 Птн 21:01:11 587302 27
>>587289
нууу на хх.рю вакансии есть... пук...
Аноним 10/01/26 Суб 01:29:21 587336 28
>>587289
>>587302

Ну ты эникей на вахте, а я говорю про нормального инженера электроники с дипломом вышки и с опытом 3-5 лет, у второго в должностных обязанностях есть трассировках печатных плат, топология, программирование МК и прочее.
Аноним 10/01/26 Суб 08:19:57 587346 29
>>587336
в регионах такому больше 80 не платят
Аноним 10/01/26 Суб 23:30:00 587369 30
>>587346
В регионах тоже норм платят, просто не иди в помойные компании где тебе готовы платить 80к лол. Ты сам то искал сейчас работу в электронике? На фоне визгов об импортозамещении и производстве дронов ща с обосранной сракой начали норм зп предлагать в этой сфере.
Аноним 11/01/26 Вск 07:41:58 587372 31
>>587369
У нас есть региональная программа грантов, короч я не могу работать никем кроме инженера-конструктора 2 года. Электронщику такую должность могут в трудовой написать?
Аноним 14/01/26 Срд 10:01:55 587516 32
Аноним 17/01/26 Суб 03:29:01 587604 33
Аноним 20/01/26 Втр 11:16:02 587720 34
Работать по диплому будучи инженером электроники или попытаться пойти в аспирантуру по пути науки и прикладной физики?
Аноним 22/01/26 Чтв 18:03:40 587791 35
>>579809 (OP)
Поясните, что на четвёртом пике.
Я мимо проходил просто.
Аноним 11/02/26 Срд 14:17:06 588315 36
Куда поехать работать зарубежъ? Умею почти все чиню ноуты со смартфонами и чуть чуть кодить стмки
Аноним 11/02/26 Срд 14:23:43 588317 37
>>587791
Преобразователь из однофазного в трехвазное эликтричество. ЧТоб асинхронники крутить
Аноним 15/02/26 Вск 10:16:21 588538 38
>>588317
>Преобразователь
С двухполупериодным, мостовым и мостовым управляемым выпрямителем
Аноним 15/02/26 Вск 16:20:51 588547 39
>>579809 (OP)
Анон помоги <b>тред про ГОЛОВКУ САМОНАВЕДЕНИЯ </b> был тред. поделись ссылко на архивач или файлами с того треда . помогите аноны очень нужно
если что почта abcmus собака yandex ру
Аноним 15/02/26 Вск 16:39:13 588548 40
>>580748
на рязанский радио завод пойдешь 50 к оклад. бабки сраки после пту паяют годами одну и туже плату . годами. им уже похуй транзистор- тиристор они годами паяют одну и туже плату 50к.и да делают военые радиостанции
Аноним 15/02/26 Вск 16:42:37 588549 41
>>579809 (OP)
знакомый чинит айфоны. все подряд на похуй лет уже 10. набирает под сотку телефонов в месяц. от нескольких СЦ и с улицы от знакомых. говорит 150-200к чистыми выходит
гарантия от СЦ, не гарантия - похуй. айфоны неси сломаные. залитые любые и детали подвози мешками. заебал.
Н вы можете дальше дрочить свои сборочный линии уровня сотни монтажиц на окладе 50 к паяют одну и туже плату годами на опхуй. удачи ага
Аноним 15/02/26 Вск 16:47:11 588550 42
>>587248
да. это смерть и тлен. чинит айфоны. или швабройды. набьеш руку в дроченом сц в подвале и погнали нахуй, про чела писал тут я, мой знакомый >>588549
надо ли говорить что этот чел и на оборонке работал по дроченым комнадировкам летал во всяки засратовы с госишкой и бухлом
приезжал и знаешь че ? менял котнрол дисплея мертвый в какойто военной йобе. за это выставлями сотни тыщ ремонта по гарнатии. , бухал 3 дня и улетал обратно .
а еще значешь че рассказывал ? встала пиздецома по прибору на ! bga мозгах . трафаретов нету микруха секретаня от пиндосов там целая планерка. начальники цехов и замы. хуе мое . сделать надо иначе пизда. чел посотмрел на этот цирк. поше л цех на полу коленке на киатйском нижнем подогреве перекатал зареболил -все ожило - говори тну воят сдела готов оидите проверайте. бюрократы хуевы. и да я жду премию за пол дня работы.
конечно е ему выговор оних нахуй всхе послал ушел дальеш чинить ацфоны .
Аноним 17/02/26 Втр 21:03:02 588658 43
>>588549
Где искать клиентуру?
Чиню знакомым бесплатно по гайдам ютуба
Аноним 18/02/26 Срд 08:54:50 588675 44
image.png 491Кб, 833x548
833x548
>>588658
ты так и будешь дальше беспалтно чинить знакомым удачи.
вобще есть правило со своими не работают.
пока ты домашний мастер дрочила ты так и останешся челом который чинит за еду
любой угол в тц сц или в подвале тц ну где блят ьвсе ремонтеры сидет йобаный ты в рот дурачек .
в педант ру дроченый устройся охуе от потока быдла..
внезапно сц как шаурма . 1 точка врядли прокормит кабана а вот 2-3 уже да а еще от мастера зависит .а мастер сн абитой рукой и опытом на хую вертел работать на кабана
этих шарашек как грибов же
Аноним 21/02/26 Суб 15:03:47 588760 45
>>588675
Так иди и чини сам, мудак. Потом скрин пришлёшь с балансом
Аноним 25/02/26 Срд 12:01:17 588933 46
>>588550
Нахуй айфоны чинить, гемморой ещё тот, ещё и скучно. Даже в проперженом НИИ лучше работать чем в ремонте
Аноним 16/03/26 Пнд 19:19:07 590021 47
IMG202601030105[...].jpg 139Кб, 948x1280
948x1280
Где-то осенью в октябре создавал тред про перекат в электронку... Но спустя полгода только ощущение тупика, все равно не знаю куда конкретно податься. И интерес чувствую умирает без какого-то подкрепления, ощущение, что уже заставляю себя через силу этим заниматься.

Мое местоположение — ДС, один из множества ЖК "новой Москвы" в полях. Варианты "сменить локацию" (в Зеленоград, в ДС-2, в мухосранск) — сразу отсекаем, ибо это влезать в аренду.

1) Чистое embedded программирование под stm/esp или писать c/c++ под линукс ядро на одноплатниках — не особо интересно. С вероятностью 80% там опять будут классические IT-процессы с agile/scrum, тасками в jira, спринтами, созвонами и прочим этим дерьмом, от которого хочется уйти. А если этого нет — то это автоматически значит, что ты попал в ВПК с подписками о невыезде, проверками ФСБ, медико-пчихтатрическими комиссиями и прочими вытекающими из этого...
2) Лично мне хочется что-то ближе именно к железу и схемотехнике, и именно разработки. Но в силу долгого цикла pcb и макетирования, от этого очевидно максимально отказываются в "гражданском секторе" в угоду одноплатников с модулями и типовыми референс дизайнами питания и подключения, дабы максимально оптимизировать time to market насколько возможно. И потому разработки pcb в не-ВПК сферах мало. А если она есть, то это какие-то узкие сферы, по которым на ХХ либо только вакансии с опытом 3-6+ лет. Либо вакансий и вовсе нету: только вузы и внутренняя сарафака. А сам ХХ по этой теме на 90% забит сортами ВПК.
3) Идти ремонтировать нормисам айфоны — категорически нет. Как уже сказали выше в посте, это скучно и полный labour с постоянным мышечным повторением определенной последовательности действий без какого-либо творческой компоненты. Ну ещё и с нормисами общаться постоянно.
4) Есть ещё конечно FPGA, и это вроде бы даже интересно, но это крайне узкая сфера. Вне ВПК количество контор в этой сфере пересчитать по пальцам. И по сути если тебя не взяли в какое Yadro, T8 и прочий около-телеком, то остаётся только ВПК безальтернативный со всеми вытекающими, которые описаны в пункте 1.

Биться лбом в ойти категорически нет желания. Да и на самом деле в 2к26 это уже не имеет смысла туда биться , по большому счету для людей там остаётся только поддержка легаси и гигантской корпоративной инфраструктуры в каких-то бигтехах. А для начала новых проектов и продуктов малых-средних кабанов вайбкодинг на ллм агентах уже сейчас экономически прямо намного выгоднее.

И вот не знаю я какую кашу сварить. Можно ли как-то вообще разрулить это при условии, что официального опыта трудоустройства к 26 годам у меня до сих пор нет? Или мне уже просто смириться с тем, что никаких других сценарием кроме "кочевать по пвз/складам/продаванам/курьерам, а железки ковырять исключительно как бесконечное хобби" у меня нет, если я не пожертвую на какие-то сложные для себя уступки (соглашусь на ВПК с подписками и проверками, соглашусь на скучный ремонт айфонов, соглашусь съехать и снимать хату в ДС-2 или Зеленограде, соглашусь потерпеть ITшный кал с Agile)?
Аноним 16/03/26 Пнд 22:36:00 590027 48
>>590021
иди в энергетику
Аноним 17/03/26 Втр 03:19:32 590037 49
>>590027
А если поточнее? Силовуху делать? Ембеддед системы управления для той же силовухи? Или на вахту гнать нефтяннико-газовиком (тоже энергетика хд)? Или на на лэпы, в трансформаторы лезть (что тоже сука характерно энергетика)?
Аноним 17/03/26 Втр 14:03:59 590062 50
>>590021
Айфоны тебе скучно ремонтировать? Ремонтируй промэлектронику, хуярь все подряд и частотники и ПЛК, ЧПУ и все подряд. Скука сразу развеется и потянет к созвонам
Аноним 17/03/26 Втр 14:59:26 590078 51
>>590062
Ну в принципе вполне вариант, тут разнообразие есть, работаешь с разным зоопарком, разными схемами и во все надо вникать как работает, а не просто "сменил модуль". Но тогда из этого несколько вопросов:
1) Где и как курить про разные частотники, плк, чпу, ну чтобы как-то более систематизировано было, а не просто сложным чтением разрозненных даташитов без системы? Может какие-то профильные каналы есть?
2) Как туда пробиваться и может что можно еще конкретное смотреть, кроме ебучих ХХ и агрегаторов?
3) А насколько реально из этого вырасти уже в разраба? Возможно ли условно годик поремонтировать частотники и потом, если это какая-то контора которая не только обслуживает, но и свое пилит, упросить взять разрабом?
Аноним 17/03/26 Втр 18:03:35 590097 52
>>590078
Тебе сейчас сколько лет и что ремонтировал вообще, что конструировал. Что с физикой и что с паяльником, с какими приборами работал?
Аноним 17/03/26 Втр 21:16:26 590105 53
Сап двач. Сейчас заканчиваю бакалавриат по промэлектронике и волнуюсь по поводу поиска работы. Меня сейчас больше всего интересует силовая электроника, умею программировать stm(но не хочу, ибо душно), да неплохо разбираюсь в аналоговой электронике. Насколько реально найти вакансию начального уровня схемотехника в силовухе в Питере(планирую переехать после выпуска)?
У меня из опыта есть лишь диплом, где делал обратноход(на uc2844) в качестве питания системы управления для диплома(документация вся + макет чего то похожего на тему диплома), остальные топологии преобразователей только в теории(моделил в ltspice)
Аноним 17/03/26 Втр 23:54:55 590107 54
>>590037
>С вероятностью 80% там опять будут классические IT-процессы с agile/scrum, тасками в jira, спринтами
Это все рано или поздно придет, но честно говоря в большинстве компаний (даже гражданских) такого нет, там до сих пор код в зип архивах могут хранить вместо гит систем, а про спринты и эджайл там вообще не слышали кек. Но

>А если поточнее? Силовуху делать? Ембеддед системы управления для той же силовухи? Или на вахту гнать нефтяннико-газовиком (тоже энергетика хд)? Или на на лэпы, в трансформаторы лезть (что тоже сука характерно энергетика)?
ну смотря что тебе больше по душе. Если тебе не нравится схемотехника и разработка железа, то остается либо эмбеддед, либо энергетика. ФПГА очевидно мимо, ибо это чуть ближе к информатике чем к железу.

Вообще вакансий схемотехников и разработки различных печатных плат в РФ довольно много, просто оплата труда скорее всего будет посредственной в первый год-два. Может ты не по тем тегам ищешь? Ну типо можешь искать по тегам "инженер электронщик" "инженер электроник" "схемотехник".

К сожалению электроника в РФ это узкая сфера где много военки, но найти что-то годное таки можно. Вопрос лишь в том понравятся ли тебе зарплаты.
Аноним 17/03/26 Втр 23:56:01 590108 55
>>590105
> Насколько реально найти вакансию начального уровня схемотехника в силовухе в Питере(планирую переехать после выпуска)
Ну попробуй изучить рынок труда, пооткликаться на вакансии. У вас там нет ярмарки вакансий что ли? У нас обычно сами рекрутеры пригласили и даже подбирали себе "души" из числа желающих студентов на последних курсах.
Аноним 17/03/26 Втр 23:56:17 590109 56
>>590108
>пригласили
приглашали*
Аноним 18/03/26 Срд 00:02:39 590110 57
Замечаю в последнее время много электронщиков, которые устали от айти и типичной айти культуры, включащей в себя подобие галер, постоянные спринты, созвоны и эджайл разработка, КРУДошлепство и бэкенд разработка сайтиков, поэтому хотят найти наиболее дистанционную от айти-культуры работу. Я думал только я один такой кек.

Но с другой стороны пока найм есть и нормально платят - почему бы и там в айти не работать, ибо деньги то не пахнут. Я сам работал в эмбеддед и десктоп сфере и писал различные UI приложения для демонстрационных экранов и панелей на C# и С++. Работа была скучной и хуевой, да еще и опыт потом некуда было применить (в резюме этот опыт считай можно было оставить и приврать что работал с чем то релевантным новому месту работы, но чисто практически - опыт был совершенно бесполезным, ибо в 2025 году это мертвый стек абсолютно), но зато платили нормально.

Но айтишечка сейчас умерла и вкат в сферу электроники выглядит менее безумным чем вкат в айти.
Аноним 18/03/26 Срд 00:10:27 590112 58
>>590097
26 лвл. Ну в плане физики дауном не был. В вузике ТОЭ у меня было, вспомнить уже все успел. Паяльник есть, но пока опыта пайки не особо много, смд мелочь и soic миркосхемки припаивал, но пока что получается только с кучей матов. Простенький полевой осциллограф тоже есть, уже на нем отлаживал простенький шим регулятор и 4led коды.
Аноним 18/03/26 Срд 14:33:29 590138 59
>>590112
Ну толково, но с ходу на поток не сядешь. Попробуй расширить лабораторию дома и поремонтировать что-то типа платы управления с котла, водяного насоса, инверторную сварку. Разберись с блоками питания до состояния что сможешь объяснить назначение любой детали. На этом этапе если не бросишь прикидывай куда пойти работать, скорее всего уже поговорят с тобой и возьмут под развитие. Паять надо уметь хорошо (Т245 и воздух в основном), быстро вникать в принцип работы ремонтируемой техники, уметь работать без схем по даташитам видимых компонентов и в целом ремонтировать. Город большой за окном? Промышленность есть?
Аноним 18/03/26 Срд 15:48:21 590149 60
>>579809 (OP)
Те кто говорят "в разработке электроники и электронных схем, схемотехнике ничего нового нет и работа там довольно монотонная и однообразная", а в другой области как-то иначе? В программировании все тоже самое, в большинстве случае ты используешь готовые библиотеки и фреймворки (как строительные блоки или "каскады" если сравнивать с электроникой) для разработки чего-то нового и сложного на их основе, используешь такие же монотонные конструкции для ускорения разработки. В программировании ведь большинство вакансий заключается в разработке очередного однообразного CRUD приложения на NodeJS/Laravel фреймворке, где все уже было написано сотни раз до этого. Если хочешь делать не блоки питания или усилители по готовым референсам, а что-кто концептуально новое и с нуля, то таких вакансий в электронике довольно много, особенно если это небольшие стартапы и RnD.

Например кждый отдельный блок в Game Boy это стандартный каскад, который скорее всего описан в любом учебнике. Но спроектировать Game Boy из множества таких каскадов - это инженерный дизайн. Или возьми Flipper Zero - там нет ни одного уникального компонента, всё стандартное. Креативность в том, что кто-то додумался собрать их вместе именно так.
Аноним 19/03/26 Чтв 15:00:42 590264 61
Как податься работать за рубёжъ? Умею чинить материнки на самом деле в процессе обучения и кодить аврки с стмками при помощи джипити
Аноним 19/03/26 Чтв 20:04:48 590298 62
>>590264
Желательно иметь профильный диплом ВУЗа (в крайнем случае просто технический диплом, либо курсы повешния квалификации) и хотя бы небольшой опыт (минимум год), а дальше можно на линкедин создать профиль как Hardware Engineer, Electronics Engineer, Electrical Engineer и подаваться на различные зарубежные вакансии.

Учти что без хотя бы минимального стажа работы тебя вообще никуда не возьмут, ибо помимо тебя есть куча таких же ушлых, но из шитхолов типо Индии. Диплом тоже крайне желателен, но в целом не конец света если его не будет.
Аноним 19/03/26 Чтв 20:06:56 590299 63
>>590298
Алсо, если не хочешь ехать в шитхолы типо Казахстана и Грузии, то даже с наличием диплома и небольшого стажа работы (+- год) искать работу за рубежом, находясь в России, ты будешь очень долго, ибо конкурецния довольно сильна.

Если знаешь немецкий на уровне C1 и есть стартовый бюджет для аренды жилья в Гермахе, то можешь залутать немецкую Chancenkarte, там сейчас много инженерных вакансий. Эта виза дает тебе право на поиск работы уже находясь на территории Германии в течение 6-8 месяцев вроде.
Аноним 20/03/26 Птн 02:21:10 590310 64
>>590138
Ну какие-то производства совсем от меня не в шаговой доступности. Вокруг только леса, дачные поселки, поля и другие острова муравейников вдалеке. Откуда мне эти все платы брать сварочных инверторов и котлов брать я тоже не ебу, не на лохито же идти, где будет кот в мешке и нормисы, которые тебя будут постоянно пытаться в чем-то наебать. Ну и пока как-то звучит как другая вариация "попили ещё пару месяцев пет проекты и ток потом вкатывайся"...
Аноним 20/03/26 Птн 09:42:43 590319 65
>>590298
>>590299
Диплом электронщика ПТУ, но попыт работы только электриком. В шарагге нихуя не учили поэтому работал не совсем по профилю
Аноним 20/03/26 Птн 13:19:48 590329 66
>>590310
Ну не пили ничего, вкатывайся сразу. На собесе чего будешь мычать? Если у тебя в радиусе 100 км нету промышленности, а одни леса и поля так там и ремонтировать нечего. Чем тебе лохито не угодило, тебе нужен хлам зубы поточить, как тебе наебут? Кирпич пришлют вместо платы? Ну так бери авито доставкой, на ПВЗ 15 минут есть чтобы убедится что тебе прислали плату после гидропресса и делать с ней нечего, отдай ее нахуй и деньги тебе вернуться. Ты же сам писал что ремонтом электроники не занимался вообще, опыта пайки мало и т.д. Как ты работать-то будешь? Перспективы роста в разработчики, творческий полет мысли, должность замархитектора матрицы. Может сначала из компьютерного ИБП лабораторник себе сбацаешь?
Аноним 20/03/26 Птн 14:15:27 590331 67
>>590329
Да я в целом все понимаю... Просто лично у меня так вышло, что я довольно долго находился в состоянии "бесконечного пет проекта", что я от этого уже сам устал и необходимость задерживаться в этом состоянии ещё дольше уже убивает мотивацию что-то делать вообще в принципе... Уже вообще нет чувства, что это меня к чему-то приближает... И ещё большую фрустрирую от того, что если мне будут нужны мани, то прямо сейчас у вообще как будто вообще никаких альтернатив, кроме как ебашить на неквалифицированную дноработу уровня курьера/пвз/склада/продавана. Потому не знаю как быть...
Аноним 20/03/26 Птн 14:38:53 590333 68
>>590331
Пометка. Мотивацию в том смысле я именно получаю дофамин в результате процесса действия. А не просто делаю из под палки, потому что зачем-то "надо" или чисто избежать каких-то негативных последствий.
Аноним 20/03/26 Птн 15:31:33 590336 69
>>590319
>Диплом электронщика ПТУ
Ну уже неплохо. А пробовал вкатиться в местные конторы инженегром электронщиком? Ну те которые совсем без попыта берут и из требований только умение сидеть за компом и понимание первого курса ТОЭ?
Аноним 20/03/26 Птн 15:53:51 590338 70
>>590336
Нет, мне и электриком неплохо (100к) платят. Может есть способ в какой нпибудь сербии или вьетнаме стать ип ремонтером?
Аноним 20/03/26 Птн 15:58:28 590340 71
>>590331
Это хорошо что ты трезво оцениваешь. Тогда вкатывайся в полубытовуху. Опять котлы (довеском водяные контуры, чуть-чуть газ), насосы скважин (опять вода в комплекте), кондиционеры (Котзагланиана читать, буков много, но оч понятные). В холодосы не лезь, совсем в бытовуху не ударяйся, неблагодарная работа. В принципе если не спасать бабулек, а работать с серьезными барбосами денег будет, сможешь развиваться. Тачка, права, коммуникабельность нужна. Дальше будет зависеть от тебя, замерзать в этой точке или подбивать бабки для переезда туда где денег больше и есть интересное, но для этого замерзать на устаканившихся методах заработка нельзя и нужно уделять время для роста. Нужны источники расходки, инструмент, база (хотяб гараж). Ну и первичный тренинг никто не отменял, клыки точить. Обычно конечно в свободное самозанятое плаванье уходят после найма натаскавшись, но возможно и самопровозглашение, нужна башка и стартовые капиталы.Ну или вторым номером к опытному мастаку иди, если не дурак и мастак не мудак поработаете вместе плодотворно, он тоже понимает что ты скорее всего отколешься, не в ЗАГСе чай записаны.
Аноним 20/03/26 Птн 16:04:06 590341 72
>>590338
Да, можешь поискать вакансии в телеге и интернете. У меня знакомый в Сербию укатился и работает шеф-поваром у украинцев+русских в одном ресторане. Слышал что электрики там тоже есть среди снгшников.
Аноним 20/03/26 Птн 16:07:47 590342 73
>>590338
Скорее всего местную путягу придется заканчивать, по крайней мере в Испании было так.
Аноним 20/03/26 Птн 22:02:07 590356 74
>>590341
Поддвачну! Если один, езжай во Въетнам. Там на электриков спрос нормальный, будешь жить как человек.
Аноним 23/03/26 Пнд 22:23:19 590444 75
>>590356
Неужели среди населения никто за миску риса не идет?
Аноним 24/03/26 Втр 00:30:44 590446 76
>>590444
Возможно это работа именно на местных экспатов - украинцев, россиян, европейцев и тд, там нужно знать русский или английский

мимо
Аноним 24/03/26 Втр 00:32:00 590447 77
Я еще в Венгрии видел работу для русских, но платят мало, плюс работа именно что сезонная (типо поработал полгодика-годик и пиздуй обратно)
Аноним 02/04/26 Чтв 13:46:14 590890 78
>>579809 (OP)
Вас уже скоро заменит ИИ, ставлю анус. Айтишников уже заменили, вас тоже на помойку пора отправить чтобы видеокарты стоили в 10 раз дешевле
Аноним 03/04/26 Птн 11:36:29 590903 79
>>590105
я закончил магистратуру по Радиотехнике и переехал в Питер, благо женился на девушке с квартирой в СПб. Я бы тебе советовал сначала набраться опыта в родном городе, если это возможно, так как в Питере работу ты найдешь, но зарплата будет не сильно выше на старте, чем в регионах, а аренду как-то оплачивать нужно. Я опыта набрался на НИОКРах в унике. Как опыта наберешься, так и вакансии будут интереснее и зп выше
Аноним 05/04/26 Вск 13:16:26 590951 80
>>579809 (OP)
В китае ежегодно выпускают 1,3 миллиона спецов по ee, экономисты и юристы можно сказать даже не соснули по сравнению с вами.
Аноним 05/04/26 Вск 23:50:50 590974 81
>>590951
Ну вообще-то хз как в Китае, но в России и части стран Европы дикий дефицит норм электронщиков. Вот программисты точно соснули, а электронщики в Европе нет
Аноним 07/04/26 Втр 17:32:20 591028 82
>>588549
>>588933
>>588549
>>588658
>>588675
>>588760
СЦ это тлен даже если ты будешь менять блочно все. Работа с мелкими деталями которые напаял робот робоклешней - ебля, детали барбисайз в маленьком устройстве - ебля в квадрате.

Пайщиком берут нонеймов с улицы и учат паять день.

Набиваешь руку в месте где мало платят типа завода и уходишь в место где много платят.

>>588550
Почему ты пишешь как шиз? Не доеб, я аутист и мне правда интересно зачем ты так пишешь, очень много сленга, сокращений, сложно понять что ты имеешь в виду.
Аноним 19/04/26 Вск 01:58:17 591487 83
image.png 712Кб, 720x1280
720x1280
>CLAUDE OPUS 4.6 ХОРОШ ВО ВСЕМ!
>ЛОМАЕТСЯ ДАЖЕ ОТ БАНАЛЬНОЙ ЗАДАЧИ УРОВНЯ РАЗРАБОТЧИКА ДЖУНА-ИНЖЕНЕРА

кек
Аноним 19/04/26 Вск 16:30:22 591506 84
>>591487
Если нейронке скормить сотни тысяч плат и правильно обучить, она заменит джуна-инженера (техника)
Аноним 20/04/26 Пнд 00:31:48 591520 85
>>591506 Пока что не заменит. Нормально обучать не имея обратной связи невозможно. Т.е. это не код который можно компильнуть и скормить результат нейронке. Ну и не существует гитхаба с микроэлектроникой.
Аноним 20/04/26 Пнд 02:47:53 591536 86
>>591506
Техника как раз не заменит, ибо задача техника это паять платы и тестировать схемы согласно тз. А джун инженер должен именно их проектировать. Ну у нас в конторе так
Аноним 22/04/26 Срд 22:48:55 591681 87
Приветствую, аноны.
Сейчас я заканчиваю техникум по специальности монтаж, техническое обслуживание и ремонт электронных приборов и устройств.
В шараге практически ничему не учили, и за свою голову я взялся только сейчас: начинаю немного разбираться в платах и схемах, пайка у меня в принципе хорошая.
Что посоветуете?
Аноним 23/04/26 Чтв 07:42:27 591695 88
>>591681
сухари сушить, работы нет одни шабашки. иди в смартфоны ченить так быстро
Аноним 23/04/26 Чтв 10:52:47 591704 89
>>591681
Целься в автомотив и промку, про бытовуху не думай. Это если короче. Хотя с текущим ходом событий ремонт бытовухи может сменить окраску.
Аноним 24/04/26 Птн 13:31:17 591771 90
>>591681
У тя в городе есть штук 6 предприятий пиздуй батрачить в теки и индукции
Аноним 25/04/26 Суб 23:28:38 591839 91
Сап. Работаю инженером-конструктором всяких РЭА. Ну то есть разработчик приносит мне свою электронную схему, а я под неё должен придумать корпус, а потом его начертить. Не уверен что мне к вам, но ближе вообще ничего не нашел на всём мейлаче. Ну и образование было профильным, учили и схемам, и антеннам, и немного прогать, просто частично с преподами не повезло, частично сам проебланил вкат в разработчика, чтобы не попасть на конструктора нужно было заранее задрачивать схемотехнику, дропать целевое по обоюдному согласию и самому искать варианты на рынке. Я решил тогда не ввязываться, а сейчас немного жалею.

29 лвл с зп 70-120к в зависимости от заказов. Предыдущий год был нормальный, в среднем 100к в месяц вышло, но в этом году говорят нихуя нет, надо затягивать пояса потуже. Думаю может пора искать другую работу.

Так вот, я это всё к чему, мне как-то теперь ещё можно повысить квалификацию чтобы на следующей работе получать в районе 150? Ну там Ансис выучить, как-то в разработчика перейти, макросы для Компаса начать пилить, короче прокачаться? Просто на текущем рабочем месте нет как такового понятия повышения квалификации через обучение/курсы. Просто выполняешь задания, набиваешь шишки, заебываешь старших (в 29 лет я один из самых молодых членов коллектива, да), смотришь как делали всё до тебя и делаешь также. Спустя N-лет тебе говорят что ты у нас давно сидишь, держи повышение, всё. Короче у меня такое чувство что я немного увяз и деградировал.
Аноним 26/04/26 Вск 17:57:16 591851 92
>>591839
Вкатывайся в проектирование пресс-форм в Siemens NX
Аноним 26/04/26 Вск 18:08:56 591852 93
>>591851
Пиздец, на хуй вы тогда учились на электропердолинг?
Аноним 27/04/26 Пнд 06:10:46 591862 94
>>591852
Ну это совет лично тебе. Так то разработка радиоэлектроники норм тема, особенно если в крупном городе
Аноним 27/04/26 Пнд 07:10:53 591867 95
>>591851
Спс, гляну что это.
>>591852
Я учился на всё подряд, за 6 лет баки+маги нас успели галопом по Европам протащить по всем этапам проектирования радиоаппаратуры, но на конструирование всё же делался основной упор, чтобы выйти в разрабы надо было самому много задрачивать схемотехнику параллельно с учебой, из всей группы только два человека это смогли сделать. Ну и я тогда был молодой и не особо дальновидный, мне бы сессию закрыть и на двачике посидеть, а не вот этот вот всё
Аноним 01/05/26 Птн 21:14:15 591978 96
колледж попова.jpg 159Кб, 1058x956
1058x956
>>590974
А какие еще специальности в дефиците?
Аноним 02/05/26 Суб 07:20:05 591984 97
>>591978
Только один момент, из колледжа не выпускаются инженеры. Максимум техники.
Аноним 03/05/26 Вск 18:19:33 592062 98
Аноним 05/05/26 Втр 21:43:39 592115 99
>>590951
Ну так в Китае населения дохуя, да и работать эти китайские инженеры будут в Китае

В других странах инженерам ничё не угрожает, и они долго ещё будут востребованы. До ситуации как у юристов им ещё далеко

Потому что гуманитарии в страхе убегут увидев сколько им нужно учить
Аноним 05/05/26 Втр 22:36:08 592116 100
>>592115
Инженеры-программисты то соснули. Или это ненастоящие инженеры?
Аноним 20/05/26 Срд 16:26:03 592738 101
>>591839
Гугли сотни мелких компаний по производству электроники, импортозамещению итд. Присылай им на мыло краткое резюме на пол-странички с образцами корпусов. 99 компаниям конструктор нафиг не всрался а сотой как раз нужен, только где ж его найти, а тут как раз твоё письмо. Короче всё как с бабами - чем больше подкатов тем больше результатов.
Настройки X
Ответить в тред X
15000
Добавить файл/ctrl-v
Стикеры X
Избранное / Топ тредов