Главная Юзердоски Каталог Трекер NSFW Настройки

Радиотехника

Ответить в тред Ответить в тред
Check this out!
<<
Назад | Вниз | Каталог | Обновить | Автообновление | 824 341 380
Nixie, VFD и прочих нескучных индикаторов-тред #3 /nixie/ Аноним 30/04/22 Суб 21:43:24 493628 1
206ec11600aaf18[...].jpg 272Кб, 928x629
928x629
287612.jpg 48Кб, 680x357
680x357
7e5c6ac29b.jpg 151Кб, 600x450
600x450
9658763-5.jpg 83Кб, 960x482
960x482
Синие светодиоды, управление на микроконтроллерах, фап на божественные Noritake Itron и прочее безумие ITT.

Предыдущий раковник тонет тут https://2ch.hk/ra/res/423483.html
Аноним 01/05/22 Вск 09:21:07 493651 2
Аноним 06/05/22 Птн 16:18:20 494049 3
>>493651
Васин Дмитрий, залогинься
Корпус хуйня кстати
Аноним 06/05/22 Птн 20:17:23 494067 4
>>494049
Да, это он лично зашел сюда попиариться, лол
Норм корпус. Цвета вырвиглазные из-за того, что они в Fallout такие. Вот другие часики, более атмосферные, с мини-телевизором
https://www.youtube.com/watch?v=68ePGr6Rjl8
Аноним 07/05/22 Суб 15:36:00 494098 5
Правда, что для ГРИ лучше использовать статику, а не динамику?
Аноним 07/05/22 Суб 16:44:30 494103 6
Аноним 07/05/22 Суб 20:16:48 494114 7
>>494098
Правда
При динамике лампа как бы постоянно работает на пусковых токах, из-за чего чуть быстрее отравляется
Но у статики тоже есть недостатки. Например если индикаторы разные, то они будут светиться с разной яркостью, а ещё для статики нужна будет компонентов целая куча
Аноним 07/05/22 Суб 20:39:04 494116 8
>>494114
В прошлом треде выяснили, что для ГРИ - только динамика.
Аноним 11/05/22 Срд 00:17:27 494414 9
Уважаемые коллеги! У кого какая частота импульсного преобразователя для анодной напруги? Я заметил, что если частота высокая, то лампы светятся более четко, нет синего ореола и газовый разряд меньше как бы «пушится», более «собранный». Мне кажется, или все действительно так? Сейчас часики идут от преобразователя на MAX1771, у которой частота очень высокая.
Аноним 12/05/22 Чтв 15:26:11 494556 10
>>494414
Частоты не должно быть
С преобразователя должна выходить чистая постоянка
Аноним 12/05/22 Чтв 20:34:44 494586 11
123.jpg 250Кб, 1280x960
1280x960
Очередная говно-поделка какого-то поехавшего с Авито
Аноним 13/05/22 Птн 10:37:00 494622 12
>>494556
На практике так не получается. Слышал про биения? Вот это они https://ru.wikipedia.org/wiki/%D0%91%D0%B8%D0%B5%D0%BD%D0%B8%D1%8F
Мерцания конечно не возникает, но характер свечения довольно заметно может меняться. Хотелось бы этого избежать.
Аноним 13/05/22 Птн 11:06:33 494624 13
23c.jpeg 41Кб, 429x600
429x600
Хочу ради лулзов составить самую всратую схему никси-часов, какая только возможна (но в целом рабочую). Список фич:

- Ключи на рассыпухе
- питание с 220В без развязки
- Ардуино
- DS1307
- статическая индикация
- розовые платы с маня-мэ
- слепящие синие светодиоды в подсветке
- макетка с алика

Как тебе идея, анон?
Аноним 13/05/22 Птн 11:37:45 494627 14
>>494622
Нет там никакого "биения"
У тебя проблема скорее всего в динамической индикации, особенно если она собрана на оптопарах, либо БП по мощности в вытягивает
Аноним 13/05/22 Птн 13:14:34 494637 15
>>494627
У меня в одном изделии статика, в еще одном динамика. В обоих есть проблемы, связанные с частотой питающего напряжения. Если вы мне не верите то можете почитать зарубежную литературу по теме. Там этому вопросу уделено достаточно много внимания (насколько я помню, у того же Вестона, почитайте, если у вас есть эта книга).
Аноним 13/05/22 Птн 20:19:45 494674 16
>>494637
Не собираюсь я читать этот псевдоинтеллектуальный мусор.
Я кажется ясно выразился. Никаких биений быть не должно.
У тебя в схеме значит ошибка.
Либо БП по мощности не тянет, либо конденсаторы на входе/выходе преобразователя не подходящие.
Аноним 13/05/22 Птн 20:49:53 494677 17
>>494674
Называть классическую книгу Вестона мусором это сильно! Очень зря, многое теряете. Я рассматривал все эти предположения, ни одно из них не подтвердилось, увы. Все мимо
Аноним 13/05/22 Птн 21:02:20 494680 18
>>494677
Хрен знает что ты там рассматривал
Думаю у тебя даже осциллографа нормального нет
Аноним 13/05/22 Птн 21:14:00 494682 19
>>494677
Какое-то магическое мышление. Если напряжение постоянное, то оно постоянное, с каким-то мизерным уровнем пульсаций.
мимо
Аноним 13/05/22 Птн 21:44:07 494684 20
>>494682
В этих пульсациях вся суть вопроса и заключена. Они накладываются на динамическую индикацию и получается ненужный эффект. Попробуйте сами если вы мне не верите, просто многие этого попросту не замечают.
Аноним 13/05/22 Птн 22:02:41 494686 21
>>494684
Неси осциллограммы, либо съеби отсюда, теоретик хуев.
Аноним 13/05/22 Птн 22:03:16 494687 22
>>494684
>В этих пульсациях вся суть вопроса и заключена.
Какой уровень должен быть? 10% может быть? Или 1% хватит? А если 0.001% уровень пульсаций, то все равно вовсю будут твои магические эффекты?
Аноним 13/05/22 Птн 22:21:42 494688 23
>>494687
У него БП просто не тянет, отсюда и пульсации
При повышении частоты мощность БП возрастает, и провалы пропадают - вот и вся магия
Аноним 14/05/22 Суб 13:02:17 494719 24
>>494687
>>494688
У меня БП отлично работает, только не совсем чисто и отсюда возникают проблемы. Я пробовал его нагружать 8 лампами дополнительно и все работало.
Аноним 14/05/22 Суб 15:33:32 494735 25
>>494414
Двачую, тоже замечал такое, но это больше зависит от частоты динамической индикации и длительности импульсов на лампах.
Аноним 15/05/22 Вск 01:16:11 494773 26
Аноним 15/05/22 Вск 17:37:04 494831 27
>>494116
> выяснили, что для ГРИ - только динамика.
Кто выяснил - самоучки-задроты? Там вполне конкретные примеры со статикой были приведены и даже схема какого-то прибора. Но у кого-то из спорящих и топящих за динамику по этому поводу очень сильно подгорело.
Аноним 15/05/22 Вск 18:32:33 494833 28
16300116438650.jpg 16Кб, 256x256
256x256
>>494831
бля тя обоссали три недели назад а ты все еще горишь кек мда))))))
Аноним 16/05/22 Пнд 12:38:08 494879 29
ED54C6A8-B628-4[...].jpeg 433Кб, 1920x778
1920x778
Аноним 16/05/22 Пнд 16:04:29 494882 30
>>494833
>>494833
>бля тя обоссали три недели назад а ты все еще горишь
>ко-ко-ко
>фэйспалм
>обоссаный фактами чушок что-то кудахчет
Ну охуеть теперь.
Аноним 16/05/22 Пнд 17:51:25 494886 31
Посоветуйте нормальный конструктор часов. Желательно на ИН-12 или ИН-4
Аноним 16/05/22 Пнд 21:49:09 494937 32
Часы-дебилы, что вы ими делаете?
Аноним 16/05/22 Пнд 21:57:43 494942 33
>>494937
Ты хоть одни собрал, ты кукарекаешь?
Аноним 16/05/22 Пнд 22:00:43 494943 34
Аноним 16/05/22 Пнд 22:57:12 494946 35
>>494943
Ну это же лабкитовый набор. Вроде жалуются на него, что хуево светит т.к. от 5В питается.
Аноним 16/05/22 Пнд 23:52:18 494949 36
>>494942
А нахера мне часы сука? Да ещё такие бесполезные?
Аноним 17/05/22 Втр 00:56:09 494951 37
>>494949
Ты не дорос еще до таких часов. Тебе это рано
Аноним 17/05/22 Втр 01:38:17 494953 38
>>494949
А нахера тебе писюн, ты им все равно не пользуешься?
Аноним 17/05/22 Втр 09:20:05 494974 39
>>494953
Так ты лампами как писюном пользуешься. Ясно...
>ты им все равно не пользуешься
У мамки своей спроси зачем он мне
Аноним 17/05/22 Втр 12:26:43 494982 40
>>494974
мамка говорит, что у тебя часы вместо писюна
Аноним 17/05/22 Втр 20:22:37 495052 41
>>494982
Ну все правильно твоя мамка говорит.
"У тебя часы вместо писюна", да. Удивительно, правда, что ты со своей мамкой о своем писюне разговариваешь...
Аноним 17/05/22 Втр 21:57:56 495071 42
>>494951
Т.е это пенсионное? Как старческое слабоумие? Приходит со временем?
Аноним 17/05/22 Втр 22:40:09 495075 43
>>495071
Осознать себя нужно. Почувствовать особенную склонность... А там уже можно искать единомышленников, таких же, как ты, любителей повозиться с этими стеклянными трубочками... Побывать на сходках, где вы будете друг дружке показывать свои лампы...
Аноним 17/05/22 Втр 22:53:02 495078 44
>>495075
>особенную склонность
>таких же, как ты, любителей повозиться с
>обывать на сходках, где вы будете друг дружке показывать свои лампы
Вас понял.
Ни слова больше.
Аноним 19/05/22 Чтв 03:42:14 495154 45
Сильно плохо питать ИВ-18 постоянкой?
Аноним 19/05/22 Чтв 17:54:50 495215 46
>>495154
Будут распыляться электроды и темнеть баллон. Их питают пульсирующим напряжением, край, недофильтрованной постоянкой с пульсациями.
Аноним 19/05/22 Чтв 22:39:48 495239 47
16529859190810.jpg 111Кб, 800x586
800x586
Ну что ананасы, сколько часиков собрали за два треда? Одни в коробке из-под конфет, да и те обосрали? Слабовато как-то.
Аноним 20/05/22 Птн 20:16:58 495306 48
IMG202205202005[...].jpg 216Кб, 1080x761
1080x761
IMG202205201957[...].jpg 246Кб, 1080x706
1080x706
shem.png 245Кб, 1000x1164
1000x1164
Оцените моё изделие. Индикаторы - ин-4. Статическая индикация. Управление ттл микросхемами 155 серии. Работают уже 4 года почти 24/7
Аноним 20/05/22 Птн 20:23:15 495307 49
>>495306
>почти 24/7
На ночь выключаешь штоле?
Аноним 20/05/22 Птн 21:51:10 495313 50
>>495307
Выключал на время переезда и ещё пару раз когда меня долго не было дома.
Аноним 20/05/22 Птн 23:26:24 495320 51
zlhkGIVmtQRmQgw.jpeg 10Кб, 500x332
500x332
images.jpeg 11Кб, 276x182
276x182
Generator-TVGIS[...].jpg 143Кб, 1024x768
1024x768
>>495306
В целом симпатично, но ящик бы металлический/пластмассовый, в духе советских приборов всяких.
Аноним 24/05/22 Втр 07:21:27 495570 52
>>494946
Ну свой тогда придумай
Могу тебе даже свою собственную схемку питания подогнать
Аноним 24/05/22 Втр 07:32:14 495571 53
>>495306
Норм, но видок конечно пиздец
В очередной раз убеждаюсь что у 99% технарей понятие красоты и эстетики отсутствует полностью
Аноним 24/05/22 Втр 11:27:26 495580 54
povysh.png 18Кб, 583x277
583x277
Норм повышаечка? Будет работать?
Аноним 24/05/22 Втр 12:46:10 495581 55
>>495580
Нужно на MAX1771 делать, всё остальное кал из жопы.
Аноним 24/05/22 Втр 12:57:37 495584 56
>>495581
Проект на винтажном хламе, так что сорян, никаких 1771, 34063 и прочих SOT SOIC не берем. Максимум 555 есть.
Аноним 24/05/22 Втр 19:36:19 495614 57
>>495584
Зачем тебе вообще тогда преобразователь?
Запитай логику с транса, а питание ламп возьми из сети
Аноним 24/05/22 Втр 20:19:17 495629 58
изображение.png 2150Кб, 768x1024
768x1024
>>495614
>Запитай логику с транса
Аноним 24/05/22 Втр 21:43:25 495636 59
>>495629
Ну тут пидор чулочный скорее
Аноним 24/05/22 Втр 22:13:28 495640 60
Аноним 24/05/22 Втр 23:16:58 495646 61
Аноним 25/05/22 Срд 10:58:56 495662 62
transick.png 47Кб, 965x655
965x655
>>495614
Это как, вот так что ли? Или нужно обязательно оптопары городить?
Чет хуйня какая-то, если честно.
Аноним 25/05/22 Срд 12:06:27 495670 63
>>495646
>Это ламповый дед в молодости? Или это Фрэн?
Рандомный пидор из гугл картинок. Если будешь пренебрегать гальванической развязкой станешь таким же.
Аноним 25/05/22 Срд 12:18:10 495673 64
>>495670
Как ты отвяжешь К155ИД1, если питаешь лампы напрямую от сети? Землю его ты куда подключать собрался?
Аноним 25/05/22 Срд 13:16:32 495683 65
5256564123.JPG 88Кб, 965x655
965x655
>>495662
Можно так, можно и через полноценный диодный мост выпрямить
Конденсаторы главное только не проёбывай
Оптопары не нужны, просто с ними рассыпухи получается меньше
Аноним 25/05/22 Срд 13:27:10 495684 66
8825F672-A72A-4[...].gif 15Кб, 669x348
669x348
B146D07F-3698-4[...].png 26Кб, 1090x306
1090x306
Одна схема охуительней другой
Аноним 25/05/22 Срд 13:34:27 495687 67
>>495683
Оптопарами можно вообще полностью контроллер от сети отгородить, только никси к ней подключены останутся. Вариант, в принципе, неплохой, вот только есть ли оптопары в корпусах TO-18, TO-39, советских всяких, ну и прочих таких, с ебанцой и позолоченных?
Аноним 26/05/22 Чтв 10:38:51 495768 68
16534737928550.jpg 90Кб, 965x655
965x655
>>495683
Можно землю подключать через резистор. Все-таки лучше, чем ничего.

Законченные часы с питанием от сети:
https://danyk.cz/hodiny_tesla_en.html
Аноним 26/05/22 Чтв 22:08:01 495801 69
где анимэ?
Аноним 27/05/22 Птн 15:09:21 495847 70
>>495768
Зачем делать гальваническую связь с сетью? Не пойму. Проще тогда вообще без транса обойтись и сделать бп на гасящих конденсаторах.
>>495801
>где анимэ?
Тьфу на тебя. Накаркаешь.
Аноним 27/05/22 Птн 19:34:35 495868 71
schema.gif 15Кб, 669x348
669x348
>>495847
>бп на гасящих конденсаторах
Да тоже можно.
Аноним 27/05/22 Птн 20:09:55 495880 72
Аноним 27/05/22 Птн 21:22:12 495888 73
>>495847
>Накаркаешь
Что такое? Тут ненавидят Steins;Gate?
Аноним 30/05/22 Пнд 15:15:43 496134 74
>>495888
Трипл, для маняме есть своя доска, нехуй срать онемэ не там, где надо.
Аноним 30/05/22 Пнд 16:43:49 496136 75
>>496134
Пока что срешь маня-мэ тут только ты.
Аноним 01/06/22 Срд 15:16:02 496265 76
>>496136
>ко-ко-ко
Эх, бля, ещё одному пидорасу голову рубить.
Аноним 01/06/22 Срд 18:10:08 496269 77
>>496265
Это ты себя что ли имеешь в виду? Тут тебе голову не отрубят.
Ты хоть одни часы то сделал, шизик?
Аноним 01/06/22 Срд 18:36:12 496272 78
>>496265
Онюмещник порвался, найс. Пока что пидорас тут только ты.
Аноним 02/06/22 Чтв 18:09:30 496327 79
>>496269
>>496272
Буйство семена итт. Не ново. Опять братьев по анальным утехам ищешь.
Аноним 02/06/22 Чтв 19:51:34 496332 80
ЗА МЕСЯЦ ВСЕГО ОДНО МАНЯ МЭ ??? НУ НИХУЯ СЕБЕ !!!
Аноним 03/06/22 Птн 00:20:09 496343 81
Аноним 04/06/22 Суб 22:51:50 496460 82
Аноним 06/06/22 Пнд 15:13:55 496614 83
>>496460
Понимаю. Облом. Тебя и не трахнут и на клык не дадут и сам не вздрочнешь. Пиздуй в ga, там тебе будут рады.
Аноним 06/06/22 Пнд 19:40:49 496633 84
plushie.png 365Кб, 633x631
633x631
>>496614
>не трахнут и на клык не дадут
>Понимаю
Пиздуй в ga, там тебе будут рады.
Аноним 07/06/22 Втр 16:07:51 496696 85
>>496633
Манька опять в сторону своего чешущегося очка все поняла. Неудивительно для набижавшего из пидорача.
Аноним 07/06/22 Втр 20:40:27 496729 86
>>496696
Хрюкай свинка, хрюкай тупая
Аноним 09/06/22 Чтв 14:25:33 496862 87
>>496729
Хуя, аутотренинг. Как нахрюкаешь чего - пиши.
Аноним 09/06/22 Чтв 20:41:36 496875 88
IMG202206092033[...].jpg 3500Кб, 3024x3024
3024x3024
IMG202206092034[...].jpg 2827Кб, 3024x3024
3024x3024
IMG202206092035[...].jpg 2776Кб, 3024x3024
3024x3024
>>493628 (OP)
Зацените.
Как показала практика,точнее всего и проще собирать на обычных ИЕ-шках))
Корпус нарисовал сам,дал чертежы. И мне и из фанеры и из пластика режут лазером. Потом собираю на болтах или склеиваю.
Аноним 09/06/22 Чтв 22:24:05 496889 89
Аноним 09/06/22 Чтв 23:04:28 496898 90
>>496889
Неспешно.
Разные покрасы прикольные есть. Обычно на работе стоят на полках (а я админю вообщето,а это так,развлекуха) и кто заходит иногда...."просто возьмите мои деньги"))
В Гермашку успел с одним знакомым 3 штуки переправить, по 300 евриков. Потом этот пиздец начался,приплыли.
Аноним 10/06/22 Птн 02:16:11 496904 91
16453663796500.jpg 29Кб, 359x347
359x347
>>496875
Эти часики няшные подошли бы для какого нибуть аниме....... ))
Аноним 10/06/22 Птн 11:39:10 496932 92
Аноним 10/06/22 Птн 17:50:04 496954 93
>>496932
Найс пародия на Васина
Аноним 10/06/22 Птн 23:47:40 496998 94
Аноним 11/06/22 Суб 12:20:08 497028 95
Аноним 14/06/22 Втр 22:08:22 497470 96
>>496898
>В Гермашку успел с одним знакомым 3 штуки переправить, по 300 евриков. Потом этот пиздец начался,приплыли.

И не говори. Ты же, небось, за них теперь все 600 захочешь, по курсу, а это уже тут никому не по карману. Так дальше пойдет, эти пидоры евру еще сильнее уронят, тогда из РФ вообще ничего не купить будет.
Аноним 15/06/22 Срд 06:26:04 497493 97
>>497470
>300-600 евро за крашеную картонку с неонками внутре
Ебать пиздец
Аноним 15/06/22 Срд 13:25:01 497532 98
>>497493
Где ты там увидел "картонку"?
Плюс там будильник с сиреной из "Сайлент Хилла" (можно вообще что угодно записать 10сек").
Все из пиздатого поликарбоната или фанеры,нарезаной лазером.Поверь,это охуительно смотрится по сравнению,если ты пилишь на станке "михалыча". 2к закорпус выходит.
Дебил.
Аноним 15/06/22 Срд 18:58:15 497551 99
>>497532
На фото увидел. Что, не картонка? Пластмаска? Фанерка? Похуй, сути не меняет вообще.

>будильник с сиреной из "Сайлент Хилла"
Ебать трэшак нахуй

>пилишь на станке "михалыча"
Щас чуть ли не на каждом углу лазерная резка, мань.
Платы, я вижу, у тебя тоже колхозные.
Аноним 15/06/22 Срд 21:01:34 497570 100
>>497551
Да и похуй на тебя.
Покажи СВОЕ говноподелие,фото в студию.
Уделай так сказать.
Или попиздеть горазд?
А я да,умудрился запилить достаточно успешно продающееся "гавно". А на фото что я выложил,это прототипы что на столе уже года 3 стоят.
А так если люди заходят на работе,всё заканчивается "возьмите мои деньги".
Аноним 15/06/22 Срд 21:20:16 497572 101
>>497570
>2 челика зашло на работу, сказало «ну прикольно неонки светятся»
>А ВОТ ЛЮДИ ЗАХОДЮТЬ И СРАЗУ МУЛЬЕН ПЛОТЮТЬ!!! ДОРАЛОВ!!!!1
Аноним 15/06/22 Срд 21:28:38 497574 102
>>496898
>Неспешно.
СССССУКАА...
Неспешно-дебилы, вы можете объяснить что это значит?

Как женя меня подобные дегенераты раздражают. Даже не знаю почему.

мимо-проходил
Аноним 15/06/22 Срд 23:39:40 497579 103
>>497570
Ты чего боньбишь? В этом ИТТ треде только постят аниме, обсуждают пидоров и обсирают любые фоточки по теме треда. Просто игнорь или лучше отвечай "сам ты хуй" и пости часеки. Трудно штоле?

1. Часеки твои прикольные.
2. То, что ты их еще и за такие деньги продаешь - молодец.
3. Я бы за такие деньги часеки покупать не стал.

мимо-никси-в-конфетной-коробочке-кун
Аноним 16/06/22 Чтв 10:04:05 497604 104
>>497579
>часеки
>Часеки
>часеки
Любитель манямэ не палится. Давай еще побампай правильно дедом в платье.
Аноним 16/06/22 Чтв 10:45:04 497607 105
>>497604
Не угадал. Я сюда манямэ не приносил.

А "дед в платье" - это же не Фрэн, или я что-то путаю? "Привет-это-Фрэн" запускает всякую древнюю электронику, а что "дед в платье" делает?
Аноним 16/06/22 Чтв 12:32:34 497613 106
>>497607
Анончик, ты что так и не сделал новый корпус для своих часеков?
Аноним 17/06/22 Птн 15:50:45 497735 107
>>497532
> из "Сайлент Хилла"
Олигофрен. Это стандартная сирена воздушной тревоги.
Аноним 17/06/22 Птн 15:52:33 497736 108
Аноним 19/06/22 Вск 17:10:30 497945 109
Ну что, сделали все часы уже?
Аноним 19/06/22 Вск 20:06:27 497964 110
>>497735
И что ?
Эту сирену многие определяют как сирену из "Сайлент Хила"...умный ты наш.
Аноним 20/06/22 Пнд 10:38:34 498030 111
>>497964
Так ты опять часы на микроконтроллере собрал? А почему не на компьютере? Прикрутить настоящую сирену ты так и не осилил догадаться?
Аноним 20/06/22 Пнд 13:34:36 498043 112
>>498030
Я не на микроконтроллере часики собираю.
А на тупой 176 серии их клепаю. А"сирену" прикручиваю на "голосовой модуль записи" из "робошопа".
Вот такая удача..
Аноним 20/06/22 Пнд 13:40:00 498044 113
>>497574
Это значит что часов хуй дождёшься.

>>497470
Не твои, вот ты и бесишься.
Аноним 20/06/22 Пнд 13:56:11 498046 114
>>498044
Да тут 99% клоунов,что могут только "обсуждать" (как в любом линух сообществе Россиянском) будут срать мимо горшка.
Аноним 20/06/22 Пнд 20:14:27 498107 115
>>498043
>"сирену" прикручиваю на "голосовой модуль записи" из "робошопа"
Лучше бы ты на микроконтроллере собирал
Аноним 21/06/22 Втр 02:57:16 498152 116
>>498107
На микроконтроллере я делаю другие "достоёные" вещи. Дабы оправдать славное имя микроКОНТРОЛЛЕРА...еще со времен "Болгаринов" MFM-винчестеров. Мы правда тогда их звали "однокристаллками".
олд53
Аноним 21/06/22 Втр 09:45:37 498163 117
2172.jpg 34Кб, 225x350
225x350
>>498152
што у тебя там за однокресталлки микроконтролеры в советское время ты што с саней упал зай. . . . .
Аноним 23/06/22 Чтв 11:08:57 498352 118
Кто нибудь делал часы чисто на транзисторах без микросхем? Подкиньте схему плиз
Аноним 23/06/22 Чтв 13:33:51 498367 119
>>498352
Для двача это слишком сложно. Забытые технологии древних.
Аноним 23/06/22 Чтв 17:58:19 498377 120
Аноним 23/06/22 Чтв 18:44:11 498380 121
16518603485420.png 618Кб, 825x806
825x806
>>498367
Что там может быть сложного? Берешь старые книжки и смотришь, как делали. Правда, если использовать старые детальки, стоить поделка будет, как паровоз.
Аноним 24/06/22 Птн 15:58:29 498465 122
>>498352
Я подумывал над этим, но когда понял, что каждый триггер двоичного счетчика это штук 10-20 деталей, решил, что мне лень такое делать.

А так, всякие декодеры из двоичного в семисегментный индикатор, наверное, не очень сложно делать. И сам семисегментный индикатор вещь простая.
Аноним 24/06/22 Птн 21:08:41 498481 123
Аноним 24/06/22 Птн 21:09:27 498482 124
>>498481
>школоты
быстрофикс
Аноним 28/06/22 Втр 17:29:13 498897 125
DSC0020.JPG 3042Кб, 3840x2160
3840x2160
DSC0021.JPG 2965Кб, 3840x2160
3840x2160
Screenshot20220[...].png 369Кб, 720x1280
720x1280
Сап, удалось спиздить 16 (один походу сгоревший, так что 15) индикаторов ин12а, какую схемку лучше выбрать для сборки часиков? Первый попавшийся кит на али норм? Вроде и ргб-подсветка есть (которая мне нахер не нужна) и неонки для двоеточия. корпус конечно хуйня, но это похуй, главное плата И чем отличаются ин12а и ин12б?
Аноним 28/06/22 Втр 19:40:31 498913 126
>>498897
Она вроде статика. А статика вредна для ламп.
Аноним 29/06/22 Срд 14:52:06 499019 127
>>498913
>статика вредна для ламп.
С хера ли?
Аноним 29/06/22 Срд 18:07:21 499031 128
>>499019
See G.F. Weston, "Cold cathode glow discharge tubes", 1968
Аноним 03/07/22 Вск 18:12:08 499440 129
Где аниме?
Аноним 08/07/22 Птн 19:36:39 499970 130
>>498913
есть какие-нибудь альтернативы в виде наборов для сборки? желательно на том же али, но я там кроме этого набора ничё найти не могу
>>499019
почему? в прошивке есть перебор цифр каждую минуту для антиотравления катодов, этого недостаточно будет? анон в начале треда писал про то, что при динамике лампы работают на постоянном пусковом токе
Аноним 08/07/22 Птн 20:07:13 499978 131
>>499970
>есть какие-нибудь альтернативы
Alexgyver. Гораздо лучше, чем с алика
>почему?
--> >>499031
Там все написано, долго объяснять.
Аноним 09/07/22 Суб 18:19:20 500063 132
>>496875
Зачем эти прорези и щели наверху? Они же будут пыль собирать.
Аноним 09/07/22 Суб 21:02:57 500073 133
>>497613
Да мне нравится, как они в коробочке прозрачной лежат. Думаю следующие с корпусом делать. Никак руки не дойдут.
Аноним 09/07/22 Суб 22:13:46 500080 134
>>500073
На каких лампах собрался делать? На ИН-18?
Аноним 10/07/22 Вск 11:31:44 500135 135
16416508083230.jpg 31Кб, 200x191
200x191
Аноним 10/07/22 Вск 20:23:03 500204 136
>>500135
Ебать совдеп, еще и жольтий ножька. Как там это все местным родригам на драги еще не сдали?
Аноним 11/07/22 Пнд 10:37:13 500241 137
>>500204
Так совдеп и пытался копировать вот это все
>на драги
Бомжара, спок
Аноним 11/07/22 Пнд 14:56:13 500258 138
>>500241
> совдеп и пытался копировать
Бля, причем очень удачно. Так, что образца для копирования иногда не найдешь. Но зато так пиздато и олдово смотрится.
Аноним 11/07/22 Пнд 15:05:11 500260 139
>>500241
>>Бомжара
Да при чем здесь бичи? Если у нас каждый шакал смотрит на совдеп глазами дяди Скруджа - со значками баксов. И херачат на очередную бутылку наследие древней цивилизации по дешману. А у "праклятых омереканцеф и прочех врогоф светова пыни" за такое по рогам надают.
Аноним 11/07/22 Пнд 16:03:18 500265 140
>>500258
Обычно все довольно очевидно, т.к. основная причина копирования — возможность применять чужой обширный уже существующий опыт.

>>500260
Да притом, что ты и сам говоришь, что такой хуйней обычно всякие бездари занимаются, типа алкашей ради бутылки.

А по рогам за такие проделки и у нас надают. Весь этот аффинажный маняпромысел подпадает под незаконный оборот драгметаллов.
Аноним 11/07/22 Пнд 16:17:55 500268 141
>>500265
>Весь этот аффинажный маняпромысел подпадает под незаконный оборот драгметаллов.
Объясни это многочисленным тытрубовским бомбилам-драгметальщикам.
Аноним 11/07/22 Пнд 17:25:03 500275 142
>>500268
Попадалось как-то там такое. Была горсть транзисторов, стал крошечный слиток золота сомнительного качества, который стоит, как максимум штук пять этих самых транзисторов (самое смешное здесь то, что детали вроде ж легально продавать?). Какое-то бестолковое занятие. Они хоть реактивы-то использованные окупают?
Аноним 11/07/22 Пнд 23:24:57 500299 143
Аноним 12/07/22 Втр 01:37:02 500314 144
>>500275
о чем ты говоришь вообще, если орки сдали на металлолом вообще всё, до чего дотянулись, станки, детали, ванны, даже арматуру из бетонных плит кое-где повыдирали?
люто бешено прикалывает читать статьи о импортозамещении вперемешку с рекламой: примем лом плат, примем любой металлолом
транзисторы использовать это ж мозги надо
Аноним 12/07/22 Втр 11:46:37 500348 145
>>500314
>транзисторы использовать это ж мозги надо
А зачем там мозги? Обычно берут схему из журнала, и просто ее повторяют, как написано. Правда, у авторов схем тоже иногда такое ощущение, что мозги отсутствуют...
Аноним 12/07/22 Втр 14:27:49 500361 146
>>500348
В совейские времена,в популярном журнале Радио,печатались схемы. А через номер или два...."исправления и уточнения" к схеме напечатанной в предыдущем номере (то полярность транзистора не та,то диод в другую сторону)).
Мы даже считали,что тем самым повышался "уровень вхождения" и отсекались дураки))
олд53
Аноним 12/07/22 Втр 20:28:44 500394 147
>>500361
Что-то мне "Юный радиолюбитель" вспомнился, не к ночи будь помянут
Аноним 13/07/22 Срд 23:09:04 500501 148
S242021bbf43947[...].jpg 93Кб, 1200x1200
1200x1200
Sc47506e723194d[...].jpg 191Кб, 1200x1200
1200x1200
images (11).jpeg 4Кб, 225x225
225x225
img1257.jpg 660Кб, 2048x1536
2048x1536
А если вот в такой светильник вставить вместо лампочки ИН-1 или зеленую лампу, как на пике, норм получится?
Аноним 15/07/22 Птн 16:08:42 500643 149
>>500501
Ну, в принципе, ниче. Карий глаз преобразится в оранжевый или зеленый.
Аноним 16/07/22 Суб 20:29:18 500733 150
Аноним 31/07/22 Вск 16:04:01 501914 151
BC082395-FF57-4[...].jpeg 308Кб, 1600x809
1600x809
Зачем лепят сбоку мелкую платку, к которой паяют индикатор? Его же можно просто на выводы на основную плату припаять.
Аноним 01/08/22 Пнд 16:37:50 501984 152
изображение.png 310Кб, 748x235
748x235
>>501914
>Его же можно просто на выводы на основную плату припаять.
Вертикально что ли? А смотреть на него повернув голову на бок?
Согнуть ноги под 90 тоже не вариант, в паспорте, насколько я помню, описаны ограничения на изгибы ног, ибо колба трескается как сушеное говно. А еще согнуть ровно, красиво и без замыканий - задача нереальная. Вот и лепят их через промежуточную плату. В совковых куркуляторах тоже всегда лепили через проставку или через пластиковый кондуктор как на пике.
Аноним 01/08/22 Пнд 17:11:13 501985 153
>>501984
Как раз при использовании отдельной платки ноги таки не хило гнут прямо у основания, это даже на фотке видно. Еще и механические напряжения поди остаются. А правильно согнуть очень легко тонкогубцами (ими фиксируешь ногу в паре миллиметров от стекла, чтобы оно не растрескалось, а оставшийся конец подгибаешь пальцами. Собсно проставочка ту же роль выполняет). Какие еще замыкания? ты кембрики не ставишь, что ли?
Аноним 01/08/22 Пнд 17:16:17 501986 154
>>501984
>В совковых куркуляторах тоже всегда лепили через проставку или через пластиковый кондуктор как на пике.
Не всегда. Часто был и загиб на 90 градусов в сантиметре от индикатора. При этом каждый вывод запихивали во фторопластовую трубочку. Или вообще без нее обходились. Если индикатор жестко закреплен, то и выводы никуда денутся, если им специально не помочь.
Аноним 02/08/22 Втр 14:59:31 502037 155
>>501984
Ограничения на изгибы ног около стекла, а то, что дальше - виброизоляция. Оно ж потрескается при первом падении в этом варианте.
Просто тут скорее всего взяли не новый индикатор
Аноним 24/08/22 Срд 23:14:02 503241 156
z566m1.jpeg 138Кб, 800x332
800x332
IMG1411-scaled.jpg 155Кб, 2048x1536
2048x1536
142431813597112[...].jpg 306Кб, 1024x769
1024x769
9x7w0hptaM2uB9v[...].jpg 175Кб, 1280x720
1280x720
Аноним 03/09/22 Суб 11:06:14 503771 157
Тем временем лампы на авито в кои-то веки дешевеют... Самое время закупаться
Аноним 03/09/22 Суб 19:35:28 503815 158
У кого есть схема и плата часов на ИН-1? Спалите годноту плиз.
Аноним 04/09/22 Вск 08:23:58 503851 159
>>503771 Так все, больше их на ебае х10 не продашь.
Аноним 04/09/22 Вск 10:11:31 503853 160
>>503851
Щас не продашь, потом продашь.
Аноним 06/09/22 Втр 17:47:48 504018 161
Аноним 06/09/22 Втр 22:26:22 504030 162
Дурацкий вопрос наверно, но можно ли их питать от батареек?
Аноним 07/09/22 Срд 02:36:04 504045 163
>>504030
Кого их? Часики с радио?
Аноним 07/09/22 Срд 07:54:50 504056 164
Аноним 07/09/22 Срд 10:48:57 504058 165
>>504056
Можно. Но не долго. На каких лампах ты собрался делать часики?
Аноним 07/09/22 Срд 11:30:37 504060 166
>>504058
Кароче сам примерно посчитал теоретически что-то около 5 часов на 5 батарейках АА.
Аноним 07/09/22 Срд 17:02:28 504076 167
>>504060
А если от шести батареек то что?
Аноним 07/09/22 Срд 17:42:17 504077 168
>>504076
Ну я видел питание таких часов от usb, 5 В, 200ма (ну так пишут в характеристиках часов). Батарейки по 1,5 В. 5 конечно много, но напряжение то в процессе упадет.
Аноним 07/09/22 Срд 19:57:37 504080 169
>>504077
Они там еле светят от 5 вольт. Лучше питать от 9 минимум.
Аноним 07/09/22 Срд 21:01:56 504082 170
Ну что, сколько часиков собрали за лето? Ноль? Одно только маня-мэ на уме.
Аноним 10/09/22 Суб 23:13:19 504311 171
Если сунуть такую лампу в попку, она не лопнет?
Аноним 04/10/22 Втр 15:12:14 505844 172
Кто нибудь пробовал ставить К1НТ661А в катодные ключи? Будет работать?
Аноним 11/10/22 Втр 21:08:57 506202 173
Аноним 12/10/22 Срд 23:11:18 506293 174
rrrrr.png 1949Кб, 2448x3264
2448x3264
Вкатываюсь.
Аноним 13/10/22 Чтв 11:10:22 506306 175
>>506202
Годная хуйня, прям достойно ваще. Сам делал?
>>506293
Придумал уже, что делать на них будешь? Часы, как обычно? Какие?
Аноним 14/10/22 Птн 10:44:29 506351 176
>>506306
Пока часы только, но вообще желание есть переводить приборы различные на них и освоить выпуск своих индикаторов, но не газоразрядных, а максимально их копирующих, пару задумок есть, нет только помещения подходящего.

А тут часы будут, имитация старых электрощитовых на 80см в длину, с задней подсветкой, шинами, и вольтметром, на медных болтах. Короче скоро сделаю покажу.
Аноним 14/10/22 Птн 11:30:34 506353 177
>>506351
>их копирующих
Смутно припоминаю, что на алике лет пять-десять назад продавали стеклянные "светодиодные" "ИВ-22". Но чет не могу найти ничего по ним.
Аноним 14/10/22 Птн 11:31:07 506354 178
>>506353
>"стеклянные" светодиодные
фикс
Аноним 14/10/22 Птн 11:33:47 506355 179
images.jpg 9Кб, 225x225
225x225
>ИВ-22

Ну нет, это уже не тот стиль. Такой аналог сделать не сложно. Я имею в виду, все таки шрифты ИН-1, ИН-2 и т.д.
Аноним 14/10/22 Птн 12:14:31 506361 180
>>506355
Ну "шрифты" там довольно говенные, единственный плюс - цифры очень большие (норм в ИН-16, но они маленькие). Если уж делать, то лучше на какие-то получше ориентироваться.
Аноним 14/10/22 Птн 16:33:56 506366 181
16514812423400.png 49Кб, 200x200
200x200
>>506361
Дело вкуса, если стиль выдержан то все красиво. Большинство из того что я вижу, полнейшая без вкусица и бред поехавшего.
Аноним 14/10/22 Птн 19:17:15 506371 182
IMG202210141912[...].jpg 2308Кб, 3658x2187
3658x2187
>>493628 (OP)
>нескучных индикаторов
256х64. Чего бы намутить?
Аноним 14/10/22 Птн 21:12:46 506380 183
>>506371
Было бы 256х128...было бы веселее.
А эта хрень. Ну очередной "погодник" разве что.
Ну к компу измеритель скорости и температуры процессора.
Аноним 14/10/22 Птн 23:36:35 506389 184
>>506371
Он газоразрядный?
Аноним 15/10/22 Суб 17:42:30 506445 185
>>506389
Нет. Просто LCD. Но нескучный. 125х35мм
Аноним 16/10/22 Вск 15:22:08 506494 186
DSC00051.jpeg 1043Кб, 1696x2589
1696x2589
Газоразрядные индикаторы на советском плакате.

Измерительное устройство ИУ комплекта индивидуальных измерителей дозы ИД-11.
Аноним 16/10/22 Вск 16:17:23 506503 187
Проверим, научился ли двощ в вебп
Аноним 17/10/22 Пнд 02:06:57 506524 188
image.png 34Кб, 657x372
657x372
Ткните, чяднт.
На мс34063 собираю 12 то 180 повыситель. Собирал по этой схеме. В протеусе выдает до 200В, в реале 120 максимум, потом начинает снижаться, потом снова может до 120 подняться. Диод только хер108 вместо 106 стоит.
Аноним 17/10/22 Пнд 10:12:25 506529 189
Уже четыре месяца без маня-мэ картинок. Прогресс однако
Аноним 17/10/22 Пнд 11:23:55 506540 190
Могут ли газоразрядные индикаторы быть радиоактивными? На пике выше они стоят в дозиметре. Вы проверяете их при покупке?
Аноним 17/10/22 Пнд 13:20:35 506554 191
d0561a6e840e1d0[...].png 42Кб, 259x224
259x224
Аноним 17/10/22 Пнд 17:05:19 506569 192
pic.jpeg 75Кб, 1149x841
1149x841
Аноним 17/10/22 Пнд 19:09:06 506579 193
>>506554
Зарепортил пидораса
Аноним 18/10/22 Втр 07:07:04 506595 194
gTNDLB8LpM.jpg 170Кб, 622x868
622x868
Что скажете о повышайках на таймере 555, анончики?

>>506524
Проверь компоненты, включая микруху. Проверь правильность соединений. Схема вроде рабочая (что косвенно подтверждает протеус). Когда собирал такую, тоже не сразу завелась - оказалось, что я перепутал транзисторы в драйвере перед полевиком.
Аноним 18/10/22 Втр 13:36:45 506604 195
>>506579
Запидорасил репортера.
Аноним 18/10/22 Втр 15:04:57 506609 196
>>506595
Так она 120в выдаёт, но МАЛО
Аноним 18/10/22 Втр 15:33:57 506610 197
>>506604
Бака, спок. Маня-мэ здесь не место
Аноним 18/10/22 Втр 18:43:38 506619 198
45425882828.png 289Кб, 800x640
800x640
>>506610
>Маня-мэ здесь не место
Как скажешь, братишка.
Аноним 18/10/22 Втр 21:48:19 506624 199
>>506609
Потенциометр крутить пробовал? Меняется что-то от этого?
Аноним 18/10/22 Втр 23:21:36 506629 200
>>506624
пробовал, не заметил изменений
Аноним 19/10/22 Срд 00:14:36 506630 201
>>506629
Чем нагружаешь преобразователь? Если лампой, резистор с ней последовательно поставь, на пару килоом.
Аноним 19/10/22 Срд 18:07:31 506657 202
Аноним 25/10/22 Втр 00:28:27 507084 203
>>506630
в общем, на холостом замерял - 130-100в. Нагружал на лампу, с резистором 27к, 15к и напрямую - иногда какое то тление появлялось но пропадало. В пизду короче. Эти ин-14 которые собираюсь питать, вытащил из промышленного частотомера. Оттуда же просто трансформатор возьму и не буду заморачиваться с этими бездуховными импульсниками.
Кстати, нет у кого чертежа расположения выводов ин-14? а то чет гуглил и не смог нагуглить. Или взять плату алехгувер да протравить и не ебать моск?
Аноним 25/10/22 Втр 19:03:49 507118 204
>>507084
Вход COMP (к которому движок потенциометра подключен) пробовал заземлять?
Аноним 27/10/22 Чтв 01:35:26 507231 205
>>506619
Маня-мэ скот, успокойся.
Аноним 27/10/22 Чтв 01:46:27 507233 206
image.png 129Кб, 500x283
500x283
Аноним 30/10/22 Вск 08:08:51 507473 207
Можно ли будет постить видео Фрэн с лампочками, если примут закон о запрете пропаганды пидоров? А аниме?
Аноним 01/11/22 Втр 02:35:47 507655 208
Аноним 01/11/22 Втр 12:49:08 507678 209
E5159F59-EFD0-4[...].jpeg 16Кб, 235x210
235x210
>>507655
>ДВЕ ТЫШЫ ДОЛЛАРОФ
>неонки с алика по 50 руб/1000000шт
>корпус в стиле пластмассовый маняминимализм из ИЗЫСКАННОГО оргстекла
бля, бегу уже покупать епт
кредит ща возьму тока

когда уже трехлитровые банки с айпадами по блюпупу?
Аноним 01/11/22 Втр 18:33:00 507754 210
>>507678
>когда уже трехлитровые банки
А можно ли из трёхлитровой банки сделать лампу для часов?
Аноним 01/11/22 Втр 19:05:16 507757 211
>>507754
Лучше сделай из нее нумитрон. Выжечь воздух можно дополнительными нитями накала. Можно и побольше баночки взять кстати.
Аноним 02/11/22 Срд 17:27:59 507852 212
Васин делает часы для фильма и Past Indicator
https://youtube.com/watch?v=7iV_icbKYx8

Интересно, где найти вот эти пружинки и колечки для разъемов ИН-12?
Аноним 03/11/22 Чтв 14:50:26 507930 213
16300877887170.jpg 8Кб, 150x150
150x150
>>507852
Из пружинной проволоки, сам скрути во круг нужного диаметра стержня. Колечки к которым пружина цепляется? Да из любого материала вырежь и просверли.

Мимо глянул одним глазком, может не понял о чем ты.
Аноним 03/11/22 Чтв 15:37:08 507937 214
>>507930
Пружины не нужно делать самому, есть готовые на алиэкспрессе. Я там покупал, когда нужно было поменять заскорузлые пружины на панельках к ИН-8.

Колечки, которые пружины прижимают к лампе (т.е. они с лицевой стороны, а не со стороны выводов). Кстати, они не плоские, а вогнутые. Ясное дело, что можно и самому сварганить, но это сложно, инструментов нет, и таких нужно шесть. Еще есть такое для ИН-4, но тоже не знаю, где найти.
Аноним 07/11/22 Пнд 00:15:22 508262 215
gXLVN-cN1s.jpg 286Кб, 1280x693
1280x693
Аноним 11/11/22 Птн 00:58:14 508777 216
>>507118
пробовал, нихуя. Потом схему пересоберу, а щас в пизду. Есть оригинальный трансформатор, от него запитал. Т. е. по питанию ща трансформатор на 200В вторички, диодный мост, резистор2к2, конденсатор. Аноды через 27к.
Кстати, засветы ебко убираются? Переходную плату сделал, решил проверить и получил засветы. Просто подкидываю анодное на одну лампу и один катод. Иногда другие лампы загораются, либо целая цифра тускло, либо часть.
Аноним 11/11/22 Птн 22:45:59 508829 217
Анодное слишком высокое, вот и засветы.
Аноним 11/11/22 Птн 23:20:57 508833 218
возможно, однако в оригинальной схеме, откуда взяты эти гри засветов не было, полагаю, потому, что там статика была, и анодное постоянно подавалось на все лампы
Аноним 11/11/22 Птн 23:58:34 508835 219
>>508777
У тебя остальные выводы в воздухе висят и наводки собирают, вот и засветы. Подключи К155ИД1 или другой драйвер с ограничением напряжения на неактивных катодах — и засветы пропадут.
Аноним 12/11/22 Суб 00:36:21 508838 220
>>508835
А ему плохо от 200 В не станет?
Аноним 12/11/22 Суб 00:42:29 508839 221
>>508835
Если аноды через 27к подключены, то не должно.
Аноним 12/11/22 Суб 00:42:50 508840 222
Аноним 12/11/22 Суб 09:22:31 508858 223
>>508839
Я так понимаю в 155 вся магия в стабилитронах?
Аноним 19/11/22 Суб 22:05:44 509474 224
Аноним 03/12/22 Суб 15:44:00 510923 225
>>494586
Ебало автора сего поделия даже имагинировать опасаюсь. Как такое могло вообще прийти в голову?
Аноним 05/12/22 Пнд 11:36:57 511125 226
IMG202212041612[...].jpg 2518Кб, 2448x3264
2448x3264
IMG202212041612[...].jpg 2557Кб, 2448x3264
2448x3264
IMG202212041639[...].jpg 1289Кб, 3264x2448
3264x2448
IMG202212050814[...].jpg 1372Кб, 3264x2448
3264x2448
Первый блин комом, много косяков и не все задуманное реализовал. Хотел имитировать старую щитовую на шпильках. Но в итоге от половины элементов отказался. В следующий раз лучше будет. Повесил на работе, гречневые и с такого высера в ахуе.
Аноним 05/12/22 Пнд 22:23:17 511181 227
>>511125
>гречневые
Это кто такие?
Аноним 05/12/22 Пнд 22:41:51 511183 228
>>511125
Ахуенно! Ну хоть не манямэ и то уже хорошо. Следующие придумал уже? По какой схеме собирал?
Аноним 06/12/22 Втр 02:10:11 511195 229
>>511183

На аликсе взял. Объективно по цене и времени выгоднее было, да и там функции прожига есть, что удлиняет срок службы индикаторов.

> Следующие придумал уже?

Да есть пару идей. Хочу наручные сделать, на 4 цифры из ИН-16. Но пока в задумки массивные они получаются, а может и не плохо будет.
Аноним 07/12/22 Срд 21:56:52 511383 230
Как вам корпус из смеси кетчупа и майонеза.
Аноним 07/12/22 Срд 21:57:12 511384 231
Пик отвалился.
Аноним 07/12/22 Срд 21:59:07 511385 232
1.DSXrba6UN2hBJ[...].jpeg 57Кб, 640x480
640x480
111
Аноним 07/12/22 Срд 22:32:17 511387 233
>>511383
>>511384
>>511385
Ты гляжу горазд чужое подобосрать... Ну а сам то ты сделал - ЧТО?
Аноним 08/12/22 Чтв 11:23:22 511421 234
>>511383
>>511385
Это не кетчуп и майонез, это какое-то мясо с жиром. Выглядит крипотно.
Аноним 08/12/22 Чтв 19:28:45 511488 235
Какие есть маленькие индикаторы меньше ин16? На ручные часы надо, покажу как сделаю.
Аноним 08/12/22 Чтв 20:26:58 511502 236
изображение.png 1372Кб, 923x1000
923x1000
>>511421
>это какое-то мясо с жиром
Аноним 08/12/22 Чтв 20:58:16 511507 237
Аноним 10/12/22 Суб 12:54:43 511638 238
А как выглядит отравление индикаторов? Никогда такое не видел, только читал на всяких форумах, есть мысли почему так. У самого часы на ин-14 работают почти три года и никакой херни не заметно
Аноним 11/12/22 Вск 01:22:41 511664 239
>>511638
Тоже много лет работают часики, и никакого отравления...
Аноним 11/12/22 Вск 17:11:32 511699 240
>>511664
Я часто видел, что схемы рисуют без токоограничивающих резисторов всякие там алексы гиверы. Мне кажется в этом и прикол. У меня, кстати, есть довольно самобытный источник питания для индикаторов, могу выложить. Работает стабильно и не требует никакой подстройки
Аноним 11/12/22 Вск 17:39:41 511704 241
>>511699
В схемах на оптронах есть балластный резистор, просто он общий для всех ламп.
Источник питания выложи плиз, интересно взглянуть.
Аноним 13/12/22 Втр 16:49:46 511924 242
>>511638
Обычно, если у лампы пошли микротрещины возле выводов, цифры начинают тускнеть и не досвечиваться снизу. Вот чтобы подобное скрыть и не менять лампы, ссылаются на отравление и периодически «прожигают» их повышенным током (то самое «антиотравление»). После такого прожига свечение ламп с утечкой действительно улучшается на короткое время (как раз до следующего раза).
Аноним 15/12/22 Чтв 00:56:21 512130 243
Zopa !!nTcjU6OulXw+AY7a 16/12/22 Птн 20:06:43 512298 244
test
Аноним 17/12/22 Суб 10:22:05 512369 245
97b515a6c0de47c[...].jpg 44Кб, 785x757
785x757
>>512298
Ты че сука, бампаешь в холостую, тестер хуев, я думал, кто-то выложил что нибуть новенькое.
Аноним 17/12/22 Суб 13:03:11 512378 246
16667089219610.jpg 61Кб, 715x436
715x436
>>512369
Новенькое маня-мэ
Аноним 17/12/22 Суб 13:22:52 512382 247
Аноним 17/12/22 Суб 15:49:31 512398 248
>>512382
За радар 5, а корпус проебал. Да и баланса нет между индикаторами радаром и прочим.
Аноним 17/12/22 Суб 17:46:17 512409 249
>>512398
Иди научи его, как правильно. Ты же эксперд.
Аноним 17/12/22 Суб 20:44:19 512458 250
Аноним 18/12/22 Вск 00:41:59 512482 251
>>512382
А что это за "штука от рации, которая на просвет показывает всякие циферки"?
Аноним 18/12/22 Вск 01:40:23 512487 252
image.png 53Кб, 684x482
684x482
Аноним 18/12/22 Вск 05:38:34 512510 253
16144587523400.jpg 90Кб, 1080x1076
1080x1076
Аноним 18/12/22 Вск 14:00:18 512545 254
162577535-beaut[...].jpg 27Кб, 450x300
450x300
Аноним 18/12/22 Вск 15:33:40 512554 255
16276203621720.png 61Кб, 251x201
251x201
Аноним 19/12/22 Пнд 20:31:02 512684 256
introgr10k20201[...].jpg 435Кб, 1428x803
1428x803
Кто-нибудь вот такие часишки на маленьких экранчиках себе покупал?
Аноним 19/12/22 Пнд 21:31:08 512700 257
>>512684
Сука кринж
Не проще на мониторе ПК сразу огонь новогоднюю ёлочку часы поставть, лол
Аноним 19/12/22 Пнд 21:51:46 512716 258
16702460533490.jpg 149Кб, 750x694
750x694
>>512700
Кибер панк который мы заслужили.
Аноним 19/12/22 Пнд 23:09:17 512737 259
2E41E9C0-B063-4[...].jpeg 221Кб, 700x670
700x670
Аноним 19/12/22 Пнд 23:17:05 512739 260
>>512716
не кибер панк а стим панк пердикс
Аноним 20/12/22 Втр 14:10:43 512785 261
>>512739
Кстати, а почему радиолампы - стимпанк? Хронологически они же скорее дизельпанк?
Аноним 20/12/22 Втр 21:56:34 512807 262
4C30EB7E-1A83-4[...].png 220Кб, 493x485
493x485
Где нибудь есть конструктор с ИВ-18? Посоветуйте вариантов. Хочу на старости лет пособирать.
Аноним 20/12/22 Втр 22:48:20 512809 263
>>512785
Потому что ни кто ни в чем не разбирается и не хочет разбираться и вообще не верит в возможность этого. На блошином рынке одного встретил совкодрочера молодого, мне кажется он был пидорок и хотел со мной с этой целью познакомиться, а я искал подходящие материалы в том числе и стимпанка, он был уверен, что все говно совковое в Стим панк тоже влетает, в плоть до кубичного говна 80-х.
Аноним 21/12/22 Срд 01:18:01 512816 264
>>512785
По стилю подходит потому что.

>>512809
>ни кто ни в чем не разбирается и не хочет разбираться
В маняфантазиях про паровые компы лол.

>ни кто
Ахах лол.
Аноним 21/12/22 Срд 12:00:23 512847 265
hsqyuopst76a1.jpg 887Кб, 960x720
960x720
vv1ysnpst76a1.jpg 436Кб, 1280x658
1280x658
Такое
Аноним 21/12/22 Срд 15:40:25 512859 266
Аноним 21/12/22 Срд 17:28:13 512868 267
>>512816
>По стилю подходит потому что.
Стилю Викторианской Англии?

Я знаю, что лампы всегда пихают в стимпанк. Наверное потому, что начали это делать сразу за появлением стимпанка, но до того как возникли всякие дизель- и атомпанки. В общем исторически сложилось.
Аноним 21/12/22 Срд 18:18:40 512870 268
>>512868
>Стилю Викторианской Англии?
Что тебя смущает, анальник?
Аноним 21/12/22 Срд 20:57:14 512892 269
Давайте сделаем настоящие радачерские ДВАЧНЫЕ ЛАМПОВЫЕ ЧАСЫ
Аноним 21/12/22 Срд 21:18:47 512894 270
>>512892
Давно хочу. Знаю что немного не по теме треда и ЛАМП, но у меня есть панель от какой-то сосони магнитолы кассетных времён, там можно вывести часы и надпись уровня дваче (например хуй-пизда-джигурда) и даже скроллить её. Плюс всякие няшные и понтовые значки.
Я даже начал копать однажды, там у драйвера дисплея какой-то саньё (кек) протокол и есть дуино-либа или типа того. Но я не шарю в этих ваших ардуинах (не касался пока) и вообще новый нэв фаг. Но вроде там не сложно (особенно на готовом то хе хе). Может чего когда-нибудь таки заколхожу.
Аноним 21/12/22 Срд 21:25:28 512895 271
16661148946400.jpg 495Кб, 945x630
945x630
>>512892

А что есть двач, тут какой то стиль есть? Цветовые схемы какие то? Этот серо-оранжевый? Предметы может быть, узнаваемые? Реклама резиновых пенисов? Может эти смешные картинки или уебищная картинка на главной странице? Из чего исходить?

Если есть игра Fallout, то там есть конкретные ориентиры такие как:
Скругленость форм, б/у или поломаность, изношеность предметов, темные тона, смешанность технологий и эпох в какой то степени, уникальные для игры предметы, персонажи, истории и т.д.
Аноним 21/12/22 Срд 21:33:35 512897 272
>>512894
В прошлом тредике постили матюгальник на пяти ИВ-17
Аноним 21/12/22 Срд 23:10:24 512904 273
>>512868
> Стилю Викторианской Англии?

Радиолампы - символ викторианской эпохи! Все радары на британских опиумных чайных клиперах и СУО на Вирджинии и Мониторе были ламповыми. Как и автопилот на H. L. Hunley.

> Викториа́нская эпо́ха — период правления Виктории, королевы Великобритании и Ирландии, а также императрицы Индии, длившийся с 1837 по 1901 год.

> В 1905 году этот «эффект Эдисона» стал основой британского патента Джона Флеминга на «прибор для преобразования переменного тока в постоянный»— первую электронную лампу, открывшую век электроники[4].
> В 1906 году американский инженер Ли де Форест ввёл в лампу третий электрод— управляющую сетку, создав триод. Триод мог уже работать в качестве усилителя тока, а в 1913 году на её основе был создан автогенератор.
> Пик расцвета («золотая эра») ламповой схемотехники пришёлся на 1935—1950 годы.
Аноним 22/12/22 Чтв 13:06:37 512946 274
>>512904
Че сказать хотел? Двачевские часы делоеш?
Аноним 22/12/22 Чтв 15:29:40 512962 275
Аноним 22/12/22 Чтв 16:57:58 512976 276
Умели же тогда... Могли... Душа радуется! А вы - что? Только ардуйню свою можете. Ерунду всякую где думать вообще не надо. Просто залил прошивку с компьютера и все. Считается САМ сделал.

https://youtube.com/watch?v=AgeNFoKu0DM
Аноним 22/12/22 Чтв 21:22:39 512989 277
Аноним 22/12/22 Чтв 21:48:15 512990 278
Аноним 23/12/22 Птн 14:56:46 513065 279
03CE2276-80E7-4[...].jpeg 161Кб, 1061x1000
1061x1000
Как же хочется няшные ламповые часеки с подсветочкой из разноцветных светодиодиков, эх...
Аноним 24/12/22 Суб 20:24:52 513231 280
H7e88f960a2594e[...].jpg 28Кб, 800x800
800x800
У меня есть целая россыпь ИН-12 и ИН-14, ардуина нано, дс3231 и вот такой вот модуль 5-12v на 170-220. Ну и всякой рассыпухи могу наковырять с разной старой техники. Какой самый простой способ из всего этого собрать часы с минимальными дополнительными вложениями? Первая мысль была взять проект Гайвера, но там высоковольтную часть генерирует ардуина, а я ньюфаг в радиогубительстве и не понимаю, как вместо этого присрать мой модуль.
Аноним 25/12/22 Вск 02:15:16 513281 281
>>513231
>не понимаю, как вместо этого присрать мой модуль
Убираешь нахуй все детали от его повышайки (достаточно мосфет убрать нахуй), и подпаиваеш свой модуль к питанию и к выходному конденсатору повышайки гайвера.
Аноним 26/12/22 Пнд 11:33:43 513429 282
2e6020.jpg 60Кб, 800x545
800x545
e0ebb7.jpg 63Кб, 800x500
800x500
рейт
Аноним 26/12/22 Пнд 17:37:10 513474 283
>>513429
>рейт
Мне вот этот многолетний петтинг с говноникси, напоминает моду на всяких эмоготов. Живя в Мацкве, наблюдал этих позеров в нулевых, а потом они как-то растворились незаметно и больше не попадались на глаза. Переехав в дальний медвежий угол тверской области, внезапно заметил етих долбоебов в 2020 году. Так и с этими говнобудильниками. Вроде жопорукие уже спаяли все порождения своей больной фантазии, но нет, вылазит очередной обмудок со своим поделием.
Аноним 26/12/22 Пнд 18:49:38 513481 284
>>513429
Залупа, Аля совок 80-х. Ни чего нового. Хоть бы на корпусе какое нибудь говно навыжигал.
Аноним 26/12/22 Пнд 18:51:39 513482 285
>>513474
Уникальность продукта, оригинальность. На этом может долго держаться интерес это не масс продукт. Если конечно в это есть какой то вкус.
Аноним 26/12/22 Пнд 19:12:00 513484 286
>>513474
>>513481
Причина подрыва, криворучка рукожопая, ты? Нахуй ты вообще высрался в тематике, ещё и в узкоспециальной тематике?
Аноним 26/12/22 Пнд 19:31:06 513485 287
>>513484
>никси
>эмо
У тебя сегодня вечер свободных ассоциаций, порватка? Никси всю жизнь ассоциировались с очкастой хипстотой и гиками, манюнь. Всякими там айтишниками-инженерами. А васяны-колхозники с дедами уже потом подтянулись, когда хипстота раскрутила тему в мейнстрим.

>>513481
Колхозник, ты? Как раз редкий случай, где все нормально сделано, без анальной клоунады ебучей, не в стиле "деревянное кресло для тараканов с подсветкой, цвета гной с говном, на гри, вли и светодиодных семисегментниках", лол.
Аноним 26/12/22 Пнд 19:33:19 513486 288
Аноним 26/12/22 Пнд 19:56:23 513490 289
>>513484
>Нахуй ты вообще высрался в тематике, ещё и в узкоспециальной тематике?
Я говорю, вы ебаные слоупоки отставшие от поезда. Все уже до блевоты наелись этим говном. Наклепали тысячи тонн хуеты всех мастей, расцветок и подсветок. Но тормоза, типа вас, продолжают окармливаться говном, забрызгивая разлетающимися ошметками всех вокруг
Аноним 26/12/22 Пнд 20:11:44 513491 290
>>513490
Ты ебан? Сидят аноны в тематике, дрочат свои часики, ты врываешься в тред РРРРЯЯЯ ВЫ ГОВНОЕДЫ. Хули ты здесь делаешь вообще, чушпок?
Аноним 26/12/22 Пнд 20:14:22 513492 291
>>513490
Тебя, это лично ебёт, хуй пизды тварь? Вернись в /бред и высирайся там. Люди собирают часы себе, на том, что им нравится, ты.
Аноним 26/12/22 Пнд 22:41:14 513506 292
>>513491
>>513492
Не бомби. Лучше бы часики свои запостил.

>>513490
>>513474
А я знаю причину твоей тряски: ты сам не можешь сделать такие часеки, вот и бесишься.
Аноним 26/12/22 Пнд 23:09:24 513512 293
>>513506
Я знаешь на чем встал? То, что у аттини2313 нет хардового twi. Очень лень писать либы, ещё леннее искать готовый копрокод. Пока отложил в сервант, до вдохновения.
Аноним 26/12/22 Пнд 23:53:34 513518 294
>>513512
А зачем тебе аттини2313? Бери сразу атмегу328п и хуярь на пердуине за вечер, не выебывайся. Захочешь - можешь потом с нуля свою прошиву наговнякать. Что за лампы ты выбрал?
Аноним 27/12/22 Втр 00:18:20 513521 295
>>513485
Сделано нормально, минимализм. Только это заеженно, ещё в прошлом веке лол. Видели знаем. Не больше радости чем часы с вырвиглазной подсветкой, драконами и препонами. Только в драконах и помпонах хоть какая то попытка мысли есть, шмат хуинты больного конечно, но чистая копия, того что было совсем не интересно.
Аноним 27/12/22 Втр 00:54:26 513523 296
>>513521
Чистая копия чего конкретно? Модель назови? (не обязательно советское даже)
Кроме того, ты должен понимать, что микроконтроллер позволяет реализовать фичи, которые в принципе нельзя было сделать в часах прошлого века.
Аноним 27/12/22 Втр 11:42:40 513569 297
686957880fullsi[...].jpeg 58Кб, 1036x800
1036x800
12.jpeg 15Кб, 500x375
500x375
ClockAlarm20Clo[...].jpeg 364Кб, 640x640
640x640
1.jpg 43Кб, 600x400
600x400
>>513523

>Кроме того, ты должен понимать, что микроконтроллер позволяет реализовать фичи, которые в принципе нельзя было сделать в часах прошлого века.

А здесь оно реализовано?

>Чистая копия чего конкретно? Модель назови? (не обязательно советское даже)
Аноним 27/12/22 Втр 11:43:21 513570 298
GAF-Woodgrain-1[...].jpeg 46Кб, 640x480
640x480
hqdefault.jpeg 29Кб, 480x360
480x360
istockphoto-171[...].jpeg 103Кб, 1024x683
1024x683
ilfullxfull.337[...].jpg 2460Кб, 3000x2974
3000x2974
Аноним 27/12/22 Втр 12:21:18 513575 299
Аноны, что сейчас в моде для запитки VFD?
Аноним 27/12/22 Втр 12:56:12 513579 300
>>513570
>>513569
Неплохие такие коробочки и все разные. Современные ведь ничем не лучше.
Еще из современного дизайна можно упомянуть телефоны, которые и вовсе все выглядят одинаковыми обмылками и отличаются в основном только размерами и расположением трех кнопок. Вот уж где клоны друг друга, так это с современными телефонами. А тут так, всего лишь чем-то отдаленно похоже.
Аноним 27/12/22 Втр 13:13:23 513581 301
>>513579
Ясно, ты либо пытаешь мне поднасрать потому что я посмел по критиковать твои ли часы или твоего любимчика, либо ты не видишь общего и с остальным у тебя проблемы в плане дизайна.

Час не плохие, но не уникальные, такие могут налепить хоть тонну васяны радиолюбители и не только, тот же али завален этими коробками. Чисто с коммерческой точки зрения на 5/10 вариант, продажи есть, но слабые. Почему человек покупает такие часы? Чтобы выделиться подчеркнуть свой пук сереньки вкус. И выигрывать будут те часы с помощью которых он может поднять свой уровень значительно выше. А это не оно.

В идеале каждые часы на нескучных индикаторах должны быть уникальны. Должен чувствоваться авторский стиль, его изобретенные подходы к реализации той или иной хуйни, его виденье и т.д. На этих часах, узнаваемого имени не сделать.
Аноним 27/12/22 Втр 13:22:54 513582 302
>>513581
>либо ты не видишь общего и с остальным у тебя проблемы в плане дизайна.
Вероятно это. Общее то вижу, но мне и так нормально. Тем более я вообще мимо проходил.
>Чисто с коммерческой точки зрения
Вообще пофиг, еще бы торговать этим или подобным говном.
>Должен чувствоваться авторский стиль, его изобретенные подходы к реализации той или иной хуйни, его виденье и т.д.
Это всего лишь часы. На мой вкус не стоит туда лепить ничего лишнего. Могу привести в пример совсем древние часы с боем, которые мне от прадеда достались.

Но тем не менее приведи примеры дизайна часиков которые тебе нравятся. Кто-нибудь непременно обосрет за какую-нибудь совершенно ни к месту приделанную хуйню.
Аноним 27/12/22 Втр 13:26:27 513583 303
>>513582

>Кто-нибудь непременно обосрет

Да, но когда обосрали все или почти все, и обосрали пара это разное.

>Это всего лишь часы. На мой вкус не стоит туда лепить ничего лишнего.

Может быть, но вот ведь какая штука посмтри сколько в мире вещей. Машина это всего лишь жоповозка, зачем на неё лепить аэрографию, вилка это всего лишь вилка, я её в рот сую, зачем на неё делать какой то там узор и т.д. Это надо для интереса, так красиво, это восхищает, поднимает настроение. Вот за этим. Обычная вещь превращается в шедевр, дарящий эмоции. Вот зачем.
Аноним 27/12/22 Втр 13:30:08 513584 304
image.png 252Кб, 400x300
400x300
image.png 720Кб, 827x550
827x550
image.png 902Кб, 918x612
918x612
image.png 309Кб, 635x411
635x411
>>513583
> Машина это всего лишь жоповозка, зачем на неё лепить аэрографию
> Это надо для интереса, так красиво, это восхищает, поднимает настроение.
Каково это, быть безвкусным говноедом?
Аноним 27/12/22 Втр 13:34:50 513585 305
1570689215podbo[...].jpg 61Кб, 640x457
640x457
>>513583
>зачем на неё лепить аэрографию
Затем что у владельца дурной вкус как правило.
Смотри не перестарайся с украшательством.

>Да, но когда обосрали все или почти все, и обосрали пара это разное.
Тут смысл треда в обсирании всех подряд и аниме. Обосрут тебя оба сидящих тут анона, никуда не денутся.
Аноним 27/12/22 Втр 13:58:56 513586 306
>>513584
>>513585

Ну понятно не подрывайся так сильно. А то выплеснешься в соседний тред.
Аноним 27/12/22 Втр 14:07:41 513589 307
>>513581
>зачем
Чтобы на неоновые мигалки любоваться, естественно. Без ламп смысла в этих часах не будет.

>хоть тонну
Вот видишь, как хорошо — простые, симпатичные, юзабельные (хрупкие хуйцы стеклянные не торчат), легко повторить. Даже похожи на нечто солидное промышленное, а не на диван для собаки.

Если хочешь уникального, это к Васину, а не на авито "оригинальные" поделки школоты смотреть.
Аноним 27/12/22 Втр 14:10:10 513590 308
>>513575
Буст конвертер с покупным индуктором, постоянка на накал, потушенные аноды и сетки полноценно на землю сажать.
Аноним 27/12/22 Втр 14:12:07 513591 309
Аноним 27/12/22 Втр 22:51:45 513626 310
Стоит вкатываться в ламповые часы, чтобы найти тяночьку? Тянки-то текут от газоразрядных ламп?
Аноним 28/12/22 Срд 17:11:34 513690 311
>>513518
Не хочу не выебываться, да и плату развел уже. Индикаторы ин14
Аноним 28/12/22 Срд 18:10:16 513696 312
>>513690
Переразведи. Там работы-то на один вечер.
Аноним 28/12/22 Срд 21:41:12 513726 313
Как же хорошо что маняме притихло. Совсем другое дело.
Аноним 29/12/22 Чтв 17:59:20 513829 314
>>513626
Кончено, газоразрядники же на хуйцы похожи, у баб сразу на подкорке активация происходит, тут главное рычать и двигать тазом, как будто ты её уже ебешь. И во общем уже и не надо собирать сами часы.

Скоро вторые свои часы выложу. уже процесс на полную идет. Думаю первого сборку завешу. Новый год газоразряду не помеха.
Аноним 29/12/22 Чтв 19:23:06 513838 315
>>513829
А первые какие? Ты постил их? Это твои квадратные выше?
Аноним 29/12/22 Чтв 21:13:32 513849 316
Общий 3.jpg 6609Кб, 3264x2448
3264x2448
Индикаторы.jpg 8877Кб, 2448x3264
2448x3264
Цифры.jpg 7195Кб, 3264x2448
3264x2448
Аноним 29/12/22 Чтв 21:17:20 513850 317
>>513849
Какое же всратое, безвкусное дерьмо....
Аноним 29/12/22 Чтв 21:30:56 513856 318
16124173417150.jpg 310Кб, 600x800
600x800
>>513849
Эти помню, нормально получилось у тебя. Маня-мэ не слушай.
>>513850
Хрюкни унитазное маня-мэ чмо.
Аноним 29/12/22 Чтв 23:40:00 513870 319
>>513849
Пиздец. отвратительнее и бездушнее махарайки в жизни не видел.
Аноним 30/12/22 Птн 00:47:24 513877 320
lbOZ7syc.png 63Кб, 231x244
231x244
>>513870
Зря стараешься, мне так то мнение ни положительное не отрицательное не нужно. У меня бизнес модель так сказать имеется, как поезд идет по пути, я в треде для другого. Обмен опытом тут тоже слабый. Мало кто делает, много говорят, сама сборка схем не интересует, да смысла не вижу, если плата от 1800р идет, смысл колупаться еба схемы делать, себестоимость на этом же уровне бьется, весь функционал имеется, больше и не надо, а время экономит.
Аноним 30/12/22 Птн 11:43:11 513892 321
>>513856
Ты нахера манямэ девочку своми какышами обстрелял? Кафель, сука, стены, трубы расхерачил и все мимо. Знал бы ты, ебанько, каких это трудов стОит. Нет чтобы сразу кувалдой по башке отоварить, так уборщица только кровь с мозгами смыла бы и все. Так нет, ты такую хуйню натворил.
Аноним 30/12/22 Птн 23:43:21 513932 322
>>513892
Никто ее не обстреливал, это она сама наговнякала. Сидит рыдает, потому что ее саму за собой убирать заставили. Дали вилку и сказали, что пока не будет чисто-чисто, ее из этого сортира не выпустят.
Аноним 01/01/23 Вск 15:20:11 514014 323
>>513877
>смысл колупаться еба схемы делать
КИТАЙЦЫ ВЫПУСТИЛИ ОБНОВЛЕННУЮ ВЕРСИЮ ПЛАТЫ
@
ЕЕ РАЗМЕР ТЕБЕ НЕ ПОДХОДИТ
@
СТАРУЮ БОЛЬШЕ НЕ ПРОДАЮТ


Но вообще да, никсидебилы почему-то считают свои убожественные радиогубительские мигалки не энтрилевельным говном, а чем-то невъебенно сложным. Наверное, потому, что среди них много гречневых.
Аноним 02/01/23 Пнд 11:55:23 514086 324
>>514014
>гречневых
Опять это странное слово. Что оно значит?
Аноним 02/01/23 Пнд 13:07:02 514093 325
>>514086
ок, гугл, паста про гречневых
Аноним 02/01/23 Пнд 17:10:25 514106 326
Спереди.jpg 4900Кб, 3264x2448
3264x2448
Газ1.jpg 5054Кб, 3264x2448
3264x2448
С право3.jpg 5090Кб, 3264x2448
3264x2448
С лево3.jpg 5698Кб, 3264x2448
3264x2448
>>514014
Кстати есть такое, мне вот сейчас для наручных часов нужна плата по меньше, а эти длинноваты, но я бы все равно ебаться и паять новую не стал бы. Придумал как плату встроить в стиль нужных мне часов.

Короче фаны Fallout здесь? Mini Nuke подъехала, до собирать надо.
Аноним 02/01/23 Пнд 20:31:29 514140 327
>>514093
Пасту нашел. Значит "гречневые" - это те, кто готов бесплатно работать. Ну ок. А причем тут никси?
Аноним 02/01/23 Пнд 21:15:34 514144 328
>>514106
Вот эта хуйня - это твои наручные часы? Ты с ней по улице ходить собрался?
Аноним 02/01/23 Пнд 21:55:47 514152 329
>>514144
Не эти карманные. Бомбу можно на уровень ширинки засунуть, чтобы телочки текли.
Аноним 02/01/23 Пнд 22:04:56 514155 330
>>514152
>можно на уровень ширинки засунуть, чтобы казалось, что обосрался
Лол.
Аноним 03/01/23 Втр 11:02:48 514189 331
Аноним 06/01/23 Птн 03:53:49 514409 332
Как управлять декатроном, чтобы он заполнял целый сектор окружности, а не одну точку показывал?
Аноним 19/01/23 Чтв 12:29:18 515775 333
rdt.png 625Кб, 633x479
633x479
рейт годноту с реддита
Аноним 20/01/23 Птн 10:47:31 515888 334
16706283978961.jpg 341Кб, 980x893
980x893
>>515775
Ну блять некоторый индустриальный стиль тут есть, но конечно все не симметрично, фанера лишняя и вообще.

Скоро выкачу свои третьи часы, максимум ориджинал.
Аноним 20/01/23 Птн 16:41:52 515907 335
640508C7-DD31-4[...].jpeg 138Кб, 799x710
799x710
>>515888
Так ты ведь еще вторые не доделал же... )
Аноним 21/01/23 Суб 10:39:43 515965 336
imperor-of-symm[...].jpg 47Кб, 550x550
550x550
Аноним 31/01/23 Втр 20:28:52 517024 337
superiv8clock.png 278Кб, 819x1092
819x1092
Норм схемка?
Аноним 04/02/23 Суб 17:42:28 517355 338
DSCN0527.JPG 2063Кб, 5152x3864
5152x3864
DSCN0598.JPG 2513Кб, 5152x3864
5152x3864
DSCN0577.JPG 2671Кб, 5152x3864
5152x3864
DSCN0559.JPG 2249Кб, 5152x3864
5152x3864
Вечер в хату, батя в треде всем по индикаторам.

Как то под надоели уже ИН-1, а у меня ещё 70 с чем то штук, следующие на других делать буду. Как раз материалы подкопились, надо переработать, а то уже места мало. И надо расшириться за приделы таких индикаторов.
Аноним 04/02/23 Суб 21:35:30 517381 339
>>517355
А зачем ты какого-то хлама сверху навалил? Чтобы охлаждалось лучше?
Аноним 11/02/23 Суб 12:21:00 518030 340
Тем временем лампочки дешевеют...
Аноним 18/02/23 Суб 22:24:52 518895 341
>>518030
Да, ажиотаж немного спал, плюс народ беднеет.
Лично я ИН-14 дешевле 600р продавать не вижу смысла.
Деньги приходят и уходят, а вот лампочек год от года что-то больше не становится.
мимо_барыга
Аноним 24/02/23 Птн 21:20:17 519529 342
>>515775
Думаю сделать какой то настольный аналог этого индастриала. Как раз хлам подходящий завалялся, без лишних вложений чтобы, платформу пока придумать не могу, дерево не хочу, метал бы или камень. Как то можно миксануть ин-14 и ин-16, а то ИН-1 поднадоели уже. Ещё пару декадронов достал, но тут их не будет.
Аноним 25/02/23 Суб 17:48:27 519663 343
где аниме?
Аноним 26/02/23 Вск 04:21:44 519730 344
>>519529
>индастриала
Это не индастриал, это, скажем так, LANDFILL INSPIRED DESIGN.
>хлам подходящий завалялся, без лишних вложений чтобы
Нахуя? Чтоб былО? Лучше сразу делай нормально. Иначе у тебя потом будет пара десятков убогих поделок из говна, палок и ардуины, которые и нахуй не нужны, и выбросить жаль, и переделывать лень.
Аноним 27/02/23 Пнд 20:20:38 519890 345
16223066470010.png 578Кб, 888x894
888x894
>>519730
Спокойно, у меня хлам это годнота, но не нашедшая применения. А не мусор с помойки.
Аноним 27/02/23 Пнд 22:22:44 519900 346
D63223E1-C723-4[...].jpeg 1038Кб, 3264x2448
3264x2448
Аноним 28/02/23 Втр 12:56:12 519941 347
олплр.jpeg 18Кб, 400x272
400x272
>>519890
Хули на ИВ-18 часики не слелаешь? Это который пробирочка такая с цифрами семисегментными. Зеленоватым светится.
Аноним 28/02/23 Втр 16:17:53 519956 348
>>519941
Я даже нашел по интересней с желтым свечением трубочку и не только, только вот с платами проблема, есть конечно схемы, но собирать паять, травить. Рили впадлу, времени много, а выхлопа коммерческого мало. Так больше для портфолио. Тем баче в современной экономической ситуации.

Нашел одного типа который схемы продает на PCBway, но как раз они закрыли доставку в рф, хочу сам он из беларуси, я ему писал в вк, он вроде не против был через сдек несколько продать, но пропал, видимо не удобно возиться. Думаю сделаю в следующем месяце, одну какую нибуть.
Аноним 01/03/23 Срд 00:10:49 520014 349
>>519956
>с желтым свечением трубочку
Вот это звучит реально охуенно. А запустить ее и сфоткать можешь? Как такую найти?
Аноним 01/03/23 Срд 10:22:04 520039 350
>>520014
ИГП-17

На авито пару штук по 1к видел. Думаю ещё нашарить можно. Но мне ИВ-19 и ИВ-17 больше нравится.
Аноним 05/03/23 Вск 00:06:01 520431 351
>>520039
Не, такой не особо интересен. Я-то думал, у тебя ИВ-18 или ИВ-27 оранжевого цвета, лол. Я знаю только, что ИВ-22 бывают оранжевые.
Аноним 05/03/23 Вск 06:48:27 520440 352
А кто нибудь делал никси термометр-гигрометр? И как вариант, чтобы все это было совмещено с часами в одном корпусе.
Аноним 05/03/23 Вск 12:23:28 520459 353
>>520440
А в чем проблема? Просто датчик BME280 добавляешь, и все. Под него даже выделять пины не нужно, он I2C.

Вот если бы никси-всеволновый приемник в одном корпусе, вот где челендж-то.
Аноним 11/03/23 Суб 20:49:42 521143 354
image.webp 22Кб, 614x461
614x461
H620e5ba29b1948[...].jpg 155Кб, 800x800
800x800
Ситуация такая: есть рулон туалетной бумаги и часики на четырех ИН-12Б, как на пике примерно. Вопрос: как прорезать в рулоне полость для часиков, чтобы рулон стал корпусом для них?
Аноним 15/03/23 Срд 21:40:44 521481 355
Блин, ну почему китайцы до сих пор не клепают ИН-18? ИН-12 с китайскими иероглифами на Али вполне себе есть. Но и только. Учитывая сейчас уже редкость ИН-18 китайцы на копиях могли бы хорошенько зарабатывать. Тем более что можно было бы делать индикаторы и с другим наполнением вместо неонового. Яркость их будет ниже но и ладно. Я бы газоразрядных индикаторов с другим цветом свечения вместо неонового бы прикупил.
Аноним 16/03/23 Чтв 01:09:54 521517 356
>>521481
>ИН-12 с китайскими иероглифами на Али
Иди таблетки пей
Аноним 16/03/23 Чтв 01:12:38 521518 357
>>521481
>на копиях могли бы хорошенько зарабатывать
Они уже никому нахуй не нужны, валяются везде, и стоят копейки (если ты не ебнутый нищеброд).
Аноним 16/03/23 Чтв 01:15:00 521519 358
S62a6642c03e443[...].jpg 165Кб, 1000x1000
1000x1000
Sd908fc939b114a[...].jpg 135Кб, 1000x1000
1000x1000
Хочу сделать подобное. Какие подводные?
Аноним 16/03/23 Чтв 01:16:53 521520 359
>>521518
Так не нужны что ИН-18 подорожали раза в три за последние 10 лет? Да еще и пропозиций их продажи сейчас мало. В отличие от тех же ИН-12. Популярность у которых ниже ввиду меньшего размера.

>>521517
Пардон, с иероглифами на Али продаются индикаторы QS30-1.

>>521519
Слишком много светодиодов - забивают свечение цифр индикатора.
Аноним 16/03/23 Чтв 07:37:29 521535 360
16738145516740.jpg 213Кб, 900x900
900x900
>>521520
>подорожали раза в три
>за последние 10 лет
>и стоят 2к5р
Это 15 тыр за весь комплект из 6 стеклянных хуйцов, цена древнего макбука кор2дуо, ебать биткоен нахуй! Беги закупаться скорей! Слово "хайп" ты когда-нибудь слышал, дядь? Так вот ето их цена на пике хайпа.

>QS30-1
Как ты мог ее перепутать с ИН-12Б, она же круглая

>светодиодов
Как будто адресные диоды - это не современный аналог никси-параши. Ничего там не забивает, все нормально. Только вот индикатор смонтирован всрато, так делать нельзя (да и выглядит это это супер колхозно), поэтому в таком виде я бы, конечно, это не купил. Вообще, ИВ-18 хоть и красивый индикатор (пробирочка), трудно придумать какой-то нормальный дизайн часиков на нем. Вот эти два пика и ледяные часы - это единственные примеры более-менее нормальных поделок на нем, остальное - васяны тупо лепят его на плату абы как, и получается всратый кусок говна с пробирочкой.
Аноним 16/03/23 Чтв 22:54:10 521641 361
>>521535
> Это 15 тыр за весь комплект из 6 стеклянных хуйцов, цена древнего макбука кор2дуо, ебать биткоен нахуй! Беги закупаться скорей!
Да оно понятно что дешевле хоть того же среднего смартфона получается. Но все равно за обычные газоразрядные индикаторы весьма дорого получается. Специализированные VFD для часов типа ИВЛ1–7/5 (ИЛЦ4-5/7Л) куда дешевле стоят. Хотя уже тоже дефицитными понемногу становится.

Прям как с радиолампами часть которые из-за аудиофилов хорошо так по оверпрайсу продают. Тьфу.
Аноним 17/03/23 Птн 12:47:24 521699 362
>>521641
Ну по сути никси и есть такая своеобразная аудиофилия для нищих селюков. Судя по форумам, именно такого типа персонажи ими интересуются. Ну и барыги еще, когда это было на хайпе, но теперь-то уже все, хер побарыжишь часиками на ардуинках!
Аноним 09/04/23 Вск 23:16:01 523997 363
20220322212838.jpg 66Кб, 1461x658
1461x658
Газоразрядный неоновый бамп
Аноним 16/04/23 Вск 22:52:15 524560 364
Короче, с часов сделанных пол года назад, уже погорело 5 Ин-1. Хуй знат в чем проблема, толи в китайской плате, хотя вряд ли, толи серия не удачная. Заметил, что совок не мог в культуру производства и индикаторы одного года отличаются друг от друга.
Аноним 17/04/23 Пнд 13:21:04 524599 365
nixieg3.jpg 15Кб, 504x296
504x296
>>521519
Блять, ну и говно

>>524560
Говорят, дело в отсутствии ртутной присадки в ИН-1, ИН-2 и ИН-4 (которые тоже дохлые).
Аноним 19/04/23 Срд 23:26:02 524839 366
>>524599
А мелкая, крупная сетка на ин-1, значение имеет? А то иногда встречаю в описаниях, как будто есть значение.

Чёт ин-14 полетело уже до 500-600. Чёт надо переходить на другие индикаторы, от старья отказываться, а то и не стабильно и дорого. Так что индастриал часы откладываю, сделаю пару часов диорам по мотивам двух игр на ин-1 потом на ин-16 и дальше на другие индикаторный перейду. Через пару недель выкачу. Как раз время появилось.
Аноним 20/04/23 Чтв 13:21:53 524882 367
>>524839
>мелкая, крупная сетка
Мелкая встречается реже и типа илитнее считается. В чисто техническом плане хз, знаю только, что мелкосеточные - более старые, 60-70х годов.

>ин-14 полетело уже до 500-600
А то! Школота наигралась, а жирным заграничным кабанчикам уже не попродаешь.
Аноним 21/04/23 Птн 22:55:40 524996 368
Куда делось АНИМЭ ?
Аноним 23/04/23 Вск 14:12:27 525068 369
>>524839
> Чёт надо переходить на другие индикаторы, от старья отказываться, а то и не стабильно и дорого.
Так и новье не дешевле. Будь то китайские круглые индикаторы QS30-1 или же hand made лампы как у Далибора Фарни. Или же индикаторы производства millclock.
Аноним 23/04/23 Вск 14:29:17 525069 370
Собрали бы часы на таких няшках? https://youtu.be/c1ybZcS1dPg?t=18

Интересно будет ли Далибор их продавать по отдельности. Потому как на своем сайте сейчас продает только готовые часы. Причем даже на одной лампе стоимость неебическая просто в €335. Стоимость же часов на четырех лампах у него переваливает немного за €1700.

Неужели есть столько народу кто покупает у него часы по таким конским ценам? Интересно почему он перестал продавать лампы по отдельности. Когда-то видел у него их по 100 с чем-то долларов (или евро, не помню уже). Продает, наверное, готовые часы чтоб народ не закупался его лампами, не делал на них часы и не зарабатывал на этом?
Аноним 23/04/23 Вск 18:32:26 525079 371
>>493628 (OP)
Посоветуйте чего бы почитать, чтобы вкатиться в сабж
Аноним 24/04/23 Пнд 13:04:16 525149 372
fullsizeoutput2[...].jpeg 1975Кб, 3140x2121
3140x2121
>>525079
Weston, G.F. (1968), Cold Cathode Glow Discharge Tubes
Неиронично. PDF/DJVU валяется где-то в сети в группах никсиебов, нет времени искать, не найдешь - пиши, раскопаю ссылку.

Для начала можешь Гайвера посмотреть, там лучшая схема описана у него (особенно во второй части).

>>525069
>Продает, наверное, готовые часы чтоб народ не закупался его лампами, не делал на них часы и не зарабатывал на этом
Чет проиграл с тебя.
Аноним 24/04/23 Пнд 13:06:24 525150 373
>>525069
Ну а нахера ему понемногу продавать перекупам, которые на нём ещё и наварятся, когда можно делать это самому. А на остальное у него наверняка есть заказ сразу огромной партией кастомной хуйни.
Аноним 24/04/23 Пнд 13:22:01 525151 374
>>525150
>которые на нём ещё и наварятся
Какой ужас! Скупють усе лампы нахуй и наварютса! Гречнявый, ты?

>у него наверняка есть заказ сразу огромной партией
Стопудово, базариш нахой! Intel, onsemi и STM миллиардами заказывают... И кризис полупроводников знаешь откуда? Все прост часы на лампах начали делоть...
Аноним 24/04/23 Пнд 13:52:37 525152 375
>>525149
> Чет проиграл с тебя.
Почему он тогда перестал продавать лампы отдельно?

>>525150
Да. И так как ставить цену в 300 евро за одну лампу это уже перебор то решил одноламповые часы делать. Чтоб ее как-то обосновать. Ранее народ поди у него брал сразу четыре лампы по около $500 за все и делал себе часы самому. Выходило гораздо дешевле чем теперь покупать у него целые часы на четырех лампах за свыше 1,5к евро.

Но зато такими действиями он теперь позволяет больше заработать вот этим ребятам: https://millclock.com/nixie-tubes

>>525151
Сам наверное делаешь часы на продажу и тебе неприятно. Потому как купить четыре лампы за половину килобакса, сделать на них часы и продать за хотя-бы $800 вполне себе выгодным бизнесом у людей получалось. Так как начинка с корпусом не имеют высокой себестоимости.
Аноним 24/04/23 Пнд 14:47:55 525156 376
>>525152
>Почему он тогда
Потому что все наоборот, и спроса нет? Достаточного для того, чтобы окупать производство в принципе. А готовый продукт, как ты и сам понимаешь, резко поднимает выручку с лампы.
Аноним 24/04/23 Пнд 15:42:10 525159 377
1658815276874.png 383Кб, 615x952
615x952
>>525156
Мог бы расширить ассортимент продукции потому как рано или поздно рынок насытится часами. Это ж ведь не смартфоны которые меняют через 1-2-3 года. Хотя я не знаю какой срок службы у его ламп. Вряд-ли десяток лет или больше проработают как это бывает у VFD.

Мог бы еще делать лампы с другими цветами свечения. А то все неон да неон. Мне лично такой цвет не заходит что-то. Другое дело гелий с его персиковым цветом на пикриле. Он покрасивее будет.
Аноним 24/04/23 Пнд 17:04:10 525167 378
16774825726470.jpg 59Кб, 330x381
330x381
>>525068
Имеются в виду, не только газоразрядные, у нас нить не скучных индикаторов, главное, чтобы пиздато было, а на чем, не так важно. Как по мне корпус играет 70%, и сильно подчеркивает сам индикатор. На голый индикатор дрочат единицы. Остальные на сочетание корпуса и индикатора или только на корпус.
Аноним 24/04/23 Пнд 19:31:44 525176 379
F44C902A-F8F2-4[...].png 203Кб, 500x500
500x500
Сап радач. Короче попался мне десяток вот таких вот индикаторов ИВ-4. Посоветуйте схему нормальную. Думаю сделать на них бегущую строку, чтобы выводить погоду, время, день недели, поздравления, посты из мессенджеров от друзей, цитаты о жизненном, истории и стихотворения.
Аноним 24/04/23 Пнд 22:05:11 525202 380
2323.jpg 57Кб, 943x521
943x521
Аноним 25/04/23 Втр 00:39:01 525219 381
IMG5200-e147403[...].jpg 105Кб, 1240x693
1240x693
>>525069
>часы на таких няшках
Лучше на айпадах в трехлитровых банках собирай.
Заодно сэкономишь, дешевле выйдет.
Аноним 25/04/23 Втр 00:42:28 525220 382
1622368430185.png 509Кб, 777x571
777x571
>>525219
Дешевле но гораздо скучнее. Объемное диффузное свечение газового разряда ничем другим точно не передать. Вот вам еще гелий с инета в мелкой трубке. Кайф просто.
Аноним 25/04/23 Втр 10:52:22 525228 383
>>525202
Слыш ты че еблан ?
Аноним 25/04/23 Втр 17:41:01 525247 384
>>525220
>скучнее
Так ты нескучные обои на них поставишь.
Аноним 29/04/23 Суб 13:30:03 525569 385
>>525247
Любая имитация не равнозначна оригиналу.
покормил
Аноним 30/04/23 Вск 00:33:04 525631 386
Аноним 30/04/23 Вск 21:47:14 525706 387
zoomer-cry.png 7Кб, 259x195
259x195
>>525631
Тред про индикаторы. Где ты там видишь ИНДИКАТОРЫ? Совсем уже со своими тилибомами одебилела молодежь. Не могут название треда прочитать. Пора за ум взятся пока не поздно.
Аноним 01/05/23 Пнд 11:26:46 525730 388
post-89-1674921[...].jpg 112Кб, 1200x914
1200x914
>>525706
>Тред про индикаторы. Где ты там видишь ИНДИКАТОРЫ?

Дед, не позорься. Опять таблетки забыл принять?

> Официально прибор назывался «космический навигационный индикатор» с аббревиатурой ИНК

> Индика́тор (лат. indicator — показатель, указатель) — прибор, устройство, информационная система, вещество, объект, отображающий изменения какого-либо параметра контролируемого процесса или состояния объекта в форме, наиболее удобной для непосредственного восприятия человеком визуально, акустически, тактильно или другим легко интерпретируемым способом.
Аноним 03/05/23 Срд 01:21:21 525889 389
>>525730
Спокуха зумерок. Это прибор индикатор. А мы обсуждаем РАДИОДЕТАЛИ индикаторы. Ты тупой?
Аноним 03/05/23 Срд 10:06:12 525906 390
image.png 41Кб, 441x548
441x548
154935569814505[...].jpg 37Кб, 411x400
411x400
Аноним 03/05/23 Срд 23:53:35 525953 391
>>525889
Дед, ну угомонись уже. Прими таблетки и смотри свою аниму.
1. Кто такие эти "мы", кроме тебя? Тебе никто не мешает, с самим собой что-то обсуждать.
2. Часеки - это тоже "РАДИОДЕТАЛИ индикаторы"?
Аноним 04/05/23 Чтв 13:24:07 525976 392
16629192664800.png 253Кб, 930x889
930x889
>>525953
Ты такой молодой а уже такой душный.
Аноним 16/05/23 Втр 13:22:39 526907 393
maxresdefault ([...].jpg 89Кб, 1280x720
1280x720
Рейт няшное
Аноним 18/05/23 Чтв 18:01:20 527066 394
>>526907
А это от чего и что за трубочка длинная такая?
Аноним 20/05/23 Суб 13:27:19 527234 395
>>517024
Ошибок куча.
Какие же тут дегенераты сидят...
Я сюда буквально на 5 минут захожу, и сразу жопа сгорает.
Аноним 20/05/23 Суб 14:14:21 527241 396
>>527234
Это ты еще на радиоскот в часовые темы не заходил.
Аноним 26/05/23 Птн 21:11:51 527761 397
>>527066
Это называется pandicon, и является реально более-менее илитным экземпляром (цены от ~1к5$).
Аноним 29/05/23 Пнд 20:45:27 528085 398
>>527761
Длинная однако. Круто.
Аноним 30/05/23 Втр 13:05:18 528117 399
>>527234
Нет там никаких ошибок.
Аноним 05/07/23 Срд 13:06:11 530980 400
bump
Аноним 15/07/23 Суб 15:23:54 531692 401
369uhr6qkn[1].jpg 1018Кб, 2000x1500
2000x1500
369uhk2t8y[1].jpg 696Кб, 2000x1500
2000x1500
369uhgfs2h[1].jpg 718Кб, 2000x1500
2000x1500
Чё с этой вундервафлей можно сделать? Кроме часов, термометра, погодной станции, измерителя температуры процессора?
Аноним 15/07/23 Суб 22:28:34 531718 402
>>531692
Хуя лампово... Что бы ты хотел сделать на этом?
Аноним 16/07/23 Вск 00:21:49 531724 403
Аноним 16/07/23 Вск 00:41:26 531726 404
>>531724
Хуйня без задач. В Doom даже уровень не полноценно пройден, лол. В чем суть этого блядского манямэ-аутизма и почему его везде суют, тоже совершенно непонятно.

>>531692
Попробуй сделать смартфон из нее. Например, тогда можно будет фильмы в дороге смотреть на ней. Покупаешь ардуину, модуль SIM800, и можно годноту слепить из этого всего. А можешь на базе китайского делать, если тебе и этого мало. Еще можно сделать игру какую-нибудь, например понг.
Аноним 16/07/23 Вск 01:13:39 531727 405
>>531726
> можно будет фильмы в дороге смотреть на ней.
> разрешение 100x100 пикселей
Аноним 16/07/23 Вск 11:59:02 531735 406
>>531727
Как-то ты несерьезно ко всему относишься. Одни смехуечки на уме.
Аноним 16/07/23 Вск 12:25:23 531736 407
Какие есть варианты источника анодного напряжения для никси, кроме импульсника (в той или иной форме) и питания от сети? Волнует именно уровень помех в случае импульсника, желательно его минимизировать.
Аноним 16/07/23 Вск 13:01:42 531740 408
>>531736
Анодная батарея
Электромеханический преобразователь
Аноним 16/07/23 Вск 14:21:28 531750 409
>>531740
Нет, не подойдет. Электромеханический тоже помехами срет наверняка. Единственное, что мне приходит в голову - это синусоида с трансформатором.
Аноним 16/07/23 Вск 14:29:29 531751 410
>>531750
Не думал попробовать помехи отфильтровать?
Аноним 16/07/23 Вск 16:04:06 531760 411
>>531751
Речь идет о помехах на радиоприемник. Ты их не отфильтруешь.
Аноним 16/07/23 Вск 17:02:53 531761 412
>>531760
сооруди генератор низкочастотного синуса и шатай им обычный железный трансформатор и/или конденсаторный умножитель
Аноним 16/07/23 Вск 17:12:57 531762 413
>>531761
Вот об этом я и думаю.
Аноним 23/07/23 Вск 13:31:01 532283 414
Кто-нибудь на ИН-4 собирал? Как с долговечностью у этих ламп?
Аноним 25/07/23 Втр 12:31:11 532401 415
>>532283
Десятилетиями работают
Аноним 25/07/23 Втр 22:44:32 532447 416
B844A996-DA81-4[...].jpeg 2991Кб, 2160x2160
2160x2160
>>532401
А если перестанут работать, то и вот так вот можно сделать. Будущее лампового часостроения!

https://vk.com/wall-35715786_10664
Аноним 27/07/23 Чтв 21:25:45 532562 417
>>532447
Это вот ты сейчас так запросто гуро запостил?
Аноним 28/07/23 Птн 22:46:02 532625 418
>>532562
Это не гуро. Это передний край лампового часостроения. Еще светодиодами подсветить и ваще заебок будет.
Аноним 05/08/23 Суб 10:01:38 533026 419
>>532447
Без стекла работают? А то есть несколько разбитых, не знаю, можно включать их или плата ебанет лол.
Аноним 05/08/23 Суб 15:27:52 533037 420
>>533026
Стекло это главное... Ты можешь купить пузырьков и запихать туда семисегментники, обмотанные проволочной сеткой, и это будет заебись. Тоже в принципе направление часостроения
Аноним 06/08/23 Вск 15:45:41 533116 421
Что-то тихо здесь стало. Собрали все часы?
Аноним 05/09/23 Втр 13:37:22 535082 422
bump
Аноним 05/09/23 Втр 15:11:53 535097 423
Аноним 29/09/23 Птн 10:17:38 537024 424
Аноним 30/09/23 Суб 18:29:34 537209 425
Аноним 05/11/23 Вск 22:21:46 540561 426
bump
Аноним 05/11/23 Вск 22:43:30 540565 427
Rohde-Schwarz-S[...].jpg 149Кб, 1600x744
1600x744
>>493628 (OP)
Разжился SP12N002. Буду подключать ко всем ардуинам
Аноним 13/11/23 Пнд 14:26:53 541403 428
image 589Кб, 2000x1668
2000x1668
image 95Кб, 343x228
343x228
image 401Кб, 834x1095
834x1095
image 197Кб, 706x1250
706x1250
Хочу сделать часы на ИВ-6. Для начала надо понять как работают эти лампы.
С накалом вроде разобрался. Подаю 1.18В на 8ю ногу, 7ю подключаю к земле. Ток 46мА получается.
Теперь как зажечь сегмент?
9й пин (сетку) надо замкнуть на землю.
А на сегменты подавать +25В - +30В.
В "даташите" написано ток сегмента 0.5мА. Но как я его рассчитаю.
Тут используют +27В через 68к резисторы http://rcl-radio.ru/?p=67405
А тут 100к резисторы. Но подают МИНУС 30 ВОЛЬТ https://radio-hobby.org/modules/news/article.php?storyid=1547
И чем дальше я гуглю, тем всё менее понятно. Где-то вообще предлагают переменку использовать. Где-то на сетку подать какое-то отдельное напряжение.

Как мне зажечь сегменты просто для проверки?
Аноним 13/11/23 Пнд 14:45:27 541405 429
image 79Кб, 1341x351
1341x351
Аноним 13/11/23 Пнд 14:46:37 541406 430
1730611E-F42A-4[...].jpeg 526Кб, 1024x1024
1024x1024
>>541403
Тебе следует знать следующие вещи:

1. Шизов с маняпеременкой на накале не слушай, оно даже для ИВ-27 и ИВ-18 збс работает на постоянке.
2. Повышаечка ардуинная легко заведется от 5в юсб порта (для ВЛИ).
3. Чтобы зажечь сегмент, надо подать анодное (+27В, надо ярче - значит, больше) и на сегмент, и на сетку. Предполагается, что катод на земле сидит.
4. Засветка неравномерная которую видно не в кромешной темноте - хуета несуществующая. Вернее, она существует только у криворуких тупорылых колхозников, оставляющих аноды и сетки висеть в воздухе, а потом вещающих с горних вершин своего блохастого опыта.
5. Делай лучше из них усилитель :3
Аноним 13/11/23 Пнд 14:49:47 541407 431
>>541405
>трансик
Хуйня ненужная геморная для шизов мотальщиков на броневом карбонильном сердечники проводом пелшо сечением 0,000001 мм виток к витку 100500 тысяч витков с отводом от каждой тысячи
Аноним 13/11/23 Пнд 15:42:43 541409 432
image 268Кб, 1149x859
1149x859
>>541406
Ладно. Ты заставил меня спаять всё обратно.
Ноги 9 и 7 замкнул на землю.
На 8 подаю 1.18В. Ток потребляется 46мА.
В центре лампы светится нить.
Взял 2й блок питания на 27В, земли объединил, через 100кОм подал на 1ю ногу лампы. Должен был засветиться какой-то сегмент но ничего не произошло.
ЧЯДНТ?
Аноним 13/11/23 Пнд 15:48:40 541410 433
>>541409
9 на +27В кинь. Резистор можешь убрать нахуй и напрямую подключить. Напряжение тоже можешь убавить до 20, светиться должно от 12 (правда, хуевато).
Аноним 13/11/23 Пнд 17:42:06 541421 434
image 168Кб, 1154x854
1154x854
>>541410
Это успех.
Но сетку я боюсь напрямую, ставил 3.9кОм резистор. Или можно прям вообще без резисторов?
Резисторы сегментов 68кОм. Оставлять так?
Аноним 13/11/23 Пнд 21:07:10 541427 435
image 441Кб, 4370x2480
4370x2480
>>541421
Всё правильно сделал?
Аноним 13/11/23 Пнд 21:56:39 541431 436
hm.jpeg 10Кб, 246x205
246x205
>>541427
Все тупорылая хуйня, переделывай.

>существует только у криворуких тупорылых колхозников, оставляющих аноды и сетки висеть в воздухе

>эта квадратно-гнездовая всратая сеточка
И кому ты этих синих параш понавтыкал?
В кикаде есть иераркикал схематик шыт для таких целей.
Аноним 15/11/23 Срд 10:33:27 541577 437
image 401Кб, 834x1095
834x1095
>>541431
>сетки висеть в воздухе
Поправлю.
>кому ты этих синих параш понавтыкал
Себе. Я себе так делаю схемы, мне так нравится. Иерархические листы не нравятся абсолютно.

Съездил, купил высоковольтные сдвиговые регистры TPIC6C595 чтоб сделать не динамическую индикацию, а постоянную.
Но в даташите написано Ток анодов суммарный (постоянный) <= 1.8мА
У меня 7 сегментов (точка нахуй не нужна) и получается на каждый сегмент нужно 0,257мА?
То есть ограничивать ток на каждый сегмент резистором ~100кОм?
Я правильно всё понял?
Аноним 15/11/23 Срд 12:04:00 541582 438
sad-miku-hatsun[...].webp 100Кб, 800x600
800x600
>>541577
>мешок транзюков
>сдвиговый регистр опен дрейн
Делать тебе нехуй.

HV5812
Аноним 15/11/23 Срд 16:03:55 541611 439
6C138E31-3885-4[...].jpeg 2587Кб, 3072x2304
3072x2304
>>541577
А хули ты ив-4/ив-17 не хочешь? Тут на них матюгальничек делали, няшный: >>456443
Аноним 15/11/23 Срд 16:05:11 541612 440
Аноним 19/11/23 Вск 14:53:54 542111 441
image 402Кб, 3720x2480
3720x2480
image 380Кб, 1653x4547
1653x4547
>>541611
Я какие лампы на барахолке увидел, такие и купил. Впервые в жизни вообще лампы в руках держу.

>>541577
Я сделол схему.
Пробегитесь глазами, поищите косяки перед тем, как я начну это всё разводить и вскрывать себе вены.
Аноним 19/11/23 Вск 17:42:41 542146 442
>>542111
Нахуя статика для ВЛИ? Они ж выгорать быстрее будут по идее, не?
Нахуя параша ESP8266? Это ж блять дно днищенское глюкавое, даже клоны стм32 лучше.
Аноним 19/11/23 Вск 18:46:42 542166 443
>>542146
>Нахуя статика для ВЛИ? Они ж выгорать быстрее будут по идее, не?
С хуя ли? Ничего что почти все советские часы на отдельных ВЛИ (всякие ИЛЦ не в счёт, они конструктивно только под динамику) были со статикой?
А чтобы "выгорали" медленнее - у ВСЕХ тех же советских часов была кнопка для пониженной яркости (анодное подавалось через резистор).
мимо
Аноним 19/11/23 Вск 18:49:03 542167 444
>>542146
>Нахуя статика для ВЛИ
Да вас хуй поймёшь. Тут наоборот говорят двачеры против динамической индикации https://youtu.be/aA-h_94Co4M?t=304
И лампы сами по себе тусклые, а с динамической индикацией будут ещё в 5 раз тусклее. Я по этому и решил на статическую переделывать.
А выгорят и ладно. Если понравится, следующие часы уже буду с трансформатором, переменкой и динамической индикацией тогда делать.

>Нахуя параша ESP8266? Это ж блять дно днищенское глюкавое
У меня их в квартире штук 10 работает 24/7, ни одного зависания, ни одного глюка не считая когда чип управляющий подсветкой стола на кухне ловил наводки от электроподжига плиты
Аноним 22/11/23 Срд 00:31:14 542372 445
image 69Кб, 1584x1248
1584x1248
image 70Кб, 1002x832
1002x832
image 72Кб, 1105x831
1105x831
image 95Кб, 1105x711
1105x711
>>542167
Докладываю.
Решил я, значит, челленж себе устроить.
Показал знакомому дизайнеру лампу, и говорю, твори.
Ну он и натворил. Пик 1.
И я, не отходя от дизайна, должен это всё заставить работать.
А у меня туда даже ESP8266 не влезает. Кажется мне придётся делать двухэтажную плату. Никогда такого не делал.
Аноним 22/11/23 Срд 09:29:22 542399 446
23409original.jpg 127Кб, 1024x768
1024x768
162541405816093[...].jpg 1439Кб, 1920x1440
1920x1440
>>542372
В чём кайф оставлять ничем не прикрытые лампы? Никогда не понимал этой дебильной моды. Это нихуя не красиво, и чревато разъёбом ламп от одного неловкого движения.
Деды делали корпуса со светофильтром. Причём, древняя трухольная электроника занимала чуть ли не меньше места, чем у современных высеров с дуриной. Если пикрилейтед плату с кучей логики переразвести под SMD, она в 2-3 раза меньше станет. И это безо всяких мк.
Аноним 22/11/23 Срд 09:34:26 542401 447
>>542399
И ещё, кстати, такая дедовская схема намного более энергоэффективна, чем современные высеры. От сети потребляет чуть менее 2 вт, с пониженной яркостью, и до 2.5 вт с полной яркостью.
Аноним 22/11/23 Срд 12:13:53 542419 448
IMG0083.jpeg 398Кб, 1280x929
1280x929
Аноним 22/11/23 Срд 12:37:55 542420 449
>>542399
>В чём кайф оставлять ничем не прикрытые лампы?
Это как аквариум. Зачем вообще лампы использовать, если их не видно? Проще тогда светодиоды или олед взять.
Аноним 22/11/23 Срд 14:29:01 542427 450
>>542419
Аниме-даун, съеби нахуй и не позорься со своими фантазиями. У 4-х ИВ-12 один только накал будет потреблять 0.6-0.9 вт.
Я же привёл лично измеренные значения, на моём экземпляре часов. Секрет столь высокой энергоэффективности легко узнать, нагуглив схему.
Типичные ардуино-поделия жрут 5-10 и более ватт. Одна только ЕСПшка жрёт как раз 0.6-0.7 вт.
>>542420
Хуяриум. Ну делайте тогда прозрачный корпус из оргстекла или пластика. С голых ламп даже пыль стрёмно вытирать, а если случайно упадут с переворотом или что-нибудь на них ёбнется, то лампам пизда 100%, верхний сосок очень легко откалывается, это самое хрупкое место.
Аноним 22/11/23 Срд 15:41:30 542430 451
IMG0210.jpeg 83Кб, 750x1000
750x1000
>>542427
Накал — это основное потребление, маня. Так что цифры вполне реальные. Ну в случае с ИВ-12 будет чуть больше, но не 2 ватта же блять.
Аноним 22/11/23 Срд 15:47:56 542434 452
IMG0206.jpeg 124Кб, 736x736
736x736
>>542401
>восемь мелкосхем потребляют меньше чем три
Ты че довен?
Аноним 22/11/23 Срд 17:45:11 542448 453
20231122171031.jpg 1716Кб, 4032x3024
4032x3024
20231122171112.jpg 5095Кб, 4032x3024
4032x3024
20231122171144.jpg 4989Кб, 4032x3024
4032x3024
20231122171356.jpg 4361Кб, 4032x3024
4032x3024
>>542430
>>542434
>восемь мелкосхем потребляют меньше
>?
Ну вот ты чё, реально даун? Гугли, сколько потребляет КМОП логика. Каждый корпус - от менее 1 мкА (в статике) до 100-300 мкА (в динамике). В часах все микросхемы, кроме генератора (в данном случае - К176ИЕ5) по сути работают в статике, да и у генератора частота очень низкая, 32.768 кГц. Все они вместе жрут намного меньше 1 мА. Их потребление можно вообще не учитывать.
И обрати внимание на схему, как деды реализовали их питание в этих часах. Всё гениальное - просто.
Даже какая-нибудь простенькая attiny или атмега жрёт до 15-20 мА (в активном режиме при 16-20 МГц), не говоря про есп (до 150-300 мА).
>но не 2 ватта же блять
На пик 2 - пониженная яркость, пик 3 - полная, пик 4 - коэф. мощности (до кучи).
Алсо, моим часам более 40 лет, все эти годы эксплуатировались, один раз менялись лампы (кроме ИВ-1) и кварц (у родного частота сильно уплыла вверх), всё остальное - родное.
Я в ахуе, как нынешнее поколение невежд деградировало, но при этом считает себя умнее всех предыдущих.
Аноним 22/11/23 Срд 18:05:01 542451 454
16579307614990s.jpg 4Кб, 160x200
160x200
>>542448
У меня часы питаются от 9 вольт. На деле БП выдает 8.3 вольта. Ток потребления 210 мА, это 1.74 ватта получается. Шесть ИВ-4, плюс адресные диоды под ними. На пердуйне. Вот так.
Аноним 22/11/23 Срд 18:19:27 542455 455
>>542451
Ты проебал КПД блока питания. В твоём случае это будет что-то в пределах 40-70%, зависит от говённости импульсника. На малой нагрузке у них почти всегда КПД так себе. Советую прикупить сетевой измеритель мощности, полезная штука.
А вообще, ИВ-4 раза в 2+ менее прожорливы, чем ИВ-12.
Аноним 22/11/23 Срд 19:16:30 542465 456
IMG0305.png 645Кб, 860x800
860x800
>>542455
>прикупить сетевой измеритель мощности
>измерять потребление полутораваттных ламповых часов
Аноним 22/11/23 Срд 19:18:23 542466 457
IMG0195.png 98Кб, 283x347
283x347
>>542455
>пошли маняоправдашки
Вот видишь! А ты говориш пердуинщики не могут.
Аноним 22/11/23 Срд 19:28:41 542468 458
>>542465
>>542466
Анимеблядок, тебя обоссали с пруфами. Съеби под шконку.
Аноним 22/11/23 Срд 19:36:06 542470 459
16126999403000.png 251Кб, 689x726
689x726
>>542468
Резистор подключил к своему измерителю пердежа и думает что ему поверят... Небось те часики на ардуине жарят так что ночью полдень настает еще и со светодиодной подсветкой а ты свои под одеялком в темноте смотриш и там же замеряеш мощность... Вывод как бы очевиден да...
Аноним 22/11/23 Срд 19:49:31 542475 460
1248781106977.jpg 26Кб, 400x300
400x300
>>542470
Подключил твою мамку к своему могучему киловаттному измерителю, можешь не верить...
Жарю её так что ночью полдень настает еще, пока ты под одеялком в темноте дрочишь и толстишь в треде... Вывод как бы очевиден да...
Аноним 22/11/23 Срд 20:41:56 542484 461
>>542455
Ты про диоды забыл, тебе уже сказали. Это минус миллиампер 50 минимум (мне лень искать прошивку и выключать их). А теперь учти, что они висят на линейнике 5В ардуины, т.е. от 9 вольт это тоже минус 50 мА. Вот и думай.
Аноним 23/11/23 Чтв 08:26:51 542497 462
>>542484
Ты что доказать-то хочешь, сравнивая часы на ИВ-12 с ИВ-4? Последние более мелкие, у них меньше мощность накала, и аж в 8 раз меньше ток анодов. При этом, как ни странно, в 2.5 раза хуже надёжность/долговечность.
>>542470
>Резистор подключил
>косинус-фи 0.6
Заебал уже этот тупорылый анимублядок, весь раздел засрал своей шизой.
Аноним 23/11/23 Чтв 11:19:29 542506 463
>>542497
>меньше мощность накала
Опять хуйню несешь и передергиваешь.
ИВ-4/ИВ-17: 2.86В 0.05А = 0.143Вт
ИВ-12: 1.65В 0.1А = 0.165Вт
Не то, чтобы значительно больше. К тому же это максимальные значения. В реальности они несколько меньше для нормальной яркости.

А момент, что у меня ламп БОЛЬШЕ (6, у тебя четыре и мелкая), ты решил тоже не заметить? Два ватта потребления это овердохуя.
Аноним 23/11/23 Чтв 11:29:16 542507 464
>>542506
Ты полное потребление, вместе с БП, принесёшь или как? Хотя бы стрелочной Ц-шкой ток от сети измерь.
Аноним 23/11/23 Чтв 13:00:21 542517 465
>>542507
>стрелочной Ц-шкой
Лол. А арифмометром тебе не измерить?
Аноним 24/11/23 Птн 16:54:09 542631 466
08.jpg 62Кб, 800x600
800x600
На ИВ-9 делал кто?
Аноним 09/12/23 Суб 00:02:51 543938 467
>>542372
Ну что, сделал часики?
Аноним 09/12/23 Суб 12:51:58 543950 468
image 42Кб, 588x377
588x377
>>543938
Нет. Я прокрастинирую.
Аноним 09/12/23 Суб 13:46:11 543951 469
IMG0050.webp 317Кб, 2048x1448
2048x1448
Какие бы чясики зделоть... Вроде все уже есть...
Аноним 09/12/23 Суб 18:29:12 543955 470
>>542631
Дороха. Ну что так ни кто не нашел интересной альтернативы газоразрядам?

12-го интересные часы выкачу в стиле fallout. На заказ делаю.
Аноним 10/12/23 Вск 13:30:55 543990 471
Аноним 12/12/23 Втр 18:49:37 544129 472
DSCN0702.JPG 3184Кб, 5152x3864
5152x3864
DSCN0677.JPG 4705Кб, 5152x3864
5152x3864
DSCN0680.JPG 4632Кб, 5152x3864
5152x3864
Сделал.
Правда торопился есть косяки.
Аноним 12/12/23 Втр 21:31:41 544151 473
images (20).jpeg 8Кб, 225x225
225x225
>>544129
Ну не Васин канеш, но збс так-то. Пиздатенько получилось.
Точно лучше 99.99% говна, которое делают на никсях.
Ты не этот >>496875 анон?

Как делал первую фотку? Они охуенно оранжевые у тебя. А у меня получается белая пересвеченная хуйня.
Аноним 12/12/23 Втр 22:38:57 544157 474
>>544151
Нет не он, один раз тут только выкладывался до этого.

Сумрачная комната, подсветка на панель сельфи кольцом в холодном белом цвете. Затемнение на фотоаппарате. Апарат nikon coolpix l340 старой модели с рук брал на авито.
Аноним 12/12/23 Втр 22:45:32 544161 475
>>544151
Вообще проблема таких часов, отсутствие спроса ил-за дороговизны, тут один пишет какие бы часики сделать, да вариантов мягко сказать дохуя, только цена такая, что нет смысла. Сам специализируюсь на игровых предметах, вы бы тут охуели, от выложенных вариантов, если бы сам часовый механиз + трубки укладывался бы 1500р.

Сейчас занят поиском альтернативы, есть одна мысль, но хороший разработчик нужен, я сам в электронике не шарю, это не трубки, но тоже интересный вариант. В январе все таки попробую, что-то собрать. Но вероятность провала крайне высока.
Аноним 12/12/23 Втр 23:34:38 544168 476
>>544161
>1500р
Маловато. Это нужно сколько в месяц таких штуковин делать? Припой-то нюхать... А чясеки хороши именно тем, что они дорогие... Хотя я-то чисто для красоты свои паяю.
Аноним 13/12/23 Срд 00:55:21 544172 477
>>544168
Это только плата и индикаторы сверху еще цена корпуса + твои.
Аноним 14/12/23 Чтв 02:09:32 544215 478
IMG0390.jpeg 61Кб, 736x552
736x552
IMG0391.jpeg 5Кб, 274x184
274x184
IMG0325.jpeg 521Кб, 1280x1080
1280x1080
IMG0221.jpeg 18Кб, 406x400
406x400
Как же бесят тупорылые неграмотные колхозники, бомбящие от светодиодов под никсями...

В то время как светодиоды (желательно синие, или хотя бы белые) крайне желательны, а иногда даже необходимы, для нормального функционирования газоразрядных индикаторов.

Такая информация содержится, например, в руководстве фирмы Burroughs по их лампам, за 1962 год. Советские деды тоже в курсах были про этот важный момент, но не помню, где у них было об этом написано.
14/12/23 Чтв 04:46:20 544217 479
>>544215
>1962 год
>рекомендация использовать светодиоды
Аноним 14/12/23 Чтв 10:49:52 544224 480
>>544217
Ну имелось в виду, видимо, рекомендация, согласно которой синие светодиоды идеально подходят. И это действительно так.
Аноним 14/12/23 Чтв 13:53:14 544240 481
A1A39A1E-8C17-4[...].jpeg 64Кб, 400x400
400x400
>>544215
Двачую. Если бы никсидеды из 60х увидели синее свечение под своими никсями, они бы сказали что это мегаБАЗА и так всегда нужно делать по уму. Но канифольные умельцы зачастую книжек не читают, и потому они в отличие от мудрых дедов разработчиков никсей не понимают этого очевидного решения.
Аноним 14/12/23 Чтв 23:24:59 544296 482
17025695432850.webp 122Кб, 1024x683
1024x683
17025695432851.webp 116Кб, 1024x683
1024x683
17025695432862.webp 182Кб, 1024x768
1024x768
17025695432873.webp 72Кб, 1024x683
1024x683
Аноним 15/12/23 Птн 16:59:02 544342 483
16966028649360.jpg 200Кб, 720x880
720x880
>>544296
Задумка не плохая, стиль не выдержан, перемешал элементы из разных стилей, времён, не попал в цветовую гамму гармоничную, работы много, по итогу 3+. Но видно, что старался, все аккуратно. С банками наверху не угадал, размер не подходит. Амперметр и вольтметр надо было одиноковые по форме, а то один скруглённые, второй квадратный, или разводить их надо было в разные места. Трубки по боку уже лишние, теряются в общей массе элементов. И вообще если такая решетка стоит, она на себя из-за большого количества элементов отвлекает внимание, и все остальное уже как перегруз идёт.
Аноним 15/12/23 Птн 18:45:34 544349 484
IMG0370.jpeg 66Кб, 400x400
400x400
>>544342
Светодиодики няшные ставишь под газоразряднички? Синенькие?
Аноним 24/12/23 Вск 20:52:32 545023 485
вверх
Аноним 27/12/23 Срд 23:21:55 545196 486
Какая сейчас актуальная схема часов? То же самое на К155ИД1?
Аноним 13/01/24 Суб 14:26:34 546084 487
IMG0507.jpeg 35Кб, 512x306
512x306
IMG0506.jpeg 184Кб, 1071x671
1071x671
IMG0505.jpeg 125Кб, 1061x700
1061x700
Аноним 13/01/24 Суб 15:07:36 546088 488
bce9add719e1456[...].jpg 452Кб, 3264x2448
3264x2448
bad686.jpg 236Кб, 600x450
600x450
clock-night-det[...].jpg 247Кб, 932x709
932x709
$57 (2.jpeg 193Кб, 1600x1200
1600x1200
ГРАМОТНЫЙ БАМП
Аноним 14/01/24 Вск 17:48:57 546158 489
>>546088
>ГРАМОТНЫЙ БАМП
Выжгло сетчатку кетайскими led
Аноним 14/01/24 Вск 18:30:32 546160 490
6d412a6d66566f3[...].jpg 64Кб, 628x472
628x472
>>546158
Под газоразрядниками СВЕТОДИОДЫ ОБЯЗАТЕЛЬНЫ
Аноним 15/01/24 Пнд 05:17:54 546180 491
image.png 647Кб, 1024x616
1024x616
>>546160
Да как же ты заебял со своей подсветкой ВЛИ. Иди-ка ты нахуй уже отсюда, футфетишист-траподрочер.
Да, я узнал тебя. Только такой вырожденец и скам как ты будет пихать светодиодную подсветку и ардуино туда, куда не нужно.
Аноним 15/01/24 Пнд 06:58:23 546184 492
Аноны, посоветуйте какой купить набор из платы и комплектующих для сборки? На работе выкидывали старое оборудование, отковырял себе блок с лампами
Аноним 15/01/24 Пнд 12:22:42 546188 493
IMG0494.jpeg 833Кб, 1920x1080
1920x1080
>>546180
Слышь чушок, че за тухлые предъявы?

У тебя ВЛИ, дурачок. Они не требуют светодиодов. А речь шла про ГРИ. А еще ты неграмотная хуета не читавшая инструкций, иначе ты бы знал, что светодиоды ОБЯЗАТЕЛЬНЫ!!!
Аноним 15/01/24 Пнд 14:07:38 546190 494
image.png 439Кб, 639x430
639x430
>>546188
Плешивая хуйня с жидкой бородкой, ещё раз иди нахуй со своими светодиодами. И не шкварь собой аниме, пожалуйста.
Аноним 15/01/24 Пнд 14:09:32 546191 495
>>546188
ты долбаеб??? газоразрядник сам плазму светяшуюся генерирует ну или на люминофоре фотоны высираюца посему светодивод тама нахуй не ножон
Аноним 15/01/24 Пнд 14:14:39 546192 496
>>545196
ну хочеш лепи на пердуине и ds1307
Аноним 15/01/24 Пнд 14:53:07 546193 497
4DCF17C8-C299-4[...].jpeg 32Кб, 736x736
736x736
Аноним 15/01/24 Пнд 16:29:42 546205 498
Снимок экрана о[...].png 125Кб, 1024x768
1024x768
>>546193
>стр.19, баки тупорылые...
"Фигура 44 - Удар-Икс выключатель пустые бланки источник" - оно, да? Так тут обычные диоды, а про светодиоды во всём PDF вообще нет ни слова. Так что не выдавай-ка ты желаемое за действительное, маня.
Аноним 15/01/24 Пнд 16:49:00 546207 499
6B890B99-692C-4[...].jpeg 73Кб, 1080x1080
1080x1080
>>546205
ХУЯ ТЫ ДЕБИЛ
Какие блять светодиоды на схемах 1962 года, кретин???
Целиком читать не учили?
Ну хоть страницу правильную взял ........
Аноним 15/01/24 Пнд 22:17:13 546234 500
Так что? Нужно ставить светодиоды?
Аноним 15/01/24 Пнд 23:16:26 546240 501
кстати вопрос пока тред болеменее активен - есть один вольтметр на 600вольт показывает сколько липиздричества у меня в разетке все заебись мне нравица одно хренова ночью его очевидно них не видно нет особого желания заморачиваца со светодиводами а есть желание впихнуть на подсветку шкалы неонки - обычные такие которые где только не пихают ну и собственно вопрос а что с ней - неонкой будет если вдруг какойнить кретин или я нажравшись захочу померять этим вольтметром 380в? а если 600в?
>>546234
ну если только подсветить сетки и прочую внутренюю конструкцию самой лампы для пущего так сказать вау ифекта а в момент разряда гасить чтобы не хуевая контрастность получилась и хомячки ссали кипятком и хотели еще пожрать говна...
в свое время наоборот эти части старались скрыть сейчас...
Аноним 16/01/24 Втр 02:46:43 546259 502
Аноним 26/01/24 Птн 21:10:28 546972 503
banka.png 245Кб, 483x482
483x482
Хочу часики вот в такой баночке запилить. Какие подводные?
Аноним 27/01/24 Суб 00:53:35 546986 504
image 13Кб, 480x360
480x360
Аноним 27/01/24 Суб 18:23:54 547046 505
>>547027
тренировка перед баночкой
Аноним 27/01/24 Суб 19:19:37 547050 506
IMG0688.jpeg 36Кб, 498x328
498x328
IMG0687.jpeg 33Кб, 350x350
350x350
IMG0686.jpeg 50Кб, 889x500
889x500
IMG0685.jpeg 14Кб, 225x225
225x225
Аноним 27/01/24 Суб 19:52:14 547051 507
image 90Кб, 899x1060
899x1060
>>547050
Слыш, ЖЫВАБЛЯТЬ УДОЛИЛ ЭТО СОЙБОЙНОЕ ДЕРЬМО.
У меня глазам от него плохо стало.
Аноним 27/01/24 Суб 20:34:56 547055 508
IMG0697.jpeg 1135Кб, 3000x2683
3000x2683
IMG0694.jpeg 40Кб, 1024x768
1024x768
IMG0700.jpeg 80Кб, 760x570
760x570
IMG0701.webp 34Кб, 740x555
740x555
>>547051
ты тупой шыз говноежка и не шаришь
Аноним 27/01/24 Суб 20:39:53 547056 509
IMG0703.webp 49Кб, 800x800
800x800
>>547050
>1
излучение черенокова блять збс
Аноним 28/01/24 Вск 15:36:53 547101 510
Плата от AlexGyver v.2.2 это база или кринж?
Аноним 28/01/24 Вск 16:29:35 547113 511
16973323653890.gif 341Кб, 500x300
500x300
>>547101
Это передранная откуда-то (не помню) типичная схема на оптопарах TLP627 и К155ИД1. В целом дженерик хуета, работать будет, можно и лучше зделоть.......
Аноним 28/01/24 Вск 16:39:47 547114 512
>>547113
Ну если я слишком тупой чтобы самостоятельно понять плюсы и минусы той или иной схемы с точки зрения схемотехники, есть ли варианты лучше?
Аноним 28/01/24 Вск 17:04:26 547117 513
>>547114
Ну вроде транзисторные ключи быстрее оптопар, но я лично разницы не увидел вообще никакой, абсолютно.
Аноним 04/02/24 Вск 09:03:42 547775 514
Хочу собрать часы исключительно из реле ,без электроники.Каковы перспективы?Есть ли рабочие схемы?
Аноним 04/02/24 Вск 14:16:13 547784 515
IMG0764.jpeg 151Кб, 451x794
451x794
>>547775
Вот такое есть. Даже с синими светодиодами по красоте ваще, только вот диоды должны рядом с лампами стоять лол.
Аноним 04/02/24 Вск 14:50:08 547789 516
Lpip-Anime-Arti[...].jpeg 271Кб, 722x622
722x622
>>547051
>фажит по калоторо
>называет кого-то сойбойным дерьмом
Ну ты и шариков вонючий
Аноним 04/02/24 Вск 17:21:42 547806 517
>>547784
Хочу такие ,но с вли.В чём будут различия?
Аноним 04/02/24 Вск 21:28:45 547828 518
>>547806
Диодные декодеры цифр надо будет делать.
Грузовик диодов надо кароч.
Аноним 04/02/24 Вск 21:36:02 547830 519
>>547828
А возможно ли сделать не цифрофые,а десятиричные часы,без декодеров?
Аноним 04/02/24 Вск 23:09:21 547836 520
>>547830
Да можно конечно. Только лучше возьми шаговый искатель, с ним проще будет. Или, поскольку у тебя уже есть лампы, то можешь сделать на декатронах.

>>547784
А на этой фотографии видна кучка микросхем, вероятно для формирования минутных импульсов. А иначе попробуй сделай механический тактовый генератор.
Аноним 04/02/24 Вск 23:32:11 547838 521
>>547836
А реле времени подойдет?
Аноним 10/02/24 Суб 20:32:30 548269 522
>>547838
>>547775
Тебе все равно надо будет синие светодиоды использовать.
Аноним 16/02/24 Птн 20:18:14 548689 523
image.png 287Кб, 2067x1606
2067x1606
>>493628 (OP)
Анончики, помогите. Я нюфаг, собираю понемногу пикрил. В данный момент пытаюсь просто научиться управлять инлдктором, поэтому собрал только то, что связано непосредственно с ним.
Вопщем вроде работает, но VT2 очень сильно греется, ток 0.4 ампера при максимальном при не максимальном индикатор разгорается не до конца заполнении шима на обоих управляющих пинах ардуины.
В чём может быть проблема анончики? Я эту схему собирал уже, но на бредборде и с ардуино нано, всё работало отлично, сейчас спаял навесным монтажом и юзаю ардуино уно..
Аноним 18/02/24 Вск 17:12:52 548855 524
IMG0802.jpeg 92Кб, 700x467
700x467
>>548689
Аватарки маня-мэ нету, так что некому тебе помочь теперь.
Аноним 19/02/24 Пнд 11:38:00 548902 525
Аноним 20/02/24 Втр 20:32:09 549069 526
image.png 30Кб, 309x317
309x317
>>548855
Я уже зделол. Немного криво индикатор разгорается конечно, ну да и поебать в общем та.
Аноним 25/02/24 Вск 20:28:06 549476 527
сделали все часы?
Аноним 26/02/24 Пнд 18:37:10 549561 528
>>549476
Заёбся я с макетной платой безпаечной,где то контакт отходит,блять сложно...
Аноним 26/02/24 Пнд 21:46:51 549593 529
151487842712750[...].png 362Кб, 880x1024
880x1024
>>549561
И хули ты там делаешь на своей макетки беспаячной? Давай рассказывай...
Аноним 26/02/24 Пнд 22:48:54 549601 530
NixieTubeProject.jpg 1794Кб, 2000x1335
2000x1335
Пример почти грамотно сделанных часов.

Подсветка не синяя потому что. Но даже такая гораздо лучше никакой...
Аноним 27/02/24 Втр 00:24:03 549606 531
>>549593
10 секундный цикл на релюшках пытаюсь запустить
Аноним 27/02/24 Втр 03:05:20 549612 532
IMG0748.jpeg 34Кб, 728x472
728x472
>>549606
А обычные то чясеки на лампах ты собрал? на ардуине? может тебе и ненужны релюшки клацающие эти
Аноним 27/02/24 Втр 18:11:14 549685 533
>>549612
Хочу только релюшки,лампы есть.Схему собрал в программе и она работает,а на макете-нихуя не работает
Аноним 09/03/24 Суб 18:27:41 550759 534
Посоветуйте схему часов с дозиметром
Аноним 13/03/24 Срд 20:53:05 551170 535
Что по светодиодам? Желтые вместо синих можно поставить?
Аноним 13/03/24 Срд 22:08:04 551175 536
Аноним 21/03/24 Чтв 04:09:14 551857 537
image.png 2297Кб, 1379x1034
1379x1034
>>549685
>Хочу только релюшки,лампы есть.Схему собрал в программе и она работает,а на макете-нихуя не работает

Какая программа?
Тайминги проёбаны? На Verilog пробовал моделлить?

На стольких реле можно полноценный комп сделать вообще-то
Аноним 22/03/24 Птн 02:01:08 551975 538
>>551857
Память у этого компа — где? Покажи ее на фотографии.
Аноним 22/03/24 Птн 04:29:33 551981 539
>>551975
>Память у этого компа — где? Покажи ее на фотографии.
Память да, на микросхемах, и там вон микросхемы это шинные формирователи, вроде

Но! Есть на ютубе подобный аппарат где память ПЗУ сделана на перфоленте, а ОЗУ на нескольких релюшках
Аноним 22/03/24 Птн 11:47:01 552010 540
>>551981
>память ПЗУ сделана на перфоленте, а ОЗУ на нескольких релюшках
Какой только хуйней от скуки не занимаются.
Аноним 24/03/24 Вск 16:30:59 552187 541
Нашел у деда 9 штук ИН-12. Что бы из них сделать?
Аноним 25/03/24 Пнд 07:01:04 552220 542
Душа компании46[...].mp4 4413Кб, 460x816, 00:00:40
460x816
>>552010
>>память ПЗУ сделана на перфоленте, а ОЗУ на нескольких релюшках
>Какой только хуйней от скуки не занимаются.

Да ладно, забавно, как головоломку решать

Опять же, компьютер в котором гарантированно нет закладок - может кому и нужно подлечиться
Аноним 25/03/24 Пнд 11:18:13 552228 543
>>552220
>гарантированно нет закладок
Откуда ты знаешь, может, там в обмотке зарыт чип, который активируется по радиоканалу, и реле по команде извне перестает включаться? Или в контактной группе такое... Реле-то НЕПРОЗРАЧНОЕ!
Аноним 25/03/24 Пнд 19:50:43 552242 544
>>552228
Ставьте прозрачное
Аноним 25/03/24 Пнд 21:24:46 552247 545
640px-EPROM-Mic[...].jpg 48Кб, 640x428
640x428
>>552220
Хочу вот на такой йобе головоломку порешать. Предлагайте идеи часов на ней.
Аноним 26/03/24 Втр 09:14:21 552269 546
>>552247
>Предлагайте идеи часов на ней.

Думаю что интересное сейчас это часы которые не нужно подводить: https://habr.com/ru/articles/687640/
Аноним 26/03/24 Втр 09:51:03 552272 547
>>552269
А часы на DS3231 (и даже на DS1307) уже давно не надо подводить чаще, чем раз в полгода.

Меня больше интересуют идеи по дизайну. Детальки для этих йоб тоже ведь должны быть непростые, а винтажные. Накидайте интересных фоток древних плат из 80х, что ли.
Аноним 26/03/24 Втр 10:05:16 552273 548
>>552272
>А часы на DS3231 (и даже на DS1307) уже давно не надо подводить чаще, чем раз в полгода.

Надо чтобы раз в 20 лет, чтобы они просто висели и не парили мозги пользователю

Ты посмотри, вокруг блять сплошные часы, особенно на кухне - заебёшься всё подводить
Аноним 26/03/24 Втр 12:58:50 552279 549
50E1EEC5-BFCC-4[...].jpeg 137Кб, 1023x685
1023x685
Какая йоба лучше?
Аноним 26/03/24 Втр 18:37:35 552287 550
>>493628 (OP)
> Noritake Itron
Где же их, щас, бляль, достать?
Аноним 26/03/24 Втр 18:46:25 552288 551
>>552287
Нахуй матрицы не нужны, есть олед
Аноним 27/03/24 Срд 20:33:03 552407 552
image.png 1284Кб, 1280x960
1280x960
image.png 1137Кб, 1280x960
1280x960
Заработало!

Одна сетка не гасится, должен гореть только 1 индикатор единовременно (первый)

Трансформатор тупо смотал вторичную от ненужного БП от дохлой дрели (там не было даже фильтра)

Этот: https://2ch.hk/ra/res/338104.html#551726
Аноним 27/03/24 Срд 22:50:00 552419 553
15743205524890.jpg 87Кб, 1582x800
1582x800
>>552407
>Одна сетка не гасится, должен гореть только 1 индикатор единовременно (первый)
Аноним 28/03/24 Чтв 14:22:19 552489 554
core nuclear pe[...].png 365Кб, 500x354
500x354
>>552419
>>Одна сетка не гасится, должен гореть только 1 индикатор единовременно (первый)

Не люблю биполярные, плохо открываются
Аноним 28/03/24 Чтв 14:39:36 552494 555
>>552407
Что делать на них собрался?
Аноним 28/03/24 Чтв 20:17:32 552529 556
>>552494
>Что делать на них собрался?

Хз, это готовая плата же, ничего делать не нужно. Поставлю esp32 и буду на неё что-нибудь транслировать. Есть идеи получше?

Кстати, нашёл ещё там на входе полезного сигнала к155ла3 отъебнула, видимо это и была причина почему плату выкинули
Аноним 28/03/24 Чтв 21:44:20 552535 557
17113044279230.jpg 150Кб, 563x613
563x613
>>552529
>к155ла3 отъебнула, видимо это и была причина почему плату >>552407 выкинули
Аноним 28/03/24 Чтв 23:34:31 552545 558
Аноним 29/03/24 Птн 15:19:51 552585 559
>>552545
Охуенно, беру в оборот!

Где взять словарь таких слов?
Аноним 29/03/24 Птн 16:25:39 552588 560
>>552585
Там уже в посте есть словарь таких слов. Но у тебя больше знакомест, ты можешь блядскую бегущую строку сделать.
Аноним 29/03/24 Птн 19:06:39 552598 561
366751originalк[...].jpg 330Кб, 900x599
900x599
>>552588
>Но у тебя больше знакомест, ты можешь блядскую бегущую строку сделать.

В настоящее время я ебусь с пониманием как оно работает

К155ЛА3 купил, поставил в панельку задом наперёд и один из её элементов сгорел

Вынув пытаюсь без неё потушить этот злоебучий первый разряд - а он не гаснет никогда почти
Аноним 29/03/24 Птн 19:48:04 552600 562
ссср ковер стен[...].png 2148Кб, 1920x1277
1920x1277
>>552598
>К155ЛА3 купил, поставил в панельку задом наперёд и один из её элементов сгорел

Нет, сгорела К155ИД4

От перегрева кое-где отвалились пятаки, пара транзисторов была обломана пришлось наколхозить проводками. Иногда горели некоторые сегменты - непропай соответствующих им транзисторов.

Погружение в ссср удалось!
Аноним 29/03/24 Птн 22:11:29 552610 563
>>552600
может не стоит превращать весчь в кусок говна?
демонтаж дип микросхем удобно да и лучше производить следующим образом - акуратно выгибаеш - выпрямляеш загнутые ноги береш остро отточеные маленькие кусачеги и ими со стороны микросхеммы откусываеш ей нахуй все ноги убираеш ее а потом грееш и пинцетом вытаскиваеш остаток ноги как только ноги убрал береш калючку от окации и ей опятьже со стороны микросхемы протыкиваеш каждую дырку освобождая ее от припоя - так пятаки вполне вероятно остануца на месте
Аноним 29/03/24 Птн 22:36:22 552613 564
unnamed.jpg 102Кб, 900x900
900x900
>>552600
>>552610
Колхозанов полон тред.
Береш люкей дешманский фен включаеш 300-350 градусов устанавливаеш. Грееш мелкосхемку по кругу аккуратненько. Когда припой разжыжается вытаскиваеш мелкосхемку спокойненько. Все.
Аноним 30/03/24 Суб 00:22:28 552631 565
>>552610
Этот долбоеб небось дедовым паялом без контроля температуры возюкается, потому пятаки от платы и отгорают, лол
Аноним 30/03/24 Суб 00:43:54 552634 566
>>552613
пробовал как только завезли паяльную станцию с фэном - хуйня пятаки один хуй отлазиют тк микросхемы иногда пихают в дырки с натягом притом таким что вылезает даже метализация самой дырки- поверь это опыт это практика при должной сноровке даже быстрее чем феном + есть переходные ублюдки не редко встречал такие платы где микрушки дип а резюки и кондюки поверхностный монтаж и фен их вот тупо сдувает а греть приходица достаточно сильно чтобы прогреть ВСЮ микрушку - ну и я посматрю на тебя как ты будеш прогревать 40 ножечные порты и контролеры
>>552631
полноценная станция и около полторы тыщи объектов на обслуге на тот момент
Аноним 30/03/24 Суб 01:57:33 552639 567
>>552634
ну т.е. ето фен виноват што ты им не умееш пользоваться? или всетки ето смд компоненты виноваты што ты не умееш пользоваться феном? или дип40 микрухи? непонимат
Аноним 30/03/24 Суб 11:50:11 552649 568
>>552610
Ты мерзкий токсичный долбоёб, хотя я же на дваче

У меня паяльная станция температура 265 примерно, и у меня есть оловоотсос

Всё равно отваливаются пятаки. Но удалось сделать всё нормально установив цанговую панельку

Устройство не повреждено больше чем оно было изначально

Также надо понимать что это не военка а какая-то хреновина из опытного производства, которая вручную была собрана криво-косо

Из интересного ещё: обнаружил что один из конденсаторов по питанию одной ногой вообще не контактировал - что-то типа холодной пайки, не залуженный контакт просто вставлен в отверстие и вокруг навалено олово
Аноним 31/03/24 Вск 17:35:41 552745 569
Аноним 01/04/24 Пнд 15:07:55 552796 570
>>552649
Решил уже, на чем сами часы и управление будешь делать? Сделать все на древних детальках и контроллерах из СССР нет желания?
Аноним 01/04/24 Пнд 19:05:29 552810 571
>>552796
>Решил уже, на чем сами часы и управление будешь делать?

Строго на 32-разрядном контроллере, который поддерживается LLVM

>Сделать все на древних детальках и контроллерах из СССР нет желания?

Не
Аноним 01/04/24 Пнд 20:57:51 552827 572
>>552639
виноват отечественный говенный текстолит который пузырица начинал и тугоплавкий закусь который при этом нихуя не плавился
а также как писал выше воткнутые с нехуевым натягом микрухи которые даже если все прогреть ахуительно вырывали метализацию дырки тк текстолит разягчался и ее нихуя уже не держал + как писал выше переходные ублюдки у которых под микрухой поверхностный монтаж резючков и прочих элементов - греть всю дип микрушку такая себе затея а если это 40 ножечная хуета нахуй нахуй лучше кусачиками выкусил и спокойно пинцетом все ошметки выпаял по одному и овцы сыфты и волки целы поверб я столько этого дерьма напаял в свое время ух бля...
и был пиздец как несказанно рад когда пошел чистый поверхностный монтаж - вот тут я по достоинству оценил все преимущества фена
>>552649
> установив цанговую панельку
по возможности советую избегать горячий контакт - пайка он и в африке горячий контакт а холодный это кастыль используемый лиш для того чтобы вынуть контроллер или флешку и воткнуть ее в погроматор
не создавай себе лишних проблем
>>552810
часы я бы сделал всеже на спец микрушке тойже дс1307 там и батарейку можно прилепить а контроллер уже чисто дравир всего этого барахла - конечно в современных контроллерах ресурсов много но всеже когда это возможно лучше использовать специализированые решения - пропало липиздричество а часы идут себе и идут
>>552745
в гугль одна из них автомобильного исполнения - более широкий диапазон рабочих температур
Аноним 01/04/24 Пнд 23:30:59 552851 573
ecl diff latch [...].png 28Кб, 1046x1134
1046x1134
>>552827
>дс1307 там и батарейку можно прилепить а контроллер уже чисто дравир всего этого барахла - конечно в современных контроллерах ресурсов много но всеже когда это возможно лучше использовать специализированые решения - пропало липиздричество а часы идут себе и идут

Все 32-разрядные контроллеры (из тех что я юзаю) имеют на борту часы реального времени и входы для часового кварца. Нахуя все ставят отдельный RTC я хз - помешательство какое-то
Аноним 02/04/24 Втр 00:14:49 552858 574
IMG0957.jpeg 48Кб, 512x384
512x384
>>552810
Раст что ли?

Почему "не"? Ведь так интереснее. А на норм контроллере хули там делать? Я хочу на этой йобе делать часики
Аноним 02/04/24 Втр 00:57:33 552865 575
>>552851
хз почему это делают остальные но в нашей сфере случился очень серьезный обосрамс когда под новый год налоговой пришлось высирать спец письмо фактическим разрешающее работу с наличкой в левую - очевидно ктото из разрабов получил по еблу и далеко не ногами и притом обосрались ВСЕ заводы кто выкинул эту мелкосхемку притом это заводы считавшиеся законодателями мод и передовиками - ктото обосрался меньше ктото больше а ктото не обосрался вообще
и дело не в том что повально все перешли с авр на стм32 тут больше несколько другие вещи - бешаный принтор - они заебали со сваими експериментами вот например сейчас взялись за парнуху они что наивно пологают что я все брошу и запиздию пладить им рабов??? я найду на что передернуть а вот тот же условный таджикоузбек не найдет догадаешся с одной попытки что он будет делать? и хорошо если шлюхи начнут болеть супергонореей - авось ктонибуть из этих уродов ее подцепит на свой конец плохо будет когда толпы этих "специалистов" с диким недотрахом будут ходить и ебать все что движеца а это будет тут даже и ванговать не надо

>>552858
золотища? а смысл?
> репрограммируемое ПЗУ с ультрафиолетовым стиранием на 1К байт,
всеравно придеца заклеивать хренолентой камень да и в килобайт сложно будет запхать даже алфавит точнее запхать то ты его туда запхнеш а вот остальное... можно канечно прикрутить внешнюю флеш но "быстрая" у нее много ножек хоть и доступ прямой а по и2с не то что медленая ее интерфейс достаточно много отжирает в прошиве можно канечно на и2с и часы и флеш с алфавитом но это достаточно трудоемко в плане размера прошивки - эти контроллеры изначально под внешнюю оперативу и флеш на 64к пилились там внутряняя флешка скорей как велосипедный званок мелоч а приятно
Аноним 02/04/24 Втр 01:20:20 552867 576
>>552865
Это чатгопота что ли высрала? Че за поток сознания блять?
Какие нахуй 64к, там адресное пространство пзу 4к.

Во-первых, мне нахуй не нужны буковки твои. Я буду чисто часы делать.

Во-вторых, там писать только на асме, так что 1к не так уж и мало как тебе кажется. Так-то чисто часы байт 150 занимают.

В-третьих, мне нахуй не нужно в этом случае ебстись с погромирвонем, и2ц и прочим говном. Я просто возьму самые упоротые позолоченные древние детали, и выставлю плату с ними напоказ, индикация на газоразрядничках или ИВ-18.

>>552851
>Нахуя все ставят отдельный RTC
Потому что самоделкины авр и пики ставят в свои поделки (иногда за каким-то хуем это все программируя на асме). Или есп - я не знаю, есть ли у них ртц. Подозреваю, что дс3231 может быть тупо точнее встроенных.
Аноним 02/04/24 Втр 08:49:20 552883 577
>>552867
>Подозреваю, что дс3231 может быть тупо точнее встроенных.
Разумеется, tcxo явно будет точнее. Встроенные rtc ведь без температурной компенсации. Так что использовать дс3231 есть смысл всегда, вне зависимости от наличия в микрокондукторе rtc.
Аноним 02/04/24 Втр 08:49:51 552884 578
>>552883
>микрокондукторе
Микроконтроллере.
Аноним 02/04/24 Втр 09:35:21 552889 579
а вот и токсичный скакол >>552867высрался со своим хохлокамнем на ру борде - че вы сюда лезете??? вам тут маслом намазано?
а раньше они умели в микрокондукторы - ахуенно так декомунизировались лол
я даже не представляю уровень перемоги когда это чубатое душное гавно его заведет - не заведет - даже прошивку не сможет залить
>>552883
не только точность там много преимуществ очевидное из которых батарейка
Аноним 02/04/24 Втр 10:38:59 552903 580
>>552867
>Подозреваю, что дс3231 может быть тупо точнее встроенных.

Никакой разницы - любую компенсацию можно реализовать софтово
Аноним 02/04/24 Втр 10:40:41 552904 581
>>552858
>Раст что ли?

Как вариант

>Почему "не"? Ведь так интереснее. А на норм контроллере хули там делать? Я хочу на этой йобе делать часики

Заёбно на рассыпухе делать, хотя и возможно. Моя цель была просто с минимальными усилиями получить ВЛИ дисплей и только лишь

Я изначально вообще думал просто включу и всё заработает
Аноним 02/04/24 Втр 11:30:31 552913 582
>>552889
>хохлы в 1989
>перемоха в конце 80х передирать контроллеры интел 8748 из середины 70х
Лол. Иди проспись.
Ну бери 1850 серию раз в 1816 хохлы у тебя насрали.

>>552904
>на рассыпухе
На какой еще рассыпухе блять? Ты и8748 на рассыпухе собрался делать потому что в 1816 серии хохлы насрали?
Аноним 02/04/24 Втр 14:22:20 552928 583
03.jpg 105Кб, 912x548
912x548
бездна2.mp4 6710Кб, 640x360, 00:02:10
640x360
>>552903
можно все что угодно особено если интересно и это хобби а если стоит задача обасать ебльнеги радиачевским рукажепам то и нужно - сматри ток не надорвись
где? счаз раскажу хотя? вот это https://2ch.hk/ra/res/338104.html#552304 почитай
прежде всего необходимо осознать одну великую - огромную жеппу которая как кость в горле у всей механики и липиздроники - и эту жеппу завут теполовые расширения она настолько жирна весела ЗЕЛЕНА что порой в ступор ставит даже искушенного инженера
никогда не задумывался почему ставят этот кварц? почему имено кварц? а не чтото другое?
конечно где требуеца более высокя добротность применяют другие решения
карочи ахуительная история - ты в курсе что в 54фз эти 5 минут один хуй прописаны? да да +- 5 минут и уже вполне официальное не применение коап14.5 это была одна из моих самых любимых работ - как шаз помню на планерке перекошеное от злости ебало директора - А ЭТОТ ПОЕДЕТ В ЛАГОНАКИ и - меня с жуткого похмелья с канторы забирал какойнить газон зилок и вез в эти ебучие горы к ослам и баранам которые даже по русски не говарят - как шаз помню прихватило что пиздец от перепадов давления я реально зиленый говарю вадиле слух у тебя таам сена в кузове есть? ога тормазни я туда свежим воздухом подышат - я прям из кузова и блевал когда очередной перевал брали ...
таак вот стаатистика по томуже даласовскому дс1307 + 4+5 минут за пол года по мицубишевскому ааналогааау 41чето там непомню уже там поменьше но не намного
это я к чему? а к тому что вот как ты собрался реализовывать эти поправки? раз в сутки как на советских часах липиздроника19 вводить ежесуточную поправку? у меня были в детстве такие любил сидеть перед телеящиком и ТОЧНО попадать в клац часов московского времени - тогда еще ни сег ни хуег не было и в помине - спектрум нам с брательником предок купил гораздо позже...
карочи я тоже ДУМАЛ в свое время об этой поправке
ТЫ МАЛ И ГЛУП И НЕВИДАЛ БОЛЬШИХ ЗАЛУП
вся проблема в том что данная цифра складываеца из многих соствляющих певая из которых эти ебаные тепловые которые ты ОЧЕВИДНО не в силах предугадать - я даже больше скажу - очевидно разные блоки микоро контроллера нагреваюца по разному я уже молчу об очевидных сегодняшних +30 у меня заа окном в тени - солнушко туда еще не дошло такчто ожидаемо все + 32 - недаром я мне вус метеоролога выделили...
карочи даже если ты какимто чудом выявиш и систематизируеш - оформиш в матрицу все температурные выебоны микороконтроллера и его стабилизирующей обвязки по тепловыделению его блоков - ох уж эт авр где все на камне на кондюкцаакторчигах ты один хуй ОБаСРЕШСЯ
мыздесь о чем говарим? об атомарных часах нет?
посему гораздо практичнее вынести этот блок - часы подальше от основного не предскаазуемого элемента АЛУ - вон я недаавно обсывал ебальнеги за тдп и смотрел на камни - они думаюи в принципе как и я
скро подут ух бля
а телотрубку один хуй лучше изготаавливать из меде серебра - путемм протяжки и кипять в ней спегму девственого ослика
но вернемся к нашим баранам - канкретной реализаци часов
и это очевидно что лучше взять отдельный корпус его темостабилизировать а поправки вычислять уже на большом камне - обвесив канкреную микрушку кнкреными датчигами ее и ее кваарц
хотябы потому что вот тупо меньше считать и соответственно меньше тепловыделять
кстаати о наручных часах когда мне предок подарил эти кассио илюминатор - шли по переходу в метро у маскеве и он тааакой о бля смаатри дааавааай я тебе их куплю я даааа нах че заа ебаанаааа рот ну черные ОНИ ПЛАСТИКАВЫЕ хочу стаальные с нержааавеки ааа тогдааа толькор пошли видаки с нипонии ух бля... каарочи купил нааа пидорском ремешке плааастиковом сцукаа каак у девочки ну ебаанааа рот каак меня от них тогдаа блеваать тянуло - но эта подсветка илюминаатор вся дяревня аахуелааа все девачки зааа мною - покаажи каак чаасы светяцаа ааа рука почемуто в штаанаах кааак я потом с пацапнами ебаашился ух бля...
Аноним 02/04/24 Втр 14:53:09 552931 584
>>552903
Не все так просто. В TCXO есть нюанс в виде специального среза кварца, какой попало кварц не прокатит.
Но если прям так заморачиваться, то проще OCXO поставить.
Аноним 02/04/24 Втр 14:54:16 552932 585
>>552889
>батарейка
В микрокондукторных RTC тоже часто то же самое -отдельный батарейный домен для этого.
Аноним 02/04/24 Втр 14:54:42 552933 586
>>552932
>микрокондукторных
Микроконтроллерных
Аноним 03/04/24 Срд 01:32:27 552974 587
Аноним 03/04/24 Срд 22:24:23 553059 588
image.png 1639Кб, 960x1280
960x1280
>>552600
>>К155ЛА3 купил, поставил в панельку задом наперёд и один из её элементов сгорел
>
>Нет, сгорела К155ИД4

Поменял сегодня

Но также оказался дохлый самый последний из цепочки регистр К155ИР1 - после сброса платы горят все сегменты, а если загнать в них все единицы (сегмент погашен) а потом опять ноли то сегменты остаются погашенными (пикрелейтед)
Аноним 03/04/24 Срд 22:36:46 553060 589
>>553059
че за панижаечка зачем она ?
Аноним 03/04/24 Срд 22:54:45 553061 590
image.png 1981Кб, 1280x960
1280x960
>>553060
>че за панижаечка зачем она ?

Повышайка до 35В, они визуально похожи один в один

Это для анодного
Аноним 05/04/24 Птн 18:48:08 553210 591
>>553061
че када мы твой матюгальничек увидим в работе? у меня осталась прашывка от матюгальника из прошлого треда с пастебин но там вроде павышанечки от пердуйни обе хуярят. надо?
Аноним 06/04/24 Суб 00:17:24 553221 592
image.png 79Кб, 204x204
204x204
>>553210
>че када мы твой матюгальничек увидим в работе?

Спасибо что интересуешься

У меня затык с К155ИР1 (крайняя слева дальняя на фото): она оказалась тоже битой - на последний свой бит не отдаёт сигнал со входа, только сбрасывает его при включении

Где её взять не отдавая 500 рублей я хз, в местном магазине нету

>у меня осталась прашывка от матюгальника из прошлого треда с пастебин но там вроде павышанечки от пердуйни обе хуярят. надо?

Не понял про повышаечки. тут она просто отдельной китайской платой нонеймовой, не управляется никак (только отверткой)
Аноним 06/04/24 Суб 15:15:48 553256 593
ываыа.jpg 9Кб, 249x203
249x203
>>553221
бля держис там чувак не бросай !
Аноним 06/04/24 Суб 20:09:17 553266 594
image.png 1325Кб, 960x1280
960x1280
image.png 813Кб, 960x1280
960x1280
image.png 1264Кб, 1280x960
1280x960
image.png 1045Кб, 1280x960
1280x960
>>553256
>бля держис там чувак не бросай !

Короч, таки нашёл пару штук микросхемов и заменил - всё заработало. Совсем всё

Подпаивать контроллер и писать софт буду завтра

Вопрос возник: если делаю гашение дисплея (это значит что все сетки отключены) но при этом сегменты заполнены то получается такое послесвечение как на пик 3 (телефон его передаёт ярковато, на самом деле оно почти незаметное, думаю, через тёмное стекло его видно не будет, для сравнение на пик 4 при том же освещении полностью горящий разряд)

Это нормально? Пробовал крутить анодное напряжение - никак не влияет почти
Аноним 07/04/24 Вск 10:59:51 553314 595
is110-a.jpg 228Кб, 980x735
980x735
>>553266
А я сижу свои керамические 8051 ковыряю. Думаю вот, какие часики на них сделать. Что то ничего в голову не приходит.
Аноним 07/04/24 Вск 13:57:05 553324 596
muro box.jpg 77Кб, 1440x884
1440x884
>>553314
А это изначально от чего плата?
Аноним 07/04/24 Вск 14:16:53 553334 597
>>553324
Калькулятор, судя по кнопкам снизу
Аноним 09/04/24 Втр 12:26:10 553502 598
Аноним 09/04/24 Втр 18:04:41 553543 599
367FD4E8-804B-4[...].jpeg 82Кб, 666x444
666x444
Аноним 18/04/24 Чтв 18:04:27 554156 600
image.png 790Кб, 1280x960
1280x960
image.png 1814Кб, 1280x960
1280x960
image.png 1912Кб, 960x1280
960x1280
>>553266
Опять выхожу на связь. Проект не забыт

Только что присрал ещё один 4-битный регистр в конец цепочки, он будет хранить 4 бита адресующие текущий индикатор. радикально сократилось количество проводов с данными до платы - теперь их 3 штуки всего: clk, data и включение индикации (по сути cs)

Надеюсь получится с помощью стандартного аппаратного SPI теперь этим управлять

Подключил к esp32, она вся на 3.3В. Вроде, 155 логику можно напрямую подключать к её выходам и ничего не взорвётся и всё будет работать?
Аноним 19/04/24 Птн 07:52:15 554183 601
>>554156
Анончик, как начать работать над такими же сложными проектами, как ты?
Аноним 20/04/24 Суб 00:46:37 554218 602
video2024-04-20[...].mp4 1673Кб, 1280x622, 00:00:10
1280x622
>>554183
Так это простой. Просто проводов много и деталек

Сложный это когда бюджет шума и эффект Миллера

Я прокосячил - на той платке сверху >>554156 должно быть не 7 проводов, а 8 - данные входящие в регистр забыл подать, поэтому горит всегда одно знакоместо. Завтра уже буду доделывать, спать охота
Аноним 21/04/24 Вск 00:14:26 554270 603
image.png 1041Кб, 1280x960
1280x960
>>554218
Яркость маленькая, днём через тёмное стекло видно будет плохо

У меня максимум 35В повышайка анодное выдаёт, а надо до 45-50В доводить (предел транзисторов КТ315И)

Сделал наконец-то развёртку без мерцаний, 100кГц получилось, тактовая частота заполнения счётчиков 10МГц (поставил тупо максимум для 155 серии, если не ошибаюсь)
Аноним 21/04/24 Вск 02:43:38 554273 604
image.png 30Кб, 687x751
687x751
1673764888242738.jpg 549Кб, 722x1178
722x1178
>>554270
>У меня максимум 35В повышайка анодное выдаёт, а надо до 45-50В доводить (предел транзисторов КТ315И)
Попробуй прикрутить умножитель на два к своей китайской платке с повышайкой, см. элементы д2 д3 с2 с3.
Бонус за перенос обратной связи на выход х2, не забудь туда добавить последовательно резистор килоом на 5-10.
Аноним 21/04/24 Вск 04:06:20 554279 605
>>554273
Нахуя такие сложности? Повышайку легче сварганить на шиме того же контроллера.
Аноним 21/04/24 Вск 05:52:59 554281 606
>>554279
Там скорее всего xl6009, макс напряжение 36в, пиковое 42
>Нахуя такие сложности?
два кондёра и два диода - какие сложности?
Аноним 21/04/24 Вск 07:46:58 554285 607
>>554281
Колхозник, я понимаю, что повесить пару соплей для тебя нихуя не сложно. Но некоторые люди сопли в принципе не приемлют.
Аноним 21/04/24 Вск 12:40:28 554289 608
>>554285
>>554285
> я понимаю
Сильно сомневаюсь. Иначе бы хуйни не писал, а раз пишешь - значит не понимаешь.
Аноним 21/04/24 Вск 13:17:04 554291 609
16640171758691.jpg 81Кб, 679x516
679x516
>>554289
Причина твоего подрыва? Ты не знаешь, как сделать буст конвертер на пердуине?
Аноним 21/04/24 Вск 13:50:35 554294 610
>>554291
>сделать буст конвертер на пердуине?
Это всем колхозам колхоз. Откуда вы такие лезете?
Аноним 21/04/24 Вск 14:49:37 554297 611
>>554294
Это не колхоз, а вполне обоснованное и вменяемое решение.
Аноним 21/04/24 Вск 17:25:44 554303 612
>>554297
Исползовать "ардуину" для повышающего преобразователя? Это серъёзно? Управление по току давно завезли? Поцикловое ограничение тока есть? Что-то там с обратной связью и стабильностью? Или похуй, перепаять жменю кт315 - хуйня делов?
Я хую, ардиунщики - не люди.
Аноним 21/04/24 Вск 21:23:13 554318 613
>>554303
2чаю - радиач который мы засужили и вообще помоему пердуину придумал очень грамотный злобный троль
вместо того чтобы сделать нормальный блок питания эти долбаебы начинают городить всякую хуйню - вангую что это поделие даже до этапа изготовления корпуса не доживет
интересно было бы увидеть сам код и размер прошивки
Аноним 21/04/24 Вск 23:02:04 554327 614
>>554303
Хуя анальник важничает...... синхрофазотрон с файр резистом не доложили

>>554318
Год-то какой на календаре, дедуль? Размер паршивки ахуенный у него, стопудово ))
Аноним 23/04/24 Втр 00:33:02 554406 615
Светло.mp4 14833Кб, 1000x486, 00:00:39
1000x486
Темно.mp4 15231Кб, 1000x486, 00:00:43
1000x486
Аноним 23/04/24 Втр 10:10:03 554460 616
>>554327
>Год-то какой на календаре, дедуль?
Матароха в своём стекломойном делирии всё ещё пытается уместиться в 640 байт
Аноним 23/04/24 Втр 11:47:18 554473 617
>>554460
уместился тебе за щику
Аноним 23/04/24 Втр 12:56:05 554477 618
Аноним 23/04/24 Втр 13:05:52 554478 619
>>554477
>Это где стока?
Ты не пынемаешь. Это чтобы было.
Аноним 23/04/24 Втр 13:10:57 554479 620
>>554406
Ну что, пора матюгальник делать. С озвучкой!
Аноним 23/04/24 Втр 15:16:06 554485 621
>>554479
но для начала хотябы научица конвертить видосы
Аноним 23/04/24 Втр 17:16:32 554501 622
>>554485
До размера в 640 байт?
Аноним 23/04/24 Втр 18:57:47 554505 623
>>554479
Дайте список слов

я искал там какие-то книги заумные находил, чтобы просто списком такого нет
Аноним 23/04/24 Втр 19:32:59 554507 624
>>554505
В посте про матюгальник был список слов.
Аноним 23/04/24 Втр 20:05:28 554512 625
>>554507
>В посте про матюгальник был список слов.
Там 5 слов
Аноним 23/04/24 Втр 21:36:58 554522 626
>>554512
Их там туча ебаная. Зенки протри свои
Аноним 24/04/24 Срд 00:07:15 554541 627
>>554522
Дай прямую ссылку уже, ты четвёртый раз уже вокруг да около
Аноним 24/04/24 Срд 07:44:21 554561 628
>>554541
>Моя цель была просто с минимальными усилиями получить ВЛИ дисплей и только лишь
Ох лол.

Вот тебе ссылка: >>552545
Аноним 24/04/24 Срд 11:02:18 554594 629
>>554561
Ну и где там список? 2 строчки?
Аноним 24/04/24 Срд 12:34:21 554596 630
17111471282470.png 304Кб, 894x894
894x894
>>554594
>ШЛЮХА АСУКА ГНИДА ЕБАТЬ КРЫСА АНИМЕ ГОВНО
Аноним 24/04/24 Срд 12:48:22 554597 631
Аноним 24/04/24 Срд 22:28:31 554624 632
Аноним 26/04/24 Птн 16:33:14 554830 633
>>554406
Сегодня годовщина же!
Аноним 26/04/24 Птн 18:32:05 554843 634
74DCDEE5-CEDE-4[...].png 220Кб, 800x800
800x800
>>554830
В честь годовщины скиньте схему часов с дозиметром наконец!

В принципе кое-какая уже есть но она не проверена...
Аноним 26/04/24 Птн 23:49:05 554862 635
Пердикс просвер[...].mp4 1262Кб, 352x640, 00:00:13
352x640
>>554843
>В честь годовщины скиньте схему часов с дозиметром наконец!
>
>В принципе кое-какая уже есть но она не проверена...

Так ты сам сделай, скомпонуй
Аноним 27/04/24 Суб 00:58:36 554866 636
IMG1030.jpeg 278Кб, 905x1280
905x1280
>>554862
Ты с такими предъявами нахуй сам пойдешь или тебя туда отправить? Схема уже скомпонована надо лишь проверить ее и написать прошивку (скомпоновать из нескольких тоже, что сложнее гораздо чем со схемой).
Аноним 27/04/24 Суб 01:01:44 554867 637
>>554866
Тогда на какой конец тебе её скинуть, вафел?
Аноним 27/04/24 Суб 10:51:38 554901 638
food-izumi-kona[...].jpg 163Кб, 1400x1050
1400x1050
>>554867
Тихо петуч, тут нет вафелов только фуфел один, ето ты...
Схему пости
Аноним 04/05/24 Суб 20:42:51 555465 639
1714844569038.jpeg 391Кб, 2048x1152
2048x1152
1714844569244.jpeg 341Кб, 2048x1152
2048x1152
Rate me /ra

ИН-8-2 и ИН-16, а корпус это коробка из под овсяного печенья
Аноним 04/05/24 Суб 20:57:14 555466 640
1000047287.mp4 2619Кб, 854x480, 00:00:14
854x480
KPACUBO
Аноним 04/05/24 Суб 21:29:36 555469 641
>>555466
красиво то оно красиво вот только строб через жёппу
для каждой лампы свой сдвиговый регистр влепить не судьба?
кова хуя десятки часов на 2 секунде мигают?
переделывай
Аноним 05/05/24 Вск 02:39:56 555478 642
>>555465
Bydlo style. Но в целом нормас.
Вот анончик делал заебца >>496875
А вообще, лучше совсем без корпуса, чем колхоз всякий городить.
Аноним 06/05/24 Пнд 18:31:26 555590 643
994DA915-EA4E-4[...].png 38Кб, 693x600
693x600
Сап, анончики. Решено собрать ламповые часы... Куплены пока такие детальки кароч: лампы 8штук, ардуинка, мк к155ид1, какой-то часовой модуль, еще транзюки а92 и а42, ну и резисторы всякие. И печатная плата в дырочку под пайку на которой будем собирать. Что еще нужно? Какая схема лучше?
Аноним 13/05/24 Пнд 23:45:12 555987 644
а могли бы кустарно пилить лампы в литровых банках
Аноним 14/05/24 Втр 09:04:07 555997 645
>>555590
>Что еще нужно?
пояльник
блок питания
Аноним 14/05/24 Втр 09:16:35 555998 646
матароха снимае[...].mp4 1398Кб, 480x320, 00:00:45
480x320
>>552613
>>552631
>>552639

Поясняю нюфагам уровень умений и навыков данного поцыэнта (на видриле он снимает карбюратор с мопеда)
Аноним 14/05/24 Втр 09:33:14 556003 647
>>555998
Карбюраторы, особенно старые, особенно на мелкой технике, это боль. Они действительно могут ой как заебать.
Аноним 14/05/24 Втр 16:13:24 556031 648
>>555998
>данного поцыэнта
Это он срёт фуриёбскими картинками?
Аноним 14/05/24 Втр 23:44:33 556066 649
>>555998
бля так дип40 или смд компоненты виноваты что пятаки от платы отгорают? я нихуя не понимаю
Аноним 15/05/24 Срд 05:04:28 556080 650
>>552649
>Также надо понимать что это не военка а какая-то хреновина из опытного производства, которая вручную была собрана криво-косо
Это не у тебя руки кривые, это все остальные вокруг ничего не могут нормально собрать. Ясно-понятно.
Аноним 15/05/24 Срд 13:50:19 556110 651
Аноним 16/05/24 Чтв 23:55:47 556205 652
IMG202405162250[...].jpg 1927Кб, 4608x3456
4608x3456
Аноним 20/05/24 Пнд 19:27:03 556388 653
>>556205
Что это за девайс?
Аноним 20/05/24 Пнд 19:37:45 556389 654
mew0ycyc0qvc1.j[...].jpg 1209Кб, 4608x3456
4608x3456
Аноним 20/05/24 Пнд 19:51:30 556393 655
>>556389
Что в нём за опорник? Гиацинт?
Аноним 20/05/24 Пнд 21:15:00 556398 656
>>556393
Гиацинт-М группы А
Аноним 21/05/24 Втр 01:57:45 556412 657
>>556398
Это очень круто. Как я слышал, Гиацинт-М в частотомеры ставили крайне редко, очень мало было таких моделей.
Аноним 16/06/24 Вск 14:42:31 558142 658
бампик ламповый анодный
Аноним 17/06/24 Пнд 18:16:11 558262 659
>>556412
>Как я слышал, Гиацинт-М в частотомеры ставили крайне редко
Схуев? Это же не рубидиевый стандарт времени и частоты.
Аноним 19/06/24 Срд 18:23:46 558426 660
>>558262
Кварцевые опорники советского производства можно условно разделить на три группы: "простые", без собственного наименования - ставились в частотомеры и производились как правило на тех же заводах (Ч3-34, Ч3-54, Ч3-69 и им подобные), "цветочная" серия, из которой самый известный - Гиацинт, крупнее простых, более точны и надежны, ставились как правило в военку, редко - в измериловку, и "стандартные" - самые надежные, точные и крупные, ставились только в приборы, непосредственно связанные с получением стандартных частот, например синхронометры Ч7-15 и рубидиевые стандарты с газовой камерой Ч1-50.
Аноним 20/06/24 Чтв 00:23:16 558446 661
Аноним 21/06/24 Птн 23:00:44 558631 662
1718999675916.jpg 6212Кб, 4608x3011
4608x3011
>>558446
Ну ладно, вот тебе часы. Настоящий хардкор, ни одной микросхемы.
Аноним 22/06/24 Суб 00:32:57 558648 663
rare-soviet-fre[...].png 982Кб, 1080x1921
1080x1921
>>558631
Зато с аккумуляторами.

Но это же не часы в прямом смысле этого слова, как я понимаю?
Аноним 22/06/24 Суб 00:55:38 558651 664
>>558648
Вполне себе часы, просто с дополнительными функциями. Впрочем, использовать их в жилой комнате не очень комфортно - преобразователь БП работает примерно на 7 кГц и шумит. Не слишком громко, но неприятно. Поэтому я оставил в лаборатории. Есть мысли в будущем заменить БП на что-нибудь современное.
Аноним 22/06/24 Суб 01:20:50 558652 665
>>558651
Я такие, если мне память не изменяет, видел в НИИ ВТРИ (служба времени), но там они синхронизировались с мастером каким-то типа атомных часов.
Аноним 22/06/24 Суб 03:52:24 558656 666
>>558652
А с Ч7-3 по-другому и не получится, у них нет внутреннего опорника, только вход 100 кГц. Аккумулятор в них только для хранения шкалы времени. Опорник появился только в Ч7-15 - прямом наследнике Ч7-3. Судя по записям в формулярах мои Ч7-3 раньше стояли в какой-то ВЧ, а Ч7-15 я спас из местной обсерватории ИЗМИРАН.
Аноним 22/06/24 Суб 11:55:02 558661 667
>>558656
Ты какой-то блатной, такие редкие б/у приборы в продаже практически нереально найти, всё мигом в драгмет улетает, ну разве что новые с хранения, за жалкие 100-300 тыс. руб.
Аноним 22/06/24 Суб 13:05:38 558664 668
>>558661
Для этого достаточно тереться во всяких пыльных НИИ.
Там такие сокровища бывают.
Аноним 22/06/24 Суб 21:37:33 558682 669
>>558664
>Для этого достаточно тереться во всяких пыльных НИИ
>достаточно
Какая малость то..
Аноним 22/06/24 Суб 22:11:15 558701 670
>>558682
Ну, это не сложно, если ты, допустим, учишься на физика в университете.
Аноним 23/06/24 Вск 17:01:19 558751 671
Почему больше не собирают ламповые часы?
Аноним 23/06/24 Вск 18:14:02 558759 672
>>558751
Собирают. Можешь купить на Али кит или готовые.
Аноним 23/06/24 Вск 21:54:45 558788 673
>>558759
Я имею в виду, что интерес к самостоятельной сборке упал. Думаю, и к этим китам тоже.
Аноним 23/06/24 Вск 22:46:26 558802 674
>>558788
Так прайс на лампы негуманный. Даже за б/у лампы от приборов 50-70 летней давности. Если ты не заметил, никси-часы из диайвай-экзотики стали частью мейнстрима, в результате чего их охотно стали покупать даже далёкие от электроники люди, в собранном виде. Запасы новых и б/у ламп сократились на порядки.
Аноним 24/06/24 Пнд 07:48:33 558845 675
>>558802
Купил в своё время мешок ИН-9 с панельками. Одни часы собрал, правда, без корпуса, лет шесть отработали.
Оставил всё в России, хз, когда теперь заберу.
Аноним 25/06/24 Втр 03:03:57 558965 676
>>558802
Мне лично бомбит от того, что лампы заброшены как технология. На декоративные часики от тянучек и трапиков в чулочьках мне в целом похуй. А вот потенциал ламп, как электронных ключей, совершенно не раскрыт.
Лампы это же охуенные коммутаторы на мегавольты и мегаамперы в первую очередь. А с их подвижностью зарядов у них должен быть просто пиздейший холл-эффект, на котором можно строить преобразователи напряжения с кпд не хуже dc-dc. А ещё есть многоанодные лампы, на которых можно хоть троичную, хоть десятичную логику сделать. А ещё есть всякие гиротроны и эмиссионные умножители для СВЧ. А ещё лампам поебать на температуру, и их можно юзать в качестве прецизионных транзисторов. Причём раньше если это всё собиралось руками, то сегодня есть 3д-печать и фотолитография, и можно это всё многократно миниатюризировать и удешевить. И на всё это забит хуй, КМОП заполонил планету, только 3.5 анонимуса на хабре самодельные лампы лепят. Ну и в ВПК осталось кое-что по мелочи.
Аноним 25/06/24 Втр 03:34:39 558966 677
>>558965
Непонятно, зачем ты это именно тут высрал. Никси весьма специфические лампы, твои пафосные взвизги про тринитроны и аудионы вообще не к месту здесь.

С миллионный раз воспроизведенной шизы про троичную-десятичную-хуичную логику проиграл.
Аноним 26/06/24 Срд 16:08:48 559069 678
>>558966
Ну сейчас просто никто не хочет это развивать, тратить деньги, есть же хорошо освоенные транзисторы, которые не требуют особой герметичности
Аноним 26/06/24 Срд 22:42:25 559090 679
сварка.webm 3919Кб, 1280x720, 00:00:25
1280x720
>>558965
>не раскрыт.
все там раскрыто но ты можеш сварочной дугой подергать себе анус
>мегавольты и мегаамперы
как только научишся в сетки на хиха ваты прикались они имеют тенденцию испаряца нахуй при таких нагрузках притом пока она не догорит дуга не гаснет
ДУГОЙ СВАРОЧНОЙ АНУС СЕБЕ ЗАКАМУТИРУЙ
>хоть десятичную логику сделать.
это вообще пушка - да хоть 512ричную нахуй нужен ключ размером с пизду тваей мамаши? когда нам нужно трилиард ключей
>лампам поебать на температуру
а нуда мыже на мылаче - ша пожди телеящик прогрееца
>3д-печать
анус сварочная дуга...
Аноним 27/06/24 Чтв 02:13:25 559096 680
Аноним 04/07/24 Чтв 18:48:55 559513 681
бамп
Аноним 30/07/24 Втр 16:41:22 561006 682
IMG2141.jpeg 18Кб, 400x300
400x300
IMG2140.jpeg 76Кб, 1024x768
1024x768
IMG2139.jpeg 94Кб, 1200x630
1200x630
IMG2136.jpeg 43Кб, 570x380
570x380
Почему большинство часов на лампах такое одинаковое всратое скучное говно? Даже плата без корпуса лучше выглядит, чем эти уебищные деревяшки.
Аноним 30/07/24 Втр 20:00:15 561013 683
image 23Кб, 500x283
500x283
>>561006
Самое время делать свои.
Аноним 02/08/24 Птн 03:36:36 561168 684
1u7k0ftil2.jpeg 54Кб, 800x449
800x449
12008153.jpg 309Кб, 1152x864
1152x864
scale1200.jpeg 141Кб, 1200x898
1200x898
97182844largeMi[...].jpg 92Кб, 322x313
322x313
>>561013
А то! Нескучный дизайн с авито кстати ваще пушка
Аноним 02/08/24 Птн 19:29:51 561211 685
>>561168
Ракета и правда хороша
Аноним 02/08/24 Птн 19:57:29 561214 686
Аноним 01/09/24 Вск 15:09:23 562664 687
s73oXw40ZeU.jpg 337Кб, 2170x1650
2170x1650
KZ6yZE6hvU.jpg 1255Кб, 2560x1920
2560x1920
EIHd26MRKxA.jpg 600Кб, 2034x1000
2034x1000
2963-ALL.jpg 680Кб, 1600x2600
1600x2600
Приобрёл блок индикации от Маяка 240, в бумаге, вроде как новый. Он просто пиздец какой тусклый, причём ладно бы весь, но сегменты "Л" и "П" горят ярче, чем всё остальное. Если бы индикатор был выгоревшим, эти сегменты так ярко не светились бы, потому что они включены всегда.
Пробовал перекидывать минус накала на противоположную сторону - всё целиком становится тусклее. Пробовал поднимать напругу на накале - яркость не увеличивается, только анод светиться начинает. Напряжение катода - 15 вольт, по паспорту. На этом идеи закончились. Вот надеюсь, здесь подкинут свежие мысли.

На фотке смотрится сносно из-за приглушённого освещения, в жизни выглядит гораздо тусклее.
Аноним 01/09/24 Вск 15:21:31 562667 688
>>562664
Он такой и должен быть.
Аноним 01/09/24 Вск 15:46:20 562669 689
04.jpg 111Кб, 950x408
950x408
>>562664
>>562664
был такой
на одном разъебал лампу на другом отъебнуло микрушку при очередном идиоцком эксперименте третий ишачил в купе с усилком как колонки для компа с 03 по 17год потом этому усилку приделали ноги...
штука ахуенная - за счет многа точичег в сегменте и правильно расчитаному стробу создаеца илюзия - кажица что сегмент попоточечно включаеца жеппа 2 полярка притом относительно критичная к качиству напряжения но успешно работал в диапазоне 13-16в еще жопа в тормазнутости
да они все такие но ночью заебись - сделай для него на 8кренке двуполярку и поиграйся я кажись так и спалил ток я витки на самопальном импульснике подматывал ...
карочи не ебай моск лучше прихуйкай к его входу крутилку так на 30-50к и подключай к выходу усилка и когда тихо слушаеш можно подкрутить крутилку и он будет веселее выглядеть больше сигментов гореть
Аноним 01/09/24 Вск 21:47:23 562695 690
>>562669
>критичная к качиству напряжения
Ну хз, китайский преобразователь на два напряжения выдавал изначально -15 и +12 вольт, всё работало нормально. Буст я потом добавил, в надежде на увеличение яркости.

>>562667
Хм, посмотрел сейчас видео с этим индикатором - а он и правда тусклый, и сегменты с буквами ярче всего остального.

Обидно, я хотел его в условиях дневного освещения использовать.
Аноним 02/09/24 Пнд 21:26:22 562761 691
Аноним 02/09/24 Пнд 23:29:20 562770 692
>>562761
если это будут тупо часы то присри лампы к пердуине а часы можно програмно можно на ds1307
ну и какойнить датчиг температуры давления влажности... радиву
Аноним 03/09/24 Втр 05:28:36 562783 693
>>562770
Вот, кстати, радивочасы на никси вроде пока никто не делал (что удивительно). Чтобы можно было радиостанцию поставить на будильник
Аноним 03/09/24 Втр 16:11:21 562806 694
>>562783
Нахуй не нужно. Уж лучше тогда сделать реле времени, чтобы в заданное время включать то же радиво/чайник/дилдак.
Аноним 03/09/24 Втр 17:14:35 562815 695
>>562806
ну будильник в часах это самособой ога?
Аноним 03/09/24 Втр 17:37:54 562818 696
>>562815
Нахуй не нужен, если до часов более метра. Лучший будильник - любой старый небольшой смартфон под матрасом и/или подушкой, с включённой вибрацией.
Аноним 03/09/24 Втр 18:18:36 562826 697
>>554843
бамп как никогда вопросу
Аноним 08/09/24 Вск 16:14:09 563164 698
очень странное [...].webm 12937Кб, 320x240, 00:03:40
320x240
>>562783
>радивочасы

По радио утром такое передают что не захочешь просыпаться больше никогда вообще
Аноним 10/09/24 Втр 14:15:16 563274 699
IMG2172.jpeg 9Кб, 225x225
225x225
Выбираю ключи для анодов ламп. Что лучше оптопары или транзюки? Может стоит вообще статику делоть?
Аноним 11/09/24 Срд 23:09:13 563359 700
>>563274
Делай как деды

А как они делали?
Аноним 12/09/24 Чтв 14:38:56 563388 701
>>563359
Как? Доставь схем девайсов на газоразрядничках плиз...
Аноним 13/09/24 Птн 22:00:18 563481 702
IN-18-BD-day-si[...].jpg 133Кб, 992x575
992x575
Зажег лампу цифру 3. А как теперь зажечь синюю подсветку как на пикче?
Аноним 15/09/24 Вск 13:11:10 563567 703
DSC2114.jpg 603Кб, 1546x2334
1546x2334
>>563481
У меня только такую точечку удавалось зажечь. Попробуй поднять напряжение и ток.
Аноним 15/09/24 Вск 23:30:00 563619 704
image.png 552Кб, 604x453
604x453
>>562664
У Электроники У-101/7101 яркий индикатор, не такой прикольный, но найти легко.
Аноним 16/09/24 Пнд 01:58:52 563621 705
image.png 3416Кб, 1423x1474
1423x1474
>>563619
>У Электроники У-101/7101 яркий индикатор, не такой прикольный, но найти легко.

Разве пики там отдельно подсвечивались? Или это какая-то переделка?
Аноним 16/09/24 Пнд 22:18:14 563657 706
>>563621
>пик
А что, VFD-технология настолько гибкая, что можно вот так сделать уникальный единичный экземпляр?
Аноним 16/09/24 Пнд 23:19:13 563659 707
04ы.jpg 40Кб, 381x449
381x449
>>563657
легко выжег лазиром трафарет дунул еще слой а сетки один хуй общие
пик вообще фотожоп - у него все в кучу соедининино по логике должно также все гореть точнее не гореть тк нет 4 провода на сетки
да гибкая но сложная одно дело меж 2х пластин напечатать а другое дело все эти сетки накалы аноды в стеклину залить не перекасив тепловыми притом так чтобы еще было херметично и + операция вакум
карочи дорого сложно жк дишевле а олед пизже а по потреблению сасет с проглотом можно попытаца делать сетку ближе или вообще ее на другой стеклине штамповать?
тогда не было принторов и штамп дорогущим был...
оказалось проще найти более эфективные материалы
хотя таже плазма рвала и рвет по всем основным жк и олед
но тыбы видел от нее один питальниг раза в 2 тяжелее чем частотниг и насыщенее элементами - тяжело дорого оказалось проще поставить излучатр помошнее и более грамотно дергать доменами
но ожин хуй жк сасет с проглотом у люминисцентников по самому важному по цвето передаче изза параметра яркость контрастность да ипксель гасица быстрее следствено и зажеч его можно раньше...
Аноним 16/09/24 Пнд 23:48:54 563661 708
>>563659
как же я люблю эти ебаные ссд экраны бля
если с них пленки содрать получаются на вид не хуже вфдшек
такие же прозрачные яркие и охуенно стеклянные
Аноним 17/09/24 Втр 00:29:04 563664 709
>>563621
>Или это какая-то переделка?
Зис. Тупо руками питание на сегмент подали.
Аноним 17/09/24 Втр 14:48:22 563686 710
>>563661
> ссд экраны бля
>если с них пленки содрать

Есть фотки? Тоже нравятся но не видел чтобы сдирали с них
Аноним 17/09/24 Втр 15:42:48 563688 711
>>563686
купи и сдери сам хули
фоток нет
Аноним 13/11/24 Срд 22:35:55 566807 712
бамп
Аноним 14/11/24 Чтв 04:20:46 566821 713
1731547187984.jpeg 406Кб, 2039x1087
2039x1087
О епти, не знал, что есть такой тред, спрашивал в ньюфаньском.

Короче, электроника 13-11А, в них стоит ИВЛ 1.
Проблема в одном индикаторе, он хорошо отображает 0 и 5 остальные цифры как то через раз, либо просто все сегменты горят восьмеркой.
Пропаял все дорожки, контакты, кварц исправен, вроде бы, часы не отстают, не спешат, после диодного моста напруга выше чем нужно на 10в, там лит здох, пока нечем заменить.

Пиздец индикатору ?
Может у кого то из вас были уже такие проблемы

Просто если это контроллер отьебнул, то смысла в ремонте я не вижу, ибо ценник контроллера в Чипе Дике почти 2к
Аноним 14/11/24 Чтв 07:28:31 566827 714
>>566821
Долбоёба кусок, говнолит замени. Как тебя вообще сюда занесло-то, такого дегенерата?
Аноним 14/11/24 Чтв 07:41:14 566828 715
>>566827
Пись пись тебе на клык

Че злой такой? ебобо что ли???
Аноним 14/11/24 Чтв 15:02:49 566843 716
IMG2274.jpeg 21Кб, 400x400
400x400
>>566821
Ну смотри кароч давай вместе подумоем и решим... Так значит сегменты все в параллель значит в цифре замыкания быть НЕ может. Еще есть вариант твой второй диджит тупо все время горит. Более вероятно так то. Кароч вот когда у тебя скажем 00:01 время то во второй циферке перекладина горит или нет? Вариант такой: сетку второго диджита надо отключить нахуй от микрухи и еще один отключить. А потом включить наоборот... Поменять местами кароч. Если так будет уже другая цифра глючить на которую ты вторую поменял то тогда это скорей всего микруха отъебнула да. Потому что в индюке там нехуй ломаться как бы. Ну по крайней мере так.

Если да то можно трансик и индюка оттуда и собрать свои часики. Как раз для этого треда темка.
Аноним 14/11/24 Чтв 16:46:19 566848 717
>>566843
> у тебя скажем 00:01 время то во второй циферке перекладина горит или нет?

Да, горит, получется 08.01
Но иногда загорается нормально, точно не работает 2, 6, 3 тоже восьмерки
Аноним 14/11/24 Чтв 17:19:05 566849 718
IMG2355.jpeg 22Кб, 558x558
558x558
Аноним 14/11/24 Чтв 20:52:58 566856 719
>>566849
После работы сделаю как ты сказал, перепаяю контакты, цифры местами поменяю.
Сфотаю , скину результат
Аноним 15/11/24 Птн 13:29:17 566893 720
1731666499278.jpeg 39Кб, 360x331
360x331
1731666499302.jpeg 383Кб, 1907x1228
1907x1228
>>566849
Воть
Собственно по описанной тобой методике все сделал.
Нашёл распиновку и заменил местами сетки.
Теперь первый показывает восьмерки, а второй норм.
Вывод
Индикатор видимо исправен
Слегка завышен накал 7v но думаю пока похуй ибо лит по питанию я еще не заменил
Микрик 27v как по книжке

Микруха???
Есть С1 94 как проверить, чтоб наверняка?

Да опять пропаял все, дорожки кое где, результата ноль
Аноним 15/11/24 Птн 14:44:44 566894 721
1731670987469.mp4 20819Кб, 720x1280, 00:00:13
720x1280
1731670987473.jpeg 427Кб, 1536x2040
1536x2040
>>566849
Вот еще гляди какая хуйня.
Нажимаю на минуты, просто зажал.
Видишь мерцание? Сегменты загораются.
Как будто сигнал где то пробивает с первого на четвертый разряд и паразитно его засвечивает.
Хз, кз вроде нет визуально, плата спиртом мылась.
Да, кварц еще подкинул другой, чисто проверить генерацию. Результат такой же
Аноним 15/11/24 Птн 14:53:44 566895 722
>>566893
>>566894
Ты электролиты-то заменил, долбоёбина? Пиздец дегенерат, сетки он перекидывает.
Аноним 15/11/24 Птн 15:11:23 566896 723
IMG2328.jpeg 28Кб, 720x405
720x405
>>566894
Во я те базарю что он все время горит! Кароч на втором дижите горят все сегменты которые горят хотя бы на одной цифре вот. Встаешь осликом на ногу второй цифры и смотришь есть ли там импульсы или все время включено. Если есть но мало становишься на ногу другой рабочей цифры и сравниваешь как там. Почему так хз может микрушка подохла может ей нехватает че.
Аноним 15/11/24 Птн 16:25:59 566897 724
>>566895
Я пердоле быдло, если бы они у меня были заменил бы.
Нет у меня в наличии кондера овер 50V, жду. Озон, зон, зон
О курва!
Аноним 15/11/24 Птн 16:46:58 566898 725
IMG2331.jpeg 42Кб, 736x736
736x736
IMG2369.webp 34Кб, 600x800
600x800
Аноним 15/11/24 Птн 17:05:13 566902 726
>>566896
> не хватает
Хз че там ей не хватает.
Глянул даташит к ней, там макс напруга 29.7
У меня 27.8
Минималка 24.3

Может конечно пульсации ее сбивают по питанию и этот >>566895 курва бобр прав. Но как то сомнительно.
Проверить не могу кондеров нет.
Аноним 15/11/24 Птн 17:48:19 566910 727
IMG2275.jpeg 44Кб, 736x736
736x736
>>566902
Тоже думаю микруха отъебнула нахуй. Я тебе рекомендую делать свою платку на базе этого индюшка (или другого). Там не сложно можно ваще с нуля и мотать крутушки НЕ нужно кстати. Но сам смотри кароч
Аноним 15/11/24 Птн 18:12:08 566914 728
Электроника БП.png 294Кб, 1872x1304
1872x1304
>>566910
У тебя случайно нет примеров таких самоделок? Именно с этим индикатором.
Я просто часы эти выкидывать не буду, в идеале в этот же корпус обратно запихать

Итого у нас есть блок питания пик и индикатор ИВЛ1-75
Аноним 15/11/24 Птн 18:43:26 566916 729
IMG2329.jpeg 37Кб, 736x736
736x736
>>566914
Смари кароч. Тебе не нужен этот бп. Тебе нужна зарядочка от старого айфона и еще три микрушки: часики, HV5812, и контроллер атмега (можно пердуинку). Ну и еще рассыпушки, немного. Кнопочки там всякие, резисторы. Тип все так-то. Мотать ниче ненужно готовую катушечку возьмешь. Запиталочка 5 вольт
Аноним 15/11/24 Птн 19:15:02 566922 730
Нашел часы-радиоточку а она мне как раз там сраный люм.индикатор с отломленнным хвостиком(
Аноним 16/11/24 Суб 07:21:34 566944 731
nixie-62.jpg 64Кб, 800x533
800x533
А как насчет запилить градусник???
Было в СССР что то подобное??? Термометры на лампах
Аноним 17/11/24 Вск 02:37:25 566977 732
>>566944
Запили. Пилишь уже?
Аноним 17/11/24 Вск 03:53:25 566978 733
>>566977
Запилил тебе защеку
Аноним 18/11/24 Пнд 18:47:20 567087 734
IMG2360.webp 285Кб, 512x768
512x768
>>566978
Да ты говно бомжа себе в ротеш запилил даун ебаный
Аноним 05/12/24 Чтв 23:18:38 568079 735
бамп
Аноним 15/12/24 Вск 20:07:17 568646 736
image.png 182Кб, 600x370
600x370
image.png 201Кб, 696x676
696x676
image.png 4Кб, 403x115
403x115
Не проебался ли я в подсчетах? Не могу решить что проще, запитать часы от 220, и позаимствовать БП от оригинальных часов, или запитать от usb, а нужные напряжения поднять на DC-DC преобразователях.
Аноним 15/12/24 Вск 22:27:31 568666 737
00п.jpg 163Кб, 923x752
923x752
01.mp4 1230Кб, 640x480, 00:00:17
640x480
аааа
юююю
царевна будудур
иди
она жирная какмкраквадил
и собака
5 собак
Аноним 25/12/24 Срд 17:18:31 569265 738
Электроника7-06[...].jpg 3241Кб, 4624x2604
4624x2604
{62349C08-C7D0-[...].png 215Кб, 786x293
786x293
изображение.png 473Кб, 504x378
504x378
Требуется помощь, хуй знает в тот тред или нет, но этот вроде самый подходящий.
Есть часы Электроника 7-06к, которые в ахуенном для своего времени состоянии и продолжают меня радовать. Но недавно случилось оказия, уезжал на довольно длительный срок (почти 2 месяца) и решил их отключить от сети. По возвращению словил хуйню 1 в 1 как на этом видосе https://www.youtube.com/watch?v=-3HOGf-Yqm8&t=126s
Получается полез я менять кварц (во второй части автор заявил что это решило проблему) и обнаружил странную плату, которую не наблюдал вообще ни на одном форуме/видео(пикрелейтедладно, наебал, видел на фотографиях очень редко, но в этих темах не поднимался вопрос что это и нахуя) у всех слоты куда она подключается - пустые. Ну я ее вытащил, попробовал включить часы И ОНИ БЛЯДЬ ЗАРАБОТАЛИ, причем теперь работают как вообще без этой хуйни так и если ее вернуть обратно.
Теперь остался терпимый дефект, а именно при нажатии на кнопку "стоп" обнуляются только минуты, но не часы(соответственно тут дело не может быть в кварце). В целом это вообще не мешает их использовать, но может анон знает что это за такой плавающий дефект? И что это за "блок коррекции" который у меня присутствует?
Аноним 25/12/24 Срд 19:49:00 569278 739
>>569265
Нет в мире справедливости. Почему-то такие вещи в хорошем сохране всегда достаются самым-самым тупорылым и немощным дегенератам. Чтоб они тебе на голову упали, даун недоразвитый!
А мне такие часы пришлось поднимать из руин, клеить и шпановать корпус, ремонтировать плату, менять все лампы, т.к. у всех были выгоревшие аноды. Я за одни только новые лампы несколько тысяч отдал, а уж сколько времени на всё проебал - страшно вспоминать.
Аноним 25/12/24 Срд 20:48:52 569282 740
>>569278
> Нет в мире справедливости
Дружище, я за этими часами охотился хуй знает сколько, нашел на каком-то блядь местном форуме нижних залупков в 3000км от меня, упросил кузьмича отправить их мне через полстраны и заплатил за доставку дороже чем за сами часы, это помимо того что шпон и стекло нужно было один хуй подремонтировать.
А то что ты купил мертвую хуйню с барахолки за косарь, а потом ебался - так это твой выбор, может из нас двоих именно ты тупорылый и немощный дегенерат?
Аноним 25/12/24 Срд 21:31:54 569288 741
>>569282
Хули ты ждал, тут никто нихуя не шарит в этом треде. НОЛЬ нормальных советов. Зато этот пердолик зачем-то на тебя накинулся с порога.
Аноним 25/12/24 Срд 22:15:34 569291 742
>>569278
>>569282
Девочки, не ссорьтесь, как по мне вы оба странноватые, какие-то древние, тухлые, совкочасы, вы бьетесь за них аж гай шумит, реставрируете внешний вид, вкладываете бабки, силы и время, вам бы дружить, перверсии у вас одинаковые, а вы ссоритесь...
Аноним 25/12/24 Срд 23:19:49 569298 743
IMG1910.jpeg 60Кб, 735x682
735x682
Аноним 26/12/24 Чтв 00:50:52 569302 744
>>569265
в мастерскую жадное ленивое гавно
>>569278
вооот а потом ты в нубаче и прочих тредах вместо того чтобы кованым сапагом ебальнеги отшибать с вертушки ...
похавал черной икорки на новый год? ну хотябы на тигровых кряветок килограм заработал?
вот они и кряветки и икорка на твоих глазах превращаеца в не ремонтопригодный металолом который даже по цене чермета на приемке не возьмут
>>569282
ну ты посматри какая наглая жирная уебищная и жадная КРЫСА
пашол нахуй отюдава пидр
>подремонтировать
прдремонтируй себе анус тарелочница

сколько раз видали мы таких пидорасов старьевщиков колехционеров
вазьмут туже копейку подкрасят подмарафетят и впаривают на лохито как новую - простояла у дедушки в гараже ога



кстати я к вам 2х кретинов рукажопых засылал
они добили те девайсы?
один с индикатором цифробуквеным - пиксельным
все какието фразочки матерные на нем отображать пытался и у анона спрашивал эти...
а второй савсем недавно раздербанил совко часы рабочие и пердуину к ним прилепить сабирался - какието вопросы у рукажепа были с накалом
Аноним 09/03/25 Вск 21:31:42 574703 745
бамп
Аноним 07/05/25 Срд 19:42:03 577206 746
IMG2968.jpeg 33Кб, 375x375
375x375
IMG2967.jpeg 555Кб, 2000x1359
2000x1359
bump
Аноним 08/05/25 Чтв 14:52:38 577220 747
>>569302
Ты сосешь хуй в говне даун ебаный
Аноним 10/05/25 Суб 13:35:32 577276 748
IMG2996.jpeg 73Кб, 720x720
720x720
Почему никси часики больше никому не интересны?
Аноним 17/05/25 Суб 23:05:21 577622 749
>>577276
Ну так с точки зрения электроники все пережовано уже неоднократно. Для тех кто вообще ничего не понимает в электонике, есть проект с видосом алексгайвера, по которому работающие nixie часы соберёт и первоклассник. Тут изобретать нечего.
Пытаться придумать какоц-то новый функционал тоже гиблое дело, он объективно не нужен, даже будильник в таких проектах будет включаться в лучшем случае раз в год.
Остаётся дизайн, но тут для чего-то серьёзного нужен ЧПУ фрезер, который надо у кого есть, так что предмета для обсуждения снова нет.

Вообще, в контексте часов на необычных индикаторах перспективны внезапно вакуумно-люминисцентные экраны, потому как вопрос организации их питания на простых готовых компонентах, доступных всем до сих пор не решён, а самостоятельная намотка трансформаторов это все таки удел людей погруженных в тематику.
Аноним 20/05/25 Втр 17:24:30 577717 750
IMG2538.jpeg 95Кб, 612x459
612x459
>>577622
А какие там были проблемы в электронике? Ну дурачки которые любят "подумать" ясное дело везде найдут себе геморрой, и все у них как-то не так и оченно сложно получается не все поймут, но кого их нытье интересует.

Насчет функционала ты зря. Новых красивых эффектов вполне можно понапридумывать. Будильники и прочая хуета не нужны, разумеется.

Что там с питанием ВЛИ? Берешь и постоянным током питаешь и мозги не ебешь свои. Вот эти все крутушки мотушки, смещение катода куда-там в минус ебучий это все суходрочка тупорылая, как антиотравление катодов в гри. ИВ-18 и ИВ-27 прекрасно работают от постоянки, а одноциферные и подавно. Есть еще балаболия с засветами - из той же оперы, криворукие тупорылые дебилята не знают как их школоподелие работает, там фикс очевидный (а с нормальными драйверами в принципе такой проблемы не будет).

Сколько я этих вли часов ни лепил, ни в одних никаких крутушек не было потому что они нахуй не нужны - питалово можно было тупо на модулях с алика копеечных собрать. И все работало, без засветов, без всякой хуйни про которую там умельцы обычно на скуфиных форумах верещат.
Аноним 22/05/25 Чтв 19:22:47 577807 751
>>577717
>А какие там были проблемы в электронике
Получения 180В из 5.
>>577717
>Что там с питанием ВЛИ? Берешь и постоянным током питаешь и мозги не ебешь свои
Накал надо питать переменкой. Не знаю как там ИВ-27 работают от постоянки, но на ИВЛ1-7/5 разница в яркости между крайними цифрами была пиздец заметна.
Ну и плюс неплохо бы отрицательное запирающее напряжение для сеток.
> (а с нормальными драйверами в принципе такой проблемы не будет
А нормальные это какие? Я пробовал однажды такие часы собрать на каких-то какие не помню, помню что 8 канальные в dip корпусе, так там были засветы не видимые при дневном освещении, но ночью в темноте заметные.
Аноним 23/05/25 Птн 00:25:19 577819 752
IMG2762.webp 13Кб, 480x263
480x263
>>577807
>Получения 180В из 5.
Ага, скуфидоны там еще шимки перебирали, надеясь, что какая-нибудь да заработает, и каждый клялся-божился, что вот его-то уебищная схема с разбегу хоть лампу накаливания 220в от 5 запитает. Ор до небес с неграмотных долбоебов-самоделкиных. Хотя сама идея мягко говоря хуевая.

>Накал надо питать переменкой
Кому надо-то? Кто-то постил цитатку из МРБ, там было сказано, что допустимо и постоянкой. ИВ-18 (единственный по сути годный красивый ВЛИ из доступных) отлично так работает.
>неплохо бы отрицательное запирающее напряжение для сеток
Нахуя? ИВ-18 без него светит который год уже, на мой век хватит — а нет, так можно и заменить попросту. Ты праправнукам в наследство передавать свою поделку собрался, если тебя это так сильно ебет? Или опять сельских знатоков чуханов великовозрастных наслушался? Подсвечивание неактивных сегментов если и можно увидеть, то только коснувшись носом этого ИВ-18 и в абсолютной темноте. С расстояния полуметра уже точно нихуяшеньки не видать, сколько там ни присматривайся.

>А нормальные это какие?
Да я не буду говорить, какие. Так сказать не палю годноту быдлу. Самоделкины ж все вумные блять, гонору дохуя и маняопыта в решении несуществующих проблем, ну вот сами пусть и ищут — тем более что их единственной извилины для выполнения этой задачи им вполне достаточно будет. А нет — ну пускай тогда дальше крутють крутушки, запридумывають отрицательное анодное, лепят вагоны транзюков да ебут мозги себе своими засветами. Я тебе тока могу сказать, что схема там получается проще, чем для ГРИ, ваще примитивная блять.
Аноним 23/05/25 Птн 13:28:27 577845 753
>>577819
>Ор до небес с неграмотных долбоебов-самоделкиных. Хотя сама идея мягко говоря хуевая.
Че там хуевого то? Схему повторили хз сколько тысяч раз, одно время всё авито было завалено готовыми часами и наборами для сборки по этой схеме.
>Кому надо-то? Кто-то постил цитатку из МРБ, там было сказано, что допустимо и постоянкой.
Тому кто смотрит на этот ВЛИ, епта. Светиться от постоянки индикатор ясен пень будет, но яркость цифр будет неравномерной.
>ИВ-18 (единственный по сути годный красивый ВЛИ из доступных) отлично так работает.
Там же цифры маленькие.
>Да я не буду говорить, какие. Так сказать не палю годноту быдлу
Ясно, лучше бы сразу в начале сообщения написал что сделал отличные часы, но никому их не покажешь потому что они у бабушки в деревне. Я бы время на ответ не тратил.
Аноним 23/05/25 Птн 15:18:06 577848 754
>>577845
Ну про какую схему ты говоришь? Про Гайвера и лабкит? Эти норм схемы, без выебонов простые — но работают они неизбежно хуево и еле-еле. ИН-2 парочку можно запитать, не более. Нормальное напряжение ты с них не выжмешь без ебли с кабелями и мосфетами — которые там дженерик хуета разумеется, иначе хуй ты ее повторишь. Смысл тогда, если адаптер вольт на 9 стоит копейки, устраняет всю еблю, позволяет получить нормальный ток, и требует в схеме минимальных изменений с учетом что там пердуино нано у Гайвера стоит? К тому же можно и от пд кч зарядок запитываться, если кабель триггер на алике купить.

Нет никакой неравномерности у ИВ-18 в таком включении.

Цифры там вполне достаточные, а вид пробирочки топовый.

Ну а что ты увидеть ожидаешь? я корпус не делал для ив18 (потому что хз какой - в сети один китч и колхоз конкретно для пробирок, мне не нравится ни один вариант), погугли да посмотри, то же самое на вид почти. Тока у меня он не на отдельную плату запаян, а на основную прям своими выводами длинными в термоусадках. Может и выложу фотку, но пока мне лень добиваться, чтобы она была нормальная, а старые которые делал когда то я проебал.
Аноним 23/05/25 Птн 19:59:41 577859 755
>>577848
Ясно, какой драйвер не скажу, часики гайвера работают только на двух лампах, неравномерной яркости ВЛИ нет, фото проебал, фотографировать лень, дружок, ты разделом ошибся, тебе в б надо.
Аноним 23/05/25 Птн 20:26:29 577860 756
>>577859
>только на двух лампах
>речь шла про ИН-2
А вот ты и спалился нейродругалек
Аноним 23/05/25 Птн 21:02:30 577861 757
>>577860
>>>
>>577848
>ИН-2 парочку можно запитать
Тебя в лесополоса-треде заждались
Аноним 23/05/25 Птн 23:10:12 577864 758
>>577861
Ладно-ладно, срезал ты меня.

Ну а неправда что ли, что часики Гайвера (и другие подобные с питаловом от 5) работают еле-еле? Ты попробуй к ним норм питалово завести и посмотри, как сочно будут лампы светиться. Тем более там еще и драйвера мосфета нет, это вообще ахуй, оно еле светить будет. У лабкита хотя бы какой-никакой драйвер имеется.

Неравномерной яркости у ив-18 нету. По крайней мере при какой-то одной полярности питания накала.

А ты так и не догадался, о каком драйвере идет речь?
Аноним 24/05/25 Суб 09:09:52 577868 759
>>577864
>А ты так и не догадался, о каком драйвере идет речь?
В душе не ебу, если честно. Часы на ВЛИ я делал один раз, и остался не удовлетворён результатом. Есть несколько починеных советских, но там никаких драйверов нет.
Аноним 27/05/25 Втр 17:09:13 578017 760
IMG2496.jpeg 154Кб, 1024x885
1024x885
>>577868
ХОЧЕШ СОБРАТЬ ВЛИШЬКУ ЗЕЛЕНУЮ
@
БЕРЕШ ВСРАТУЮ СКУФЯЧИЮ СХЕМКУ
@
ТУПУЮ С ХИТРОВЫЕБАНЫМИ КРУТУШКАМИ
@
ДЕЛОЕШ МОТАЕШ
@
НЕ РАБОТАЕТ
@
РЯ


Не выбирай скуфячьи схемы, хуль.
Аноним 30/05/25 Птн 15:50:54 578156 761
>>578017
В том то и дело что мотать трансы я рот ебал, поэтому взял готовую dc повышайку, но с ней были засветы в темноте. Я тогда решил что надо не простую повышайку, а двухполярную. Такой у меня не было, и я забил на те часы.
Аноним 30/05/25 Птн 22:13:20 578170 762
>>578156
Ну ключи то ты какие взял?
Аноним 31/05/25 Суб 21:06:48 578211 763
>>578170
Давно это было, не помню я уже. Или uln2803, или td62783, скорее вторая.
Аноним 09/06/25 Пнд 14:36:17 578558 764
IMG2554.jpeg 15Кб, 236x236
236x236
>>578211
БЕРЕШЬ ХУЕВЫЕ КЛЮЧИ
@
ОЙ А ЧЕ РАБОТАЕТ ЧЕРЕЗ ЖОПУ??77


Вангую, там еще куча типсов и триксов как эту хуету заставить работать нормально: супирсекретные методы ПРАВИЛЬНОЙ разводки плат, транзюки за 10 косарей для коммутации сварочных токов, гроздья резисторов и кондеров развязки в самых неожиданных местах и т.п. ... Естебствено это все нихуя не работает, но преподносится с ахуительно салидной моськой. Бля, скуфидошки просто ГЕНИИ схемотехники нахуй, реально.
Аноним 11/06/25 Срд 11:14:24 578607 765
>>578017
Неужели нет готовых трансов с похожим отношением витков?
Да и 50-100 раз попасть проволочкой в колечко, мне кажется, не так уж трудно.
Аноним 11/06/25 Срд 16:04:41 578614 766
>>578607
А зачем? Нормальным это все не требуется чтобы собрать вли часы.
Аноним 13/06/25 Птн 08:00:47 578655 767
>>578614
Но по паспорту накал надо питать переменкой.
Даже сука в калькуляторе Casio микротранс намотан.
Аноним 13/06/25 Птн 09:48:10 578658 768
>>578655
Предполагаю что неравномерность при питании накала постоянкой проявляется только на многоразрядных индикаторах.
Даже если переменка нужна, то почему без трансформатора не обойтись?

Я вот для счетчика гейгера без трансформаторов делал источник питания, причем со стабилизацией выходного напряжения. При этом 99% схем даже серийных изделий с трансформатором и напряжение на выходе не стабилизируется никак.
Аноним 13/06/25 Птн 10:13:33 578659 769
>>578658
У счётчика Гейгера плато широкое очень. Ему пох.

А даже в одноразрядной лампе несколько вольт вдоль накала будут влиять.
Аноним 13/06/25 Птн 11:23:32 578662 770
>>578659
>У счётчика Гейгера плато широкое очень. Ему пох.
Так-то да, поэтому такая хрень работает кое-как. Только попади еще в середину этого плато плато, при том что выходное сопротивление типичной схемы порядка 10 МОм, примерно такое же как у обычного мультиметра и фиг ты им померишь. А еще батарейки при разряде напряжение меняют примерно в том же соотношении что и ширина плато относительно его среднего напряжения (т.е. еще нужно точно попасть по границам плато при разряде батарейки).
При этом можно сделать схему без трансформатора, с большим КПД и со стабилизацией. Но нет же, как правило все лепят трансформатор.

>А даже в одноразрядной лампе несколько вольт вдоль накала будут влиять.
Еще бы, при номинальном напряжении 1,2 В.
Аноним 13/06/25 Птн 16:01:58 578667 771
IMG3171.png 1Кб, 224x217
224x217
>>578658
>>578662
Что у тебя за схема, китайский буст на биполярнике?
Даже она у меня збс работала (напряжение мерил ДО балласта, и он держал, не плавал, и даже с запасом). Если взять нормальный мосфет для ключа, то там вообще по красоте все будет. Извращаются с трансформаторами в дозиметрах, как я понял, пытаясь выжать УЛЬТРА низкое потребление. Непонятно зачем, это сомнительная затея, потому что при повышении фона все равно он жрать гораздо больше начнет, а уж при реально высоком фоне и того хуже — а дозиметр нет смысла делать, полагая, что уровень всегда нормальный будет.
Аноним 13/06/25 Птн 16:07:12 578668 772
>>578658
ИВ-18 только на одной полярности показывает разную яркость разрядов. На другой все отлично. К тому же наверняка можно яркость уравнять введением сеточных резисторов.
Аноним 13/06/25 Птн 16:52:32 578671 773
>>578668
Ты ещё усилитель на нём собери. Там сетки не для плавной регулировки задуманы.
Аноним 13/06/25 Птн 17:10:09 578673 774
193804151007592[...].png 13Кб, 776x355
776x355
>>578667
>Что у тебя за схема, китайский буст на биполярнике?
Нет, вот эта. Только с другим компаратором делал.

>Извращаются с трансформаторами в дозиметрах, как я понял, пытаясь выжать УЛЬТРА низкое потребление.
Эта схема на холостом ходу потребляет аналогично, около 20 мкА, если использовать малопотребляющий компаратор со встроенным стабилитроном. При этом выходная мощность намного больше типичных блокинг-генераторов.
Аноним 13/06/25 Птн 17:17:30 578674 775
Аноним 13/06/25 Птн 17:26:56 578675 776
>>578673
Бля, умножитель...
А почему обратная связь после первого каскада?
Можно транс-дроссель хотя бы 1:10 сделать и не умножать печалитак много.
Аноним 13/06/25 Птн 17:48:56 578678 777
>>578675
>А почему обратная связь после первого каскада?
Можно конечно и с выхода сделать, только это ухудшит КПД. Тут смотря что приоритетнее.

>Можно транс-дроссель хотя бы 1:10 сделать
Автотрансформатор что ли? Но зачем? Там в статье приводят измеренные характеристики и оно по нагрузочной способности на три порядка выше чем типичная схема для счётчика Гейгера. При этом ничего мотать не требуется.

Вот и для питания накала нет необходимости в трансформаторе, даже чтобы организовать перемену.
Аноним 13/06/25 Птн 18:33:25 578679 778
>>578678
А что там предлагается? Мост/полумост, а накал конденсаторами отвязать и среднюю точку не делать?
Аноним 13/06/25 Птн 18:48:52 578680 779
IMG3195.jpeg 106Кб, 1600x1200
1600x1200
Аноним 13/06/25 Птн 19:02:45 578681 780
>>578680
Как же там воняетКакой же там микрофонный эффект, наверное.
Нувисторы с военной приемкой для кого тоннами на складах лежат?
Аноним 13/06/25 Птн 19:15:56 578682 781
IMG3198.jpeg 10Кб, 235x176
235x176
>>578673
БЕРЕШ БУСТ НА БИПОЛЯРЫЧЕ
@
ШЫМ С ПЕРДУЙНИ
@
ПОСЛЕ БЖТШКИ УМНОЖЫТЕЛЬ НА ДВА ТРИ
@
ПОСЛЕ УМНОЖЫТЕЛЯ ДЕЛИТЕЛЬ
@
30М ВЕРХНЕЕ ПЛЕЧО
@
С ДЕЛИТЕЛЯ НА ТУ ЖЕ ПЕРДУЙНЮ НА АЦП
@
РЕГУЛИРОВАЕШ ПЕРДУЙНЕЙ
@
ХАРАШО


проблемс?
запиталово 18650 без выебонов.
и пердуинка авр канеш

>>578675
ДЦшка ты че еблуш какой дроссель ахуел там
Аноним 13/06/25 Птн 19:39:28 578683 782
>>578682
> Какой дроссель?

Обычный.
Аноним 13/06/25 Птн 19:43:07 578684 783
Аноним 13/06/25 Птн 19:50:25 578685 784
Аноним 13/06/25 Птн 19:53:10 578686 785
>>578685
советский большой поди
его в ламповый усилок а не в дозик
Аноним 13/06/25 Птн 21:21:31 578691 786
>>578686
Большой-то большой, а намотан на сердечнике Т6/4/2.
Аноним 13/06/25 Птн 22:08:40 578693 787
IMG2835.gif 666Кб, 267x267
267x267
>>578691
бля если он не под постоянку намотан то все как бы
Аноним 13/06/25 Птн 22:10:32 578694 788
>>578691
За меня не надо отвечать. Брал то что под рукой оказалось на тот момент. Дроссель уже не помню, но что-то вроде 7440650047.
Компаратор со встроенной опорой MCP65R41. Транзистор вроде бы PMV30UN2R.
Мотать конечно же ничего не нужно.
Аноним 13/06/25 Птн 22:20:52 578695 789
Аноним 14/06/25 Суб 00:09:57 578698 790
>>578694
Да, признаю, прикольная схема, схоронил.
Аноним 16/06/25 Пнд 18:17:04 578806 791
>>578698
>тонна рассыпухи
>нет цифрового управления
>прикольная схема
Ну да, по нынешним временам это прикол.
Аноним 18/06/25 Срд 01:31:12 578864 792
1750199472221.jpeg 129Кб, 540x1200
540x1200
>>578806
Где тонна-то?
Цифровое управление можешь через диод в компаратор завести. Вот, кстати, китайский дозиметр на таком преобразователе сделан.
Аноним 18/06/25 Срд 16:13:01 578913 793
>>578864
Учитывая страсть китайцев к удешевлению (а прибор на премиальный/профессиональный с виду не похож), ты меня почти убедил.

Вероятно, дело в более дешевом микроконтроллере.

Для самоделки это впрочем не играет роли — более простой и следовательно надежный самый элементарный буст все же мне кажется будет лучшим выбором в таком случае.
Аноним 19/06/25 Чтв 10:53:03 578963 794
>>578913
>более простой и следовательно надежный самый элементарный буст все же мне кажется будет лучшим выбором в таком случае.
Смысл схемы с компаратором в маленьком потреблении, за счет чего можно сделать чтобы от одной батарейки месяцами непрерывно работало. Если это не надо и пофиг сколько проработает от одной батарейки, то конечно смысла в сложной схеме нет.
Аноним 19/06/25 Чтв 13:25:23 578966 795
>>578963
Зачем? Как представляется сценарий использования этой хуитки? Если он дома лежит и пищит, когда фон превышается, его можно к розетке подключить. А если он тупо валяется на случай а вдруг Чернобыль, то нахрена ему быть все время включенным? Или типа если Чернобыль, то ты такой сможешь под кустом месяцами сидеть с етим дозиметром и фон мониторить а больше тебе заряжать ничего и не надо? Или ты с собой его будешь везде в рюкзачке таскать не вынимая месяцами, чтобы он запищал, если ты случайно забредешь в Чернобыль?
Аноним 19/06/25 Чтв 13:52:26 578967 796
>>578966
>Зачем?
Тут нужно начать с того, что дозиметр по сути просто игрушка.

>чтобы он запищал, если ты случайно забредешь в Чернобыль?
Или в ветклинике на первом этаже включат рентген, установленный в нарушение всех нормативов.
Аноним 19/06/25 Чтв 15:40:40 578971 797
>>578967
Это почему это он просто игрушка, если он реально что-то измеряет?
Аноним 19/06/25 Чтв 16:19:15 578975 798
>>578971
>он реально что-то измеряет?
Херню он измеряет в попугаях. Он же просто срабатывает на пролетающие частицы, а какая там была энергия - неизвестно. Соответственно даже поглощенную дозу нельзя этим измерить. А потом еще другой прикол, в том что разные изотопы по разному накапливаются в организме и соответственно допустимая доза отличается на порядок и больше, в зависимости от изотопа. И альфу оно не покажет. Так что оно максимум на уровне показометра больше-меньше.

А еще почему в рюкзаке то носить? Как брелок для ключей в кармане.
Аноним 19/06/25 Чтв 18:31:31 578985 799
>>578975
Во-первых, он, как ты говоришь, "херню измеряет" уже потому по твоей логике, что облучение носит вероятностный, рандомизированный характер. И он в принципе не может "точно" измерить доху — даже не потому, что он в другой точке находится физически (почти в той же), а потому, что им измеренное 100% тебе уже не досталось (ибо прореагировало с датчиком).

Во-вторых, он не херню измеряет, потому что из опыта следует, что его показания вполне соотносятся с последствиями облучения.

Ну а в-третьих — в даташите к его датчику смотри, что дозиметр измеряет, там все указано. Есть и альфа-детекторы.
Аноним 19/06/25 Чтв 18:48:43 578987 800
>>578985
Альфа, даже альфа-детектором слабо ловится по сравнению с гаммой, а последствия в десятки раз существеннее. И повторюсь, разные изотопы по разному действуют на организм.

>Ну а в-третьих — в даташите к его датчику смотри, что дозиметр измеряет, там все указано.
Вот, открыл этикетку. И тут так и написано, что для цезия-137 вот так-то. И как это перевести в зиверты? Да никак, потому что откуда знать что там фонит.
Аноним 19/06/25 Чтв 18:49:23 578988 801
sbm21.jpg 327Кб, 1417x949
1417x949
Аноним 20/06/25 Птн 08:56:14 579010 802
1750398970610.png 1464Кб, 1080x1381
1080x1381
>>578987
А ничо, что там вообще всё очень примерно считается, плюс-минус лапоть, если ты не в лаборатории со спектрометрами, поверенными приборами и известными источниками, когда ты можешь свою СБМ-20 в своем корпусе откалибровать.
А в случае мощностей до х100 от нормального космического фона и в принципе это всё поебать. Следишь за частотой попукиваний и всё.

Конкретно по даташиту: 7-8 пуков это 1мкР = 0.01 мкЗв.
Аноним 20/06/25 Птн 10:22:29 579013 803
>>579010
>Конкретно по даташиту: 7-8 пуков это 1мкР = 0.01 мкЗв.
Но только для цезия-137, для остального может отличаться в десятки раз.
>плюс-минус лапоть
И этот лапоть - минимум несколько раз, а в худшем десятки-сотни раз.

>от нормального космического фона
Космический фон составляет лишь четверть естественного.
Аноним 20/06/25 Птн 10:34:01 579014 804
>>579013
Ну а хули делать? Счётчики Гейгера это показометры изначально, чтобы только понимать динамику происходящего и грубо прикидывать.
Аноним 20/06/25 Птн 10:51:39 579015 805
>>579014
Так вот и я о том же с самого начала. Например, простой балалайкой на сбм-20 не получится определить стронций-90 в продуктах питания, пока он не превысит ПДК в десятки раз. Показометры все это, на уровне больше-меньше, не более того.
Аноним 20/06/25 Птн 11:50:38 579018 806
>>579015
Продуктами питания должна заниматься лаборатория. В магазине ты ничем не сможешь определить.
Аноним 28/06/25 Суб 19:55:27 579345 807
>>578558
>БЕРЕШЬ ХУЕВЫЕ КЛЮЧИ
>
А какие тогда хорошие? TD62783APG которые использовал анон буквально разработаны для управления ВЛИшками.
>The TD62783APG / AFWG are comprised of eight source current Transistor Array. These drivers are specifically designed for fluorescent display applications. Applications include relay, hammer and lamp drivers.
Аноним 28/06/25 Суб 22:38:41 579350 808
>>579345
Но это совершенно не означает, что их достаточно для полноценного управления ВЛ индикаторами!
Аноним 29/06/25 Вск 00:00:01 579351 809
>>579350
А что еще нужно? мимо интересующийся
Аноним 29/06/25 Вск 00:36:33 579353 810
>>579351
>что нужно
>source current
Что-то еще нужно, очевидное.
Аноним 29/06/25 Вск 11:09:54 579361 811
>>579353
Ну взять 27В откуда-то не проблема же, видимо какие-то нюансы есть?
Аноним 29/06/25 Вск 13:27:37 579367 812
>>579361
Причем тут 27 вольт вообще?
Аноним 29/06/25 Вск 17:51:27 579375 813
>>579367
А что такое тогда source current?
Аноним 29/06/25 Вск 23:07:05 579390 814
>>579375
>что такое тогда source current
Это уровень твоих познаний в электронике.
Аноним 30/06/25 Пнд 21:22:09 579421 815
>>579390
Я и не претендую на знатока. Так в чем здесь суть то? Надо ток ограничивать, как для LED, или что?
Аноним 30/06/25 Пнд 22:47:12 579424 816
>>579421
Для начала тебе нужно выяснить, что такое "source current", вот что.
Аноним 02/07/25 Срд 19:28:40 579491 817
image.png 30Кб, 497x199
497x199
>>579424
То есть это 27В с токоограничительным резистором.
Возвращаемся к вопросу, что не так с TD62783APG?
Аноним 02/07/25 Срд 20:37:20 579497 818
>>579491
Это пример той самой замены инженеров ИИ, да?
Аноним 26/07/25 Суб 05:34:29 580503 819
001.jpg 482Кб, 1080x2400
1080x2400
Вашими часиками уже китайцы на маркетплейсах торгуют.
Аноним 26/07/25 Суб 09:50:35 580508 820
image 38Кб, 640x640
640x640
>>580503
Это ЖК экраны в стеклянных колбах.
Аноним 08/09/25 Пнд 12:32:36 582401 821
Сделали все часы что ли?
Аноним 26/10/25 Вск 12:57:03 584325 822
bump
Аноним 03/01/26 Суб 21:35:03 586997 823
>>577807
> Получения 180В из 5.
Зачем все это делают, если высоковольтное питающее можно взять прямо из сети? Никси это тупо многоэлектродные неоновые лампы. Главное ограничить ток их катодов резисторами до уровня, который не превышает предельно допустимый. А напряжение питания при этом хоть 400В может быть. Тем более что в высоковольтных ключах сейчас недостатка нету.
Аноним 13/03/26 Птн 12:37:47 589797 824
бамп
Настройки X
Ответить в тред X
15000
Добавить файл/ctrl-v
Стикеры X
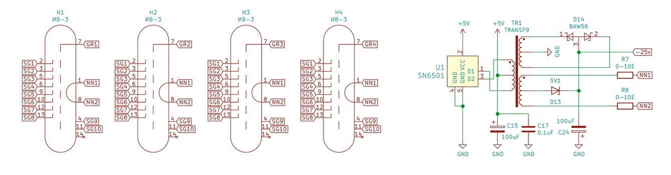
Избранное / Топ тредов