Главная Юзердоски Каталог Трекер NSFW Настройки

Музыканты

Ответить в тред Ответить в тред
Check this out!
<<
Назад | Вниз | Каталог | Обновить | Автообновление | 648 185 84
Электрогитарный тред №682 guitar /guitar/ Аноним 12/02/24 Пнд 19:17:25 1052659 1
JetGuitarsJS-40[...].jpg 46Кб, 1000x1143
1000x1143
JET-Guitars-JS-[...].jpg 26Кб, 205x600
205x600
220425384657008f.jpg 261Кб, 1484x4671
1484x4671
220425384657008b.jpg 168Кб, 1516x4732
1516x4732
Электрогитарный тред №682 guitar

Срачи и оскорбления ради срача и оскорблений - Бан.
Срачи и оскорбления из под пасскода ради срача и оскорблений - Бан + Снятие пасскода при многократном рецидиве.
Если вы хотите кому-то просто так нахамить - 10 раз подумайте и охладите трахание. Можно сходить в /b/.
Будете травить новичков - Бан.
Сами срачи не запрещены, но помимо ругани в сраче и шитпостинга должен быть конструктив.

FAQ:
— Можно ли высекать соляки на %BRAND_NAME% гитаре за 300 долларов?
— Да, можно играть и ритм и соло. Даже на Jet или Eart можно играть любую музыку. Смотри, на них даже вырезы на пятке есть, а на Фендыре нет. Лучшие цвета - Daphne Blue и Surf Green, все тян будут твоими.

— Как быстро прокачаться?
— Играть на гитаре, приходить в этот тред, выкладывать записи

— Сколько времени понадобится, чтоб научиться играть так же?
— Мало, если внезапно играть на гитаре

— Какую гитару взять до 30к?
— Любую, в электрогитарах нет разницы, какая нравится в магазине ту и бери. На нюансы забей. Это просто деревяха со струнами.

— Какую гитару взять до 300к?
— Любую, в электрогитарах нет разницы, какая нравится в магазине ту и бери. На нюансы забей. Это просто деревяха со струнами.

— Брать гитару с рук - немного другой разговор. Брать гитару для дроча на лейбл и коллекционирования - немного другой разговор

Прошлый: https://2ch.life/mus/res/1050828.htm
Прошлый: https://2ch.hk/mus/res/1050828.htm
Аноним # OP 12/02/24 Пнд 19:18:21 1052661 2
Аноним 12/02/24 Пнд 19:31:28 1052663 3
Аноны, есть тут такие, кому вломы учиться играть, и кто просто делает Дж Дж Дж и виу виу виу, смотря на всяких других, я например, на фреда смотрел, ща купил себе проц, думаю пересмотреть под абсент с лимонадом
Аноним 12/02/24 Пнд 20:11:01 1052665 4
>>1052663
Не только просто так струны дергает и не учится, а ещё и все треды засирает записями этого поноса.
Аноним 12/02/24 Пнд 20:33:47 1052668 5
>>1052665
Честно говоря, я тебя не понял
Аноним 12/02/24 Пнд 21:46:56 1052670 6
>>1052668
да в прошлом треде был один такой, ещё стикеры из k on постит
Аноним 12/02/24 Пнд 22:34:11 1052676 7
-bgPYqIWBJU.jpg 174Кб, 807x605
807x605
>>1052659 (OP)
Объяснити
Чо за дроч идет на лады 4.3?
Аноним 12/02/24 Пнд 23:24:35 1052683 8
>>1052670
Не, я тот, который запостил фотку моего нового nux mg 400 за 14750р, полученного сегодня в центре выдачи Ozon
Аноним 13/02/24 Втр 00:20:13 1052686 9
image.png 302Кб, 600x600
600x600
Короче аноны, просидев некоторое время со своим ламповым дсл20 и купив к нему пару педалек (конкретно 10и полосный эквалайзер и босс блюз драйвер) и все таки понял, что аналог ебет. Типа сначала мне звук не особо зашел, классик гейн нихуя не перегружается и неудобный из за сильного разброса громкости, ультра гейн какая то вата, но разогнав его грелкой, и чуть подрезав нижнюю середину, чтобы прочистить бубнеж, стало прям заебись. Есть ямаха тхр2, есть босс катана 50мк2, есть нюкс мг30. Ни на одном из этих девайсов не могу получить звук лучше лампового усилка. Ближе всего ямаха. Но если сравнивать их вживую- ямаха как будто играет то же самое, по тембру и отклику на игру очень близко, но все это как будто пережато, чуть ватно и не так четко.
Да и вообще дошел до того момента, когда слушаю демки всякого гитарного гира на ютубе, и ощущаю, что у меня то дома пизже звучит.
Короче я свой звук нашел, чего и вам всем желаю. Делал ставку конечно на моделирующие штуки, но в итоге аналог, даже довольно дешманский по меркам ламповых усилков, все таки победил.
Аноним 13/02/24 Втр 00:24:14 1052688 10
>>1052676
Ну тип, по ощущениям как на скалопированной. Учишься играть лёгкими прикосновениями, чуть пережмёшь и уходишь из тональности.
Аноним 13/02/24 Втр 00:30:02 1052689 11
>>1052688
Ну, можно просто струны потоньше поставить, тоже вариант для маневров
Ну ладно тада
Хотите так - как хотите
Аноним 13/02/24 Втр 00:41:20 1052690 12
>>1052676
Некий шиз по фамилии олейник пропагандирует в каждом видеве их ставить, а балбесы и ведутся.
Аноним 13/02/24 Втр 03:40:04 1052695 13
>>1052396 →
>В чём секрет гитарного звука в студийных записях? Что звук такой яркий открытый и дждж?
1- даблтрек
2- ровно сыграно
3- на гитаре хорошие звучки
4- на гитаре новые струны
5- басистом тоже ровно сыграно
6- все ниже 80 и выше 11к вырезано нахуй
7- оставшееся скомпрессировано под микс.
>>1052686
>Делал ставку конечно на моделирующие штуки, но в итоге аналог, даже довольно дешманский по меркам ламповых усилков, все таки победил.
Главная проблема аналога- доказать родственникам, что глаза красные не из за наркотиков, а потому что всю ночь реампил.
Аноним 13/02/24 Втр 04:08:43 1052698 14
Как быстро подобрать и надавить рычаг тремоло, если он внизу/сзади болтается (страт за 10 тысяч рублей), а я рифф играю? Постоянно в руке держать неудобно, да и не нужен 99% времени.

Ну чтобы дыжь-дыжь-дыжь по сотому кругу и вдруг так ДЫУУУУЖЖЖЖЬЬЬЬ а потом снова нормально играть.

Неделю играю, только учусь, вот думаю, есть тут какой-то секрет или на ритм-гитаре так просто никто не делает
Аноним 13/02/24 Втр 04:59:25 1052699 15
>>1052676
Олейник сам просит всех играть побольше, а на звук дрочить поменьше. И тут же всем советует платно ставить у мастеров эти здоровенные лады, какбудто бы компенсирует свой хуёвый уровень игры
>>1052698
Сними его вообще, пока не сыграешь чисто соло Smoke on the Water на 100% скорости. Право пользоваться рычагом нужно ещё заслужить.
Аноним 13/02/24 Втр 06:17:53 1052701 16
image.png 633Кб, 1308x747
1308x747
image.png 264Кб, 979x554
979x554
image.png 263Кб, 982x602
982x602
image.png 229Кб, 1137x860
1137x860
Почему панелькие такие дорогие? То есть за стоимость одного пикгарда можно купить гитару ЦЕЛИКОМ. Из чего же их там делают???

С другой стороны, это санкции, ведь напрямую купить сет с элетроникой будет дешевле. Знать бы КАК купить. У Бандерольки(qwintri) хуёвые отзывыю. Ну вот и как быть?
Аноним 13/02/24 Втр 06:53:36 1052702 17
>>1052686
У меня тоже такие же ощущения от Helix'а. Чистенько и аккуратно записать - да, отличный девайс. Но когда играешь, то слышно, как мылит басовые струны. Когда играешь на одной струне - всё чётко и разборчиво, она "округляется", но уже две струны одновременно не тащит. Накладывает какие-то свои ебанутые фильтры. В аналоговый аппарат (даже преамп от AMT L2) все струны детальнее рисуются, так как усиление сигнала происходит по другому. В процессорах вместо как-то по другому сигнал повышается до нужного уровня, от этого каша неразборчивая. Но опять таки, это ощущения при самой игре, на записи и в слепом тесте вряд ли найдёшь отличие.
Аноним 13/02/24 Втр 07:38:38 1052705 18
10 вариантов ка[...].mp4 30501Кб, 640x360, 00:16:09
640x360
>>1052659 (OP)
Напоминаю базу с самого начала.
Аноним 13/02/24 Втр 08:00:06 1052706 19
>>1052701
это кусок обоссаного пластика дегр на алихе они копейки стоят
Аноним 13/02/24 Втр 08:54:24 1052707 20
>>1052706
Ты не прав. Накладка бывает тонкой и хуёвой, которая под пальцами волнится. Такие ставят на Зашкваеры. Как раз как на алишке. Моя накладка примерно 3мм толщиной и она как влитая сидит на гитаре. Никакого люфта или зазора. Ещё и резонирует, звучит.
Аноним 13/02/24 Втр 09:27:26 1052709 21
>>1052690
Ничего не имею против Глеба, он верные вещи говорит
К тому же, всяк кулик свое болото хвалит
У меня техника не такая, чтобы над каждой нотой издеваться
Аноним 13/02/24 Втр 09:28:11 1052710 22
>>1052707
Ну у тебя уже хорошо высушенный и разыгранный пикгард. Тонкие пикгарды довольно быстро тоже хорошо усаживаются на гитару и резонируют. Сустейна в них, конечно, меньше, чем в толстых пикгардах, но зати они дают больше верхних частот. Если, скажем, гитара из красного дерева с вклеенным или сквозным грифом и накладкой из палисандра или черного дерева, то тонким пикгардом можно добавить звонкости и читаемости, не жертвуя при этом сустейном.
Аноним 13/02/24 Втр 10:31:16 1052711 23
>>1052710
Вот и я о томже. Хороший пикгард не может стоить дёшево.
Аноним 13/02/24 Втр 11:10:00 1052713 24
>>1052707
Но чем больше электрогитара резонирует, тем хуже же.
Идеально для электрогитары все резонансы корпуса вытеснить куда-нибудь за воспроизводимый диапазон, чтобы она вообще не резонировала. Будет самый ровный звук с наибольшим сустейном.
Аноним 13/02/24 Втр 12:20:40 1052718 25
>>1052713
Самый ровный звук у пианино, но никто же не играет на клавишах вообще.
Аноним 13/02/24 Втр 12:26:00 1052719 26
IMG0269-lg.jpg 263Кб, 800x600
800x600
>>1052713
>чтобы она вообще не резонировала
Дека из алюминия - самое то
Еще круче было-бы из магния, но дороже выйдет
>>1052710
>и читаемости
лол
Аноним 13/02/24 Втр 12:27:04 1052720 27
>>1052719
А зачем хамбакер в металическую деку? Там же 0 проводимость фоновых шумов. Считай, сетка Фарадея.
Аноним 13/02/24 Втр 12:29:36 1052721 28
>>1052720
>зачем хамбакер
Для джи-джи
Аноним 13/02/24 Втр 12:38:28 1052722 29
>>1052721
на синглах лучше звук. Единственный минус - фон.
Аноним 13/02/24 Втр 13:16:40 1052727 30
пока какал меня осенила мысль.
Вот к примеру в 00х на всяких гитарплеерах и в прессе древоверы наяривали на фендеры 60х-ох ох ,тот самый звук,да классика ,лучше нету.говнарики обмазывались звуком фруща на калифорникации и с его 62 фендера.
а в чем сама мыслишка.
можно ли уже считать фендера 80х да и хуй с ним 90х ,классикой эквивалентной тем самым фендерам 60х в временном отрезке 90х-00х.
если я ща куплю фендер 85 года и подрублю в хороший аппарат-получу ли я тот самый звук винтажного стеклянного ФИРМЕННОГО фендера на стыке веков.звук который требовал высушенного сороколетнего фендера.Или же климат не тот и дерево уже не то как прежде
Аноним 13/02/24 Втр 13:24:14 1052729 31
>>1052722
Для блюзика - да
Но, я рокер-металист, синглами очень редко пользуюсь
Аноним 13/02/24 Втр 13:34:08 1052731 32
>>1052722
Вкусовщина. Лично мне больше нравится связка из двух хамбакеров+ независимая отсечка для каждого. Можно получить кучу разных прикольных звуков.
Аноним 13/02/24 Втр 13:40:38 1052733 33
>>1052727
Ты этот звук даже на новом харли бентоне получишь, если в слепом тесте сравнивать
Аноним 13/02/24 Втр 14:11:23 1052734 34
>>1052729
Так для роковых соло только синглы. Хамбакеры это просто паучий гул сразу из коробки
Аноним 13/02/24 Втр 14:15:49 1052735 35
>>1052727
Тот самый звук фендера это:
Пружинный темброблок, болчённый гриф, гриф, накладка, звукосниматели. Причём, именно режимы 2 или 4 дают тот самый звук стратокастера. И обязательно в ламповый Фендэр лампу. Самое дорогое там звукосниматели, Texas Special уже не то
Аноним 13/02/24 Втр 14:18:53 1052736 36
Вы импровизировать любите?
Аноним 13/02/24 Втр 15:04:20 1052740 37
Аноним 13/02/24 Втр 16:22:27 1052747 38
Ну и зачем нужна эта гитара????!! Чтобы что???!!

А у некоторых и по несколько гитар!!! Сначала бы на одной научился играть! А несколько-то зачем???! Чтобы что????!!!

Аж трисёт, бгг.
Аноним 13/02/24 Втр 16:30:10 1052749 39
>>1052747
Люди просто любят гитары и играть на них. Как ты не понимаешь? Что владение физическим инструментом (быть собственником) это кайф. Особенно, если это какой-нибудь голубенький Fender Stratocaster.
Аноним 13/02/24 Втр 17:27:43 1052753 40
>>1052734
>Хамбакеры это просто паучий гул сразу из коробки
Ты это серьезно или пожирнить захотелось?
Аноним 13/02/24 Втр 17:32:56 1052754 41
>>1052749
Хули толку от такого владения?
Дороже они со временем не станут
Гитара - это не вложение, а мертвый груз, если ты им не пользуешься
владелец баса, двух акустических гитар, двух электрогитар и мандолины. На всем играю
Аноним 13/02/24 Втр 17:40:45 1052756 42
>>1052753
Нет, я серьёзно. хамбакеры портят звук, буквально. Кроме калового дегенератского гриндкора ничего не сыграть
Аноним 13/02/24 Втр 18:09:48 1052757 43
>>1052756
Либо ты идиот, либо зеленый
Либо и то, и другое
Аноним 13/02/24 Втр 18:26:07 1052759 44
>>1052749
>голубенький
sonic blue -хуже пидораза
13/02/24 Втр 20:09:34 1052765 45
>>1052709
>>1052690
Олейник это ходячий кринжеклоун который был пародией на старого табачникова только на пару порядков кринжовее. Смотреть его высеры = быть тупым гыгыгы школяром.
Аноним 13/02/24 Втр 22:10:31 1052771 46
а кто нибудь видел в продаже гитары с неравномерной пифагоровой темперацией?
да, да с волчьими квинтами
Аноним 13/02/24 Втр 23:34:18 1052776 47
>>1052734
ты просто не умеешь их готовить и обрабатывать
Аноним 14/02/24 Срд 00:23:31 1052778 48
>>1052765
>ходячий кринжеклоун
То, что Глеб - клоун, это я знаю. И это хорошо. Он на бОльшее и не претендует. Именно за это ему и спасибо. Композитор из него посредственный, но музыкант он хороший, разбирается не только в нотах, но и в палках
Его высеры я слышал. У тебя есть твои послушать?
Аноним 14/02/24 Срд 05:04:44 1052786 49
>>1052778
>Его высеры я слышал. У тебя есть твои послушать?
>Ряяя сперва добейся!!!
Нет, это так не работает. Мне не нужно быть поваром, чтобы знать, что гавно это гавно.
Аноним 14/02/24 Срд 07:27:35 1052791 50
>>1052786
Уходи отсюда, тебя уже неоднократно банили и удаляли твои сообщения. Не можешь играть и не имеешь гитары - уходи.
Аноним 14/02/24 Срд 07:33:41 1052792 51
pom.png 337Кб, 475x559
475x559
>>1052786
Дык, ты и не повар даже
Аноним 14/02/24 Срд 07:40:50 1052793 52
За сколько можно продать комбарь Yamaha ga-15 ? (просто ga-15, не ga-15 II)
Достался бесплатно.
Аноним 14/02/24 Срд 08:21:37 1052797 53
>>1052791
>тебя
Я сюда пришёл в 681м треде, так что не надо тут меня с кем-то сравнивать. Я просто ньюфаг и не знаю ваших мемчиков, говорю от сердца, говорю как считаю сам.
Аноним 14/02/24 Срд 10:19:55 1052801 54
Аноним 14/02/24 Срд 10:41:14 1052804 55
Аноним 14/02/24 Срд 13:38:39 1052813 56
RG320FMAM.jpg 221Кб, 1251x477
1251x477
2133415320.jpg 116Кб, 1080x1080
1080x1080
s-l1200.jpg 36Кб, 325x1080
325x1080
140607-dscn0089[...].jpg 567Кб, 2400x860
2400x860
>>1052659 (OP)
Подскажите чё можно купить в пределах 40к.
Нужные мне спецификации:
6 струн
С рычагом обязательно
24 лада или больше
Именно 2 звучка, а не 3 или 1.
Пока что под мои нужды идеально подходят пару ибанезов rg320fm и s520, dean exile. Может есть ещё какие то прикольные фирмы которые я упускаю, какие нибудь японцы древние. Формы любые, не обязательно суперстрат.
Аноним 14/02/24 Срд 13:46:10 1052814 57
>>1052813
Что-то мне подсказывает что в пределах 40к с хорошим рычагом который не уведёт строй после нескольких движений не найти.
Аноним 14/02/24 Срд 13:49:24 1052815 58
Аноним 14/02/24 Срд 13:56:18 1052816 59
>>1052814
У меня был раньше ibanez s520, был стейнбергер спирит. Ни на одной из этих гитар не было проблем со строем из-за рычага. А стоили они вместе, меньше 40к.
>>1052815
И чё они норм? Выглядит уж совсем бедно.
Аноним 14/02/24 Срд 14:09:38 1052817 60
>>1052813
Jet Или eart.
Либо ковыряться в БУ-лохито-помойке
Аноним 14/02/24 Срд 14:12:03 1052818 61
image.png 39Кб, 624x353
624x353
image.png 22Кб, 610x209
610x209
>>1052816
>А стоили они вместе, меньше 40к
Не знаю, случилось что-то.
Аноним 14/02/24 Срд 14:34:24 1052819 62
>>1052818
Ебать, естественно в музторге я не собираюсь ничего покупать по двойному прайсу.
Авито, Томан, мьюзикстор, реверб, ибей.

Вот у меня даже висит на Авито в проданных ibanez s420, за 15к. А покупал я его вообще за 10. 520 такой же ценовой категории был всегда, может чуть подороже. Рычаг на нем работал без проблем вообще, до сих пор жалею что продал эту гитару.
Аноним 14/02/24 Срд 14:36:04 1052820 63
Screenshot2024-[...].jpg 881Кб, 1080x2412
1080x2412
>>1052818
На Авито они в районе 40 щас продаются.
Аноним 14/02/24 Срд 14:48:28 1052821 64
Аноним 14/02/24 Срд 17:44:09 1052823 65
>>1052813
>какие нибудь японцы древние
Сразу нахуй. Там древние флойды с тупыми ножами, задроченными сухарями и ржавой станиной, болтами.
Аноним 14/02/24 Срд 18:33:12 1052827 66
>>1052705
Проиграл, прямо словно читать тред этот обоссаный с дебилами которые высерают такую же хуету каждый раз про свое дерево там, материалы и прочую сумасшедшую чушь нахуй.
Аноним 14/02/24 Срд 18:44:22 1052828 67
Аноны как накрутить звук гитары чтоб был как в песне Дельфин - Кокон? https://www.youtube.com/watch?v=_CJSd4RKBeQ
Какое то именно электронное а не перегруженное звучание получается у гитары. Желательно как в Аблетоне такое накрутить стандартными эффектами можно.
Аноним 14/02/24 Срд 18:58:56 1052829 68
>>1052828
Походит на низковольтные лампы или fuzz.
Аноним 14/02/24 Срд 18:59:20 1052830 69
>>1052828
нихуя не понял.типо пердеж такой надо
ну наверни фузца через басовый vst
Аноним 14/02/24 Срд 19:19:55 1052832 70
image.png 106Кб, 982x230
982x230
image.png 87Кб, 822x222
822x222
image.png 104Кб, 827x273
827x273
image.png 125Кб, 821x189
821x189
image.png 83Кб, 779x199
779x199
image.png 121Кб, 771x210
771x210
image.png 108Кб, 950x187
950x187
image.png 128Кб, 1050x203
1050x203
Аноним 14/02/24 Срд 19:21:03 1052833 71
>>1052830
Ну бля, пердеж да, но такой электрический. Обычный фуз дает перегруз но он не звучит так дребежаще электронно.
14/02/24 Срд 19:26:08 1052834 72
>>1052832
ЗАчем эта хуйня если можно за ту же цену взять ламповый ераст?
Аноним 14/02/24 Срд 20:51:34 1052838 73
Как получить звук инди рока нулевых? Чет так захотелось поиграть прямо такую хуету и какие там аккорды я вообще в аккордах не разбираюсь всегда играл только соло и на аккустике никогда не играл чтобы учить аккорды.
Аноним 14/02/24 Срд 21:25:37 1052852 74
>>1052838
ищи аккорды с буквой 7,штуки 4 выучи и вот ты уже нихуя себе илитарный инди гитарист
Аноним 15/02/24 Чтв 04:45:02 1052870 75
image.png 458Кб, 800x903
800x903
>>1052834
Охуеть, они недорогие. Это и есть та самая тёплая лампа? у меня просто никогда не было, а цены на них всегда были под 50к
Аноним 15/02/24 Чтв 04:45:48 1052871 76
>>1052838
Одна примочка овердрайва в ламповый комбик. Играть на бриджевом звукоснимателе. Вот и весь секрет инди-рока.
Аноним 15/02/24 Чтв 05:05:24 1052872 77
>>1052870
Думаешь лампы каждые два года не нужно менять? Вот тебе замена и обойдётся в "плоти дважды"
Аноним 15/02/24 Чтв 07:54:17 1052875 78
>>1052872
А чо им будет-то? Понятно, что они не вечные, но все мои лампы(в усилителях, процессорах) уже 10 лет стоят, проблем нет
Что нужно такого сделать, чтобы убить лампу?
Аноним 15/02/24 Чтв 07:59:46 1052876 79
Нужно бы уточнить, что горят лампы на усилителе, а не на предусилке. Ну и чтобы не выжимать максимум мощности на усилителе, придумали педали-грелки и овердрайвы
Аноним 15/02/24 Чтв 08:08:25 1052877 80
>>1052875
Да так, ничего особенного, просто играть разогревая их. Удивительно что люди которые играют на лампах меняют раз в два-три года их.
>>1052876
Я не имею права предоставлять закрытый контент но лампы со временем хереют и не за 5-10 лет, два-три года.
Аноним 15/02/24 Чтв 08:11:07 1052878 81
>>1052877
Ну явно не двачеры, я вообще ни в одном треде не видел постов про смену лампы. За 5 лет двачевания не припомню ни одного поста, где бы кто-то выкладывал дохлые лампы в фото
Аноним 15/02/24 Чтв 08:14:12 1052879 82
>>1052877
>просто играть разогревая их.
Просто охлаждай их и продолжай играть
Аноним 15/02/24 Чтв 08:17:28 1052880 83
>>1052878
>>1052879
Поэтому двач назувают ещё помойкой, тут много чего не палят быдлу.
Но если тебе не лень потому что мне лень, погугли.
Аноним 15/02/24 Чтв 08:20:57 1052881 84
>>1052878
>ни в одном треде не видел постов про смену лампы
Видел
Двачер купил дешманский комбик и у него сгорела лампа после пару дней использования
>>1052880
>тут много чего не палят быдлу.
Дай дураку стеклянный хуй - разобьет, да еще и порежется
Аноним 15/02/24 Чтв 08:25:00 1052882 85
>>1052881
Серьёзно, я же подписан на бусти на мозговитых людей которые шарят за всю хуйню, лампы при постоянном использовании хереют за два-три года. Аттенюатор только звук подрубает по громкости а лампы продолжают стандартный разогрев для тех самых блядть гармоник.
Аноним 15/02/24 Чтв 08:26:34 1052883 86
>>1052882
>при постоянном использовании
Постоянное использование возможно ТОЛЬКО на студия\-репточках. Обычный домашний анон играет МАКСИМУМ два часа в день. Чаще всего, картина час в НЕДЕЛЮ.
Аноним 15/02/24 Чтв 08:28:37 1052884 87
>>1052883
Так я о репетициях в домашних условиях и говорю, купил лампу - изволь ебать.
Но если бережно поёбывать тогда проживут дольше.
Кто знает сколько анон может себе позволить играть.
Аноним 15/02/24 Чтв 08:30:17 1052885 88
>>1052882
Ну, хз
Значит, мы на разных планетах живем
У меня есть кореш, звукач, у них концерты 1-2 раза в неделю, у него стоит пачка усилков, в которых лампы размером с литровую банку, барбекю можно на усилке делать. Последний раз он менял лампы 5 лет назад
Аноним 15/02/24 Чтв 08:36:31 1052886 89
>>1052885
Значит на разных, зависит ещё от ламп и их использования. Обслуживание бошек происходит раз в два года.
Аноним 15/02/24 Чтв 10:00:10 1052887 90
>>1052882
Ну вообще со временем эмиссия катода падает, но в совке их десятилетиями использовали и ничего. А кто-то и больше
Аноним 15/02/24 Чтв 10:09:39 1052889 91
>>1052659 (OP)
Заебал гриф туда-сюда деформироваться из-за температур и влажности. Вот у меня Зашквайр был, там вообще пиздец с анкером был, каждую неделю приходилось крутить.
Сейчас у меня японец из той самой "гуд-вуд" эры, но всё равно косоёбит. На каких стратокастерах стабильнее гриф? Про печёный гриф это правда?
Аноним 15/02/24 Чтв 11:39:11 1052890 92
>>1052889
Купи паркер. Там такой хуйни нет
Аноним 15/02/24 Чтв 11:42:05 1052891 93
>>1052882
давай разберем по пунктам тобою написанное.

>лампы при постоянном использовании хереют
итак это возможно так при игре на чистом звуке.

но на любом перегрузе не существует понятия "хереет" и даже в теории существовать не может.
рассмотрим как вообще появился перегруз. это когда ламповую бытовую радиолу выкручивали в максимум и она хрипела. это самый простой способ. но все охуевали от громкости.
второй способ - это когда БРАЛИ ДИНАМИК ЭТО САМОЙ РАДИОЛЫ или позднее чистого комбика И НАХУЙ ЕГО ПРОТЫКАЛИ В РАНДОМНЫХ МЕСТАХ МАКСИМАЛЬНО ВАРВАРСКИМ И КОЩУНСТВЕННЫМ МЕТОДОМ, чтобы он пердел и хрипел.

т.е. именно так появился тот самый каноничный звук лампового перегруза, и никак иначе. о каком-то блядь дереве-севших лампах-старых струнах никто не заикался, потому что люди понимали, что это дегенеративная шиза, КОГДА У НИХ НАХУЙ ОТВЕРТКОЙ ДИНАМИК ПРОТКНУТ

точка.
Аноним 15/02/24 Чтв 11:49:30 1052892 94
>>1052889
нет таких проблем, а если даже есть, то не похуй, что у тебя струна на полмикрона выше-ниже?
Аноним 15/02/24 Чтв 12:03:34 1052894 95
>>1052891
ну и вдобавок к написанному, когда вы будете видеть
-древесных слухачей
-любителей поменять струны, потому что звук не тот
-рассуждающих о качестве .брендейм. звучков
-особых фендерах 1950х
-севиших лапмах
-особом тоне вклеенных-болченых гитар
-и все эти люди не играют джаз, а дрочат панкуху, металл и прочее
то кидайте им вот это видео

https://www.youtube.com/shorts/_px5LUqiQPc

тембр звука важен только для 1 вещи, как этот звук будет сочетаться с другими в миксе. все остальное - это шиза и прокрастинация.
Аноним 15/02/24 Чтв 12:06:59 1052895 96
>>1052892
Дело не в микронах, а струны начинают звенеть или слишком далеко. Разница в 0.5мм спокойной. Ну да, 500 микрометров ощутимо портят игру
Аноним 15/02/24 Чтв 12:10:38 1052896 97
>>1052895
внезапно поставь струны потоньше. чтобы зазор был меньше
Аноним 15/02/24 Чтв 12:11:06 1052897 98
>>1052896
> чтобы зазор был меньше
больше естественно
Аноним 15/02/24 Чтв 12:12:27 1052898 99
>>1052896
И что мне каждый раз струны под сезон подстраивать?
Лучше купить печённый гриф.
Аноним 15/02/24 Чтв 12:16:21 1052899 100
>>1052894
>shorts
Это реальная история? Охуеть какие люди раньше были прогрессивными. Сейчас даже на процессорах играть не умеют. А раньше протыкали динамик.
Аноним 15/02/24 Чтв 12:39:19 1052900 101
>>1052899
весь гаражный рок 60х записан на проткнутых динамиках, чел. с подключением.
тебе просто забыли это рассказать, потому что выгоднее продавать дерево, звукосниматели и новые педали и комбики, чем писать в журналах, что можно купить самые всратые колонки с барахолки и получить дрист, купить отдельно динамики на тойже барахолке, порезать их по разному и получить разнотембральный дрист, которого ни у кого нет. а ведь динамики предусмотрительно даже делали на быстросъёмах.)

https://www.youtube.com/watch?v=W8rCaqn7Zz4

двач образовательный
Аноним 15/02/24 Чтв 12:49:25 1052901 102
>>1052898
ты играешь на электрогитаре, в 99,9% дребезг не попадает в линию.
если тебя бесит дребезг, то может тебе лучше акустику взять в руки?
Аноним 15/02/24 Чтв 13:07:29 1052902 103
ОХУЕТЬ РАБОТАЕТ
У меня валялся мини комбик типа который можно на ремень повесить, так вот у него на овердрайве был просто клин звук, я ща открутил его, дырок понаделал и... Теперь звучит ГРЯЗНО блядь. Охуенно. Сука так что дырки в динамике работают реал.
Аноним 15/02/24 Чтв 13:07:40 1052903 104
>>1052901
У меня гитара ловит вообще все призвуки. Потому что качественная.
Аноним 15/02/24 Чтв 13:10:40 1052904 105
Я не буду дырявить динамик.
Потому что я играю в Helix+наушники.
Аноним 15/02/24 Чтв 13:11:00 1052905 106
>>1052900
>и получить дрист
Дурная голова рукам покоя не дает
Я лучше куплю подходящую мне гитару и педаль(педали) и буду пользоваться, чем дырявить динамики и говорить ДА Ы ЧО, БЛЯТЬ?!!! ЭТО Ж ТОТ САМЫЙ ПРАВОСЛАВНЫЙ ПЕРЕГРУЗ!!! ТЫ НИХУЯ НЕ ПОНИМАЕШЬ НИ В МУЗЫКЕ, НИ В ЗВУКЕ, НИ В ИСТОРИИ!
Аноним 15/02/24 Чтв 13:13:14 1052906 107
>>1052902
Следующий шаг - сделай дырки в грифе и деке
Побольше сделай
Чем больше дырок - тем драйвовее звук!
Аноним 15/02/24 Чтв 13:22:23 1052907 108
>>1052905
купи, какое это имеет отношение к ветке диалога про проседающие лампы и бесмысленность данного тезиса?
Аноним 15/02/24 Чтв 13:25:26 1052908 109
>>1052907
Ну лампы реально садятся и начинают свистеть. Их надо менять.
Аноним 15/02/24 Чтв 13:28:33 1052909 110
Аноним 15/02/24 Чтв 13:31:02 1052910 111
>>1052907
>купи
У меня все есть
Ламповое есть, транзисторное... Пока ни в чем нужды нет
>какое это имеет отношение
Такое
Лампы же ПРОСЕДАЮТ! Бида-бида!
не парься, я шучу. У меня пока ни одна лампа не "просела"
Аноним 15/02/24 Чтв 13:31:09 1052911 112
Аноним 15/02/24 Чтв 13:39:42 1052912 113
>>1052911
Все! Решено!
Не буду на пенсии садиться на стакан, буду дрочить на лампы! Паять ламповые усилки и перегрузы!
Больше ламп богу ламп!
Аноним 15/02/24 Чтв 13:41:36 1052913 114
>>1052911
Так это не совсем то. В гитарном усилении лампы всегда под большой нагрузкой, чтобы получать эффект перегруза, поэтому износ быстрее, чем при эксплуатации без получения искажений
Аноним 15/02/24 Чтв 13:42:54 1052914 115
Аноним 15/02/24 Чтв 13:46:53 1052915 116
>>1052913
Скажите я не совершу ошибку перейдя с калибра 10-46 на 11-49?
Не пожалею ли я об этом и о том что порожек обратно не заживёт. Или всё же игра стоит свеч.
Аноним 15/02/24 Чтв 13:48:45 1052916 117
>>1052915
Нахуя ваще? 10 46 то бендить сложно, а то что толще там ваще пизда только если на пониженом строе играть, да и 10 46 классика, я ваще играл пару лет на 9 46 чтобы сверху было пожирнее а бенды были легкие
Аноним 15/02/24 Чтв 13:52:53 1052917 118
>>1052904
А хули блядь в наушниках все звучит как говно? Я и дорогие мониторные пробовал и обычные игровые за косарь и просто затычки, всегда звучит как кал. Настроишь усилитель прямо звучит как конфетка, но подключаешь через уши и прямо режет слух ваще какой-то убогий глухой звук без динамики словно не хватает чего-то, что выдает динамик обычный. Так же с усилками для наушников, если подключить его просто к сраным пекашным колонкам то звучит норм, а через любые наушники звучит как говно из бочки словно не хватает реверба и пространства и звука ваще все какое-то глухое и отвратное и слышно каждое прикосновение к струне даже если просто задеть кончиком пальца и невозможно играть из-за этого, сразу слышны посторонние звуки, которых не слышно через комбарь.
Аноним 15/02/24 Чтв 13:53:36 1052918 119
>>1052916
Просто только завезли этот калибр и у меня уже есть 12-56 на одной гитаре и вполне нормально ощущаются но думаю ужесточить основную гитару. Я больше по флажолетам, палмюту, тремоло, даунстрок, аккордам и рифам.
Думал тут есть владельцы.
Аноним 15/02/24 Чтв 13:54:41 1052919 120
>>1052917
Потому что играть в наушники нужно ТОЛЬКО через кабинет-эмулятор с импульсными откликами
Аноним 15/02/24 Чтв 13:55:36 1052920 121
>>1052916
Я бы не сказал, что на встратокастере 10-46 сложно бендить. Я давно на этом калибре сижу, но на полутон-тон спокойно бендится средним пальцем правильным хватом
Аноним 15/02/24 Чтв 14:46:20 1052921 122
Блин был такой шум когда играл в эти жмуляторы, в амплитуб или гитар риг, я играю еще через встроенную в пеку звуковуху ну через линейный вход и у меня нет заземления лол, ну так вот я просто чет решил поиграться кабинетами и микрофонами и хуяк блядь нашел там комбинацию винтажных типа где шума ваще почти нет, у меня кароче в обычном комбаре шума и фона на клине больше чем получилось там с овердрайвом с гейном на 6 без каких-либо нойз гейтов убивающих сустейн, вот так вся суть в микрофоне и кабинете в этих приложениях.
Аноним 15/02/24 Чтв 15:45:15 1052928 123
>>1052921
>амплитуб или гитар риг
там компрессор встроен, который отключить невозможно, он из любой, даже самой крутой в мире карточки шума насосёт

странно, что никто этого не замечает
Аноним 15/02/24 Чтв 15:54:20 1052929 124
>>1052914
Так это не из-за ламп
Это просто нет земли
И там еще есть коммент, что выключатели света виноваты. Соглашусь. Диммеры тоже могут творить хуйню в сетях
Аноним 15/02/24 Чтв 16:04:24 1052930 125
>>1052929
Ну даже если в этом случае и не лампы, с лампами примерно такая же хуйня происходит. Когда они изношены появляется либо вот такой шум, либо постоянный писк. И тогда меняешь лампу и все снова нормально
Аноним 15/02/24 Чтв 16:09:02 1052931 126
Аноним 15/02/24 Чтв 16:28:28 1052932 127
>>1052931
Почему у всех любителей этих обоссаных метализдских пентатоник и соло такой убогий вкус в корпусах гитар? Пиздец какой-то шлаквысрал еще со сраным флойдом, ебангый гопник
Аноним 15/02/24 Чтв 16:40:30 1052935 128
>>1052930
Ни разу не слышал изношенной лампы, но говорят, что она не гудит, а шипит-трещит
Аноним 15/02/24 Чтв 16:42:54 1052937 129
>>1052932
Как с языка снял. Это явление называется гавнорокер.
Аноним 15/02/24 Чтв 16:43:46 1052938 130
>>1052932
Чо ты хочешь от деда из ебеней?
Запилил себе гитар, насмотрелся на металистов, решил корпус такой сделать. Модно-молодежно.
Еще и скальпирование делает. Интернет-жертва
15/02/24 Чтв 18:08:01 1052943 131
>>1052872
>>1052870
Не слушай этого уебана. раз в 5-6 лет поменять лампы выйдет дешево, а скорее всего за свою игру на нем вообще и не поменяешь. Получишь ламповый чистюк, как я помню там перегруженного канала нет и дисторшен будет отдельно педалькой рулить.
>>>1052882
>Я ПОДПИСАЛСЯ НА БУСТИ (ебать даун) И Я ТЕПЕРЬ ЭКСПЕРД И НАСРАТЬ ЧТО Я 1 СЛОВО ИЗ 10 СКАЗАННОЕ ТАМ СМОГ ОСОЗНАТЬ
Мочух ты?
15/02/24 Чтв 18:10:06 1052944 132
>>1052938
>скальпирование
лолд
Аноним 15/02/24 Чтв 18:18:21 1052945 133
>>1052882
>бусти на мозговитых людей
ну как там рективатор уже собрал?
Аноним 15/02/24 Чтв 18:30:15 1052946 134
Стикер 0Кб, 512x512
512x512
Аноним 15/02/24 Чтв 18:44:19 1052952 135
photo2023-07-25[...].jpg 172Кб, 1074x1080
1074x1080
photo2023-08-10[...].jpg 240Кб, 1019x1280
1019x1280
photo2023-09-07[...].jpg 103Кб, 828x818
828x818
364141566.jpg 3188Кб, 2048x1536
2048x1536
>>1052950
Чё рвёшься, можно подумать у тебя ламповый комбик есть. У тебя даже гитары нет и что ты тут забыл раздавая дэбильные советы с пеной у рта ещё и трусишься.

По большей части люди живут в домах многоквартирниках, там твой ламповый комбик сосери разберут и засунут тебе в сраку проталкивая грифом от гитары.
Аноним 15/02/24 Чтв 18:47:31 1052953 136
>>1052914
это троллинг глупостью? причем тут лампы вообще?...
>>1052911
а это тут причем? аудиофильская шиза для проигрывания максимально близко к оригиналу и твоя гитара, которая должно пердеть и свистеть?
какой же кринж
Аноним 15/02/24 Чтв 18:51:37 1052954 137
Kenshiro.jpg 45Кб, 640x480
640x480
>>1052953
>аудиофильская шиза для проигрывания максимально близко к оригиналу и твоя гитара, которая должно пердеть и свистеть?

Протрезвей, нихера не понятно что ты написал. Мне как-то пох на лампы, у меня для есть две колонки по 350w в которых плагины звучат убойно и мониторы каждый ценой как хорошая гитара.
Мне хватает без ламповых комбиков получать разрядку в домашних условиях с предварительной договорённостью с соседями.
Аноним 15/02/24 Чтв 19:20:55 1052960 138
>>1052954
ты вбросил это видео в ветку садящихся ламп в момент формирования мокрого аналогового сигнала из аналогового сухого, где лампа является преобразователем
в твоем видео лампа не работает в качестве преобразователя, там уже есть цап или сигнал предзаписан на аналоговый носитель и преобразование вообще не требуется.
и называешь меня пьяным.
Аноним 15/02/24 Чтв 19:25:45 1052961 139
unnamed.jpg 96Кб, 900x900
900x900
>>1052946
>https://www.youtube.com/watch?v=YR7pjrqyWc8
Ламповый комб не нужен
Микрофоны тоже не нужны
Пишем в линию, чтобы максимально плоско было. В жопу реверберацию комнаты!
Все инструменты пишем в линию!
Накидываем эмуляторов на остальные инструменты. Разных
Получаем микс из разнородного говна, который никак не свести!
Аноним 15/02/24 Чтв 19:29:00 1052962 140
>>1052952
На твоих пикчах ни одной гитары нет, один кал для метализдов и сраный телекастер что вообще кал калыч
Аноним 15/02/24 Чтв 19:32:21 1052963 141
>>1052961
Ну так то он прав, все эти лампы это чисто для задротов, я бы взял себе винтажную лампу и винтажный страт такой потертый в кашу весь в царапинах чтобы чисто на клине играть СТЕКЛО лмао, а так по делу дома это нах не надо .в линию сунул кабель и играешь через амплитуб5 себе что хочешь и не ебешь мозги, если ты конечно не ссаный аудиодрочер который слушает только флак и на слух может отличить там что гитара на 1 сотую доли расстроена то тогда да тебе вообще лучше тогда не играть а быть петухом на студии или стать фредомпетухистом 2.0 и создать канал для таких же аудиочмонь.
Аноним 15/02/24 Чтв 19:32:58 1052964 142
55-0.JPG 38Кб, 968x353
968x353
Поясните за лады
От этого есть толк или это очередная шиза?
Аноним 15/02/24 Чтв 19:35:24 1052965 143
>>1052964
может ты прекратишь имитировать интерес?
Аноним 15/02/24 Чтв 19:36:38 1052966 144
583509995797505.jpg 176Кб, 1080x1080
1080x1080
5613626177945.jpg 244Кб, 1080x1186
1080x1186
788599215267.jpg 1152Кб, 1080x1165
1080x1165
23424234.webp 306Кб, 1080x1297
1080x1297
>>1052960
Так изъясняйся понятнее, значит я ошибся. Извини. Но если тебе очень хочется ламповый комбик или бошку+кабинет то имей в виду что это теперь дорого и не отвечает некоторым стандартам современного обучения игры на гитаре.
Конечно когда у тебя в комнате стоит стек или два стека как у Олейника то это греет не только душу своим присутствием в плане эстетики но и греет своим живым звуком.

>>1052961
Получаем микс из разнородного говна, который никак не свести!
Пишем в линию

Писать можно как угодно, было бы желание а вот сводить нужно уметь, что-бы говна не получилось. Если ты до сих пор не понял посыл видео то у тебя что-то с кукухой.
Аноним 15/02/24 Чтв 19:38:53 1052967 145
>>1052966
Вот смотрю я на эти пикчи и понимаю как же мне повезло со вкусом, для меня родной санберст стратокастер это идеал гитары, а вся эта мерзотная поебень на пиках твоих это такой шлак чисто какой-то зумерский выблядский говноедский кусок жидкого говна за гаражом.
https://www.youtube.com/watch?v=QrIifn2VGyw
Аноним 15/02/24 Чтв 19:40:17 1052968 146
>>1052967
А что нужно чтобы получить такой вот звук как на видео? Ну помимо палки, что там за педали, слышу какой-то реверб еще.
Аноним 15/02/24 Чтв 19:41:19 1052969 147
>>1052967
Точно, на гитарах что я запостил ничего годного сыграть не получится, только на твоей гитаре можно учиться, играть и любоваться ею.
Аноним 15/02/24 Чтв 19:42:27 1052970 148
>>1052963
>Ну так то он прав
Безусловно
Один хер, среднестатистический говноед не разбирается в звуке, кто там чо сводит, какие там, блять, компрессии и реверберации - все это ненужная хуйня! Он и музыку-то со смартфона слушает
Однако уважающие себя люди все пишут только с микрофонов и только в ОДНОМ помещении. Тогда работать с такими записями - одно удовольствие! Динамику выровнял и микс готов!
Лично мне приятно такие записи слушать. Чувствуется ДУША, лол
Аноним 15/02/24 Чтв 19:44:46 1052971 149
Аноним 15/02/24 Чтв 19:45:05 1052972 150
>>1052965
Ни разу не играл на таких ладах
Есть подозрение, что ради длинной мензуры на струнах ми и ля
Штоб потяжелее говнометалл можно было сыграть
Но, не уверен
Аноним 15/02/24 Чтв 19:45:11 1052973 151
>>1052970
А мне нравится 8 бит метал, там смесь ненастоящей гитары + 8ми битные семплы и прям такая душа лол, словно опять в детство попадаю когда в денди играл. Хотя слушаю разную музыку, не только "не живую".
Аноним 15/02/24 Чтв 19:50:13 1052974 152
пека0.JPG 31Кб, 828x335
828x335
>>1052966
>Если ты до сих пор не понял посыл видео то у тебя что-то с кукухой.
Почему-же?
Посыл таков - если ты нищук и у тебя нет большого лампового комба и большой квартиры, чтобы его туда поставить, то есть решение - карликовый цифровой комб со встроенной звуковухой, который КОНЕЧНО ЖЕ звучит так же, как и комб с микрофонов и вы даже не заметите разницы!
А если нет разницы, то зачем платить больше?
Интересно, почему профессиональные музыканты таки предпочитают комбы и кабинеты, если нет разницы?
Аноним 15/02/24 Чтв 19:52:19 1052975 153
>>1052974
>Интересно, почему профессиональные музыканты
любят надевать косухи на сцену, если они в итоге потеют?
Аноним 15/02/24 Чтв 19:53:19 1052976 154
>>1052974
А кто сказал что цифровой комб должен быть мелкий и плохо звучать? Помимо нормального размера он и звучит хорошо, и записать можно с него + он ещё и звуковая карта в придачу.
А профессиональные музыканты из принципа имея деньги будут чтить традиции и быть типа тру. Но тебе этого походу не понять...
Аноним 15/02/24 Чтв 19:53:46 1052977 155
>>1052974
Японимаю если ты пендос или богач и живешь в собственном доме и в комнате или гараже ставишь этот большой комбарь и играешь, но дома бля я даже карманный комбик включаю на 2 деленгия громкости и то орет на всю комнату так что окна трясутся, а уж большой 25 ватт комбарь у меня чисто на 0.4 где-то звук и то слишком громко что у соседей там наверное стены шатаются. В общем поссал на ебланов с огромными шкафами усилками в комиблоках.
Аноним 15/02/24 Чтв 19:57:17 1052978 156
>>1052975
Я на концертах не потел в кожанке(косух не было, предпочитаю иные фасоны)
Потеют только говно-металисты, насосавшись пива перед выступлением
Аноним 15/02/24 Чтв 20:01:14 1052979 157
>>1052976
>А кто сказал что цифровой комб должен быть мелкий и плохо звучать?
Я не спорю, он может и хорошо звучать для конкретной задачи. А задача для новичка, например - это купить гитарку подешевле и комбик подешевле, чтобы потом их убрать в шкаф через-недельку другую
>из принципа имея деньги будут чтить традиции и быть типа тру.
Дело не в этом
Дело в том, что это звукорежиссеру решать, что и как должно звучать, а не музыкантам. Поэтому на ЕГО студии карликовым комбам не место
Аноним 15/02/24 Чтв 20:05:22 1052980 158
>>1052979
>Дело в том, что это звукорежиссеру решать
Звукорежисёр лол, кто это такой вообще?
Когда Варг записывал альбомы то делал это не на микрофон, на наушники КАРЛ они с звукорежисёром писали альбом культовый на наушники используя микро комбик самый корявый.

А сейчас уже давно средства позволяют иметь студии домашние и там всё самому записывать отдавая проекты на мастеринг и последующий продакшн.
Аноним 15/02/24 Чтв 20:11:01 1052981 159
>>1052978
Потеют все нормальные люди на концертах, если ты не потеешь значит ты либо биоробот либо просто тощее чмо 40кг
Аноним 15/02/24 Чтв 20:11:12 1052982 160
>>1052980
>Звукорежисёр лол, кто это такой вообще?
Ах, да, извинити, САУНД-ПРОДЮССЕР
>А сейчас уже давно средства позволяют иметь студии домашние и там всё самому записывать отдавая проекты на мастеринг и последующий продакшн.
Мне это не нужно. У меня есть и ламповый комб, и микрофоны, и помещение и мастеринг могу сделать и все это В КВАРТИРЕ, у которой всего 50 кв.м
Аноним 15/02/24 Чтв 20:12:28 1052983 161
>>1052981
>Потеют все нормальные люди на концертах
Потеют, когда света дохуя на сцене и когда тебя софиты поджаривают
Аноним 15/02/24 Чтв 20:12:40 1052984 162
artworks-000412[...].jpg 38Кб, 500x500
500x500
Аноним 15/02/24 Чтв 20:13:31 1052985 163
>>1052982
Рад за тебя, делай как считаешь нужным а другие будут делать как хотят они, не согласен что-ли?
Аноним 15/02/24 Чтв 20:14:56 1052986 164
>>1052985
Согласен
Лишь бы вышло что-нибудь, за что потом не будет стыдно
Аноним 15/02/24 Чтв 20:56:13 1052988 165
2.jpg 12Кб, 160x214
160x214
4.jpg 555Кб, 2048x1536
2048x1536
3.jpg 217Кб, 1536x2048
1536x2048
1.jpg 543Кб, 1536x2048
1536x2048
>>1052967
Но твоя гитара выглядит как ну, как что-то самое простое и обычное, особенно бошка с намёком.
Вот смотри божественные гитары которые все хотят иметь, ну если не все, то точно 60%.
Аноним 15/02/24 Чтв 22:20:05 1052990 166
бастинда-0.JPG 20Кб, 446x334
446x334
>>1052988
>божественные гитары которые все хотят иметь
Я хочу иметь гитару, как у Бастинды
Чтобы она играла МОИ риффы, МОИ партии, а для этого надо было только колесо крутить
Аноним 15/02/24 Чтв 23:39:46 1052993 167
Дежурно напминаю, что чмо, никогда не играл в усилитель, не держал хрошей гитары в руках, и не умеет играть. Он - это как ЧатГПТ обученный на гитарном ютюбе говнарей. Слушать его мнение об усилителях или гитарах бессмысленно. Спорить - пустая трата времени.
Аноним 16/02/24 Птн 05:24:17 1052999 168
EARTelectricgui[...].webp 33Кб, 713x713
713x713
image.png 312Кб, 956x666
956x666
>>1052967
Стратокастер рулит, но явно не эта модель.
Сейчас бы в 2024м снимать гриф, чтобы анкер подкрутить.
Но если выбирать модель с уебанской головой, то я возьму каноничную. На Eart даже кастомный гриф не поставить
Аноним 16/02/24 Птн 07:40:03 1053002 169
image.png 88Кб, 864x398
864x398
image.png 55Кб, 879x350
879x350
image.png 670Кб, 470x727
470x727
>>1052659 (OP)
Ну и как мне купить правильный кошерный стратокастер?
Лохито завален палью, а в жидорге цена 200% от оригинала.
Ещё есть другие лоты, просто искать не буду. Там даже серийник не совпадает.
Аноним 16/02/24 Птн 11:36:06 1053016 170
А в чем проблема менять лампы? Струны же меняете.
Аноним 16/02/24 Птн 12:09:05 1053023 171
>>1053016
Да ни в чем, берёшь и меняешь. На некоторых усилках ещё настойку биаса надо сделать, может понадобиться мультиметр, но в целом ничего сложного. Да и не такие они дорогие с учётом того, что менять их надо в разы реже струн
Аноним 16/02/24 Птн 13:37:58 1053029 172
>>1053023
>На некоторых усилках ещё настойку биаса надо сделать, может понадобиться мультиметр
Чо за хуйня?
Аноним 16/02/24 Птн 13:42:16 1053031 173
Надо ли менять транзисторы в транзисторном комбике? Мне кажется он со временем хуже звучать стал
Аноним 16/02/24 Птн 13:51:46 1053033 174
>>1053029
Ну типа лампы это такая аналоговая хуйня с очень большим разбросом по характеристикам. Поэтому тебе каждый раз как лампу меняешь, нужно под новую лампу напряжение настроить (у усилков, где это надо делать либо внутри, либо где нибудь сзади снизу на корпусе вынесены специальные потенциометры и контакты для щупов, чтобы это делать), если будет не ровно как надо- звук будет хуже и служить лампа будет меньше.
Есть усилки, где такое делать не надо, у них так называемый катодный биас, который типа сам все как надо выставляет, но это обычно на маломощных, дешевых или наоборот сильно модерновых. А все традиционные ламповые усилки на фиксированном биасе, который ручками будешь крутить каждый раз.
Аноним 16/02/24 Птн 13:56:40 1053034 175
>>1053002
Бля, ты угараешь что ли, кастом шоп Фендер за 40к. Авито ему завален палью, ты бы ещё за 10 тыщ объявление нашел, и жаловался что паль продают. Самый дешманский фендеровский плеер страт стоит 666 долларов, а нормальный am серии 1300 минимум вот и ищи от 120к объявления, а не еби мозги, никто не будет продавать гитару стоимостью больше тыщи долларов за 50к рублей.
Аноним 16/02/24 Птн 13:57:57 1053035 176
>>1053033
Спасиб, почитаю про биас
Менял в усилке лампу, просто поменял, работает нормально, безо всяких настроек
Аноним 16/02/24 Птн 14:02:34 1053036 177
>>1053035
Ну ты на всякий случай прогугли про то, какой биас на своем усилке, и если фиксированный- померь значение. Оно так то и без настройки работать будет, просто лампы недолго прослужат, ну и звук будет не още, если мало напряжения.
Аноним 16/02/24 Птн 14:12:27 1053037 178
>>1053036
>какой биас на своем усилке
Погуглил. Фиксированный
К усилку еще три лампы в подарок были от самого производителя, так что норм
Аноним 16/02/24 Птн 14:17:10 1053038 179
>>1053031
Нужно масла добавлять немного, они высыхают раз в два года и начинают перегреваться.
Аноним 16/02/24 Птн 14:34:20 1053040 180
>>1053033
Господи, какой хуйней только не страдают, вместо того чтобы играть на гитаре.
Аноним 16/02/24 Птн 14:55:54 1053042 181
ololol3.JPG 51Кб, 600x683
600x683
Подскажите насчет игры приглушенной ладонью. Когда идет рифф с глушением на ритм гитаре, бас тоже должен повторять глушение, или просто играть ноты? Мне почему-то кажется что приглушенный бас будет лишь вносить грязь на таких низких частотах и правильнее и более качово будет звучать именно с открытой струной (по крайней мере на семплере получается норм). Но хотелось бы узнать как делают взрослые дяди в студии.

И ещё - сколько струн вы захватываете при глушении? Я заметил, что на быстром ритме успеваю ударить только по 6-й и 5-й. Так ли важна 4-я в этом режиме? Вроде и на верхних двух норм лязгает.
Аноним 16/02/24 Птн 15:33:26 1053045 182
BLACK SABBATH -[...].mp4 12153Кб, 640x360, 00:02:51
640x360
>>1053042
Как сочинил и придумал - так и играешь. В музыке нет каких-то правил, вопреви Фреду Гитерасту.

Вот легендарный пример как делают глушение на ритме и как целиком звучит композиция:
Аноним 16/02/24 Птн 17:10:47 1053048 183
16/02/24 Птн 18:16:10 1053053 184
>>1053034
Есть жапанский за 60-... килорупий.
Аноним 16/02/24 Птн 18:42:43 1053054 185
>>1053042
> повторять глушение
ноу.бас должен пердеть на все низкие частоты
>по 6-й и 5-й
ну если ты про палммьют на квинтах -то однохуйственно сколько ты там скребешь.адаптируй под свои скилы и эргономику стиля.
можешь вообще как билли жо ,до колена руку выбрасывать.
Аноним 16/02/24 Птн 18:57:13 1053056 186
>>1053042
>Когда идет рифф с глушением на ритм гитаре, бас тоже должен повторять глушение, или просто играть ноты?
Просто играть ноты
>Мне почему-то кажется что приглушенный бас будет лишь вносить грязь на таких низких частотах
Не будет. Это бас-гитара. Ты еще попробуй палммьют на басу сделать. Бессмысленная фигня
>И ещё - сколько струн вы захватываете при глушении?
Все
Аноним 16/02/24 Птн 19:13:28 1053058 187
>>1053033
не имеет отношения к гитарному звуку в линию, имеет только к воспроизведению готового микса, не ебите голову
Аноним 16/02/24 Птн 19:34:28 1053060 188
>>1053029
биасом в транзисторных схемах называется смещение средней точки на транзисторе или операционном усилителе, оно обычно равно половине питающего напряжения

а на лампах х/з наверное тоже смещение сетки.
хотя в принципе там не должен быть большой разброс, и обычно в лаповых схемах все детали впаяны железно, без регулировок. более того, чем дальше смещение от середины тем больше ламповых четных гармоник так-то

мимопроходил

>>1053031
транзисторы всегда звучат одинаково, врядли они деградируют. ну может лет через 100 деграднет какой нибудь из 50-х годов

а так, если действительно звук сильно изменился, то возможно пробило, сгорел. но такое в наше время бывает очень редко - схемы питания отлажены годами, транзисторы в принципе неприхотливы.
правда иногда бывает полевые транзисторы пробивает статическим напряжением, в отличие от биполярных
Аноним 16/02/24 Птн 22:22:50 1053065 189
Аноним 17/02/24 Суб 03:53:49 1053072 190
Аноним 17/02/24 Суб 07:03:19 1053075 191
>>1052659 (OP)
А вы когда-нибудь задумывались о парадоксе индетификации гитары?
Вот возьмём мексиканский стратокастер и поставил туда амеркианский нэк. Это же всё ещё Фендер, так? Да. А если мы поставим на китайский Сквайр нек от американского Фендыра, то какой гитарой она будет? Фендер или Сквайр? Ок, ок. Ну, допустим, заменим американские винты Фендыра на китайские. Остаётся ли это гитара американской? Так что определяет американский Фендыр как американский Фендыр?
Думойте.
Аноним 17/02/24 Суб 08:36:41 1053077 192
image.png 45Кб, 605x276
605x276
image.png 121Кб, 818x581
818x581
помогите найти ибанезовскую распайку под это.


нашел самое близкое такое, но это не совсем то. как это видоизменить. я запутался :(
Аноним 17/02/24 Суб 08:48:35 1053078 193
>>1053075
Муриканский Фындыр определяет страна, где он произведен
Даже если его делал китаец, живущий в мурике, он все равно муриканский
Лично мне похуй, где инструмент сделан
Если мне нужен новый инструмент, то я прихожу в магазин и перещупываю все гитары, которые мне нравятся. Проверяю сборку, звучание, удобство и тд
И спустя пару часов я еду домой с покупкой
Аноним 17/02/24 Суб 09:51:28 1053082 194
>>1053075
Это важно только тем, кто гитары все время перепродает. У них там свой отдельный мир, где нужна родословная и оригинальные детали.
Для тех, кто просто играет, вообще похую
Аноним 17/02/24 Суб 10:58:54 1053084 195
>>1053075
Самый парадокс в том, что для обычных инструментов (тех, которые может сделать ремесленник) фабричка это просто попользоваться, пока денег не хватает на заказ личного инструмента, а тут наоборот, какой-то лютый надроч на палки с завода.
Аноним 17/02/24 Суб 11:08:09 1053086 196
>>1053084
двачую. причем не просто палки, а оверпрайс палки, причем которые были сделаны как максимально дешевые весла, чтобы демпинговать цены от существовавших тогда банок с резными узорами, колками из слоновьей кости, французским полишем, кантиками из настоящего перламутра и прочими элитными ништяками из карельской березы...
Аноним 17/02/24 Суб 11:31:41 1053089 197
>>1053084
>пока денег не хватает на заказ личного инструмента
Чем заводская палка отличается от палки, сделанной частником?
Аноним 17/02/24 Суб 11:38:41 1053090 198
>>1053089
наличием твоих хотелок?
Аноним 17/02/24 Суб 11:41:12 1053091 199
>>1053090
Ну бывает и заводская палка уже содержит все твои хотелки. Ну или эти хотелки просто туда добавляются самостоятельно.
Аноним 17/02/24 Суб 11:41:55 1053092 200
>>1053089
Заводские палки режут тупо по размеру по большей части, как оно будет звучать - лотерея, зависит от того, какая деревяха попадёт на распил. Частник может себе позволить настраивать толщину дек, системы ребер жесткости и тд, пока оно не примет нужные акустические характеристики. Нет необходимости страховаться по прочности изделия так сильно. Часто используется французская полировка. На заводах тоже бывают линейки, которые делает конкретный человек (или маленькая группа), с теми же доводками и прочим, но это уже переходит в категорию ремесленников, а не завода на мой взгляд, разве что мощности завода используются для распила и прочей обработки, где возможно.
Аноним 17/02/24 Суб 11:43:50 1053093 201
>>1053091
а бывает не содержит и бывает не добавляются. :/
Аноним 17/02/24 Суб 11:46:39 1053094 202
>>1053092
>как оно будет звучать
Ещё один древесный фанфурье, который верит в "гуд-вуд" эру и слышит резонанирование корпуса
Аноним 17/02/24 Суб 12:32:45 1053095 203
chln.jpg 137Кб, 1016x493
1016x493
>>1053090
А какая такая может быть хотелка?
Форма деки, которой нет ни у кого?
Все уже давно придумано с точки зрения удобства, эргономики и прочего, не надо изобретать квадратное колесо
>>1053092
>как оно будет звучать - лотерея
Пришел в магазин и поиграл на понравившейся гитаре. Звук устроил - купил
В чем проблема?
Аноним 17/02/24 Суб 12:41:28 1053096 204
>>1053095
представим что тебе нужна гитара с одним хамбакером в бридже. насколько сузится твой круг поиска? процентов на 90?

представим что тебе нужна гаитара без ручки тона. на 99 от оставшихся 10.

представим что тебе нужна с мензурой 25,5 и внезапно мы обнаруживаем, что таких гитар просто не существует на рынке.

а ведь я даже не перечилислил каких то особых хотелок, просто мензура, количество датчиков и ручек. и что делать? по твоему ничего делать не надо. сидеть и терпеть
Аноним 17/02/24 Суб 12:44:50 1053097 205
>>1053096
Кастомный пикгард и всё
Аноним 17/02/24 Суб 12:47:15 1053098 206
>>1053097
а если мензура гибсоновая, то что?
Аноним 17/02/24 Суб 12:52:17 1053099 207
>>1053092
Про звук это все чистая эзотерика. Ты чисто самовнушаешь себе, что мастеровый инструмент звучит лучше. по факту во первых это всегда полный рандом, потому что характеристики дерева литерали случайные каждый раз и двух одинаковых кусков не бывает. Во вторых инструменты примерно одинаковой конструкции и из одинаковых материалов- звучать будут не сильно то и по разному. Услышав звук условных 10 деревянных гитар, ты конечно заметишь, что они все немного разные, но какая из них ручной работы, а какая с завода- ты не угадаешь. Более того, если на них сыграть разные мелодии- ты вообще не сможешь назвать на какой что сыграно, даже если на тестовом примере разницу слышал.
Совсем другое дело, когда в гитаре сделаны действительно существенные конструктивные изменения. Банально классика с нейлоновыми струнами или акустика с металлическими- ты их не спутаешь. Ну или вот например взять овэйшн, он на фоне любой обычной акустики всегда будет выделяться, потому что его звук от деревянных инструментов отличается заметно. А например если взять резонаторную гитару- так там вообще драматическая разница с акустикой, ты в любом слепом тесте их отличишь всегда.
Так что не надо хуйней страдать и дрочить на звук, который все равно разобьется о слепые тесты.
Главная суть мастеровых инструментов это возможность инкрустацию со своим именем сделать, профиль грифа под свой вкус (или ширину, в СНГ всякие шизы почему то любят широкие грифы на акустиках, вот для них делают, потому что заводских таких не найдешь) или че нибудь такое. А звук- звук можно и на заводской гитаре не хуже получить
Аноним 17/02/24 Суб 12:55:14 1053101 208
>>1053096
>представим что тебе нужна гитара с одним хамбакером в бридже. насколько сузится твой круг поиска? процентов на 90?
>представим что тебе нужна гаитара без ручки тона. на 99 от оставшихся 10.
>представим что тебе нужна с мензурой 25,5 и внезапно мы обнаруживаем, что таких гитар просто не существует на рынке.
Ты можешь взять литерали любую гитару с мензурой 25,5 и хамбакером в бридже, которых на рынке большинство, и просто отпаять все, что тебе не нужно. Я бы еще понял, если бы тебе там не знаю хамбакер в мидл позиции понадобился или там не заю, сингл между бриджем и стоп баром, чтобы арфу снять. Но сорян, гитара с хамбакером и без ручки тона у тебя получится практически из любой гитары, что есть на рынке.
Аноним 17/02/24 Суб 13:04:02 1053102 209
Аноним 17/02/24 Суб 13:04:51 1053103 210
>>1053102
Держи в курсе главное
Аноним 17/02/24 Суб 13:07:10 1053104 211
>>1053096
>представим что тебе нужна гитара с одним хамбакером в бридже. насколько сузится твой круг поиска? процентов на 90?
Пусть с двумя стоит. Гитара ощутимо тяжелее от этого не станет. Второй звучок тоже может пригодиться на солячках каких-нибудь
>представим что тебе нужна гитара без ручки тона
Да, соглашусь, не особо нужная вещь. Но, если она не мешает игре, то потерплю. Наличие ручек на стоимость гитары не влияет, ибо гитару продают ЦЕЛИКОМ, как готовое изделие и производитель не будет считать каждый винтик, чтобы высчитать ее ИСТИННУЮ себестоимость, он проще накинет сумму за БРЕНД и все винтики и ручки запишет туда
>представим что тебе нужна с мензурой 25,5
Онанизм какой-то. Хороший танцор, которому яйца не мешают, сыграет на любой мензуре. И вообще, мензура для гитары - это мензура для гитары, а не для пианино!
>а ведь я даже не перечилислил каких то особых хотелок
Свистоперделки
>по твоему ничего делать не надо. сидеть и терпеть
Нужно играть, а не думать, что у тебя вдруг появится ТА САМАЯ гитара, с нужной мензурой, со свистоперделками и при помощи которой НАКОНЕЦ-ТО раскроются все твои таланты!
Аноним 17/02/24 Суб 13:19:00 1053106 212
kelly-style3.jpg 832Кб, 2560x1441
2560x1441
>>1053096
>представим что тебе нужна гитара с одним хамбакером в бридже. насколько сузится твой круг поиска? процентов на 90?
>представим что тебе нужна гаитара без ручки тона. на 99 от оставшихся 10.
>представим что тебе нужна с мензурой 25,5 и внезапно мы обнаруживаем, что таких гитар просто не существует на рынке.
Держи. Кстати действительно красиво выглядит, в отличие от отрыжек ESP на которые надрачивает местный шизик
Аноним 17/02/24 Суб 13:19:28 1053107 213
>Хороший танцор, которому яйца не мешают, сыграет на любой мензуре. И вообще, мензура для гитары - это мензура для гитары, а не для пианино!
ну, объективно, 25.5" мензура для взрослых рук идеальна. Леспольная 24.75" хуета детская, где после 12го лада неиграбельно
Аноним 17/02/24 Суб 13:29:49 1053108 214
>>1053107
Вот, никогда не задавался вопросом длины мензуры, уже 20 лет играю и только сейчас взял рулетку и пошел измерять мензуры у гитар. На всех четырех гитарах(в тч акустических) мензура 25,5
В чем редкость такой мензуры заключается - не понимаю
Аноним 17/02/24 Суб 13:39:41 1053109 215
ibanez-s420-wir[...].jpg 73Кб, 960x607
960x607
>>1053077
Вот еще схема
и видео про эту распайку
Аноним 17/02/24 Суб 13:48:10 1053110 216
аноны а вот если представить что у меня ручки дюймовочки,но я хочу взрослый красивый Жипсон ,ну или телекастер. именно в классическом обвесе и стилизации ,но чтобы гриф был как у спорткара шифтуи.выбрать то по сути из нехуя ,только эклипсы и всякие Джимбо рут сигнатуры,за которые просят много денег.выглядят они всрато-для митолиздов
еще бесит что производители кладут хуй на профиль грифа.у одной и той же модели может быть обозначение и Модерн С и 50-60-70 Ю,и просто модерн пахую.типа иди в магаз и пробуй штук 20-30 чтобы что то подошло.
остается только к кулибиным и обращаться.
Аноним 17/02/24 Суб 13:49:39 1053111 217
DNQNP914395-MLB[...].webp 14Кб, 500x500
500x500
>>1053110
Ещё есть Корты, х700, например, красивая шопиздец
Аноним 17/02/24 Суб 14:17:54 1053113 218
>>1053077
Тебе что надо то конкретно?
Аноним 17/02/24 Суб 14:21:56 1053114 219
>>1053111
Пчему они дерево наофф сайте даже не указывают? Обычно так делают когда гитара из каких то опилок спресованных. Эта вроде из ясеня, что само по себе ну такое. (и не надо пиздеть что сракастеры из ясеня делали. Пиндосский болотный ясень намного плонее древесина).
Аноним 17/02/24 Суб 14:34:31 1053115 220
fender-limited-[...].jpg 77Кб, 1600x1600
1600x1600
Гайд по покупке электрогитары в РФ из 2024
Берём за образец Fender Player Stratocaster HSS как нечто образцовое из массмаркета
Amazon, thomannde: $830
Muzicstore.de: $850
ozon.ru: 118000 рублей ($1334 гипотетически)
музторг: 127000 рублей ($1380 гипотетически)
дропшиппер: $1105 (эквивалент ~110487 ещё как курс ляжет)

Если есть visa, то можно Заказать напрямую доставку с muzicstore, то +45 долларов всего выйдет
Если банковской карты нет, то можно прочекать всяких дропшипперов. Я списался с одним и вот мне посчитали:
Вес гитары в упаковке спокойно 8 килограмм, то есть сразу 140 долларов чисто за доставку из США по факту.
Потом за оплату 14%, итого гитара с пересылом выйдет 830+140+136 ~ $1105 в рублёвом-криптовом эквиваленте.
Аноним 17/02/24 Суб 14:36:10 1053117 221
>>1053115
>Если есть visa, то можно Заказать напрямую доставку с muzicstore
Имеешь в виду зарубежного банка карту, или каким-то образом российские подходят?
Аноним 17/02/24 Суб 14:40:09 1053118 222
>>1053115
ну хуй знает, свою LTD у ВСЖ диллера за такую же цену как на thomannde взял
Аноним 17/02/24 Суб 15:10:55 1053124 223
>>1053115
Так у фендеров же официальный договор с Жидторгом был из за которого ты хуй его закажешь в обход
Аноним 17/02/24 Суб 15:23:28 1053129 224
>>1053117
Конечно, зарубежная карта. В России только МИР, это по умолчанию уже
Аноним 17/02/24 Суб 15:24:09 1053130 225
>>1053124
Тот договор был до 2022го, чтобы цена была +- американская. Сейчас всё это серый рынок и ценник на Фендыр 200% от номинальной стоимости
Аноним 17/02/24 Суб 15:25:04 1053131 226
000.JPG 12Кб, 292x463
292x463
>>1053115
Шиз ты серишь опять
Аноним 17/02/24 Суб 15:25:09 1053132 227
>>1053118
Что за дилер? Что у него ещё есть?
Аноним 17/02/24 Суб 15:25:27 1053133 228
Аноним 17/02/24 Суб 15:25:33 1053134 229
>>1053130
Так у них с этим договором цена была жидторговская неебовая
Аноним 17/02/24 Суб 15:26:50 1053135 230
изображение.png 54Кб, 282x554
282x554
Аноним 17/02/24 Суб 15:26:50 1053136 231
>>1053132
еспгитарсру и не дай б-г ты про соли
Аноним 17/02/24 Суб 15:31:54 1053137 232
image.png 265Кб, 1343x676
1343x676
>>1053135
Да допустим. Я и говорю, заказ с musicstore самый выгодный среди всех способов
Аноним 17/02/24 Суб 15:36:54 1053138 233
image.png 241Кб, 1012x582
1012x582
image.png 176Кб, 1565x646
1565x646
image.png 384Кб, 1022x756
1022x756
image.png 485Кб, 1504x818
1504x818
>>1053136
Один хуй на них цены пиздецкие

На ESP нихуя нет в наличии, но вот перешёл по ссылке на cort
Аноним 17/02/24 Суб 15:38:15 1053139 234
image.png 90Кб, 624x520
624x520
ЧСХ, ОБЕ гитары из избранного купили за считанные дни
Аноним 17/02/24 Суб 15:39:20 1053140 235
>>1053137
Смотря сколько с тебя пидорахо курьеры за привоз ее в страну возьмут. При курсе 60р было ультра выгодно. Счас такое себе уж.
Аноним 17/02/24 Суб 15:40:27 1053141 236
>>1053140
60р уже не будет, ожидаю 120р в этом году.
Аноним 17/02/24 Суб 15:42:04 1053142 237
Аноним 17/02/24 Суб 15:45:15 1053143 238
>>1053139
>мексы
>ставят челвоеческое 2 колодочное тремоло
>Та же гитара американской серии
>ебаное 6 болтовое говнище
Я хуею, они совсем там дауны?
Аноним 17/02/24 Суб 15:45:49 1053144 239
image.png 318Кб, 1019x777
1019x777
image.png 244Кб, 1481x690
1481x690
>>1053142
Ну, кстати, НЕКОТОРЫЕ цены нормальные
Аноним 17/02/24 Суб 15:47:19 1053145 240
>>1053141
Напомню что 60 ебануло за некоторое время после того как по 300 обещали
Аноним 17/02/24 Суб 15:47:43 1053146 241
>>1053143
Фендыр гениальные уёбки. Они продают одну и ту же палку вот уже 60 лет. У американцев низшего ранга, действительно, ставят хуйню для того, чтобы вместо performer серии ты брал elite или ещё какая-то хуйня. Они специально делают такие названия (player, vintera, vintera II, player plus - Всё мексы), чтобы потребитель нихуя не понимал что он берёт, в чём отличи
Аноним 17/02/24 Суб 15:48:28 1053147 242
>>1053145
В это время сидел в Бишкек и, блять, не заказал себе ничего. В итоге, купил гитару, когда курс уже был 74. Я с российской карты переводил себе на долларовую, сидя там. За 10 дней привезли палку с Германии.
Аноним 17/02/24 Суб 15:49:09 1053148 243
>>1053144
На музиксторе 1000евро = ровно 100к блей
Аноним 17/02/24 Суб 16:08:11 1053149 244
>>1053146
Так если даже в мексах ставят нормальное тремоло а на американцы даже кастомы это говно которому единственное применение - залочить в момент покупки и забыть. То же с сёдлами. На скваерах литые седла полнотелые, а не то говно которое на фердера ставят кованное. Это реально какой то уровень говноедство. Гибсоны наоборот говносерии гнобят как говно
Аноним 17/02/24 Суб 16:37:57 1053151 245
www.avito.rumos[...].png 197Кб, 1009x416
1009x416
Аноним 17/02/24 Суб 16:39:59 1053152 246
image.png 193Кб, 1453x692
1453x692
image.png 270Кб, 1500x692
1500x692
>$1680
Как перестать ржать с Чипсона?

Тем временем, за эту стоимость Фендыр продаёт полный фарш
Аноним 17/02/24 Суб 16:41:40 1053153 247
>>1053152
>сравнивать мексоговно на уровне шкваеров с гитарами
))
Аноним 17/02/24 Суб 16:44:02 1053154 248
image.png 262Кб, 1460x672
1460x672
image.png 55Кб, 932x588
932x588
>>1053153
Вот тебе чистый американец по цене Чипсона ""начального"" уровня
Аноним 17/02/24 Суб 16:47:09 1053155 249
ебаааать я когда лады шлифовал то сильно испортил накладку там прямо дохуя осталось вмятин от железной штуки которую кладут на лады, я аж сильно расстроился, НО, оказывается можно взять наждак на 1000 и тупо зашкурить сам палисандр нахуй, а потом пройтись железной ватой и вуаля блядь палисандр сука как новый ваще следов нет, ща лимонным маслом сполосну и гриф как новый, охуеть
Аноним 17/02/24 Суб 16:47:26 1053156 250
>>1053154
И что дальше то? О чем ты сказать хотел?
Аноним 17/02/24 Суб 16:47:55 1053157 251
>>1053155
На тонкой накладке хуёво играется
Аноним 17/02/24 Суб 16:49:33 1053158 252
>>1053099
>Ты чисто самовнушаешь себе, что мастеровый инструмент звучит лучше. по факту во первых это всегда полный рандом, потому что характеристики дерева литерали случайные каждый раз и двух одинаковых кусков не бывает.
В заводских инсатрументах частенько хуевая электроника. И если с гитарами выше 100к все конечно получше, то в более дешевых инструментах я обычно из всех покупных гитар выкидывал звучки с термброблоком нахуй, и все ставил сам.
>>1053101
>Ты можешь взять литерали любую гитару с мензурой 25,5 и хамбакером в бридже, которых на рынке большинство, и просто отпаять все, что тебе не нужно.
Ты удивишься, но для многих паяльник- это вещь вроде адронного коллайдера.
Мастеровые гитары как правило сделаны по конкретным хотелками как раз для таких людей.
Аноним 17/02/24 Суб 16:52:38 1053159 253
d0a375de4977e39[...].jpg 87Кб, 409x400
409x400
Валяется вот такая штука. Что можно в нем распаять что бы он перестал быть куском кала? Хочу играть в наушники, или в комп через линейный аля предусилок.
Аноним 17/02/24 Суб 16:54:24 1053160 254
>>1053159
продать за 3к и начать копить на звуковуху.
Аноним 17/02/24 Суб 16:56:20 1053161 255
>>1053159
Сними крышку и сделай дырки д инамике, получишь дисторшн.
Аноним 17/02/24 Суб 17:27:06 1053164 256
>>1053101
и получится некрасивая дырка под струнами и на месте тона, спасибо.
Аноним 17/02/24 Суб 17:34:52 1053165 257
>>1053164
>перекусываешь провода от ручки тона. остается декорация.
Аноним 17/02/24 Суб 17:36:48 1053166 258
image.png 45Кб, 605x276
605x276
image.png 6Кб, 321x192
321x192
image.png 164Кб, 320x320
320x320
>>1053109
спасибо, но это не она (
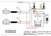
Сравни.
Это картинка с офф сайта ебанеза с вебархива..
Свитч там такой
Аноним 17/02/24 Суб 17:37:55 1053167 259
image.png 164Кб, 320x320
320x320
image.png 45Кб, 605x276
605x276
>>1053113
первая распайка.
2 хамбакера на таком свитче. вернуть гитару в заводской сток.
Аноним 17/02/24 Суб 17:39:07 1053168 260
>>1053166
Так ут ебя на фотке как у него на пикче свич такой же
Аноним 17/02/24 Суб 17:40:32 1053169 261
>>1053168
и? а распайка не та.
Аноним 17/02/24 Суб 17:40:55 1053170 262
>>1053077
на этой картинке райпайки вобще хамбы без разделения катушек и не получилось бы сделать как на картинке. Кароче сам и сделай ты че еблан? Я в душе не ебу распиновку переключателя иначе смог бы помочь
Аноним 17/02/24 Суб 17:42:12 1053171 263
>>1053169
У тебя звучки на 5 проводов или 3?
Аноним 17/02/24 Суб 17:49:24 1053172 264
>>1053171
я не знаю. сужу по нынешней распайке. 4?
оплетка. идет как земля.
и плюс три провода белый+черный+красный на бридже
белый+черный+синий на неке.

наверное все же 5, там наверняка 5 идет вместе с оплеткой, просто я не вижу под термоусадкой, просто я его не вижу, еще не распаивал.

>>1053170
разделение катушек есть.
4 провода из каждого хамбакера торчит. свитч я показал. называется 3PS1SC5

если бы я мог, то наверное я бы тут не спрашивал...
Аноним 17/02/24 Суб 17:55:40 1053173 265
ibanez-5-way-sw[...].jpg 81Кб, 1000x627
1000x627
Аноним 17/02/24 Суб 17:55:51 1053174 266
Жыдторгу, такое ощущение, скоро вообще пиздец. В моём городе сейчас 30 электрогитар продаётся. Ничего дороже Fender Affinity за 60 тысяч рублей нет. И рядом eart за 47к или типо того.

Раньше я приходил и с витрины трогал MiM Встратокастер. Сейчас сплошые Рокдейлы и фариды, ахуй
Аноним 17/02/24 Суб 17:57:12 1053175 267
>>1053160
>продать за 3к и начать копить на звуковуху.
Да все есть. Я думаю мб замутить чето вроде предусилка. Чисто ради спортивного интереса. Ящик то сам красивый.
>>1053161
>Сними крышку и сделай дырки д инамике, получишь дисторшн.
Я динамик вообще отключу нахуй.
Аноним 17/02/24 Суб 17:58:52 1053176 268
>>1053175
Кроме ящика ничего интересного. усиление там маломощный кал из жопы даже не гитарное усиление а обычное звуковое максимум небоьшая имитация гитарного комба.
Аноним 17/02/24 Суб 17:58:54 1053177 269
>>1052659 (OP)
ФУ БЛЯДЬ МЕРЗКИЙ ФИСТАШКОВЫЙ ПИКАРД
Аноним 17/02/24 Суб 18:01:37 1053178 270
>>1053174
>Раньше я приходил и с витрины трогал MiM Встратокастер. Сейчас сплошые Рокдейлы и фариды, ахуй
Потому что дорогие гитары залетные лохи при таких ценах уже не берут. Прошли те времена, когда можно было взять кастом дешевле сотки, или купить гитару за 15к, и она даже была не полным гавном. Дорогие гитары берут только Б\У или на Авито.
Аноним 17/02/24 Суб 18:02:23 1053179 271
>>1053176
>
>Кроме ящика ничего интересного. усиление там маломощный кал из жопы даже не гитарное усиление а обычное звуковое максимум небоьшая имитация гитарного комба.
А если кондеры помощнее поставить, и тд?
Аноним 17/02/24 Суб 18:02:37 1053180 272
>>1053172
У тебя мультиметор есть в наличии?
Аноним 17/02/24 Суб 18:02:56 1053181 273
>>1053164
Ну берешь, и покупаешь гитару, где можно пикгард поменять, а потом покупаешь пикгард, где одна дырка под звучок и одна под ручку громкости.
Я хуй знает, в чем ваши проблемы. Это ведь так просто.
Аноним 17/02/24 Суб 18:03:42 1053182 274
>>1053151
а что не так? наценка за отсутствие потёртостей 30%? Это база для б/у
Аноним 17/02/24 Суб 18:04:59 1053183 275
>>1053179
Там схема говно кала. Причем тут кондеры мань. Можешь поставить комплектуху туда аудиофильскую за 9999999 даларов и не изменится нихуя кроме как ты проебешь 9999999 даларов.
Аноним 17/02/24 Суб 18:16:36 1053185 276
>>1053182
>а что не так? наценка за отсутствие потёртостей 30%? Это база для б/у
БУ еще и разыгран. С нормальным грифом. А как поведет себя музторговское весло- одному богу известно.
Аноним 17/02/24 Суб 18:19:15 1053186 277
>>1053173
по номеру не он.
на деле наверное налог, да.
>>1053180
да
Аноним 17/02/24 Суб 18:19:34 1053187 278
Аноним 17/02/24 Суб 18:22:08 1053188 279
>>1053186
Ты его в газа видел? Такой же 8 контактов в 1 ряд?
Аноним 17/02/24 Суб 18:26:08 1053189 280
>>1053188
сейчас на него смотрю, да
17/02/24 Суб 18:36:00 1053190 281
Народ, дарова, хотелось бы узнать, есть какие нибудь способы запихнуть телекастеровский, нэковый звучек в страт, без покупки нового пикгарда рассверленного под размеры звучка от телека?
Аноним 17/02/24 Суб 18:37:32 1053191 282
17081817414030.jpg 142Кб, 1000x627
1000x627
>>1053189
Во первых врозвони контакты C звонятся или нет и проверь соответствует ли оно схеме с рисунка.
2) он изначально на этой гитаре был и была распайка которую ты показывал?
Там все таки 5 проводов ( 4 + экран)
3 ( 2 + экран)
или 4 (2, 2 скрученых в 1 и экран)
Аноним 17/02/24 Суб 18:38:01 1053192 283
>>1053190
он разве не должен и так войти он же меньше размером?
Аноним 17/02/24 Суб 18:40:10 1053193 284
>>1053192
ну он влазит, но никак не прикрепить
Аноним 17/02/24 Суб 18:42:14 1053194 285
tele-nek-setka.jpg 86Кб, 1500x1000
1500x1000
>>1053193
В те же дырки пикгарда саморезом с пружиной не?
Аноним 17/02/24 Суб 18:44:49 1053195 286
>>1053194
ну да, я пытался так сделать, но он не крепится
Аноним 17/02/24 Суб 18:45:46 1053196 287
>>1053194
вот я и думаю, может есть пластинки с которыми он как родно встанет? не слыхали о таких?
Аноним 17/02/24 Суб 18:48:51 1053197 288
>>1053195
В смысле не крепится то блять? он по размеру крепления как другой любой сингл должен получиться примерно.
Аноним 17/02/24 Суб 18:49:47 1053198 289
>>1053197
неа, нифига, он меньше
Аноним 17/02/24 Суб 18:51:02 1053199 290
>>1053198
сделай хотя бы фотку его отдельно и в пикгарде
Аноним 17/02/24 Суб 18:53:32 1053200 291
>>1053199
бляха, я вот только минут пять назад, ее обратно собрал
Аноним 17/02/24 Суб 18:55:18 1053201 292
>>1053200
Кароче хз тогда. пикгард новый с алика вези
Аноним 17/02/24 Суб 18:57:22 1053202 293
>>1053201
Ладно, спастбо, черт значит с ним, пусть обычный звучек стоит.
Аноним 17/02/24 Суб 19:06:58 1053204 294
изображение.png 241Кб, 1545x650
1545x650
>>1053189
>>1053167
>>1053077
Кароче если на твоем переключатеи выводы 4 и 8 обозначенные буквами С не совмещены то есть не соеденены и не звонятся тогда вот схема. Для звучков у которых 2 отдельных провода, два скручены и экранировка. Вроде как должно сработать
Аноним 17/02/24 Суб 19:07:40 1053205 295
>>1052659 (OP)
Аноны, посоветуйте электрогитарину с тонким и узким грифом, рука и пальцы небольшие и купив для начала акустику я знатно прихуел с того, как трудно зажимать аккорды вроде F
Бюджет как всегда по бомжу, чем дешевле тем лучше но не слишком, в районе 15k
Аноним 17/02/24 Суб 19:13:51 1053206 296
image.png 45Кб, 605x276
605x276
>>1053191
1) так для этого надо все распаять. не распаивая я потыкал, и судя по всему насколько я понимаю, да это он
2) изначально на этой гитаре был пик, сейчас непонятное месиво. работает дальние положения и центральное, если чекать катушки, как и должно быть на пике.
-на положении которое между центром и бриджем - работают 3 катушки, 2 бриджевых и одна нековая, причем не так которая обозначена на пике ( я вообще не понимаю, как это возможно, но это так, я 10 раз перепроверил.)
-на положении которое между центром и неком - работают 2 нековых катушки, но звучат, по другому нежели просто нек положение, видимо параллельно подключены.
3) 3 + (1+экран)
Аноним 17/02/24 Суб 19:16:05 1053207 297
>>1053205
на басу гриф узенький
Аноним 17/02/24 Суб 19:18:45 1053208 298
>>1053205
ну а если серьёзно вон глянь гытары jet, впринципе нот бэд за свои деньги
Аноним 17/02/24 Суб 19:20:27 1053209 299
>>1053205
если еще дешевле то это тебе к ROCKDALE и Rocket
Аноним 17/02/24 Суб 19:22:41 1053210 300
изображение.png 241Кб, 1545x650
1545x650
>>1053206
>на положении которое между центром и неком - работают 2 нековых катушки, но звучат, по другому нежели просто нек
Там они в паралели значит были а не как на твоей картинке. У тебя оно собрано или разобрано счас я не понял нихуя. Поучается у тебя типо пикрелейтеда счас.
По проводам можешь лучше сфоткать я нихуя не понял в итоге
Аноним 17/02/24 Суб 19:23:49 1053211 301
>>1053205
типо ведь всё еще зависит от твоей акустики, если твоя "акустика" была классикой(на ней нейлоновые струн или же по другому - леска) то тебе скорее всего любой гриф будет казаться маленьким и узеньким
Аноним 17/02/24 Суб 19:24:06 1053212 302
>>1053208
Жеты надо было брать пока 15к стоили. Счас кусает цена. Да и для соляков не подходят. Типичные прблемы копрострата в виде 70% волчащих нот на перегрузе.
Аноним 17/02/24 Суб 19:25:29 1053213 303
>>1053212
я кстати успел, но чет не обращал внимания что уже цена взлетела. это они тип захайпили и решили цены поднять?
Аноним 17/02/24 Суб 19:26:15 1053214 304
>>1053213
я в черную пятницу брал. Видимо тогда пытались просто сбагрить как могли.
Аноним 17/02/24 Суб 19:26:51 1053215 305
>>1053213
И мой если разбирать то внутри каким то майонезом ебучим пахнет так что не вывести. Снаружи норм.
Аноним 17/02/24 Суб 19:27:47 1053216 306
>>1053214
а мне в честь др за дешево продали
Аноним 17/02/24 Суб 19:29:30 1053217 307
rg7620coils.jpg 21Кб, 470x158
470x158
Аноним 17/02/24 Суб 19:29:46 1053218 308
>>1053215
а у меня кароче внутри трындец какой-то, тоесть там видимо делали углубления, опилки засосали, но не все, и прям поверх них покрасить решили
Аноним 17/02/24 Суб 19:30:28 1053219 309
>>1053218
Это классика. Лень было наждаком пройтись пару раз. Пиздец
Аноним 17/02/24 Суб 19:32:02 1053220 310
>>1053219
а, я то думал мне просто не повезло, а у них это тип в норме вещей?
Аноним 17/02/24 Суб 19:34:10 1053221 311
>>1053220
У меня в какой то из гитар китая были даже не опилки а рваные мелкие куски из за того что хуево отверстия высверлили и эту мошню вместо того чтоб вырезать и вышлефовать вместе с ней закрасили к хуям. А так же у меня бас из какого то говна. а сверху не текстура дерева а просто наклейка ебаная.
Аноним 17/02/24 Суб 19:36:09 1053222 312
image.png 226Кб, 1537x685
1537x685
>>1053217
>>1053204
вот я нарисовал как у меня сейчас.
бридж ровно так подключен как ты нарисовал.
а нек иначе. плюс там еще перемычка на свитче есть.
Аноним 17/02/24 Суб 19:36:21 1053223 313
>>1053221
ну если такие гитары роботы делают, то тогда это всё объясняет, а если так еще не умеют, то тогда есть вопросы
Аноним 17/02/24 Суб 19:40:25 1053224 314
image.png 45Кб, 605x276
605x276
>>1053217
я в 78 наверное раз повторяю, что вот моя стоковая картинка, как оно работало из коробки. с оффициального сайта ибанеза, выкаченная с вебархива

без вебархива - вот пример идентичной распайки https://ibanez.fandom.com/wiki/GRG07LTD1
Аноним 17/02/24 Суб 19:57:36 1053225 315
>>1053222
>>1053224
Попробуй как я нарисовал тебе сделать. должно по сути работать
Хотя я так и не понял у тебя звучки в плане проводов оба как ты подрисовал 4 проводка из которых 2 скручены в один и 1 земля?
Аноним 17/02/24 Суб 20:02:13 1053226 316
>>1053205
На тонких грифах неудобно баррэ зажимать. Вернее, больно физически долго играть. Короче, надо покупать новую гитару со стандартным грифом
Аноним 17/02/24 Суб 20:12:05 1053228 317
>>1053225
>>1053224
Хотя нет я проебался с 4 положением где 2 сингла
Аноним 17/02/24 Суб 20:13:10 1053229 318
Аноним 17/02/24 Суб 20:17:30 1053230 319
>>1053229
Счас посижу подумаю кароче. завтра прочти тред. мб че придумаю с этой хуйней
Аноним 17/02/24 Суб 20:48:42 1053231 320
>>1053230
видимо у меня сейчас распаено по этой из этого поста. >>1053109

что-то где-то на что то пробивает и поэтому немножко странное происходит с промежуточными положениями.

но хотелось бы в сток.
Аноним 17/02/24 Суб 20:53:15 1053232 321
>>1053231
Я кажись пони как сделать. Счас перерисую отправлю.
Аноним 17/02/24 Суб 21:11:25 1053235 322
Распайка для еб[...].jpg 1233Кб, 2864x6960
2864x6960
>>1053231
>>1053231
>>1053229
>>1053224
Вот держи эту хуету. Вроде все правильно. Ставлю 10 волосков с жопы что на 4 позиции где 2 сингла будет фонить как шлюха
Аноним 17/02/24 Суб 21:12:34 1053236 323
>>1053231
>>1053231
>>1053229
>>1053224
Не проеби провода который входной провод датчика, 2 скрученых и выходной провод. В рисунке я расцветку на похуй рисовал не знаю как на самом деле там у тебя
Аноним 17/02/24 Суб 21:53:05 1053242 324
>>1053211
> если твоя "акустика" была классикой
нет, cort af510am - Ширина грифа у верхнего порожка: 43мм, я хоть и редко играю и можно было спихнуть это на новичок момент, но все равно не удобно, пальцы слишком маленькие.
>>1053209
учёл обработал, есть ли разница вообще в дороговизне электрогитарок если не в качестве сборки?
Аноним 17/02/24 Суб 22:11:24 1053244 325
>>1053242
>если не в качестве сборки
в этом точно нет. гибсоны по сборке хуже чем индонезийцы или японцы.
бери любую, как написано в шапке. если нет задачи дрочить на бренд.
Аноним 17/02/24 Суб 22:17:43 1053245 326
Так как ерни бол и дадарио теперь все фейки из китая даже за косарь, то советую покуптаь струны мозерЪ, блядь эта хуета я ебал их в рот и гриву, просто че только не делал, и растягивал, и ослаблял 3 раза пока чистил гриф и натягивал обратно случайно сверх меры, и бенды делал неебовые и даже масло лимонное на них попало, им ваще похуй, (для справки я как-то ослабил струны ерни бол чтобы почистить гриф, а когда обратно натягивал 2 порвались не дойдя до стандартного строя даже) а стоят всего 500-600 р. в зависимости от состава. Так что берите смело это говно
Аноним 17/02/24 Суб 22:30:25 1053248 327
Существует ли способ убрать царапины с пикгарда и с самой деревяшки? А то я на свету посмотрел ох ебт там просто не то что царапины там ваще живого места нет.
Аноним 17/02/24 Суб 22:33:43 1053249 328
>>1053245
>я как-то ослабил струны ерни бол чтобы почистить гриф, а когда обратно натягивал 2 порвались не дойдя до стандартного строя даже
Бляяя не поверишь братиш, именно с этими струнами вчера так же порвалась вторая.
Аноним 17/02/24 Суб 22:42:17 1053250 329
>>1053249
У меня так же рвались перегибались ернибалы. Которые с завода шли на джет 8 раз переставляю и им похуй. Странно
Аноним 18/02/24 Вск 03:43:48 1053267 330
>>1053248
Пастагоием можешь попробовать
Аноним 18/02/24 Вск 03:47:07 1053269 331
Аноним 18/02/24 Вск 06:46:59 1053271 332
>>1053245
Советую найти человечка, который возит заказы с Германии. Выходит та же тысяча за пачку, только 100% оригинал
Аноним 18/02/24 Вск 06:47:32 1053272 333
>>1053248
Пикгард нужен для того, чтобы царапины оставлять. Нет царапин только на Лесполах, потому их вещают на стену и не играют.
Аноним 18/02/24 Вск 08:21:15 1053273 334
>>1053272
Я играю на двумях лесполах
Аноним 18/02/24 Вск 09:16:40 1053276 335
>>1053272
Леспол- самая удобная форма гитары
Аноним 18/02/24 Вск 10:18:25 1053282 336
>>1053272
Двачую
Знаю одного деда, купил леспол, 130 тыщ отдал и за кофр 20
Зато теперь есть леспол
Пылинки с него сдувает. Музейный экспонат
>>1053276
Поиграл я на лесполе деда. Гитара, как гитара. Не очень удобная в плане игры на высоких нотах, пятка толстая
Гитара блюзарей, выше 12 лада не играющих
Самый главный фетиш - это ВЛАДЕНИЕ гитарой. Инвестиция эдакая. Гитара-легенда
Аноним 18/02/24 Вск 10:26:36 1053283 337
>>1053248
Не надо убирать царапины
Если есть царапины - значит инструмент ПРИИГРАННЫЙ
Значит, инструменту раскрыли душу(если, конечно, на нем профи играл, а не даун)
Аноним 18/02/24 Вск 11:17:06 1053285 338
>>1053272
Да на царапины от медиатора мне пох, там просто куча царапин от напильника когда я подпиливал его чтобы влез на мою палку и напильник соскакивал и царапал, типа так не видно, но если свет по прямой попадает то прямо жесткие царапины
Аноним 18/02/24 Вск 11:18:23 1053286 339
>>1053267
Да чет эта паста говно, я купил чтобы лады отполировать до блеска, натирал натирал нихуя все равно мутные так и остались, хуйня эта паста. Пробовал разными тканями результата ноль.
Аноним 18/02/24 Вск 11:19:54 1053287 340
>>1053276
Форма да но блядь меня бесит расцветка выебистая, все эти окантовки белые и прочая залупа, едиственный лес пол норм это епифон спешл или гибсон джуниор на которых нет этих белых полос на грифе и корпсе и точки на грифе вместо ебатни этой блестящей плоской огромной
Аноним 18/02/24 Вск 11:26:05 1053288 341
>>1053283
>Если есть царапины - значит инструмент ПРИИГРАННЫЙ
Значит тот кто на нем играл просто быдло, я с рук брал у какого-то музыканта он на концертах играл там пиздец такое впечатление что он просто бросал палку после игры в угол и все, там все побитое нахуй ржавое, я дохуя чего заменил, хорошо хоть в ДСс этим проблем нет можно купить любые болтики винтики в струнках, пикгард ваще был просто погрызанный словно его кто-то зхзубами грыз и рвал, тоже заменил, в общем можно сказать вернул к жизни гитару. но вот корпус конечно в жалком состоянии все просто коцанное наглухо
Аноним 18/02/24 Вск 11:30:33 1053289 342
>>1053286
Не умеешь значит. У меня в армии благодаря пасте гои бляха сверкала как у кота яйца. Да и крышки у датчиков пидорю ей когда мутнеют
Аноним 18/02/24 Вск 11:30:58 1053290 343
>>1053285
Лол
Взял бы православный обойный нож и вырезал, что нужно
Допиливать напильником - это крайняя мера, но и к ней нужно прибегать с умом
Аноним 18/02/24 Вск 11:31:32 1053291 344
>>1053288
>вернул к жизни гитару
зря.может через 30 лет это была бы винтажная гитара нового кобейна,а ты не понел
Аноним 18/02/24 Вск 11:39:38 1053292 345
>>1053288
Дружище...
У меня есть Russtone редкой VM-серии, купленный в 95-ом году. Он поцарапанный в хлам, десятки концертов и сотни репетиций перенес, а до сих пор играет и я на нем играю и пишусь
Он не утратил своих функций, что доставляет мне массу удовольствий и дроча
Если твой инструмент реально бит, то это плохо.
>ржавое
А это совсем плохо. Гитара, валявшаяся в гараже
Аноним 18/02/24 Вск 11:45:56 1053293 346
>>1053290
Ну там было пару мм всего надо было срезать для грифа, я вроде аккуратно делал но руки из жопы и все равно он иногда слетал.
Аноним 18/02/24 Вск 11:48:49 1053294 347
>>1053293
>но руки из жопы
Сочувствую, понимаю
Но, руки у меня не из жопы
Аноним 18/02/24 Вск 11:50:07 1053295 348
Аноним 18/02/24 Вск 12:06:37 1053296 349
>>1053295
слушатели не вырезают за автора, это автор представляет материал именно так, каким он должен быть, на то он и автор
Аноним 18/02/24 Вск 12:07:39 1053297 350
>>1053296
Автору не всегда просто оценить со стороны, поэтому работают в паре или группе.
Аноним 18/02/24 Вск 12:13:43 1053298 351
Стикер 570Кб, 169x192
169x192
>>1053297
это называется перекладывание ответственности )
Аноним 18/02/24 Вск 12:17:26 1053299 352
>>1053271
посоветуешь может как найти не пидорахена который +30% за доставку откусит, или который туда не раз в 2 года шляется?
Аноним 18/02/24 Вск 12:18:01 1053300 353
>>1053287
Так возьми СТУДИО шизойд ёбаный.
Аноним 18/02/24 Вск 12:38:02 1053303 354
s-l1600.jpg 127Кб, 933x1400
933x1400
s-l1600.jpg 130Кб, 1400x933
1400x933
ylknfnuq78rs1na[...].webp 166Кб, 620x620
620x620
>>1053287
>бесит расцветка выебистая, все эти окантовки белые и прочая залупа
Хуясе больной. От пикрилов наверное вообще в припадке откинешься?
Аноним 18/02/24 Вск 13:03:25 1053304 355
R115842-9235001[...].png 221Кб, 1700x555
1700x555
strat-tips-work[...].jpg 282Кб, 1399x1050
1399x1050
>>1053303
Ну это совсем для конченых говноедов, я вообще расцветку кроме санберс и просто красной классической не воспринимаю
Аноним 18/02/24 Вск 13:23:32 1053307 356
>>1053304
>ТО ЧТО МНЕ НЕ НРАВИТСЯ ТО ДЛЯ ГОВНОЕДОВ
Славка ты опять таблетки не выпил?
Аноним 18/02/24 Вск 14:20:03 1053313 357
image 336Кб, 2904x1944
2904x1944
image 1202Кб, 1920x1280
1920x1280
>>1053304
Типичные "бёрст" Лес Полы выглядят плохо, но твои пикчи - примерно тот же уровень, просто Фендер Эдишн.
Аноним 18/02/24 Вск 14:24:28 1053314 358
>>1053313
Берст все выглядят как говно потому что оно и есть говно
Аноним 18/02/24 Вск 14:27:27 1053316 359
>>1053299
Начинай с Авито. Не могу прямую ссылку дать, но там есть один челебас, ищи. рейтинг у него пиздатый и отзывы реальные
Аноним 18/02/24 Вск 14:29:28 1053317 360
image.png 782Кб, 1000x653
1000x653
image.png 216Кб, 419x474
419x474
image.png 329Кб, 936x580
936x580
image.png 173Кб, 525x372
525x372
>>1052659 (OP)
Напоминаю самые ЛУЧШИЕ гитарные цвета:
Аноним 18/02/24 Вск 14:32:58 1053319 361
>>1053317
Кому бы упёрлись твои напоминания, тогда как сколько людей столько вкусов.
Аноним 18/02/24 Вск 14:48:36 1053323 362
>>1053178
Ну я бы сейчас крамера тыщ за 60 взял, а за 120 нахуй надо, обойдусь.
Аноним 18/02/24 Вск 17:06:53 1053333 363
>>1052659 (OP)
А скока джет ща стоит? Тыщ 100 уже лол? Помню хотел купить когда они стоили по 9-10к, потом уже сморю стоят 15, потом 20, потом 25 блядь. Дальше уже забил хуй следить.
Аноним 18/02/24 Вск 17:09:01 1053334 364
>>1053304
Мля ну даже вот фендер казалось бы, ФЕНДЕР и видите струны криво идут над звукоснимателями, не ровно посередине как должно быть, а звукосниматели как бы плавают один ниже другой выше. Пиздец нигде нет перфекционизма, весь мир говно.
Аноним 18/02/24 Вск 17:12:06 1053336 365
>>1053334
>смотреть фотку ракурса сбоку говорить про ровность струн над звучками.
>звукосниматели как бы плавают один ниже другой выше
Ты ебанутый?
Аноним 18/02/24 Вск 17:18:20 1053337 366
korg-ax-100g.jpg 72Кб, 920x521
920x521
>>1052659 (OP)
Кто нибудь знает какая примерно частота дискретизации была в гитарных процессорах конца 90-х начала 2000-х? До 44100 дотягивали? И какая битность была?
Конкретно интересует Korg AX100G. Но если, допустим, вы точно знаете характеристики какого нибудь дешевого "Зума", то тоже буду рад услышать (Корг должен быть как минимум не хуже Зума)
Хочу использовать его как грелку для ламп, чтобы на выходе звук был более аналоговым. Соответственно частота дискретизации нужна чтобы понять на какой частоте резать верха, чтобы минимизировать цифровые искажения.
Аноним 18/02/24 Вск 17:20:58 1053339 367
>>1053337
Гавно ебаное, а не процессор.
Аноним 18/02/24 Вск 17:22:53 1053340 368
>>1053337
Купи грелку додстер
Аноним 18/02/24 Вск 17:30:48 1053342 369
>>1053339
>Гавно ебаное, а не процессор.
Ну не скажи. 20 лет назад многие надрачивали на него. Мне нравится режим US Hi-Gain - несмотря на шум в районе 5 килогерц очень неплохо звучит в чистый канал комбика. Я в этом режиме сочинял риффы продуктивнее всего (в отличие от тубскримера воткнутого в тот же комбик и иже с ним)

>>1053340
>Купи грелку додстер
денег пока нет. тем более тут не просто грелка получается, а разные типы перегрузов, из-за этого и хочу использовать проц.
Буду экспериментировать в поисках звука для демок. всё остальное аналоговое - лампа (самодельная), комбо для усиления (с труъ гитарным динамиком), динамический микрофон, и электретный капсюль для подзвучки комнаты.
Аноним 18/02/24 Вск 17:40:33 1053343 370
>>1053340
>додстер
это DOD 250 который? если да, то это будет запасным вариантов. Но вообще тубскример пизже - у него волна ограничесния круглее лол. Тот же дод можно переделать в скример, тупо перепаяв диоды с одного места на другое (если не париться о тос что Операционник не классический, и нет буферов на входе и выходе)
Аноним 18/02/24 Вск 19:17:44 1053345 371
>>1053342
>разные типы перегрузов
>на ебаном говне за 100 рублей
>для бустинга сигнала
Понимаю
Аноним 18/02/24 Вск 19:18:30 1053346 372
>>1053343
Его можно вообще спаять на тл062\072 в коробке от мобильника
Аноним 18/02/24 Вск 20:01:10 1053347 373
Дж дж дж!.mp4 31444Кб, 1204x720, 00:04:16
1204x720
Как наваливает а?!
Аноним 18/02/24 Вск 21:47:30 1053351 374
>>1053347
да ну, трек для зиро-хиро
Аноним 18/02/24 Вск 21:57:11 1053352 375
подскажите какой гитарный комбик лучше взять до 6 к
Аноним 18/02/24 Вск 22:01:59 1053353 376
>>1053352
Меса буги ректифаер 2
Аноним 18/02/24 Вск 22:08:06 1053354 377
>>1053353
дешево слишком, китайщина какая-то
Аноним 19/02/24 Пнд 02:44:31 1053374 378
Могу.png 651Кб, 497x561
497x561
Ещё одно доказательство что гитара универсальный инструмент который способен уносить и обволакивать.

https://vocaroo.com/1hZXOdLEzx9c
Аноним 19/02/24 Пнд 08:57:11 1053393 379
image.png 249Кб, 402x348
402x348
У этих инфоцыган в лексиконе есть слова кроме слова легенда?
Просто заебали блядь всякое говно легендами называть. Каждая первая гитара - легенда.
Аноним 19/02/24 Пнд 09:22:18 1053394 380
>>1053393
Перефразирую:
"мемчик)))))"
Аноним 19/02/24 Пнд 10:00:23 1053397 381
>>1053282
Да леспол и дешманский может быть. Вон Олейник вообще на зомби играет и ниче.
Для меня на лесполе самая удобная форма и органы управления. Ничего не мешается, все крутилки далеко, баланс хороший, удобно в руках лежит, мензура короткая. Да, на классическом варианте пятка мешает доступу к высоким ладам, но есть модели, где пятка скошена и там никаких проблем.
>>1053287
А мне нравится волнистый клен на топе и окантовки, заебись выглядит, и маркеры на ладах большие тоже круто. Точки это слишком скучно.
Аноним 19/02/24 Пнд 10:03:33 1053398 382
image.png 437Кб, 675x1200
675x1200
>>1053317
Лучшая расцветка это черри санберст
Аноним 19/02/24 Пнд 10:04:22 1053399 383
>>1053398
Это только для анимешников гитара.
Аноним 19/02/24 Пнд 10:14:00 1053400 384
>>1053399
На ней почти вся классика рока сыграна
Аноним 19/02/24 Пнд 10:27:54 1053401 385
>>1053400
Рок играют на стратокастере, сынок. На Лес поле играют дрочилы пентатоники.
Аноним 19/02/24 Пнд 10:49:21 1053404 386
IMG202303021105[...].jpg 1717Кб, 1140x2023
1140x2023
358091188.jpg 1056Кб, 1536x2048
1536x2048
IMG202309190943[...].JPG 1459Кб, 1429x2023
1429x2023
16762688277070.jpg 745Кб, 813x1444
813x1444
>>1053398
Двачую, мне всегда нравилась такая форма как женщина. Только моя гитара в чёрном платье.

Утренний стояк на неё, берёшь и трунькаешь.

https://vocaroo.com/18IznaZssuhl

Меня тут научили кое чему, уже 4й день с гитарой знакомлюсь по новому. Но сердоболить не стану, когда придёт время расскажу.
Бля, как же хочется звучки от фишманов с отсечками на пассивные и активные... Но я такой жлоб что скорее куплю новую педаль.
Аноним 19/02/24 Пнд 11:58:31 1053407 387
>>1053401
>дрочилы пентатоники
как будто это что то плохое
Аноним 19/02/24 Пнд 12:00:47 1053408 388
>>1053399
Как будто что-то плохое
Аноним 19/02/24 Пнд 12:07:39 1053409 389
>>1053404
Ты когда себе баритон купишь?
Твой шестиструн слишком высокий для такой музыки.
Аноним 19/02/24 Пнд 12:44:22 1053412 390
>>1053409
А для твоей музыки какая мензура больше подходит?
Аноним 19/02/24 Пнд 12:45:34 1053413 391
26.jpg 485Кб, 1024x1024
1024x1024
>>1053409
Мне не нравится играть на баритоне, а строй который есть сейчас полностью подходит для того что я играю. Все блэкари второй волны играли на обычных шестиструнах но с пониженным строем и звук был и есть ацкий. И что мешает поставить вначале цепочки ПитчШифтер?
Если же вторая гитара с более пониженным строем ещё и толстыми струнами, короче гитары я покупать уже точно не собираюсь, ну только если кто-то Джексон продавать будет. А так либо педаль модуляции куплю либо модуль новый. Или нихрена не куплю и буду откладывать на то что вдруг может появиться из электроники.
Аноним 19/02/24 Пнд 12:50:06 1053414 392
>>1053413
>И что мешает поставить вначале цепочки ПитчШифтер?
Задержка
Аноним 19/02/24 Пнд 12:50:30 1053415 393
>>1053409
Блэк митол в основном в стандартном строе игрался и играется.
Баритоны - это для всяких блэкенед прогрессив дэскоров.
https://www.youtube.com/watch?v=SDh7_5lW0IM
Аноним 19/02/24 Пнд 12:56:08 1053416 394
>>1053413
>ПитчШифтер
На хеликсе точно не звучит. да и ощущения от медиатора не те
Аноним 19/02/24 Пнд 14:11:53 1053418 395
>>1053415
я и мои любимые говнарики предпочитают в Рэ играть
Аноним 19/02/24 Пнд 14:35:01 1053421 396
Стикер 0Кб, 512x512
512x512
>>1053415
Охуенный трек, круто сыграно и особенно когда у него эффектом прёт реверс риал тайм он после него продолжает рубилово.
Мне нравится слушать подобное но играть такой звук мне не по душе.
И вообще я хочу лечь и смотреть Аниме какое нибудь клёвое, нихуя делать не хочу, ебись всё конём.
19/02/24 Пнд 17:22:41 1053424 397
>>1053397
>ставить хлеба скуфейникова в пример
Лол
19/02/24 Пнд 17:23:06 1053426 398
>>1053401
>>1053399
Хуя опять славик таблетки не пьёт. Не даун ли
Аноним 19/02/24 Пнд 17:29:04 1053427 399
Кек, впервые за год вылетел guitar pro 7
Интересно, лучше ли звучат инструменты в GP8?..
19/02/24 Пнд 17:33:59 1053428 400
>>1053427
А нахуя тебе этот шлак если можно в нормальные эмули типо THU играц?
Аноним 19/02/24 Пнд 17:36:22 1053429 401
Аноним 19/02/24 Пнд 17:38:45 1053430 402
Аноним 19/02/24 Пнд 17:42:15 1053431 403
Bogren IRDX.png 2648Кб, 1920x1038
1920x1038
Laney IRDX.png 2493Кб, 1908x1036
1908x1036
Modern.png 2513Кб, 1912x1040
1912x1040
12.jpg 1274Кб, 1918x1040
1918x1040
И чем TH-U лучше Neural DSP или STL Tonality которые взломаны в лучшем виде.
Почему циклитесь на чём-то одном? Ведь это всё разные вариации звука + модуляции разные в каждом.
Аноним 19/02/24 Пнд 17:47:59 1053432 404
>>1053430
Объясни мне, каким образом ты программу для записи табулатур собрался заменять VST плагином, эмулирующим усилки и эффекты?
Ты че ебанутый?
Аноним 19/02/24 Пнд 17:48:09 1053433 405
>>1053431
А кто сказал что лучше? почти все перечисленное лучше ебаного тонлиба который оказался наебаловом
Аноним 19/02/24 Пнд 17:48:43 1053434 406
>>1053432
Ну нельзя с гитарригом перепутать теперь, насри еще 100 постов
Аноним 19/02/24 Пнд 17:49:48 1053435 407
>>1053434
Другим можно, тебе нельзя
Аноним 19/02/24 Пнд 17:54:17 1053437 408
Аноним 19/02/24 Пнд 18:02:38 1053440 409
>>1053428
Guitar Pro 7 это табулатура. Раньше в каждом доме стояла эта программа.
Аноним 19/02/24 Пнд 18:03:40 1053441 410
>>1053431
THU банально лучше звуком перегруза. Не мылит как твоя нейрохуйня, а есть живая динамика
Аноним 19/02/24 Пнд 18:11:06 1053443 411
>>1053440
Пиздец. Раньше же она стояла чтоб маленький дрочер мог учить песенки по табам без инторнета
Аноним 19/02/24 Пнд 18:14:33 1053444 412
13.png 3039Кб, 1916x1040
1916x1040
>>1053441
Пересушили твой TH-U после всего мной перечисленного + дополнительные импульсы я не пожалел место на харде под TH-U.

TH-U - Норм, но не стоит в сравнении с другими, уступает.
Аноним 19/02/24 Пнд 18:16:11 1053446 413
>>1053444
Просто на твоём пикриле я не могу нарулить ТОТ звук, что мне нужен. А на THU буквально пару минут и готово
Аноним 19/02/24 Пнд 18:23:52 1053447 414
>>1053446
Запиши на зацен че ты тама нарулил
Аноним 19/02/24 Пнд 18:27:49 1053449 415
>>1053446
Кстати тебе хороший вопрос задали, скин минуту послушать что там за звук, можешь доказать что перегруз ваще вышка и записать на зацен три вариации. Очень интересно.
Аноним 19/02/24 Пнд 18:54:57 1053450 416
>>1053449
>можешь доказать
Ничего доказывать не буду, однохуйственно звучит на порядок хуже аппаратного helix'а, но намного лучше нейросральной дрисни. Завтра запишу, сегодня уже всё.
Аноним 19/02/24 Пнд 18:58:39 1053452 417
>>1053450
Только если такое дело то запиши свой отрывок таким образом что-бы была минута, просто минута с твоим дисторшеном но отдельно залей DI сигнал гитары, я тоже пропущу твою гитару только через "нейросральной дрисни". Послушаем всем тредом разницу, только нихуя ты не запишешь.
Аноним 19/02/24 Пнд 20:22:02 1053457 418
rim.JPG 47Кб, 590x390
590x390
>>1053431
зачем это вот все-.пикрил их всех ебет не вынимая.
Аноним 20/02/24 Втр 09:38:43 1053482 419
Пиздец, только сейчас заметил, что у меня на Всратокастере гриф криво установлен. Расстояние между грифом и струны меньше на 6й струне, почти нет. А на 1й струне там прилично. То есть голова грифа в пол смотрит.
Аноним 20/02/24 Втр 09:49:38 1053483 420
image.png 487Кб, 1280x1280
1280x1280
>>1053482
Вот так. Это потому что настоящее японское качество, эра хорошего дерева, качественные комплектующие.
Аноним 20/02/24 Втр 10:10:48 1053485 421
Купил эпифон, поиграл немного на заводских струнах, но они тонкие пиздец. Купил 11/50. Можно их просто самому поменять, или надо к мастеру нести, чтобы он порожек подшаманил?

И раз уж тред акустики сдох нахуй, спрошу здесь. Есть одна ямаха, ей года три уже. Недавно поменял струны. Всегда ставил 12/54 от одной фирмы, тут то же самое, и раньше всё было нормально, но сейчас, после замены, три верхних струны дребезжат на 1-3 ладах. Покрутил бы анкер, но не даёт покоя вопрос. А что случилось то блять? Калибр тот же, позавчера на старых струнах было всё нормально
Аноним 20/02/24 Втр 10:12:06 1053486 422
>>1053485
Да, неси. Кроме калибра струн на акустике есть материал и сила натяжения
Аноним 20/02/24 Втр 10:18:12 1053488 423
>>1053486
Сколько это примерно стоить будет? Тысячи две-три?

Материал тот же, струны идентичные прошлым, строй стандартный. Может гриф повело, я не знаю. Замерю высоту, когда вернусь. Других вариантов нет. С порожком всё нормально было, когда струны менял
Аноним 20/02/24 Втр 10:22:27 1053489 424
>>1053488
Это сильно зависит от мастера. нужно узнавать. Но две-три тысячи запросто. И да, гриф сильно ведёт от влажности. Поэтому я себе хочу печённый клён. И только Шектор норм продаёт
Аноним 20/02/24 Втр 10:26:39 1053490 425
Аноним 20/02/24 Втр 10:31:44 1053491 426
>>1053490
Воняет палью с аликпресса
Аноним 20/02/24 Втр 12:55:29 1053497 427
>>1053490
норм так накатал маляву.для прожженного мамонта
>яркий, озорной, но в тоже время приятный и не колючий на верхах тембр
у меня такой же звук.но на JET
Аноним 20/02/24 Втр 13:09:00 1053498 428
1708423680854.jpg 2563Кб, 3058x3401
3058x3401
Так блять. Хотел замерить высоту струн, и увидел это. На фотке не очень хорошо видно, но первые два лада съехали вниз. Т.е. они теперь не впритык к концу грифа. Это может быть причиной дребезга? В домашних условиях пофиксить реально?
Аноним 20/02/24 Втр 13:11:16 1053499 429
>>1053498
Молодец, анон, играешь и занимаешься активно.
Лады дома можно шлифануть, но заебёшься так или иначе. Замена ладовой проволки - типовая работа у гитарного мастера. Выйдет в тысяч 5
Аноним 20/02/24 Втр 13:24:18 1053501 430
>>1053498
>первые два лада съехали вниз. Т.е. они теперь не впритык к концу грифа.
че блет ? переведите на русский кто-нибудь
Аноним 20/02/24 Втр 13:24:44 1053502 431
Аноним 20/02/24 Втр 13:37:42 1053503 432
>>1053502
То, что стёртые понятно, из за этого и дребезг потому что износ просто пиздец, а что значит, что они не впритык к концу грифа?
Аноним 20/02/24 Втр 13:39:57 1053504 433
>>1053503
Человек путается в терминалогии, это не так важно, если проблема сразу видно на фото
Аноним 20/02/24 Втр 13:41:58 1053505 434
Бля заметил что иногда при игре на левой руке часть кисти между указательным и большим пальцами сводит. Особенно если баррэ беру. Неужели это конец? Может быть дело в посадке хуевой/высоте струн?
Аноним 20/02/24 Втр 14:02:06 1053508 435
>>1052659 (OP)
Как сделать так чтоб меня не било током, когда я играю на гитаре? Пиздец как неприятно. Можно конечно коврик резиновый под ноги положить, но может быть есть какой-то другой способ?
Аноним 20/02/24 Втр 14:03:26 1053509 436
>>1053505
>Особенно если баррэ беру. Неужели это конец?
Так не бери его, нахуй оно тебе надо? Ебашь септы.
Аноним 20/02/24 Втр 14:23:23 1053510 437
>>1053505
Струны туговаты/профиль грифа не подходит. У меня тоже вот от игры на акустическом крафтере тоже как то левая рука устает, потому что там профиль какой то странный. На остальных гитарах часами играю, ничего такого.
Аноним 20/02/24 Втр 14:27:55 1053511 438
>>1053510
Ну вообще у меня сракокастер обычный, всем же норм. Ладонь у меня достаточно крупная.

>>1053509
Да бывает и без баррэ такое происходит. Но на нем просто быстрее рука напрягается и устаёт.
Аноним 20/02/24 Втр 15:53:35 1053518 439
>>1053508
скачала выясни что тебя бьет.
комбик\комплюктер
шнур
или сама гитара.
Аноним 20/02/24 Втр 15:56:29 1053519 440
Аноним 20/02/24 Втр 15:59:18 1053520 441
Аноним 20/02/24 Втр 16:20:26 1053522 442
>>1053509
Нихуя себе, так это что получается септов с баре не бывает?
Аноним 20/02/24 Втр 16:23:06 1053523 443
>>1053519
> Мой первый
>На канале тысяча+ видео, чел чуть ли не каждый час новый "кавер" выкладывает
лолд
Аноним 20/02/24 Втр 16:47:31 1053526 444
>>1053522
Ну почему же, бывает, но там обычно не надо ставить баре на всю палку, а лишь на 2-3 струны максимум.
Аноним 20/02/24 Втр 16:50:51 1053528 445
>>1053518
А как выяснить? Вот стоит мне опустить ноги на пол как я чувствую как через меня начинает течь ток. Играю без комбика: гитара - проц - микшер - звукаха - ноут - сеть. Возможно у меня дома нормально заземление не сделано, но я хуевый электрик и не шарю.
Аноним 20/02/24 Втр 16:53:07 1053529 446
Screenshot366.jpg 51Кб, 781x451
781x451
>>1053519
Лол, всегда обсираюсь с додиков не могущих в ля мажор одним пальцем.
Аноним 20/02/24 Втр 16:54:42 1053531 447
>>1053526
А если шелкордами играть то и этого не надо, трех пальцев хватит.
Аноним 20/02/24 Втр 17:07:32 1053532 448
Аноним 20/02/24 Втр 17:35:00 1053534 449
image.png 93Кб, 1920x680
1920x680
image.png 45Кб, 629x458
629x458
image.png 52Кб, 1265x270
1265x270
>>1053452
>>1053449
>>1053447
Пресет собрал за 10 секунд: пять кликов и охуенный студийный звук готов. Какие именно блоки я использовал - не скажу. Подобный звук хуй ты сделаешь на нейросральных плагинах. Ну или покажи что ты накрутишь, чтобы звук был +- такой же.

DI: https://voca.ro/1eNEhlXmWzxT
VST (TH-U Overloud): https://voca.ro/1no1dzJQt8wM
Аноним 20/02/24 Втр 17:52:09 1053535 450
>>1053526
Ну да, а трезвучия без баре нельзя брать, сразу жопа отвалится
20/02/24 Втр 17:54:03 1053537 451
>>1053457
>гейрыгает-5
Ебать даун
20/02/24 Втр 17:58:30 1053538 452
>>1053490
> из того что было
>allparts лицензушный
> в описании написано что собранный
Хуя рванул
Аноним 20/02/24 Втр 19:14:23 1053545 453
>>1053529
Ну зажми одним пальцем и сыграй чтобы все 6 струн прозвучали.
Аноним 20/02/24 Втр 19:19:29 1053546 454
Аноним 20/02/24 Втр 19:20:35 1053547 455
>>1053535
>сразу жопа отвалится
Пацаны не поймут.
Аноним 20/02/24 Втр 19:22:01 1053548 456
>>1053546
Чтобы из манямирка выйти.
20/02/24 Втр 19:47:40 1053553 457
Тот ёбик все таки распаял свой ибанез кстати?
Аноним 20/02/24 Втр 22:52:02 1053561 458
image.png 1304Кб, 1920x663
1920x663
ПиАрЭс выпустила гитару за 500 бачей
SE CE 24
Аноним 21/02/24 Срд 04:49:43 1053568 459
image.png 342Кб, 357x762
357x762
image.png 303Кб, 411x764
411x764
>>1053561
Они давно выпускают дешёвые гитарки. Сам присматривался к
PRS SE John Mayer Silver Sky Stone Blue
Аноним 21/02/24 Срд 05:56:08 1053569 460
>>1053499
Понял, спасибо. Что печально, 5к это почти половина цены, за которую в своё время брал гитару. А сейчас она где-то 18-20к в магазинах стоит
Аноним 21/02/24 Срд 06:15:51 1053570 461
>>1053569
Просто возьми и позвони ближайшему. Попроси его хоть что-нибудь сделать, чтобы не звенело. Может и дешевле выйдет гораздо
Аноним 21/02/24 Срд 08:49:17 1053571 462
video2024-02-21[...].mp4 1813Кб, 972x1280, 00:00:08
972x1280
Аноним 21/02/24 Срд 09:38:56 1053572 463
Пацаны, есть ли где нибудь нормальный гайд, как составить план занятий на гитаре? Дохуя времени топчусь на одном месте. Берусьь за упражнения, потом желание что то изучить, или просто играть пропадает. Все Ютуб преподы выкладывают упражнения, а план занятий никто так и не расписал.
Аноним 21/02/24 Срд 09:47:29 1053573 464
>>1053572
Так тебе план занятий нужны или пиздюли, чтобы каждый день занимался по часу?
Аноним 21/02/24 Срд 09:57:46 1053575 465
>>1053545
Все труъ-гитаристы берут "ля" ОДНИМ пальцем!
Первую струну можно при этом играть, а можно и не играть - опционально
Я не играю
Аноним 21/02/24 Срд 09:59:00 1053576 466
Тру-гитаристы играют ля от 5го лада
Аноним 21/02/24 Срд 10:02:33 1053577 467
>>1053576
Ну, не факт
Ля на длинной мензуре "пожирнее" звучит, если рокерить
А если блюзить-фанковать, то там как раз наооборот. Там вся игра только после пятого лада и идет
Аноним 21/02/24 Срд 10:14:40 1053578 468
>>1053577
Как оно может быть жирнее, если это одна и та же тональность? Разница только в открытых двух струнах, которые дают ненужные призвуки и слабый контроль
Аноним 21/02/24 Срд 10:27:17 1053579 469
>>1053573
Дрочить рандомные, но одинаковые упражнения каждый день - путь к успеху?
Аноним 21/02/24 Срд 10:29:27 1053580 470
>>1053568
В два раза дороже.
новая SE CE 24 - это первая бюджетная гитара в истории PRS
Аноним 21/02/24 Срд 10:38:08 1053581 471
image.png 234Кб, 1533x734
1533x734
>>1053580
Ты про это? В России все 100 тысяч рублей будет
Аноним 21/02/24 Срд 10:41:00 1053582 472
>>1053578
>которые дают ненужные призвуки
Нет там никаких призвуков, не выдумывай
Вон, AC/DC - Back In Black послушай, там вся музыка на нулевых ладах задумана. Почему Ангус партии на пятых-седьмых ладах не играет? А, вот, потому!
>слабый контроль
Учись, анон!
Аноним 21/02/24 Срд 10:46:11 1053583 473
>>1053578
Вообще гитара не особо равномерный по звучанию инструмент. Одна и та же нота на разных струнах по разному звучит, разные обертона, сустейн и все такое. Плюсом к этому аккорды на разных позициях содержат не совсем одинаковый набор нот, когда мы от пятого играем, у нас есть еще ля второй октавы, в то время как играя от нулевого лада есть только ля малой октавы и ля первой октавы. Так что звучание все ж разное.
Аноним 21/02/24 Срд 11:00:43 1053584 474
>>1053572
Меня учит друг(он музыкалку заканчивал), играю где-то час в день (если получается, с суставами кистей проблемы, поэтому такое себе на самом деле, выходит месяц играю, месяц не играю обычно), он мне примерно так говорит: работать на 1-3 произведениями в день, играть те, что уже выучил разок полностью, упражнения можно не делать, а если и делать то немного и строго на то, что плохо получается в музыке. В самом начале делал упражнения, чтобы научиться струны защипывать "вслепую" и не смотреть на правую руку. Потом говорил, что как появится больше времени и уровень вырастет, то нужно будет подбирать больше упражнений и этюдов на слабые места, а пока надо просто учить музыку.
В итоге выходит 10 минут упражнений, 40 минут работы над произведениями и 10 минут поиграть, то, что выучил.
Аноним 21/02/24 Срд 11:32:47 1053586 475
EYJIDW~1.WEB 77Кб, 1920x663
1920x663
>>1053561
>самая-самая дешёвая модель
>всё равно впихнули тремоло
Не понимаю.
Нищекастеры за 10-20к рублей, все поголовно идущие с тремоло, которое можно только заблокировать и забыть про него, ещё больше не понимаю.

Сам пускаю слюни на Vela.
Аноним 21/02/24 Срд 11:36:10 1053587 476
image.png 166Кб, 412x199
412x199
image.png 273Кб, 302x538
302x538
>>1053586
самая-самая дешёвая модель
@
всё равно впихнули тремоло
@
ЭТО ТРЕМОЛО ЛУЧШЕ АМЕРИКАНСКОГО СТРАТОКАСТЕРА
Аноним 21/02/24 Срд 11:41:01 1053588 477
image.png 245Кб, 397x813
397x813
image.png 205Кб, 330x808
330x808
image.png 268Кб, 1277x648
1277x648
Через месяц буду покупать какую-нибудь гитару. Никогда не задумывался о PRS. Но и не знаю как играется. По внешнему виду - эргономично, но блядские гавноедские хамбакеры.
Аноним 21/02/24 Срд 12:27:40 1053589 478
>>1053572
Бротан так ты сперва вообще определись с тем куда ты хочешь двигаться. Если ты хочешь классическую гитару это один план, если ты у мамки митолизд это другой, если ты угораешь по джазу то это третий план, а может быть ты хочешь просто короля и шута по пьяни на кухне орать, тогда тебе вообще никакие планы не нужны. Определись с целями.
Аноним 21/02/24 Срд 12:55:02 1053591 479
Аноним 21/02/24 Срд 12:57:56 1053592 480
Аноним 21/02/24 Срд 13:00:52 1053593 481
image.png 1352Кб, 1207x745
1207x745
>>1053592
У них даже "стародельный" PRS SE SILVER SKY нихуя не звучит
Аноним 21/02/24 Срд 13:29:44 1053595 482
>>1053588
>но блядские гавноедские хамбакеры.
Чо вы все до хамбакеров-то доебались?
Чем они вам не угодили?
Вам фонящие перегрузы по душе, чтоль?
Аноним 21/02/24 Срд 13:32:53 1053596 483
>>1053595
От хамбакеров сплошной гул вместо звука
Аноним 21/02/24 Срд 13:40:00 1053597 484
>>1053596
Что ты называешь гулом?
Аноним 21/02/24 Срд 13:40:59 1053598 485
>>1053597
Сам звук хамбакеров не звучит ярко и открыто как синглы.
Аноним 21/02/24 Срд 13:42:48 1053599 486
image 988Кб, 2969x3000
2969x3000
>>1053595
Это местное шизло (одно), не обращай внимания.
Аноним 21/02/24 Срд 14:03:46 1053600 487
>>1053598
Если ты играть не умеешь и не знаешь, для чего нужны синглы и хамбакеры, где нужно играть на бридже, а где на нэке - то тебя ни одна гитара, ни один звукосниматель не спасет!
Синглы - это для чёса на клине и легком кранче, для квакушки и блюзения на овердрайве, а вот дисторшн джи-джи ты уже хуй сыграешь на синглах!
А я на хамбекерах смогу сыграть ВСЕ, мне ничего не стоит понизить сигнал с хамбакера, чтобы он звучал как сингл, чтобы на нем почесать и поквакать
У меня на палках у всех стоят хам-сингл-хам. Гитары на все случаи жизни, для любых задач
>>1053599
>местное шизло
Таблетки, видать, забыл выпить. Нельзя пропускать!
Аноним 21/02/24 Срд 14:15:02 1053601 488
>>1053600
Так у тебя есть PRS или что? Удобно ли на ней играть сидя?
Аноним 21/02/24 Срд 14:23:40 1053602 489
>>1053600
>Гитары на все случаи жизни, для любых задач
Полнейшая бездуховность!
Аноним 21/02/24 Срд 14:29:25 1053603 490
>>1053601
>Так у тебя есть PRS или что?
А, какая в жопу разница?
У меня гитары, на которых можно и стоя играть, и сидя. На PRS тоже можно как угодно играть
Аноним 21/02/24 Срд 14:31:11 1053604 491
>>1053603
Если бы PRS такой универсальный и классный, то почему никто на них не играет? куда ни глянь - везде Fender/Gibson и всё
Аноним 21/02/24 Срд 14:33:30 1053605 492
>>1053604
>Fender/Gibson
Потому, что дрочение на бренд
Каждый второй гитараст рад не тому, что играть хорошо умеет, а тому, что легендарной палкой ВЛАДЕЕТ
Аноним 21/02/24 Срд 15:07:35 1053606 493
>>1053605
Но ведь легендарность начинается минимум с какой-нибудь стандартной американской сборки. То есть ты всё равно не поиграешь на мексиканском фендере, если так подумать. это не канон и не ТРУ
Аноним 21/02/24 Срд 15:41:43 1053608 494
>>1053605
Ну играть это сложно и долго. Палку купить - пара щелчков мышки. Понятно, что с палками людей больше.
Аноним 21/02/24 Срд 15:45:39 1053609 495
>>1053606
Легендарность - это социальный конструкт
Пердак владельцу легендарного АМИРИКАНСКОГО Гибсона можно подорвать простой истиной - на заводе ее собирал не АМИРИКАНЕЦ, а нигра, китаец или мексикос! Кого быстренько обучили и поставили на конвейер, тот в нее ДУШУ и влил!
Легендарный инструмент - этот тот, который уже бывал в руках рок-звезды, который отыграл десятки концертов и сотни репетиций, весь обмазан потом, жиром и слюнями! Политый пивком и тд
Почесала рок-звезда яйца и эту же руку на гриф положила!
Чуешь, что такое ЛЕГЕНДАРНЫЙ инструмент?
Аноним 21/02/24 Срд 16:14:23 1053611 496
>>1053609
>рок-звезды, который отыграл десятки концертов и сотни репетиций, весь обмазан потом, жиром и слюнями! Политый пивком и тд
Фу блять какие вы мерзкие.
Аноним 21/02/24 Срд 16:35:22 1053613 497
аноны ,а вы заблокировали свои тремоло?
лично я заебался.ща менял струны,и аж бомбит.пока эти ебучие пружины войдут под зенит юпитера в тельце,пока поймают атмосферное давление,хер отстроишь ,я просто хочу играть green day и не париться .а эти ваши тантрические сексы с фурнитурой оставьте гикам.один хуй я этим рычагом пару раз побаловался серф-роком и уже благополучно его проебал\потерял в недрах сычевальни.
как на флойд росе обстоит с этим вопрос?
помню держал гитару с флойдом и глядя на этот авианосец в бридже меня одолевал ужос.там наверное вообще нужно заканчивать техникум чтобы его отсроить
Аноним 21/02/24 Срд 16:38:35 1053614 498
>>1053613
Не блокировал. просто не снял ручку
Аноним 21/02/24 Срд 16:39:44 1053615 499
>>1053611
Не выходи на улицу тогда и в социум вообще. Там одни угрозы
Там частицы волосни и эпидермиса в воздухе летают
На всех дверных ручках следы сальных и потовых желез
А кто-то в офисе в жопе поковырялся и печенькой тебя наровит угостить!
Аноним 21/02/24 Срд 16:42:37 1053616 500
>>1053613
>аноны ,а вы заблокировали свои тремоло?
>как на флойд росе обстоит с этим вопрос?
Заблочил нахуй. Деревяшку вставил и заклеил ее
Заебался
Больше не играю на инструментах с тремоло и флойдами. Пригождается очень редко, а ебанины с ними дохера
Аноним 21/02/24 Срд 17:39:13 1053620 501
>>1053575
Первая струна должна быть открытой. Одним пальцем ты это никак не сделаешь.
Аноним 21/02/24 Срд 17:41:51 1053621 502
>>1053615
Так я и не выхожу, яже двощур.
Аноним 21/02/24 Срд 17:44:02 1053622 503
>>1053620
>Первая струна должна быть открытой.
Ты уже взял "ми" на четвертой струне, додик.
Аноним 21/02/24 Срд 17:45:14 1053623 504
image.png 107Кб, 1830x900
1830x900
С одной стороны, мне очень нравится мой текущий стратокастер со сломанным грифом. Даже если тут вставить новый гриф и отдать на ПЕРЕРАСПИЛ кармана для грифа, то остаётся одна проблема.

Я вот пикрил партию ФИЗИЧЕСКИ не могу сыграть, у меня пальцы просто не влазят туда. Сама партия несложная, но на ебучем страткоастере те лады мне недоступны.
Поэтому и думаю, что неплохо бы играть на PRS, где доступные лады на +5 позиций спокойно
Аноним 21/02/24 Срд 18:13:55 1053624 505
>>1053571
Ты играешь в открытом строе или перенастроил чтобы ответить?
Аноним 21/02/24 Срд 18:22:00 1053626 506
>>1053587
>ЭТО ТРЕМОЛО ЛУЧШЕ АМЕРИКАНСКОГО СТРАТОКАСТЕРА

Всё что угодно лучше американского фендера.
21/02/24 Срд 18:30:22 1053627 507
1.BxDUqra4qniHS[...].webp 58Кб, 654x960
654x960
>>1053587
>>1053626
самая-самая дешёвая модель
@
всё равно впихнули тремоло
@
ЭТО ТРЕМОЛО ЛУЧШЕ АМЕРИКАНСКОГО СТРАТОКАСТЕРА
@
В ТО ВРЕМЯ ДАЖЕ КИТАЕСЫ НА СКВАЕРЕ ЗА 25К СТАВЯТ ЧЕЛОВЕЧЕСКОЕ С ЛИТЫМИ СЕДЛАМИ И НА 2 БОЧЕНКАХ ВМЕСТО 6 ВИНТОВ

Вот реально не понимаю, почему не делать 6 болтовое с этими уебищами сёдлами только в ПОД ВИНТАЖ сериях а в обычных не делать нормалные 2 болтовые с литыми? Что сука мешает. Гитара за 2к и ебучие седла как на ashtone или zombie
21/02/24 Срд 18:32:58 1053628 508
1.wxDRVra4bnn4e[...].webp 48Кб, 720x960
720x960
>>1053627
А хуй, даже zobma за 6к ставит литые сёдла. И эти пидоры из фёдора пиздели на гибсон за излишнюю консервативность я ебу.
Аноним 21/02/24 Срд 18:38:42 1053629 509
>>1053627
>Что сука мешает.
Не купят. Покупатель требует как у дидов.
21/02/24 Срд 18:40:51 1053630 510
>>1053629
Покупатель требует переделать геометрию расположения ручек громкости чтоб она пальцам не мешалась и им похуй.
21/02/24 Срд 18:44:49 1053631 511
aeShJ2pl5g8.jpg 1457Кб, 1620x2160
1620x2160
7OkqSF9SPdE.jpg 1372Кб, 2560x1441
2560x1441
>>1053629
Тогда и ебать их в рот, проще уж у самоделов типо слесаренко под заказ делать срат и что угодно, в любой нужный тебе цвет, нормальный бридж и нормальное дерево. По цене будет не дешево, но всяко лучше чем ебаные фендоры покупать. Вон какой ПРС красивый получился например
Аноним 21/02/24 Срд 18:49:10 1053632 512
В КОИ-ТО ВЕКИ ФЕНДЕР СТАВИТ НА АМЕРИКАНЦЕВ ТОЛЬКО ЛИТЫЕ СЁДЛА
@
НА ЮТЬЮБЕ ПОЯВЯЛЕТСЯ СОТНИ ВИДЕО СРАВНЕНИЙ ЛИТЬЁ ПРОТИВ КОВАННОГО
@
СОТНИ ВИДЕО ПЕРЕСТАНОВКИ ЛИТЬЯ С КИТАЙЦА НА БРИДЖ АМЕРИКАНЦА
@
ДЕСЯТКИ ВИДЕО СРАВНЕНИЯ ВИНТОВ СЁДЕЛ С АМЕРИКАНЦА НА КИТАЙЦА
@
В КОММЕНТАРИЯХ СМАКУЮТ КАЖДУЮ СЕКУНДУ ВИДЕО, РАЗБИВАЯ НА ВРЕМЕННЫЕ МЕТКИ
@
НА ЛОХИТО НАЧИНАЮТ ПРОДАВАТЬ КИТАЙСКИЕ СЁДЛА ПО ЦЕНЕ КИТАЙСКИХ
Аноним 21/02/24 Срд 19:13:18 1053635 513
Тут кто-нибудь scarified гилберта осилил? Сикстоли пиздец тяжелые. Думаю за недели научусь играть главный рифф.
Аноним 21/02/24 Срд 19:21:35 1053636 514
6564580782.jpg 106Кб, 960x693
960x693
6373786980.jpg 104Кб, 706x706
706x706
Хочу приобрести небольшой комбик для подпивасных музицирований вдали от дома и нашёл два стула. По обзорам у спарка вроде как динамик помощнее и звук в целом, а у нюха нет проводов. У кого есть подобные штуки? Обзоры это хорошо конечно, но их магазины снимают, которым товар втюхать надо
Аноним 21/02/24 Срд 19:46:15 1053638 515
video2024-02-21[...].mp4 4861Кб, 1920x1080, 00:00:11
1920x1080
>>1053624
>Ты играешь в открытом строе или перенастроил чтобы ответить?
Мамку твою перенастроил, какой бля открытый строй, че ты выдумываешь то?
21/02/24 Срд 20:12:01 1053639 516
>>1053571
Это и близко не ля мажор иди нахуй додстер
Аноним 21/02/24 Срд 20:16:54 1053640 517
>>1053639
А причем тут ля мажор, ебанашка? Для того чтоб взять ля мажор достаточно одним пальцем зажать три струны, потому что ля мажор это бля трезвучие: ми + ля + до-диез
Аноним 21/02/24 Срд 20:28:12 1053643 518
>>1053636
>подпивасных музицирований вдали от дома
ну если играть под синькой,на звук я бы не заострял внимание-похуй.опирайся на 2 критерия
1.размер батарейки-если реально где то летова будешь в лесах петь
2.качество пластика-ибо бить\ронять будешь его часто,хоть им и цена хуй да нихуя,но все таки лучше пусть послужит подольше
Аноним 21/02/24 Срд 21:10:04 1053648 519
>>1053538
Ага только вот вся суть винтажных фендеров это в АУТЕНТИЧНОСТИ. Чтобы было все родное с завода нахуй, даже ржавые винтики, чтобы краска облезлая, чтобы датчики и пикгард были состарены не искуственно в китае, а по настоящему, это легко кстати отличить, сразу видно когда реальное старение, и когда фейк. единственное что идет под замену это лады само собой, они не живут столько лет чтобы быть винтажными. Но толкать за 100к гитару под видом винтажа которую он собрал просто из разхным частей еще и сука покрасил, пусть тогда пишет КАСТОМ блядь, а не фендер 59, и причем там 59 ваще если у него тушка 80х годов.
Аноним 21/02/24 Срд 21:10:59 1053649 520
>>1053648
59 года фендеры ваще стоят не 100к рублей а 100к долларов блядь
Аноним 21/02/24 Срд 21:24:46 1053650 521
>>1053648
странная эта ваша гитарная кухня.во всех других сферах досуга\хобби\да и техники хули,новое =хорошее и к нему стремятся,оно популярно.а старое и винтажное для отдельной малочисленной группы фриков.только гитарасты в большинстве своем дрочат на трухлявое говно,а на новое смотрят со скепсисом.
вот типа представить что условный бацкетболист надрачивает на винтажный мяч 60х годов и хочет им обладать,играть им=кринж
нахой.а у гитарастов как само собой разумеющееся хотеть гибсон голдтоп
Аноним 21/02/24 Срд 21:30:57 1053651 522
>>1053650
Так же с машинами и мотоциклами, все хотят винтаж и винтаж стоит неебовых денег, а новые тачки это кал ссаный для говноедов типа киа рио блядь детей сраных в школу возить как чмо нормис сраный.
Аноним 21/02/24 Срд 21:44:41 1053654 523
>>1053651
Лол так же и с музыкой, все нормальные люди слушают музыку из прошлого пока петухи овноеды слушают соврменный калыч
Аноним 21/02/24 Срд 21:44:44 1053655 524
>>1053638
Проклял тебя по видео.
Аноним 21/02/24 Срд 22:09:41 1053656 525
Какого мнение русских рэперах о гитарах Smiger?
Аноним 21/02/24 Срд 22:10:02 1053657 526
Аноним 22/02/24 Чтв 01:39:33 1053660 527
>>1053534
Разве у нас был уговор что я буду делать звук такой же как у тебя?
Выкачу тебе в следующем треде то как звучат другие плагины.
Аноним 22/02/24 Чтв 02:53:31 1053661 528
Аноним 22/02/24 Чтв 05:07:06 1053662 529
>>1053661
У меня был перегруз, а у тебя дисторшен. Это не одно и тоже.
Аноним 22/02/24 Чтв 05:14:03 1053663 530
>>1053662
В любом случае твой вариант не звучит по студийному.
Аноним 22/02/24 Чтв 05:45:33 1053664 531
>>1053663
Для меня он весьма какой студийный. Я, как теоритический продюссер своей несуществующей музыки, оставлял бы пресет только таким. Я же не говорю про техничность, уровень игры или качество исполнения. Я бы себе исключительно мастерил звук только так.
Аноним 22/02/24 Чтв 05:49:32 1053665 532
i-img800x526-17[...].jpg 96Кб, 800x526
800x526
Аноним 22/02/24 Чтв 05:52:07 1053666 533
>>1053665
>Heavy Relic 69
И абсолютно непонятно какого года гитара. Скорее всего, старше 2000х, там бездуховное немузыкальное дерево. По качеству не лучше мекса.
Аноним 22/02/24 Чтв 05:54:05 1053667 534
Какой вообще нах смысл в искуственном старении, если на гитаре явно не ты играл хотя бы ДЕСЯТЬ лет. А устаревание подразумевает игру в течение 50(!!) лет. Тоже самое как дрочить на ржавые автовазы, выпущенные в СССР.
Аноним 22/02/24 Чтв 07:02:16 1053668 535
image 1060Кб, 2000x2000
2000x2000
>>1053667
На лимитках и каштомшопах это делают для того, чтобы случайная коцка разом не отнимала несколько сотен/тысяч долларов от потенциальной стоимости перепродажи этой гитары.
Это всё делается для коллекционеров/барыг, для которых гитара это не музыкальный инструмент, а ИНВЕСТИЦИЯ. Для тех же Gibson это одна из двух основных целевых групп, которые покупают их гитары от линейки Custom и выше. Вторая группа - blues lawyers - с первой очень сильно пересекается.
Аноним 22/02/24 Чтв 07:15:43 1053669 536
>>1053666
>И абсолютно непонятно какого года гитара
Спишись с продаваном и запроси у него фото документов поближе, проблемс?
Аноним 22/02/24 Чтв 07:21:44 1053670 537
>>1053665
Как же ублюдочно выглядят все эти истирания на электро.
Аноним 22/02/24 Чтв 08:11:09 1053671 538
У меня гитара играется с 80х годов, думаю, я её владелец 5й где-то. Лады раздрочены, я менял целиком их и накладку, железо мёртвое было. Но вот сам корпус и не на 1% изношен так сильно, как всякие RELIC. Краска пожухла от солнца, шлифанулась под пузом, где-то коцки.
Аноним 22/02/24 Чтв 08:55:20 1053676 539
>>1053671
Изнашивается только нитролак. Любой поздний полимерный лак - только мутнеет и становится уродливым. Фендеры с 68го года больше не изнашиваются, вот и приходится платить дороже кастомшопу чтоб только получить возможность износить гитару.
Аноним 22/02/24 Чтв 08:56:01 1053677 540
>>1053676
Помогите найти логику.
Аноним 22/02/24 Чтв 09:11:43 1053678 541
>>1053677
Ты покупаешь гитарку и много играешь не ней. И думаешь, что от игры она станет только красивее, получит боевые шрамы и харизму рок-звезды - а она от любой потёртости начинает выглядеть мегахуёво и уродливо, и с годами только хуже.
И ты вроде не сильно сэкономил, купив пластиковую, но через лет 20 убитая релик гитара будет стоить дороже, а твоя сильно дешевле.
Аноним 22/02/24 Чтв 09:22:33 1053679 542
image.png 239Кб, 1708x799
1708x799
Причём, вот можно собрать охуенный Стратокастер за 1300 евро. Работа русского мастера 5 тысяч рублей. Будет и гриф пиздатый и стекло американское.
Аноним 22/02/24 Чтв 09:45:10 1053682 543
>>1053679
Ух, а если часть этого на Warmoth заменить, так вообще конфетка будет.
Аноним 22/02/24 Чтв 09:58:07 1053683 544
>>1053682
Warmoth как кастом шоп уже по цене выходит, один гриф 500 долларов. Хотя для американцев это хуйня, а не деньги
Аноним 22/02/24 Чтв 10:04:38 1053684 545
Аноним 22/02/24 Чтв 10:11:21 1053685 546
image.png 25Кб, 109x110
109x110
image.png 370Кб, 561x724
561x724
image.png 604Кб, 892x934
892x934
>>1053656
Орнул что-то от поддельной надписи Surh.
Если выбирать среди нонеймов, то бери тот, что с удобным грифом. И у Jet Есть вырез, ещё и клён печённый - вообще беспроигрышный вариант
Аноним 22/02/24 Чтв 10:21:41 1053686 547
>>1053685
Сука как же ору с выреза НА ТЫЛЬНОЙ СТОРОНЕ БЛЯТЬ!
Аноним 22/02/24 Чтв 10:23:34 1053687 548
image.png 498Кб, 668x819
668x819
>>1053686
Это чтобы снимать удобнее со стены было.
Аноним 22/02/24 Чтв 10:26:41 1053688 549
>>1053687
Но за рог же нельзя держаться
Аноним 22/02/24 Чтв 10:29:52 1053689 550
image.png 1002Кб, 1260x794
1260x794
>>1053688
Вангую они обосрались пикгардом, так как для правильного выреза нужно изменение. А у них накладка за 100 рублей с завода через дорогу. Сам трафарет гитары остался.
Аноним 22/02/24 Чтв 10:41:44 1053690 551
>>1053667
Гении маркетинга и безотходного производства.
Раньше гитару коцнули на заводе и нужно в брак отправлять, скорее всего выкидывать, а тут можно ещё покоцать и продавать, ещё и денег просить.
Охуенно же.
Аноним 22/02/24 Чтв 10:43:28 1053692 552
1708587806304.jpg 3484Кб, 4096x3072
4096x3072
1708587806392.jpg 3049Кб, 3072x4096
3072x4096
>>1053627
> Что сука мешает. Гитара за 2к и ебучие седла как на ashtone или zombie
У меня вот настоящий эштон есть 10-15 летней давности. Там литые седла и двухболтовое тремоло. Гитара по качеству вообще без претензий. Лады не режут (я вообще раньше думал, что режущие лады это какой то рофел, пока на более дорогих гитарах не поиграл), мензура строит, колки нормальные, лак нормальный в том числе и на грифе. Я вообще хуй знает, чем в принципе фендер может быть лучше этого эштона
Аноним 22/02/24 Чтв 10:51:43 1053693 553
Да что вы с этими ладами возитесь. Их в любом случае менять на нержавейку. Один раз поменял и всю жизнь играешь.
Аноним 22/02/24 Чтв 11:04:48 1053696 554
image.png 15Кб, 601x349
601x349
image.png 9Кб, 434x91
434x91
Гавно ебаное этот ultra thin c профиль, невозможно играть аккордами. На выходных пойду щупать стандартный гриф modern c.
Аноним 22/02/24 Чтв 12:34:29 1053703 555
>>1053693
Цена замены ладов на нержавейку на гитаре типа эштона сопоставима со стоимостью самой гитары
Аноним 22/02/24 Чтв 12:34:57 1053704 556
>>1053670
Ты просто не шаришь, это ВИНТАЖ
Аноним 22/02/24 Чтв 12:38:31 1053705 557
>>1053696
U и D самые пиздатые
Аноним 22/02/24 Чтв 12:39:22 1053707 558
>>1053670
У мастеров есть отдельная услуга guitar aging
Аноним 22/02/24 Чтв 13:04:16 1053709 559
>>1053703
У меня в городе 5 тысяч рублей на съёмных грифов. Отличный мастер
Аноним 22/02/24 Чтв 13:06:17 1053710 560
Причём, качество установки ладов у хорошего русского мастера сопоставима с американским кастом шопом за тысячу долларов
Аноним 22/02/24 Чтв 14:52:28 1053727 561
>>1052882
Тащемта, чтобы достоверно узнать испортилась лампа или нет, нужен специальный испытатель ламп.
Аноним 22/02/24 Чтв 14:57:50 1053729 562
>>1053102
А при чём отгадать? "Дерево влияет на звук" и "определить дерево по звуку" - это разные вещи.
Аноним 22/02/24 Чтв 15:03:45 1053731 563
>>1053670
Ну на фото явно самодельное состаривание, гитары ирл так не трутся особенно снизу, они трутсся да там где рука соприкосается с корпусом от пота типа краска за лет 10 слезет, но вот снизу итд это бред я хз зачем они это делают, это не винтаж уже а кал
Аноним 22/02/24 Чтв 15:18:32 1053735 564
>>1053693
Дегор в цене блядь, раньше за 2к можно было поменять лады, ща стоит 10к+ лады еще пару косарей
Аноним 22/02/24 Чтв 15:18:32 1053736 565
>>1053727
А своим слухом слышно не будет испортилось что либо или нет?
Аноним 22/02/24 Чтв 15:30:42 1053737 566
>>1053709
А я этот эштон за 7к купил вместе с комбиком, лол
Аноним 22/02/24 Чтв 15:32:29 1053738 567
>>1053737
Бля я продал деду помню скваер, комбарь и педаль итд общей стоимостью в 40к за 10к сука, че я такой дебил я хуею
Аноним 22/02/24 Чтв 16:14:06 1053745 568
>>1053736
Хыы, определение электронной эмиссии на слух - это что-то новенькое.
Не, ну если хрипит-пердит, хотя не должно, то ясен пень лампа по пизде. Только её надо лет 20 гонять до такого.
У меня есть ламповая радиола, там лампы 80-х годов. И ничего, нормально поёт.
Аноним 22/02/24 Чтв 16:59:09 1053757 569
>>1053738
Продавал Fernandes FGZ420 в своё время за 10 тысяч рублей.
Аноним 22/02/24 Чтв 17:35:12 1053769 570
>>1052999
>Сейчас бы в 2024м снимать гриф, чтобы анкер подкрутить.
Как Табачников
>Но если выбирать модель с уебанской головой, то я возьму каноничную.
Как по мне они все конченые у eart хотя бы локовые колки болт он вставить можно и эрты дешевле хочешь крути возле некогого звучка через продолбленную накладку или как обычно я бы в принципе обрезание сделал как у сильверкока из 2077 на хитаре
>На Eart даже кастомный гриф не поставить
я думал там только в болтах проблема пятки у многих нет
>>1053002
Зачем переплачивать за залупу хотя если это твой фетишь прост зачем колки не локовые ну звучки можно купить и вставить
прост поясните в чём культ этой залупы?
Аноним 22/02/24 Чтв 17:43:02 1053772 571
>>1053769
>я думал там только в болтах проблема пятки у многих нет
Весь карман крепления пересверливать. Будет хуйня.
Аноним 22/02/24 Чтв 17:48:39 1053774 572
image.png 32Кб, 1631x105
1631x105
>>1053679
кусок двери бабушкиного шкафа с 3 дырдочками и парой отверстий.
300 евро.
ебало даже не хочу имадженировать
Аноним 22/02/24 Чтв 17:53:16 1053775 573
Папа-Римский-ар[...].png 495Кб, 775x775
775x775
>>1052813
Может фернандес какой-то они хотя бы имеют вроде как адекватное ценообразование.
>>1053772
>Весь карман крепления пересверливать. Будет хуйня.
Аноним 22/02/24 Чтв 17:53:43 1053776 574
image.png 58Кб, 240x383
240x383
>>1053774
Сейчас все корпуса стотокастеров делают на ЧПУ. Именно по этой причине они (у джета) такие заебатые и качественные, потому что Лео изобрёл максимально дешёвую в производстве форму, Стратокастер это не роскошь, а простой инструмент быдлана-рокира. Он просто брал ЛЮБОЕ дешёвое дерево и хуярил корпус.
Сейчас корпуса отлично научились делать китайцы. Да, у них всё ещё проблемы с металом, но дерево делают просто на ура. Видели пикрил? Блять, 50 баксов себестоимость
Аноним 22/02/24 Чтв 17:54:31 1053777 575
>>1053775
Я ебал эти тонкие грифы фернандесов.
Аноним 22/02/24 Чтв 18:08:30 1053778 576
>>1053776
5к тоже дорого. ей красная цена 2000 макс.
себестоимость этого бревна вместе с покраской рублей 500
Аноним 22/02/24 Чтв 18:13:33 1053779 577
>>1053776
>Видели пикрил?
видели.а приедет такой забора кусок что охуеешь.
Аноним 22/02/24 Чтв 18:15:52 1053780 578
>>1053779
Копиум манагера из жыдторга
Аноним 22/02/24 Чтв 18:30:06 1053781 579
76765057.jpg 191Кб, 1036x1883
1036x1883
2521376991609.jpg 175Кб, 983x1848
983x1848
>>1053772
>Весь карман крепления пересверливать. Будет хуйня.
Даже у этих с нэкплэйт как на том самом?
>>1053776
Ну а у eart есть набор собери сам за 300 который только покрасить или под себя сделать
>>1053777
Возьми эту ёбу и отнеси мастеру чтоб под тебя сделал и гриф какой хочешь профиль и флойд врежет и цвет под себя
Правда там 22 лада
Но если серьёзно то я хз что брать только по поиску 24 лада флойд роуз орижинале
https://eartguitar.com/products/eart-guitars
Аноним 22/02/24 Чтв 18:33:46 1053783 580
>>1053781
Не забудь 200 баксов на доставку
Аноним 22/02/24 Чтв 18:36:47 1053786 581
>>1053783
?
Там же в магазе можно выбрать город и всё такое какие 200 вы чё угараете?
Аноним 22/02/24 Чтв 18:48:56 1053787 582
Аноним 22/02/24 Чтв 19:30:07 1053789 583
Аноним 22/02/24 Чтв 19:33:20 1053790 584
fart.jpg 79Кб, 1481x633
1481x633
22/02/24 Чтв 19:37:28 1053791 585
>>1053689
>>1053685
Владею джетом. С пикгардом они обосрались 1 болт входит под лютым углом да и пикгард не снимеш не откручивая гриф. Да и сам гриф прикручен так что с завода 1 болт прокручивает. Да и прикручены они не по центру грифа а смещены на край н 1 см
Аноним 22/02/24 Чтв 19:48:00 1053793 586
>>1053791
У меня на японском стратокастере тоже не центрируется ебучий гриф. это проклятие какое, ох, это наказание.
Аноним 22/02/24 Чтв 20:14:15 1053794 587
>>1053777
>Я ебал эти тонкие грифы фернандесов.
https://guitarsgarden.com/collections/sg
Выше откопали я хз что нашёл их сайт увроде
локовые колки и всё такое в случае чего машинку поменяешь под себя дырки там выдолбленны головку подрежешь
Аноним 22/02/24 Чтв 22:01:37 1053800 588
Почему в гитар про метроном без звука работает? Рсе у меня не установлены, но он без них должен работать как миди.
Аноним 23/02/24 Птн 06:06:40 1053806 589
>>1053794
Ты пока это в России увидишь, цена будет тот же самый Jet
Аноним 23/02/24 Птн 06:07:39 1053807 590
>>1053800
Попробуй переустановить целиком на более новую версию
Аноним 23/02/24 Птн 06:46:19 1053808 591
Аноним 23/02/24 Птн 07:22:57 1053809 592
>>1053808
>какие подводные??
Забросишь через 3 месяца.
Аноним 23/02/24 Птн 07:45:29 1053810 593
>>1053809
Не заброшу, я уже застолбил много уроков и каверов которые хочу играть
Аноним 23/02/24 Птн 07:49:33 1053811 594
>>1053810
Тогда бери, любые хамбакеры подойдут для твоего хард метал. Нужно только разобраться как звук делать как в рок-метале. На дешёвых комбарях точно никак. Лучше всего цифровой процессор какой-нибудь Mooer/Hotone. Ну или ебаться с плагинами на компе, звуковуха выйдет тысяч 15-20
Аноним 23/02/24 Птн 09:54:52 1053813 595
>>1053643
Батареи там примерно одинаково держат. За пластик не знаю, и то и это Китай делает. Меня больше звук интересует и начинка. Поэтому спрашиваю анона, у кого подобные штуки есть
Аноним 23/02/24 Птн 10:58:35 1053815 596
>>1053813
Выглядит как хуйня и должна звучать как хуйня
Аноним 23/02/24 Птн 11:20:42 1053816 597
image.png 399Кб, 810x496
810x496
Не знал, что струны D'Addario дороже. думал, что одинаковый ценовой сегмент. Но они и ощущаются намного глаже
Аноним 23/02/24 Птн 11:34:36 1053818 598
>>1053781
Бля как же уебищно выглядит страт с хамбом это пиздец нахуй, это как лес пол бы был с синглами
Аноним 23/02/24 Птн 11:35:47 1053819 599
>>1053816
ерни бол говно рвутся постоянно, я на них играл еще до всяких санкций и они всегда были калом и рвались моментально, а ща тратить 800р на них рот ебал они того не стоят, дав и дадарио тоже говно
Аноним 23/02/24 Птн 11:48:12 1053820 600
>>1053818
Выглядит и играется охуенно. Там отсечка есть.
Аноним 23/02/24 Птн 12:04:26 1053821 601
>>1053819
Покупать как еврей элексиры?
23/02/24 Птн 12:08:30 1053822 602
изображение.png 418Кб, 931x621
931x621
>>1053818
>лес пол бы был
Не бы а конкретно был
Аноним 23/02/24 Птн 12:12:27 1053823 603
image 135Кб, 1200x900
1200x900
Аноним 23/02/24 Птн 12:20:22 1053825 604
Аноним 23/02/24 Птн 12:20:50 1053826 605
Аноним 23/02/24 Птн 12:25:19 1053827 606
>>1053823
Пиздец хуже говна в жизхни не видел и сраный флоуд ебать как же я ненавижу этот высер имбецила
Аноним 23/02/24 Птн 12:26:50 1053828 607
>>1053808
JS серия вся оверпрайс кусок хуйни, а 30к ещё за такое очень жалко отдаваьб
Аноним 23/02/24 Птн 12:44:04 1053829 608
>>1053819
У тебя дадарио палёные. Они охуенные вообще-то и держатся весьма долго
Аноним 23/02/24 Птн 12:47:38 1053831 609
>>1053829
Я про ерни бол писал, а дадарио я на них тоже играл они не рвутся но что-то в них НЕ ТО, прямо как-то не очень, я еще раз говорю я все покупал в музторге в ДС еще до войны так что это все оригинал, а ща перешел на русские струны так как вот сейчас все что продают это китай фейк
Аноним 23/02/24 Птн 13:05:34 1053835 610
>>1053831
Планирую заказывать через Германию вместе с гитарой, выйдет очень дорого, зато точно не палёнка
Аноним 23/02/24 Птн 13:16:55 1053837 611
2504348793905881.jpg 181Кб, 900x456
900x456
2504371527588690.jpg 165Кб, 900x474
900x474
>>1053806
Человек хотел с машинкой, но я бы бу взял что-то типа пикрл ёбы
Аноним 23/02/24 Птн 13:23:24 1053838 612
image 217Кб, 3800x1400
3800x1400
image 173Кб, 3800x1400
3800x1400
Ух.
Аноним 23/02/24 Птн 13:25:45 1053840 613
>>1053818
нормально выглядит,а главное универсально пиздец.
Аноним 23/02/24 Птн 13:42:30 1053842 614
>>1053840
Что универсального? Я как человек перепробовавший и страты и лес полы говорю что разница в звуке минимальна нахуй а тот шум чт одает сингл наоброт добавляет охуенности, к тому жен а страте бриджевый сингл звучит и так ярко и мощно, а хамбакер не дает нихуя только убивает шум и какой в этом толк
Аноним 23/02/24 Птн 13:43:17 1053843 615
>>1053838
его идеи блядь что это
Аноним 23/02/24 Птн 13:47:17 1053845 616
Стикер 0Кб, 512x512
512x512
Сейчас въебал на всю трек Limp Bizkit - Stuck и хуярил под него, прям ваще мясо было.
Аноним 23/02/24 Птн 13:49:35 1053846 617
>>1053843
Это заход не территорию Данэлектро
Аноним 23/02/24 Птн 13:51:41 1053847 618
Знатоки как лучше для активных звучков, выше к струнам или ниже.
Аноним 23/02/24 Птн 13:52:41 1053848 619
>>1053845
ну Борлэнд это база,имхо у него самые сочные рифы из всей нуметал тусовки,да слипы хайповее,дефтонесы типа индироцк,корн -рэпкор нахуй(но отцы не спорю)но имхо Уэс это номер 1 ,не зря брейкстафф разьебал индустрию нахуй в 99
Аноним 23/02/24 Птн 14:02:19 1053849 620
>>1053837
Забудь про Флойдрозы до 1000 евро ценой. В России такие гитары начинаются от 120к, наверное
Аноним 23/02/24 Птн 14:02:50 1053850 621
>>1053838
Как же они ебут, без сарказма, норм фирма
Аноним 23/02/24 Птн 14:20:21 1053852 622
>>1053676
Полимерный лак вообще стирается? Нужен ли ему пикгард в принципе?
Аноним 23/02/24 Птн 14:32:58 1053854 623
image.png 65Кб, 252x503
252x503
image.png 154Кб, 368x722
368x722
image.png 155Кб, 310x669
310x669
>>1053852
У многих моделей его нет.
Выглядит уёбищно.
Аноним 23/02/24 Птн 14:36:54 1053855 624
Аноним 23/02/24 Птн 14:39:32 1053856 625
Аноним 23/02/24 Птн 14:44:00 1053857 626
image 19Кб, 638x180
638x180
В Ampero Mini можно как-то сделать разветвление и смешение сигнала или две цепи одновременно, как в Helix?
Аноним 23/02/24 Птн 14:44:01 1053858 627
>>1053856
Как по мне
Ыбанез это
Аноним 23/02/24 Птн 14:44:22 1053859 628
>>1053852
Да, но не до дерева. А просто теряет блеск и уродливо мутнеет.
Аноним 23/02/24 Птн 14:45:14 1053860 629
>>1053855
хоть и всрато выглядит пиздец.но если никому не показывать,и верить что отлично отстроена то норм,в сычевальне можно кобейна пердеть
Аноним 23/02/24 Птн 15:01:18 1053861 630
image.png 88Кб, 1100x857
1100x857
image.png 75Кб, 1550x790
1550x790
>>1053857
В Helix не даёт два полных усилка ставить. Оверфлоу по процессору
Когда ставишь два усилка, больше нихуя не влазит в цепь
Аноним 23/02/24 Птн 15:09:54 1053862 631
image 9Кб, 656x120
656x120
>>1053861
Режим совместимости с железом у меня включен, не знаю. Но это просто для примера, чтобы оба варианта показать.
Мне будет достаточно вот так.
Аноним 23/02/24 Птн 15:26:12 1053863 632
>>1053855
Они походу медиатором не по струнами играли а по гитаре.
Аноним 23/02/24 Птн 15:36:22 1053864 633
>>1053863
не, ты чё, это же HEAVY RELIC CUSTOM SHOP
Аноним 23/02/24 Птн 15:36:41 1053865 634
Завтра создам перекот, не ссыте.
23/02/24 Птн 15:44:31 1053866 635
Аноним 23/02/24 Птн 18:14:06 1053876 636
>>1053791
>да и пикгард не снимеш не откручивая гриф.
А так это база 22х ладовых стратокастеров.
23/02/24 Птн 18:16:36 1053877 637
>>1053876
Это база копрофилии ебанутой. Сделай вырез на нековом датчике широкий чтоб и хамбакер если что туда запузырить и снять накладку не сркучивая гриф. Блять ставя гриф обратно небольшой кусок корпуск отколол и по коленке себе уебал. ебаное говнище сука
Аноним 23/02/24 Птн 18:24:44 1053879 638
>>1053791
а в чем проблема выкрутить датчики,и утопить их в дэку и достать пикгард.или это так не работает
мимо оладушка не снимающий пикгард
Аноним 23/02/24 Птн 18:27:52 1053880 639
image.png 162Кб, 1366x302
1366x302
image.png 105Кб, 784x178
784x178
image.png 323Кб, 574x451
574x451
>>1053877
>ебаное говнище сука
А как тебе легендарное решение запрятать анкер под пятку грифа, чтобы для регулировки прогиба нужно было снимать всё целиком?
23/02/24 Птн 19:24:21 1053884 640
>>1053879
А в чем проблема сделать изначально без ебли в хуй?
>>1053880
Погоди это реально? Я думал что все с аенкром в пятке делают с пропилом в пикгарде позволяющим через него крутить анкер
Аноним 24/02/24 Суб 02:04:30 1053895 641
>>1053880
Хули вы там в анкере крутите? Вы ебанутые?
Его от силы два раза отрегулировать придётся за всю жизнь гитары. Первый раз на заводе. А второй когда будешь лады менять после износа.
Аноним 24/02/24 Суб 03:23:52 1053896 642
>>1053895
Анкером нужно гитару заводить как механические часы каждое утро иначе звук хуже становится. Я делаю два полных оборота, завода хватает ровно на сутки, потом звучание рыхлое становится.
Аноним 24/02/24 Суб 04:15:35 1053897 643
>>1053895
Два раза в год регулирую. Когда отопление включают, и когда выключают. Можно конечно ставить страны за километр от грифа и никогда анкер не трогать, но если хочется низко- тут придётся все время крутить
Аноним 24/02/24 Суб 06:23:18 1053903 644
>>1053896
Мамкин фантазёр, если у тебя не было стратокастера с кленовым грифом, то не пизди, ты не разбираешься
>>1053897
this
>>1053895
Гриф ведёт себя примерно каждые 3 месяца, нужно крутить. Спокойно может быть разница 0.01 дюйма в две стороны, это пиздец как много. Именно из-за этого планирую себе брать печёный гриф, чтобы даже с удобного ключа не регулировать
Аноним 24/02/24 Суб 06:31:25 1053905 645
Аноним 24/02/24 Суб 12:22:39 1053991 646
Аноним 24/02/24 Суб 12:23:18 1053992 647
>>1053991
Клён, но тонкий. Тоньше обычного Modern C. Там профиль хуй знает какой, но деревана 10% явно меньше
Аноним 02/03/24 Суб 22:22:30 1054876 648
Как попадать в ритм? Пытаюсь попадать в метраном, но все время бегу вперед или опаздываю, пробовал без гитары хлопать, попадаю. А когда риф надо сыграть то думаю правильно сыграл или нет. Пробовал и на маленьком bpm, тоже самое.
Настройки X
Ответить в тред X
15000
Добавить файл/ctrl-v
Стикеры X
Избранное / Топ тредов