Техника


Ответить в тред Ответить в тред

Check this out!
<<
Назад | Вниз | Каталог | Обновить тред | Автообновление
503 126 175

Винтажный аудиотред Аноним 16/10/17 Пнд 17:47:18 8206311
13.04.2014 20.1[...].jpg (150Кб, 1309x847)
1309x847
Тред, посвящённый тепло-ламповым форматам на физических носителях. Обсуждаем Рауля антикварную аудиотехнику, слушаем музыку с архаичных форматов, обмазываемся фотками винтажа. Приветствуется как портативные, так и стационарные решения.

FAQ:
http://pastebin.com/kzH8QBJD — по CD-плеерам (портативным);
http://pastebin.com/BhuqEdVg — по MD-декам;
http://pastebin.com/0Re7SMrp — по DAT-магнитофонам.

Прошлый тред погружается на дно тут: >>788969 (OP)

(архивач — http://arhivach.org/thread/245190/ )
Аноним 16/10/17 Пнд 22:42:42 8206682
1980.jpeg (254Кб, 1024x768)
1024x768
Аноним 17/10/17 Втр 17:40:42 8207913
с 17 по 20 на складе технике в Окинаве (типа магазин). Задавайте свои ответы.
Аноним 17/10/17 Втр 18:05:18 8208054
MG0520.jpg (294Кб, 2408x2189)
2408x2189
>>820791
Новой или б\у?
Сколько долларов стоят сутки ночлега?
Аноним 17/10/17 Втр 19:08:10 8208205
вега 120 1.JPG (205Кб, 1360x1020)
1360x1020
Аноним 18/10/17 Срд 08:07:06 8209646
Аноним 18/10/17 Срд 11:45:01 8209697
1buNonbJlM.jpg (79Кб, 585x1040)
585x1040
>>820805
Тут что то вроде большой пром зоны (город в городе) есть свои гостиницы кафешки продуктовые магазины итд) за границу выходить нельзя. Все оплатила контора. Нужно собрать 5 стоек в сборе. Каждая стойка монобренд. Товар отпускают по весу.

Аноним 18/10/17 Срд 12:28:01 8209728
>>820969
ты там живёшь?
как свалил?
Аноним 18/10/17 Срд 12:34:38 8209759
>>820972
работаю в ДС контора покупает технику доводит до ума при необходимости и перепродаёт. Меня отправили в командировку
Аноним 18/10/17 Срд 13:29:30 82098510
>>820975
Сайт конторки со списком товаров скинь
Аноним 18/10/17 Срд 13:38:15 82098711
>>820985
не могу ибо диванон
вообще моё нахождение здесь не совсем легально (как я понял). В Японии платится утилизационный сбор когда ты избавляешься от техники. По факту всё продаётся.
Здесь рядом есть аналогичное место только по автозапчастям.
Аноним 18/10/17 Срд 13:44:14 82098912
>>820987
то есть хай-фай железки продают за копейки как мусор?
Аноним 18/10/17 Срд 13:52:02 82099113
>>820989
ну не совсем. на складе все расфасовано по брендам. выбираешь бренд и комплектуешь систему. Контора купила 800 кг. я хз за сколько. нужно максимально из забить под завязку.
Аноним 18/10/17 Срд 13:53:16 82099214
Аноним 18/10/17 Срд 13:55:05 82099315
>>820992
моя работа это выбрать аппараты в максимально хорошем состоянии. их подключить и проверить
Аноним 18/10/17 Срд 13:55:45 82099416
>>820993
и сколько платят?
Аноним 18/10/17 Срд 14:03:07 82099717
YAg2MdFZk0Y.jpg (187Кб, 1130x666)
1130x666
есть такая тема. при покупке донор в подарок.
>>820994 за 4 дня 30000 р но я согласился не из за этого. хочу себе что нить присмотреть
Аноним 18/10/17 Срд 14:04:14 82099818
>>820997
типа временная работа на 4 дня?
Аноним 18/10/17 Срд 14:07:19 82100019
>>820998
ну да. так обычно я занимаюсь предпродажной подготовкой. окучиваю клиента на покупку. приглашаю на прослушивание тесты итд
Аноним 18/10/17 Срд 14:10:48 82100120
l1McV0k29Bo.jpg (77Кб, 585x1040)
585x1040
вот стойка которую собрал сегодня. на завтра жду к ней вертак. с ас пока не определился.
Аноним 18/10/17 Срд 14:12:14 82100221
>>821001
клево, братиш

сколько будет стоить с доставкой Technics sb-1000?
Аноним 18/10/17 Срд 14:14:08 82100422
>>821002
я не знаю вот честно. Мне сказали "не вникай не твоя забота"
я думаю лучше их купить во Владивостоке.
Аноним 18/10/17 Срд 15:00:25 82102123
>>820969
>монобренд
Таких фоток вангую в инете даже нет.
А ты лучше своего 0.3мп ничего не смог найти?
Аноним 18/10/17 Срд 15:26:04 82102824
90s.jpg (95Кб, 823x606)
823x606
>>821004
>не вникай не твоя забота
Аноним 18/10/17 Срд 15:34:01 82102925
cKLIxFgxmEo.jpg (89Кб, 585x1040)
585x1040
>>821021
вот еще на завтра две стойки сони на проверку
к сожалению кругом камеры снимать категорически нельзя. снимаю от бедра.
Аноним 18/10/17 Срд 17:44:54 82104126
>>821029
А почему не останешься там жить?
Заказы оттуда отправлять будешь.
Аноним 18/10/17 Срд 17:52:37 82104227
>>821041
так не выйдет. К сожалению я даже не знаю сколько стоит номер где я живу. А еще у меня виза через приглашение. короче всё сложно. На самом деле общался сегодня из авторазборки с таким же купцом из Владивостока. Он катается вахтами по 3 месяца. За весь период он даже не выходил за территорию. Работа.
Аноним 18/10/17 Срд 18:21:12 82104328
>>821042
>даже не знаю
Планшет переводчик не выйдет?
Аноним 18/10/17 Срд 18:25:34 82104429
HF90.jpg (34Кб, 500x293)
500x293
hf90 1.jpg (61Кб, 1024x678)
1024x678
Странности кассет HF 90
Не является ли правая подделкой?
Аноним 18/10/17 Срд 18:42:22 82104530
JAPAN alf.jpg (98Кб, 800x483)
800x483
Аноним 19/10/17 Чтв 10:22:21 82112031
15083413428970.jpg (126Кб, 800x483)
800x483
>>821045
благодарю что напомнил
Аноним 19/10/17 Чтв 13:59:10 82113232
>>820997
еее дохлый формат
неужели не успели выпустить ПЛЕЕРА для элькассет а-ля вокман?
думаю, самый слимовый вариант теоретически был бы размером с книжку
Аноним 19/10/17 Чтв 14:28:50 82113433
PICT0684.JPG (479Кб, 1893x1420)
1893x1420
>>821132
>дохлый формат
зато в расии "живой" формат был.
Аноним 19/10/17 Чтв 14:31:44 82113634
gcJEZYmb6tc.jpg (122Кб, 585x1040)
585x1040
>>821132
я думаю размер кассеты говорит сам за себя
Аноним 19/10/17 Чтв 16:17:50 82114435
PICT0602.JPG (493Кб, 1520x2027)
1520x2027
>>821136
О чём в совке даже не мечтали.
Аноним 19/10/17 Чтв 17:52:52 82114936
C3qv0L-aGU0.jpg (112Кб, 1280x720)
1280x720
есть два стула преды Marantz sc 1000 и Accuphase C-240
какой выбрать. Исходя из него будет комплектоваться стойка.
Аноним 19/10/17 Чтв 17:59:16 82115037
>>821149
акуфейс вроде как выше классом
Аноним 19/10/17 Чтв 18:05:57 82115138
Аноним 19/10/17 Чтв 20:18:19 82116239
Что за проклятая аудиокассета у меня такая? Одна-единственная TDK D90 выпуска этак 2001 года, причем недавно распечатанная, но хоть выкинь к хуям. ТУГАЯ БЛДЖАД!11 Да настолько, что с ней начинают тянуть или вообще отказываются мотать практически все мои плееры! Один, у которого датчик автостопа только с одной стороны, умудрился из-за этого зажевать ее уже в 3 местах и теперь эту кассету я юзаю только для тестовой записи всякой хуиты. Реально карандашомпальцами пробуешь мотать и чувствуешь, как она сопротивляется с сильным трением. Чсх, стационарная дека прогоняет и перематывает ее как по маслу! Не пойму, что с кассетой не так? Ну остальные же d90 нормальные. Уже даже прозрачные прокладки по бокам заменил - вроде сначала стало лучше, а теперь опять тугая. Корпус как корпус, лента как лента вроде - сама по себе трется штоле?
Аноним 19/10/17 Чтв 20:39:46 82116640
05 SONY EL-D8 1[...].jpg (245Кб, 1402x804)
1402x804
sonyeld81.jpg (65Кб, 770x512)
770x512
Аноним 19/10/17 Чтв 23:59:12 82118141
>>821151
>490,000
>Out:1.5V
>13.5kg
Внутри всё из золота.
Аноним 20/10/17 Птн 00:05:13 82118242
big (1).jpg (43Кб, 720x510)
720x510
>>821151
>учитывая ухудшение качества звука из-за материала припоя, что является проблематичным с общей пайкой Я сделаю это.
Круто.
Аноним 20/10/17 Птн 00:13:48 82118543
>>821162
Это ты тугой, раз у тебя даже нечем сфоткать.
Аноним 22/10/17 Вск 00:34:52 82141544
2.1.jpg (224Кб, 1200x1200)
1200x1200
Аноним 22/10/17 Вск 23:12:16 82151345
>>821415
Какая же охуенная была фирма. Ностальгирую по своему TS12+, жалею, что продал.
Аноним 24/10/17 Втр 22:46:19 82175746
^AB07E8B25F9593[...].jpg (119Кб, 1200x675)
1200x675
>>820631 (OP)
Когда ездил на историческую родину, слушал на этой аппаратуре Наутилус на кассете.
Аноним 25/10/17 Срд 09:45:04 82182947
>>821757
>Наутилус
И он уже тогда был раритетом.
Аноним 25/10/17 Срд 09:47:05 82183048
PICT0914.JPG (241Кб, 1360x1020)
1360x1020
Замена головки.
Аноним 25/10/17 Срд 12:26:11 82184249
>>821829
Фотка начала 2017 года.
Аноним 25/10/17 Срд 19:26:01 82187950
9hq.jpeg (118Кб, 500x500)
500x500
Samsung MCD-CM150.
нашел в шкафу. как мне дал его одноклассник в 2002-ом на неделю, так он у меня и остался.
ну вряд ли хорошая вещь оказалась бы у малолеток. плеер говно, да?
Аноним 25/10/17 Срд 19:56:19 82188351
CameraZOOM-2017[...].jpg (713Кб, 2048x1536)
2048x1536
>>821879
лол, он зараза еще и работает
Аноним 26/10/17 Чтв 00:18:48 82192352
>>821879
>>821883
К сожалению, гнусмас никогда не умел в звук. Но чисто для фана сойдёт.
Аноним 26/10/17 Чтв 00:58:56 82193053
Аноним 26/10/17 Чтв 10:07:28 82194154
>>821883
Подумал что это роюбот-пылесос.
Аноним 27/10/17 Птн 03:09:13 82209755
>>821830
операционник втулил? не по канону!
Аноним 27/10/17 Птн 16:02:43 82215356
PICT0920.JPG (150Кб, 1360x1020)
1360x1020
>>822097
Тоже так думал, но других вариантов нет.
И 4 дорожки!! тоже это плюс.
Аноним 29/10/17 Вск 13:54:19 82236757
132714814200005[...].jpg (72Кб, 800x600)
800x600
Антон 29/10/17 Вск 15:25:39 82237258
bAcSDrhPwuI.jpg (1106Кб, 1509x2160)
1509x2160
Такс. Гуглил долго и усиленно, но ответа так и не нашёл.
Вопрос следующий - можно ли проносить компакт-диски через рамку металлодетектора на пункте досмотра багажа в аэропорте? Не навредит ли им это?
Намечаю эпохальный переезд в другой город, а что делать с коллекцией музла из двухсот компактов - не знаю.
всем заранее спасибо.
Аноним 29/10/17 Вск 17:11:11 82237559
>>822372
транспортной компанией отправь

а так им ничего не будет, они алюминиевые внутри

далеко ли собрался?
Аноним 29/10/17 Вск 17:17:35 82237860
>>822375
какие ещё алюминиевые?
из Ростова в Питер
Аноним 29/10/17 Вск 18:26:01 82239261
>>822378
алюминий покрытый пластиком (cd-r)
а вот cd-rw уже полимерные
Аноним 30/10/17 Пнд 01:38:07 82243462
>>822367
Кассетник говно (ЛПМ там, емнип, мадьярский), а в остальном ровная вещица для того времени.
Аноним 30/10/17 Пнд 02:27:37 82243563
>>822372
>можно ли проносить компакт-диски через рамку металлодетектора на пункте досмотра багажа в аэропорте?
ДА!
>>822372
>е навредит ли им это?
НЕТ!
Аноним 30/10/17 Пнд 02:29:08 82243664
>>822378
>какие ещё алюминиевые?
обыкновенные алюминиевые.некоторые блатные (всмысле хорошие) издания были на золотой фольге.
>>822392
>cd-rw уже полимерные
не совсем, там тоже сплав, только состояние меняет под действием лазера.
Аноним 30/10/17 Пнд 22:13:21 82254965
Аноним 31/10/17 Втр 01:03:22 82256566
Aiwa Walkman Fu[...].jpg (245Кб, 960x1280)
960x1280
>>822434
>Кассетник говно
Ну ты сказанул, для 1980 года кассетники это мечта.
По тому что кОтушками кормили до середины 90х
и с ненавистью смотрели на 22 катушки,
а сейчас они в цене.
Аноним 31/10/17 Втр 11:29:36 82258767
>>822565
В этом комбайне "мечта" была, увы, не оче. Ресивер и вертак норм.
Аноним 31/10/17 Втр 13:14:08 82259168
6Qq-apBW1Gs.jpg (118Кб, 1280x720)
1280x720
бамп
Аноним 31/10/17 Втр 13:53:30 82259969
Где в Минске можно занидороха купить новые т. е. неюзаные вставки для звукоснимателей ГЗМ-x05/x55? Может на жданах у кого есть?
ато жаба давит для совкобарахла с винилом "мелодия" покупать новый картридж за 50$ или больше
Аноним 31/10/17 Втр 22:21:36 82269870
>>822587
Там головка плохая была, а сам ЛПМ
тот же применялся и в ВЕГЕ и в РАДИОТЕХНИКА
пока аж совок не развалился, да мы эту ЛПМ
не ценили, но зря оказывается, ссср был хуже её.
>>822599
http://skylots.org/
Аноним 31/10/17 Втр 22:36:43 82269971
>>822698
> http://
Э не, я хочу по-дИдовски - просто подъехать и купить.
Аноним 31/10/17 Втр 22:58:46 82270472
>>822699
>по-дИдовски
Не думал что ты из тайги.
У нас за день через всю Украину доходит.
Аноним 31/10/17 Втр 23:33:39 82272373
>>822704
Ну так и Украина по территории маленькая, с тенденцией к дальнейшему уменьшению.
Аноним 31/10/17 Втр 23:44:15 82272674
И тут умудрились вклиниться какие-то порашники.
Аноним 01/11/17 Срд 00:07:10 82273075
Аноны, где звук будет лучше:
1) FiiO x1 II
2) Zishan Z2
Слушаться будут преимущественно mp3 выского битрейта и если они совсем шлак закачаю лосслесс.
НАУШНИКИ HyperX Cloud Core.
Аноним 01/11/17 Срд 01:11:43 82274376
Jac8ovJt.png (128Кб, 512x512)
512x512
Хули эти иголки для винила ТАКИЕ дорогущие, они из настоящих алмазов вручную делаются штоле или там демпфер из соплей девственницы? Смотрю новые бошки в продаже - самая пилящая дешмань 30 баксов, средненькие 50-100, дальше 150, 200, 300, 350, эээ куда блэт? Хуй там, это для нищуков, дальше идут ололо с подвижной катушкой за 400, 700, 1000 и - вершина ебанатства - Rega Aphelion за... ЧЕТЫРЕ С ПОЛОВИНОЙ КИЛОБАКСААААААААААААА!!!!!11111 Ну как такая хуйнюшка может столько стоить? Это же сраная иголка с кусочком технического алмаза и катушками, а не золотой слиток!11 Винилоёбы там совсем-совсем туттуру?
и это я ещё вертаков и усилков не касался
Аноним 01/11/17 Срд 06:33:30 82275877
>>822730
https://ru.aliexpress.com/item/USB-2-0-Sound-Card-6-Channel-5-1-Optical-External-Audio-Card-SPDIF-Controller-CM6206/32688311587.html?spm=a2g0v.10010108.1000016.1.60d1537bRJWGSr&isOrigTitle=true

https://www.ebay.com/itm/HOT-Red-Behringer-U-CONTROL-UCA222-USB-Audio-Interface-Adapter-in-Box-newf/362085927838?_trkparms=aid%3D111001%26algo%3DREC.SEED%26ao%3D1%26asc%3D20160727114228%26meid%3Df9eb09f9a170431b8d1ffc2784ef3b64%26pid%3D100290%26rk%3D3%26rkt%3D4%26sd%3D222440803328&_trksid=p2060778.c100290.m3507
Аноним 01/11/17 Срд 06:34:56 82275978
>>822743
>быть говнопластинкоговноедом, когда давно завезли цифру
>2017
Аноним 01/11/17 Срд 08:08:53 82276379
Аноним 01/11/17 Срд 11:21:29 82277780
Аноним 01/11/17 Срд 11:42:34 82277981
gzm.jpg (377Кб, 1224x1632)
1224x1632
>>822763
> лет на 10
А вот видел ровно тогда конец октября 2007 на радиорынке в одном павильоне новые совкоголовки в упаковке, даже сфоткал всё это. Чот тоже дораховато было. Курс даляра был 2150. Теперь жалею, что не купил. :с
Аноним 01/11/17 Срд 16:34:51 82281782
>>822723
>по территории маленькая
Меньше Словакии?
смотрите путинские сми...
Аноним 01/11/17 Срд 16:39:31 82281883
04.04.2015 19.3[...].jpg (112Кб, 808x619)
808x619
>>822779
Жадный платит дважды.
Аноним 01/11/17 Срд 18:29:51 82283684
>>822698
Веги (ну, может, 120-я ещё туда-сюда) с Радиотехниками тоже не бриллианты. Яуза-220 с нихонским ЛПМ была ничотак, среди Маяков что-то приличное встречалось (чья механика в них ставилась - не знаю). Вильмы и Рапри считались хорошими, но у меня их не было, поэтому ничего о них сказать не могу.
Аноним 02/11/17 Чтв 13:57:24 82291285
Норм такую цепочку перекотов я вытянул.
чсх, сабжем сначала была санса

https://arhivach.org/thread/33233/
https://arhivach.org/thread/53144/
https://arhivach.org/thread/61543/
https://arhivach.org/thread/107046/
https://arhivach.org/thread/109742/
https://arhivach.org/thread/133651/
https://arhivach.org/thread/144098/
https://arhivach.org/thread/156318/
https://arhivach.org/thread/158943/
https://arhivach.org/thread/208510/
https://arhivach.org/thread/232496/
https://arhivach.org/thread/245190/
https://arhivach.org/thread/305575/
https://arhivach.org/thread/305576/
Аноним 02/11/17 Чтв 15:25:14 82292786
maxresdefault.jpg (68Кб, 1024x768)
1024x768
>>822779
Тоже вспомнил, как в еще более далеком 2004-м на базаре с какой-то дури продавали головы для винила. Мне тогда нужна была пьезобошка типа пикрелейтеда, и чсх она там была! это потом я узнал, какая это параша и КАК я зогпилил ей с десяток чуть ли не минтовых винилов, после чего выкинул тот вертак и купил такой же совок, но классом повыше с алмазной иголкой и малым прижимом Но главное не про это. Когда я покупал ту пьезобошку, продавщица по ошибке выдала мне соседнюю, совсем другую - кажется, именно что охуенную ГЗМ-128 в пакетике, которая стоила в 6 раз дороже! Сука, такую халяву проебал! :С Щас бы с ней и сидел, ну риали.
или если бы я не сказал ОЙ ВЫ НЕ ТО ДАЛИ, МНЕ ВО ЭТО ПЬЕЗОГАМНО и спокойно сунул в карман гзмку, она бы потом все равно заметила свой фейл?
чсх, та баба до сих пор торгует в том же киоске, но никакой винилохуйни там давно нет, одни флешки и аккумы
Аноним 02/11/17 Чтв 18:26:43 82294187
>>822927
>ГЗМ-128
Самое достойное из совецкого, даже за нерабочие барыги сейчас дерут конскую деньгу.
Аноним 02/11/17 Чтв 18:48:04 82294488
155.jpg (25Кб, 227x222)
227x222
205.jpeg (70Кб, 535x528)
535x528
>>822763
> baraholka
Ну ладно, ок.
Так,
> Новые иглодержатели ИГЗМ-155-II
> В наличии только иголки ИГЗМ 155-ll, да и те скоро кончатся

> Иглодержатель (вставка) к ГЗМ 005,105,205, новые, 25 рэ
> на этикетках видно ГЗМ-205/С
Второй вариант совсем хрень или норм?
Аноним 02/11/17 Чтв 18:48:39 82294589
Аноним 02/11/17 Чтв 18:50:15 82294690
>>822945
Фабрику в апрелевке лучше бы возродили, было бы хоть говно, зато за 1$ штука.)0
Аноним 02/11/17 Чтв 19:47:28 82295791
>>822944
А ёпта, первый продавец похоже в Риге и только почтой отправляет, а второй неделю тему не апал. :с
Аноним 02/11/17 Чтв 21:51:09 82300292
Аноним 02/11/17 Чтв 22:05:16 82301093
>>823002
https://baraholka.onliner.by/viewtopic.php?t=18760411
Хм, телефон один и тот же, а юзеры разные. Гуглёж номера выводит на какого-то ИП на Тимирязева, 127. Но это же радиомаркет в жданах, то что надо! :3
Интересно, какой павильон? Скорее всего, либо тот с олдфажной техникой, где всякие усилки, бобинные мафоны и приёмники ВЭФ стоят, либо другой с совковыми радиодеталями в спичечных коробках, больше продавцов старья там не припомню.
звонить как-то не хоцца, но придётся
Аноним 03/11/17 Птн 00:29:19 82304294
>>822836
>Радиотехниками тоже не бриллианты
Просто им головки никто не ставил, тупые были.
Аноним 03/11/17 Птн 00:43:04 82305995
Technics sl-1900.jpg (122Кб, 768x568)
768x568
>>822945
>а общий тираж в этом году обещает достичь 30 миллионов.
КТО БЫ МОГ ПОДУМАТЬ
>>822946
Они криворукие.
Так и кассеты через 10 лет
делать начнут!!!!!!!
Аноним 03/11/17 Птн 14:52:56 82313296
>>823010
> радиомаркет в жданах
Упс, облом. :С Позвонил - исесина, нихуя не рынок, нужно ехать к тому мужику на квартиру где-то на карастояновой, причём обязательно после работы, часов в 5-6. Ну охуеть теперь. Хотя цена сама по себе норм - всего 26р за неюзаную вставку под ГЗМ-x05, джве купил бы.
сук, неужели придётся таки покупать целый новый картридж уровня тех самых ГЗМ типа RadiotehnikaAudio-Technica AT95E за 87 рублёў?
Аноним 04/11/17 Суб 21:14:38 82334397
кассеты-2011.jpg (734Кб, 2048x1536)
2048x1536
Вот, конец апреля 2011 года, буквально вчера. Кассет сука было завались и разных фирм. По местным ценам - 1-2$ за штуку. Наступил 2к17 - нулевАчка, зэээро. Как будто валики Эдисона хочешь купить.
Аноним 04/11/17 Суб 22:09:53 82334498
>>823343
а в чем смысл дроча на кассеты?
они же хуже винила и сд?
Аноним 04/11/17 Суб 22:21:31 82334599
>>823344
> дроча на кассеты
А хз. Может тому що можно записать что угодно и когда угодно и даже слушать на девайсах, влезающих в карман. Да еще и какчество норм может выйти уровня mp3 160кбит)0)
фетишизм, синдром утенка
Аноним 04/11/17 Суб 22:29:58 823349100
>>823345
> фетишизм, синдром утенка
АААА АНО КРУТИЦА 0_о звук в реальном времени издает няяяя :3 ^_^))0)xD
Аноним 04/11/17 Суб 22:46:20 823353101
>>823349
>>823345
Помню, когда появился CD - сразу звук стал как небо и земля.
На кассете ниже 60гц и выше 15кгц не было.
Кроме того заёбывало мотать постоянно до нужного трека
Аноним 04/11/17 Суб 22:57:11 823363102
Аноним 04/11/17 Суб 23:06:01 823366103
-eQewYiDDBY.jpg (25Кб, 429x429)
429x429
>>823343
надо было скупать массово в начале нулевых. Сейчас был бы миллионэром.
Аноним 04/11/17 Суб 23:37:59 823371104
>>823344
а в чем смысл дроча на старинные монеты?
они же хуже доллара и кредитных карт?
Аноним 04/11/17 Суб 23:40:53 823372105
1252078124vinta[...].jpg (105Кб, 500x672)
500x672
>>823366
Да люди очень тупые в массе своей.
И самого умного который поступит умно,
назовут идиотом.
Аноним 04/11/17 Суб 23:43:12 823373106
u6uf.jpg (113Кб, 800x601)
800x601
>>822945
Спасибо что на западе есть частная собственность.
Ещё машин старинных не хватает, уже дороже новых.
Аноним 04/11/17 Суб 23:53:59 823375107
71c0d1a7082.jpg (98Кб, 564x848)
564x848
Аноним 05/11/17 Вск 13:59:45 823417108
Аноним 05/11/17 Вск 15:29:55 823432109
5GbvZ-Xd1DY.jpg (966Кб, 1620x2160)
1620x2160
nk0sdcK6NGE.jpg (576Кб, 1620x2160)
1620x2160
03016402.jpg (81Кб, 1000x750)
1000x750
4d633fb210d4027[...].png (934Кб, 1165x885)
1165x885
Подскажите как подключить старые колонки к Сабу (Defender Hollywood 35) с разъемом RCA. Контакты нужно вставить в колонки, это я знаю, но какой кабель нужно использовать, потому что в продаже все идут 2x RCA. А мне нужен он один на конце, чтобы вставить в саб, то есть кабель из трёх составляющих видимо должен быть? Может как 3 пике такой подходит? Или же из двух составляющих, RCA-RCA, но единственный который я нашёл нельзя разделить и вытащить контакты (4 пик). Пожалуйста, подскажите, кто знает
Аноним 05/11/17 Вск 19:21:13 823524110
>>823432
что значит к сабу? к сабвуферу?
Аноним 06/11/17 Пнд 05:14:53 823567111
Аноним 06/11/17 Пнд 12:04:45 823583112
Аноним 06/11/17 Пнд 13:21:04 823597113
Аноним 06/11/17 Пнд 22:17:20 823714114
>>823597
купи усилитель, ёба
Аноним 07/11/17 Втр 18:38:28 823859115
04.11.2017 13.3[...].jpg (170Кб, 1212x900)
1212x900
Из Японии приехал и рассказать нечего?
Аноним 08/11/17 Срд 10:48:54 823992116
iRQulxp3KE4.jpg (84Кб, 585x1040)
585x1040
uqaLpKnoeB8.jpg (73Кб, 585x1040)
585x1040
yQulwwgAKwY.jpg (88Кб, 585x1040)
585x1040
>>823859
собрал стойку. тестирую что как.
Аноним 08/11/17 Срд 13:09:42 824009117
20171105152411.jpg (1884Кб, 2560x1920)
2560x1920
20171105152421.jpg (1686Кб, 2560x1920)
2560x1920
20171105152453.jpg (1880Кб, 2560x1920)
2560x1920
20171105152459.jpg (2001Кб, 2560x1920)
2560x1920
Аудиоанон, подскажи - почем можно адекватно продать колонки? Вообще не представляю их цены и сколько нужно скинуть за косяки с подвесами (уже спрашивал, но потерял тред)
Аноним 08/11/17 Срд 13:21:55 824010118
$1.jpg (15Кб, 400x400)
400x400
>>820631 (OP)
Заказал две такие няши. Жду.
Аноним 08/11/17 Срд 13:28:22 824011119
>>824009
Это же клон otto/fisher p1
Штук 30-40 проси
Аноним 08/11/17 Срд 13:53:39 824015120
>>823432
Долбоеб, ты не мог достать провода? Дерьмо тупое, нахуй ты пыхнул в наклейку так, чтоб нихуя не было видно? Если там тюльпаны на левый/правый фронта и тылы, то просто берешь то, что у тебя сейчас воткнуто, оголяешь с другой стороны, пихаешь в колонку. С белой полосой в красную клемму, сплошную в черную.
Аноним 08/11/17 Срд 14:47:58 824026121
>>823992
Бобинник хорошо смотрится, жаль фотки нет.
Аноним 08/11/17 Срд 16:51:41 824052122
IMG2348.JPG (3364Кб, 3888x2592)
3888x2592
IMG2349.JPG (4137Кб, 3888x2592)
3888x2592
Раз уж тут был анон с самсунгом, то и я попрошу оценить мой плеер.
А еще подскажите, есть ли смысл менять усилитель на современный из нищебродского сегмента в $500? Не очень хочу заморачиваться с винтажной японией в моих ебенях такого почти не купить, а совок заебал быть неудобным ломучим говном.
Аноним 08/11/17 Срд 17:05:51 824054123
Аноним 08/11/17 Срд 17:13:30 824055124
.jpg (102Кб, 1280x720)
1280x720
>>824052
У меня была моделька младше. Приятная, тонкая и громкая машинка ну,
мне тогда было норм
.
Аноним 08/11/17 Срд 17:17:08 824059125
Аноним 08/11/17 Срд 17:24:33 824061126
>>823992
Охуенный соневский вертак.
Аноним 08/11/17 Срд 18:17:46 824064127
8ом.jpg (357Кб, 1620x2160)
1620x2160
усил.png (53Кб, 1314x314)
1314x314
>>824015
Не ругайся, пожалуйста. Поясни, если не сложно, за сопротивление на колонках и встроенном в саб усилителе. В инструкции нигде не сказано сколько Ом в усилителе. Как узнать, может ли саб нахуй сгореть, если я воткну две таких колонки в него?
Аноним 08/11/17 Срд 20:45:00 824102128
>>824052
Хорошая модель, но комплектные наушники очень плохие. Не понимаю, как ты слушаешь в них.
Аноним 09/11/17 Чтв 14:25:11 824196129
>>824054
Нудное и однообразное,
как внешний вид кассет, тейпрекордеров из 90х
Аноним 09/11/17 Чтв 18:51:42 824265130
>>823353
>заёбывало мотать постоянно до нужного трека
истинный мастер мог карандашом домотать до нужного трека
Аноним 09/11/17 Чтв 19:53:10 824277131
>>824055
>тонкая и громкая машинка
До сих пор поражает, как они привод сделали меньше двух коробок от сд. Да и время работы было просто нереальным.

>>824059
Ты же троллить пытаешься, да?

>>824102
На то время и комплектные были весьма неплохи. Дома я еще koss ur-20 пользовал, но это только чтоб басы качали.
>Не понимаю, как ты слушаешь в них.
Да уже и не пользуюсь почти им.
Аноним 09/11/17 Чтв 20:50:53 824283132
>>824277
>Ты же троллить пытаешься, да?
почему?
Аноним 09/11/17 Чтв 21:33:21 824303133
>>824011
>Это же клон otto/fisher p1
нет
>Штук 30-40 проси
это если в идеале, а за дрова на фотке больше 15 врядли дадут
Аноним 09/11/17 Чтв 21:54:26 824326134
Аноним 10/11/17 Птн 00:21:20 824368135
>>824265
>истинный мастер
Наркоман ты хотел сказать.
Аноним 10/11/17 Птн 00:24:46 824370136
вега 120 1.JPG (205Кб, 1360x1020)
1360x1020
Аноним 10/11/17 Птн 13:28:23 824420137
etk2bgVwIhA.jpg (130Кб, 585x1040)
585x1040
В ожидании нового хозяина
Аноним 10/11/17 Птн 13:51:37 824423138
>>824420
Я даже сомневаюсь что у всех вкусы равны.
Одному не понравится CD другому бобинник.
Жаль что у тебя даже копеечного фотика нет.
Аноним 10/11/17 Птн 14:23:15 824428139
>>824423
CD идет в довесок, скорее как бонус. Комплект подбирался исходя от желаний заказчика. Сегодня должен купить если все понравиться, от сделки я получу % По поводу камеры я писал уже, вынужден прогонять через вк для анонимности.
Аноним 10/11/17 Птн 15:33:30 824448140
>>824428
>вынужден прогонять через вк для анонимности
Наркоман? Просто чисти экзиф и всё.
Аноним 10/11/17 Птн 16:00:53 824453141
Аноним 10/11/17 Птн 16:37:30 824458142
хуйцы-1.jpg (127Кб, 800x559)
800x559
хуйцы-2.jpg (139Кб, 800x551)
800x551
Чот в гилас.
Аноним 10/11/17 Птн 17:39:37 824464143
>>824458
>нам помогайте связать
>связист: тян
Хм.
Аноним 10/11/17 Птн 18:39:26 824480144
Аноним 11/11/17 Суб 00:09:18 824556145
>>824428
>получу %
А самому тоже лень торговать?
Аноним 11/11/17 Суб 02:10:14 824566146
>>824368
хз как на ваших мальдивах, а в моих реалиях средствами плеера никто кассеты не перематывал, так как из-за перемотки батарейки садились в разы быстрей.
Аноним 11/11/17 Суб 16:52:11 824624147
>>824265
Не, самый труЪ-мастер имел плеер с автопоиском треков по паузам!
Аноним 11/11/17 Суб 16:56:43 824625148
un1.png (21Кб, 593x292)
593x292
un2.png (12Кб, 333x244)
333x244
un3.png (11Кб, 333x201)
333x201
un4.png (10Кб, 333x190)
333x190
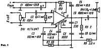
Улучшеніе параметровъ усилителя на К174УН7

Непрерывно расширяющійся ассортиментъ спеціализированныхъ микросхемъ, казалось бы, долженъ ограничить творчество радіолюбителей. Дѣйствительно, такія микросхемы обычно оріентированы ихъ разработчиками на рѣшеніе въ радіоэлектронной аппаратурѣ одной конкретной задачи или, въ лучшемъ случаѣ, узкаго круга задачъ. Вотъ почему радіолюбителямъ и радіоконструкторамъ вродѣ бы остаются лишь творческія "игры в кубики" - комбинировать узлы на микросхемахъ, собранные по типовымъ схемамъ включенія.
Однако духъ рубрики "Радіолюбитель ставитъ экспериментъ", которая когда-то болѣе или менѣе регулярно появлялась на страницахъ нашего журнала, не умираетъ въ сердцахъ нашихъ читателей. Свидетельство тому - публикуемая здѣсь статья В. Громова и А. Радомскаго, на которую, какъ намъ кажется, должны обратить вниманіе не только радіолюбители, но и профессіоналы - какъ разработчики аппаратуры, такъ и создатели микросхемъ. Мы ждёмъ ихъ откликов на ту публикацію - вѣдь микросхема К174УН7 весьма широко примѣняется въ бытовой радіоаппаратурѣ.
Ну, а ко всѣмъ читателямъ обращаемся съ предложеніемъ - вести эксперименты какъ по совершенствованію типовыхъ схемъ включенія спеціализированныхъ ИМС, такъ и по ихъ использованію въ нетиповыхъ схемахъ включенія (реализація новыхъ функцій и т. д.). Однако, получивъ интересный положительный эффектъ, не торопитесь писать въ редакцію: провѣрьте его воспроизводимость на несколькихъ экземплярахъ микросхемъ.
Въ настоящее время усилители мощности звуковой частоты (УМЗЧ) малогабаритной радіоаппаратуры довольно часто строятъ на основѣ спеціализированной интегральной микросхемы (ИС) К174УН7 [1 ]. Однако ея примѣненіе, безъ сомнѣнія, было бы ещё болѣе широкимъ, если бы не большія нелинейныя искаженія (въ типовомъ включеніи - до 10 % при выходной мощности 4,5 Вт на частотѣ 1 кГц и напряженіи питанія 15 В) и недостаточно высокое въ нѣкоторыхъ случаяхъ входное сопротивленіе (50 кОм). Не удивительно поэтому, что радіолюбители ищутъ пути сниженія нелинейныхъ искаженій, предлагая, напримѣръ, замѣнить цѣпь вольтодобавки стабилизаторомъ тока на полевомъ транзисторѣ [2]. Къ сожаленію, провѣрка рекомендацій, предложенныхъ въ [2], показала, что ихъ реализація ведётъ не столько къ уменьшенію искаженій, сколько къ сниженію максимальной мощности, отдаваемой въ нагрузку.
При испытаніяхъ нѣсколькихъ экземпляровъ ИС К 174УН7 выяснилось, что наиболѣе характерныя искаженія ея выходного напряженія проявляются въ "скругленіи" или явномъ ограниченіи отрицательнаго полуперіода сигнала. Въ связи съ этим была провѣрена эффективность такой мѣры, какъ примѣняемая въ нѣкоторых промышленныхъ аппаратахъ регулировка режима ИС по постоянному току подачей на ея выводъ 7 (черезъ резисторъ сопротивленіемъ 3...6,8 кОм) напряженія съ регулируемаго делителя. Провѣрка показала, что и эта мѣра практически не снижаетъ коэффиціента гармоникъ и не увеличиваетъ неискажённаго выходного напряженія, а лишь позволяетъ добиться симметричнаго его ограниченія.
Варіантъ УМЗЧ, собранный по схемѣ на рис. 1, обладаетъ значительно лучшими характеристиками, чѣмъ типовой на указанной ИС. Одно изъ его отличій отъ типового - дополнительная ООС черезъ резисторъ R6.
Подключеніе послѣдняго непосредственно къ головкѣ громкоговорителя уменьшаетъ неравномѣрность АЧХ и нелинейныя искаженія, обусловленныя наличіемъ конденсатора С9. При сопротивленіи резистора R6, указанномъ на схемѣ, напряженіи питанія 15 В и выходной мощности 4 Вт (на нагрузкѣ сопротивленіемъ 4 Ом) номинальное входное напряженіе устройства - 120 мВ.
Кромѣ того, для сокращенія числа номиналовъ ёмкость оксиднаго конденсатора С3 въ цѣпи ООС уменьшена до 100 мкф (неравномѣрность АЧХ въ діапазонѣ частотъ 40...20 000 Гц при этомъ не превышаетъ 0,4 дБ).
Главное же отличіе этого УМЗЧ - въ сопротивленіи резистора R2 (въ типовомъ включеніи ИС оно равно 47 кОм). Въ ходѣ экспериментовъ было замѣчено, что этотъ резисторъ очень существенно вліяетъ на искаженія и его подборомъ можно значительно увеличить выходное напряженіе УМЗЧ. (Изъ десяти испытанныхъ ИС только двѣ не потребовали подбора резистора R2, т. е. измѣненія его сопротивленія относительно типового; сопротивленіе резисторовъ для остальныхъ ИС колебалось въ предѣлахъ 0,1...1 МОм).
На рис. 2 показана зависимость максимальной выходной мощности Рmax и коэффиціента гармоникъ Кг отъ напряженія питанія Uпит (искаженія измѣрялись при Рmax, соотвѣтствующей данному напряженію Uпит). Параметры оцѣнивались на частотѣ 1 кГц при двухъ значеніяхъ сопротивленія резистора R2: типовомъ (47 кОм) и оптимизированномъ по максимальной мощности (750 кОм). Мощность Pmax опредѣлялась максимальнымъ выходнымъ напряженіемъ, на осциллограммѣ котораго искаженія ещё не были замѣтны на глазъ (каковы были эти искаженія въ дѣйствительности, показываютъ кривыя Кг).
Какъ видно изъ рис. 2,при Uпит=15 В подборомъ резистора R2 удалось увеличить Рmax на 1,5 Вт при одновременномъ сниженіи коэффиціента гармоникъ почти въ 3,5 раза, а при Uпит=18 В - примѣрно на 3 Вт при сниженіи К,. почти втрое. (Очевидно, что при одинаковыхъ искаженіяхъ выигрышъ въ мощности Рmax был бы ещё больше). Полученный результатъ говоритъ самъ за себя, если учесть, что испытанная ИС была вполнѣ кондиціонной: при Uпит=15 В, R2=47 кОм и выходной мощности Рвых=4,5 Вт ея коэффиціентъ гармоникъ не превышалъ 7,2 % (послѣ подбора резистора R2 онъ уменьшился до 1,1 %).
Зависимости Рmax (Uпит) и Кг (Uпит) УМЗЧ съ оптимизированнымъ сопротивленіемъ резистора R2 (750 кОм) были сняты также на частотахъ 60 Гц и 5 кГц (рис. 3). Уменьшеніе Рmax на низшихъ частотахъ обусловлено вліяніемъ ёмкости конденсатора С9 (1000 мкФ). При сопротивленіи нагрузки Rн=4 Ом его ёмкость желательно увеличить хотя бы до 2000 мкф.
Кривыя, изображённыя на рис. 4, иллюстрируютъ зависимость КПД и тока покоя Iо отъ напряженія питанія Uпит при тѣхъ же двухъ сопротивленіяхъ резистора R2. Нетрудно видѣть, что при R2=750 кОм повышается и КПД, причёмъ ощутимый выигрышъ получается при Uпит>10 В.
Для выявленія реальной зависимости коэффиціента гармоникъ Кг отъ уровня выходной мощности Рвых экземпляръ ИС со средними параметрами былъ испытанъ при Uпит=15 В, Rн=4 Ом, С9==4000 мкФ и R2=R2опт=510 ком (рис. 5). Какъ видно, при Рвых=4 Вт коэффиціентъ гармоникъ УМЗЧ, собраннаго на этомъ экземплярѣ ИС по схемѣ на рис. 1, въ діапазонѣ частотъ 60...10 000 Гц не превышаетъ 3 %.
Входное сопротивленіе самой ИС К174УН7 было разсчитано по результатамъ измѣренія входного сопротивленія УМЗЧ (при отключенномъ регуляторѣ громкости), выполненнаго на экземплярѣ, для котораго R2опт=750 кОм. Оказалось, что въ діапазоне частотъ 50...15 000 Гц входное сопротивленіе ИС превышаетъ 30 МОм. Иначе говоря, входное сопротивленіе УМЗЧ практически равно сопротивленію резистора R2 и при необходимости можетъ быть значительно больше 50 кОм.
При конструированіи стереофоническаго УМЗЧ можетъ случиться, что оптимальныя сопротивленія резисторовъ R2 въ лѣвомъ и правомъ каналахъ окажутся разными. Для полученія идентичныхъ АЧХ выходное сопротивленіе предшествующаго каскада въ этомъ случаѣ должно быть меньше сопротивленія резистора R2, а ёмкость раздѣлительнаго конденсатора С2 - такой, чтобы въ каналѣ съ меньшимъ сопротивленіемъ резистора не наблюдался замѣтный спадъ АЧХ на низшихъ частотахъ (въ большинствѣ случаевъ достаточно взять С2==0,47...1 мкФ).
УМЗЧ хорошо работаетъ при питаніи отъ нестабилизированнаго источника, однако, если главнымъ является полученіе максимальной выходной мощности и соотвѣтственно минимальныхъ искаженій при средней, необходимо использовать стабилизаторъ съ выходным напряженіем 17...18 В.
Слѣдуетъ учесть, что при работѣ съ повышенной (до 5...6 Вт) выходной мощностью нужно обезпечить хорошій отводъ тепла отъ ИС, принявъ необходимыя въ такихъ случаяхъ мѣры по сниженію теплового сопротивленія между ея пластинами и теплоотводомъ. Весьма цѣнно то, что поскольку потенціалъ пластинъ ИС (относительно общаго провода) близокъ к 0, въ качествѣ общаго теплоотвода безъ изолирующихъ прокладокъ можно использовать металлическое шасси или другія металлическія детали конструкціи, соединённыя съ общимъ (минусовымъ) проводомъ и обезпечивающія эффективное разсѣяніе тепла.
как-то поехал на теме такой орфографии, теперь перестал)))000)xD
Антон 11/11/17 Суб 19:29:05 824653149
Снимок.PNG (26Кб, 536x439)
536x439
Вопрос немного не в кассу, но всё же поясните ньюфагу - как настроить наушники на винде. (Windows 10)
Если у меня наушники (они у меня вставляются через вход на задней панели, такое уж устройство аудиокарты) то следует ли обозначать их как "широкополосное устройство"?
Вообще, логика подсказывает, что хорошие наушники являются широкополосным устройством, но я хуй знает.
Аноним 13/11/17 Пнд 09:20:20 824902150
Аноним 13/11/17 Пнд 17:22:43 824953151
Аноним 15/11/17 Срд 02:17:38 825154152
Аноним 21/11/17 Втр 20:03:52 826410153
odissey002s4.jpg (65Кб, 1500x748)
1500x748
Аноним 23/11/17 Чтв 16:08:15 826639154
>>826410
Был такой, лучше более позднего 010-го.
Аноним 23/11/17 Чтв 17:46:30 826668155
>>826410
Говно, как и все одисеи.
Аноним 23/11/17 Чтв 22:58:58 826815156
>>826639
Я думаю он более редкий.
>>826668
Только если бы не Горбачёв, сейчас бы и таким радовались.
Аноним 24/11/17 Птн 01:54:35 826830157
image.jpeg (216Кб, 961x550)
961x550
>>826815
Скорее его сложно найти в приличном и полностью рабочем состоянии. Особой редкости за ним не припомню, вот сотый - тот раритетный, да.
Аноним 25/11/17 Суб 02:02:20 826968158
>>826830
>сотый - тот раритетный
КАКОЙ СОТЫЙ??
Что ты несёшь?
Что у тебя на пике это вообще самоделка.
Аноним 26/11/17 Вск 02:03:49 827084159
>>826968
Дас ист нихьт самоделка, а вполне себе заводской Одиссей. На самом деле он - 021-й, но в моей тогдашней мухосрани почему-то его называли сотым. Несколько раз встречал его в продаже, почему-то его всегда быстро раскупали. По звуку не ахти.
Аноним 27/11/17 Пнд 19:28:44 827343160
>>827084
>быстро раскупали
в то время даже соль раскупали.
а так он уровня самоделки, вот почему урапатриоты всегда мутные фотки носят типа жилось круто, фоткать только нечем.
А там будто через бумагу краской надписи делали,
внутри внавесную паралельно транзисторы поспаивали,
нормальных то не было.
и гудит страшно.
Короче страшный как тот комунизм.
и корпус из тончайшей жести
Аноним 28/11/17 Втр 02:22:20 827413161
1954.jpg (368Кб, 1218x911)
1218x911
1954й год чтобы мы без них делали.
Аноним 28/11/17 Втр 18:29:30 827490162
>>827343
>гудит страшно
Да уж, гудели Одиссеи знатно. 002 из них самый цивильный всё-таки (хотя и он говно).
Аноним 28/11/17 Втр 23:28:44 827525163
NpSiIg8egg.jpg (176Кб, 1244x776)
1244x776
Анон, мне не к кому обратиться. Попробую своими словами.
Есть ПК со втроенной звуковухой.
Есть телек.
Есть иксбокс.
И есть аудиосистема 5.1. Какое устройство мне надо купить, чтобы подключить к нему все эти девайсы, и включать звук с каждого из устройство в колонки переключением одной кнопки?
Попытался изобразить на картинке.
Аноним 29/11/17 Срд 20:20:37 827650164
29.11.2017 19.6[...].jpg (160Кб, 1843x929)
1843x929
Есть ли вариант где? скачать пластинку,
а не покупать её?
Аноним 01/12/17 Птн 20:06:32 827973165
Думаю почему импульсные блоки питания не додумались
на ламповую технику ставить?
Ведь лампы на это только и способны, плюс вес очень актуален был, и фон.
Аноним 03/12/17 Вск 16:44:20 828206166
>>827650
Soulseek как вариант.
Аноним 04/12/17 Пнд 14:06:13 828368167
>>827973
>на это только и способны
На что на это?
У триодных усилителей вторая гармошка хорошо маскирует прочие 4-5, а дальше них считай что ничего нет, в отличии от.
Тип их спектр искажений больше похож на спектр искажений динамиков, а не массовых транзисторных усилков.
Прочие не триодные - нинужны, тому що звучок обычный транзисторный неламповый.
Теперь можешь уже запостить эту свою статью с лурочки для дегенератов-шкальников.
Аноним 04/12/17 Пнд 14:24:48 828370168
>>826410
Люминь-морда, кнобы, пимпочки, добра минимум на пару сотен по нынешним временам, если по отдельности закупаться.
Саму морду шлифануть, но остальное нет, всё отдать в чернение-анодирование, потом всё развернуть на 180 градусов, на месте "Одиссей-002" выфрезеровать большое окно 16:9, в него впилить норм IPS экран от тилибона, на экран быстрым процем выводить джва (пять, сколько надо) вертикальных индикаторов уровня в стиле "зелёный норм, красный много".
Хотя все равно будет совочком отдавать - перебор кнопок и ручек.
Так-то тут кнобов и пимп - на пару усилков, только джве морды придётся уже с нуля делать. Один кноб - громкость, второй - баланс, третий - селектор входов, кнопки хз для чего, сами додумайте.
Аноним 04/12/17 Пнд 14:27:15 828371169
>>826410
Надписи белым по анодированному правда я хз как сделать стойкие, тут надо японцам письма слать, они хорошо знают.
Аноним 04/12/17 Пнд 14:42:53 828372170
>>824653
>хорошие наушники являются широкополосным устройством
Являются, но
- Шиндовс может все загадить нечаянно,
- во встройку их сувать точно не нужно
Теперь тебе нужны звуковуха с работающими под Ши10 ASIO драйверами, веселитель для наушников и плеер с ASIO-плюгином.

>>824625
>как-то поехал на теме такой орфографии
всегда хотелось хорошенько уебать по таким, как уберег экран от порчи - даже сам не пойму
Аноним 04/12/17 Пнд 14:47:06 828373171
>>828372
>всегда хотелось хорошенько уебать по таким
кек пашти целый месяц держался и таки порвался)
Аноним 04/12/17 Пнд 20:51:27 828422172
Аноним 04/12/17 Пнд 21:16:24 828425173
estonia 006.jpg (115Кб, 1024x768)
1024x768
>>828368
>Прочие не триодные - нинужны
Тут не в курсе, да.
Аноним 04/12/17 Пнд 21:18:04 828426174
>>828370
Колхозинг никогда не будет в цене.
Аноним 07/12/17 Чтв 15:45:19 828865175
10.12.2014 13.5[...].jpg (232Кб, 1215x914)
1215x914
Аноним 10/12/17 Вск 15:22:42 829249176
>>828368
>Прочие не триодные - нинужны, тому що звучок обычный транзисторный неламповый.
Слушал пентод - вполне себе ламповый звучок.
Аноним 10/12/17 Вск 15:35:30 829257177
>>829249
>ламповый звучок
Что это за фигня, словами можно объяснить или хотя бы запись со смоделированным или реальным ЛЗ запостить? Искажения какие-то особенные?
Аноним 11/12/17 Пнд 22:11:01 829519178
111.jpg (37Кб, 492x306)
492x306
Аноним 13/12/17 Срд 08:53:40 829710179
Что можете сказать про Вега ЭП-110 ? Валяется такая.
Аноним 13/12/17 Срд 17:12:15 829750180
>>829710
Супер вещь вечная, там эпу поляки делали!
Аноним 13/12/17 Срд 23:36:10 829801181
>>829710
106-я с тяжёлым блином лучше, особенно если поставить голову типа градо блэцк или ортофон ред. Но и она на самом деле не фонтан.
Аноним 13/12/17 Срд 23:56:25 829805182
>>829750
>>829801
Ну, для нехардкорного винилоебства пойдет? Там пасек поменять надо, что ещё надо сменить для работы? Головы купить? Какие брать чтобы пластинки не царапало? И предусилитель ещё надо.
Аноним 14/12/17 Чтв 00:57:46 829814183
>>829710
>Что можете сказать про Вега ЭП-110
Типичная ВЕГА. Сборка гавно, пластик гавно... Польское ЭПУ лучшее что в ней есть. Да и оно то ещё говнецо с дохнущими микрухами...
>>829805
>для нехардкорного винилоебства пойдет
Да.
>>829805
>что ещё надо сменить для работы
Если после смены пассика всё работарет, то забить. Главное чтобы скорость держала...

>Головы купить
>чтобы пластинки не царапало
Если оригинальная в порядке то нахуя? Если нет то похуй какую, всё равно лучше не станет. Что нибудь дешовое по типу ЭМЭФ-100

>предусилитель ещё надо
Встроенный есть..

Кароче чтобы послушать сойдёт. Если ебануться в аудиофилию и искать прозрачность с воздушностью то полный шлак.



Аноним 14/12/17 Чтв 02:00:37 829819184
Аноним 14/12/17 Чтв 17:14:04 829888185
>>829814
>с дохнущими микрухами
Даже электролиты не сохнут.
Или у одной тысячной сдохла?
Аноним 14/12/17 Чтв 22:28:36 829933186
>>829814
>Встроенный есть
В 110-й? Вроде нет жи. В 106/206 есть точно.
Аноним 15/12/17 Птн 00:47:34 829959187
>>829814
"Недержание" - проблема поголовно этих эпушек, такое ощущение, что с завода. Вот в 108 добиться неподвижности меток вполне можно было на новых. А на б/у уже сложнее. Скорость надо было подбирать после того, как диск покрутится минуты 2, причем метки начинали бежать в другую сторону при самом малейшем движении крутилки. Но самое херовое, что это все шло по пизде при остановке диска, поэтому выставтв скорость, автостоп приходилось выключать. Так что как правило на это забивался хуй. Но добиться можно было, а на всех 109 метки просто гуляли в разные стороны. Но помимо этого все остальное было збс. Когда тебе школоте с пилорамой третьего класса вместо аертака на халяву отдают в детском саду,где друг работал летом, три 109,110 и108 , счастья не описать. А в целом вполне, опять таки норм звучит, если бошку поменять. А все эти мантры, нахуя сюда норм.бошку, напоминает выскаывания из разряда 'не жили красиво - не хуй начинать'. Не верю, что есть такой вертак, которого бы ладно спасли,но не улучшили бы 95 или 120 аудиотехники. Вот что выше, уже может наверное и перебором быть. Причем заметьте, я не отрицаю , что сдругими вертаками и бошки вышеназванные играть будут куда лучше. Но улучшения по сравнению с унитрой или 205гзмом все равно будет наверняка как при переходе с гзп 301 на эту самую унитру.

А встроенный (обходимый) корректор в 110 кстати был, как был и усилок для наушников.

И напоследок еще один раз. Вега 109 с родными колонками и 95 аудиотехникой- лучший вариант под реквест "Хочу вянил, чтобы все и сразу, искаропки, разбираться влом из аудиоаппаратуры дома только калонки по типу качаю-только-лослесс"
Аноним 15/12/17 Птн 10:53:14 829998188
>>829959
>качаю-только-лослесс
А чому над этим иронизируют? Из лося-то можно сделать что угодно. Вот скажем хранил раньше фонотеку на телефоне в MP3 192 кбит, пожатых из флаков на компе, потом перешёл на OGG 128 - поудалял мр3шки, поконвертил из флаков в него, а теперь обнаружил охуенный формат OPUS, который звучит так же на 96 кбит, пережал из лося уже в него. А так бы пережимал пережатое трижды и получил бы говно в кубе.
Аноним 15/12/17 Птн 13:02:16 830014189
>>829998
иронизируют над известной картинкой-демотиватором.
из беспотерьных кодеков можно слушать напрямую.
Аноним 16/12/17 Суб 02:04:32 830154190
G602.jpg (827Кб, 1600x1081)
1600x1081
>>829959
>"Недержание" - проблема
Пассик вытирай меняй.
Больше ломаться нечему.
Аноним 16/12/17 Суб 15:23:14 830231191
g602.JPG (51Кб, 800x533)
800x533
g602c.jpg (89Кб, 1024x768)
1024x768
>>830154
> Больше ломаться нечему.
Это конечно не Арктур с горящими из-за херового отвода тепла микрохемами стабилизации, но фотодиоды там деградируют со временем и в 602 и в 602С, это известная проблема.

А 602С еще и легкий и зачастую кривой диск имеет, ну и точность стабилизации куда меньше. Просто сравни элементы, задающие световые импульсы в чистой 602 602С унитре.

Но пассики между 602 и 60С свапать не пробовал, честно говоря, говорить не буду. Но из всех вертаков я-таки собрал лучший конструктор. 602 ЭПУшка с лампочкой стробоскопа от 602С (светодиодной, не дающей наводок, как родная неоновая в оригинальной 602) запихнутая в корпус от 110 Веги.
Аноним 17/12/17 Вск 01:50:47 830312192
>>830231
Ну у тебя и проблемы, глядя на второй пик.
Ты как в тайге живёшь.
Вот радиотехника 101 то проблема так проблема,
музыка то идёт то нет, думаю от чего??
как глянул а там пол диска головка вверху парит,
такая кривизна из за конусного одевания их.
Аноним 17/12/17 Вск 13:44:17 830352193
>>830312
Фотки не мои, если что (а стопка Вег и вправду в родном городе в тайге осталась, лол).
Аноним 20/12/17 Срд 22:50:08 830754194
Хочу купить виниловый проигрыватель, чтобы винилово проигрывать. Хочу купить любимые альбомы и чтоб они у меня были, я их иногда слушал, а аудиозадроскую систему за тысячу баксов не хочу. Но и говно за 50 долларов на амазоне тоже выглядит как говно. Где золотая середина? Могу у бабушки стащить что-то совковое, точно правда не знаю что, похоже на "вега", не знаю как оно. Желательно чтоб можно было туда же включать наушники, то есть с каким-никаким усилителем в коробке. А если еще и с таким что колонки можно подрубить то вообще. Насчет теплых ламповых звуков не беспокоюсь, то есть может там что-то и цифровое быть даже.
Аноним 21/12/17 Чтв 14:18:52 830822195
>>830754
>стащить
Расиянин спалился, у вас там даже таких сайтов нет?
http://skylots.org/
что почт нет это понятно
Аноним 22/12/17 Птн 02:19:28 830955196
46393684172.jpg (79Кб, 1024x680)
1024x680
Аноним 22/12/17 Птн 17:09:35 831036197
>>830822
Ну не стащить, конечно, просто попросить и взять, все равно оно там стоит и его никто не слушает. Дед раньше слушал, но теперь деда нет. Зачем ты мне украинские сайты показываешь, если "россиянин спалился"? Б\у конечно вариант, да, но все равно надо знать что там искать.
Аноним 23/12/17 Суб 15:09:20 831136198
>>831036
>украинские сайты показываешь
По тому что оно всё с ЕВРОПЫ идёт.
>надо знать что там искать.
То что нравится.
Аноним 24/12/17 Вск 20:57:57 831332199
Аноним 25/12/17 Пнд 01:26:01 831408200
>>831332
Он один на всю страну.
Аноним 26/12/17 Втр 12:16:49 831569201
>>831408
Это, наверное, печально. Хотя кассиверы в принципе не очень нужны.
Аноним 29/12/17 Птн 14:43:23 832161202
DSC3588.jpg (84Кб, 900x522)
900x522
Аноним 30/12/17 Суб 17:45:56 832315203
>>832161
А вот это прикольный гибрид.
Аноним 30/12/17 Суб 22:41:41 832354204
1500366952198.jpg (165Кб, 1200x1200)
1200x1200
Здравствуй мир!
Срочно понадобилось купить усилок. Вот список всего, что продается в моем округе:
Корвет УМ048
Арктур 001
УЭМИ-50
Амфитон 35У-202С
Амфитон 75у-101-с
Лорта 50У 202С
Ода-102
Вега 10У120С
Эстрада 101
Ода УМ102
Вега У102
П-70
Радиотехника УКУ-020
УП50
Электрон 104
Электрон 104-2
Ода УМ192С
Радиотехника 7111
Радиотехника У-101
Электрон 103
Ласпи У-005-1
Амфитон 35У-101С
Том 1201

Помогите выбрать!
Аноним 30/12/17 Суб 23:16:15 832357205
>>832354
Корвет, если не ушатан, очень даже бывает неплох. Но там что, только УМ, без преда? Осло, Арктур в хорошем состое тоже годен. Амфитоны приличные были, но не все. Надо слушать. Остальное - на хрен не надо, таково моё скромное личное мнение.
Аноним 31/12/17 Вск 11:02:10 832389206
1501121429311.png (566Кб, 1360x832)
1360x832
>>832357
>>832357
Корвет продали, щас егу за арктуром. Спасибо за совет!
Аноним 31/12/17 Вск 11:03:16 832390207
>>832389
*еду
телефонопостистить сложно
Аноним 31/12/17 Вск 19:31:29 832453208
>>832389
Послушай внимательно каналы по отдельности, чтобы звучали одинаково по частотке и громкости (покрути баланс). Ёмкости сохнут со временем. Это всех старых усей касается.
Аноним 31/12/17 Вск 19:34:16 832454209
>>832453
>покрути баланс
Подвигай, то есть. Ползунки-ползуночки.
быстрофикс
Аноним 02/01/18 Втр 01:46:21 832548210
4558760049.jpg (33Кб, 760x288)
760x288
Аноним 17/01/18 Срд 01:24:43 834258211
Ап мертвому треду.
Господа винтажисты, как правильно переделать разьемы на старой вертушке с din 5 на RCA.
Аноним 21/01/18 Вск 02:27:25 835148212
ГЕРМАНСКАЯРАДИО[...].jpg (791Кб, 1833x1500)
1833x1500
>>834258
Шнур переходник купи.
Аноним 21/01/18 Вск 21:52:17 835313213
36760557223.jpg (92Кб, 890x562)
890x562
img57-1986y.jpg (103Кб, 1031x646)
1031x646
Аноним 23/01/18 Втр 22:15:36 835728214
>>820631 (OP)
Господа, почему в FAQ нету магнитофонов и прочих винилов? Хочу кассетник, новых не выпускают, старые нужно обслуживать, и если перепаять кондеры и сменить пасики я еще смогу, то сделать юстировку головки нет. Посоветуйте аппарат, который надежный и легко ремонтируется,и пленку не жевал, в плане звука особых пожеланий нет, лишь бы лучше чем китайские двухстволки 90х.
Аноним 23/01/18 Втр 22:22:24 835733215
Аноним 23/01/18 Втр 22:26:57 835735216
>>835733
А я думал совковые магнитофоны по надежности не очень. Вообще, внешний вид 231 оче нравится.
Аноним 25/01/18 Чтв 20:16:47 835999217
Максимальная по[...].jpg (84Кб, 607x1080)
607x1080
)
Аноним 26/01/18 Птн 04:05:29 836034218
>>835148
Шнур не всегда можно найти по адекватной цене. Самому паять никелированные китайские разъемы, потому что других тупо нет - весьма хуевая затея, особенно для ньюфага. Но и RCA я б тоже не советовал, не совсем понятно, как он хочет туда запихнуть невпихуемое. Так что надо выбросить это говно мамонта просто выбрать TRS.
Аноним 27/01/18 Суб 14:42:19 836183219
>>835148
> Шнур переходник купи.
Поздно, старая вертушка телефункен мне уже досталась обработанная очумелыми ручками, с прикрученными синей изолентой RCAшками, только вертак при включении фонит.

> Так что надо выбросить это говно мамонта просто выбрать TRS.
Вертак с TRS, нахуя оно такое?
Аноним 07/02/18 Срд 16:26:54 837680220
Аноним 11/02/18 Вск 19:22:59 838478221
>>837680
Круто, ни разу не встречал таких живьём. Ещё и Bauhaus, моё увожение.
Аноним 12/02/18 Пнд 01:42:13 838518222
YIF0001-2.jpg (735Кб, 1102x1600)
1102x1600
YIF0002-2.jpg (496Кб, 835x1600)
835x1600
YIF0003-2.jpg (1365Кб, 2400x1597)
2400x1597
сегодня днем ко мне приехала двоюродная сестра, поздравить бабушку с др, да забрать посылку, посылка достаточно объемна, и меня попросили снести ее вниз к такси когда вечером сестра уезжала домой, да и родная сестра просила провести ее до магазина купить ништяков, одеваться было лень потому я пошел в шлепках, снес посылку, иду с сестрой и собакой к магазину, прохожу мимо помойки.

коробки.

с надписью мастер.

из одной цветет букет кассет.

ААААААААААААААААААААААААААААААА!

загнал сестру в магазин так быстро как смог, дал напутствие поторапливаться пиздец как, а сам стою охуеваю, еще и мусорщики ездят вывозят баки, сказал им не трогать мои драгоценные коробки, они даже не противились, потом стоял как ебан пялил на мусорку со стороны магазина, а внутри все горит, ибо ааа, надо утаскивать. Сестра наконец сподобилась скупицца и выйти, бегом потащил ее торчать у парадного в ожидании пока я перетащу все коробки, а у меня ж все горит, по этому надо перетаскивать их бегом, в шлепках, на коробке четвертой я дышал как загнанная собака, но надо значит надо, на 10ой я уже умирал, а ведь их еще в квартиру поднять, но благо и на это мне сил хватило, и уже дома в спокойствии можно было спокойно умереть.

Воскреснув потом что бы их перебрать, а их 10 ящиков картонных, еще когда я все носил я был рад хотя бы 10 хромовым кассетам, но закончив первый ящик я охуел, просто тотал, хромом были примерно 7\8 ящика, остальные были не так епичны, но все равно заставляли мой разум путешествовать от режима "НАДО БОЛЬШЕ ХРОМА, ААААА ГДЕ ХРОМ" до "СУКА СКОКО МОЖНО ЭТОГО ХРОМА", ибо его там охуеть сколько, а самое смешное что кассета с музыкой была лишь одна, совковая пиратка дюны, остальное какие то религиозные бредни какого то нигера крестьянина, или еще какого ебнутого. В конце концов 10 ящиков превратились в 6 ящиков ферума, всяких басфов, фуджи, скц, тдк, самсунгов и всего чего только можно, и метровой стопки хрома всех разных мастей, от которой мне до сих пор кажется что я сплю и мне все это сниться, ибо мой моск отказывается адекватно воспринимать масштабы этого.
Аноним 12/02/18 Пнд 01:42:44 838519223
YIF0005-2.jpg (1734Кб, 2231x1600)
2231x1600
YIF0007-2.jpg (684Кб, 1065x1600)
1065x1600
YIF0011.jpg (1652Кб, 2400x1597)
2400x1597
YIF0012.jpg (1705Кб, 2400x1597)
2400x1597
Аноним 12/02/18 Пнд 01:43:30 838520224
>>838518
и, результат, я теку, пожжи их все упорядчу и пофотаю особо крутые, ну и поотдираю от них наклейки с религиозной хуйней.
Аноним 12/02/18 Пнд 01:44:03 838521225
YIF0014.jpg (707Кб, 1065x1600)
1065x1600
photo2018-02-12[...].jpg (127Кб, 719x1280)
719x1280
>>838520
бля, фотки проеб.
Аноним 12/02/18 Пнд 10:22:58 838535226
Аноним 12/02/18 Пнд 10:32:07 838536227
>>838535
был пару дней назад, ща остатки лежат.
Аноним 12/02/18 Пнд 11:45:20 838541228
15073949708930.png (446Кб, 481x560)
481x560
14872459005090.jpg (115Кб, 500x375)
500x375
Аноним 12/02/18 Пнд 17:24:59 838561229
Аноним 12/02/18 Пнд 17:52:03 838562230
bassotronics.webm (6097Кб, 1920x1080, 00:01:01)
1920x1080
О да, я нашёл ТОТ САМЫЙ йоба-басовый трек - Bass I Love You! Оказывается, это уже заебавшая всех мелодия для теста сабов, а я первый раз слышу. Писанул это на кассету на своём шайтан-агрегате...
И это всего лишь аудиокассета. Первого типа. На совковом говнитофоне 2 класса. Чуть ли не инфразвук пишет и играет, карл!1 И высокие до двадцатки. До сих пор охуеваю, каким образом кассетный хлам 35-летней давности, предназначавшийся исключительно для прослушивания паромщик-комарово-двезвезды-вернисаж и речей вождей, без напряга тянет самые ебанутые запилы и будет тянуть? Даже пианино не дрожит. Да ещё и шумодав режет шипение лучше любого софта. Думал, так неотличимо от оригинала могут играть только накамичи всякие.никаких переделок не было, кроме СЕНДАСТОВОЙ ГОЛОВКИ типа 810. Ну и времязадающий кондёр 0.1 мкФ вместо 0.22 в том самом шумодаве поставил, чтобы шумовых хвостов не было
Аноним 12/02/18 Пнд 19:16:57 838568231
rasheeda.webm (5447Кб, 640x360, 00:01:41)
640x360
И ещё чуть менее басового говнеца для теста.
показ всех этих стрелок, стопов и торможений - кагбэ пруф, что это реально запись с кассеты, а не ололо монтаж подключён оригинал с эмпэтри
Аноним 12/02/18 Пнд 19:56:04 838570232
>>838562
>>838568
В чем суть? Ну, кроме того, как собрать мелочь тебе на смартфон?
Аноним 12/02/18 Пнд 20:00:14 838571233
>>838570
Да хз, но в тему же.
>собрать мелочь тебе на смартфон
шта
Аноним 12/02/18 Пнд 20:12:48 838572234
>>838568
Ебать, на vhs видос пишешь?
Аноним 12/02/18 Пнд 20:58:47 838574235
>>838572
Нимаху выложить больше нескольких мегов из-за капчи и отдачи в 50 кбит :с
Аноним 12/02/18 Пнд 22:41:45 838581236
>>838536
слушай, не морочь себе голову, затули этот хром да остальное на OLX или на hi fi форуме, больше толку будет.
оставить для себя десяток для странных утех, а за остальное купишь что то более нужное.
эта мода на кассеты долго держать не будет.
Аноним 12/02/18 Пнд 23:35:26 838592237
Как лучше всего подключить JBL LSR 305 к Audio-Technica 120?
Аноним 13/02/18 Втр 00:04:45 838594238
Аноним 13/02/18 Втр 02:37:10 838600239
YIF0017.jpg (2063Кб, 2400x1597)
2400x1597
YIF0019.jpg (1675Кб, 2400x1597)
2400x1597
YIF0022.jpg (1737Кб, 3470x2455)
3470x2455
YIF0024.jpg (1531Кб, 2400x1597)
2400x1597
>>838541
я б себе тож завидовал, правда быстро бы забил.

>>838561
ага, до сих пор не вериться.

>>838581
что и делаю, ща вот хром от наклеек и говна чищу, потом ебану список хрома отобрав себе самые прикольные, и пересчитаю все ферумные шоб было хоть понятно что я продаю.


привел в порядок один поддон, его содержимое собственно на последней пикче, а их еще сцуко 9, а ногти уже болят оттирать клей и бумажки, надо какой то пластиковый шпатель придумать. Филипсовская кассетка просто божественна, надо будет на нее закатать опенинг евы.
Аноним 13/02/18 Втр 09:23:14 838613240
>>838600
>ногти уже болят оттирать клей и бумажки, надо какой то пластиковый шпатель придумать
воду и фейри пользуй. заодно от пылюки протрёшь.
Аноним 13/02/18 Втр 10:45:02 838617241
>>838600
>3 пик
Что за сектантскую поебень туда записали. Причем на хром - на метал еще надо было лол. Не музло, не сказки, не курсы инглиша, даже не игры для спектрума, а ЭТО.
Аноним 13/02/18 Втр 10:59:07 838618242
>>838592
Мониторы к винилу? Месье знает толк!
Аноним 13/02/18 Втр 15:11:48 838635243
YIF0059.jpg (268Кб, 745x1200)
745x1200
YIF0060.jpg (469Кб, 1800x1198)
1800x1198
YIF0061.jpg (407Кб, 1800x1198)
1800x1198
>>838613
надо попробовать, бо обычной водой ток бумагу тоталит, а клею похуй.

>>838617
какие то проповеди ебанутых, какого то нигера, еще каких то чуваков, там адище, про бизнес, про заработок денег, про бога, весело в общем.



намутил кстати на днях клитора 200ас-010, точнее то что от них осталось, корпуса с грилями, да фильтры, ебать они огромные, думаю о том что бы их собрать, состояние у них правда такое себе, много коцок, некритичных, но все же.
Аноним 13/02/18 Втр 18:10:56 838643244
>>838618
Ой, я тебя прошу. Для меня винил просто хобби и я не собираюсь ещё и отдельно покупать акустику исключительно для винила.
Пока подключаю через USB на ноут, к которому подключён PreSonus Audiobox, к которому подключены мониторы, лол.
Просто хотел бы подключать проигрыватель напрямую к аудиоинтерфейсу, без ноута. Но он у меня для подобных развлечений не предназначен, конечно же.
Аноним 13/02/18 Втр 23:39:43 838675245
>>838592
Там же встроенный фонокорректор должен быть в этой вертушке. И любая активная акустика должна, по идее, играть без дополнительных приблуд. Не знаю, есть ли на лср rca-входы, но если там только trs, можно спаять/заказать/купить соотвествующие кабели.
Аноним 13/02/18 Втр 23:58:30 838685246
>>838635
>обычной водой ток бумагу тоталит, а клею похуй.
или изопропанол можно попробовать. но вонючий.
как вариант: в тазик с тёплой водой кинуть порошка децл, дать им там "покиснуть" и с мочалкой для посуды (двусторонняя такая в АТБ продаётся) отпидОрить сопли клея.
Аноним 14/02/18 Срд 02:46:25 838693247
>>838675
А громкость я как крутить буду? И нет, на лср нет RCA
Аноним 14/02/18 Срд 04:31:18 838698248
YIF0083.JPG (676Кб, 2400x1597)
2400x1597
>>838685
та мне чет стремно кидать кассеты в порошок.


тем временем прикончил еще одни поддончик.
ТДК пока лидирует, СКЦ пока заебало больше всех, с них сложнее всего отдирать наклейки.
Аноним 14/02/18 Срд 09:24:37 838704249
>>838698
подкассетники же.
Аноним 14/02/18 Срд 12:53:27 838713250
>>838704
с ними трабл нет, там одна мелкая наклеечка которая отдирается иногда даже следов клея не оставляя, трабла в наклейках на самих кассетах.
Аноним 14/02/18 Срд 13:00:17 838714251
>>838698
>отдирать наклейки
О дааа, фублять. Как накупил бу кассет летом, оче мало какие аккуратно отклеивались, чисто и без следов. Отдирал как попало, потом школьной резинкой драил оставшийся клей.
Аноним 14/02/18 Срд 13:11:51 838716252
>>838714
мне как то с какой то хуйней куча минидисков приехали в наклейках, и минидиски которые мне не нужны, как же я горел отдирая их, там наклейки были на пва приклеены, причем огромные, размером в пол минидиска.
Аноним 14/02/18 Срд 23:46:10 838777253
>>838693
>громкость крутить
Купи микшер простенький, лул
Аноним 14/02/18 Срд 23:47:35 838778254
>>838713
не понял, ты что отрываешь наклеенные родные бумажки ?
Аноним 14/02/18 Срд 23:49:14 838780255
>>838777
ему не микшер нужен, а RIAA корректор с предом.
или пред с корректором.
(это в том случае, если предусилителя-корректора нет встроенного в ту дешманскую вертушку).
Аноним 15/02/18 Чтв 00:13:44 838782256
>>838778
я отрываю ценники с номером от коробок кассет, и бумажки на которых написано что записано, учитывая что за хуйня там записана, такие кассеты если кто и купит, то под перезапись. хотя я задумывался о том что бы найти этих религиозных ебанатов в вк, и предложить им выкупить ферумные кассеты, ведь там ОРИГИНАЛЫ(Мастера, но не суть) их пастора, лол.
Аноним 15/02/18 Чтв 01:55:29 838787257
>>838780
Есть в ней встроенный предусилитель-корректор. Нормальная вертуха, что ты от неё хочешь вообще.
Что мне в итоге брать-то!
Аноним 15/02/18 Чтв 01:56:02 838788258
>>838787
Сорри, в конце знак вопроса, а не восклицательный
Аноним 15/02/18 Чтв 02:14:58 838789259
>>838782
>там ОРИГИНАЛЫ(Мастера
Лолшто? То есть тот нигер лично в рашке надиктовывал свои охуительные истории сразу на эти аудиокассеты? В единственном экземпляре еще скажи.
тогда это ниибаца ценность кек
Аноним 15/02/18 Чтв 03:59:34 838793260
>>838787
Простой вариант:
Два кабеля RCA-TS, подключить выход встроенного фонокорректора к мониторам. Громкрсть регулировать сзади каждого монитора.
Чуть сложнее :любой аудиоинтерфейс с RCA-входами, RCA/XLR/TS выходами. И регулировкой громкости. И соответствующие кабели.
Аноним 15/02/18 Чтв 07:02:25 838805261
>>838782
дядя, ты не пробовал стереть надписи ? тем более что бумажки толстые там.
можно попробовать отбеливателем на хлоре.
Аноним 15/02/18 Чтв 07:10:34 838807262
>>838787
видел ту вертушку вчера вживую.
да, типичный клон 1210, визуально неплохо.
всё равно качество корректора там совсем слабое *в оригинале его там вообще нет.
на какое то время и для дешёвых головок за $35 покатит, для остального нужен прямой выход с головы.
в текущем положении дел, нужен обыкновенный пред, ака мониторный контроллер для твоих мониторов.
почему контроллер, а не обычный регулятор громкости ?
потому что тебе 100% захочется подключать что то кроме вертушки.
ищи какие нибудь presonus на барахолках, а ещё лучше digilab мониторный контроллер.
стоят копейки, зато меньше в звук срут.
переходники с RCA и прочих мини джек на TRS докупишь/напаяешь сам, не маленький.
Аноним 15/02/18 Чтв 07:12:25 838808263
>>838789
это "церковь" уровня свидетелей еговы и прочих белых братств.
занимаются шарлатанством в крупных масштабах.
собирают стадионы целые
Аноним 15/02/18 Чтв 11:06:21 838824264
>>838789
я в этом дико сомневаюсь, но фанатикам думаю что оригиналы, что мастера разницы нет.

>>838805
они в говно превращаются при этом, там так нихуево ручкой помазюкано.
Аноним 15/02/18 Чтв 18:39:46 838844265
>>838793
Или микшер да, блядь, я упрям, лол - он ничуть не менее удобен, чем аудиоинтерфейс. И даже более.
Аноним 15/02/18 Чтв 20:36:09 838849266
>>838793
>>838807
У меня есть PreSonus Audiobox. Мониторы к нему ПОДКЛЮЧЕНЫ балансными кабелями XLR-TRS
И там просто некуда больше совать эту вертуху
Аноним 15/02/18 Чтв 20:38:48 838850267
>>838807
Слушай, а нормально, что у меня при проигрывании сам диск и пластинки на нем как будто слегка восьмеркой ходят? На звук это вроде не влияет, но все же
Аноним 15/02/18 Чтв 23:19:58 838859268
>>838824
>они в говно превращаются при этом, там так нихуево ручкой помазюкано.
когда то давно выводили на 100 долларовой банкноте писюльки ручкой...долгая история.
отбеливатель рулил...
ватная палочка "для ушей" - чтобы не поливать сверх меры.
Аноним 15/02/18 Чтв 23:21:06 838860269
>>838849
турок! тебе же коммутатор- пред нужен, говорю.
Аноним 15/02/18 Чтв 23:23:18 838861270
>>838850
словами непонятно.
фантазируя, думаю что ты преувеличиваешь.
кривизна винила и некоторая визуальная неровность диска при вращении, в данном случае, норма.
Аноним 16/02/18 Птн 00:13:55 838865271
>>838824
Это диванная мелкобуква-клоун, которая протекла с какого-то пидорашьего форума. Уже к нему все привыкли, веселит треды в техначе своими охуительными познаниями. Не обращай внимания. Определить его можно по характерной манере письма: испльзует атавизмы, выделяет сарказмы кавычками, ударные гласные пишет заглавными, ставит точки, пишет свои высеры в несколько постов, когда можно уместить все ответы в один. Это, кстати, выдает его форумную жизнь с потрохами, ведь там оверквотинг не приветствуется, а иногда и вовсе карается. Был опущен как мной, так и другими анонами за свою некомпетентность.

Настоятельная рекомендация не воспринимать пациента всерьез, лишь ловить лулзы.
Аноним 16/02/18 Птн 00:34:43 838869272
>>838861
Возможно и преувеличиваю. Говорю же, слегка ходят с:
Спасибо за ответ
Аноним 16/02/18 Птн 00:37:38 838870273
>>838865
>Был опущен как мной, так и другими анонами за свою некомпетентность.
>
Каким образом ?
Аноним 16/02/18 Птн 10:40:54 838893274
>>838859
у купюр бумага совсем другая нежели у наклеек, она в разы прочнее и не истирается.
Аноним 16/02/18 Птн 13:08:54 838899275
>>838893
это понятно, но попробовать можно же.
Аноним 16/02/18 Птн 18:27:54 838926276
15132911034100.jpg (66Кб, 604x453)
604x453
>>838698
Пиздец, неужели кто-то все ЭТО слушал.

Их энергию бы в более полезное русло направить, матан заставить учить например.
Аноним 16/02/18 Птн 20:37:32 838930277
>>838926
необходимость и крутизна матана раскручена уютненьким и продвигалась хабрахабром в массы.
хотя знание матана в реальной жизни !=его применению.
как если бы сантехники-говночисты считали что каждая домохозяйка должна уметь чистить сливные колена и на память знать номенклатуру резьб и диаметров.

Аноним 17/02/18 Суб 00:45:41 838944278
>Technics sb-1000
ну ты разогался, братиш. не потянешь ты такие АС, даже не мечтай
Аноним 17/02/18 Суб 01:40:27 838950279
>>824052
усилитель очень хороший, прогони измерения и успокойся
Аноним 17/02/18 Суб 01:48:53 838951280
>>829257
когда Выход(Вход) нелинейный, и дофига гармоник на уровне ~ -20dB то это ламповый звучок. Можно без всякой ламповой утвари такой организовать, точь в точь.
Аноним 17/02/18 Суб 02:52:38 838956281
>>838951
нихуя не такой.
ламповый звук может быть и очень чистый, без сёра, всё зависит от схемы и качества сборки.
прикол ламп в том, что они не дают побочный частокол нечётных гармоник выше середины, т.е. неблагозвучных, раздражающих.
субъективно это воспринимается как более живой и натуральный звук.
подобное можно повторить и на полевиках, только относительно дороже.

Аноним 17/02/18 Суб 06:41:54 838964282
Аноним 17/02/18 Суб 17:44:34 838970283
Аноним 01/03/18 Чтв 06:00:09 840178284
photo2018-03-01[...].jpg (135Кб, 1280x719)
1280x719
YIF0366.jpg (1739Кб, 2400x1525)
2400x1525
йаыыва.jpg (2018Кб, 3500x1497)
3500x1497
все, нахуй это дерьмо, после перерыва в пару дней продолжил чистить кассеты, посдирал наклеек с пары поддонов, потом посидел подумал, и решил что пошло оно в жопу, так продам, потом понял что хорошо что я так решил.

погрупировал их, посчитал, и их 599 штук, ПИЦОТ ДЕВЯНОСТА ДЕВЯТ, АААААААААААААААААААААААААА, это ж ебнуцца можна, завтра с товарищем придумаем цены и наконец кину их в продажу, двощерам скидка)

>>838635
а в клитора купил пару 100гдн, и загуглил где мне смогут намотать недостающую катуху, надо выкроить время и снять ее параметры.
Аноним 02/03/18 Птн 18:57:12 840364285
photo2018-03-02[...].jpg (225Кб, 1280x719)
1280x719
>>840178
отсортировали вчера с товарищем ферумы, заодно отсыпал часть ферума ему и подкинул хрома, отобрал хрома себе(всего лишь 41кассета), ща буду считать шо осталось.
Аноним 07/03/18 Срд 16:16:45 841143286
>>840178
>то чувство, когда год назад покупал жеваные б\у кассеты 1 типа по доллару сука за штуку и радовался
Аноним 22/04/18 Вск 00:10:02 848446287
Аноним 23/04/18 Пнд 15:40:21 848483288
test
Аноним 23/04/18 Пнд 20:53:40 848507289
>>848495
Пробовал уже или теоретик?
Аноним 24/04/18 Втр 09:28:04 848547290
>>848495
ты путаешь съём гитарных кабинетов и звук ламповых усилителей.
ну снимешь ты импульсную, ок.
усиливать всё одно транзисторная схема будет с ООС. и что ?
Аноним 24/04/18 Втр 20:47:32 848625291
YIF2378.jpg (2064Кб, 2400x1535)
2400x1535
YIF2380.jpg (1774Кб, 2397x1600)
2397x1600
>>841143
как это ты так? или ты не из постсовка?

>>848446
понг.



а кассет уже осталось всего 243.




недавно на мусорке еще нашел, правда это уже чьи то обычные походу, среди них пара тдк д90 с патрисией кас и меджик фляем, их оставил себе.

https://youtu.be/uWqw0DQLEm0
Аноним 25/04/18 Срд 17:10:45 848713292
DSNAP-SV-MP730V[...].jpg (49Кб, 800x586)
800x586
>>824052
Лол, у меня такие же комплектные уши шли с этим. Они и вправду хуёвые.
Аноним 27/04/18 Птн 23:15:01 848987293
>>848507
Пробовал конечно. Я же дсп-шник теоретик.
Аноним 28/04/18 Суб 05:42:25 849008294
>>848713
Эх, годный плеер был.
Аноним 28/04/18 Суб 17:44:49 849062295
>>848625
почем продашь пару феррумов и 2-3 хрома?
украина
Аноним 28/04/18 Суб 20:35:57 849081296
>>849062
ферумов могу и подарить как двощеру, хромы те какие надо?
Аноним 29/04/18 Вск 23:25:30 849228297
>>849081
У меня есть пара десятков iec type 1, никогда не было type 2, то есть хрома. И type 4 (металл?fecr?) не было. Ты ферумами называешь обычные тип 1? Спасибо, такие есть.
Аноним 29/04/18 Вск 23:28:41 849229298
>>849228
Я вот хотел магнитофон один купить, но везде объявы от мошенников. Не в курсе как они работают, тупо просят предоплату?
И где бы найти нормальный магазин советской техники.
Сколько ща амфитон может стоить?
Аноним 30/04/18 Пнд 01:01:01 849247299
photo2018-04-23[...].jpg (58Кб, 629x561)
629x561
>>849228
да, тип 1 это ферум, метала у меня у самого ток одна и ту я не продаю, хром есть такой:


>>849229
олх доставку юзай, по ней тебя не кинут. совкодеки есть смысл брать если хочешь покопацца, ибо они все требуют ремонта\доработок, или хотя бы профилактики.
Аноним 30/04/18 Пнд 01:32:18 849251300
>>849247
Рассказываю ситуацию - нашел на олх магнитофон, есть несколько объяв, всё в диапазоне 400-500 грн, разной степени засранности.
Ну я один выбрал, хорошо сохранившийся, типа Киев, Подольский район. Стоит на полке под тюнером, аккуратно так, только пыль. Остальные лоты юзера какая-то обувь, одежда, типа чтобы создать впечатление, что вдова продает ненужные вещи. Стоит кнопка олх-доставки. заказал, юзер морозится, не подтвердил покупку, хотя я слал смс с просьбой проверить олх. Ну ладно, получаю возврат денег за доставку на карточку, хорошо что без потерь.

Нахожу следующего продавца, та же модель магнитофона, начал списываться, а он просит адрес доставки, хотя кнопка доставки олх включена. Чего они все хотят, малую предоплату получить, грн 50-100 и слится, или адреса доверчивых покупателей собирают?
Нашел на бесплатка.уа эту модель, звоню, спрашиваю продает ли ещё мафон. (Тут было интересно, перед тем как поднял трубку была пауза в три гудка). Говорит нет, не продаю. Потом в этот же день снимает объяву. Через некоторое время - опять в продаже.

У меня до этого был только положительный опыт с олх, покупал термопасту, ещё какую-то китайскую мелочь у разных продавцов,
приходило буквально на следующий день, всё четко. А тут вязко отвечают, морозятся, адрес спрашивают.
Аноним 30/04/18 Пнд 01:55:59 849252301
>>849251
так происходит, потому что люди со своей стороны страхуются - приходит товар, а покупатель не является за ним в отделение доставки.
приходится забирать за свой счёт.
Аноним 30/04/18 Пнд 02:00:24 849253302
>>849252
В том то и дело, что обратную доставку оплачивает покупатель, это если по схеме с олх доставкой брать.
Я склоняюсь к тому, что это узники-дяди-пёсики что-то мутят
Аноним 30/04/18 Пнд 02:01:41 849255303
>>849247
chrome extra 2 : 27
за сколько парочку продашь?
Аноним 30/04/18 Пнд 02:23:20 849261304
>>849251
они не хотят продать, они хотят продавать, ебанутые кароч.

так тыкай сразу в кнопку, если вопросов нет.

ну у меня вечно рандомом, то адекваты то ебланы конченые, к счастью первых больше в основном.

>>849253
либо кто не понимает доставку, при чем для продавцов она вообще изичная, там ток номер карты нужен.


>>849255
гривен по 40 за штуку, будешь много брать(от 5) отдам по 35.


Аноним 30/04/18 Пнд 02:29:22 849262305
>>849253
да прям, аж но гамнитофон за 500 грн, такой то навар !
я ещё понимаю объявы про мак про по 10 000 грн в сухачёвках залупинской области или фотоаппараты дорогие по 7000-8000, или винтаж редкий в треть стоимости, а тут...
это всё люди по каким то своим соображениям не хотят заморачиваться.
у меня орель 101-с лежит давно, он мне не особо нужен, но отдавать за 300 гривен жаба душит - там деталья тупо дороже.
если хочешь, у товарища оставались ещё деки недорогие, но там доработка или профилактика нужна.

https://www.olx.ua/obyavlenie/saba-dc-2020-dvuh-kassetnaya-deka-IDy122I.html#b76dc867d0

https://www.olx.ua/obyavlenie/kassetnaya-deka-technics-rs-b355-IDyc682.html#c9e3150da8

https://www.olx.ua/obyavlenie/kassetnaya-deka-technics-rs-bx404-IDzAreI.html#61d75ac220

Аноним 30/04/18 Пнд 02:29:42 849263306
>>849253
да прям, аж но гамнитофон за 500 грн, такой то навар !
я ещё понимаю объявы про мак про по 10 000 грн в сухачёвках залупинской области или фотоаппараты дорогие по 7000-8000, или винтаж редкий в треть стоимости, а тут...
это всё люди по каким то своим соображениям не хотят заморачиваться.
у меня орель 101-с лежит давно, он мне не особо нужен, но отдавать за 300 гривен жаба душит - там деталья тупо дороже.
если хочешь, у товарища оставались ещё деки недорогие, но там доработка или профилактика нужна.

https://www.olx.ua/obyavlenie/saba-dc-2020-dvuh-kassetnaya-deka-IDy122I.html#b76dc867d0

https://www.olx.ua/obyavlenie/kassetnaya-deka-technics-rs-b355-IDyc682.html#c9e3150da8

https://www.olx.ua/obyavlenie/kassetnaya-deka-technics-rs-bx404-IDzAreI.html#61d75ac220

Аноним 30/04/18 Пнд 02:34:58 849265307
>>849262
а при чем тут магнитофон? товара может не существовать вовсе, развели на предоплату, и выпилили аккаунт, создали другой и опять
Аноним 30/04/18 Пнд 03:11:38 849272308
>>849265
выше уже сказал.
ну за 100-200 гривен, в самом деле.
Аноним 30/04/18 Пнд 03:15:05 849276309
>>849263
ну в темнице сырой 500 грн нехилые бабки, серьезные
борьба скорее идёт даже за предоплату в 100-200 грн, если удалось развести
Аноним 30/04/18 Пнд 03:17:04 849278310
>>849262
да, вот этот товарищ :)) так это ты мошенничаешь на лох.уа? :)
Аноним 30/04/18 Пнд 03:24:27 849279311
>>849272
ну шо ты как маленький, 50 грн тут, 50 грн там, да еще и с нескольких акков, и уже набегают денежки, ну и не факт что это у них основная работа.
Аноним 30/04/18 Пнд 04:36:37 849283312
>>849278
всмысле "этот товарищ" ? он тебе отказался слать без предоплаты ?
Аноним 30/04/18 Пнд 04:39:08 849284313
>>849279
это у тебя времени много, а посчитай сколько его нужно потратить, чтобы завести несколько пустых аккаунтов, которые сгорят сразу за пару дней.
при учёте, что необходимо указывать номер телефона.
Аноним 30/04/18 Пнд 04:56:39 849286314
>>849284
та да бля, просто завались. ты понимаешь что они не просто так сгорят, а принесут им прибыль, и окупят потраченное время?
Аноним 30/04/18 Пнд 06:48:24 849290315
>>849286
я понимаю, что сегодня 100-200 грн это сходить в АТБ и почти ничего не купить.
при этом 2 раз эти телефоны не засветить уже.
да, есть лохотрон и его не мало на этой площадке с тех пор, как её стали рекламировать в унитазепо тв и на биллбордах.
лично за себя скажу, что когда речь заходит о подобной сумме, стараюсь не пользовать наложенный платёж.
потому как доставка сожрёт гривен 70, перевод денег дополнительно гривен 30-40, вот и получается что зарабатывает не продавец, а новая почта и олХ, если объявы платные.
так вот смысл жечь аккаунт ради 200 гривен, даже если их несколько ?!
разводняк это если сразу всю сумму просят на карточку отправить и втирают дичь про неудобство наложки вообще в принципе.
Аноним 30/04/18 Пнд 15:11:58 849307316
>>849290
Cтопудово это ты, разводила ))
Сколько хоть наскребаешь в неделю, пидор?
Аноним 30/04/18 Пнд 15:43:35 849308317
>>849290
ты бля издеваешься? на 100-200 грн при особом желании можно жрачки на неделю-две купить.

пиздец, бесят такие пидоры как ты, платит за наложку покупатель, какая тебе нахуй разница сколько он потратит денег для того что бы купить свою хуйню, правда если ты пытаешься наебать покупателя в чем то то тогда да, тебе наложка не канает.
Аноним 30/04/18 Пнд 18:52:08 849326318
>>849307
стопудово ты меня вычислил. молодец.
сука, местная публика с интуицией амёбы.
Аноним 30/04/18 Пнд 18:57:45 849328319
>>849308
>ты бля издеваешься? на 100-200 грн при особом желании можно жрачки на неделю-две купить.
например ?
>>849308
>бесят такие пидоры как ты, платит за наложку покупатель, какая тебе нахуй разница сколько он потратит денег для того что бы купить свою хуйню,
дурачёк, ты в глаза ебёшься ? ещё раз перечитай мой пост выше.
тебе не приходило в голову, что человек может не только продавать, но и покупать таким же образом ?
Аноним 30/04/18 Пнд 20:35:21 849340320
>>849326
ты заебал деки выставлять, в надежде хуй пойми на что. адрес мой хочешь? ну приходи, встречу. даже когда меня нет дома.
а я действительно хотел купить, но из-за таких как ты, мелких бля говноедов-недомошенников на площадке гомно и не купить старую технику усср
Аноним 30/04/18 Пнд 20:39:59 849341321
изображение.png (3492Кб, 1500x1124)
1500x1124
Последняя сходка любителей винтажного аудио.

А вы узнали себя на фотографии?
Аноним 30/04/18 Пнд 21:23:55 849346322
>>849340
бля, пиздец разозлился. я бы тебе ту вонючую купюру с грушевским в трахею затолкал, мразь
Аноним 30/04/18 Пнд 21:46:46 849354323
>>849340
дубина, это не я выставляю, а мой знакомый.
он тебе не продал или что ? рассказывал, около недели назад, что звонили насчёт дек, проморочили голову, но ни к чему не пришли.
это ты был ?
Аноним 01/05/18 Втр 00:23:55 849381324

>>849328
что например? я ниибу чем там нормальные люди питаются, но на 200 грн вполне можно купить картошки на базаре, чуть овощей и хлеба, и крупы какой то наверное.

но мы то говорим о продаванах а не о покупателях.
Аноним 01/05/18 Втр 06:06:30 849393325
>>849381
каких овощей ? какой крупы ?
разогнался на 200 гривен. давно в АТБ был ?
Аноним 01/05/18 Втр 13:36:47 849410326
Ебать тут ебанутые хохлы беснуются вместо обсуждения.
помогите с выбором техники Аноним 01/05/18 Втр 13:50:53 849411327
Привет, анон. У меня есть 20 пластинок которые мне нужно послушать. Дальше я возможно буду еще покупать пластинки. Еще мне нравятся кассеты, у меня есть парочка, но я хочу купить еще старых.
Еще я хочу что бы был AUX и я мог подцеплять туда свой ноут\телефон.
Так вот, мне нужно купить минимальный набор устройств, что бы это было качественно, красиво и за минимальные деньги. Приходит на ум дека кассетная что бы сразу с усилком, Вега 110 как верстак и какие-нибудь колонки. Это все заработает?
Авито, санкт-петербург. Помоги плиз.
Аноним 01/05/18 Втр 13:54:01 849412328
>>849411
начни с колонок и усилка, касиверы не бери, они говно.
Аноним 01/05/18 Втр 15:18:34 849416329
Аноним 01/05/18 Втр 15:22:36 849417330
>>849416
дорого, и имхо, не бери совковые усилки, ищи чет импортное, но главное что бы не на стк.
Аноним 01/05/18 Втр 15:46:31 849422331
Аноним 01/05/18 Втр 16:34:25 849423332
>>849411
>как верстак
вертак.
не лучшая идея.
лучше будет электроника 012, 011, усилитель с корректором и колонки.
Аноним 01/05/18 Втр 16:52:18 849428333
Аноним 01/05/18 Втр 16:54:00 849429334
>>849422
>как насчет тех, которые радио принимать умеют + работают как усилки. В эту сторону тоже стоит смотреть?
ресиверы.
нет, не стоит, хотя старые бывают внешне очень красивые.
Аноним 01/05/18 Втр 17:02:24 849430335
Аноним 01/05/18 Втр 17:10:23 849431336
Аноним 01/05/18 Втр 17:19:05 849432337
>>849422
надо смотреть на чем собран оконечный усилитель, ну отдельных транзисторах брать смысл есть, они ремонтопригодные, на микросхемах все в одном по типу стк и аналогов нет, этот фишер например на паре тошибовских транзисторов и в принципе норм, но 3к для него такая се цена, 2к-2.5 было бы идеально наверное.


здесь же
>>849431
первый говнина на стк за дикий оверпрайс, второй в принципе норм но имхо тож дороговат.

ресиверы можно брать либо пазние стерео, и то не все ибо там столько говна встречается что охуеть, либо очень ранние, но они стоят просто ололо.

Аноним 01/05/18 Втр 17:44:12 849433338
Аноним 01/05/18 Втр 17:44:45 849434339
>>849393
200 грн как раз на раз сходить в атб
Аноним 01/05/18 Втр 17:46:21 849436340
>>849411
вега 109 как вертушка вполне. и усилок там вполне норм, не хуже радиотехника у-101, по замерам и на слух.
Аноним 01/05/18 Втр 17:48:30 849437341
>>849432
почти любой оконечник будет проигрывать tda7293 второй ревизии аудиокиллера, с конденсатором
Аноним 01/05/18 Втр 18:30:06 849442342
Аноним 01/05/18 Втр 18:38:39 849443343
Аноним 02/05/18 Срд 06:02:57 849525344
>>849432
VX разве на стк-шке ?
Аноним 02/05/18 Срд 06:03:25 849526345
>>849433
выше там ссылки были
Аноним 02/05/18 Срд 06:04:36 849527346
>>849436
говнина для коковиных и прочих рукастых мутантов нынешнего времени, которым колупаться в таком барахле доставляет и руки прямо стоят.
Аноним 02/05/18 Срд 08:57:14 849538347
анончики, мне бы до 5к что бы это все встало.
но ремонтировать это говно я не хочу
Аноним 02/05/18 Срд 12:14:12 849546348
>>849525
да, загугли кишки.
Аноним 02/05/18 Срд 23:34:36 849598349
>>849538
Кратко: КУПИЛ ОТКРЫЛ И ВСЕ РАБОТАЕТ СТОИТ ОТ 25К ТОЛЬКО ЗА ВЕРТУХУ
Соснешь. Ушатанное русское говно не нужно, заебешься ремонтировать, брать только не ржавую нихонщину. Никаких говнокомбайнов все в одном, никакого ОЕМоговна с шилдиками сони, аудиотехника, денон, хуенон до 10-12к. Это все всратый ханпин. Есть ханпин подороже, но не менее всратый - это AT LP120, тоже не бери, тухлый оверпрайс. Новые ДДхи начинаются от 22, не имеющие вид клона 1200-ого. Вменяемыt с ременным начинаются от 12 где-то и они все только ручные. Реги, утурны, прожекты.
Бомжевариант для передергивания писюна и если ссышься брать старье - Рега 1 или Б\У Рега 1. Дешевле, но не мусорного ничего больше нет. С картриджем можешь не брать, только если есть 100% инфа что он или новый, или чертовски мало юзанный, что должно подтверждаться фотками, желательно с микроскопа.
Вариант покозырнее (даже лучше нового говна) брать что-то из старых ДД техниксов SL серии, остальные смотреть смысла чертовски мало, т.к. запчастей хуй найдешь. Картриджи-хедшеллы это хуета, можешь не переплачивать. За вид можешь переплатить, особенно советую брать сразу с крышкой, ебано покупать отдельно.
Средняя сумма кекникса - 10к не самые популярные варианты (1500, 1600 mk1, 1400), шелл 1000, фонокор - 2500 у русских уебков, ~1500 с амазона, картридж 3-3,5к за довольно херовый OM 5E, лучше бы AT95, но его можно достать только с шеллом за 5к, что я советую, уж больно годный картридж (амазон их в рашку не шлет), ну, а полочники со встроенным усилом уж должны быть хоть какие-то. Итого: 17,5к за нормальный, обслуживаемый сетап.
Аноним 03/05/18 Чтв 17:57:01 849685350
Хочу купить Hi-Md плеер/рекодер но сссссссссссссука >20к на японском ибее, и 1 диск Овер >5к. Как так жить а? Там даже есть модели Овер 60 к этож пиздоооооосссс.
Тут вообще есть хоть кто-нибудь с MD?
Аноним 03/05/18 Чтв 18:03:50 849688351
photo2018-05-03[...].jpg (120Кб, 719x1280)
719x1280
>>849685
йа есть, правда по хай мд не загоняюсь ибо нахер нужно.
Аноним 05/05/18 Суб 22:44:17 849865352
>>849598
Вот этого анона яростно двачую.
мимо бывший техниксоёб, сейчас доволен простеньким, но годным Dual 525
Аноним 06/05/18 Вск 03:37:31 849905353
>>849865
ага, можешь сменить голову на унитра, а потом даже на простую AT-95 и говорить, что картридж - хуета и нет смысла заморачиваться.
Аноним 06/05/18 Вск 16:41:09 849944354
>>849905
AT-95 и стоит сейчас, ибо шла с моим дюалем искаропки. И даже унитра MF-101 в отличном состоянии есть - про запас. AT буду менять, скорее всего на винтажный Shure. А схуяли ты сделал такой вывод, что для меня не важна голова? Она, безусловно, важна. Я слышал много разных столов, бошек, корректоров и вообще аудиохурмы. Но лично мне всегда хватало и хватает обычных MM ценой до 250-300$. Аудиофилия нинужна.
Аноним 06/05/18 Вск 23:03:52 849970355
>>849944
какая диафилия, дурак ?!
ты голову за 35 евро сравниваешь с головами за 100 долларов-до 300 и говоришь что между ними разницы нет.
пиздец.
Аноним 07/05/18 Пнд 13:32:46 850003356
>>849970
Ты в глаза ебёшься? Или упорот? Где ты видел, чтобы я вообще сравнивал головы? Я потому и собираюсь менять 95-ю на старый шурик, что AT не играет, и это прекрасно слышно даже на ширпотребном дюалевском столе. Унитру я ни с чем не сравниваю, ибо она говно и лежит строго на чёрный день.
Аноним 07/05/18 Пнд 13:56:45 850005357
Ухх, щас бы ценником мерять картриджи уххх блять. Нашел что по звуку "твое", то и берешь, 100% правды нет.
Аноним 07/05/18 Пнд 20:29:25 850046358
>>850003
ну так выше после твоего "ДВАЧУЮ" можно понять, что наоборот.
Аноним 07/05/18 Пнд 20:29:59 850047359
>>850005
прикол в том, что нормальное не стОит 35 евро.
Аноним 07/05/18 Пнд 22:44:03 850056360
>>850005
Ну, у меня ваще ГЗМ-105 и норм.
Аноним 07/05/18 Пнд 23:09:27 850057361
fx193 caps.png (164Кб, 1333x675)
1333x675
fx193 caps on b[...].png (368Кб, 1240x684)
1240x684
https://www.youtube.com/watch?v=JcYm4mIaM84
>Как мне кажется в нем всё-таки есть один минус, так это нехватка низов по звучанию
Это не кажется, а так оно и есть. Прост аккаунта на ютубе у меня нет, кто-нибудь ответьте ему, что там нужно заменить разделительные керамические SMD-кондёры C105, C205, C107 и C207 (штатно стоят по 1 мкФ) на 4.7 или даже 10 мкФ. Да-да, такие смдшки есть. Элементарно получается RC-цепочка из этого кондёра и входного сопротивления усилителя в микрухе или резюка громкости, по факту ФВЧ с довольно высокой частотой среза. Здесь в случае регулятора громкости 10 кОм и 1 мкФ получается f = 16 Гц, то есть уровень сигнала с такой частотой будет снижен аж вдвое. Вот и теряются самые низкие низы. Ставишь 4.7 мкФ, получаешь срез 3.4 Гц, ставишь 10 - будет 1.6 Гц. Те же 20 Гц тогда обрежутся чуть менее чем никак, дубасить будет - базарю, ещё захочешь. Просто больнейшее место кучи вокманов и не только, с сосничества это понял уже. Буквально берёшь любой кассетник, да и стационарный мафон и усилок тоже, и обнаруживаешь там недостачу ёмкостей, из-за чего страдает бас. Японский, китайский, совковый - без разницы, везде натыкаешься. Врубаешь аппарат, смотришь на схему, тыкаешь для проверки параллельно кондёру в обратной связи или разделительному другой электролит - ага, бас-то получше стал! Бери и тупо лупи мкФ вчетверо-вдесятеро больше, вот и всё. Габариты позволяют же, параметры схемы тоже тянут - сразу с завода было жалко штоле так поставить?
Аноним 08/05/18 Втр 00:18:37 850063362
>>850046
А, ты про это
>Картриджи-хедшеллы это хуета
Нет, это я не двачую. И шелл бывает важен (даже на низком бюджете), не говоря о голове. Двачую я из того поста рекомендацию взять техникс. Рега, кстати, по большей части говно (хотя тонармы у них в целом годные), на реги даже мой дюаль смотрит как на говно (что характерно - нормальная голова кайфового звука фанерной реге не особо прибавит, а вот ширпотребному джапу или немцу из 80-х (да, блеать, даже пластиковому!) очень даже, проходил с 310-м ротелем и ортофоном блю).
Аноним 13/05/18 Вск 17:54:52 850555363
>>848625
> как это ты так? или ты не из постсовка?
А вот так. Вот и сегодня опять поехал на это поле чудес, как и год назад, хотя в этот раз даже близко не хотел брать никаких кассет. А тот самый барыга с кассетами там их только два, второй охуевший вконец, пихает запечатки-новоделы tdk d90 за 10$ когда я мимо шёл, узнал меня и сам предложил две соньки EF90 хоть и не запечатанные, но в идиальнам састаянеи!1 За те же полдалара штука, ога. И ни копейки не скинул, пришлось крупные разменивать. он год назад какие-то гнилые отмазки задвигал про сидюки, которые он типа 1:1 обменивает на кассеты, которые ему приносят, типа поэтому строго 0.5$ и не меньше, бред какой-то. Ну ладно, осматриваю - кем-то хз где юзаные кассеты с чьей-то записью бони м и смоки. Реально не потёртые, даже настоящие made in japan вроде, кек. Лента почти свежая, подкассетники нетронутые. Ладно, беру. Дома послушал - вроде не наебал, не жёваные ни разу и даже не на говне записали, звук с ломовым уровнем, внезапно качественный и чистый. всё равно я как обычно это сотру и запишу свою парашу Но без лажи нельзя - одна кассета лежала недоперемотанной до конца и теперь ровно в том месте лента хоть и гладкая, но как будто измазанная в масле и это место постоянно затыкается! Ну ебать я лох - взял у барыги за целый бакс юзаную хуиту. В комиссионку одну ещё ездил - там вообще жопа: такие же юзаные tdk 1 типа за... 1.25$. Ящетаю 25 центов красная цена таким кассетам, если хорошо сохранились. Ладно на редкие фирменные илитные запечатки хром/митол задирать цены, но на самые ходовые, которых казалось бы вчера везде было как говна за баней?
а тут задаром раздаривают сотнями, для меня даже 1 тип манна небесная, лишь бы не вагдомс и не мк-60 :с
да, я ВСЕГДА пересчитываю всё в даларах
до сих пор жалею, что проебланил момент в 2008-2010 и не затарился этими ленточками на полную, пока были в наличии на ближайшем базаре в любом количестве за копейки. Первые сессии в универе + просто заебал никак не желавший чиниться мафон, ну и магнитную запись на 2-3 года забросил. А когда опомнился и маяк-231 починил, ещё годик - и как отрубило, к 2012 все новые кассеты из продажи поисчезали. А так сейчас бы было в запасе не десяток, а штук 400 TDK FE90 и не выуживал бы ни у каких барыг кассетные ошмётки
нахуя я всё это написал?
Аноним 14/05/18 Пнд 04:06:52 850660364
>>850555
где ты территориально ?
Аноним 14/05/18 Пнд 15:06:28 850704365
>>850660
> поле чудес
Сам-то как думаешь?
минск жи
Аноним 14/05/18 Пнд 18:16:07 850719366
>>850704
>поле чудес
>Сам-то как думаешь?
Страна дураков.
Аноним 14/05/18 Пнд 19:52:32 850732367
>>850719
Ну все правильно)0
Аноним 14/05/18 Пнд 20:14:32 850735368
>>850704
смотри, можешь поискать сколько стоит доставка в минск из украшки.
готов отправить тебе немного кассет.бесплатно.
Аноним 23/05/18 Срд 11:03:45 851958369

>>849685
на авито/юле можно найти пишуший, за 3000-4000 р Пиши свою мухосрань поищу варианты
Аноним 24/05/18 Чтв 14:23:48 852203370
IMG42101.jpg (425Кб, 864x648)
864x648
IMG42111.jpg (419Кб, 864x648)
864x648
IMG42121.jpg (393Кб, 864x648)
864x648
Аноним 24/05/18 Чтв 20:34:52 852256371
>>852203
Зачем тебе это дерьмо и нахуя ты притащил его домой с параши?
Аноним 25/05/18 Птн 00:36:10 852300372
>>852256
забыл испердов по картинкам спросить
Аноним 25/05/18 Птн 09:58:02 852312373
>>852256
Почему дерьмо? Тоже иногда думаю эквалайзер себе прикупить. Чтоб не залезая в комп лайк э босс эквализировать.
Аноним 25/05/18 Птн 12:00:46 852322374
4139047028.jpg (71Кб, 640x427)
640x427
>>852312
если и эквалайзер, то божественный Кенвуд
Аноним 25/05/18 Птн 16:43:22 852359375
>>852322
Мне надо эквализировать а не по менюхам ползать.
26/05/18 Суб 16:25:32 852496376
>>852359
Тебе скорее нужная очередная бессмысленная покупка, чтобы хоть как-то скрасить своё жалкое существование.
Аноним 26/05/18 Суб 18:04:52 852517377
Хоспаде, как же заебно даже в 2к18 по-человечески переписать на аудиокассеты хотя бы треть своего любимого цифромузла даже ради приколааутизма. Подготавливаешь флаки/mp3, в аудиоредакторе приводишь все треки к одному виду - выправляешь ВЧ-НЧ где надо, компрессируешь, нормализуешь под ноль там, подгоняешь длительность максимум 46 минут 30 секунд вместе с паузами по 2-5 с на одну сторону 90минутки, а вот на эту влезает аж 47 минут 4 секунды... На одну кассету умещается всего от 10 до 20 треков, карл. В самом тяжелом случае приходится особо длинные проигрыши/вступления срезать, чтобы влезло. То есть для раскидывания хотя бы 600 флаков нужно около 40 кассет карл. А если все 2к треков писануть? И чтоб нигде случайно не повторился уже записанный на другой кассете трек, завожу отдельный список, откуда по мере составления треклиста очередной кассеты вычеркиваю заюзанные треки. И вот наконец после недели а то и больше ебли все 46.5-минутные файлы все flac, чтобы повторно ничего не сжимать и кассеты подготовлены, заряжаю деку с нужным уровнем записи и... тупо жду, пока ВСЕ нужные треки прокрутятся в реальном времени, не забывая вставлять, переворачивать и доставать каждую кассету. А еще может что-нибудь в сети щелкнуть во время записи и эта хуйня запишется поверх музла, сторона запорота начинай сначалаААААААААААААА!111 Но и это еще не все. Нужно же заготовить треклисты для печати, чтобы в каждую кассету засунуть бумажку, что на ней и когда записано.
После всех трудов у тебя хранится огромная коробка/полка с кучей пленки. И нидайбох пронести рядом что-нибудь с мощным магнитным полем...
Аноним 26/05/18 Суб 21:57:21 852534378
>>852517
>выправляешь ВЧ-НЧ где надо
это не требуется.треки уже отмастерены.
если у тебя не совкопараша без динамического подмагничивания.
>>852517
>компрессируешь
нахрен не нужно - треки уже отмастерены.
компрессия магнитной ленты добавится сверху, зачем ещё одна лишняя компрессия в цифре ?!
>>852517
>нормализуешь под ноль там
лень крутить уровень записи по треково, как диды ?
>>852517
> В самом тяжелом случае приходится особо длинные проигрыши/вступления срезать, чтобы влезло.
жадный ублюдок
>>852517
>46.5-минутные файлы
хороший тон, оставлять на "сбег" секунд 20-30 времени у начала рулона, где лента сильнее подламывается.
поэтому и фирменных кассет всегда было не 45 минут ровно, а чуть больше.
например, насколько помню у BASF FE1 настоящем, под 47, иногда 47:30.
>>852517
>заряжаю деку с нужным уровнем записи
так и вижу жадное желание пихать под 0 Дб на индикаторе, или больше.
что ж, мой йуный кассетный дрочер, индикаторы на гамнитофонах квазипиковые, с инерцией и не показывают реальные мгновенные пики сигнала.
поэтому, жёстко работая у 0 Дб, реальный уровень летит под +6 Дб, если не больше.
что для ленты "нормал" и для цепей усилителя записи есть много.
так можно писать ленту "метал", но вряд ли у тебя так много таких кассет.
кратковременные единичные пики до 0 Дб по шкале записи допускаются.
>>852517
>нидайбох пронести рядом что-нибудь с мощным магнитным полем...
вряд ли ты что нибудь настолько мощное проносишь рядом.
не возле томографа же хранишь их.
Аноним 26/05/18 Суб 23:40:23 852551379
originalflac.png (702Кб, 1137x841)
1137x841
myremasterflac.png (853Кб, 1152x841)
1152x841
preset.png (25Кб, 555x476)
555x476
>>852534
> треки уже отмастерены
Отхуястерены, особенно если это электроника из 1992 года. Там часто есть DC-смещение и 15625 Гц от телика, тоже режу. Сам себе звукорежиссер блджад. Нещадно поднимаю на таких 31 Гц на 6, а то и все 9 дБ и ВЧ-пресетом с третьего пика, причем этот пресет иногда юзаю 5-6 раз подряд, настолько глухой звук бывает в оригинале. Хардлимитер под минус 3-6, в клинических случаях под минус 9-12 дБ, потом нормализация под 100%. Чтоб была плотная, звонкая и напористая колбаса пик 2 в лучших традициях бенни бенасси и death magnetic, а не сырое жиденькое попукивающее нечто пик 1. Каждого трека индивидуально со своим значением дБ, ога, не лень. С замьючиванием всех хвостов шума между ними вручную и добавкой тишины, если меньше 2 секунд. Ну и да, для кассет режу высокие выше 15-16 кГц, они на ленте нахуй не нужны и могут и будут! мешать на высоких уровнях записи. Вот на новых массово since 2010 записях все БУХ и ЦЫК уже реально отремастерены дальше некуда, там только режу >16kHz. С учетом того, что ВЧ на ленте со временем ухудшаются, даже перезадрать их ничего не испортит.
> совкопараша без динамического подмагничивания
Именно! :3 И никаких калибровок под каждую кассету и металов, нормал онли с забитыми наглухо токами записи и подмагничивания. реально наглухо - настроил по приборам, запаял в мафон постоянные резюки вместо подстроечников, и параметры никуда не уходят уже лет 7
> оставлять на "сбег" секунд 20-30 времени у начала рулона
Охуеть расточительство, 5 сек максимум.
> жадное желание пихать под 0 Дб на индикаторе, или больше
Да прост пишу с максимальным уровнем, на котором еще нет больших искажений. Ставлю сигнал со смарта 400 Гц, 0 дБ на максимальной громкости, уровень записи настраиваю +3 дБ, потом со смарта же и пишу музон. Вряд ли там +6 с учетом такого "генератора", индикаторы пусть хоть обынертятся. Ну если уж попалось что-то совсем ужатое с сильными ССССибилянтами каждую секунду типа рэпчика, то да, под 0 дБ, иначе уже вылезает сипение. Годами выверенные цифры для моей совкопараши, перестраивать не надо. чсх, сам уровень 0 дБ настроил хз как, тестовой кассеты тонет, мож я с -2 на самом деле пишу, а может и +4 - могу только сравнивать с громкими фабричными кассетами - примерно одинаково, ну да похуй
> йуный
28лвл, писал на кассеты уже в 1999 лол, когда купили первый мафон. Такшта для меня это просто синдром утенка, увы.
> настолько мощное
Стопки неодимовых магнитов хватит? хотя у меня их нет азазаз
Аноним 26/05/18 Суб 23:54:07 852553380
x-static 1994 o[...].webm (3148Кб, 320x240, 00:04:13)
320x240
x-static 1994 r[...].webm (3126Кб, 320x240, 00:04:11)
320x240
>>852551
> пик 1
Ах да, конкретно здесь еще и по балансу перекос, правому каналу добавил где-то 1.5 дБ. Охуенно "уже отремастерено", РАБОТОИД НИТРОШ. В качестве совсем уж пруфа - тот самый трек ДО и ПОСЛЕ в виде звука.
ну и забыл написать, что зачем-то в 48 кГц все треки конверчу, ну это скорее всего лишнее
Аноним 27/05/18 Вск 02:13:22 852563381
>>852551
>Отхуястерены, особенно если это электроника из 1992 года. Там часто есть DC-смещение и 15625 Гц от телика, тоже режу. Сам себе звукорежиссер блджад.
первая картинка, есть headroom, т.е. запас на пики, цап работает в оптимальном режиме и не дрыщет искажениями при выводе в аналог.
вторая картика "ГРОООМЧЕ, ГРОМЧЕ, Я ОХУЕВАЮ КАК КОЧАЭТ, ЭТО РЕЙВ ПАТИ НАХУЙ!"
нет нихера запаса, всё упиздошено в кирпич, разницы между тихими местами и громкими нет.
цап работает не в оптимальном режиме и ещё досирает своих искажений в тракт.
зато на дешманских динамиках с тупорылой чувствительностью становится ЯРЧЕ=ЛУЧШЕ.
БАСЫ КОЧАЭТ (термокомпрессия наступает раньше, упиздошивая ещё большую кашу своими искажениями).
DC смещение там не от телика, а от DAT или непонятных источников, откуда оно всё риповалось (вплоть до дабплейтов и вайтлеблов с танцевального винила =читай хуёвенький RIAA корректор и дубоголовые иглы в дешёвых DJ микшерах и вертаках).
>>852551
>Чтоб была плотная, звонкая и напористая колбаса пик 2 в лучших традициях бенни бенасси и death magnetic, а не сырое жиденькое попукивающее нечто пик 1.
которое остоёбывает слушать через 15 минут, потому как нет динамики и мозг просто устаёт от постоянной яркой навязчивой помехи.
>>852551
>С замьючиванием всех хвостов шума между ними вручную и добавкой тишины, если меньше 2 секунд.
зОйчем ? оно бы просто замаскировалось шумом ленты.
>>852551
>Ну и да, для кассет режу высокие выше 15-16 кГц, они на ленте нахуй не нужны и могут и будут! мешать на высоких уровнях записи.
вижу контуженного пользователя контуженного советского гамнитофона.
в зарубежных деках выше среднего есть специальная система динамического подмагничивания HX PRO, которая делает это ненужным.
>>852551
>даже перезадрать их ничего не испортит.
ссаньё против ветра.
ты просто ебёшь голову себе и усилителю записи, перегружая ненужными гармониками.
вместо читаемого верха, получается сёр и недобор по НЧ, поскольку они взаимосвязаны кривыми коррекции.
>>852551
>Именно! :3 И никаких калибровок под каждую кассету и металов, нормал онли с забитыми наглухо токами записи и подмагничивания. реально наглухо - настроил по приборам, запаял в мафон постоянные резюки вместо подстроечников, и параметры никуда не уходят уже лет 7
несчастный ребёнок.
когда нибудь, возможно, ты узнаешь, что параметры каждой ленты отличаются, требуя калибровки индивидуально под каждую кассету.
для этого в более дорогих аппаратах применяется встроенный генератор записи и обратная связь, подстраивая таким образом оптимальные параметры подмагничивания и уровень.
>>852551
>Охуеть расточительство, 5 сек максимум.
)) ты это я в 15 лет.
ничего страшного, это пройдёт.
>>852551
>Да прост пишу с максимальным уровнем, на котором еще нет больших искажений.
на слух определяешь ?>>852551
>>852551
>сигнал со смарта 400 Гц, 0 дБ на максимальной громкости, уровень записи настраиваю +3 дБ, потом со смарта же и пишу музон. Вряд ли там +6 с учетом такого "генератора", индикаторы пусть хоть обынертятся.
есть такая лента калибровочная она же измерительная лента, с записью пачки частот.
там азимут записан пачкой импульсов и опорные уровни.
вангую, что у тебя индикаторы и уровни в аппарате выставлены от балды +-лапоть.
........
разница между пиками как раз достигает 6 Дб.
....
>>852551
>одами выверенные цифры для моей совкопараши, перестраивать не надо.
>>852551
>примерно одинаково, ну да похуй
там другие головы (магнитный материал), другие зазоры (профили и размер зазоров), поэтому не похуй, не уровнем единым.
>>852551
>28лвл, писал на кассеты уже в 1999 лол, когда купили первый мафон. Такшта для меня это просто синдром утенка, увы.
желаю тебе купить нормальный фирменный аппарат, (тем более что сейчас это можно сделать примерно за $200-250 вполне достойный, обслуженный, без всяких оговорок)
и перестать говноедствовать.






Аноним 27/05/18 Вск 14:31:00 852598382
>>852563
> headroom, т.е. запас на пики, цап работает в оптимальном режиме
> ТЫЦ ТЫЦ БУМЦ ПЭМ ПЭМ ПЭМ на шебмках
это и есть рэйв-пати для объебосов, куку епта
ящетаю такое говно вообще надо изначально писать с 0дб динамикой и 10% кни
хедрум и оптимальный цап у него в хаус-пердеже блять нашелся, как про стравинского или баха пиздит пхах
Аноним 27/05/18 Вск 15:19:52 852604383
Аноним 27/05/18 Вск 19:58:49 852643384
>>852563
Короче, остается только купить НАКАМИЧИ ДРАКОН, мешок кассет TDK MA-XG и перестать говноедствовать, понятно.
Аноним 28/05/18 Пнд 07:38:49 852710385
>>852598
>это и есть рэйв-пати для объебосов, куку епта
>ящетаю такое говно вообще надо изначально писать с 0дб динамикой и 10% кни
и что ? законы физики теперь на это говно не действуют ?
вхуярить почти меандром в динамики, они либо сгорят раньше времени, либо звук станет ещё большее говно, как и треки Бенасси.
>>852598
>хедрум и оптимальный цап у него в хаус-пердеже блять нашелся, как про стравинского или баха пиздит пхах
ну охуеть, давайте вобще розовый шум писать, раз это жанр для объебосов.

Аноним 28/05/18 Пнд 07:40:44 852711386
>>852643
максимализм ? пора бы избавиться уже.
любая исправная нормальная дека после профилактики, в пределах $200-250 это не накамичи дракон.
Аноним 28/05/18 Пнд 11:01:45 852720387
>>852496
Боже, какое сильное заявление. Просто 10 из 10. Ты встряхнул меня и выбил все дерьмо повседневности. Я готов.
Аноним 28/05/18 Пнд 15:43:32 852751388
alps pat p.jpg (2491Кб, 3328x1872)
3328x1872
Выручайте, котаны.
Решил вскрыть у усилка селектор входов для чистки.
В итоге всё почистил, пришло время его засовывать в корпус и тут появился вопрос: какой стороной его совать?
Сразу внимание не обратил на то, как было.
Аноним 28/05/18 Пнд 15:44:08 852752389
>>852751
Вот эти "щетки" можно и так и так воткнуть.
А как правильно - хз
Аноним 28/05/18 Пнд 15:51:58 852756390
>>852751
у меня ток шо альпс упал на один уровень с совком.
Аноним 28/05/18 Пнд 15:53:34 852757391
>>852756
ты ни разу не разбирал чтоли? лол
Аноним 28/05/18 Пнд 15:53:58 852758392
Аноним 28/05/18 Пнд 16:01:01 852760393
>>852757
альпсы не попадались такие, чет думал что там хотя бы они позолоченые, а так сраная посеребренка, можно смело селекторы хуярить на совковых галетниках получается.
Аноним 28/05/18 Пнд 17:26:47 852778394
musiccassetteau[...].jpg (228Кб, 1200x800)
1200x800
Котаны, может нубская платина, но тем не менее.
1) Что будет с качеством звука при записи на аудиокассету лосслесс аудиофайла? Понимаю, что важны качество ленты, записывающего устройства и так далее, но хотя бы в среднем.
2) Новые компакт-кассеты вменяемого качества занедорого реально купить? Или только остатки былых запасов или китай?
Аноним 28/05/18 Пнд 21:53:53 852820395
На радиорынке в одном павильоне появились какие-то новые ПАССИКИ, взял аж джва набора. да-да, >2к18 >пассики Чсх, упакованы не в обычных защелкивающихся пакетиках или просто завернутых, а в запаянных. Обычные квадратные пассики 1 мм сечением, куча размеров вплоть до овер 10см полудлины. И воняют как немытые хуи обычная сантехрезина. Поставил в плееры - вроде ровные, хотя один таки попался слегка кривоватый с заусенцем. Может, это не кетайские, а что-то от местных токарей нарезано из куска резины? Ну в одном плеере работает, детонации нет, пока гоняю его туда-сюда, посмотрим.
небось опять порвутся как прошлые, те тоже были ровные, а через день трещина и разрыв пукана
Аноним 28/05/18 Пнд 22:10:45 852823396
cassettes 2010.jpg (868Кб, 2048x1536)
2048x1536
>>852778
> Новые компакт-кассеты вменяемого качества занедорого
Видел такие на радиорынке вчера запечатанными в одном месте с винилом и всяким старым радиохламом. На витрине стояли несколько штук новодела типа tdk fe90, sony ef, hf 90 самых последних выпусков. Спросил почем - самая дешевая 3 бакса, уот так уот. Обычная кака 1 типа для записи попсы, тьфу. И одного пожалел бы.
надо было в 2008-2009 тоннами затариваться этими тдкашками и соньками, когда их в каждом киоске было хоть зажуйся за доллар-полтора штука, щас бы озолотился лол
Аноним 28/05/18 Пнд 22:13:21 852824397
ну понятно, что это фотка из 2010 года, а не вчерашняя
Аноним 04/06/18 Пнд 13:44:03 853513398
gima1.jpg (677Кб, 2061x1397)
2061x1397
gima2.jpg (1825Кб, 3155x2362)
3155x2362
Еее, случайно урвал на барахолке аж ТРИ запечатанных кассеты всего за 3$ в сумме! :3 Вот специально ищешь - никогда не найдёшь, а рандомно само в руки падает. Сначала думал - ай, это ж славич с закосом под жапад, переплатил за кривое говнецо, ещё и ракорды переклеивай, ну зато хоть 90 минут и девственные!1 Распечатал одну, прожжённую сигаретой, две пока оставил - как новая, выглядит нормально, хоть и простенько, МК60 не напоминает. Алсо первый раз вижу кассету с прямо указанной датой производства. Сделал запись - хуясе, всё чистенько, почти ни одного затыка, ничего нигде не порвалось. Значит, реально басфовская лента. Погуглил - круто, кроме немецкой ленты, ещё и вся технологическая линия была итальянская!
Аноним 04/06/18 Пнд 13:55:37 853515399
cass2018.jpg (1070Кб, 2048x1536)
2048x1536
>>852823
> На витрине стояли несколько штук новодела
А вот и они, сравните с ассортиментом из 2к10. Всего 8 лет прошло - вуаля, ленточки продаются в одном павильоне в радиусе километра поштучно и втрое-впятеро дороже, збс чо.
Аноним 04/06/18 Пнд 22:08:13 853572400
>>853513
Хуясе, ни разу таких не встречал. А вот, помнится, были в первой половине и середине 90-х внезапно годные КИТАЙСКИЕ кассеты MG. Не могу нигде найти по ним инфу, не говоря уже о них самих. Лента феррум, рыжая, как у агф. Чёрный корпус, пластик текстурированный.
Аноним 05/06/18 Втр 23:12:22 853735401
1414.jpg (770Кб, 1280x848)
1280x848
Я тут вообще мимокрокодил, а тут такой интересный тред. Поясните, что сейчас вообще с аудиокассетами происходит? Насколько актуально/доступно/дорохо?
Чёт пиздец время летит. До сих пор валяются всякие свои кассеты с записями из 90х, ещё вроде даже батины какие-то кассеты из 80х есть. Алсо, пикрилейтед купил хз когда впрок, вскрыл и заюзал только одну (ещё одна где-то валяется), остальное так и лежит нетронутое, мда.
Аноним 07/06/18 Чтв 02:03:38 853892402
>>853735
> 60 минут
Самые уебанские кассеты. На альбом почти всегда много, на сборник мало. Только начал слушать - кончилась лул.
Аноним 08/06/18 Птн 06:49:24 854002403
где купить недорого касетный плеер ?
Аноним 09/06/18 Суб 21:46:23 854208404
english.jpg (658Кб, 1900x1179)
1900x1179
Няяяяяяя, и на моей улице таки перевернулся грузовик с пкассетами! :3 ^___^
Иду из магазина, а прямо в соседнем подъезде внезапно выкинули кучу кассет - и аудио, и видео, хуясе! Видака у меня никогда не было, а вот аудио подобрал какие видел. Все с инглишем, в том числе и басфы 90 минут. Штук 20 прям в упаковках, и такое впечатление, что прям с 1997 и лежали нетронутыми. Зарядил в плеер - а там реально МАЙ ХАРТС ИН ЗЕ ХАЙЛЕНДС МАЙ ХАРТ ИЗ НОТ ХИА ЭЧЕЙЗИН ЗЕ ДИА с чистейшим качеством. Даже стирать жалковато как-то.
Аноним 09/06/18 Суб 23:44:56 854228405
>>854208
тот случай, когда 95% и не понимают что такое Lyrec, как это было круто и дорого.
Аноним 10/06/18 Вск 19:33:49 854385406
Поясните, если ограничен бюджет, то что лучше взять:
что-то типа dual 620, dual 50x, и корректор типа nad pp
technics 1x00(не 1200) и корректор за 3 рубля
или еще что, у меня уже голова болит, я не могу для себя расставить приоритеты, лол
Аноним 11/06/18 Пнд 00:21:16 854439407
>>854385
от корректора звук зависит как и от головы (иглы).
это основные элементы.
а вот на практике ты по звуку почти не отличишь 1100 модель от 1200 или от другого прямоприводного исправного аппарата с одинаковой эффективной длиной тонарма.
больше разницы даёт заточка игл, конструкция и производитель головы, насколько верно выставлена она по шаблону.
достаточно выбрать прямоприводный аппарат с кварцевой стабилизацией и длинным тонармом.
"столы" - т.е. вертушки начинают показывать разницу в звуке, когда акустика и всё остальное значительно дороже.
до тех пор лучше смотреть с точки зрения состояния, ремонтопригодности и утилитарного удобства (расположение кнопок, наличие каких то доп функций).
Аноним 13/06/18 Срд 13:04:08 854688408
>>854439
а отличие корректора насколько различимо? в пределах 50-250 долларов, например.
Аноним 14/06/18 Чтв 09:08:32 854815409
>>854688
к сожалению, в новодельных заводских изделиях до $100-150 вообще всё +/- одинаково, отличие только в корпусе и оформлении.
экономия на питании, элементах и так себе разводка и экранирование.
внутри стоят почти однотипные операционники или микросхемы, хотя само по себе использование операционников не плохо.
если смотреть рынок б/у, то попадаются удачные изделия, но нужно знать модели и шерстить на предмет продажи.
лучше всего в эту сумму поискать мастеровой корректор, на профильных форумах или на барахолках.
практикуют продажу под прослушку с залогом.
т.е. оставляешь стоимость корректора, договорились о сроках, если не устраивает звук, то возвращаешь назад, человек отсылает обратно деньги.
Аноним 14/06/18 Чтв 10:04:18 854831410
maxresdefault.jpg (231Кб, 1280x720)
1280x720
Аноним 15/06/18 Птн 21:52:46 854999411
>>854831
Следующая категория – люди купившие проигрыватель за 30-50 К. Кто по-наивнее – новодельный, кто поопытней – винтажный. Первые, как правило, приобрели за 10-20 К новодельные фоники, вторые – за те же деньги винтажный усилитель со встроенным корректором. Ну и начитавшись различных форумов поменяли начальные аудиотехники на чуть более яркие иголки 5-10 К. Как ни парадоксально, но потратив 50-80 К – эта категория виниловодов не приобрела почти ничего. В самом лучшем случае, их система извлекает из грампластинки 40% информации, а если они не смогли правильно настроить иголки, то и того меньше. Износ грампластинок на их вертаках так же будет зависеть от настроек.

- Ну вот видишь, Вини, система за 50 К почти ни чем не отличается от той, что нашли на помойке.

- Это, смотря как тратить деньги. Опытный виниловод за 50 К соберет ХайЭнд систему, способную раскрыть винил больше чем на 50%. Записывайте рецепт: вертушка Электроника Б1-01 в простонародье Бэха - 20 К. Иголка Ортофон МС Турбо-1 – 15 К и авторский ламповый фонокорректор – 15 К. Разумеется с Бэхой придется повозиться – сделать профилактику, перепаять фонокабель, иголку тоже нужно суметь правильно настроить, да и фоник брать ни какой попало, а у проверенного инженера. Но поверьте мне, результат того стоит.

- Следующая категория виниловодов стоит особняком – это коллекционеры.

- Вроде нашего Фила.

- Совершенно верно. Грампластинки они просто покупают и раскладывают по фонотеке. Виниловые тракты у них, как правило, слабенькие, почти такие же, как у предыдущей категории. Да и крутят пластинки они не часто, боясь их испортить.

На следующей фокус группе остановлюсь по-подробнее, потому как именно для них создает свою продукцию наша дизайн студия NewArtVinyl. Это меломаны с аудиофильским уклоном, как правило, имеющие акустически оформленную КдП и хорошо подобранный комплект приличной аппаратуры и качественных кабелей. Другими словами, у них есть все кроме хорошего источника. Гоняя музыку с компа или СD, они настолько привыкли к ущербному цифровому звуку, что перестали замечать его неполноценность и всерьез считают его эталоном, ну или как минимум - самодостаточным.

Начитавшись на форумах о прелести аналогового звука, они решили попробовать, что же это за зверь такой. Но, не имея хорошего консультанта-виниловода, решили сильно не рисковать и не покупать дорогие аппараты. В салонах аппаратуры им впарили вертак 100-200 К, иголку 20-40 К и фоник 30-70 К. Специально друг к другу ничего не подбирали и с настройками тоже не слишком заморачивались. В результате, потратив 150-300 К, любопытство чаще всего оборачивается разочарованием. Криво отстроенные тракты, по звучанию не дотягивают до уровня СD, извлекая из грампластинки, в лучшем случае, 50% заложенной в ней информации.

- Меньше, чем предложенный тобой рецепт с Бэхой?

- Совершенно точно. Следующая категория – виниловоды со стажем. Как правило, мужички лет 60. У них хороший винтажный вертак, типа Микросейка, за 200 К и они неплохо разбираются в иголках ценовой категории до 50 К. Но слабым звеном их системы, как правило, является фонокорректор. Они, почему то, упорно слушают МС иголки через повышающие трансы, теряя на рассогласованиях по сопротивлению, значительную долю звуковой информации. Эта категория виниловодов очень аккуратно относится к грампластинкам, как правило, имеют моечные машины и пользуют антистатические конверты. С помощью их сетапов можно извлечь 50-70% информации, заложенной в грампластинке. И хочу отметить, что для однотонармовой системы - это практический предел.

Еще одна категория виниловодов тоже стоит особняком. Это адепты какого то определенного технического решения. Как, например, поклонник винтажных ММ иголок А. Червяков. Он так подобрал свой виниловый тракт и всю остальную систему, что определенные жанры (акустический джаз) звучат очень выразительно. Но вот все остальное (рок, электроника, техно) его система не играет. Я лично считаю такой подход ущербным. К этой же категории можно отнести поклонников роликового привода. Ничего не имею против, но называть ролик – лучшим в мире приводом, довольно странно. И, совершенно точно, я бы не рекомендовал ставить на роликовый вертак иголки дороже 50 К. Он их просто не раскроет.

Следующая категория – эстетствующие миллионеры. Люди, которые покупают компоненты, исключительно из их внешнего вида. При этом согласованность стол-тонарм-иголка-фоник их слабо волнует. Настраивать иголки и ухаживать за винилом они тоже не умеют. Прижимную силу им конечно консультанты настроят (за отдельную плату), а вот все остальное – как повезет.

И в результате система за миллион раскрывает пластинку в лучшем случае наполовину.

- Меньше чем предложенный тобой вариант за 50 К.

- Так и есть. Ну и наконец, элита виниловодов – аудиофилы. Это охотники за эмоциями и впечатлениями от прослушивания винилов. Их цель – выжать из грампластинки 100% заложенной в ней информации. И они прекрасно понимают, что с помощью одной иголки, тонарма и фоника этого сделать невозможно. Приблизиться к полному раскрытию грампластинок различных годов, лейблов и жанров можно только комбинацией различных систем иголок, тонармов и фоников. И для этого недостаточно просто купить Ван ден Хул Калибри. Нужно так подобрать систему стол-тонарм-кабель-фоник, чтобы иголка раскрыла весь заложенный в ней потенциал и отыграла и доставила Вам удовольствие на все потраченные на нее деньги. На этом предлагаю закончить сегодняшний ликбез. И помните, как говорит Ауди – под хороший виниловый тракт Вы должны рыдать!
Аноним 18/06/18 Пнд 09:46:21 855280412
>>854999
правдивый трипл !
Когда уже будет обзор неКитайской новомодной свистелки/перделки с логотипом ЗМ, дораха бохато жена аудиофила, как правильно заебать
Аноним 18/06/18 Пнд 12:55:27 855303413
>>854208
>Бонк, Котий, Лукьянова
Мдахех, это пиздец. Думал, там оффициальные тупо переписанные на басфы записи, но нет. Даже цифранул обе кассеты, значились как №2 и 3. http://rgho.st/7PPCYSSXl а потом уже стёр их Мало днищенского качества записи. Эти искажения, эта плавающая скорость, этот не фон даже, а ФОНИЩЕ, эти завалы ВЧ, эта противофаза, "выкачивающая воздух из головы"... Это ж на чём надо было записывать, чтоб получить ТАКОЕ? Как ни крутил азимут, вот самое чистое, что смог получить. Но главное - похоже, какого-то отличника заставили вручную надиктовывать всё это говно! Стоп, oh sh- "Лэнингрэд", "комрад"? На вкладышах вроде 1997 год, это что, с какого-то вообще совкового учебника задания? Первый раз вижу вот эти три фамилии.
Аноним 18/06/18 Пнд 22:44:17 855387414
>>855303
>это что, с какого-то вообще совкового учебника задания? Первый раз вижу вот эти три фамилии.
БИНГО!
сразу видно миллениала, который не застал тех жутких совкоучебников.
с другой стороны, это хорошо, нечему хорошему конкретно те учебники научить не могут.
Аноним 19/06/18 Втр 18:30:52 855487415
Аноним 19/06/18 Втр 20:17:54 855503416
Поясните, если я поставлю иглу от at-95 в at-91, то получу лучший звук за малые деньги?
Аноним 20/06/18 Срд 00:49:36 855534417
>>855503
нихера ты не получишь, даже если звучать будет хоть как то.
это одного порядка головы.
если бы можно было 440 МL поставить голову от 95...и то дубовую дешёвую иглу на нормальную бошку...
Аноним 20/06/18 Срд 09:28:23 855545418
>>855534
ну тогда другой вопрос, получу ли я радости от замены 91 на 120 или надо еще подкопить и что-то выше классом взять?
Аноним 20/06/18 Срд 21:29:45 855624419
>>855545
в принципе, да, получше голова.
но нужен корректор не от прожекта за 50 долларов, чтобы более дорогие иглы во всей красе слышать.
иначе бабла потрачено, а огромной разницы нет.
что сразу бросается - стереоразделение и сибилянты.
на старших сериях их меньше.
самая доступная из хороших 440 Mla, у неё очень хороший звук и эти дефекты наименее всего выражены.
зато требует тщательной установки - заточка многопрофильная.
дешман со сферической и конусной заточкой даже полупьяный любитель может поставить-трудно ошибится.

Аноним 20/06/18 Срд 23:37:19 855642420
>>855624
>но нужен корректор не от прожекта за 50 долларов
а от pro-ject за 200$ уже способен? ну и давно хотел спросить у кого-то, а КОРРЕКТОР ОТ ВАСИЛИЧА?
Аноним 21/06/18 Чтв 00:35:20 855644421
>>855642
смотри, сразу по пунктам:
-издержки интернет общения, понимай сарказм и иронию, нет, корректор от прожекта за 200 такое же гАвно как и за 50, только за 200.
вместо фирмы прожект может быть любая современная фирма в этом диапазоне цен.

как ни парадоксально, несмотря на кривожопость сборки, зажратость сборщика, примитив схемы, корректор уасилича вполне хорош, как собирательный образ самосбора, его попсовая и тёмная сторона.
полно самодельщиков, которые за $200 могут уделать западные заводские образцы до $500 смело.
в недостаток то, что такие самоделки потом труднее продать, если захочешь что получше.
я сам лично слышал и сравнивал простую самосборную схему от мастера, которая уделала достаточно серьёзный предусилитель.


Аноним 21/06/18 Чтв 00:49:19 855645422
Аноним 21/06/18 Чтв 01:25:21 855650423
phono2.jpg (382Кб, 1353x748)
1353x748
>>855642
>КОРРЕКТОР ОТ ВАСИЛИЧА
Аноним 21/06/18 Чтв 16:16:18 855723424
>>855644
с грустью взглянул на свой nad pp
Аноним 21/06/18 Чтв 16:42:20 855730425
Это нормально, что фонокорректор в бюджетном интегральном усилителе (Sony Ta-f590es) звучит намного лучше фонокорректора от модной и молодежной фирмы Schiit? У Шиита звук пластиковый, и он страшно фонит на любой громкости (а без подключенного заземления от вертушки звучит ещё хуже).
Аноним 21/06/18 Чтв 17:06:42 855735426
>>855730
Нормально.
У меня в техниксе 82-го года вполне приличный корректор, например. Получше бюджетных проджектов и кембриджей с надами (слушал, сравнивал). Ещё и MC есть в придачу (насколько хорош этот MC, правда, не знаю - юзаю MM). Модный Шыт не слушал (и не хочу).
Аноним 22/06/18 Птн 00:58:20 855813427
>>855730
херли бы в старшей соньке, старой серии был плохой корректор ?
херли бы он не фонил, когда соединение земель есть штатная функция любого корректора.
Аноним 22/06/18 Птн 09:17:12 855851428
>>855813
>херли бы в старшей соньке, старой серии был плохой корректор ?
Ну, иногда говорят, что любое внешнее решение > встроенное. Я ожидал, что не отличу их на слух, или разница будет незначительна, но в итоге Шиит оказался в несколько раз хуже.
>херли бы он не фонил, когда соединение земель есть штатная функция любого корректора.
Он и без подключения земли фонит, вот в чём беда. Отключил землю специально, чтобы проверить - вдруг контакт земли отвалился там откуда-то внутри фонокорректора. Нет, не отвалился.

>>855735
Спасибо, тогда я спокоен.
У этого ресивера тоже есть MC, но MC головой я вряд ли буду обзаводиться. Скорее, попробую топовую Нагаоку (сейчас стоит MP-110)
Аноним 23/06/18 Суб 00:53:29 856033429
>>855851
>Ну, иногда говорят, что любое внешнее решение > встроенное. Я ожидал, что не отличу их на слух, или разница будет незначительна, но в итоге Шиит оказался в несколько раз хуже.
в этом случае да.
если брать старые внешние бродкастовые корректоры, может быть совсем наоборот.
>>855851
>>855851
>>855851
>Скорее, попробую топовую Нагаоку (сейчас стоит MP-110)
попробуй AT 440 Mla, AT 150 MLX, 20 SLa, Shure Type 3 +JICO SAS,Type 4+JICO SAS -это гораздо
более популярные и крутые ММ головы.
Аноним 26/06/18 Втр 23:50:12 856731430
Рис-51.jpg (1592Кб, 3000x3142)
3000x3142
Что можно взять из винтажа на замену умершим beyerdynamic dt 770 600 ohm так чтобы по качеству звука не даунгрейднуться? Есть усилок Yamaha ex 396.
Бюджет в районе 8к+-. Смотрел на авито koss pro 4aaa, akg k240 Sextet - стоят 10к+, чет дороговато. Может быть есть еще что-то подобное?
Аноним 06/08/18 Пнд 17:50:57 861664431
CRW8363.jpg (257Кб, 1067x1600)
1067x1600
месяц как собрал веги( в одной правда до сих пор нету мешка с ватой), и это офигенно по сравнению с тем кем они были в оргинале и с тем кем они были пока стояли без задних стенок, появились нч, не как на ыч90, но вполне себе годные, без бухтения, сч и вч остались такими же как были без задних стенок(внезапно да), теперь думаю о том что бы купить чет зарубежное но уже ват на 100-150.

>>856731
у меня 540ые сенхи, слушал 770ки и мне сенхи показались более сбалансироваными, у 770ок высокие задранные что ле.
Аноним 07/08/18 Втр 19:17:14 861806432
vinil.jpeg (5Кб, 293x172)
293x172
>>820631 (OP)

сап ламповач

Есть бюджет 25к рублей. Хочу взять виниловый проигрыватель(новый) + усилитель + колонки. С виниловым проигрывателем определился, остается примерно 13-15к на усилитель + колонки. Что посоветуете взять? Подержанные варианты тоже рассматриваю.
Аноним 07/08/18 Втр 19:24:59 861807433
>>861806
Блять, у тебя же даже на более-менее приличную систему денег нету. Какой тебе винил, ты хоть цены на него видел?
Аноним 07/08/18 Втр 20:30:29 861813434
4656515419.jpg (48Кб, 640x480)
640x480
>>861807
1000р на авито, динамики и даже радио встроены.
*ВЫГОДА!
:3 Аноним 11/08/18 Суб 20:34:05 862194435
диоды.jpg (312Кб, 1529x1085)
1529x1085
няяяяяяяя ^__^
Аноним 16/08/18 Чтв 10:58:34 862643436
>>855650
уникальные технологии
Аноним 21/08/18 Втр 12:22:07 863171437
>>861806
а я чисто за 5-7к возьму виниловый проигрыватель с фотокоректором и подключу его к ПК , слушать буду через нормальные колонки . Вроде бы и экономно и звук через прогу на компе можно настроить в плеере, думаю не прогодал
Аноним 22/08/18 Срд 04:51:58 863216438
>>823344
Hi-RES -> обычное цифровое аудио (44.1/16) -> Audio CD (а хуле, там коррекция ошибок простейшая, и это может вносить искажения при проигрывании поцарапанного диска) -> говно -> моча -> катухи -> винил -> кассеты -> mp3 -> amr
Аноним 22/08/18 Срд 04:53:55 863217439
Баба с упоротур[...].jpg (149Кб, 1086x1448)
1086x1448
143478376399910.JPG (1301Кб, 1800x1699)
1800x1699
Аноним 22/08/18 Срд 04:58:42 863218440
140958403915352[...].jpg (36Кб, 604x539)
604x539
>>853515
ААААААА ХРОМОВАЯ НОВАЯ
Аноним 22/08/18 Срд 05:01:45 863219441
20161022490.jpg (536Кб, 1600x1200)
1600x1200
>>853515
2016 год.
Кассеты от Сосони - 200 рублей.
Плёнка к ракорду приклеена криво, отсутствует экран под фетровой подушечкой, кассеты неразборные, прописываются норм, сравнимо с ECP.
Аноним 22/08/18 Срд 05:17:25 863220442
ZGkaWuYOoU.jpg (40Кб, 577x369)
577x369
66237800.208x208.jpg (23Кб, 416x276)
416x276
ORWOChromeCasse[...].jpg (351Кб, 1630x1033)
1630x1033
kassetamk606sve[...].jpg (115Кб, 1024x768)
1024x768
>>852778
>1) Что будет с качеством звука при записи на аудиокассету лосслесс аудиофайла? Понимаю, что важны качество ленты, записывающего устройства и так далее, но хотя бы в среднем.
Зависит от состояния кассеты и типа ленты
Вот на твой пикрелейтед, если она новая и не скрипит, будет провал по ВЧ, но если откаллибровать мафон, будет срез по ВЧ меньше, чем у mp3, появится шум ШШШШШ, а так норм будет.
При записи на обычную Тип 1 файл и запись на кассете будут немного отличимы на слух, но ШШШШ всё равно будет, как и срез частот
При использовании хрома или металлической ленты, ШШШШ будет минимальным, среза частот не будет. Ну если не Hi-res какой-нибудь писать, а обычный, качества CD
При использовании систем шумопонижения, ШШШШ будет меньше. Есть всякие цифровые корректоры, встраевыемые в пазние кассетники, они неплохо помогают убрать ШШШШ и выровнять частоты, но вносят искажения (этакий цифровой песочек)

Социалистических кассет вам в тред: КНДР, Югославия, ГДР, СССР
Аноним 18/10/18 Чтв 19:12:57 871710443
изображение.png (811Кб, 1800x1004)
1800x1004
Подкрутил этот тред.
Аноним 23/11/18 Птн 10:14:50 876902444
>>871710
мистический бамп, где все ?
Аноним 30/11/18 Птн 21:03:59 877867445
Аноним 06/12/18 Чтв 20:22:50 878671446
Вы от аудифильского спида поумерали, пидорасы?
Аноним 10/12/18 Пнд 02:36:50 879140447
Привет, аудиоаноны, подскажите: на кассетном мафоне нажимаю кнопку играть, кнопка пару секунд держится в положении вкл, потом сама отжимается. Если держать пальцем кнопку, то кассета играется, но идут щелчки. Кто-то сталкивался с подобным?
Аноним 10/12/18 Пнд 03:54:29 879141448
VID201812101051[...].mp4 (26878Кб, 1920x1080, 00:00:12)
1920x1080
собственно, вот
Аноним 20/12/18 Чтв 10:43:13 880400449
a.jpg (184Кб, 960x720)
960x720
img0.jpg (80Кб, 256x679)
256x679
CDP-M57 SONY
Аноним 20/12/18 Чтв 10:43:54 880401450
>>880400
брать ? есть внутри что нить интересное ?
Аноним 21/12/18 Птн 09:58:09 880493451
miracordturntab[...].jpg (121Кб, 1500x800)
1500x800
Товарищи, помогите с выбором акустики и усилка для винила. Фонкорректор встроенный.
Бюджет 40 тысяч на все. Варианты смотрю бэушные.

Акустика:
Elac FS 137 - 30тр.
MONITOR AUDIO Silver RX6 + PIONEER VSX-527 - 35тр
Monitor Audio Bronze BX-5 16тр.
Diatone DS-66Z Ti Boron - 35тр.
Kenwood KL-777D - 30тр.
Boston CR97,77+саб - 35тр. (можно будет тылы и центральный канал продать потом)
Monitor Audio Silver S5 - 18тр.
Monitor Audio MR 6 - 22тр.
Onkyo D-500 ll Liverpool - 25тр.

Усилки:
Sherwood 4050 - 6тр.
NAD C320 - 6тр.
Breeze Audio BA10C 2.1 - 3,5 тр.
Onkyo TX-SR603E - 11тр.
JVC AX 1 - 8тр.
Cambridge Audio Topaz AM 10-B - 14тр.
Harman Kardon HK3770 - 16тр.
Nordmende PA-1050 - 9тр.
Аrcam alpha 8 - 14тр.
Marantz PM-66SE - 11тр.
Onkyo TX-SR608 + Ultimate SYM3(2шт.) - 25тр.
Pioneer VSX-924K - 22тр.
NAD C320BEE - 9тр.
Yamaha R-N602 - 25тр.
Denon pma-720ae - 20тр.
Marantz Pm 7200 - 25тр.

Какой комплект собрать?
Аноним 27/12/18 Чтв 01:46:47 881360452
Аноним 12/03/19 Втр 23:41:10 890942453
Снимок.PNG (4Кб, 70x62)
70x62
>>820631 (OP)
Сап, олды. Есть ли в продаже годный ламповый усилок с разъёмом пикрил?
Прям проблема найти, как оказалось.
Аноним 15/03/19 Птн 09:19:06 891182454
А я где то полгода маялся, думал купить деку кассетную. Все авито мониторил. Потом решил послушать кассеты на своем тракте через плеер. Слава богу отпустило.
Аноним 15/03/19 Птн 09:34:11 891186455
>>891182
>на своем тракте
Вы аудиофил?
Аноним 15/03/19 Птн 09:39:50 891190456
Аноним 16/03/19 Суб 18:12:23 891313457
image.jpeg (1084Кб, 1536x1536)
1536x1536
>>880493
Окуел малость с цен из 2007, где такое?
Аноним 17/03/19 Вск 08:56:05 891358458
serenadare20900.jpg (140Кб, 1200x897)
1200x897
1024892474.jpg (48Кб, 700x601)
700x601
Аноны, у меня есть пикрелейтед (с детства еще -слушал на нем мамкины пластинки - Криденс, Битлов и синие пластинки из журанала КОЛОБОК (вкладывались в журнал как диски в Игроманию)), стоит с него вкатываться в винил?
Я уже месяц слушаю то старье из детства - там и классика естьи песни партизанов WW2 (внезапно с синей пластинки из колобка), и заебало - хочу новые пластинки.
Приметил уже какие покупать, НО....эти пластинки новые.

Я слушаю сейчас музыку с приятным шуршащим звуком и немного некачественную (мне она не нужна-я не аудиофил) на манер той которую в фильмах с патефонов и проигрывателей слушают люди из 30-40-50х годов.

Стоит обновляться, или так и остаться на Серенаде?
Crosley говно но насколько это говно?
Он лучше серенады?
Аноним 17/03/19 Вск 10:12:46 891366459
>>891358
Анон, очень сумбурно)
Можешь по пунктам без лишних деталей написать вопросы?
Аноним 17/03/19 Вск 11:13:33 891385460
>>891366
Вот:

1) я снова начал слушать "коллекцию" пластинок которые были с детства (от мамки еще) на старом проигрывателе Серенада РЭ-209.
2) надоели их слушать и хочется свежака-современных пластинок с группами или ОСТами к фильмам. И я такие нашел - собираюсь пока купить 3 штуки
3) но.. стоит ли вкатываться в нулевой/новый винил с Серенадой? серенада вообще нормальный проигрыватель?
4) Я в курсе что Crosley Cruiser это хуевый проигрыватель но хочу знать - он лучше Серенады или хуже? Если лучше то я буду его брать тк пока не могу позволить 20к на новый качественный
Аноним 17/03/19 Вск 21:18:32 891454461
>>891385
1. Хорошо)
2. Понятно.
3. Не стоит, попилишь новые пластинки. Проигрыватель негодный.
4. Не нужно его брать, копи денежку.
Аноним 17/03/19 Вск 23:10:34 891470462
Лазил на специализированных форумах и заметил как хейтят технику Sony.Кто-нибудь может пояснить почему?Ведь это всё-таки известная фирма.
Аноним 17/03/19 Вск 23:42:49 891473463
>>891470
Ссылок бы принёс.
Аноним 17/03/19 Вск 23:47:30 891475464
31.png (491Кб, 800x600)
800x600

На алике есть довольно дешёвые проигрыватели пластинок. Мой нынешний бюджет в районе 3к
Скажите, они норм?
Аноним 17/03/19 Вск 23:48:38 891476465
>>891473
Да я не запомнил.Просто обратил внимание.
Аноним 18/03/19 Пнд 00:14:28 891477466
>>891475
Советский убитый винил доубить - сойдёт, не более того.
Аноним 18/03/19 Пнд 00:16:44 891478467
>>891477
А они портят пластинки?
Аноним 18/03/19 Пнд 00:24:14 891479468
>>891478
это мемас аудиофилов.
УБИТЬ-это значит разломать пластиинку надвое.
Аудиофилы имеют в виду что убить-НЕМНОШКО поцарапать
Аноним 18/03/19 Пнд 00:26:46 891480469
>>891479
Ну это я понел. Я имею ввиду, такой аппарат будет царапать и портить пластинки? У меня когнечно огромная либра советского разной степени качество и сохранности, есть даже ПРОЗРАЧНЫЙ ЗЕЛЁНЫХ ХИЛЬ лол но планирую и что-нить новое прикупать. Не хотелось бы чтоб оно царапало при проигрывании.
Правда аудиофильскую станцию за 40к я сделать не смогу всё равно со своими бюджетами.
Аноним 18/03/19 Пнд 00:36:04 891482470
>>891480
Ищи в минимальный бюджет проигрыватель с ручными регулировками тонарма.
И как ты собрался новые пластинки покупать с таким бюджетом, интересно
Аноним 18/03/19 Пнд 00:36:53 891483471
Аноним 18/03/19 Пнд 00:38:06 891484472
>>891482
>И как ты собрался новые пластинки покупать с таким бюджетом, интересно
Я не он - я тот бумер сверху с Серенадой, и у меня 3000 руб выйдет за 3 пластинки - скоро буду брать. Там ОСТ из фильма годного, МИТОЛ пластинка и пластинка богоподобного Jetro Tull, мне этого хватит на первое время чтобы аутировать в кресле с бокалом воды тк мне нужно пить 6 литров в день
Аноним 18/03/19 Пнд 00:38:40 891485473
>>891483
Ну ладно
>>891482
>И как ты собрался новые пластинки покупать с таким бюджетом, интересно
В будущем же. А ряд совковых которые есть сейчас очется уже сейчас пслушать
>тонарма.
А чё это
Аноним 18/03/19 Пнд 00:46:56 891488474
Кто проигрыватель ищет дёшево - универсальное решение надолго если не лезть в совок нулевого класса - прожект дебют, на авито проскакивают по 7-8 иной раз. Хорошая годная машинка.
Аноним 18/03/19 Пнд 00:51:03 891489475
>>891488
>44 000 руб. / штука
>от 35 000 руб. / штука
хмм
Аноним 18/03/19 Пнд 01:03:14 891491476
>>891483
Вот он говорит про самывй дешёвый что там есть юсбишник, говорит об качестве ствроенных калонок - но если это мне не нужно, в плане у меня есть калонки и юсб мне не нужно?
Аноним 18/03/19 Пнд 01:32:04 891494477
Все эти пластмассовые недоразумения лучше не рассматривать вообще. Только ради того, чтобы испортить саму идею разве. Вообще сейчас "среднего" нет, поскольку массовым это уже никогда не будет. Или пластмассовые уродцы с себестоимостью в 50 юаней или раскрашенные "самоварным золотом" монстры с нитяным приводом стоимостью с пару приличных автомобилей и единственным назначением - показать готовность владельца потратить некоторое количество тысяч долларов "чтобзавидовали!". Пик развития грамзаписи был в конце 70-х - конце 80-х, примерно тогда же и вышло лучшее, что было в этом смысле. А сейчас в основном "маркетинг", если кто - то готов потратить немного денег - нужно дать ему такую возможность. ЗАЧЕМ самому оцифровывать диски, да ещё в таком "качестве" ? ВСЁ, что имеет смысл быть оцифрованным давно сделано серъёзными людьми на дорогой аппаратуре и выложено на торренты и т.п. Аппаратура СССР далеко не такая "радость" как обычно считается. Я имел по молодости довольно много образцов, также занимался ремонтом. На хороший аппарат нужно хотя бы десятку выложить, и то будет просто нормальный. Что поприличнее уже под 30-40. Ну это каждый решает, нужно оно ему или нет, я в этом году себе Yamaha YP D7 поставил взамен Dual . Разница в стоимости вчетверо правда. но я доволен. А возвращаясь к этим... надо их "потроха" показать. тогда и вопросы отпадут.
Аноним 18/03/19 Пнд 02:05:38 891496478
423fg.png (103Кб, 621x673)
621x673
>>891358
короче я 2 дня шерстил темы и все таки решил - буду брать Crosley Cruiser проигрыватель.

Везде где я читал про годноту - был какой-то пиздец от поехавших аудиопидоров с их "НИЗЗЯ БРАТЬ МЕНЬШЕ 50 000РУБ ВЕРТУШКУ ВСЕ ЧТО ДЕШЕВЛЕ-ГОВНО".
Я как человек живущий в пидарашке с ее средними зарплатами и не являющийся аудиофилом (мне mp3 вполне норм заходят) не вижу ничего плохого в Крослеу Крузере.

И потом не ебу в конец что эти поехавшие имеют в виду под "УБЬЕШЬ ПЛАСТИНКУ", я слушаю треснутые покоцаные поцарапаные пластинки с 70х годов сейчас и писаюсь кончей, так что не представляю как можно пластинку УБИТЬ
Аноним 18/03/19 Пнд 02:30:15 891498479
3п3.png (17Кб, 595x140)
595x140
>>891496
Я уже начинаю ловить кайф с истеричных аудиофилов которые брызжут слюной
Аноним 18/03/19 Пнд 03:07:59 891499480
>>891498
Так-то брызги слюней как раз вот здесь >>891496
Лол.
Аноним 18/03/19 Пнд 03:28:29 891500481
>>891499
ну ты прав частично но я хз откуда у большей части пидарашек деньги на НОРМАЛЬНЫЙ проигрыватель.
Я буду брать то что мне доступно при моей зарплате тк это лучше чем ничего. За 20к я точно не куплю, но и без прослушивания пластинок сидеть не хочется.
Аноним 18/03/19 Пнд 06:19:17 891502482
arya.png (1660Кб, 1201x784)
1201x784
выше прочитал что сейчас аудиокассеты возвращаются.
У меня просто уберговнарская коллекция. Пик по арии и Черному Кофе.
такое вообще ценится? Может бывшие металлисты из 90-00х такое берут?
Я сам вроде позалипал но потом начало бесить что нельзя скипнуть песни
Аноним 18/03/19 Пнд 06:39:04 891503483
кп1.png (925Кб, 651x844)
651x844
>>891502
пиздец что я там нашел...как же в школе считалось крутым купить говно вроде этого.
Сказку о царе Еблане помню всем классом переписывали.
Аноним 18/03/19 Пнд 06:40:37 891504484
>>891496
>И потом не ебу в конец что эти поехавшие имеют в виду под "УБЬЕШЬ ПЛАСТИНКУ"
>>891480
>Я имею ввиду, такой аппарат будет царапать и портить пластинки?
Он будет это делать немножко быстрее более качественного.
https://www.youtube.com/watch?v=357L0SbUuME
>>891496
>Везде где я читал про годноту - был какой-то пиздец от поехавших аудиопидоров с их "НИЗЗЯ БРАТЬ МЕНЬШЕ 50 000РУБ ВЕРТУШКУ ВСЕ ЧТО ДЕШЕВЛЕ-ГОВНО".
Не обращай внимания. Гнаться за качеством воспроизведения и при этом использовать винил - априори идиотизм. Тем более, что у таких животных аргументы основаны исключительно на ошибочных интуитивных предрассудках типа "дороже значит лудше", а не на объективных данных (которые, к слову, практически отсутствуют).
https://www.youtube.com/watch?v=ZeZ9liZO-f8
https://www.youtube.com/watch?v=-46mrx9lrh4
Аноним 18/03/19 Пнд 06:58:16 891508485
>>891504
большое спасибо!
Аноним 18/03/19 Пнд 09:28:44 891516486
проигрыватель.webm (2510Кб, 464x848, 00:00:19)
464x848
>>891508
Кстати вот моя серенада.
Аноним 18/03/19 Пнд 22:59:44 891620487
Аноним 19/03/19 Втр 13:09:40 891715488
1280px-Compactc[...].jpg (386Кб, 1280x832)
1280x832
Посоветуйте годный магнитофон для аудиокассет. Многие интересные мне исполнители до сих пор на них выпускают релизы, подумываю собрать небольшую коллекцию. От магнитофона хотелось бы приемлемых габаритов, не всратого внешнего вида и способности выдавать приличный звук.
Аноним 21/03/19 Чтв 08:40:07 891962489
>>891715
На обычных кассетах звук по-любому дерьмо.
Аноним 21/03/19 Чтв 09:43:19 891968490
>>891962
Да не такое уж и дерьмо. Вполне норм, только шумно.
Аноним 03/04/19 Срд 19:24:16 894236491
image.jpeg (49Кб, 419x395)
419x395
Аноним 07/04/19 Вск 12:44:22 894602492
>>891968
На норм мафонах шума нет.
Аноним 08/04/19 Пнд 13:53:14 894718493
>>891715
Яуза МП 221-1с подойдёт. Логика, отличный шумодав, полу проф, сендастовые головы за смешные деньги...
Аноним 19/04/19 Птн 15:37:59 895974494
Где искать старые веги? На авито заламывают цены, на мешке мало. Конкретно интересует Вега-106 с Unitra 600-B
Аноним 22/04/19 Пнд 06:28:53 896216495
Хочу кассетную деку с тюнером и усилителем. Это могут быть разные компоненты, но из одной серии. Черного цвета, со строгим дизайном и аналоговыми индикаторами уровня мощности или уровня звука. Ну и звук чтобы не слишком хуёвый был, очевидно. Бюджет - как всегда, чем дешевле, тем лучше. В идеале - не выше 200 долларов. Какие есть варианты?
Аноним 27/04/19 Суб 14:12:25 896807496
231.webm (5157Кб, 640x358, 00:01:51)
640x358
>>891182
> решил послушать кассеты
>>891502
>>891962
> На обычных кассетах звук по-любому дерьмо.
)
Аноним 06/05/19 Пнд 22:53:45 897841497
>>896807
>этот hisssssss...

Олсо, не ожидал от маяка такого.
Аноним 06/05/19 Пнд 23:05:10 897842498
>>897841
> такого
Качества?
или ты про сам трек?
Аноним 06/05/19 Пнд 23:06:28 897843499
>>897842
Думал, что будет oche silnii hisss.
Аноним 06/05/19 Пнд 23:13:09 897844500
>>897843
Ну там шумодав включен, как-то умудряется и шипение резать, и ВЧ не давить.
Аноним 10/05/19 Птн 18:29:27 898320501
>>821134
Вообще то пленка хорошая вешь, но надо качественная и чтобі крутилось бьістро, они очень дорогие вроде оборотистьіе записи, а медленньіе єто низкое качество.
Аноним 10/05/19 Птн 18:40:49 898323502
Надо хорошие стереоколонки пассивньіе или активньіе похуй главное по лучше звуком, желательно с сабами встроеньіми, то есть на три динамика, но наверно не на 4, 4 уже наебаловом попахивает
Аноним 10/05/19 Птн 20:20:17 898343503
Аноним 16/05/19 Чтв 13:08:45 899004504
503 126 175
Настройки X
Ответить в тред X
15000 [S]
Макс объем: 40Mб, макс кол-во файлов: 4
Кликни/брось файл/ctrl-v
Стикеры X
Избранное / Топ тредов