Главная Настройка Mobile Контакты NSFW Каталог Пожертвования Купить пасскод Pics Adult Pics API Архив Реквест доски Каталог стикеров Реклама
Доски


[Ответить в тред] Ответить в тред

Тред закрыт.




<<
[Назад][Обновить тред][Вниз][Каталог] [ Автообновление ] 1497 | 215 | 380

Помощи ньюфагу тред #69 Аноним 11/11/17 Суб 18:38:01  302040   Обсуждение закрыто  
1508600864-eeb2[...].jpeg (143Кб, 660x660)
Очередной раковник для ньюфагов стартует в этом ITT треде.
Предыдущий приближается к критической массе тут:
>>297534 (OP)

ПРЕЖДЕ ЧЕМ СОЗДАТЬ ТРЕД, ПОГУГЛИ, ПРОЧТИ ЭТОТ ПОСТ (а лучше весь тред) И ВОСПОЛЬЗУЙСЯ ПОИСКОМ ПО РАЗДЕЛУ. ТАКЖЕ СМОТРИ ТЕМАТИЧЕСКИЙ УКАЗАТЕЛЬ ТРЕДОВ (>>263887 (OP) (OP) (OP)).

Решил заняться электроникой, паянием ололо-быдло девайсов? Похвально. Вот список нужной литературы и ссылок:

Книги:

Вообще, их очень много. Но тебе же лень искать, поэтому получай скромнейший минимум:

П. Хоровиц, У. Хилл "Искусство схемотехники"
http://publ.lib.ru/ARCHIVES/H/HOROVIC_Paul',_HILL_Uinfild/_Horovic_P.,_Hill_U..html

У. Титце, К. Шенк "Полупроводниковая схемотехника" (в двух томах)
http://www.tverhtk.ru/library/predmets/pc_systems/Poluprovodnikovaja_shemotehnika_Tom1_2008.pdf
http://www.tverhtk.ru/library/predmets/pc_systems/Poluprovodnikovaja_shemotehnika_Tom2_2008.pdf

Ю.В. Ревич "Занимательная электроника"
http://publ.lib.ru/ARCHIVES/R/REVICH_Yuriy_Vsevolodovich/_Revich_Yu.V..html

Если есть желание обмазаться расчётом с ног до головы, то тебе следует почитать вот это:

И.П. Степаненко "Основы теории транзисторов и транзисторных схем"
http://publ.lib.ru/ARCHIVES/S/STEPANENKO_Igor'_Pavlovich/_Stepanenko_I.P..html

Г.И. Изъюрова "Расчёт электронных схем. Примеры и задачи"
http://publ.lib.ru/ARCHIVES/_CLASSES/TEH_RAD/Raschet_elektronnyh_shem.(1987).[djv-fax].zip

Л.Н. Бочаров "Расчёт электронных устройств на транзисторах"
http://www.radiolamp.ru/library/books.php?id=mrb0963

Полезные ссылки:

Много полезный статей и сообщество:
http://easyelectronics.ru/
Схемы устройств и хороший форум:
http://cxem.net/
Также загляни сюда:
http://radiokot.ru/

Решил прикупить себе сканер «закрытых» частот или хороший приёмник? Глянь сюда:
http://www.radioscanner.ru/forum/
И сюда:
http://www.cqham.ru/ (есть годный /forum по схемотехнике)
Любительской радиосвязи также посвящён:
http://www.qrz.ru/

Я знаю, что тебе, мой начинающий друг, будет лень смотреть на сайтах, которые я тебе дал, поэтому:
Техника Безопасности: http://radiokot.ru/start/other/safety/01/
Инструментарий радиолюбителя: http://cxem.net/beginner/beginner1.php
Немного о пайке: http://easyelectronics.ru/likbez-po-pajke.html
О паяльниках: http://easyelectronics.ru/traktat-o-payalnikax.html

СНАЧАЛА ПРОСМОТРИ УКАЗАННЫЕ ВЫШЕ САЙТЫ. НА НИХ ТЫ, СКОРЕЕ ВСЕГО, НАЙДЁШЬ ИСЧЕРПЫВАЮЩИЕ ОТВЕТЫ НА БОЛЬШИНСТВО СВОИХ ВОПРОСОВ, ДАЖЕ В РЕЖИМЕ READ ONLY.

Как первую схему, гугли "мультивибратор".

Как спаять наушники, для начала спроси у гугла, он много этого дерьма повидал:
http://lmgtfy.com/?q=Как+спаять+наушники
Или обратись к старому местному гайду с выцветшими от времени фото:
http://arhivach.org/thread/7925/

Где-то здесь быд тред, но "он утонул"?
https://2ch.hk/ra/arch/

Если у тебя есть вопросы типа: "почему мои калоночки гудят/не играют?", "мультивибратор не пашет", "как определить полярность резистора?" или наушники так и не поддались, то спрашивай в этом треде.

Если у тебя действительно серьёзный вопрос, тогда так и быть, создавай тред.


ДОБРО ПОЖАЛОВАТЬ В /RA.
ДАЁМ НЕ РЫБУ, НО УДОЧКУ.
Аноним 11/11/17 Суб 19:25:06  302043
Продам гараж.
Аноним 11/11/17 Суб 20:05:01  302050
1510228704001.jpg (24Кб, 321x348)
Щас фоткал одно дело со студийным светом. Сама по себе пыхнула вспышка с софита (такое может быть в грозу, но сегодня тихо в этом плане), да еще и сильно завоняла озоном. Вроде работает, но я решил пропалить, мало ли. Начал разбирать а там пиздец конструкция. Продолжать? На что обратить внимание?
Аноним 11/11/17 Суб 20:22:16  302057
>>302050
На изоляцию
Аноним 11/11/17 Суб 23:50:34  302083
Привет, анон! Купил з\у с али. Оно даже работает и даже держит заявленные параметры. Но вот проблема. Тачпад сходит с ума. Пользоваться им невозможно. Проблема исчезает, если включить зарядку в розетку с заземлением или прикоснуться к металлическим частям ноута.

Что можно сделать? Поможет ли поставить кондер поёмче на выход?
Аноним 12/11/17 Вск 10:43:09  302116
>>302083
>Что можно сделать?
Y-capacitor
Аноним 12/11/17 Вск 12:20:35  302126
>>302116
Он ставится параллельно выходу? Там трёхпиновый разъём. Т.е земля\+12\+19. Значит мне надо будет впаивать и на 12 и на 19?
Аноним 12/11/17 Вск 13:25:39  302132
Поясните что будет если для комп. блока питания полумост взамен расколотого трансформатора намотать новый на ферритовом кольце?
Аноним 12/11/17 Вск 13:56:52  302133
>>302112
А можешь подробнее? Как выглядит такой фильтр?
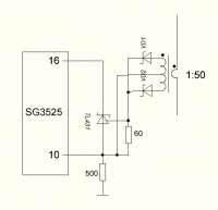
Аноним 12/11/17 Вск 14:00:51  302135
tl.png (4Кб, 587x342)
Такая схема имеет право на жизнь?
Аноним 12/11/17 Вск 15:18:26  302143
>>302126
С силовой земли, на вторичную.
Аноним 12/11/17 Вск 16:05:50  302151
>>302132
Будет работать.
Только не забудь про соотношение витков в трансформаторе и coupled inductor-е.
Да и как бы старый сердечник можно было склеить (если не разъебан в песок) и все бы работало. Только индуктивность намагничивания бы не сильно упала. Это не критично.
Аноним 12/11/17 Вск 16:18:09  302155
>>302151
На каждой букве Ш оба плеча отломаны, если эпоксидкой склеить норм будет? Чё-то я очкую.
Аноним 12/11/17 Вск 16:52:02  302161
>>302155
Я суперклей использую.
У тебя сердечник и каркас уже отдельно (в смысле сердечник вытащен из каркаса)?
Если нет, то сначала разбираешь. Потом клеишь.
Аноним 12/11/17 Вск 17:32:45  302167
123.png (3670Кб, 1801x1394)
Анон, помоги!
Разговаривали недавно на тему гитарных примочек. Впечатлился. Решил поискать дома и по знакомым разных деталей, на фотке то, что удалось добыть. Часто квест заканчивался типа - "Как раз хотел выбросить, держи", и далее вручается горсть деталей. Паяльник держал в школе еще, когда посещал ололокружок электроники он закрылся после трех недель занятий, лол. , так что все это понимаю достаточно смутно.
Есть какие-то возможности запилить что-то типа фузза или еще чего-то из этого вот?
Аноним 12/11/17 Вск 17:42:28  302170
IMG201711121739[...].jpg (181Кб, 957x883)
>>302161
Центральный штырь сидит мертво, пробовал греть и отмачивать в растворителе.
Аноним 12/11/17 Вск 18:01:27  302172
>>302167
Не думал фотки на фотостоках продавать?
Аноним 12/11/17 Вск 18:23:06  302175
>>302172
не серчай, анон, я шарю, что фотка говно, но щито делать. если нужны какие-то номера, то могу их так скинуть.
Аноним 12/11/17 Вск 18:26:39  302176
>>302167
в инторнетах полно схем примочек начиная от колхоза и заканчивая всякими там маршалами и ибонезами
Аноним 12/11/17 Вск 19:28:21  302185
>>302170
Ты вообще что хочешь? Использовать этот блок именно для pc. Или для каких-то других целей?
Аноним 12/11/17 Вск 20:12:49  302191
>>302185
Лабораторник хочу
Аноним 12/11/17 Вск 20:13:49  302192
поцаны, как намотать обмотку на 30 ампер? нужно мотать жирным проводом квадратов на 8-10, я блядь такую дуру не могу согнуть, не то что намотать
Аноним 12/11/17 Вск 20:45:31  302198
>>302192
Ебать ты хилый
Аноним 12/11/17 Вск 20:51:34  302200
>>302198
там сам то пробовал? и чтобы еще феррит не сломать при сгибании
Аноним 12/11/17 Вск 21:07:17  302202
>>302200
Мотал 10 шиной влегкую
Аноним 12/11/17 Вск 21:26:38  302203
>>302202
И чтобы не повредить эмалевую изоляцию. Как блядь?
Аноним 12/11/17 Вск 21:31:29  302204
>>302203
У меня в тканевой была
Аноним 12/11/17 Вск 21:35:03  302205
>>302203
шина 5x2
Аноним 12/11/17 Вск 21:42:11  302206
>>302143
А то, что у меня в принципе нет заземления это ничего? Смотрю в интернетах пишут, что может появится потенциал на корпусе
Аноним 12/11/17 Вск 21:42:17  302207
>>302205
Речь была про 10, одна жила.
Аноним 12/11/17 Вск 21:45:13  302208
>>302207
дебил
Аноним 12/11/17 Вск 21:46:52  302209
dscf001577.jpg (231Кб, 1280x960)
>>302192
Ой, ну не знаю...
Аноним 12/11/17 Вск 21:47:00  302211
>>302192
Мотай многожильным.
Аноним 12/11/17 Вск 21:48:32  302212
>>302211
нету
Аноним 12/11/17 Вск 21:54:01  302213
>>302206
Ничего. Главное с конденасоторм не обосрись.
Аноним 12/11/17 Вск 22:19:09  302218
Радач, спасай, с пленочниками дела не имел раньше, лол.

Есть один телек, судя по всему пизданулись 2 пленочника 22 нф + 100 нф в параллели (по крайней мере симптомы мои и народ пишет, что это помогает).
В таком корпусном исполнении именно блять таких я найти не могу (один заказ недели на 2).
Если я 68 + 68 нф возьму это сильно критично? И можно ли вместо них керамику поставить?
Аноним 12/11/17 Вск 22:20:48  302219
>>302213
А тут подробнее... Я просто никогда с ними дела не имел.
Аноним 12/11/17 Вск 22:43:03  302222
>>302219
Конденсатор либо Y1/Y2, либо керамика на 5kV. Номинала в 1nf будет достаточно.
Аноним 12/11/17 Вск 22:51:41  302223
>>302110
По площади плоской стороны. Стяжка будет плавиться в натяге на острой и тонкой грани пластины как масло от раскалённого ножа.
Аноним 12/11/17 Вск 23:03:16  302226
Хочу заменить PC speaker на светодиод. Какие подводные?
Аноним 12/11/17 Вск 23:06:27  302227
Вышла тут статья https://tjournal.ru/62047-layfhak-push-uvedomleniya-o-novoy-pochte
И я хочу так же.
Только я к своему ящику могу провода подвести и не хочу 5к отдавать за это говно.
Как можно детектить почту в ящике? Какие есть датчики дешевые для этого?
Как с него информацию передать дальше сам разберусь. Мне бы только метод обнаружения почты.
Аноним 12/11/17 Вск 23:07:09  302228
>>302226
Конечная цель то какая? Пока звучит как бесполезная затея.
Аноним 12/11/17 Вск 23:07:29  302229
>>302040 (OP)
Ребзя,
Решил соорудить HDMI switch на 2 канала, т.к. на мониторе вход один, а иногда приходится подключать ноут или ТВ приставку.
Есть 3 микросхемы, TPD12S016PWR
>TPD12S016 HDMI Companion Chip with I2C Level Shifting Buffer, 12-Channel ESD Protection, and Current-Limit Load Switch

покупал чтобы сделать CEC контроллер.
Стоит ли городить на них переключалку?
Представляю это так: на две микросхемы раздваяица сигнал, а какой-то контроллер просто включает\включает эти микрухи.
Или получится говно?

Или просто проще купить TMDS261?
>1080p - Deep Color 2-to-1 HDMI/DVI Switch With Adaptive Equalization


В общем, кто знает, объясните, пожалуйста, идею HDMI свитча.
Аноним 12/11/17 Вск 23:08:30  302230
>>302191
Тогда можешь на любом другом коре намотать.
Либо разобрать, этот трансформатор
>>302170
сварив его. Склеить. Высушить, использовать. Либо перемотать (только перед смоткой глянуть сколько витков в первичке было, чтобы понять под какую амплитуду индукции его рассчитывали и не гадать с материалом).
Можно попытаться склеить без разборки. Только клеить сразу две противоположные части (и клей наносить так же между половинами сердечника). Правда не знаю, стоит ли это делать учитывая как он у тебя выебан (это касается и перемотки). Проще новый найти.
Аноним 12/11/17 Вск 23:13:20  302231
Реквестирую помощь нуфагу, ибо не смог нигде найти исчерпывающий ответ на данный вопрос.
Есть две зарядки для телефона. У одной хуи дроченные 5 вольт, 1 ампер. У другой - 5 вольт, 2 ампера. Может ли амперы сжечь устройство? Или устройство "возьмет" столько, сколько нужно? (Зарядки для телефона - просто пример, легко объясняющий суть вопроса. А так, меня интересует это в отношении всех электронных компонентов.)
Аноним 12/11/17 Вск 23:13:50  302232
>>302227
Ну, элементарно,
(ESP8266 или любой самый дешевый GSM модуль) + (LED - Infrared RX + TX)

Делаешь в почтовом ящике оптопрерыватель, если письмо пересекает луч, то приходит прерывание на твой модуль который шлет сигнал.
Всё выйдет 500р.

А в чем проблема в ящик каждый раз заглядывать после школы?
Аноним 12/11/17 Вск 23:14:34  302233
>>302231
фикс
Могут*
Аноним 12/11/17 Вск 23:18:28  302234
>>302231
> Может ли амперы сжечь устройство?
В этом случае нет.
Аноним 12/11/17 Вск 23:18:30  302235
>>302228
А так что бы была индикация, но не пищало.
Аноним 12/11/17 Вск 23:22:44  302236
>>302226
Да никаких.
Аноним 12/11/17 Вск 23:23:28  302237
111.png (24Кб, 1050x894)
>>302232
>>302227
Уточнение, тебе надо VS1838B
Это приемник ИК.
Т.к. на постоянную отправку ИК сигналов нужно много энергии, то можно сделать так:
На дне ящика каждые 15 минут от приемника к передатчику отправляется коротковременный контрольный сигнал если есть преграда хотя бы одного передатчика - прерывание.

Аноним 12/11/17 Вск 23:24:49  302238
>>302226
> Какие подводные?
Я так делаю когда домашних будить не хочу и приходится матери ночью некрофилить.
Аноним 12/11/17 Вск 23:26:34  302239
>>302226
Выведи провод на ардуинку, а от нее на сервопривод, сервопривод вхуяч в стул чтоб тебе иголкой в жопу тыкало.
Аноним 12/11/17 Вск 23:26:52  302240
>>302237
>>302227
С нетерпением ждешь ИРЛ спам с газетой "Мой район" что-ли?
Аноним 12/11/17 Вск 23:27:54  302241
анон, мне нужно собрать усилитель для 10 МАС-1
Подскажи какую схему лучше заюзать по бичу и где взять трансформатор
Аноним 12/11/17 Вск 23:35:52  302242
qsc-rmx-2450-71[...].jpg (555Кб, 1600x1200)
qsc24501.JPG (257Кб, 1577x939)
>>302241
Вот держи, собирай.
Лол
Аноним 12/11/17 Вск 23:39:47  302243
>>302241
как на счет вот этого?
https://usamodelkina.ru/4512-usilitel-2h30vatt-12-volt-rabochaya-shema.html
И почему нельзя использовать импульсный бп от компа?
Т.е чем он хуже чем нормальный транс
Аноним 12/11/17 Вск 23:42:03  302244
>>302242
Испытываю возбуждение глядя на тороидальные трансформаторы.
Я начинаю мысленно раздевать их обмотки, медленно снимая изоляционные слои и добираясь до тела ленточного магнитопровода.
Я радиофил?
Аноним 12/11/17 Вск 23:44:56  302245
>>302135
бамп
Аноним 13/11/17 Пнд 01:12:35  302250
>>302244
Больной ублюдок.
Аноним 13/11/17 Пнд 06:35:43  302255
>>302135
Нет конечно. Что ты хочешь определять?
Аноним 13/11/17 Пнд 06:38:38  302256
>>302212
Сделай сам.
Как будто тут какие-то неземные технологии - провод сложить 10 раз.
Аноним 13/11/17 Пнд 06:39:27  302257
>>302218
Телепаты в отпуске.
Аноним 13/11/17 Пнд 06:43:05  302258
>>302223
Какая разница - плоскость или угол. Если нагреется до плавления - расплавит в любом случае.
Да не греется там ничего. Что за мода - самому придумать жупел и его бояться, да еще и других им пугать.
Кабельными стяжками обмотки в моторах стягивают, которые как раз греются, и ничего, все работает, длительно.
Аноним 13/11/17 Пнд 06:44:00  302259
>>302226
Работать будет, делай. Полярность опытным путем подбери.
Аноним 13/11/17 Пнд 06:55:48  302261
>>302258
Большая разница. Стяжки ещё обламываться любят у основания очень легко. Если охота заниматься хуитой, пожалуйста, не надо только другим советовать. Если у вас обмотки движков на стяжках держатся, могу выразить искренние соболезнования. Лучше всего в этой ситуации купить новый тройник или ещё лучше собрать из стационарных розеток, как советовали выше. Если хочется поизвращаться и набить руку, можно конечно ещё дихлорэтаном склеить изначальную конструкцию, но для такой хуиты это не имеет особого смысла.
Аноним 13/11/17 Пнд 09:17:53  302267
>>302255
Когда напряжение справа будет больше 2.5 вольт, tl431 должна открыться и на резисторе появится высокий уровень напряжения.
>Нет конечно
Почему?
Аноним 13/11/17 Пнд 10:39:53  302278
>>302230
>коре
Имелось в виду торе?
Аноним 13/11/17 Пнд 10:44:14  302279
>>302278
>core
Сердечник
Аноним 13/11/17 Пнд 12:12:07  302290
08[1].jpg (68Кб, 749x600)
>>302040 (OP)
Посоны, подскажите, как можно самому скрутить "плоские катушки" - медь толщиной 0.3, "высота" 6, а "толщина" 10 витков.
Аноним 13/11/17 Пнд 12:40:54  302294
>>302290
На разборной оправке намотай даун.
Аноним 13/11/17 Пнд 12:45:49  302295
>>302294
Вут? Что это?
Аноним 13/11/17 Пнд 14:09:35  302307
>>302295
Двигатель вала видеомагнитофона. Ты наверное в 2005 родился?
Аноним 13/11/17 Пнд 14:13:31  302308
>>302307
Ты посмотри, у кого это спрашивалось. Ты наверное близоруким родился?
Аноним 13/11/17 Пнд 17:03:43  302323
>>302040 (OP)
Сап, у меня давно горит желание собрать глушилку для мобильной связи. Но единственное, что получилось собрать, это тетрафаст, который глушит частоту до 1800ГЦ, когда все моб.связи находятся на 2100-2200. Знающий анон, можешь накинуть хоть одну годную схему, которую можно былоб собрать в домашних условиях.
Аноним 13/11/17 Пнд 17:42:37  302325
>>302278
Федорино core
Аноним 13/11/17 Пнд 18:40:03  302334
>>302325
Сисадмин в треде, все в perl -e '$??s:;s:s;;$?::s;;=]=>%-{<-|}<&|}}./}:<%=%<@%}<//>|`{;;y; -/:-@[-`{-};`-{/" -;;s;;$_;see'
Аноним 13/11/17 Пнд 18:47:12  302338
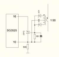
Sup/ra. прощу пояснить за одну микросхему L4971. в даташите указано диапазон входных напряжений от 8 до 50 В. выходные напряжения подбираются делителем напряжения. Вопрос: она при любом напряжении входного дает заданное делителем выходное что ли?
Аноним 13/11/17 Пнд 18:56:39  302342
dropl4971.JPG (18Кб, 812x66)
>>302338
>она при любом напряжении входного дает заданное делителем выходное что ли
Для входного выше чем выходное+1В.
Аноним 13/11/17 Пнд 18:58:38  302343
>>302334
Да не, я даже простейшую программу не напишу, просто вспомнил забавную формулировку.
Аноним 13/11/17 Пнд 19:03:32  302346
>>302342
не понял, типа входное 19-выходное-18?
Аноним 13/11/17 Пнд 19:16:42  302348
Может посоветуете добротный блок питания с ссылкой на али?
Аноним 13/11/17 Пнд 19:24:12  302349
IMG201711121510[...].jpg (21Кб, 1000x1333)
IMG201711121513[...].jpg (124Кб, 1333x1000)
IMG201711121527[...].jpg (111Кб, 1000x1333)
Что за херня с китайскими неопикселями?
Вместо привычного синего какой-то бирюзовый, в итоге белый не белый. Нахуй он нужен такой. Что это за цвет вообще такой? Есть вообще платы/ленты с отдельным чипом дешевле 10р за чип?
Аноним 13/11/17 Пнд 19:38:20  302351
>>302348
> али
> добротный
Аноним 13/11/17 Пнд 19:52:44  302353
>>302256
И получу 0.5 мм^2? Заебца
Аноним 13/11/17 Пнд 20:44:32  302363
>>302346
>Типа
>она при любом напряжении входного дает заданное делителем выходное что ли
Но для этого должно быть
>минимальное входное выше чем выходное+1В.
Аноним 13/11/17 Пнд 23:26:47  302386
>>302192
мотай многожильным, сказали же. и да, массу и габариты сможешь уменьшить, если будешь делать импульсник
Аноним 13/11/17 Пнд 23:46:14  302387
>>302257
> Телепаты в отпуске.
Ну ок...

Philips 37PFL9603D/10? шасси Q529.1E LA, включается после втыкания в розетку/нажатия кнопки на пилоте с 20 раза (раньше было быстрее) после этого работает штатно если просрет. Народ грешит на 2 конденсатора B32921C3223K и B32921C3104M 0,022 и 0,1 нф соответственно (2165 и 2179 на схеме) в цепи питания дежурки 3,3 собранной по принципу снижения 220 В по принципу реактивного сопротивления (аля в дешевой лампочке светодиодной).

Если я эти ебаные конденсаторы поменяю на керамику или на большую емкость - взлетит? Кондеры обозначены как ФИЛЬТРУЮЩИЕ ПОМЕХИ, поэтому у меня возник ДЕЛИТЕЛЬ...

Так лучше?
Аноним 14/11/17 Втр 04:17:22  302396
Разобрал шнур от простых наушников для телефона, а там какие-то красные зелененькие ниточки просто, вообще не звонятся, даже сами с собой. Что за нах. Они так заизолированы??
Аноним 14/11/17 Втр 04:29:12  302397
А есть онлайн рисовалки схем по отечественным ГОСТам?
Аноним 14/11/17 Втр 08:05:19  302403
>>302397
Таких не знаю, но есть библиотека для пикада. Если интересует, то напиши какие тебе нужны элементы, т.к. целиком отдать не могу.
Аноним 14/11/17 Втр 09:08:05  302406
>>302396
Залакированы.
Аноним 14/11/17 Втр 09:47:02  302411
>>302323
Вообще-то это уголовщина, не дергай себе анус попросту.
Аноним 14/11/17 Втр 12:52:26  302416
MAX202.jpg (15Кб, 208x123)
Пагни, есть всем известный преобразователь уровней max202 и на его 7 ноге (выход на rs232) 0 вольт. Так и должно быть или микруха сдохла? Еее вообще реально проверить без осциллографа?
Аноним 14/11/17 Втр 13:08:25  302418
>>302267
Теоретически будет работать. Но мне не нравится идея подавать на REF вход 5В. Хотя наверное ничего не сдохнет.
Аноним 14/11/17 Втр 13:14:01  302419
>>302290
Делаешь оправку из фторопласта или капролона (короче пластика, к которому клей не липнет). Мотаешь, пропитываешь клеем, разбираешь оправку, вынимаешь катушку.
Если катушка большая - можно сделать оправку из 2 кусков пластика и 4 втулок.
Аноним 14/11/17 Втр 13:17:49  302420
>>302353
Нужное тебе сечение делишь на сечение провода, который ты в состоянии без проблем гнуть-мотать. Полученное число - нужное тебе количество проводов в пучке.
Аноним 14/11/17 Втр 13:21:18  302421
>>302387
Так лучше. С куском схемы - еще лучше, я искать не полезу.
Пленочники практически никогда не дохнут.
Не знаю, что там у тебя за "народ", но скорей всего он ошибается.
Керамика тут работать будет так же, но скорей всего на 400 В это будут весьма здоровенные конденсаторы.
Аноним 14/11/17 Втр 13:22:09  302422
>>302419
Нет, катушка совсем маленькая. Меня скорее больше интересует как намотать "виток к витку", я вот думаю каждый слой оборачивать двусторонним скотчем. Или я зря заморачиваюсь и можно получить те же характеристики намотав ту же длину хотя бы примерно так же?
Аноним 14/11/17 Втр 13:23:52  302423
>>302416
Нет, так не должно быть. Ты все конденсаторы поставил какие надо и как надо?
Аноним 14/11/17 Втр 13:24:37  302424
>>302420
Понимаешь, браток, у меня есть провод только диаметром 0.25 мм и жирная плоская шина 5х3 мм. Т.е. чтобы получить 5х3 = 15 кв.мм, мне надо 0.25 (0.05 кв.мм) сложить в 15/0.05 = 300 раз (!!). Как ты себе это представляешь?
Аноним 14/11/17 Втр 13:25:16  302425
>>302422
В маленькой ты тем более заебешься лепенить микрополосочки изоляции. К тому же оно тебе будет мешать пропитать.
Мотай внавал, не выёбывайся.
Аноним 14/11/17 Втр 13:25:50  302426
>>302418
Там не 5в будет, я думаю не больше 2.5-2.7, если схема правильно отработает.
Аноним 14/11/17 Втр 13:27:53  302427
>>302424
Если тебе претит покупать материалы за деньги -
сходи на свалку, отбери у бомжей рамку размагничивания кинескопа от телевизора побольше. Там 0.6 провод.
Сложишь в 50 раз, не бог весть какая проблема.
Аноним 14/11/17 Втр 13:28:46  302428
>>302426
Источники 5 и 12В никак друг с другом не связаны?
Аноним 14/11/17 Втр 13:29:12  302429
>>302425
Да 10 слоев по 8 витков, можно и подзаморочиться. Но вообще это не сильно повлияет, да? Мне особая точность не нужна, можно +-20% где-то.
Аноним 14/11/17 Втр 13:29:54  302430
>>302428
Не связаны.
Аноним 14/11/17 Втр 13:50:46  302434
>>302427
Нахуя ты его кормишь? Проблемы с его развитием уже можно было заподозрить на моменте про 3А на квадрат (а теперь уже и два).
Аноним 14/11/17 Втр 14:24:09  302439
>>302423
Это уже готовая плата, так что конденсаторы все на месте и нужной емкости. Пожалуй, заменю max202.
Аноним 14/11/17 Втр 14:38:38  302442
>>302424

Сходи в ближайший строительный и купи там многожильного провода.
Аноним 14/11/17 Втр 14:40:15  302444
PnAqM8Wtaac[1].jpg (950Кб, 2304x1728)
>>302429
Вспомнил вот о такой штуке, но пока не понимаю, как сделать ее быстроразбирающейся.
Аноним 14/11/17 Втр 15:22:52  302454
>>302444
Ладно, это хуйня, но идею я понял, напечатаю подходящую оправку. Всем спасибо.
Аноним 14/11/17 Втр 15:40:38  302457
cQanQGWSX8g[1].jpg (233Кб, 864x1152)
Кстати, норм накрутилось и так, нужно было 330мкГн, получилось 350. Только склеить сложно.
Аноним 14/11/17 Втр 17:40:37  302465
>>302457
Я по такой технологии мотал катушечки на 10000 витков проводом 0.05.
Хинт - мазал каркас эпоксидкой ЭДП-5 (медленной, суточной) и мотал прямо в эпоксидку на станочке.
У тебя витков мало, можно и пятиминуткой пропитать.
Аноним 14/11/17 Втр 18:06:43  302473
>>302442
ПВХ расплавится нахуй. Нужен эмальпровод.
Аноним 14/11/17 Втр 18:11:53  302475
>>302040 (OP)
Радоны. Умирает ли инженер-схемотехник?
Все же укатываются в модульность, интеллектуальность и прочий кал. Наверняка в этих перспективных направлениях зп выше, а инженегр, рисующий схемки и платки падает до васяна, крутящего гайки, нет?
Просто так хочется инженерить, разрабатывать электронику, но боюсь о перспективе в потолочной зп в 100к, например.
Или нужно забить на свои мечты и ботать плисы, жаву, ооп и прочее прикладного для этого железа?
Аноним 14/11/17 Втр 19:13:08  302480
15106703739230.png (1294Кб, 1125x557)
Если цифровой вольтметр показывает 166,229 при пределе измерения 100 мВ, то сколько это в Вольтах? И почему так?
Аноним 14/11/17 Втр 19:16:06  302481
>>302480
0.166229 вольт, дебил
Аноним 14/11/17 Втр 19:16:23  302482
>>302480
Кстати да, а что показывает если переключить на предел в 1 В?
Аноним 14/11/17 Втр 19:17:32  302483
>>302482
Да хуй знает, сейчас не скажу.
>>302481
Ты ахуел? Ну-ка объяснись иначе петух.
Аноним 14/11/17 Втр 19:25:09  302486
Не нашел в своей мухосране лабораторный блок питания, на али кто нибудь заказывал?
Аноним 14/11/17 Втр 19:27:41  302487
Привет, анон! В чём может быть проблема, если ноутбук не заряжает батарею?

Купил я батарею и зарядник. Ноутбук работает нормально, без каких либо сбоев. И от батареи тоже, корректно показывает процент заряда и разряжает.
Но не заряжается. В трее висит "30% доступно (подключена, заряжается). И так висит уже полдня.

Есть ещё два зарядника, один оригинальный Toshiba и второй универсальный. Подключал их через переходник- та же самая хуйня.



В чём может быть проблема? Аккумулятор новый, материнская плата исправнаяустановлена взамен сгоревшей и прошла все тесты.
Аноним 14/11/17 Втр 19:27:55  302488
>>302475
Не беспокойся, с учетом инфляции можешь рассчитывать на миллионы.
>зп в 100к
Это верно для среднего по способностям человека. И у плисоебов не сказать чтобы сильно больше. Для среднего (по способностям) плисоеба потолок это 150 тысяч наверное.
>ботать плисы, жаву
Одно практически полностью исключает другое.
Аноним 14/11/17 Втр 19:30:53  302489
>>302480
ты на ардуино фоткал что ли?
Аноним 14/11/17 Втр 19:31:15  302490
>>302488
>Это верно для среднего по способностям человека
На нашем рынке есть спецы-схемотехники с большей ЗП? Свалить за рубеж не считается.
А 100 для середнячка - это интересно. Я так-то больше 50-70 не рассчитывал, по средним зп на заводах.
>Одно практически полностью исключает другое.
Ну это было банальное перечисление всего околопрограммного, посыл понятен - уход от железного железа и перекат в непосредственно автоматизацию, интеллектуализацию и вот это всё.
Обнадежил пока!
Аноним 14/11/17 Втр 19:32:54  302491
>>302489
Чето автофокус не встал нормально. А так это - фрагмент фотки.
Аноним 14/11/17 Втр 19:38:05  302492
Радвач.
Объясни, на каком принципе строится "глушение" радиосигнала?
Аноним 14/11/17 Втр 19:39:54  302493
>>302492
Ну надо представить себе приёмник с антеннкой. Он настроен радио ловить в определенном диапазоне частот. И тут бац, ты хуячишь рядом в тех же частотах рандомный кал, который попадает в эфир.
Аноним 14/11/17 Втр 19:47:13  302495
>>302490
Это я писал зарплаты для Москвы, в остальных городах разумеется меньше.
Я работаю в НИИ, в мои обязанности входит рисование схем и программирование ПЛИС в этих схемах. Вместе с премиями в среднем выходит немного больше сотни. Сотрудники (с той же должностью) не умеющие программировать получают лишь немного меньше.
Разумеется такие зарплаты даже в Москве не везде. Недавно был в НПО "Алмаз", так там явно все плохо.
Аноним 14/11/17 Втр 19:48:17  302496
>>302487
Ребят, ответьте и мне пожалуйста. А то я уже слегка паникую
Аноним 14/11/17 Втр 19:48:55  302497
>>302496
Пизда батарее.
Аноним 14/11/17 Втр 19:49:46  302498
>>302497
Я её только что купил. Так что вряяятли. Да и продержала она положенные 4 часа, перед тем как поставил на зарядку
Аноним 14/11/17 Втр 19:51:32  302499
>>302495
Ну да, я тоже, в принципе, про ДС. Алмаз, Пульсар и всё такое.
Аноним 14/11/17 Втр 19:53:07  302500
>>302495
Да вы охуели тут совсем что ли.
мимо инженер нии 50-60к
Аноним 14/11/17 Втр 19:53:54  302501
>>302493
Т.е. ни анализа сигнала, ни всяких сопряжений фаз как в военных помехопостановщиках а просто срать в эфир громче передатчика?
Аноним 14/11/17 Втр 19:56:09  302502
>>302501
Ну это самый примитивный способ.
Аноним 14/11/17 Втр 20:17:29  302503
>>302411
Я это делаю только в научных целях, да и радиус будет мизерный 3-4 метра
Аноним 14/11/17 Втр 20:43:15  302507
>>302502
Спасибо дальше я сам
Аноним 14/11/17 Втр 20:54:51  302508
>>302487
Так. Продолжаю. Батарея вроде нормальная. Банки внутри 2017 года выпуска.

Единственное, что меня смущает- старая батарея имела маркировку 10 вольт а новая 14. Но при этом в интернете полно упоминаний, что с 10вольтововой батареей оно не заряжается и нужно юзать только 14 вольтовую.
Я пробовал на 3 адаптерах, каждый примерно по 60ватт. Неоригинальныеиз них только один для НРшных ноутбуков

Может ли быть какая то защита, которая не даёт заряжать батарею? И может ли это быть из-за маломощного БП?
Аноним 14/11/17 Втр 21:06:23  302510
>>302508
> старая батарея имела маркировку 10 вольт а новая 14
это.

Микросхема зарядки смотрит процент заряда по напряжению. Данные о напряжении шлются с батареи по SMBUS на и чаржер. Либо покупай нормальную 10 вольтовую батарею, либо дизассемблируй и изменяй дамп BIOS.
Аноним 14/11/17 Втр 21:10:30  302511
>>302510
Но почему тогда он корректно работает от батареи и корректно отображает уровень заряда?
Аноним 14/11/17 Втр 21:15:03  302512
>>302511
Потому-что помимо этого, батарея так же отправляет данные о ёмкости.
Аноним 14/11/17 Втр 21:18:54  302513
>>302512
Сейчас нагуглил. http://notebook1.ru/forma1/viewtopic.php?f=51&t=14084
Почти тот же ноут. Пишут, что должно работать. И судя по всему, напряжение зависит от количества банок и ноут поддерживает их.

Аноним 14/11/17 Втр 21:19:03  302514
tel2.jpg (726Кб, 1920x1080)
Зачем нужен блок питания лабораторный? Как с помощью него можно научиться технике?
Аноним 14/11/17 Втр 21:20:08  302515
>>302514
Чтобы чинить оборудование, к примеру.
Аноним 14/11/17 Втр 21:20:32  302516
>>302514
Запитывать махарайки, очевидно.
Аноним 14/11/17 Втр 21:21:03  302517
>>302515
Стоит ли его приобретать начинающему?
Аноним 14/11/17 Втр 21:21:46  302518
>>302517
Стоит.
Аноним 14/11/17 Втр 21:38:29  302519
>>302513
> Пишут, что должно работать.
Ну раз пишут, то какие вопросы. Я пишу, что не должно, ибо если
> Почти тот же ноут,
то могу предположить, что у тебя платформа GALLO 1.0, в ней стоит чаржер BQ24703, в котором выходное напряжение на батарею выстявляется делителем на пине BATP.
Аноним 14/11/17 Втр 21:47:41  302523
>>302519
Звучит разумно. И это значит, что... ?
Аноним 14/11/17 Втр 21:48:13  302524
Высмотрел на беларуской интернет-барахолке самодельный мультиметр. Там еще фотка со снятой задней крышкой. Питание от АА. Хочет за нее 10 далляров. Попытаюсь уговорить, чтобы отдал в школу какую.
Аноним 14/11/17 Втр 21:48:59  302525
мульт.jpg (121Кб, 813x538)
>>302524
Аноним 14/11/17 Втр 21:54:57  302527
Снимок.PNG (128Кб, 817x660)
>>302523
Если платформа GALLO 1.0, то закороти R28
Аноним 14/11/17 Втр 22:01:43  302530
01.gif (30Кб, 700x551)
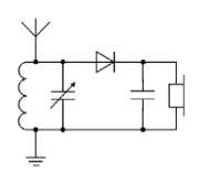
Господа, решил к вам вкатиться и заняться охотой на крупную дичь, а именно собрать FM-приёмник с радиокота. Схему (рис. 1) и ссылку [1] прилагаю.
Кроме всего прочего, что можно легко закупить в чип и дип нужно обзавестись фильтром и дискриминатором номиналом 10.7 МГц. Если фильтр можно купить в чипдипе, то вот где купить дискриминатор я не понимаю. Судя по даташиту фильтр это не два дискриминатора в сборке. Что это за деталь я, естественно, понимаю на данном этапе очень смутно. Так вот:
1) Они на схеме очень похожи. Можно ли заменить дискриминатор половиной фильтра?
2) Откуда можно было бы полутать такие детальки? Хлам я имел несчастье выбрасывать, как лучше искать донора в Екатеринбурге? На авито, радиорынках, помойках? Мне бы не помешала ещё парочка многооборотных резисторов и обмоточный провод.

Может кто-нибудь может насыпать в Екатеринбурге рассыпухи для подобных поделок за пиво или вознаграждение, я был бы люто благодарен.

1 http://radiokot.ru/start/analog/practice/05/
Аноним 14/11/17 Втр 22:04:55  302531
>>302525
Пожалей шкальников.
Аноним 14/11/17 Втр 22:28:12  302536
>>302530
> два дискриминатора
ШТА?
http://www.quartz1.com/price/group.php?p1=10700&group=430
Аноним 14/11/17 Втр 22:31:12  302538
>>302536
Там нужен не кварц, а керамический.
Курю форум сейчас, можно заменить контуром колебательным, но криво работает.
Аноним 14/11/17 Втр 23:10:54  302543
>>302421
https://www.badcaps.net/forum/showthread.php?t=63190

https://www.youtube.com/watch?v=QS3dRPa6wgQ

Файло со схемой не прилипло. на видео эта часть есть...
Аноним 14/11/17 Втр 23:23:35  302544
>>302527
Да, эта платформа. Закоротил. Но ничего не поменялось
Аноним 14/11/17 Втр 23:24:30  302545
>>302544
Алсо. Отдельно батарея заряжается нормально. Так что она исправна на 100%
Аноним 15/11/17 Срд 04:39:56  302560
>>302544
>>302527
> закороти R28
Надо было наоборот увеличить. Для 14 вольт R28 надо поставить порядка 120кОм.
Аноним 15/11/17 Срд 07:45:59  302565
>>302492
Если по военному: делается помеха - сигнал по возможности максимально похожий на полезный и подсовывается приемнику вместе с полезным. Приемник не может отличить полезный сигнал от помехи.
Если по-радиолюбительски: делается простой но мощный сигнал (как правило просто мощная несущая частота), который забивает приемник по динамическому диапазону и не позволяет различить слабый полезный сигнал.
Аноним 15/11/17 Срд 07:49:34  302566
>>302517
Безусловно. Иначе ты не напасешься батареек.
Это была одна из моих первых самоделок в радиокружке.
Аноним 15/11/17 Срд 07:51:30  302567
>>302524
>>302525
Это имеет чисто историческую ценность. Сделано, впрочем, неплохо.
Аноним 15/11/17 Срд 07:53:21  302568
>>302538
Да нормально должно работать.
В большинстве промышленных приемников в дискриминаторе именно контур, а не пьезо.
Аноним 15/11/17 Срд 08:04:43  302570
>>302543
Энивэй я сначала бы поменял электролиты. Они в отличие от пленки реально деградируют.
Впрочем, может они там особо говенные пленочные конденсаторы применили, которые дохнут, такое и у брендов бывает. В комментах под видео об этом говорят.
Аноним 15/11/17 Срд 09:24:46  302576
>>302560
Блин. Хорошо, куплю резистор и попробую
Аноним 15/11/17 Срд 11:10:04  302592
Sup /ra, спрашивал тут уже за микруху L4971. Так вот, поясните плиз за назначение выводов FB, COMP и SS_INH. Зачем нужен мягкий старт, можно ли без него обойтись? Зачем нужна частотная компенсация и что это за stepdown feedback input?
Аноним 15/11/17 Срд 11:25:07  302593
Пацаны столкнулся с проблемой, мне нужно продать оборудование: паяльную станцию, термофен, блок питания, микроскоп и т.д. но на авито вся эта тема подпадает под категорию оборудование для бизнеса и за размещение в этом разделе просят 150р за каждое объявление.

Где еще можно разместить объявление такой специфики, где в дц крупный форум ремонтников/хоббистов?
Аноним 15/11/17 Срд 11:38:13  302594
>>302593
Напиши здесь в треде, лол. Может какой ньюфаг купит.
Аноним 15/11/17 Срд 11:39:42  302595
>>302594
За это как мне кажется можно бан схлопотать.
Аноним 15/11/17 Срд 12:06:32  302596
>>302593
Спрошу здесь, Хули советские паяльники авито-барыги так дорого продают? Для многослоек они же хуевые.
Аноним 15/11/17 Срд 12:11:25  302597
>>302595
В барахолку попробуй вкинуть.
Аноним 15/11/17 Срд 12:14:37  302598
>>302596
Насколько дорого ? Вообще они довольно качественные и живут десятилетиями, заточил жало, вонзил его поглубже, укоротил немного корпус, вот тебе и вполне удобное неубиваемое универсальное паяло. Они ещё кстати продаются до сих пор вполне дёшево во всяких хозтоварах, на заводских складах пачками валяются.
Аноним 15/11/17 Срд 12:25:31  302599
>>302598
>Насколько дорого ?
150-200 за 40 ватт
Аноним 15/11/17 Срд 12:34:49  302600
>>302599
Да не так уж и дорого.
Аноним 15/11/17 Срд 12:40:44  302601
>>302598
>удобное
>советское
/0
Аноним 15/11/17 Срд 13:48:59  302610
>>302598
>Вообще они довольно качественные и живут десятилетиями,
Если пользоваться раз неделю
Аноним 15/11/17 Срд 13:51:08  302611
>>302610
Если жарить каждый день.
Аноним 15/11/17 Срд 14:23:09  302613
>>302593
Барахолки радевокота, схем.нет, вегалаба. Есть ещё несколько форумов радиосвязной направленности, названия не помню.
Аноним 15/11/17 Срд 14:56:16  302614
>>302598
> удобное неубиваемое универсальное паяло
>неубиваемое
Как с дидом с барахолки на троутаре пообщался.
Аноним 15/11/17 Срд 15:55:31  302620
>>302614
Не волновайся, внучок.
Аноним 15/11/17 Срд 15:59:26  302621
>>302620
Я пару лет паял советскими паяльниками на монтажке, а ты меня будешь учить.
Аноним 15/11/17 Срд 16:09:14  302625
>>302621
Я 10 лет ими паяю и всё заебись.
Аноним 15/11/17 Срд 16:14:24  302626
>>302625
>2k17
>любитель поучает производственника
kek
Аноним 15/11/17 Срд 16:56:55  302631
Сап, у меня давно горит желание собрать глушилку для мобильной связи. Но единственное, что получилось собрать, это тетрафаст, который глушит частоту до 1800ГЦ, когда все моб.связи находятся на 2100-2200. Знающий анон, можешь накинуть хоть одну годную схему, которую можно былоб собрать в домашних условия.
P.S. в гугле нихуя нет.
Аноним 15/11/17 Срд 17:00:42  302633
>>302626
Производственники это те, кто мелкими бокорезами, предназначенными для откусывания выводов у деталек кусает всё подряд вплоть до 6 мм тросов?
Аноним 15/11/17 Срд 17:00:56  302634
>>302631
>тетрафаст
вкинь схему, скажу что исправить для 2200
Аноним 15/11/17 Срд 17:08:37  302635
5381.png (9Кб, 681x563)
>>302634
Аноним 15/11/17 Срд 17:11:23  302636
>>302635
Топологию дай.

C2, c3 поменяй на 12, если потянут кт610
Аноним 15/11/17 Срд 17:18:20  302637
538tetrafasy.png (13Кб, 500x562)
>>302636
Аноним 15/11/17 Срд 17:30:23  302639
>>302637
c2, c3 smd? мб емкость монтажа не дает поднять частоту генерерации
Аноним 15/11/17 Срд 17:42:59  302641
>>302434
3А на квадрат - это максимальная безопасная плотность тока для трансформатора с естественным охлаждением. Для трансформатора с принудительным охлаждением 5А на квадрат. Не знаешь - не пизди.
мимо другой анон
Аноним 15/11/17 Срд 18:48:55  302646
>>30264
О, да. Не учитывать амбиент, термическое сопротивление, конструкцию, материалы, ПН, сам характер нагрузки и т.д., но зато спиздануть какую-то хуйню по типу
>ЭТАМАКСИМАЛЬНАБЕЗАПАСНАЯ
так в духе тупого анона.
Мило шел, мимо и пиздуй. Если понадобится мнение дегенерата, то к тебе обратятся.
Аноним 15/11/17 Срд 18:49:50  302647
>>302641
>>302646
Аноним 15/11/17 Срд 18:54:26  302648
>>302646
Чего ты рвешься, клован?
>Не учитывать амбиент, термическое сопротивление, конструкцию, материалы, ПН, сам характер нагрузки и т.д.
Это все несущественно, если конечно не засунуть трансформатор в герметичный шкаф. Есть эмпирические цифры и они такие.
Аноним 15/11/17 Срд 19:09:16  302655
>Это все несущественно
Ну так тебя же и хуй - дверная ручка.
А пока пойду думать, как же работает трансформатор, мотанный из расчета 12А на квадрат.
У бляяя, нипанятна. Ведь эксперт-анон же сказал, максимум 5А на мм^2.
Аноним 15/11/17 Срд 19:23:31  302660
>>302655
5 на квадрат - для макетирования на фанерке
10 на квадрат - для запуска в космос, залит в кастрюльке стекломассой, сириуз бизнис.
Аноним 15/11/17 Срд 19:25:47  302661
>>302655
Даун, ты не различаешь самоделку и заводское изделие?
Аноним 15/11/17 Срд 19:38:18  302668
>>302661
>Обосрался, тебе буду пытаться ретироваться путем бомбления оппонента тупыми вопросами.
Видимо законы физики для них по разному работают. Ясно.
Аноним 15/11/17 Срд 19:49:01  302669
>>302668
Что ты пытаешься доказать, поехавший?
Аноним 15/11/17 Срд 20:03:16  302672
>>302669
То что у тебя грязные штаны. Так ладно бы ты сидел у себя дома. И просто сходил их постирать. Но надо же зайти на сосач и показать всем: "Вот смотрите. Труханы со штанами в говне. Но эмпирические цифры показывают, что в них ходить можно хотя мог бы и дальше этой страницы прочитать. Я хожу. И вам советую".
Аноним 15/11/17 Срд 20:09:26  302673
>>302672
Таблетки прими, шизик.
Аноним 15/11/17 Срд 20:12:48  302674
Llxs4n0TlbM.jpg (832Кб, 2064x1548)
DSC05051.JPG (1888Кб, 2592x1944)
Котики, помогите будьте няшами. В общем друг притащил радик 290х у которого отвалился к хуям пикрелейтед дроссель. С завода стоял 4R7 дроссель, тоесть 4,7 мкГн (mH). У себя такого не нашёл, въебал на его место 2R2 дроссель, тоесть 2.2 мкГн (mH). Карта работает. Чем чревато?
Аноним 15/11/17 Срд 20:15:18  302675
>>302673
>шизик
Отличный у тебя аутотренинг.
Аноним 15/11/17 Срд 20:16:56  302677
>>302674
Глянь в какой цепи стояло.
Аноним 15/11/17 Срд 20:25:12  302679
>>302639
Да, smd
>>302644
Как вариант, заменить транзисторы?
Аноним 15/11/17 Срд 20:26:21  302680
122333333.jpg (530Кб, 1706x764)
>>302677
Да я вот уже собрал и отдал, прозванивать нихуя не стал, а теперь переживаю. Цепь какаыя то из НЕ основных. Вот пикрил - два конденсатора, потом этот дроссель - звонились между собой. Куда дальше не глядел

>>302678
Я вот боюсь как бы теперь этот дроссель не по номиналу не утащил за собой какой-нибудь драйвер или контроллер
Аноним 15/11/17 Срд 20:46:31  302684
Выведите формулу для плотности вероятности процесса на выходе двустороннего ограничителя при воздействии на него нормального случайного процесса.
Дайте хоть наводки, как решить эту хуйню?
Аноним 15/11/17 Срд 21:18:40  302691
aaa.png (242Кб, 438x374)
Есть возможность припаяться к таким дорожкам? Или миссия невыполнима?
Аноним 15/11/17 Срд 21:25:55  302693
DOC001194303.jpg (8Кб, 194x280)
>>302691
На мембранной клавиатуре с помощью токопроводящего клея делал. Намазывал густо на дорожку, утапливал в нём тонкую облуженную проволоку.
Аноним 15/11/17 Срд 21:30:15  302694
>>302693
Она и есть. Только эти дорожки еще внутри шлейфа, т.е. сверху и снизу покрыты пластиком. Как бы их оголить?
Аноним 15/11/17 Срд 21:36:13  302695
>302694
Сейчас стал ковырять иголкой и кажется тонкую зеленую пленку можно аккуратно содрать, а там я так полагаю голые контакты и будут.
>>302693
Спасибо тебе, пойду искать клей. Кстати, есть советы по выбору или без разницы какой брать?
Аноним 15/11/17 Срд 21:49:27  302697
>>302695
Как на прилагаемой фотографии был, серебристая масса в лаке. В местном магазине электроники покупал. Учти, он на спирте, который может растворить уже нанесённые дорожки.
https://www.chipdip.ru/product/kontaktol
Аноним 15/11/17 Срд 22:06:43  302700
Моча, ты хоть прицельнее маши банхаммером.
Снёс посты про частоту из даташита кт610а(применительно к тетрафасту) и приспособление для удобства в ремонте PCI-e устройств/видеокарт.
Аноним 15/11/17 Срд 23:22:48  302706
>>302040 (OP)
Поясните за такую хрень. Так получилось, что я снал со всех розеток пластиковые кожухи и теперь у меня открытые разетки. Так вот, почему когда я включаю штепсель выключенного фена или зарядку без нагрузки или любую другую выключенную штуку, всегда проскакивает искра? ведь искра может быть только при замыкании цепи. Но если выключатель выключен, то почему искра то проскакивает?
Аноним 16/11/17 Чтв 01:57:50  302716
Вибратор-кун на связи. Перепаял сгоревшее на посоветованный IRLML2502. Тонкая китайская волосня вместо проводов начала отгорать то в месте пайки на плате, то на клеммах мотора, то вообще посередь провода поплавив изоляцию. Кинул 0,75 квадрата до мотора - зоебись. Спасибо за помощь, вы няшки, добра вам.
Аноним 16/11/17 Чтв 02:24:51  302720
ТПП-276-127/220-50
купил такой транс
хочу 12 вольт из него получить. как подключать?
Аноним 16/11/17 Чтв 03:53:57  302726
Можно ли запилить простейший усилок для наушников (32ом) на одном-двух транзисторах и чтобы от батареек питаться мог?
Простейший в смысле класса А. Но в схеме с общим коллектором на выходе, резюк на эмиттере должен быть низкоомный и следовательно ток через него будет порядка сотен милиамп. Нехорошо.
Аноним 16/11/17 Чтв 04:56:40  302730
abc.gif (5Кб, 549x157)
Купил ut120c, все вроде ок, кроме - когда измеряешь напряжение на обмотках трансформатора, то измеряет 3в наводок между несвязанными обмотками. Например 3в между 12-13
Аноним 16/11/17 Чтв 05:48:04  302734
Такой вопрос - как называется разъем, которым крепится антенна внутри телефона. Я хочу купить внешнюю антенну и использовать старый телефон как модем. Антенна с каким разъемом мне нужна?
Аноним 16/11/17 Чтв 05:54:16  302735
>>302734
GSM антена
Аноним 16/11/17 Чтв 07:51:15  302741
>>302735
Не, я понимаю что это gsm антенна. Как сам разъем, которым она крепится, называется? Есть crc9, ts9 и другие.
Аноним 16/11/17 Чтв 08:24:21  302743
asus-zenpad-c-7[...].jpg (868Кб, 2552x1673)
qKFjdrjxRbg.jpg (129Кб, 702x769)
Asus ZenPad
Шлейф включения пошел по пизде
Анчоусы, что нужно замкнуть тут, чтобы включить эту парашу?
Фотокарточки с инета, возможности сфотать качественно нет
Аноним 16/11/17 Чтв 08:33:52  302744
>>302743
Очко себе замкни, пёс.
Если кроме кнопок на шлейфе ничего не висит, смотри на каком пине напряжение есть 3.3/1.8 и сади его на землю. Даже простое перебирание комбинаций заняло бы меньше врмени чем на двач написать, блять.
Аноним 16/11/17 Чтв 09:11:22  302745
>>302744
Спс
Разобрался
Аноним 16/11/17 Чтв 09:37:18  302749
>>302592
>L4971
FB - обратная связь. На этом выводе он измеряет и, соответственно, стабилизирует выходное напряжение.
COMP - цепь частотной компенсации.
SS_INH - soft start/inhibitioon - цепь софт-старта или отключения микросхемы
Ты что, совсем по-аглицки не читаешь?
Аноним 16/11/17 Чтв 09:41:23  302750
>>302680
Если это не дроссель преобразователя, а проходной дроссель по питанию (а похоже, что это так по расположению), то похуй, можно было даже перемычку поставить.
Аноним 16/11/17 Чтв 09:43:19  302751
>>302706
Без нагрузки - не значит что цепь разомкнута. В железяках стоит фильтр по питанию, в нем конденсаторы. Они и дают искру.
Аноним 16/11/17 Чтв 09:44:58  302752
>>302726
Можно.
Аноним 16/11/17 Чтв 09:46:25  302753
>>302730
Высокое входное значит.
У дешевых мультиметров оно 1 Мом на всех диапазонах.
Аноним 16/11/17 Чтв 09:57:35  302754
>>302753
11 мегаом.
Аноним 16/11/17 Чтв 10:51:08  302762
>>302749
Для чего частотная компенсация нужна и софт старт, без никак?
Аноним 16/11/17 Чтв 14:27:29  302777
>>302762
>Для чего частотная компенсация нужна
Чтобы бп не возбуждался.
>софт старт
Чтобы правильно работала защита от кз на выходе и ключи не пидорасило.
Аноним 16/11/17 Чтв 16:46:18  302789
>>302762
>Для чего частотная компенсация нужна
Чтобы схема была устойчивой и в ней не возникали автоколебания
>софт старт
Чтобы в момент старта, когда выходной конденсатор пуст, схема не жрала огромные токи, пытаясь со всей дури его быстро зарядить. От этого и входному источнику питания лучше, и помех меньше.
Аноним 16/11/17 Чтв 18:36:22  302797
>>302716
Бля, у тебя там вибратор-перфоратор что ли?
Аноним 16/11/17 Чтв 20:00:54  302805
Raspberry pi 3 model b сегодня при включении мигал монитором- раз в несколько секунд пропадал сигнал, шли полосы. Надавил на радиатор на видеоускорителе -вроде стал меньше мигать, думаю может он ебанулся. Включил майнинг - проц нагрелся, а через 10 минут смотрю уже на мониторе только черный экран, видеоускоритель холодный, проц горячий и проверил вычисления идут. Короче как чинить?
Заметил еще непонятную детальку с обозначением D3, выглядит как будто с одного края обуглилась, и такая же возле входа CSI. Диод? Но у неё три ножки. Что это?
Аноним 16/11/17 Чтв 20:14:28  302809
>>302805
фоты давай
Аноним 16/11/17 Чтв 20:22:04  302813
IMG201711162020[...].jpg (371Кб, 1744x984)
>>302809
Аноним 16/11/17 Чтв 20:35:19  302815
>>302805
>Надавил на радиатор на видеоускорителе -вроде стал меньше мигать, думаю может он ебанулся. Включил майнинг - проц нагрелся, а через 10 минут смотрю уже на мониторе только черный экран, видеоускоритель холодный, проц горячий и проверил вычисления идут. Короче как чинить?
На малину pcie-щель завезли?
Аноним 16/11/17 Чтв 20:40:56  302817
>>302813
Это видеоускоритель, майнеродебил?
Аноним 16/11/17 Чтв 20:54:30  302818
>>302813
> майнить на малинке
Скока намайнил, довн?
Аноним 16/11/17 Чтв 20:55:55  302819
>>302726
Нельзя
Аноним 16/11/17 Чтв 20:56:38  302820
Радач, как мне поднять напряжение от литиевого аккумулятора до 9 вольт?
Аноним 16/11/17 Чтв 21:12:09  302821
>>На малину pcie-щель завезли?
Майнинг на проце а не на видюхе. Как-то я расчитывал, в год получается 0,64$. Но есть еще pos-майнинг, там зависит от аптайма и количества монет на кошельке.
Но самое главное это очень интересно.
А зарабатывает у меня риг на балконе из трех карт. Заработок около 100$ в месяц, к январю февралю окуплю стоимость железа, а далее чистая прибыль.
Аноним 16/11/17 Чтв 21:22:28  302822
>>302820
Взять несколько
Аноним 16/11/17 Чтв 21:34:24  302823
>>302820
3.7v? Тогда boost. Или тебе изолированный надо?
Аноним 16/11/17 Чтв 22:46:42  302827
>>302823
>>302820
https://ru.aliexpress.com/item/DC-DC-SX1308-Step-UP-Adjustable-Power-Module-Step-Up-Boost-Converter-2-24V-to-2/32744713574.html
Аноним 16/11/17 Чтв 22:50:23  302828
>>302827
Ууу. Ахуеть. А я то и не знал что такое есть. Мне то на хуя отвечал, придурок?
Аноним 16/11/17 Чтв 23:22:34  302830
>>302040 (OP)
Бля, решил спаять радиоприемник, объясните дауну, че как делать, пожалуйста. Прочитал две первые главы юного радиолюбителя в третьей дошел до приемника, хочу сварганить, а ниче не понимаю.
Аноним 16/11/17 Чтв 23:28:31  302831
>>302830
анус себе спаяй
Аноним 16/11/17 Чтв 23:30:02  302832
>>302831
Какие все злые(
Аноним 16/11/17 Чтв 23:39:10  302833
>>302832
Скажите хотя бы, что использовать вместо высокоомных наушников, а то их же уже почти не делают.
Аноним 16/11/17 Чтв 23:39:10  302834
Здравствуй, анон, меня с недавних пор мучает назойливая мысль собрать собственную механическую клавиатуру.
Но есть две проблемы : я не разбираюсь схемах и радиотехнике вообще, ну а вторая - я не имею никакого представления как буду делать эту самую клавиатуру по причине малых знаний в радиотехнике
Что посоветуешь такому еблану, как я, анон?
Только без шуток, пожалуйста.
Аноним 16/11/17 Чтв 23:40:55  302835
>>302040 (OP)
Сосач я задумался о мобильной глушилке (джаммере) чтобы заблокировать доступ ЕОТовой на работе к мобильному интернету и вынудить воспользоваться моим беспарольным вайфаем для фишинга её соц сетей.
Вопрос будет ли хуево спаянная глушилка рушить ещё и вай фай а ещё лучше насоветуй схему для глушения только моб. интернетов но с работающим wifi.
Аноним 16/11/17 Чтв 23:41:49  302837
>>302833
ты там детекторный приемник делать собрался?
Аноним 16/11/17 Чтв 23:44:33  302839
>>302837
Да, его. Хочу вкатиться в радиотехнику, а ничего не пойму.
Аноним 16/11/17 Чтв 23:47:16  302840
>>302839
я вижу настолько не понимаешь что даже не понимаешь что не понимаешь.
Аноним 16/11/17 Чтв 23:52:36  302841
>>302840
Ну, так объясни мне, пожалуйста.
Аноним 16/11/17 Чтв 23:54:10  302842
>>302841
что объяснить?
Аноним 16/11/17 Чтв 23:56:51  302843
>>302842
Для чего там переменный конденсатор? Есть ли доступный аналог высокоомных наушников? Какие должны быть характеристики у всех деталей? И вообще дай советов.
Аноним 16/11/17 Чтв 23:57:06  302844
>>302752
вот гандон
>>302819
Короче, пидоры, сами нихуя не знаете, а я разобрался без сопливых. Низкоомным ушам по любому нужен ток. Поэтому лучшая опция - это какие-нибудь дешевые 600-омные. В крайнем случае можно перемотать 30 омные очень тонкой проволочкой. Но суть в том, что им нужны вольты а не амперы. Вольта полтора достаточно чтобы выкачать шуму на 100-105 db.
Поэто обычная 9в крона пойдет и будет жрать не больше 10ма. Двух транзисторов достаточно, с общим эмиттером дай бог усилит в 2 раза и потом общий коллектор на выходе. 1-2 вольта больши и не надо.
Аноним 16/11/17 Чтв 23:57:11  302845
>>302843
И еще. Как катать катушку?
Аноним 17/11/17 Птн 00:26:48  302847
13563551972.png (6Кб, 500x417)
>>302845
>>302843
Вот схема если что
Аноним 17/11/17 Птн 00:30:32  302848
>>302839
Капсюль от древнего телефона, к нему в параллель диод, один контакт в руку, другой к батарее/водосточной трубе. Сиди колбасись под маяк.
Аноним 17/11/17 Птн 00:36:13  302849
>>302848
а если при этом еще другой рукой взяться за телевизионную антенну то прием вообще ломовой будет!

З.Ы. это шутка, не делай так, током убьет.
Аноним 17/11/17 Птн 00:40:12  302850
>>302849
Эта штука детекторный приемник может генерить такую мощь, что она может убить человека?
Аноним 17/11/17 Птн 00:42:04  302851
>>302847
вот я тебе принес то о чем говорил анон ниже https://yunostru.ru/Library/Dop/Pr_Electro/01.htm

читай, не благодари.
Аноним 17/11/17 Птн 00:43:29  302852
>>302850
разница потенциалов между коллективной антенной и батареей убивала людей. см. пост выше.
Аноним 17/11/17 Птн 01:04:44  302855
image.png (227Кб, 840x613)
>>302833
Как это не делают.
Вот например. Заявлено 300 ом но реально 500-600. И еще полно 600 омных.
Для детекторного приемника хороший вариант я считаю. Стильно
Аноним 17/11/17 Птн 01:08:02  302856
>>302855
можно разобрать и собрать детекторный приемник прямо в наушниках.
Аноним 17/11/17 Птн 01:24:48  302857
>>302856
Или просто разобрать и смотать провод оттуда. И из него сделать что-нибудь. Например антенну для нескольких детекторных приемников.
Аноним 17/11/17 Птн 03:36:34  302861
>>302849
Этого небыло в моей инструкции, не перегибай. Это и так понятно, что между батареей и общественной антенной порядка 100 вольт.
Аноним 17/11/17 Птн 03:40:31  302862
>>302857
Содомит.
Аноним 17/11/17 Птн 05:15:17  302868
test
Аноним 17/11/17 Птн 09:19:24  302883
>>302861
Чому?
Аноним 17/11/17 Птн 10:17:07  302893
2017-11-17-14-1[...].jpg (96Кб, 959x442)
>>302855
>реально 500-600
Недостаточно ловко манипулируешь фактами.
Аноним 17/11/17 Птн 10:28:34  302896
>>302834
Посоветую воткнуть свитчи в картонку и сделать всё навесом если интересен опыт в создании подобных девайсов.

https://deskthority.net/wiki/File:Matrix_scan_current_flow_with_diodes.svg
https://deskthority.net/wiki/Teensy
https://www.reddit.com/r/MechanicalKeyboards/wiki/customkeyboards

Информацию подробнее ищи сам на реддите, гикхаке и дескторити.
Аноним 17/11/17 Птн 10:32:35  302898
>>302834
Чет в последнее время стал слышать про некие "механические" клавиатуры от всяких хипстеров-пидорков. Это что? Какой-то новый спиннер?
Аноним 17/11/17 Птн 10:36:49  302899
>>302898
Это старый тренд. Герконовые клавы, какие были на заре развития персоналок. Громко стучат, имеют большой ход клавиш и явственную тактильную отдачу.
Я бы себе такую прикупил в беспроводном исполнениии в комбинации с мышкой. Баксов 20 отвалил бы, не пожалел.
Аноним 17/11/17 Птн 10:56:39  302901
>>302899
>Баксов 20 отвалил бы, не пожалел.
Даже советская неубиваемая клава стоит за 100
Аноним 17/11/17 Птн 11:06:13  302904
>>302834
Ищи по помойкам старые калбкуляторы с калвишами на герконах и дербань их, для начала
Аноним 17/11/17 Птн 11:08:49  302906
>>302899
я бы тебе посоветовал посмотреть, сколько нормальные клавиатуры стоят
Аноним 17/11/17 Птн 11:13:59  302908
14599360854140.jpg (4Кб, 211x220)
>>302901
>>302906
Аноним 17/11/17 Птн 11:17:38  302909
>>302908
Родину не любишь, пидор?
Аноним 17/11/17 Птн 12:43:55  302914
>>302813
Так чё по делу? Что за элемент на схеме под обозначением D3?
Аноним 17/11/17 Птн 13:56:49  302916
Анонии, такой вопрос. Имеются в наличии овердохуя разнообразных транзисторов, тиристоров, диодов, микросхем и прочего говна. Как и где мне их выгодно сбыть чтоб без наебалова и прочей хуйни?
Аноним 17/11/17 Птн 14:55:24  302918
>>302883
Тому.
Аноним 17/11/17 Птн 16:09:36  302922
>>302914
Сдвоенный диод
Аноним 17/11/17 Птн 16:18:17  302923
>>302040 (OP)
Здравствуй, радиопаяч. Пожалуйста, помоги разобраться.
Есть вга-сплиттер gvs-124, который не работает. Любопытства ради разобрал, увидел вздутый конденсатор (10 вольт, 470 микрофарад). Заменил, включил- услышал шипение и хлопок. Вздулся он. Обратил внимание на то, что блок питания, которым подключали устройство- 9 вольт, при надписи на входе девайса 7. Ок, перепаял, взял блок питания на 7,5 вольт, подключил- кина не произошло, но конденсатор снова вздуло. На плате установлен линейный стабилизатор L7805CV.
Вопрос: мог ли блок питания на 9 вольт этот стабилизатор похерить и таким образом продолжать надувать вышеуказанный конденсатор?
Полагаю, следует менять сам стабилизатор?
Аноним 17/11/17 Птн 16:36:45  302924
>>302691
напечатай разъем на 3д принтере
Аноним 17/11/17 Птн 17:14:48  302926
>>302923
Upd.
Погуглив про комплектацию узнал, что в комплекте у него адаптер на 9 вольт. Следовательно, тот, что есть- родной.
В общем, продолжаю реквестировать помощь.
Аноним 17/11/17 Птн 17:14:53  302927
RFcircuit diagr[...].jpg (32Кб, 392x348)
RFcircuit diagr[...].jpg (64Кб, 837x313)
Анон, такая ситуация. Есть два модуля - приёмник и передатчик 433МГц, есть одна ведруина. Понятно, что я хочу передавать ими данные. Вопрос в следующем. Передатчик работает по принципу включения генератора вч, открывая транзистор, приёмник работает на принципе сверхгенератора. Если я буду передавать биты информации не просто открытием транзистора на лог1 и закрытием на лог0, а принять за лог1 некую частоту модуляции нч, аналогично с лог0, взлетит или не стоит морочить голову? Или хотя бы посоветуй, что почитать по сабжу.
Аноним 17/11/17 Птн 17:55:01  302931
Есть адекватные статьи про батарейное питание для устройств с советами, блэкджеком и шлюхами? Скиньте ссылки, умоляю.
Аноним 17/11/17 Птн 18:03:43  302932
>>302926
на выходе 7805 скока?
Аноним 17/11/17 Птн 18:05:57  302933
>>302932
Я полный нуб, хотя м с цифровым мультиметром. Сейчас вообще боюсь включать.
Как проводится процедура измерения?
Аноним 17/11/17 Птн 18:27:55  302935
>>302933
>>302933
Ну, блядь
Аноним 17/11/17 Птн 18:28:52  302936
>>302933
Замерь полярность на конденсаторе, может ты его переполюсовал
Аноним 17/11/17 Птн 18:31:57  302938
>>302935
Ну прости, пожалуйста.
>>302936
Оба конденсатора вздуло. Выпаять и померять? Впаивал согласно обозначению на плате и метке на конденсаторе.
И да, если раньше при вздутом конденсаторе загоралась лампочка питания, то теперь индикатор не горит.
Аноним 17/11/17 Птн 18:35:52  302941
>>302931
tp4056
Аноним 17/11/17 Птн 18:42:49  302943
>>302938
> Впаивал согласно обозначению на плате и метке на конденсаторе
Не так всё просто. Есть уёбки производители, анус, например, которые плюс подкрашивают на полярных оксидных. Ну и твёрдотельные/танталовые обозначаются по плюсу.
Аноним 17/11/17 Птн 19:07:14  302947
>>302943
В общем, у меня предположение, что причина в стабилизаторе. Остальные конденсаторы целые.
Так же изучив плату по аналогии других конденсаторов- плюс с темной полосы, минус- где полоска конденсатора.
Короче, беру мультиметр, не выпаиваю стабилизатор, прозваниваю. Крайние ноги между собой не звенят, звенит только центральная (так ведь и надо?), крайние ноги молчат.
Теперь ставлю мультиметр на 20 вольт, черным в базу, красным в левую ногу(она же 1, v-in)- показывает 1.18. Остальные по нулям. Если крайние ноги мерять между собой- показывает 1.12-1.13.
Т.е. после прозвонки я заряжаю какой-то конденсатор и вижу падающее напряжение на мультиметре через первый пин от 1.4 вольт в положении 2 вольта после прозвонки.
Тысяча извинений еще раз, расчитываю на понимание и снисхождение.
Аноним 17/11/17 Птн 19:11:14  302948
Антоны, какая из книжек в шапке наиболее доходчиво поясняет за электротехнику? А то мне на парах объясняли - я нихуя не понимал. Сейчас вырос, возмужал, хочу попытаться вкатиться снова.
Аноним 17/11/17 Птн 19:34:36  302950
>>302938
> Выпаять и померять?
Померь, не выпаивая
Аноним 17/11/17 Птн 19:35:25  302951
>>302947
> черным в базу
Куда?
Аноним 17/11/17 Птн 19:36:36  302952
>>302933
>Сейчас вообще боюсь включать.
Раз уже вздуло, то включай. Новые пока не меняй
Аноним 17/11/17 Птн 19:37:26  302953
>>302951
Кароч, черный на среднюю (или на землю), красным на крайние
Аноним 17/11/17 Птн 20:21:43  302956
>>302941
>tp4056
Статьи про батарейное питание это не контроллер заряда. Я тебе тионилхлорид заряжать буду?
Аноним 17/11/17 Птн 20:43:02  302957
>>302916
Никто не знает что-ли?
Аноним 17/11/17 Птн 20:44:52  302958
>>302953
>>302952
Итак, во-первых, я выяснил, что блок на 9 вольт не рабочий, т.к. мультиметр ничего не показывает на разъеме питания, хотя диод на коробке, к которой включен блок, горит.
В общем, подключил другой блок питания, поставил 8 вольт, черный контакт на центр. красный на левый- показывает 8 вольт, что поступают с блока, красным на правую (которая должна быть исходящей, так?)- там 0.
Аноним 17/11/17 Птн 20:48:36  302959
>>302958
Если там 0, то что вздувает C?
Аноним 17/11/17 Птн 20:52:07  302960
.jpg (18Кб, 320x228)
Поясинте за керамические антенны, например вот такие: http://www.wless.ru/files/Accessaries/Antenna/PF1004.pdf

Будет ли эта антенна эффективней антенны из дорожки на плате (и на сколько?). И как правильно её запаять? Я вижу там надо чтобы сопротивление дорожки зачем-то равнялось 50Ом. Зачем?
Аноним 17/11/17 Птн 20:53:21  302961
>>302957
Что никто не знает, питух?
Хоть бы фото выложил, либо описал по нормальному. А то выходит: "У меня есть не знаю что, где продать?". Тут, думаешь, кому-то не похуй на твои хотелки?
Все, заебал. Пиздуй на хуй отсюда.
Аноним 17/11/17 Птн 21:19:49  302964
17110008.jpg (1075Кб, 3552x2000)
17110005.jpg (925Кб, 3552x2000)
>>302959
Не ведаю. Первый раз задымился и хлопнул, внутри крышка девайса была в темно-желтой маслянистой жидкости, подключал через 9-вольтовый блок. Перепаял, включил через другой блок- просто вздулся.
В общем, вот сделал снимок, описываю.
Если включить кнопку и померять ее контакты (красный с желтым)- Показывает примерно 6.8 вольт (при повторном выключении показало 7.8. Еще при одном- 6.48 и тенденция роста). При этом показатели между левой и центральной будет примерно 1.27. Но если их закоротить щупом- будет медленный рост от нуля.
Если включить кнопку питания, то на кнопке будет 0, между левой и центральной- входное напряжение, между центральной и правой- 0.
Под стабилизатором видно вздутый конденсатор.
Аноним 17/11/17 Птн 21:25:24  302965
Как сделать светодиодную подсветку, имитирующую неоновую? Какие нужны светодиоды и есть ли готовые ленты?
Аноним 17/11/17 Птн 21:39:17  302967
>>302964
Кароч так, это входной C, вздулся из-за деффекта во внешнем блоке. Похоже сгорел и трехногий интегральный стабилизатор
Аноним 17/11/17 Птн 21:43:49  302968
>>302967
Вооот. Значит, моя догадка может быть верна, что сгорел сам стабилизатор, потянув за собою конденсатор? И, соответственно, нужен новый стабилизатор, конденсатор (и БП)?
Аноним 17/11/17 Птн 22:52:11  302975
>>302968
вероятно, бп начал гнать переменку.

+входной c совсем без запаса по напряжению
Аноним 17/11/17 Птн 22:56:38  302976
>>302975
Можешь посоветовать, как правильно проверить блок питания? ВСе, на что меня пока хватило- это проверить наличие КЗ на выходе (оно есть) и пощупать вход на сопротивлении (тоже есть)
Аноним 17/11/17 Птн 23:58:36  302983
>>302976
измерить напряжение на выходе. Оценить переменку, подав через конденсатор 0.1мкФ на вход унч
Аноним 18/11/17 Суб 00:25:27  302985
>>302961
Ты в глаза долбишься, даун? Я тебе конкретно расписал про имеющийся товар. Какие нахуй фото, мне сука каждую микросхему из 3 тысяч надо было сфотографировать и тебе предоставить мудак ты хуев.
Аноним 18/11/17 Суб 03:08:07  302989
>>302985
Что ты, блять, расписал, ишак? Вот это
>транзисторов, тиристоров, диодов, микросхем
Ой, дохуя понятн. Ведь все
>транзисторов
не обладают никакими параметрами и абсолютно друг другу идентичны. Все так же касается и вышеописанного. Да, ебла? Согласно твоей логики все так? Хоть, примерно, типаж описал - силовые высоковольные или еще что?
Небось еще, окажется, что хочешь продать какое-то совковое говно отрытое в чулане.
Пиздуй нахуй в /b. Здесь вопросы от плесени, которая даже не может воспользоваться гулом, не вызывают всеобщего одобрения.
Уебывай.
Аноним 18/11/17 Суб 03:36:21  302990
>>302989
Слушай, ты совсем даун или как? Мне по твоему надо было список из тысячи наименований переписывать? Если я не уточняю, это означает лишь то, что имеются РАЗНООБРАЗНЫЕ сука элементы. А если ты желаешь узнать, имеется ли в наличии что то конкретное, так просто спроси без агрессии, а не показывай, какой ты у мамы знаток электроники.
Аноним 18/11/17 Суб 03:39:17  302991
>>302950
Лучше выпаять и не мерить
Аноним 18/11/17 Суб 03:43:29  302992
Как работают приборы которые от батареек могут и от сети. Если батарейка вставлена, они ее отключают при подключении адаптера? Ведь если они параллельно будет включены, батарейка же будет все равно разряжаться, просто медленнее, и потом будет подсаживать параллельное c ней питание, ведь при параллельном включении двух источников будет меньшее из двух напряжений?
Аноним 18/11/17 Суб 03:50:39  302993
>>302992
Решается всё это специальной микросхемой для зарядки. Называется это PowerPath. http://cds.linear.com/docs/en/product-info/Battery_Management_Soulutions_PowerPath.pdf
Аноним 18/11/17 Суб 07:02:42  302995
>>302993 Диды диодами пользовались.
Аноним 18/11/17 Суб 08:26:53  303000
WP2017111808193[...].jpg (2162Кб, 3264x1840)
WP2017111808200[...].jpg (1917Кб, 3264x1840)
>>302040 (OP)
С радейки можно чего нибудь полезного выпаять? Резонаторы на странные частоты. Микрухи не гуглятся.
Аноним 18/11/17 Суб 08:30:06  303001
>>302983
На выходе 0. Если разобрать блок питания, как можно еще диагностировать причину неисправности?
Так же есть второй блок (АТАВА-1200) с тумблером напряжения от 3 до 12 вольт. Проблема: вольтаж подается выше, чем поставлен на тумблере (если стоит 6- подает 8 с копейками, если 9- то 11-12, если 12- то 15) и хаотично мигает индикатор питания, что переодически мультиметром на выходе отображается как периодическое отсутствие в подаче напряжения. Что можно наванговать в данном случае?
Аноним 18/11/17 Суб 08:35:43  303002
>>303001
>Если разобрать блок питания, как можно еще диагностировать причину неисправности?
Разбери, сделай фото. замерь v на выходе трансформатора
Аноним 18/11/17 Суб 08:37:09  303003
>>303001
> хаотично мигает индикатор питания, что переодически мультиметром на выходе отображается как периодическое отсутствие в подаче напряжения.
где-то плохой контакт или кз время от времени. бп без нагрузки так мигает?
Аноним 18/11/17 Суб 08:37:43  303004
>>302995
даже на шотки ощутимые потери
Аноним 18/11/17 Суб 08:41:56  303005
>>303003
>>303002
Мигает, если просто включить в сеть.
В общем, сегодня разберу, сделаю фото и буду репортить.
Аноним 18/11/17 Суб 08:48:43  303006
5dLOb.png (20Кб, 357x687)
>>303004 Если уж так критично то
Аноним 18/11/17 Суб 09:51:12  303010
.png (38Кб, 911x372)
>>303006
Это и есть тот самый "идеальный диод", который и используется во всех этих микрах.
Аноним 18/11/17 Суб 10:04:11  303011
>>303010
Поясните нюфане как это работает и в чём идеальность падения напряжения нет, да? и всё? ?
Аноним 18/11/17 Суб 10:10:45  303012
>>303011
> падения напряжения нет, да?
Есть, но гораздо меньше, чем у простых диодов. Открытый мосфет ведёт себя скорее как резистор и падение напряжения на нём пропорционально протекающему току. А плох этот "диод" тем, что чем сопротивление мосфета меньше, тем обычно больше его затворная ёмкость, а значит он будет открываться/закрываться медленней и на больших частотах его уже использовать будет проблематично.
Аноним 18/11/17 Суб 10:26:06  303013
>>302965
бамп
Аноним 18/11/17 Суб 10:31:43  303014
Аноны, подскажите плиз зажимной контакт (крокодильчик или типа того), который способен выдерживать большие токи (до 30 ампер) и чтобы место контакта не сгорело нахуй
Аноним 18/11/17 Суб 10:31:57  303015
IMG201711181028[...].jpg (3035Кб, 2969x3356)
Чуваки, какие тут пределы измерения постоянного тока?
Аноним 18/11/17 Суб 10:35:57  303016
30а.PNG (55Кб, 487x305)
>>303014
Аноним 18/11/17 Суб 10:38:09  303017
>>303015
> вольтметр
> ток
Иди нахуй.
Аноним 18/11/17 Суб 10:42:00  303018
>>303017
Бля, при постоянном токе, чё злой то
Аноним 18/11/17 Суб 10:43:49  303019
>>303018
НА ХУЙ
Аноним 18/11/17 Суб 11:14:28  303020
Отец говорит что лампочки чаще всего перегорают или даже взрываются в момент включения. Мотивирует это "затяжным включением" типа ток пробивает воздух в выключателе в момент медленного нажатия на него и это приводит к большому нагреву. Я ему говорю, что если пробивает то в это месте и нагревается и тут же самое большое падение напряжения и самые большие потери энергии, следовательно лампочка просто в этот момент гореть не будет. 1) Кто из нас с отцом прав ? 2) Правда ли что лампочки чаще всего перегорают в момент включения и почему ? 3) Почему взрываются лампочки(стекло отваливается от цоколя) ?
Аноним 18/11/17 Суб 12:29:16  303022
>>303020
>2) Правда ли что лампочки чаще всего перегорают в момент включения и почему ?
Да, потому что вещество быстро переходит из холодного состояния в горячее и расширяется, разрушаясь при этом. Выключатель не причем.
Аноним 18/11/17 Суб 13:05:33  303024
>>302040 (OP)
Сколько нужно окончить институтов и выучить языков программирования, чтобы построить такого няшку? https://youtu.be/JxSDTJb8Jwg?t=1m28s
Аноним 18/11/17 Суб 13:19:38  303027
83359original.jpg (52Кб, 594x388)
>>303024
И еще пара мелких двигателей с батарейками.
Аноним 18/11/17 Суб 13:23:23  303029
>>303015
Тысяча. Там же написано.
Аноним 18/11/17 Суб 14:17:49  303033
>>263887 (OP)
>>302040 (OP)
Посоветуйте дешевый паяльник с али для пайки контроллеров.
Аноним 18/11/17 Суб 14:25:42  303036
>>303033
GOOT
Аноним 18/11/17 Суб 14:28:58  303037
>>303029
Тысяча чего? В каких единицах по твоему измеряется ток? Может быть в ваттах? Или метрах?
Аноним 18/11/17 Суб 14:34:25  303040
>>303037
В попугаях
В самом деле я хотел потроллить глупца что не видит разницы между напряжением и током. Даже придумал задвинуть телегу про вольт-амперную характеристику, если спрашивать будет, но сейчас уже не интересно стало
Аноним 18/11/17 Суб 15:10:01  303042
>>302990
>Слушай, ты совсем даун или как? Мне по твоему надо было список из тысячи наименований переписывать? Если я не уточняю, это означает лишь то, что имеются РАЗНООБРАЗНЫЕ сука элементы. А если ты желаешь узнать, имеется ли в наличии что то конкретное, так просто спроси без агрессии, а не показывай, какой ты у мамы знаток электроники.

Тебе всё равно придётся переписывать всё для того чтобы продать.
Как минимум переписать типы деталюх, иначе никто кроме желающих покопаться в хламе удалённо не заинтересуется.

Можешь на радиокоте продать, там часто создают темы "продаю хлам из гаража, выбирайте".
Аноним 18/11/17 Суб 15:15:54  303043
>>303042
хотя бы фоты этого мусора
Аноним 18/11/17 Суб 15:50:55  303045
>>303043
Фото ограничит ца любителями хлама из гаражей.
Аноним 18/11/17 Суб 16:20:53  303048
>>303045
>овердохуя
Это в килограммах сколько? Очевидно что у тебя старый хлам. Вот прикинь, одну микросхему серии 555, 155 1533 и подобных продают за 5...20 рублей. Но кто купит все это вместе? Только тот кто потом будет торговать поштучно. И этот кто-то вряд ли купит этот хлам даже по рублю за штуку, потому как не будет уверенности что получится продать. Так что будет хоть какой-то смысл продавать это все вместе только если у тебя десятки килограмм этих микросхем.
Другое дело если это что-нибудь высокочастотное (разъемы, лампы, транзисторы, МШУ, аттенюаторы).

>>303045
А оно никому больше не нужно.

>>302990
>список из тысячи наименований переписывать?
Хотя бы мог написать серии микросхем.
Аноним 18/11/17 Суб 16:36:16  303050
>>302916
кмки, качественные разъемы, керамические кроватки, военка, транзисторы с "желтый ножка" -- можешь продавать , описывать и прочее. Ну и, возможно, логика всякая, оу, память
разный хлам можешь сдать в металл или отдать кому по цене того же металла
Аноним 18/11/17 Суб 17:03:10  303054
>>303050
> керамические кроватки,
Хуита же
Аноним 18/11/17 Суб 17:08:48  303055
>>303017
>>303029
>>303037
>>303040
Я может чего не понимаю, но где вы там амперы увидели?
мимо
Аноним 18/11/17 Суб 17:11:38  303056
>>303055
Это просто буквоеды, не обращай внимание. В русском языке вместо "переменное/постоянное напряжение" часто используют словосочетание "переменный/постоянный ток". И они к этому току и приебались.
Аноним 18/11/17 Суб 17:17:20  303057
В каких магазинах продаются регулируемые блоки питания? Пол мухосрани облазил, никак не найду. Один консультант даже сказал что я ищу тестер, а не блок питания. Пиздец одним словом. Стоит заказывать с али?
Аноним 18/11/17 Суб 17:25:05  303058
Какой кабель взять для i2c датчиков? Два датчика на расстоянии 7-10м подключены звездой и добрую половину пути кабель идет вместе с кучей силовых кабелей. Неэкранированной витухи хватит?
Аноним 18/11/17 Суб 17:26:50  303059
>>303056
Ну так на пикче вольтметр же, и у шкалы вольты написаны и у переключателя. С чего вы решили, что там амперы должны быть?
Аноним 18/11/17 Суб 17:38:54  303060
>>303058
Не хватит
Аноним 18/11/17 Суб 17:43:18  303061
>>303056
Не в этом контексте
Аноним 18/11/17 Суб 17:44:27  303062
>>303059
>>303056
Электрический ток - это направленное движение зарядов. В таком случае, какое отношение к измерителю тока может иметь вольтметр?
Аноним 18/11/17 Суб 17:46:03  303063
>>303060 И как тогда быть?
Аноним 18/11/17 Суб 17:46:13  303064
>>303062
Без задней мысли ставишь преобразователь ток->напряжение (можно простой резистор параллельно источнику тока) и измеряешь напряжение.
Аноним 18/11/17 Суб 18:12:52  303074
>>303054
а ты предлагаешь лампы в пластмассовые втыкать?
впрочем, да, можно тоже их выкидывать. у меня их уже столько, что и внукам их будет некуда пристроить
Аноним 18/11/17 Суб 18:21:37  303079
>>303074
А, я думал ты про dip.
Аноним 18/11/17 Суб 18:36:09  303084
Что делать со старыми деталями, которые не влазят в макетную плату? Может есть какой-нибудь универсальный способ, чтобы без обтачиваний, припаиваний к тонким ножкам и прочих нудных изъёбств?
Аноним 18/11/17 Суб 18:39:43  303089
>>303084
Что значит не влазят? Если это DIP их же можно хоть наискосок ставить. Или там короткие жёсткие выводы?
Аноним 18/11/17 Суб 18:40:21  303090
>>303056
Нихуя "доебались". Если кому-то похуй, то не следует приборами пользоваться. Лучше в телефон втыкать.
Аноним 18/11/17 Суб 18:42:10  303092
>>303089
Толстые ножки.
Аноним 18/11/17 Суб 18:42:38  303093
>>303092
Что за деталька?
Аноним 18/11/17 Суб 18:43:11  303094
>>303092
Чо за детали такие?
Аноним 18/11/17 Суб 18:47:26  303097
>>302993
Это если батарея перезаряжается. А если обычная батарейка?
Аноним 18/11/17 Суб 18:48:03  303098
9602.jpg (22Кб, 410x307)
>>303093
>>303094
Ну например вот, сп4 2м
Аноним 18/11/17 Суб 18:50:13  303100
>>303098
да дохрена таких деталей, не понимаю чему народ удивляется. выключатели всякие, кнопачки, релюхи, у них вообще уши для пайки. разъемы всякие тоже, типа 3.5 мм. я иногда напильником стачиваю.
Аноним 18/11/17 Суб 18:51:32  303102
>>303100
Сколько времени на одну ножку уходит примерно?
Аноним 18/11/17 Суб 18:53:36  303105
.png (9Кб, 367x335)
>>303097
Тоже самое, только без схемы зарядки. Диод или идеальный диод. Только напряжение питания должно быть больше напряжения батарейки, чтобы диод не пропускал ток батарейки.
Аноним 18/11/17 Суб 18:56:55  303108
>>303105
Только я на схеме плюс с минусом у батарейки перепутал. Но суть, надеюсь, ты понял.
Аноним 18/11/17 Суб 19:12:23  303111
>>303102
да пара вжиков
Аноним 18/11/17 Суб 20:13:46  303114
ПТСИ40ВТ-36В.jpg (41Кб, 1000x599)
Кто пользовался таким паяльником? Как он? ТЭН у него легко ремонтопригоден?
Аноним 18/11/17 Суб 20:16:49  303115
>>303114
ШР-ы пиздец. Самолётные или флотские паяльники?
Аноним 18/11/17 Суб 20:18:34  303116
>>303115
Хуй его знает. По виду военка, для быта/производства такое не делали
Аноним 18/11/17 Суб 20:28:29  303120
SolderStationUS[...].jpg (36Кб, 600x401)
>>303115
Для ВПК СССР
Паяльник называется ПТСИ-60, есть и ПТСИ-40. Цифра - мощность. 36 вольт переменки. Внутри две термопары константан-железо для обратной связи.
Аноним 18/11/17 Суб 20:29:23  303121
ПТСИ-60.jpg (64Кб, 600x450)
>>303120
60W
Аноним 18/11/17 Суб 20:31:18  303122
>>303120
У птси-60 тоже жало на резьбе м5 вкручивается?

Разбирал такие?
Аноним 18/11/17 Суб 20:31:59  303123
>>303121
Вот это ничо так
Аноним 18/11/17 Суб 20:33:38  303124
>>303120
> константан-железо
Имеются справочные данные, что были версии с термопарой хромель-копель.
>>303122
>>303121

Аноним 18/11/17 Суб 20:35:12  303125
>>303114
> ремонтопригоден?
Нагревательный элемент керамический.
Аноним 18/11/17 Суб 20:36:00  303126
>>303125
Нахер тогда
Аноним 18/11/17 Суб 20:59:30  303128
>>303062
сука, да где вы там измеритель тока то нашли???
На пикче буква "V" - означает ВОЛЬТМЕТР, ебаный рот
Аноним 18/11/17 Суб 21:07:05  303129
>>303125
Нихром запеченный в керамику?
Аноним 18/11/17 Суб 23:02:53  303135
>>303042
>>303048
>>303050
У меня сейчас нет полного списка всех микросхем, транзисторов и прочего, т.к. их очень много и расфасовываю уже вторую неделю. Но там определенно было что то высокочастотное. Вопросы такие: имеет ли смысл продавать транзисторы с большим содержанием золота как цельную деталь или лучше извлечь золото и продавать золото?
Микросхем 551, 155, 500 уже набралось порядка 2 тысяч, я так понял что они никому нахуй не нужны? Какие конкретно например диоды имеют ценность? Вообще, где чекать ценность той или иной детали или их ценность зависит только от содержания драгметалов?
Как вы и писали, вероятно, весь мой "улов" можно описать как хлам с чердака, но хоть какой то профит поиметь хочется. Имеет ли смысл поискать возможных покупателей среди радиолюбителей или фирмы по ремонту или чего то подобного? Или же там у них у самих подобного дохуя.
Распишите всё как нубу пожалуйста, сам то я далёк от подобного.

Аноним 18/11/17 Суб 23:12:03  303136
>>303135
А лампы у тебя есть? Можешь аудиофилам продать задорохо.
Аноним 19/11/17 Вск 00:00:08  303143
>>303108
>>303105

А, понял. Спасибо
Аноним 19/11/17 Вск 00:00:31  303144
>>303135
Город назови, мб тут найдутся желающие оценить твой хлам.
Аноним 19/11/17 Вск 01:28:09  303145
>>302040 (OP)
Sup, что будет, если в телевизионный кабель от спутниковой тарелки вставить иголку до жили и ебнуть электрошокером? Или по оплетке, или даже и туда и туда.

А если электрозажигалкой для плиты,
хоть какой-то эффект будет?
Аноним 19/11/17 Вск 06:44:59  303147
>>303012
Ну для питания речь о частотах не идет, поэтому он тут в самый раз.
Аноним 19/11/17 Вск 06:48:32  303148
>>303020
Ты прав.
Стекло отваливается от цоколя потому что в ножке лампочки есть предохранитель - одна из проволочек тонкая. При перегорании лампочки в ней возникает дуга = замыкание.
В ножке снаружи проволочка сгорает и иногда повышения давления от этого в цоколе хватает оторвать клей и выпихнуть колбу.
Аноним 19/11/17 Вск 08:53:32  303151
Best-Promotion-[...].jpg (22Кб, 250x250)
Как сделать из smd светодиодов от ленты рассеянный свет? Поставил по подстветку девайса, там потом идет из оргстекла световод вокругд органов управления, видали наверно такое, и эти светодиоды (красные от ленты) видно через оргстекло, а свет не заливает весь световод (в оригинале были синие которые заливали, но мне не нравится синий цвет в подсветке девайсов, дешево выглядит как по мне)

Что с ними делать? Шлифовать? Там же тонкая поверхность. Или может наклеить какую нибудь хуйню типа шлифованнх кусочков прозрачного пласика?
Аноним 19/11/17 Вск 10:15:46  303152
>>303135
>извлечь золото и продавать золото
в рф -- извлечение драгмета уголовка. если найдешь неправильного покупателя, присядешь
Аноним 19/11/17 Вск 14:33:18  303166
>>302040 (OP)
Пагни, взял вот такие светодиоды:
https://ru.aliexpress.com/item/Free-shipping-10W-LED-Integrated-High-power-LED-Beads-White-Warm-white-900mA-9-0-12/32625667124.html

Подскажите, для использования в автомобиле что им нужно? Токоограничивающий резистор им нужен? Или LM317 ставить? Или вообще ничего? Напряжение в машине около 14 вольт.
Аноним 19/11/17 Вск 14:38:51  303169
>>303166
> Напряжение в машине около 14 вольт.
Неверно. Оно вообще там плавать может в достаточно больших пределах. Лучше всего: взять DC-DC преобразователь и настроить его, чтоб на выходе был постоянный ток. А так можно сделать любой источник тока, резистор возможно подойдёт, но яркость будет плавать, из-за работы генератора и будет гораздо меньше при выключенном двигателе.
Аноним 19/11/17 Вск 14:54:33  303172
>>303169
>чтоб на выходе был постоянный ток
А какой именно ток? Китайцы пишут 800-900 мА, это разве не многовато? Не думаю, что там реальные 10 ватт.
Аноним 19/11/17 Вск 15:05:37  303174
>>303172
Ну так подбери такой ток, чтобы диод сильно не грелся. Не обязательно же всё на максимум ставить.
Аноним 19/11/17 Вск 16:01:17  303179
>>303166
ищи светодиодные драйверы
Аноним 19/11/17 Вск 18:08:05  303184
>>303179 Да не нужны драйверы, они дороже и кпд у них заметно хуже. Китайцы за каким-то фигом ставят туда выпрямитель и устаревшие преобразователи без синхронного выпрямления. Сраный mini 360 за 30 центов дает пососать всем "светодиодным драйверам" 1-5$. И в плане точности выходного напряжения там все в порядке, если не использовать диод на предельных режимах - не спалишь.
Аноним 19/11/17 Вск 18:13:35  303185
>>303166
Без драйвера его в авто использовать не получится. У него нормальное напряжение питания близко к напряжению бортовой сети, поэтому с простым резистором будет сильно плавать ток, а на на что-то типа LM317 в качестве стабилизатора не хватит питания с заглушенным мотором, т.к. мало падение напряжения.
Аноним 19/11/17 Вск 18:48:05  303186
resistance.jpg (8Кб, 392x232)
Сап. Как посчитать общее сопротивление этого участка? Как вообще работать с R3?
Аноним 19/11/17 Вск 19:31:12  303190
>>303145
бамп вопросу
Аноним 19/11/17 Вск 20:05:28  303192
>>303186
Преобразование треугольник-звезда. Или метод контурных токов или узловых потенциалов. Также если R1=R5 и R2=R4, то R3 не оказывает никакого влияния.
Аноним 19/11/17 Вск 20:18:14  303196
>>303192
Спасибо, попробую.
Аноним 19/11/17 Вск 20:56:15  303201
Я все равно туплю. Если два источника питания с разным напряжением соединить параллельно и включить нагрузку, симулятор показывает бешеный ток из большего в меньший. В обчем-то если подумать имеет смысл. Но в реальности если два батарейки с разным напряжением включить параллельно этого же не происходит. Может быть дело во внутреннем сопротивлении батареек?
Аноним 19/11/17 Вск 21:17:49  303206
Короч я понял. Взял одну разряженую и одну новую, разница 0.3в, ток во вторую порядка 400ma. Нихуя себе. И что с ними в конечном итоге произойдет? Они обе быстро разрядятся? Они ж не выравняются никогда, так как обе равномерно разряжаются. И да, внутреннее сопротивление получается примерно 0.3 0.4 ом.
Аноним 19/11/17 Вск 22:52:32  303212
>>303206
как то так, да
поэтому дохлую батарейку ни в коем случае не ставь в параллель с живой
Аноним 20/11/17 Пнд 01:16:20  303216
333.JPG (97Кб, 1043x434)
мм.JPG (52Кб, 1089x293)
image.png (42Кб, 606x263)
ис чаип.JPG (199Кб, 843x984)
>>302040 (OP)
Есть один драйвер 3фазного мотораlb11922, не понимаю как управлять оборотами, тк нуфаг.
На плате есть кварц - какой частоты?
С ним он допустим вращается с какой то скоростью, а как ее регулировать?
Что такое PLL?
http://www.onsemi.ru.com/PowerSolutions/document/EN7497-D.PDF
Аноним 20/11/17 Пнд 01:25:48  303217
>>303216
Что такое PLL?
Загуглил. Но как управлять оборотами все равно не понял.
Аноним 20/11/17 Пнд 01:40:24  303218
В чём тут разница? Чипы одинаковые, а обвязка разная.
https://www.ebay.com/itm/5PCS-RTC-DS1302-Real-Time-Clock-Module-For-AVR-ARM-PIC-FOR-Arduino-new/311976694296
https://www.ebay.com/itm/5PCS-RTC-DS1302-Real-Time-Clock-Module-For-Arduino-AVR-ARM-PIC-SMD-than-DS1307/253116134457
Что из этого купить чтоб пару лет знать точное время?
Аноним 20/11/17 Пнд 01:50:33  303220
>>303218
В синенькой я вижу конденсаторы на питании и подтягивающие резисторы на линиях данных. Конденсаторы чтобы микра лучше работала (особенно если подключается длинными проводами), а подтягивающие резисторы будут нужны в любом случае. Тут они просто уже сразу впаяны.
Аноним 20/11/17 Пнд 06:23:19  303228
>>303000
Капы вон те здоровые желтые и серые. Остальное в мусор.
Аноним 20/11/17 Пнд 06:25:51  303229
>>303201
Вполне себе происходит.
Просто если батареи одинаковые, то этот ток не так уж велик. И да, ограничителем этого тока является внутреннее сопротивление батареи.
Аноним 20/11/17 Пнд 06:27:46  303230
>>303218
DS3231.
Аноним 20/11/17 Пнд 06:28:20  303231
>>303228
Там ещё кроме танталов куча крупных керамических кондёров (или то дроссели?). Тоже могут пригодится.
Аноним 20/11/17 Пнд 06:28:44  303232
>>303216
Надо даташит смотреть, а ты микросхему не указал.
Аноним 20/11/17 Пнд 06:31:05  303233
>>303232
Вообще он указал в спойлере. И ещё наименование микры есть в первых двух пиках наверху.
Аноним 20/11/17 Пнд 06:38:59  303234
>>303233
Ага, ссылку проебал. А спойлеры принципиально не открываю. Если человек настолько долбоёб, что скрывает под ним важную информации - нехай ебётся сам разбирается.
Посмотрел даташит - это микросхема для чего-то типа дисковода, где флоппи диск крутится с постоянной частотой. Частота опроеделяется кварцем и зашитыми коэффициентами деления, ее только можно дискретно менять в 2 раза сигналом на 1 ноге.
Как костыль - можно вместо кварца включить перестраиваемый генератор, но поскольку схема фильтра PLL не перестраивается - это будет работать не во всем диапазоне скоростей.
Аноним 20/11/17 Пнд 13:08:03  303269
Сделал на своей посудомойке окошко и стрелку к командоаппарату, у которого 60 положений.
Понадобилось нарисовать шкалу, чтоб выделить на ней моменты залива-слива, цветными секторами - этапы полоскания-мойки-сушки и т.д. Чтобы было видно что она сейчас делает.
Скачал для этой цели FRONT DESIGNER 3.0 и обломался. В разделе рисования шкал эта залупа либо не дает сделать круглую шкалу более чем из 50 секторов, либо в "эмпирической сегментной шкале" - не дает наирисовать более 10 сегментов (а мне примерно в 2 раза больше надо).
Никто не знает другого хорошего софта, позволяющего нарисовать круглую шкалу с сегментами?
Аноним 20/11/17 Пнд 13:47:42  303272
>>303269
Универсальная вещь — векторный графический редактор
Аноним 20/11/17 Пнд 14:06:18  303275
>>303269
AutoCAD
Аноним 20/11/17 Пнд 15:04:37  303277
1.png (24Кб, 760x513)
2.jpg (6Кб, 190x164)
Как на электрической схеме, согласно правилам ЕСКД, будет обозначаться фильтр НЧ, который приведен на пикче?
Аноним 20/11/17 Пнд 15:42:32  303282
>>303272
>>303275
Сложна, сложна же.
Нашел программку Galva 1.85, в которой явно можно сделать то, что мне надо без ограничений - но она, тварь на французском.
Разбираюсь, получается.
Аноним 20/11/17 Пнд 15:44:40  303284
ФНЧ.JPG (4Кб, 264x203)
>>303277
Типа того.
Аноним 20/11/17 Пнд 16:21:30  303289
image.png (9Кб, 500x208)
>>303284
благодарю

А разве такое изображение используется не только на структурных схемах? На электрической схеме тоже также можно обозначать?
Аноним 20/11/17 Пнд 18:43:58  303297
vegarp3411273.jpg (931Кб, 3134x2127)
>>303289
Ну посмотри как всякие пьезокерамические фильтры на схемах радиоприемников обозначаются. Именно так. Иногда вообще без символа внутри, квадратик и всё.
Аноним 20/11/17 Пнд 18:46:24  303298
Что могут спрашивать на собеседовании - мастер по ремонту?
Опыта от года ясное дело нету, но выяснить неисправность не проблема.
Аноним 20/11/17 Пнд 18:47:44  303300
>>303298
конкретно мобилок.
Аноним 20/11/17 Пнд 19:05:44  303303
>>303298
>>303300
Как зайдешь - кинут тебе сяоми под ноги, скажут почини. Ты должен через него перешагнуть. А если поднимешь и починишь - тебе выдадут обжимник с дыркой и посадят в петушиный угол заправлять катриджи
Аноним 20/11/17 Пнд 19:09:33  303304
>>303303
> А если поднимешь и починишь
А если поднимет и не починит?
Аноним 20/11/17 Пнд 19:49:03  303307
>>303300
бга перекатываешь быстро?
Аноним 20/11/17 Пнд 19:59:36  303310
12.png (140Кб, 720x979)
Братцы, я всегда думал что сопротивление, включённое в выходную цепь источника питания, вызывает падение напряжения на себе и вольтметр включённый в эту же цепь должен показывать меньшую величину чем выдаёт номинально источник.

Сегодня мне надо было сильно понизить напряжение на одном блоке питания от телефона, припаял резистор, но вольтметр что с резистором, что без него показывает одинаковое напряжение. Что за хрень?

Для удобства нарисовал пикчу.
Аноним 20/11/17 Пнд 20:01:34  303311
>>303310
И сопротивление вольтметра - 1 или 10 МОм.
Аноним 20/11/17 Пнд 20:05:36  303313
>>303310
>Братцы, я всегда думал что сопротивление, включённое в выходную цепь источника питания, вызывает падение напряжения на себе
Даунич, про закон Ома слышал? Падение, конечно же будет, как только ток появится. А твой вольтметр какой ток потребляет??? (По секрету скажу, что вольтметр, призванный измерять напряжение, должен жрать как можно меньше тока. Так же как термометр, которым ты меряешь температуру у себя за щекой не должен быть соизмерим по теплоёмкости и, соответственно, размерам с твоей бренной тушей.)
Аноним 20/11/17 Пнд 20:06:51  303314
>>303310
Очевидно, что важно сопротивление не только резистора, но и вольтметра. У вольтметра настолько большое внутреннее сопротивление, что на резисторе падает очень маленькое напряжение. Настолько маленькое, что оно меньше погрешности самого вольтметра. И да, напряжение нужно уменьшать специальными микросхемами, например LM317 - они подстраивают своё внутреннее сопротивление так, чтобы на них всегда падало определённое напряжение.
Аноним 20/11/17 Пнд 20:07:37  303315
>>303310
Падение напряжения зависит от текущего через цепь тока. Вольтметр почти не пропускает ток, следовательно и падения напряжения почти нет.
Аноним 20/11/17 Пнд 20:26:16  303319
>>303315
>>303313
>>303314

Тогда чтобы узнать какое напряжение теряется на резисторе надо замкнуть цепь без вольтметра, а вольтметр прицепить параллельно резистору?
Аноним 20/11/17 Пнд 20:27:20  303320
>>303319
бинго
Аноним 20/11/17 Пнд 20:30:44  303322
>>303319
Тогда на резисторе будет падать всё напряжение. Резистором понизить напряжение можно только если у тебя чисто резистивная нагрузка (т.е. её сопротивление не меняется). Если же ты хочешь подключить что-то сложнее, то тебе нужно специальное устройство, которое будет менять своё сопротивление в зависимости от сопротивления нагрузки (линейный регулятор), либо DC-DC преобразователь.
Аноним 20/11/17 Пнд 21:02:28  303325
Анон, подскажи, какова минимальная температура хранения ЖК-панелей? Моник в гараже при -35 накроется?
Аноним 20/11/17 Пнд 21:11:55  303326
Помоги, Анон!
Поменял дутые конденсаторы в мониторе. Старые были обмазаны белой пастой от вибрации, а новые без нее жужжат. Как эта паста называется? Громко жужжат, юзать аж неприятно.
Аноним 20/11/17 Пнд 21:23:05  303329
>>303326
Чиво блядь?
Аноним 20/11/17 Пнд 21:50:54  303332
HTB1lFCuSFXXXXb[...].jpg (364Кб, 720x451)
Анонасы, я тут собрал мониторчик из М. NT68676, под кнопки просверлил дырки, а мои сосиски их теперь не дожимают. Есть же, наверное, кнопки для таких уёбков как я переключателей? По каким словам их искать?

>>303326
Это эпоксидка была.
Аноним 20/11/17 Пнд 21:58:33  303334
>>303326
Что механически осцилирует в полярном конденсаторе?
Аноним 20/11/17 Пнд 22:00:41  303335
.jpg (495Кб, 800x800)
>>303332
Тебя интересуют кнопки с длинным штоком (как пикрелейтед) или что?
Аноним 20/11/17 Пнд 22:09:00  303336
>>303335
Этими кнопками только печь топить. 3 раза я их использовал с своих махарайках и 3 раза они ломались.
Аноним 20/11/17 Пнд 22:09:51  303337
>>303336
Где именно ломались?
Аноним 20/11/17 Пнд 22:11:11  303339
>>303337
Может он ими пару ампер коммутировал?
Аноним 20/11/17 Пнд 22:12:38  303340
>>303337
Контакт пропадает. А с короткими кнопками всё нормально.
Но я их руками жму. В корпусах, где нет боковых нагрузок, может и всё нормально.
Аноним 20/11/17 Пнд 22:13:35  303341
>>303340
>Контакт пропадает. А с короткими кнопками всё нормально.
Бред какой-то
Аноним 20/11/17 Пнд 22:21:58  303342
a1.png (8Кб, 800x600)
a2.png (7Кб, 500x561)
Посоветуйте программу типа мультисима, но чтобы можно было использовать собственно созданные чипы если в мультисиме так можно, то расскажите как. Типа я сделал чип(пик 1), а потом его использую в других схемах (пик 2).
Аноним 20/11/17 Пнд 22:53:50  303345
4f.jpg (47Кб, 400x291)
>>303335
Нет, меня интересуют пластиковые кнопки, чтобы не голым пальцем на этих засранцев давить. Пикрелейтеды, короче.
Ясное дело, что у всех там своя атмосфера, но кнопки-то стандартные, может что-то и есть.
Аноним 20/11/17 Пнд 22:56:51  303348
A1D7LwzrifL.SL1[...].jpg (513Кб, 1500x1293)
>>303332
>>303329
>>303334
Белая дрянь как на фотке
И нет, не эпоксидка - эпоксидку хрен сломаешь, а эта фигня крошится
Аноним 20/11/17 Пнд 22:57:00  303349
.jpeg (31Кб, 590x501)
>>303345
На али есть что-то типа такого. Но опять таки тут нужны длинные кнопки.
Аноним 20/11/17 Пнд 23:15:08  303350
>>303349
Ну да, это не совсем оно. Я надеялся, что может быть есть резинки, которые можно напихать в просверленные дырки, или нажимающиеся колпаки, которые можно напялить сверху на весь переключатель, но это я, похоже, раскатал губу.
Вообще не будь я жопоручкой, я бы всю эту плату переделал и сделал поменьше и поаккуратнее, но увы мне.
Аноним 20/11/17 Пнд 23:18:49  303351
>>303350
Палю лайфхак: покупаешь стержни для клеевого пистоле в фикспрайсе, одну сторону наргеваешь и приклеиваешь к кнопке, другая сторона будет кнопкой.
Аноним 20/11/17 Пнд 23:32:42  303353
>>303351
В таком виде мне что-то не по нраву, но саму идею наклеить хуйни я обязательно обдумаю.
Вообще говоря, мне бы поверх них пихнуть еще одну пластину с кнопками, потому что корпус самого монитора я просверлил кривовато, и эту срамоту было бы хорошо закрыть.
Аноним 20/11/17 Пнд 23:35:37  303354
>>303353
Зря, довольно приятно выглядит. Суть в том, что в фикспрайсе эти стержни из говноклея, который по ощущениям больше на резину похож.
Аноним 20/11/17 Пнд 23:53:58  303358
>>303354
Ну ладно, тогда надо будет посмотреть, спасибо.
Аноним 21/11/17 Втр 00:01:13  303360
>>303350
Я в ноуте кнопочки менял, кнопки тоже не доставали, сверху наклеил куски пластика суперклеем и всё.
Аноним 21/11/17 Втр 00:04:07  303361
Безымянный.png (266Кб, 1155x513)
Пиздецбля. Техническая литература вся такая дорогая?
Аноним 21/11/17 Втр 00:05:57  303362
Безымянный.png (230Кб, 1099x465)
Нет, ну просто ебануться.
Аноним 21/11/17 Втр 00:12:50  303363
>>303362
>>303361
В интернете скачать не судьба?
>Заниматься схемотехникой и фапать на бумажные книги
Аноним 21/11/17 Втр 00:17:41  303364
>>303363
Не, низко это - книги воровать. Тем более обучающие. Со скрипом, да придётся покупать.
>Заниматься схемотехникой и фапать на бумажные книги
Ну такой вот я старпер, сорри.
Аноним 21/11/17 Втр 00:26:20  303365
>>303364
Ну, ничего, все мы люди.
Аноним 21/11/17 Втр 01:12:48  303374
>>303342
Неужели такого нет?
Аноним 21/11/17 Втр 02:02:47  303386
Посоны, как сделать глушилку блютус (заебали школьники с КАЛонками)? Неужели нужна всего лишь катушка и подстроечный конденсатор? Как рассчитать ёмкость катушки, если мотаешь её вокруг пальца?
Аноним 21/11/17 Втр 07:34:52  303415
>>303325
Не накроется. Но при работе будет ОЧЕНЬ МЕДЛЕННО сменять картинки.
Аноним 21/11/17 Втр 07:37:02  303416
>>303341
Ну разумеется на шток не должно быть боковой нагрузки, а ты что хотел.
Для этого он должен торчать в дырочку в панели строго по оси и не иметь значительного бокового хода.
Аноним 21/11/17 Втр 07:39:13  303417
>>303348
Это силиконовый герметик. Вообще, электролиты не должны пищать, скорей всего они у тебя какие-то плохие. Звуки может издавать феррит из-за магнитострикции и керамические (а иногда и пленочные) конденсаторы из-за пьезоэффекта.
Аноним 21/11/17 Втр 07:41:18  303418
>>303386
>>303386
>ёмкость катушки
и индуктивность кодицатора
Аноним 21/11/17 Втр 11:22:11  303449
17110009.jpg (986Кб, 3552x2000)
17110014.jpg (575Кб, 1907x2121)
17110018.jpg (1029Кб, 2000x3552)
Аллоха, радиопаяч.
Есть два блока питания, которые неисправны. Первый- 9В, 800мА, вход 220в, 50Гц, 11 Ватт. Модель 1616-4801-19
Если мерять сопротивление между штекеррами- есть данные. Если делать прозвон выходного штекера между + и -, то покажет КЗ.
Аноним 21/11/17 Втр 11:29:06  303451
17110015.jpg (801Кб, 2000x3552)
17110016.jpg (816Кб, 2000x3552)
17110017.jpg (951Кб, 3552x2000)
Вот второй блок питания, АТАВА-1200(AT-1200), 230V, 50Hz, 27,4W. Должен давать на выходе напряжение 3/4,5/6/7,5/9/12 В, 1200мА но по факту выдает на пару вольт больше в каждом положении. Внутри имеется невздутый конденсатор на 25В 3300 мкФ и 4 детали с маркировкой IN5400 ,
Аноним 21/11/17 Втр 11:32:37  303452
>>303342
В менторе емнип есть встроенный редактор FPGA, там можно накодить/нарисовать в символах логическую схему и откомпилить её в символ, который потом можно будет таскать по проекту.
>>303332
>а мои сосиски их теперь не дожимают
Используй ТОЛКАТЕЛИ, Люк.
Аноним 21/11/17 Втр 14:40:50  303462
0332d07a4137.jpg (113Кб, 1000x750)
>>302040 (OP)
Что за "лабиринты" из дорожек на плате?
Аноним 21/11/17 Втр 14:41:59  303463
>>303462
Bylernbdyjcnm/
Аноним 21/11/17 Втр 14:51:21  303465
>>303462
>Что за "лабиринты" из дорожек на плате?

Индуктивности для дециметровых контуров
Аноним 21/11/17 Втр 15:25:55  303466
>>303462
Крафтовые дроссели
Аноним 21/11/17 Втр 16:25:20  303473
3149P1344567258[...].jpg (10Кб, 455x355)
>>303449
Он у тебя на переменное напряжение изготовлен. С трансформатора вывод без диодного моста, судя по фотографии.
У вторичной обмотки низкое сопротивление, поэтому короткое и показывает.
Вот с первичной обмоткой непонятно, она должна показывать некоторое сопротивление, а не бесконечность. Чаще всего в таких трансформаторах прогорает защитный термопредохранитель, если не механически отрываются тонкие провода от обмоток, когда уронили или сильно потрясли.
При должной сноровке просто закорачивают между собой выводы термопредохранителя. Он прижат к первичной обмотке либо частью обмотан ей, тогда выводы будут торчать немного наружу. Он под синей лентой у тебя на фото. Выглядит примерно как на прилагаемом фото. Включен в цепь первички. Аккуратнее, эмалированный провод первичной обмотки очень тонкий, не оторви.
Аноним 21/11/17 Втр 16:28:47  303474
>>303451
Тут так сделано переключателем обмоток трансформатора. Под нагрузкой напряжение может чуть проседать. Исправен.
Аноним 21/11/17 Втр 16:46:26  303475
>>303474
Н-ноо ведь... пара вольт..
Ах да, вспомнил! При включении устройства в сеть мигает диод питания. Вначале горит ровно, потом начинает моргать с разной периодичностью. Если подключить к нему, скажем, куллер с подсветкой- тот крутится стабильно, подсветка горит и не моргает. Если мерять выход мультиметром- показывает пропажу напряжения. Или это я криво меряю?
Аноним 21/11/17 Втр 16:52:54  303476
>>303473
Тысяча извинений, не тот снимок мультиметра прилепил. При измерении штекеров на сопротивление в положении 20к показывает 0,25.
Ок, значит надо раскурочить эту пластиковую фиговину перед синей ленкой и аккуратно разобрать изоляцию и далее спаять промежуток каким-нибудь куском медного провода. Так?
Аноним 21/11/17 Втр 16:59:32  303478
>>303386
По делу есть что сказать? В 2 часа ночи не очень хорошо соображается
Аноним 21/11/17 Втр 17:08:05  303479
>>303452
Mentor Graphics Xpedition Enterprise
Оно?
Аноним 21/11/17 Втр 17:22:45  303481
Сап радианы, есть у кого схемы на болгарские лабораторные БП серии ТЕС? Интересуют 88 (30В 2.5А), 13 (50В 4А), 41 (15В 10А) и 42 (30В 5А)
Аноним 21/11/17 Втр 17:23:43  303482
>>303475
Светодиод в этом БП - индикатор включения. Возможно, плохой контакт при измерении щупами. Но если при шевелении индикатор гаснет, кулер останавливается, а мультиметр не показывает напряжение, то скорее всего где-то происходит обрыв от силовой розетки до выпрямителя со светодиодом на плате. При закорачивании выводов блока питания, предполагаю, светодиод также будет гаснуть.
>>303476
Если обе обмотки прозваниваются, первичная с большим сопротивлением, чем вторичная, то блок питания в порядке. Только, повторюсь, у него вывод вторичной обмотки не выпрямлен, а идёт сразу на провод. Устройства/потребители постоянного напряжения могут не работать. Посмотри маркировку внимательнее, на обозначении 9V 800mA стоит значок «~»?
Аноним 21/11/17 Втр 17:33:16  303483
TJZTFJ8SHvE.jpg (55Кб, 604x604)
Радвач, я потерял ссылку на алиэкспресс на хорошую бумагу для ЛУТ. Синенькая такая. Напомни, а?
Аноним 21/11/17 Втр 17:40:42  303484
из генератора синуса выходит от 0.2в до 1в, к примеру. зависит от частоты.
немогу найти схему автоматической регулировки усиления.
на вход 0.2-1в, на выходе 1в.
никто не встречал?
цифровое не нужно.
Аноним 21/11/17 Втр 17:44:13  303485
>>303484
не обязательно 1в, нужно что бы постоянное значение было на выходе.
частоты 200 герц-20 кгерц.
Аноним 21/11/17 Втр 17:46:01  303486
>>303416
Боковое усилие на шток ломает что-то в контактах?
Аноним 21/11/17 Втр 17:46:52  303487
>>302227
маленький концевик (тампер). Почта упадет - цепь замкнется.
Аноним 21/11/17 Втр 18:28:10  303489
>>303482
9вольтовый адаптер подписан как АС-АС, т.е. переменный? В общем, как поступать? Устранять пластиковую перегородку перед синей лентой и аккуратно ее вскрывать до предохранителя и далее паять? Или вскрывать и мерять что-то еще?

Касательно универсального блока. Включаю в сеть- диод горит постоянно, ровно. Секунд через 10-15 начинает моргать или тухнуть. При этом тестер напряжение показывает стабильно, без проседаний/прерываний(т.е. где-то при измерении ступил). Но как и говорил на пару вольт больше. Т.е. при положении 6 показано 8. Т.е. что-то не так с диодом? Какой-то закономерности в его моргании не наблюдаю.
Аноним 21/11/17 Втр 18:53:28  303492
>>303489
> АС-АС
Да, он с выходом переменного напряжения. Мультиметром в режиме измерения переменного напряжения V~ с галетным переключателем выставленным на предел до 20 измерь выход с него. Если отображает от 7 до 12 вольт, то он рабочий и ничего там замыкать не нужно. Просто твои устройства не заработают от переменного тока пока его не выпрямишь диодом/диодным мостом.
На второй вопрос с превышением напряжения — это нормально для такого БП. По морганию светодиода без закономерности не знаю, не подскажу.
P.S.
Мод обезумел. Он банит меня за эти посты.
> Постинг запрещён. Бан: 837630. Причина: [P] Общее 8 - Автопостинг, использование прокси, VPN, TOR.
> Постинг запрещён. Бан: 837639. Причина: [P] Общее 8 - Автопостинг, использование прокси, VPN, TOR.
Аноним 21/11/17 Втр 19:02:17  303494
>>303492
Благодарю, братюнь. Таки да, рабочий. Вот я молодец, что не прочел АС-АС и не выставил в нужное положение прибор.
Ладно, раз блок рабочий, то значит в этой хреновине >>302964 стало быть, погиб стабилизатор напряжения а за ним и конденсатор. И по идее, это единственные элементы, которые там стоит заменить?
Аноним 21/11/17 Втр 19:10:11  303495
У меня дома старый радио-приемник стоит.Такая китайская пластмассовая хуевина, купленая на рынке лет 10 назад. Для работы требует батареек. Захотелось мне его подключить, что-то зачесалась ностальгия по настоящему радио. Так вот, он включается, шипит, но станции не ловит. От слова вообще, голосов или чего еще даже сквозь шум не слышно. У приемника конечно же есть антенна. Она слегка надломлена у вершины. Сколько там сантиметров не хватает я не знаю, но судя по конусообразной форме антенны(она складная "вовнутрь" по принципу телескопа), не хватает где-то сантиметр-два, не больше. Я совершенно не разбираюсь в том, как это все работает(антенна в том числе), но на моей памяти, давно этот приемник ловил станции даже с этой надломленной антенной. В чем может быть причина того, что приемник не ловит станции? Можно ли его как-то "починить", если в арсенале нихуя и кривые руки?
Аноним 21/11/17 Втр 23:02:01  303508
myphoto-9.jpg (226Кб, 1280x960)
Приобрёл необгораемое жало для паяльной станции, то есть вовсе необлуженное. Специальное для SMD выводов 0.5мм. Понял это только после того как начал им паять. Это ужас! Магазин обратно не примет. Как правильно им пользоваться?
Аноним 21/11/17 Втр 23:03:50  303509
Аноны, я хочу слушать радио эфир, возможно и говорить, но важно слушать. Что лучше купить СиБи радиостанцию или usb свисток RTL?
Аноним 22/11/17 Срд 04:02:58  303522
>>303509
Я, конечно, в этом не разбираюсь. Но ты бы хоть диапазон назвал. Может ты таксистов подслушивать хочешь, а может переговоры пилотов.
Аноним 22/11/17 Срд 08:34:05  303525
>>303508
Говно какое-то, а не жало.
Аноним 22/11/17 Срд 08:51:47  303526
>>303508
>необгораемое жало
>то есть вовсе необлуженное.
Необгораемое - означает что поверхность не из меди, которая выгорает и из-за этого жало нужно переодически подтачивать напильником. Это вовсе не означает что оно не должно лудиться, наоборот должно (обычно).
Для пайки микросхем с мелким шагом выводов тонкое и узкое жало использовать весьма неудобно, лучше что-то пошире. Также оно какое-то тонкое на вид, а значит плохая теплопроводность. Для пайки qfp неплохо подходит усеченный конус, с кончиком шириной 2 мм. Но по моему если ты не можешь припаять микросхему с таким шагом выводов ЭПСН-ом, то какое-то особое жало мало чем тебе поможет.
Аноним 22/11/17 Срд 09:10:54  303527
>>303522
Диапазон? Чем более живой, тем лучше. Людей хочу слушать, номерные радиостанции. Хоцца как можно более широко диапазон вокруг себя просканировать.
Аноним 22/11/17 Срд 10:29:10  303532
ЭМП-200.jpg (105Кб, 933x700)
>>303526
>эпсн
советую такой
Аноним 22/11/17 Срд 10:40:58  303537
>>303532
Охуенный. Когда хотел купить такой 200 ваттный на 220 вольт, чтобы запилить из него тигель - не было нигде.
А сейчас что-то уже не хочется.
Аноним 22/11/17 Срд 11:31:58  303539
>>303532
Слава Украине!
Аноним 22/11/17 Срд 11:42:47  303540
>>303532
Крышка похожа на бдсм-лопатку для битья по жопе. Ох уж этот сумрачный советский гений...
Аноним 22/11/17 Срд 11:44:25  303541
>>303540
Да тут как бы весь набор такой-то ретро-бдсм-фетиш...
Вадир 22/11/17 Срд 12:45:14  303543
20171121123536.jpg (1422Кб, 3264x1836)
Сап радач помогите ньюфагу оживить это го.но. мнение нуба - вылетели хребаные ключи. За обосрамс заранее сорянч.
Аноним 22/11/17 Срд 12:56:32  303544
Хз куда писать. Есть стационарный сварочный пост в количестве 10 штук, стоят в цеху. И есть освещение, вентиляция и пожарка. Вопрос в чем - посты можно делать общим контуром заземления с другим оборудованием, или необходимо делать отдельный контур?
Аноним 22/11/17 Срд 12:57:49  303545
>>303532
Как там устроен тэн? Никогда не видел, чтобы его ремонтировали.
Аноним 22/11/17 Срд 13:00:04  303546
>>303544
Делай по ПУЭ или как разрешит главинж
Аноним 22/11/17 Срд 13:01:59  303547
>>303546
В ПУЭ тишина по контурам. Все что есть:
7.6.25. В электросварочных установках кроме заземления (зануления) корпусов и других металлических нетоковедущих частей оборудования (согласно требованиям гл. 1.7), как правило, должно быть предусмотрено заземление одного из зажимов (выводов) вторичной цепи источников сварочного тока: сварочных трансформаторов, статических преобразователей и тех двигатель-генераторных преобразователей, у которых обмотки возбуждения генераторов присоединяются к электрической сети без разделительных трансформаторов (см. также 7.6.27).
В электросварочных установках, в которых дуга горит между электродом и электропроводящим изделием, следует заземлять (занулять) зажим вторичной цепи источника сварочного тока, соединяемый проводником (обратным проводом) с изделием.
7.6.26. Сварочное электрооборудование для присоединения заземляющего (зануляющего) проводника должно иметь болт (винт, шпильку) и вокруг него контактную площадку, расположенную в доступном месте, с надписью «Земля» (или с условным знаком заземления по ГОСТ 21130-75).
Втычные соединители проводов для включения в электрическую цепь выше 42 В переменного тока и выше 110 В постоянного тока переносных пультов управлении сварочных автоматов или полуавтоматов должны иметь заземляющие контакты.
7.6.27. Электросварочные установки, в которых по условиям электротехнологического процесса не может быть выполнено заземление (зануление) согласно 7.6.25, а также переносные и передвижные электросварочные установки, заземление (зануление) оборудования которых представляет значительные трудности, должны быть снабжены устройствами защитного отключения (см. также 1.7.42).
Аноним 22/11/17 Срд 13:43:27  303554
Сап, радач. Вопросик по ультразвуковым испарителям (которые в увлажнителях воздуха)
На али такие продаются, но иногда появляются отзывы о поломках. Что у них с надежностью? Если кто использовал, вдруг
Аноним 22/11/17 Срд 13:44:27  303555
>>303547
спроси в dom, тут по слаботочке
Аноним 22/11/17 Срд 13:53:44  303556
myphoto-11.jpg (166Кб, 1280x960)
>>303526
> наоборот должно (обычно)
Также думал. Про покрытие кончиков знаю, и все остальные жала у меня идут с ним, но только не это.
Расплавленный припой к нему не прилипает. По всякому окунал и мочил флюсами с припоем и восстановители жал, не помогло. На снимке это неочищенное от нагара после попытки залуживания было. Вот почистил губкой. Вид на рабочую поверхность.
Как правильно им пользоваться, если облудить невозможно? 60 баксов стоит, точно не подделка.
Кто знает, чем покрывают кончики таких жал, чтобы припоем смачивались и технологии покрытия. Никто с рентгенофлуоресцентным спектрометром анализ не проводил?
Аноним 22/11/17 Срд 14:18:41  303558
>>303556
>60 баксов стоит, точно не подделка
Тогда на сайте производителя почитай инструкцию к такому жалу.
Аноним 22/11/17 Срд 15:05:20  303562
>>303558
С ним портянка инструкции в ламинированном картоне была. На предпоследней странице сноска на сноску:
> for longer tip life, always keep the tips wet with solder (excluding the это жалонейм)
На сайте производителя в рисунке только указано: Not solder-plated
Аноним 22/11/17 Срд 15:08:34  303563
Объясните пожалуйста где можно найти влияние заземления на работающую электронику, как я понял нормальная аппаратура проектируется исходя исходя из наличия заземления по умолчанию, и если заземление убрать - то она работает иначе, хотелось бы понять в чём же будет заключаться разница.
Аноним 22/11/17 Срд 15:15:58  303565
XST-80HRT-0.5NW.jpg (24Кб, 420x230)
>>303562
http://www.goot.jp/en/kotesaki/xst-80hrt-0-5nw/
Аноним 22/11/17 Срд 15:19:55  303566
>>303556
Это губка термопинцета?
Аноним 22/11/17 Срд 15:23:51  303567
>>303565
Должно быть не спроста там даже на рисунке указано что оно не лужёное.
Аноним 22/11/17 Срд 15:33:23  303568
>>303566
Да. Взял только что понубствовать для станции RX-802as термопинцет XST-80G с разным жалами, этим, XST-80HRT-1C и XST-80HRT-2.
1C сразу понравилась. Но требует опыта в монтаже. У меня на элементах SMD уши припоя остаются. Когда разжимаешь пинцет олово чуть оттягивается. Двойкой бессвинцовку полупроводниковые конденсаторы стягивает с ноутбучных плат, но температура под 350. А 0.5 под самые малые взял, так оно без олова долго место пайки прогревает. Может такое только для монтажа с паяльной пастой?
>>303567
И как им правильно пользоваться?
Аноним 22/11/17 Срд 15:41:27  303570
>>303568
Хуй знает, никогда не пользовался пинцетом.
Жала от этой станции я точил, когда по нюфажеству ухрюнькивал их в нагаре по самые уши.

Но надфилем и аккуратно, сверившись с инструкцией и снимками распиленных пополам жал с толстенным покрытием поверх меди.
В инструкции вообще про наждачку указано.

Не думаю что пилить специально не лужёное жало - хорошая идея.
Аноним 22/11/17 Срд 17:35:57  303571
>>303568
>Двойкой бессвинцовку полупроводниковые конденсаторы стягивает с ноутбучных плат,
smd или выводные?
Аноним 22/11/17 Срд 19:01:52  303576
filediagrama-de[...].png (62Кб, 850x920)
nodemcuv2.jpg (156Кб, 1708x1708)
Аноны, кто знает каким транзистором можно регулировать напряжение до 20В через nodemcu (esp8266, выход на пинах до 3.3В). Попробовал через КТ818Г, не особо получилось, регулируется не весь диапазон.
Аноним 22/11/17 Срд 19:44:46  303581
PqVyqHNyhUw.jpg (874Кб, 1386x1040)
ORboblvkLto.jpg (149Кб, 1386x1040)
x2V9e74XgWk.jpg (138Кб, 1386x1040)
Помогите правильно подключить ворох проводов внутри микроволновки Daewoo KOG-86AR.
Я восстанавливал часть лакокрасочного покрытия внутри камеры разогрева, для чего пришлось разобрать все в нули и пидорить щеткой с шуманитом от многолетне налипающего говна. Естественно я отфоткал куда и что было подключено, но фотки безнадежно проебаны, и теперь я не знаю куда и что правильно подключать.
Сейчас все выглядит вот так. Я впилил разъем от БП, кнопку на переднюю панель от него же, и поставил еще один датчик температуры на магнетрон. Ну и подключил какие-то очевидные вещи, куда провода дотягивались - вентиллятор там, гриль, какие-то специфичные разъемы. А какие клеммы к каким концевикам идут - я хуй знает. Если у кого-то стоит такая же (с грилем) - будьте няшами, вскройте корпус и отфтайте мне в максимальных подробностях разными планами что и куда подключено. Ну или схему помогите найти. Я в нее не в зуб ногой ни в жопу пальцем, но может быть пойму каким-то чудом.
Аноним 22/11/17 Срд 20:09:04  303584
>>303479
Оно или нет?
Аноним 22/11/17 Срд 21:50:51  303594
>>303576
Лучше используй мосфет управляемый ШИМом, а после него фнч.
Аноним 22/11/17 Срд 22:23:54  303596
Ударит ли меня, если коснусь 48 вольт?
Аноним 22/11/17 Срд 22:26:03  303597
>>303596
Переменку почувствуешь, но не убьет.
Постоянку можно и не почувствовать.
Речь идет о сухой здоровой коже.
Аноним 22/11/17 Срд 22:47:37  303599
>>303576
Это в зависимости от требуемой выходной мощности. Для маленькой мощности я бы взял ЦАП и ОУ.
Аноним 22/11/17 Срд 23:22:04  303601
Помогайте рукожопу, посаны. Нужно удлинить провод от лампы до розетки. Провод купил, паяльник есть, паять вроде умею, но боюсь где-то обосраться. Всё таки провод в розетку, вдруг дом сожгу. Думал просто спаять и обмотать изолентой (на первое время). Всё правильно делаю?
Аноним 22/11/17 Срд 23:28:14  303602
>>303601
да
Аноним 22/11/17 Срд 23:29:59  303603
>>303602
Спс, надеюсь всё будет чики-пуки.
Аноним 22/11/17 Срд 23:35:43  303604
>>303601
Да ты охуевший, я тут блядь микроволновку не могу обратно собрать, а он два провода спаять боится. Вообще охуеть.
Аноним 22/11/17 Срд 23:44:33  303606
А у меня блок питания чот не заработал(
Аноним 23/11/17 Чтв 00:46:17  303609
>>302992
Аноним 23/11/17 Чтв 01:10:44  303611
>>303604
>>303602
Что-то не получается.
Паяю как на видео:
https://www.youtube.com/watch?v=DcdXUvZRChw
Что я делаю не так?
Аноним 23/11/17 Чтв 01:20:17  303612
>>303611
что толку чужое видео постить. свое сними тогда.
Аноним 23/11/17 Чтв 01:22:55  303613
>>303611
Сними изоляцию со спаевымаих концов, скрути их, нанеси флюс (что там у тебя, кислота, канифоль, etc?), подцепи припоя на жало и грей место спайки. Припой растечется по месту спайки когда оно достаточно прогреется. При этом, если проводник многожильный, его может достаточно много уйти (как и флюса). И изоляция провода может чутка поплавиться. А еще лучше не провода паять, а разобрать лампу, удалить старый провод и на его место напаять новый.
Аноним 23/11/17 Чтв 01:46:15  303615
>>303613
Возможно ли что я использую слишком много канифоли?
Аноним 23/11/17 Чтв 01:53:55  303617
>>303615
Не встречал такого. Сколько канифоли не нанеси - от разогрева она частью испарится, частью просто стечет, а на ее место припой ляжет.
Аноним 23/11/17 Чтв 01:56:41  303618
>>303615
А вот кстати проблемы с пайкой при хуевом жале встречал - тогда как раз припой не ложится. Если жало медное - просто зачисти от нагара - наждачкой там, или надфилем мелким. Если необгораемое - в процессе пайки, как только оно перестанет блестеть, обтирай об влажную салфетку, сложенную в несколько слоев. Только не ту, блядь, влажную салфетку, которая упаковками продается, а обычную бумажную (можно об сортирку), хорошо смоченную водой.
Аноним 23/11/17 Чтв 02:19:30  303619
>>303618
Дешёвая альтернатива, ватный диск для косметики. Смачивать водой обязательно.
Аноним 23/11/17 Чтв 08:04:19  303623
>>303619
А от перепада температуры хромирование от сердцевины не оторвёт?
Аноним 23/11/17 Чтв 08:18:52  303625
>>303623
Нет

А ещё лучше возьми типа губку для чистки жала паяльника

Если жало совсем убил - выключи паяльник и пройдись чем-нибудь вроде мелкой шкурки или пошкрябай чем-нибудь, нужно убрать окислы и сделать жало блестящим, ну и после залудить.
Аноним 23/11/17 Чтв 08:49:47  303627
Есть в электротехнике/радиотехнике понятие "остаточные напряжения" или это из сопромата термин ?
Аноним 23/11/17 Чтв 09:18:25  303628
Принципиальная-[...].jpg (121Кб, 500x313)
mehpan.jpg (85Кб, 600x325)
>>303581
Все микроволновки одинаковы, хуль ты полез если не понимаешь как построить примитивную цепь лампочка-кнопка? Микроволновка не многим сложнее.
Аноним 23/11/17 Чтв 09:29:06  303630
>>303627
Нет. Это ближе к сопромату, разным технологиям и материалам.
Аноним 23/11/17 Чтв 10:52:40  303635
>>303627
Есть остаточное напряжение на конденсаторах.
Аноним 23/11/17 Чтв 10:59:04  303636
Репорчу с очередным взрывом конденсатора >>302964

Заменил линейный стабилизатор на новый, впаял новый конденсатор, включил в блок питания что 9 вольт АС-АС. Прошло несколько секунд- и конденсатор взорвался.
У меня уже опускаются руки. Что это может быть? Как диагностировать?
Аноним 23/11/17 Чтв 11:03:57  303637
>>303636
>AC-AC
>конденсатор
ты какой-то неумный
Аноним 23/11/17 Чтв 11:09:30  303638
>>303637
До этого заранее признался, что нуб полный. Поясни.
Хм... Т.е. там должен быть блок питания АС-ДС?
Аноним 23/11/17 Чтв 11:11:12  303640
>>303638
Хуй знает, мне лень читать всю ветку. На электролитические конденсаторы (черные цилиндры) ни в коем случае нельзя подавать отрицательное (переменное) напряжение.
Аноним 23/11/17 Чтв 11:15:10  303641
>>303640
Изначально звучало так:
Здравствуй, радиопаяч. Пожалуйста, помоги разобраться.
Есть вга-сплиттер gvs-124, который не работает. Любопытства ради разобрал, увидел вздутый конденсатор (10 вольт, 470 микрофарад). Заменил, включил- услышал шипение и хлопок. Вздулся он. Обратил внимание на то, что блок питания, которым подключали устройство- 9 вольт, при надписи на входе девайса 7. Ок, перепаял, взял блок питания на 7,5 вольт, подключил- кина не произошло, но конденсатор снова вздуло. На плате установлен линейный стабилизатор L7805CV.
Вопрос: мог ли блок питания на 9 вольт этот стабилизатор похерить и таким образом продолжать надувать вышеуказанный конденсатор?

На входной ноге стабилизатора напряжение есть, на выходной- нет. Заменил на новый, включил в блок питания (который вроде как шел в комплекте)- конденсатор на 10в 470мкФ жахнул.
Вот и непонятно, почему так. Как диагностировать причину- хз.
Аноним 23/11/17 Чтв 11:18:09  303642
>>303641
Очевидно без схемы не понять.
Если ты говоришь, что на выходе нет напряжения, значит единственное, из-за чего мог взорваться конденсатор - неправильная полярность. Может ты припаял не так?
Аноним 23/11/17 Чтв 11:18:16  303643
>>303641
Там нужен ac-dc бп, а не ac-ac, да?
Аноним 23/11/17 Чтв 11:21:40  303644
>>303636
>9 вольт АС-АС
DC only. Меняй всё по новой и молись ЛММ, чтоб больше ничего не оказалось сгоревшим.
Аноним 23/11/17 Чтв 11:25:36  303645
>>303643
Хм... может быть. На сайте производителя говорится 9 VDC 500 mA. Пожалуй, да. Увы, мопед не мой, за невнимательность каюсь.
>>303642
Полоской на конденсатора к месту с маркировкой полосы. "Чистой" стороной в паз, где нарисован плюс.
>>303644
Т.е. и новый конденсатор и новый стабилизатор? Ок. Их есть у меня. А что тогда насчет напряжения? Подавать 9 вольт? Просто на коробке девайса на входе написано 7, на сайте производителя блок в комплекте 9. А стабилизатор вроде как не капризничает в промежутке от 5 до 24. Но все же туда подавать 9?

Благодарю за внимание.
Аноним 23/11/17 Чтв 11:37:08  303646
>>303645
Ах да, погуглив еще, гугл картинки показывают, что павер адаптер там 7 вольт. Хотя в спецификации комплекта Power adapter: 9 VDC 500 mA . В пдф-мануале говориться тоже, что 9 вольт 500 мА.
В общем, запутался.
Аноним 23/11/17 Чтв 11:40:23  303647
>>303645

L7805CV может принимать на вход до 30 В (но не стоит злоупотреблять этой возможностью, вот тебе простое правило: на вход стабилизатора серии 78xx стоит подавать (xx+2.5)В). Можешь использовать 12В блок постоянного напряжения, только посмотри, чтоб электролиты до страбилизатора были на большее напряжение, чем ты подашь.
Аноним 23/11/17 Чтв 11:45:45  303648
>>303647
>электролиты
Подразумевается электролитический конденсатор? Если он, то значит ли, что напряжение не должно превышать 10 вольт?(согласно его маркировке)
Аноним 23/11/17 Чтв 11:57:44  303649
>>303648
Напряжение, указанное на электролите должно быть больше того, что будет в цепи. Если хочешь питать от 7В, то 10 В электролит -- норм. Если от 9 или 12, лучше поставь электролит на 16В. Конденсатор, рассчитанный на определённое напряжение можно без проблем использовать в цепях с меньшим напряжением. А вот ёмкости обычно стоит соблюдать, если нет возможности поставить электролит нужной ёмкости -- бери ближайший в большую сторону.
Аноним 23/11/17 Чтв 12:09:15  303650
>>303649
Прости нуба, но я запутался. Под электролитом подразумевается электролитический конденсатор или какая иная деталь?
И значит, мне следует подавать напряжение порядка 7 вольт. Потому как я замерял- входное напряжение было 10 с копейками вольт (переменного ) и он весело рвался. Как-то в прошлом опыте по незнанию выходного вольтажа блока подал 12- и конденсатор не взорвался, а просто вздулся.

Значит, порядок, теоретически, должен выглядеть так: заменить стабилизатор и конденсатор и подать напряжение 6-7 вольт. Как-то так?
Аноним 23/11/17 Чтв 12:17:36  303651
>>303650
Электролитический конденсатор -> электролит.

Тебе стоит заменить стабилизатор и сгоревший электролит. Если напряжение, указанное на корпусе электролита >=16 В, то можешь использовать блок на 9-12 В постоянного напряжения (DC, VDC -- direct current). Если электролит на 10В, то на вход подавай 7В постоянного тока.
Аноним 23/11/17 Чтв 12:23:22  303652
>>303651
Благодарю за ликбез, братюнь. Пойду паять. Удачи мне и все такое.
Аноним 23/11/17 Чтв 13:20:50  303656
Благодарю всех помошников и наставников- сплиттер починен. Подал напряжение 6,5 вольт- завелось, все в порядке. Значит, на будущее, если будет блок на 9- то нужна замена конденсатора на номинал в 16 вольт. Ок.
Теперь вопрос: безопасно ли заводить это с напряжения в 5,5 вольт?
Аноним 23/11/17 Чтв 13:34:15  303658
>>303656
вот тебе простое правило: на вход стабилизатора серии 78xx стоит подавать (xx+2.5)В
Аноним 23/11/17 Чтв 13:41:38  303659
>>303658
Спасибо, учту, конечно. Но что-то не очень догнал. Если он 7805, то подавать 3В? или 7.5?
И да, в текущей ситуации следует купить новый БП. Т.е. заказывать таки 7 вольтовый АС-ДС?
Аноним 23/11/17 Чтв 13:46:16  303660
>>303635
Что-то яндекс кроме определения ничего о нём не знает. Оно может способствовать перегоранию лампы ? Полагаю, что только если включать и тут же выключать, щёлкать кароче выключателем, иначе оно быстренько рассосётся.
Аноним 23/11/17 Чтв 13:55:11  303661
>>303659
апд. Нагуглил такой вариант, блок питания для роутера. Данные характеристики подойдут?
Блок питания 7.5B; 1А; раз. 2.1х5.5мм
Модель SYS1381-0808-W2E
Производство SUNNY Comp. Tech.
Вых. напряжение 7.5 В
Мощность 8 Вт
Вых. сила тока 1 А
Вх. напряжение 90 - 264 В
Выходной разъём 2.1 х 5.5 мм
Аноним 23/11/17 Чтв 14:02:38  303663
>>303659

Открываешь даташит,смотришь в таблицы. Видишь:

> VI Input voltage
> MIN MAX
> μA7805C 7 25
> μA7808C 10.5 25
> μA7810C 12.5 28
> μA7812C 14.5 30
> μA7815C 17.5 30
> μA7824C 27 38

что твоему 7805 нужно минимум 7 вольт и не более 25.
Аноним 23/11/17 Чтв 14:04:38  303664
>>303663

Ну и соответственно, чем больше вольт тем большее падение напряжения при том же токе ему будет нужно перерабатывать в тепло и тем лучше его нужно охлаждать.
Аноним 23/11/17 Чтв 14:11:56  303665
>>303659
78xx -> xx + 3
7805 -> 5 + 3 = 8 V
7809 -> 9 + 3 = 12 V
7812 -> 12 + 3 = 15 V
Аноним 23/11/17 Чтв 14:12:46  303666
>>303663 >>303665
Гранд мерси. Т.е. 7.5В будет ок. А при учете конденсатора в 10В, значит, 9 В- на свой страх и риск либо менять конденсатор на 16В?
Аноним 23/11/17 Чтв 14:14:54  303667
>>303584
Ладно, скачаю это, буду надеяться, что оно.
Аноним 23/11/17 Чтв 14:25:00  303668
>>303666
Если есть, лучше смени
Аноним 23/11/17 Чтв 14:44:00  303671
>>303666
9в бп и 16в электролит
Аноним 23/11/17 Чтв 14:59:44  303673
>>303671
>>303668
Благодарю.
Аноним 23/11/17 Чтв 16:09:02  303676
>>303462
Катушки это, а плата эта, УМ от РС "Маяк"
Аноним 23/11/17 Чтв 17:16:23  303681
>>303676
>Катушки
Аноним 23/11/17 Чтв 18:09:23  303687
1355431187910.jpg (83Кб, 664x1024)
>>303681
Бобины.
Аноним 23/11/17 Чтв 18:26:13  303689
>>303628
какой нахуй "в/ч трансформатор" в микроволновке?
Аноним 23/11/17 Чтв 18:34:07  303690
Диод Зенера и стабилитрон это одно и тоже? Если нет, то как их отличить на схеме/внешне?
Аноним 23/11/17 Чтв 18:43:32  303692
>>303689
Там жы HV написано. Хай Вольтаж!!
Аноним 23/11/17 Чтв 18:56:49  303693
15114179060630.jpg (84Кб, 500x313)
>>303692
ёбыч? написано в/ч
Аноним 23/11/17 Чтв 18:59:42  303694
>>303693
Ну очевидно же что ни все могут в перевод
Аноним 23/11/17 Чтв 19:06:12  303696
У меня есть набор запаралелленных конденсаторов общей ёмкостью 10 000 микрофарад и напряжением 450В. Я запитываю их от сети 220 через диод и получаю 320в 10000мФ которые хочу подать на соленоид чтобы он пулялся металлическим мусором. Два вопроса: как мне рассчитать кол-во витков, сечение обмотки, кол-во слоёв и длину катушки для максимально эффективного использования ранее указанного заряда и как мне управлять таким зарядом? Тиристор, полевик? Потому как мне объяснили что замыкать такую цепь кнопкой не самая лучшая идея.
Аноним 23/11/17 Чтв 19:31:33  303699
>>303696
Что за кондёры? ESR сборки мерял? Узнай сколько тока они смогут отдать без вреда себе и делай соответствующий соленоид.
> Тиристор, полевик?
Мосфет или IGBT (в зависимости от тока). У тиристоров там своя атмосфера: тебе придётся ждать пока конденсаторы разрядятся почти до нуля, чтобы тиристор отключился.
Аноним 23/11/17 Чтв 20:50:29  303703
>>303699
>Узнай сколько тока они смогут отдать без вреда себе и делай соответствующий соленоид.
Здесь ошибка.
Нужно брать максимальный ток, который могут выдержать коммутирующие элементы. А конденсаторы дело десятое, тем более что их еср меньше в то количество раз, сколько всего конденсаторов.
Аноним 23/11/17 Чтв 20:51:05  303704
>>303699
>Мосфет
Здесь вторая ошибка. Мосфет ни в коем случае нельзя брать.
Аноним 23/11/17 Чтв 20:53:03  303705
>>303704
Чому?
Есть вообще эталонная пулялка среднего уровня, на которую стоит ровняться?
другой
Аноним 23/11/17 Чтв 20:54:29  303706
>>303705
>Чому?
Тому шо линейная ВАХ с последующим распидорашиванием на запредельных токах.
Аноним 23/11/17 Чтв 20:56:41  303707
>>303703
> Нужно брать максимальный ток, который могут выдержать коммутирующие элементы.
Ты дурак? У него коммутирующих элементов нету. Если он хочет выжать максимум из своей сборки то опираться нужно именно на кондёры.
>>303704
> Здесь вторая ошибка.
Точно дурак. На относительно маленьких токах мосфет может давать меньшее падение напряжения (а значит и потери), чем биполярник (или igbt), так что всё зависит от того какой ток через него пускать.
Аноним 23/11/17 Чтв 20:56:42  303708
>>303705
>Есть вообще эталонная пулялка среднего уровня, на которую стоит ровняться?
Эталонная - хуйня на тиристоре. Емкость капов и индуктивность катушки рассчитываются таким образом, чтобы полупериод свободных колебаний примерно был равен времени пролета пули.
Аноним 23/11/17 Чтв 20:57:53  303709
>>303707
>У него коммутирующих элементов нету.
шизик, уебывай
Аноним 23/11/17 Чтв 20:59:21  303710
>>303709
А зачем он тогда спрашивать что использовать для коммутации?

Алсо тиристоры плохи ещё тем, что у них есть ограничение di/dt, а значит при слишком быстром увеличении тока они могут выйти из строя.
Аноним 23/11/17 Чтв 21:00:30  303711
>>303710
дурень, di/dt ограничено индуктивностью катушки.
Аноним 23/11/17 Чтв 21:01:27  303713
>>303711
Катушки у него тоже нет как бы. Он может сделать любую. И даже более того, спрашивает какую лучше всего сделать, чтобы выжать максимум из его конденсаторной сборки.
Аноним 23/11/17 Чтв 21:01:42  303714
Пытаюсь отремонтировать монитор, битранзистор apm4546 пробит по p переходу, можно по верху обычный транзистор припоять? Подрезав старые.
Аноним 23/11/17 Чтв 21:52:29  303715
>>303628
>хуль ты полез
Понадобилось и полез, епты бля. Не выкидывать же рабочую вещь, если у нее всего лишь краска облупилась. А оставлять голый металл - это заиметь коррозию и прогнившее насквозь днище (и верхнюю плоскость) в итоге.
>не понимаешь как построить примитивную цепь лампочка-кнопка
С лампочкой-кнопкой проблем нет, а вот экстраполировать лампочку-кнопку в цепь с десятком контактов, половина из которых последовательна, а половина параллельна цепи - не получается. Пока, по крайней мере.
Спасибо за пикчи, я попробую разобраться.
Аноним 23/11/17 Чтв 22:21:25  303717
Антон, выключили тут свет на днях, на пару часов, но все равно заставило задуматься. Что не так с ручными usb генераторами? На али есть парочка, но и выглядят так себе и отзывы опять же.
Почему не производят человеческих? Есть какие-то проблемы?
Аноним 23/11/17 Чтв 22:45:42  303720
>>303717
>Почему не производят человеческих
У меня ПЗУ-5М на антресолях лежит, когда-нибудь впилю туда буферный АКБ и пару USB-портов с сопутствующими потрохами.
https://www.youtube.com/watch?v=fKGmauw7s4U
Есть еще современные аналоги, но на сайте производителя нихуя о стоимости не написано (и название забыл).
SunShine DynamoJet еще хвалят.
Аноним 23/11/17 Чтв 22:54:07  303722
>>303720
> SunShine DynamoJet еще хвалят.
Она же - вот она, походу.
https://www.youtube.com/watch?v=TfigbKLo29w
https://www.youtube.com/watch?v=YhbkdLtxX3c
Аноним 23/11/17 Чтв 23:42:55  303725
IMG201711141757[...].jpg (172Кб, 1397x1000)
>>303715
Кек. Экстраполяция во все поля.
Та же лампочка, только теперь их две. Та же кнопка только теперь их две. Затем защиты от пиздеца.
Два размыкателя для полного обесточивания всей цепи когда тебе приспичит открыть дверцу и взрыватель предохранителя/реле безопасности на случай если размыкатель залипнет, ведь очень важно чтобы всё было обесточено при открытой дверце.

Это то что можно наблюдать когда волновка работает как положено. Схема не нужна.

Единственное что требует внимания это трёхконтактная кнопка. Подключишь неправильно - выбьет предохранитель, но схема тебе с ней не поможет, её просто нужно прозвонить и подключить соответственно.
Аноним 24/11/17 Птн 00:12:39  303726
Нужен ли мне радиатор для симисторов BTA41 (41 ампер) если я планирую через них включать лампочки 60 ватт?
Аноним 24/11/17 Птн 00:23:07  303727
>>303725
> Подключишь неправильно - выбьет предохранитель, но схема тебе с ней не поможет, её просто нужно прозвонить и подключить соответственно.
Тут, я думаю, можно куда как проще поступить - извлечь предохранитель, тем самым разорвав цепь, и звонить пару контактов, в которых он сидел. Уж тут-то наебаться будет куда сложнее.
Аноним 24/11/17 Птн 00:26:53  303728
jazz.jpg (32Кб, 333x308)
Лайфхак для тех, кто стесняется сходить уже не успевает сегодня на радиорынок: платы можно травить лимонной кислотой и перекисью водорода из аптеки.
Аноним 24/11/17 Птн 00:27:06  303729
>>303727
Хотя не. Походу я хуйню какую-то сморозил. А ты гришь - "кек".
Аноним 24/11/17 Птн 00:32:38  303730
>>303728
Но очень долго?
Аноним 24/11/17 Птн 00:40:44  303731
>>303730
Да нет, вполне себе быстро, если в горячей-теплой воде(плеснуть из чайника). Алсо, не воняет. Минусы - выходит слегка дороже.
Аноним 24/11/17 Птн 00:46:50  303732
изображение.png (34Кб, 1404x592)
>>303730
Аноним 24/11/17 Птн 07:24:13  303751
IMG201711141744[...].jpg (32Кб, 480x621)
Ай нид хелп! На AT91 загрузил в спи флеш кривую прошивку, и к МК при включении питания нельзя jtag подключить, и атмеловский сам-ба монитор не откликается, будто кривая прошивка забросила что-то. Как мне сбросить мк, чтобы он стал управляемым?
Аноним 24/11/17 Птн 07:40:26  303753
>>303751

не знаю как в AT91 но в нормальных контролерах типа STM32 если reset прижать к земле то jtag/swd всегда доступен
Аноним 24/11/17 Птн 08:17:38  303754
>>303753
Большое спасибо, я не знал базовых вещей, и даташиты в этой очобе не читал. Подключился, сбросил, все норм
Аноним 24/11/17 Птн 11:12:17  303772
>>303599
Не вариант, нужно до 5 ампер пропускать через транзистор.
>>303594
Вот это уже интереснее, но причем тут фнч?
Аноним 24/11/17 Птн 11:27:14  303774
>>303772
> Вот это уже интереснее, но причем тут фнч?
С такими токами только управляемый buck-converter ставить. Можно сделать его самому из катушки индуктивности, пары кондеров и транзистора с диодом (либо двух транзисторов, но так уже сложнее). Но без обратной связи напряжение может плавать в зависимости от тока из-за падения напряжения на мосфетах и катушке.
Аноним 24/11/17 Птн 13:06:55  303780
2017-11-24-1159[...].png (18Кб, 916x286)
2017-11-24-1159[...].png (26Кб, 819x585)
что не так с определителем амплитуды? почему черезмерно заряжается и резко падает?
если увеличить сопротивление или емкость, то скачек не исчезает, наступает позже.
Аноним 24/11/17 Птн 13:19:38  303783
>>303780
кажись все ок. нужно было увеличить колличество точек в Transient simulationт.
Аноним 24/11/17 Птн 15:50:22  303798
Вечер в дом радиач.
Есть колонки(друг Коля сказал, что норм) Вега 50ас-106.
Помоги подобрать усилитель с адишечки, чтобы это вмё к комплюктеру подключить. С меня как обычно.
Аноним 24/11/17 Птн 15:51:39  303799
>>303798
Я даже примерно не представляю. Естественно нужно решение для нищука.
Аноним 24/11/17 Птн 16:46:45  303804
>>303486
Мембрану при этом может сильно продавить в центре и деформировать. После этого она перестает нормально щелкать.
Аноним 24/11/17 Птн 16:47:56  303805
>>303494
Может нет, может да. Но судя по фото она на ширпотребных микросхемах сделана, и починить ее легко.
Аноним 24/11/17 Птн 16:49:43  303807
>>303495
Побей в бубен, подуй в вувузелу - может прибежит Ванга и расскажет нам больше про твой приемник. Например на каком именно рынке он был куплен и сколько стоил.
Аноним 24/11/17 Птн 16:51:41  303808
>>303543
К ванге.
Аноним 24/11/17 Птн 16:55:12  303809
>>303547
По логике - заземляются на общий контур. Не вижу принципиальной разницы сварочной установки и любого другого мощного электрооборудования.
Основной хинт - шину заземления нельзя использовать для протекания сварочного тока, все.
Аноним 24/11/17 Птн 16:58:23  303810
>>303565
Скорей всего это чисто демонтажное жало. Поэтому оно и не покрыто припоем и не предназначено для пайки.
Аноним 24/11/17 Птн 17:01:35  303811
>>303606
Ванге похуй на тебя.
Аноним 24/11/17 Птн 17:08:00  303812
>>303646
Да не критично это, дебила кусок, после него все равно 5В стабилизатор стоит.
Блять, три раза на грабли наступить и не включить думалку - это надо альтернативно одаренным быть. Любой другой давно бы погуглил маркировки источников и уяснил, что за AC, что за DC и какая бывает полярность на штеккере.
Аноним 24/11/17 Птн 17:24:47  303814
>>303798
>Помоги подобрать усилитель с адишечки, чтобы это вмё к комплюктеру подключить. С меня как обычно.
Любой д-класс 2*100 ватт
Аноним 24/11/17 Птн 18:14:05  303825
>>303714
Можно.
Аноним 24/11/17 Птн 18:43:03  303829
>>303807
Глупенький, там же все написано о чем ты спрашиваешь.
Аноним 24/11/17 Птн 19:28:20  303830
CyrusOne.jpg (10Кб, 600x330)
>>303814
Такой пойдет?
http://www.cyrusaudio.com/products/one-series/cyrus-one
Аноним 24/11/17 Птн 20:30:24  303843
Аноны, какова дальность связи у СиБи раций? Могу ли я что то годное услышать?
Аноним 24/11/17 Птн 20:31:29  303844
эта тема
с обсераниями и прочими унижениями мачи
будет ближе к зиме...

нетот кто ярок в мысле прав и господь
мне удеительней послушать про былое
Аноним 24/11/17 Птн 20:35:48  303845
>>303844
У тебя два персональных треда было. Может они ещё не утонули? Найди и пости в них свои разработки.
Аноним 24/11/17 Птн 23:05:36  303855
005921.jpg (215Кб, 1100x1100)
Ext-2700-418.jpg (28Кб, 600x501)
Хочу вкатиться в протеус. Мне нужны пикрелейтеды.
Как их искать? Я там не вижу в превьюшке 3д вид компонента.
Аноним 24/11/17 Птн 23:09:43  303856
image.png (25Кб, 259x728)
Сап, ра. Как поменять слой smd в diptrace?
Аноним 24/11/17 Птн 23:22:07  303857
>>303856
А, все, нашел
Аноним 24/11/17 Птн 23:25:09  303859
>>303855
А к чёрту. Пойду попробую EasyEDA.
Аноним 25/11/17 Суб 00:14:02  303861
photo2017-11-24[...].jpg (204Кб, 960x1280)
Посоветуйте как понизить шум и шуршание на микрофоне IP-камеры?
Аноним 25/11/17 Суб 04:45:09  303866
>>303861
Попробуй проложить проводки микрофона в стороне от других.

Протяни кусок медного экрана по проводкам к микрофону, но чтобы он не касался микрофона и один конец подпаяй к земле.
Аноним 25/11/17 Суб 06:58:13  303867
>>303866
>>303861
Вы совсем дауны-аутисты что ли?
Там очевидно усиление просто стоит космическое, дабы выжать из дубовой чувствительности копеечного мика хоть что-то, это никак не исправить.
Аноним 25/11/17 Суб 09:03:38  303869
>>303867
А купить другой микрофон поможет?
Какой?
Аноним 25/11/17 Суб 09:07:25  303870
>>303867
Самое смешное тут в том, что "китайский" софт не шумит, а в "европейский" протокол rtsp они похоже без обработки сигнал выдают и он шуршит в тишине.
Какие же китайцы дегенераты..
Аноним 25/11/17 Суб 13:28:37  303879
Хочу запустить самодельный блок питания, но боюсь, что что-нибудь может взорваться и мамка даст мне пизды.
Что делать?
Аноним 25/11/17 Суб 14:03:35  303884
>>303879
Трансформаторный? Ладно, сразу напишу.
В разрыв цепи питания ~230 твоего блока включить лампу накаливания. Либо взорвётся, но не сильно, либо загорится лампа, а значит мамка дала бы пизды(ищи ошибку, исправляй монтаж), либо всё заработает как необходимо и лампу можно исключить из цепи для работы.
Аноним 25/11/17 Суб 14:14:16  303886
>>303884
>Либо взорвётся, но не сильно
Насколько не сильно? Пока нить накала не разогреется, там ток оче большой
Аноним 25/11/17 Суб 15:17:38  303891
>>303879
Запустил, все заебись, ниче не взорвалось, напряжение как нужно. Только напряжение почему-то просаживается. На 1а просело на полвольта. Чому так? ОС же должна приподнять напряжение при просадке. Притом что сигнал беру прямо с выходного конденсатора и напряжение меряю там же.
Аноним 25/11/17 Суб 15:59:18  303893
>>303495
Бамп.
Аноним 25/11/17 Суб 16:08:34  303894
Сап, радиоанон. Не бей, лучше обоссы. Подскажи гайд как собрать электромагнитный разрядник(ударникдаже не знаю, как это называется). Ну, в общем генератор мощных разовых электромагнитных импульсов, чтобы с батареек AA или с крон на кондёрах что-то там накапливалось, а потом с кнопкой отправлялось на катушку, которую бы я усердно бы наматывал ради одного разряда.
А если схемку покажешь и всё на пальцах объяснишь мне дауну, то я вообще в жопу дам.
С меня как обычно
Аноним 25/11/17 Суб 16:11:53  303896
IMG201711251951[...].jpg (2689Кб, 2432x3286)
IMG201711251951[...].jpg (2114Кб, 2432x3286)
IMG201711251951[...].jpg (1946Кб, 2432x3286)
Помогите тупому. Поменял в фонаре Акум с 7раьчих вольт на 14 как изменить схему чтобы работала газовая лампа? Все на пике
Аноним 25/11/17 Суб 16:17:59  303897
>>303894
Шокер кетайский купи.
Такие катушки или слабые, как те что применяются для поджига импульсных ламп во вспышках или требуют заливки эпоксидкой под вакуумом.
Аноним 25/11/17 Суб 17:28:00  303899
>>303897
А можешь вообще за катушки пояснить? Какой диаметр проволоки нужен? Какая разница между аллюминиевой и медной проволокой? Сколько мотков нужно? Я ещё не могу нагуглить формулу для индуктивности. Везде какие-то хуё-мое интегралы и ёба-выражения в два этажа, которые я не асиливаю.
Аноним 25/11/17 Суб 18:33:09  303903
>>303891
Испытал защиту от КЗ. Секунд 10 проработало и взорвался предохранитель.
Защита реализована через ТТ и тл431 по первичке. ЧЯДНТ?
Аноним 25/11/17 Суб 19:33:13  303905
1.png (38Кб, 415x362)
2.png (3Кб, 263x27)
Почему при расчете выходного напряжения мы игнорируем R1?
Аноним 25/11/17 Суб 19:36:00  303906
>>303905
Наркоман што ле, сука?
Аноним 25/11/17 Суб 19:37:01  303907
>>303906
Не, я просто туплй.
Аноним 25/11/17 Суб 19:37:34  303908
>>303899
Нет, не могу. Читал некоторые материалы и обсуждения, не более.
Тут где-то был тред с высоковольтной еблей и дугоёбами, полистай и у них почитай или спроси, флайбек полистай, хуй знает.
Ты какую-то конкретную задачу хочешь решить?
Аноним 25/11/17 Суб 19:39:09  303909
>>303906
Я идиот.
Всё, сам понял. Отбой.
Аноним 25/11/17 Суб 21:42:18  303916
повербанк.PNG (82Кб, 821x598)
>>302040 (OP)
Хочу замутить повербанку такого формата, как понадежней соединить отдельные сборки? Сваркой? Или можно спаять?
Аноним 25/11/17 Суб 22:00:16  303918
>>303916 Термоусадка + термоклей
Аноним 25/11/17 Суб 22:03:02  303920
>>303918
Он имел в виде электрическое соединение. Паять их нужно очень аккуратно, поскольку можно перегреть. Сварка конечно топчик.
Аноним 25/11/17 Суб 22:10:34  303922
>>303905
На ведроид установил(купил) программу. Удобно быстро поглядеть справки и некоторые расчёты. Делитель там тоже имеется.
Аноним 25/11/17 Суб 22:11:02  303923
>>303922
ElectroDroid
Аноним 25/11/17 Суб 22:19:10  303924
>>303869
так чо делать?
этот микрофон плохой? Но ведь я не смогу модифицировать схему, мне нужен только пассивный микрофон.

какие есть хорошие?
Аноним 25/11/17 Суб 22:23:12  303925
>>303924
Я бы сперва вообще его отключил и послушал щелчки.
Аноним 26/11/17 Вск 11:47:30  303957
>>303903
бумп
Аноним 26/11/17 Вск 14:16:56  303964
Аноны. Предложили хату прямо около телебашни (200 метров). Мне чего-то ссыкотно там соглашаться на жильё. Она же хуярит радиоволны. Это вообще может на здоровье повлиять как-то?
Аноним 26/11/17 Вск 14:32:44  303966
>>303964
Норм же, можно курочку жарить на окне.
Аноним 26/11/17 Вск 14:57:05  303968
Господа, я понимаю что скорее всего платина, не сердитесь. На днях сидели у друга ели, пили, общались и вот внезапно он достал китайский баофенг и сказал: "ща ментов послушаем". И действительно, мы сидели и слушали ментов и скорую. Мне это занятие понравилось, и мне бы хотелось заиметь себе девайс, который позволит этим заняться. Что бы вы посоветовали? Тот самый баофенг всё же слабоват по дальности приёма, как я понимаю и иногда вместо голоса там были такие резки трески, он говорил что это потому что на цифре вещают (я не про помехи эфирные, не подумайте). Так вот, поэтому мне бы хотелось девайс лишённый таких огрех. Стационарный тоже подойдёт.
Аноним 26/11/17 Вск 15:23:14  303971
.jpg (10Кб, 480x480)
>>302040 (OP)
Есть перемененный резистор на 33 ком, нужно на 47 ком. Можно ли подпаять к первому обычный резистор (если да то на сколько и как) что бы получить 47 ?
Аноним 26/11/17 Вск 15:34:55  303972
>>303971
К 1 выводу припаиваешь 14к, но и пределы будут от 14к до 47к
Аноним 26/11/17 Вск 16:20:21  303975
DSC017261.jpg (196Кб, 983x552)
DSC01732.JPG (277Кб, 983x552)
DSC01728.JPG (263Кб, 983x552)
DSC017301.jpg (236Кб, 983x552)
Ананасы, подскажите, коль не трудно: Что это такое(какой-то генератор?)? И как его можно с пользой применить?
Аноним 26/11/17 Вск 16:38:07  303976
>>303975
Похоже, от него один блок питания остался. Остальное разобрали на драгметаллы.
Аноним 26/11/17 Вск 17:00:27  303979
>>303975
Коробочка напротив предохранителя это похоже OCXO.
Аноним 26/11/17 Вск 17:08:33  303980
>>303896
Вон тот желтенький трансформатор перемотать надо.
Аноним 26/11/17 Вск 17:09:49  303981
>>303903
Не призываешь Вангу.
Аноним 26/11/17 Вск 17:11:17  303982
>>303925
Этот дело говорит. Может оно там шумит и без микрофона.
Аноним 26/11/17 Вск 18:51:19  303992
цукпр.png (11Кб, 544x526)
>>303981
Призываю
Аноним 26/11/17 Вск 20:17:28  303995
image.png (137Кб, 560x465)
Не могу понять, зачем в трансформаторах отвод от середины? Как он работает? В этой схеме, например. В гугл не смог.
Аноним 26/11/17 Вск 20:25:46  303996
>>303995
Две обмотки, соединенные посредине, что не ясно?
Аноним 26/11/17 Вск 20:29:28  303997
>>303995
В симуляторе схем подцепи к выводу этого транса 2 канала осциллографа, сразу разберёшься...
Аноним 26/11/17 Вск 20:44:12  303998
>>303980
Как. как посчитать? Как мотать. может можно найти нужный и вкорячить?
Аноним 26/11/17 Вск 22:23:35  304000
Есть гитарный проц с импульсным блоком питания робитон или как-то так. Фонит, шоужас. Там есть переключатель напряжения, если я его передвину на 12 вольт, а потом конденсатор, а потом кренку на 9в, а потом конденсатор… Поможет? Как думаешь? Конденсаторы взять электролитические или пленочные?
Аноним 26/11/17 Вск 23:07:47  304003
1309027920704.jpg (3303Кб, 2816x2112)
Выручайте советом мудрым.
Использовал 6в 600мА адаптер от старого радиотелефона для опытов, внутри обычный транс + выпрямитель + конденсатор. В ходе опытов случилось кз на выходе. Транс (железо) раскалился по-моему до 150-200С, даже пластмассу снаружи было горячо трогать, внутри слегка поплавилась. Сработал термопредохранитель на стороне первички (ушел в обрыв). Транс остывал около часа, чтобы до него можно было дотронуться.
С виду обмотки норм, не потемнели. Сопротивление первички 770 ом, вторички 0.9 ом, т.е. вроде все норм.
Вопросы, термо предохранителей у меня нет, если я запаяю в первичку обычный пред на 200мА (плавкую вставку), сработает ли он в случае аналогичного кз? Или для такого транса нужно искать на меньший ток?
Алсо, на выход хочу поставить LM317 с резистором (схема ограничителя тока), чтобы в будущем избежать такой беды. Какие подводные камни?
Аноним 26/11/17 Вск 23:10:21  304004
как использовать jfet как voltage controller resistor, если сопротивление на jfet зависит от его gate cut-off свойства? и это свойство может варьироваться между транзисторами из одной упаковки.
и отличаются не мало. от -0.25 до -8.
Аноним 26/11/17 Вск 23:41:17  304006
lcd1.png (282Кб, 600x317)
lcd2.png (30Кб, 500x296)
Ребята, привет.
Мне в мой китайский Ардуино-набор положили дисплей 16х2 и к нему отдельно адаптер. В адаптер впаяны штырьки, в дисплей ничего не впаяно. Расчет был на то, что его мне придется впаивать самому или этот адаптер можно еще как-то использовать? Я просто не пойму, китайцы поленились мне их спаять или умышленно прислали дисплей с дырками без штырей.
Без спайки использовать их не получается, ибо питание есть, но информация не выводится. Видимо, не все сигналы от штырей "ловятся".
Аноним 26/11/17 Вск 23:43:50  304007
15095460061100.jpg (67Кб, 600x518)
>>304006
Сука, ардуинщики уже паять разучились
Аноним 26/11/17 Вск 23:49:25  304008
>>304007
Прочитай внимательнее вопрос.
Я спрашиваю, нужно ли его впаивать или он умышленно лежит отдельно?
Аноним 27/11/17 Пнд 00:53:37  304011
>>303982
я обычно на слух могу определить как шумит ПК по хуево экранированному. Там есть система. А тут шум
Но ок. Чуть позже отпишу
Аноним 27/11/17 Пнд 01:54:56  304014
>>304008
Можно и с ним, и без. Без адаптера просто больше ножек мк заняты будут.
Аноним 27/11/17 Пнд 02:50:23  304019
>>304004
я поебался с этим некоторое время потом надоело. уже забыл детали, но это геморрой. мало того что разброс параметров, линейный участок трудно найти. нужно всякие линеаризации делать при помощи рeзисторов, и тп. и это чтобы просто померять сопротивление. а потом когда начнешь в реальную схему вставлять, увидишь что Vds плавает, и от этого еще больше нелинейностей. не зря любители педалей делают на оптопарах и светодиодиками pwm светят. такое же гавно с варикапами кстати, если хочется емкостями управлять. нихуя легких путей нет.
Аноним 27/11/17 Пнд 02:56:19  304020
>>303964
телебашня где? если берлин или торонто, то бери хуле.
Аноним 27/11/17 Пнд 03:04:23  304021
>>303891
какой БП то? если линейный, транс может просаживать (regulation). зависит от сопротивления первички и это нормально, просто нужно учитывать при расчетах. или кондер фильтрующий маловат и биения большие.
Аноним 27/11/17 Пнд 05:52:50  304025
>>304003
бамп вопросу
Аноним 27/11/17 Пнд 07:15:00  304035
>>304003
чому не сработает. так предохранители и работают. ты проверь - поставь и закороти
Аноним 27/11/17 Пнд 07:15:14  304036
>>304025
>сработает ли он в случае аналогичного кз? Или для такого транса нужно искать на меньший ток?

Замеряешь ток первички при кз, подбираешь предохранитель.
Аноним 27/11/17 Пнд 08:17:07  304041
>>304003
Во-первых у тебя запросто может быть на холостом ходе без нагрузки > 200ma. Во-вторых ты уверен что у тебя 700 ом первичка? Какого размера транс? У небольших трансов индуктивность первички порядка 1H. Откуда там 700 ом. Но если так, даже если кз убьет всю индуктивность первички и останется только медь 700 ом, ток в первичке будет порядка 400 ма, т.е не сильно выше холостого. Кроме того у тебя если и вторичка почти 1 ом, то может и еще меньше быть. Короче замкни и померяй, хуль там думать. Ну еще транс погреется чуток.
Аноним 27/11/17 Пнд 10:12:58  304044
>>304021
Импульсный, написано же ОС. Вторичка может дать до 18 вольт напряжение, заданное напряжение стабилизации 12 вольт.
Но, вообще, я проверил на разных нагрузках. И напряжение всегда просаживается не более чем на 0.3 вольта, даже на 20 амперах.
Аноним 27/11/17 Пнд 11:08:37  304051
4S-8A-14-8V-li-[...].jpg (242Кб, 1538x955)
>>303269
>>303272
>>303275
>>303282
Короче, освоил эту гальву - офигенный редактор. По современности уже непривычно не мышкой тыкать, а набирать команды текстом, но результат стоит того.
Аноним 27/11/17 Пнд 11:27:33  304053
IMG9312.jpg (145Кб, 1024x768)
>>304051
Вот так оно выглядит в реале по первой прикидке, с подсветочкой. Потом в цвете напечатаю, заламинирую. Ну и плюс видно что подкорректировать надо в надписях.
Аноним 27/11/17 Пнд 11:29:58  304054
>>304053
А где ты данные получаешь какой сейчас этап мойки? И чем стрелку двигаешь?
Аноним 27/11/17 Пнд 11:39:11  304055
>>304054
Стрелка просто сидит на валу командоаппарата. Он был с внешней стороны просто прикрыт панелью декоративной, я прорезал окно.
Ну а где что - задрочился, сидел и отмечал в табличке что машина делает на каком шаге - сливает, заливает, сыпет порошок, греет. На сокращенных мойках (у нее 5 режимов) она просто некоторые шаги или целые этапы пропускает, рисовал для максимального
Аноним 27/11/17 Пнд 11:46:55  304057
>>303992
Надо было там конденсаторов по вкусу добавить, чтоб скорость срабатывания-отпускания замедлить.
Аноним 27/11/17 Пнд 11:48:42  304058
>>303998
Навскидку - первичку просто перемотать, сделав в 2 раза больше витков.
Сначала размотать, посчитать, разумеется.
Аноним 27/11/17 Пнд 11:51:46  304059
>>304004
>>304019
Поэтому они используются или как ключи при далеко запороговоыми значениями Vgs, или там, где плавность и пороги не критичны - во всяких гитарных поебушках, где все равно все на слух крутится.
Аноним 27/11/17 Пнд 13:01:59  304069
15117114798290.png (9Кб, 544x526)
>>304057
Куда именно? Так?
Аноним 27/11/17 Пнд 14:08:14  304075
>>304053
Зачот, чо
Аноним 27/11/17 Пнд 14:28:30  304078
>>304069
Так. Или между катодом и гейтом, по классике.
Аноним 27/11/17 Пнд 14:53:29  304080
2017-11-27-1348[...].png (31Кб, 710x566)
2017-11-27-1348[...].png (24Кб, 1075x610)
>>304059
>>304019
кажется разобрался.
в англ. версии Horowitz, стр. 161 есть уравнение. я его перепишу для R_ds и уберу V_ds, так-как есть ленеризационные резистроры:

R_ds = 1/(2k(V_gs - V_th))

V_th - threshold voltage/cutoff voltage.
R_ds - сопротивление jfet.

V_th может варьироваться от транзистора к транзистору. но, как видно из уравнения, это можно компенсировать добавив или убавив напряжение V_gs. т.е. нет умножения и деления. а это можно сделать одним подстроечным резистором и сумматором напряжений.

для проверки можно проделать симуляцию, как на картинке.
в симуляторе, V_th называется Vt0, его можно менять для транзистора.
Parameter Swap, не буду объяснять.
в итоге получаем график как на второй картинке.
выберем на графике точку Out, к примеру 0.15в и составим таблицы:
для V_th = -1.73
Input (V1) Output (V2)
0.2 -3.4 (т.е. для V1 = 0.2, в точке -3.4, Out=0.15)
1 -1.2
из таблицы найдем:
delta_V1 = 1 - 0.2 = 0.8
delta_V2 = -1.2 - (-3.4) = 2.2

для V_th = -2.73
Input (V1) Output (V2)
0.2 -5.4
1 -3.2
delta_V1 - как прежде.
delta_V2 = -3.2 - (-5.4) = 2.2

и теперь, если написать линейную функцию:
V2(V1) = k V1 + b
то k - не меняется.
меняется только b.
Аноним 27/11/17 Пнд 15:02:44  304081
image016.png (51Кб, 292x396)
При расчете выпрямительной схемы для трансформатора столкнулся с таким графиком и коэффициентами B, D, H, F. Будьте добры, пожалуйста, пояснить, что сие за коэффициенты и с чем их едят? Или хотя бы где про них почитать можно.
Аноним 27/11/17 Пнд 15:39:08  304083
>>304081
H - напряжённость магнитного поля
B - магнитная индукция
F - хз, либо частота ли магнитный поток?
D - хз

Ты лучше всё страницу покажи
Аноним 27/11/17 Пнд 15:44:26  304084
>>304000
Попробуй, кондёры может поставить электролитические и зашунтировать плёнкой. Если всё ещё будет фонить - выдери фильтр с АТХ блока питания и поставь себе
Аноним 27/11/17 Пнд 16:05:28  304086
>>304083
>напряжённость магнитного поля
Точно не это.
Вот, например,
http://www.club155.ru/circuits-diod-rectifier-1f1h
>это еще один вспомогательный коэффициент, значение которого находится по график
Знаю, что он измеряется в Ом*мкФ. Видимо, что-то связано с параметрами полупроводниковых элементов в выпрямителе, не?

>магнитная индукция
С этим я согласен. Но откуда эти коэффициенты берутся?

Вот тут и тут упоминаются B D и F:
http://www.techvarious.ru/varwems-501-1.html
http://www.radioradar.net/hand_book/documentation/tran.html
Аноним 27/11/17 Пнд 16:32:07  304089
Не смогла найти достоверной инфы на некоторые вопросы, спрошу тут.
В блоке питания ПК стоят две высоковольтные банки, надо подбирать их с более менее одинаковой ёмкостью?
Можно ли ставить бу конденсаторы с просевшей но большей емкастью? Если поставлю с большим максимальным напряжением, это компенсирует?
Можно ли проверить дроссель на межвитковое кз, если есть только мультимедиа?
Аноним 27/11/17 Пнд 16:43:56  304092
>>304089
>В блоке питания ПК стоят две высоковольтные банки
Берёшь напряжением не меньше, чем родные. Ёмкость такую же или выше. В крайнем случае можно ниже, но тогда мощность блока упадёт (ориентировочно 1uF на 1 Вт).
>Если поставлю с большим максимальным напряжением, это компенсирует?
Макс. напряжение и ёмкость не связаны, т.ч. нет.
>Можно ли проверить дроссель на межвитковое кз, если есть только мультимедиа?
Если в нём есть режим измерения индуктивностей. Но скорее всего нет. Вообще, межвитковое в дросселе это что-то за рамками, т.к. мотается он толстым проводом. Скорее сгорят полупроводники или трансформатор (очень редко).
Аноним 27/11/17 Пнд 16:44:54  304093
Пробило трансформатор 240V на 15.5V x2 1.4А в усилке бомжвейной аудиосистемы, цементирующие сопли вытекли, визуально умер один конденсатор на 10к фарад. Прозвонить нечем, есть только паяльник. Могу я заменить без ущерба на транса 2х12V с силой тока поменьше, всё равно никогда не выкручиваю громкость вверх? Какой вообще трансформатор подешевле использовать?
Аноним 27/11/17 Пнд 16:52:10  304095
>>304089
>две высоковольтные банки, надо подбирать их с более менее одинаковой ёмкостью?
не
>Можно ли ставить бу конденсаторы с просевшей но большей емкастью?
ставь
Аноним 27/11/17 Пнд 16:55:58  304097
>>304093
пробуй, должен завестись, если микрухи усилительные не вышибло
Аноним 27/11/17 Пнд 17:04:37  304099
>>304089
>В блоке питания ПК стоят две высоковольтные банки, надо подбирать их с более менее одинаковой ёмкостью?

Если кондёры стоят последовательно - то ёмкость должна быть блИзка, ставить что-то с отличие в полтора раза может привести к пцзду. Кондёры обычно защищенны варисторами (выглядят как керамические конденсаторы, часто в термоусадке, так как при "бабахают")

Если параллельно - то может смело ставить разную ёмкость.

Но я думаю, что у тебя 99,5% кондёры на 200в и стоят последовательно, и есть переключать на 110-220в, а блок питания небось на SG6105
Аноним 27/11/17 Пнд 17:05:32  304100
>>304099
>блИзка
oops, читать, конечно же, как »близкá«
Аноним 27/11/17 Пнд 17:32:05  304101
>>304080
Выглядит знакомо. С этим я и ебался как раз. Надейся что тебе достанется кучка с запредельными Vgsoff, чтобы несколько вольт.
Аноним 27/11/17 Пнд 18:34:59  304103
>>304092
>>304092
>Вообще, межвитковое в дросселе это что-то за рамками, т.к. мотается он толстым проводом. Скорее сгорят полупроводники или трансформатор (очень редко).

Смерть ДГС (дросселя групповой стабилизации) это обычная вещь в БП, которые работали долго и с не очень охлаждением. Буквально на днях переделывал дохлый АТХ сли БП на 14в - там умер ДГС и он уходил в защиту.

Смерть наступает из-за перегрева ДГС. Он перегревается по след. причинам:

- плохое охлаждение (смерть вентилятора, пыль)
- экономия на меди (сильно тонкий провод)
- экономия на сердечнике (маленький объём, большие потери, сердечники из распылённого железа имеют конечный срок службы и деградируют при повышенной температуре)

При перегреве повреждается изоляция, также замечал, как клей (не лак, а клей) на дросселе при повышенной температурe разъедает изоляцию и появляется КЗ. КЗ может появлятся при включении, когда по дросселю идёт так и отсутствовать без нагрузки. Если на плате в местах пайки дросселя текстолит изменил цвет - дроссель под замену.







Аноним 27/11/17 Пнд 18:50:29  304104
MORROШNД.jpg (48Кб, 512x750)
>>302040 (OP)
Анон, у меня проблема больше психологического характера, но с электроникой связана, так что спрошу здесь.

Лет 20, давно было желание вкатиться в радиотехнику в качестве хобби, еще с 8 лет, когда дядя в 8 лет подарил разобранную плату с компонентами, а потом с паяльником показывал и объяснял, как что и зачем, меня как пиздюка это сильно впечатлило, но очень скоро я на это хуй забил и продолжаю забивать с мыслями, что классно было бы это все изучить, в жизни полезный навык разбираться в радиоэлектронике. Но проблема в том, что у меня сейчас очень сильно в голове сидит навязчивая мысль о том, что это хобби для подростков лет 12-14, ибо видел в интернете достаточно количество пиздюков, которые на выставки в 10 лет лепят всяких роботов-пауков и прочее, а я в 20 на такое не способен, отсюда возникает мысль о собственной неполноценности, особенно когда под рукой есть интернет и можно в мгновение ока найти сотни инфы по нужной мне тематике, отсюда тоже возникает некой чувство неполноценности, ибо я будучи пиздюком потреблял информационный шлак развлекательного характера, вместо того, чтобы занять себя действительно серьёзным делом, которое сослужило бы хорошую службу в будущем, а теперь поздно пить кефир.
Аноны, поведайте мне свои кулстори о том, во сколько лет вы вкатились в радиоэлектронику, быть может я не одинок и многие вкатывались в моем возрасте в эту сферу.

Рандомный пик с харда для предания красоты посту
Аноним 27/11/17 Пнд 18:57:57  304105
15115200561290.jpg (207Кб, 1250x980)
Братишки, натолкните на мысли. Нужно сделать источник питания с регулируемыми от микроконтроллера током и напряжением, диапазоны: 0 - 50В, 0 - 50А; шаг регулировки по току и напряжению 0,01.
Аноним 27/11/17 Пнд 19:15:53  304107
32357092[1].jpg (15Кб, 338x277)
>>304036
>>304035
Но во всех умных книжках пишут, что ток первички при кз во вторичке можно замерять только при питании от низкого напряжения, от лаб. автотрансформатора. Иначе транс ждет гроб, кладбище, металлоприемщик. Ведь, как я до этого неоднократно лично убедился, в таком режиме транс буквально за секунду раскаляется до 100С, а то и выше.
Зачем вы даете вредные советы? Где адекватный радач?
>>304041
>Во-первых у тебя запросто может быть на холостом ходе без нагрузки > 200ma
У транса с 3,6 вт выходной мощью? Такой высокий ток хх по-моему только у мощных трансов, от 100 вт и выше.
>Во-вторых ты уверен что у тебя 700 ом первичка?
Слегка спиздел, 670 ом.
>Какого размера транс?
Ш железо. Размеры по пикрилейтед, мм: L=40, H=33, y1=18, y2=6, y=15, b=7, h=21.
>У небольших трансов индуктивность первички порядка 1H
Транзистор-тестер показал 14.8H. Насколько это точно - хз.
>Короче замкни и померяй, хуль там думать. Ну еще транс погреется чуток.
Что-то кроме радача везде пишут, что так делать нельзя. И погреется транс совсем не "чуток".
Алсо, термофьюз был на 130С. Так что с учетом того что он был замотан изоляцией, транс походу и впрямь раскалился под 200С. Неспроста еще и корпус слегка поплыл.
Аноним 27/11/17 Пнд 19:32:10  304109
>>304107
>Зачем вы даете вредные советы? Где адекватный радач?

Затем что недавно мерил и маркировал неопознанные трансформаторы, в том числе и ток кз написал.
А будучи школотроном - пускал дуги с помощью грифелей от карандаша и восточноевропейского трансформатора вольт на 30. Так вот ему такой эксплуатации хватило на много лет, прежде чем каркас на котором намотаны катушки сдвачился и перекосился от перегрева.

>в таком режиме транс буквально за секунду раскаляется до 100С, а то и выше.
Тебе волноваться вредно, в таком режиме двачер буквально за секунду...
Аноним 27/11/17 Пнд 21:10:22  304113
>>304104
В 23.
Аноним 27/11/17 Пнд 21:31:25  304114
>>304104
В детстве мечтал собирать роботов, но весь прогресс был на уровне выпаивании деталей из старого телика и складывания их в коробочки, учится было не у кого, на все вопросы как работает та или иная деталь сложнее резистора получал ответ "в школе/вузе объяснят".
Сейчас 28 лет, решил попробовать отремонтировать хлам скопившийся, вместо игрушек на компьютере, но получил нехилый удар по яйцам от реальности, инструментов нет, навыков нет, за все, что берусь приходится бросать, ничего так и не отремонтировал.
Аноним 27/11/17 Пнд 22:13:45  304118
>>304114
Попытался читать литературу из шапки, но только ощутил себя ебаным аутистом, потом нашел приложение с уроками, на примере садового шланга объясняют, как это не печально, но мой уровень знания такой.
С инструментом то же не все просто, все таки немного повзрслел и понимаю, что нельзя купить ту или иную вещь, только потому, что сейчас захотелось.
Аноним 27/11/17 Пнд 23:07:27  304119
>>304114
а я вчера получил удар по яйцам от реальности, полгода собирал трансформатор теслы, вчера попытался запустить и нихуя не заработало. звук есть и даже с правильной частотой идет откуда то с платы инвертора, а молний нихуя нет. И осциллографа нет чтобы посмотреть что там происходит. У меня теперь депрессия, чет отчаялся уже
Аноним 28/11/17 Втр 01:00:49  304124
>>304107
Ты усложнил все аж пиздец. Из размеров транса теперь понятно, что он крошечный и намотано там бешеные километры тонюсенького типа 0.1mm провода, чтобы эти 700 ом получить. Отсюда индуктивность невъебенная тоже. Ток холостой наверняка в пределах 50ma, да и то может на холостых греться. Да ты померяй ток первички то и не еби мозги. Да и поставь предохранитель на x2 типа 100ma и всех делов.
Интересно скока там у тебя витков первички, тыщь 5 что ли.
Аноним 28/11/17 Втр 08:14:23  304132
>>303916
https://youtu.be/L7-svwiXQII
Аноним 28/11/17 Втр 08:16:02  304133
>>303916
https://youtu.be/L7-svwiXQII
Аноним 28/11/17 Втр 08:33:25  304134
>>304081
>>304086
БАМП ВОПРОСУ
Аноним 28/11/17 Втр 09:11:52  304135
>>304103
Интересно, не сталкивался с таким (хотя и опыта с ними немного).
Аноним 28/11/17 Втр 09:18:21  304136
>>304104
>Лет 20, давно было желание вкатиться в рисование в качестве хобби, еще с 8 лет, когда дядя в 8 лет подарил альбом с цветными карандашами, а потом с паяльником показывал и объяснял, как что и зачем, меня как пиздюка это сильно впечатлило, но очень скоро я на это хуй забил и продолжаю забивать с мыслями, что классно было бы это все изучить, в жизни приятный навык рисовать и таким образом изливать свои мысли на холст. Но проблема в том, что у меня сейчас очень сильно в голове сидит навязчивая мысль о том, что это хобби для подростков лет 12-14, ибо видел в интернете достаточно количество пиздюков, которые на выставки в 10 лет лепят всякие фотореалистичные пейзажи и прочее, а я в 20 на такое не способен, отсюда возникает мысль о собственной неполноценности, особенно когда под рукой есть интернет и можно в мгновение ока найти сотни инфы по нужной мне тематике, отсюда тоже возникает некой чувство неполноценности, ибо я будучи пиздюком потреблял информационный шлак развлекательного характера, вместо того, чтобы занять себя действительно серьёзным делом, которое сослужило бы отдушиной в будущем, а теперь поздно пить кефир.
Аноны, поведайте мне свои кулстори о том, во сколько лет вы вкатились в рисование, быть может я не одинок и многие вкатывались в моем возрасте в эту сферу.
Аноним 28/11/17 Втр 10:41:27  304140
Хочу калькулятор расчёта торроидальных трансформаторов, чтобы ввести входное напряжение, частоту и выходные напряжения с током, а он бы посчитал необходимые размеры кольца и параметры обмоток и минет сделал. Бывает такое?
Аноним 28/11/17 Втр 11:33:30  304146
>>304140
Бывает и такое
Аноним 28/11/17 Втр 12:54:22  304150
>>304146
Ты говоришь что бывает такое, но не даешь пруфов.
Ну вот зачем ты так делаешь? Чего ты добиваешься?
Аноним 28/11/17 Втр 13:48:47  304158
>>304150
сам захуярь в экселе.
Аноним 28/11/17 Втр 13:53:35  304159
>>304150
>Чего ты добиваешься?
>>304150
>Ну вот зачем ты так делаешь?
Потому что:
- одна ленивая жопа не искал(а)
- учись задавать вопросы корректно, если нужны названия софта - проси названия софта
Аноним 28/11/17 Втр 14:13:08  304160
>>304140
Но ведь это ебанство, нужно делать исходя из того, что есть под рукой, т.к иначе ты потратишь в 10 раз больше бабла, чем на готовое изделие.
Аноним 28/11/17 Втр 14:20:18  304161
>>304158
>сам захуярь в экселе
Блин, сложна.

>>304159
>- одна ленивая жопа не искал(а)
Искал но не нашел варианта с расчетом размеров магнитопровода.

>- учись задавать вопросы корректно, если нужны названия софта - проси названия софта
Прошу название софта или адрес сайта. Нет, ну в самом деле, неужели ты думаешь что меня интересует гипотетическая возможность существования такого калькулятора?

>>304160
Ну вот и хочу посчитать по научному, чтобы решить нужно ли оно вообще
Аноним 28/11/17 Втр 15:34:53  304165
А как дислпей телефона распознает двоичный код? Как вообще программировали интерфейс мобильников? Именно старых, годов так - 2006-2009.
Аноним 28/11/17 Втр 15:42:27  304168
>>304161
>Прошу название софта или адрес сайта.

Software Design Tool - Ferroxcube
Ferrite Magnetic Design Tool - TDK / Epcos

Крупные производители предлагают каталоги на свои сердечники и так же таблицы с параметрами для выбора. Надо понимать, что в импульсной техники много зависит от конструктива, выполнения обмотки, охлаждения.



Аноним 28/11/17 Втр 15:43:52  304169
>>304134
В твоих ссылках есть вывод этих коэффициентах, что бампаешь?
Аноним 28/11/17 Втр 15:47:35  304170
>>304165
Также, как и твой коре-яй9.
Аноним 28/11/17 Втр 16:42:20  304174
>>304168
Слишком сложно, я не понимат. Есть ли калькуляторы попроще? Чтобы введя, скажем, что в первичке синусоида с напряжением 3 вольта и частотой 10 килогерц, и с выхода я хочу снимать 25 вольт и 500ма, и калькулятор подсчитал оптимальный феррит, его минимальный диаметр (в который влезут все обмотки) и собственно параметры этих обмоток. Всё. Мне большего не нужно. Неужели я слишком много хочу?
Аноним 28/11/17 Втр 16:49:20  304175
>>304174
ExcelliteIT, но там несколько сложнее
>Неужели я слишком много хочу?
Да, слишком много. Хотя бы выбери форму ферита. Ну и размер там подберешь под нужную габаритную мощность.
Аноним 28/11/17 Втр 16:49:51  304176
>>304118
А что за видеоуроки для шлангов? Скинь ссылку.
Пробовал Хорвица из шапки? Он очень доходчиво поясняет.
Аноним 28/11/17 Втр 16:55:39  304177
.png (247Кб, 788x437)
>>303972
Тогда другой вопрос, если в этой схеме (регулятор мощности) заменить перем. резистор 47 ком на 33 ком, что измениться? Другие детали не выйдут из строя?
Аноним 28/11/17 Втр 17:00:30  304178
>>304174
Грамотное проектирование сложнее. Ты можешь взять программу и указать плотность тока 3 А/мм2, а можешь 9 A/мм2, для одного и того же транса "мощность" будет в три раза отличаться. Если нужна хорошая межслоайная изоляция - то на маленьких кольцах будет маленькое заполнение (меньше, чем 0.3)
Аноним 28/11/17 Втр 17:00:56  304179
>>304175
>ExcelliteIT
Что это? Гугл молчит

>Хотя бы выбери форму ферита
Не понимаю что мешает калькулятору перебрать все формы и выбрать одну, спросив что нужно; кпд там, или компактность или ещё что...
Я так понимаю при прочих равных торроид будет компактнее? Если так, значит тор.
Аноним 28/11/17 Втр 17:04:24  304180
>>304177
Всё будет ОК, меняй. Возможно, что нагрузку нельзя будет полностью выключить резистором, в этом случае можно чуть увеличить ёмкостьконденсатора (на 10-20%) или забить.
Аноним 28/11/17 Втр 17:10:04  304181
>>304178
Я не претендую на высокую техническую грамотность, поэтому, собственно, и хочу калькулятор который сделает всё за меня. Но опять же, что мешает калькулятору учитывать плохое охлаждение на малых габаритах, уменьшая допустимую плотность тока и ненужность межслойной изоляции при низких напряжениях?
Аноним 28/11/17 Втр 17:13:24  304182
Помогите ньюфагу, всю голову сломал.
Есть сигнал, который или 0 вольт или 5.
Надо его переделать в 0 или 3.3
Есть питание 5, питание 3.3 и сам сигнал.
Как мне это сделать?
Я чую мне нужны PNP и NPN транзисторы. Попытался в протеусе засимулировать, он 500 ошибок накидал [SPICE] transient GMIN stepping и завис, нихуя не понимаю.
Как мне это сделать?
Аноним 28/11/17 Втр 17:18:14  304183
>>304182
https://learn.sparkfun.com/tutorials/bi-directional-logic-level-converter-hookup-guide
Аноним 28/11/17 Втр 17:20:35  304185
>>304176
Занимательная электроника вроде, скачал скан книги, читаю, интересно, потом пошли белые страницы, и я уже нихуя не понимаю, как будто лекцию прогулял.
Просто уроки, не видео, приложение "электроника лайт", объясняют на примере садового шланга, что такое сила тока, сопротивление, напряжение, принцип работы радио деталей, как собрать блок питания, немного о ардуино, в общем для школьников или аутистов как я
Аноним 28/11/17 Втр 17:24:30  304187
>>304170
А подробнее?
Аноним 28/11/17 Втр 17:32:30  304189
>>304187
ну загугли контроллеры дисплеев
Аноним 28/11/17 Втр 17:35:12  304190
>>304124
Я таки запилил как хотел. Поставил фьюз на 200мА, но походу да, можно и нужно меньше, но у меня нет. На выход влепил lm317 с резитором, на ограничение тока в районе 500мА. К лмке прикрутил микро радиатор (места оч мало жеж). Включил. Работает, транс жив. Закоротил выход на 1 мин, ток ограничивается на уровне 530 мА (с прогревом лмки за 1 мин понизился до 500мА). Но теперь другая небольшая проблема, лмка в таком режиме кипит, за 1 мин походу под 100С. Загуглил, термо защита срабатывает лишь при 170-180С... пиздец. Короче теперь все упирается в надежность лмки. Если будет длительное кз выхода, вся надежда что китайская лмка не сдохнет и уйдет в защиту. Проблема еще и в том что там тесно, лмка сидит в упор к электролиту, который заявлен 85С. Как бы он не вскипел и не ебнул первым от такого соседства.
>намотано там бешеные километры тонюсенького типа 0.1mm провода, чтобы эти 700 ом получить
К контактам предохранителя из первички выходит фибиляр, сплетенный из двух моножил, на вид каждая от 0.08 до 0.1мм.
>Отсюда индуктивность невъебенная тоже. Ток холостой наверняка в пределах 50ma, да и то может на холостых греться
Кстати да, после долгой работы этот транс на хх прогревается до 45С, при этом номинальная 500-600мА нагрузка вторички на доп. нагрев особо заметного влияния не оказывает.
Можешь пояснить подробнее, чем в данном случае обусловлен нагрев на хх?
>Интересно скока там у тебя витков первички, тыщь 5 что ли.
Нужно знать сопротивление 1м озвученного фибиляра. Если 2 х 0.08мм параллель, то получается длина первички около 100м.
Аноним 28/11/17 Втр 17:41:17  304191
>>304190
>получается длина первички около 100м.
Пизжу, почти 400м получается.
Аноним 28/11/17 Втр 19:10:44  304199
>>304136
и че ты там собрался рисовать в 20 лет инфантил великовозрастный?)) членодевок??))))
Аноним 28/11/17 Втр 19:13:06  304201
>>304105
Хотелки поубавь для начала.
Аноним 28/11/17 Втр 19:31:23  304203
Какие книги подойдут для начинающих в радиотехнике?
Аноним 28/11/17 Втр 19:33:04  304204
>>304203
Э. Л. Джеймс - Пятьдесят оттенков серого
Аноним 28/11/17 Втр 19:45:56  304209
3Dm.png (56Кб, 1082x696)
>>304182
Разработаю в промышленном стандарте с опторазвязкой, защитой от переполюсовки и от выбросов напряжения на линии за 100 000 рублей.
Аноним 28/11/17 Втр 19:54:04  304210
>>304201
А что не так?
Аноним 28/11/17 Втр 20:00:20  304211
>>304185
Не нашел. Можно всё таки ссылку?
Аноним 28/11/17 Втр 20:41:18  304219
>>304211
Это приложение на телефон.
Аноним 28/11/17 Втр 20:48:53  304222
>>302040 (OP)
У каких полевых транзисторов (с управляющим p-n переходом, с изолированным затвором: МОП и МДП) в большинстве случаев больше крутизна или крутизна не зависит от классификации?
Аноним 28/11/17 Втр 20:56:50  304223
подскажите годные флюсы для smd пайкиинб4 канифоль
Аноним 28/11/17 Втр 21:28:46  304226
>>304223
спиртоканифоль
Аноним 28/11/17 Втр 21:34:52  304227
Анон, поясни за транзистор в режиме усиления наглядно. Возможно я не так понимаю принцип той работы, которую выполняет электричество? Я уже мозг вскипятил себе, но ответа в интернетах не нашёл.

Вот есть схема простого усилителя.

В центре -- n-p-n транзистор

На базу транзистора подаётся слабый ток от источника сигнала.

На коллектор подаётся сильный ток от питания.

База согласно волне импульса открывает/закрывает цепь, преобразуя U Коллектора из постоянного в переменное.

U источника + U коллектора + Волновое преобразование:
Из этого я делаю вывод, что усиление сигнала происходит в цепи ЭМИТТЕРА!!!

Но в схемах указывают, что усиление произошло в цепи КОЛЛЕКТОРА.

Как? Почему? Что я не понимаю?
Аноним 28/11/17 Втр 21:42:01  304229
>>302040 (OP)
Gays!!!! Что почитать по теории автоматов, чтобы понятно было, а не ебучие ГРАФЫ, ВХОДНЫЕ/ВЫХОДНЫЕ АЛФАВИТЫ, ПЕРЕХОДЫ и т.д. Типа "Конечные автоматы в СССР" ?
Аноним 28/11/17 Втр 22:03:07  304233
>>304227
у меня есть оригинальная идея - почему-то никто не додумался сравнивать электричество с водой! ток коллектора - это огромный поток воды. а ток базы - это вентиль, который регулирует поток в коллекторе. малое управляет большим. это усиление.
Аноним 28/11/17 Втр 22:09:43  304234
>>304179
>ExcellentIT
пофиксил
Аноним 28/11/17 Втр 22:11:25  304235
yoba.png (7Кб, 225x225)
>>304209
Аноним 28/11/17 Втр 22:13:50  304238
>>304190
нагрев на холостых в данном случае думаю только медью обусловлен. потому что ну очень тоненький проводок. у него ampacity низкая, особенно в замкнутом пространстве трансформера. греться трансформаторы еще могут от всяких потерь в железе, например от токов эдика, но у тебя не тот случай. суко, так ты и не померял ток холостой, а ведь его можно расчитать даже, зная r=700 и L=15H, должно получиться порядка 40ма. если так, то все сойдется
>нагрузка вторички на доп. нагрев особо заметного влияния не оказывает.
потому что вторичка толще, и провода там меньше.
а ток в первичке при нагрузке не увеличивается. звучит нелогично, но максимальный ток в первичке - на хх

>почти 400м получается.
прикинул - примерно столько же получилось.

Аноним 28/11/17 Втр 22:32:23  304243
IMG201711282324[...].jpg (284Кб, 1116x661)
IMG201711282327[...].jpg (283Кб, 1247x822)
IMG201711282328[...].jpg (369Кб, 1515x828)
Посоны, подскажите, что за ебучая маркировка на электролитах ?
Аноним 28/11/17 Втр 23:00:52  304247
>>304182
делитель напряжения?
Аноним 28/11/17 Втр 23:03:09  304248
>>304238
не ток конечно а flux. хотел сказать что макс Ф - при хх. при это транс может быть слегка в насыщении и греться от этого.
Аноним 28/11/17 Втр 23:16:23  304250
>>304226
аригато кадзаимасу
Аноним 28/11/17 Втр 23:23:22  304251
>>304243
Микрофарады и ТКЕ.
Аноним 28/11/17 Втр 23:27:40  304252
>>304251
Спасибо. А с первого пика как вольтаж узнать ?
Аноним 28/11/17 Втр 23:35:26  304253
>>304233
Я понимаю анон, что ты имеешь в виду. Но напряжение в данном случае в коллекторе возрастёт ОТНОСИТЕЛЬНО эмиттера из-за разности потенциалов. Но на выходе R1 оно вообще как изменится?
Самое главное, как волна из базы переберётся в коллектор?
Аноним 28/11/17 Втр 23:36:56  304254
>>304252
Хуй проссышь. Полагаю, что 10 микрофарад, потому что номинала 16 не бывает.
А 16 - соответственно напряжение.
Аноним 28/11/17 Втр 23:44:23  304256
>>304254
Сомневаюсь. На тех что побольше написано и j1 и отдельно вольтаж, 10 v, 35 v, а в середине цифра - ёмкость.
Аноним 28/11/17 Втр 23:44:25  304257
>>304253
>ОТНОСИТЕЛЬНО эмиттера из-за разности потенциалов
нет. напряжение на коллекторе - относительно земли.

>как волна из базы переберётся в коллектор
кек, никуда она не перебирается. ты на пороге важного открытия для себя. подумай об этом.
никак эти две "волны" в друг друга не переходят. входная волна просто какбе открывает-закрывает вентиль, который управляет потоком воды в коллекторе. закрыт - не течет. полностью открыт - течет мощным потоком. а когда открывает-приоткрывает то течет то быстрее то медленнее - пульсирующий ток это называется. так как напряжение в цепи коллектора сильно выше чем напряжение сигнала, то говорят что происходит "усиление". но на самом деле твой входной сигнал никто как резинку не растягивает. это наебалово. он не усиливается. он просто жмет перепонку, которая регулирует другой, более мощный поток. так понятно?
Аноним 28/11/17 Втр 23:48:29  304258
>>304256
Рядом с ТКЕ пишется всегда номинал.
Аноним 28/11/17 Втр 23:51:30  304260
>>304189
Ок. Интересно, а как писали самый первый интерфейс? Неужели вручную расчитывали каждый пиксель меню на дисплеи и ебошили двоичным кодом?
Аноним 28/11/17 Втр 23:55:40  304261
>>304257
Так понятно, спасибо анон. И тем не менее, меня не оставляет в покое эмиттер. На нём тоже должна происходить пульсация, правильно?
Аноним 29/11/17 Срд 00:10:48  304262
IMG201711282324[...].jpg (284Кб, 1116x661)
IMG201711290053[...].jpg (198Кб, 1085x545)
>>304258
Ну я понял, что j16, j1 это ТКЕ, 10 это ёмкость в микрофарадах. Как определить вольтаж-то, у тех где он не написан ?
Аноним 29/11/17 Срд 00:39:09  304263
>>304262
Я проебался, "J" - это отклонение емкости, а не тке. В данном случае +-5%.
10 и 0.1 это 10 мкф и 0.1 мкф.
Снизу J и напряжение 16 в и 50в соотвествено.
Аноним 29/11/17 Срд 00:42:37  304264
>>304263
Алсо
>Буква, обозначающая допуск указывается после значения номинальной ёмкости, вот так 22nK, 220nM, 470nJ.
Т.е. сначала идет цифра емкости, потом после нее допуск. На твоих конденсаторах второй строчкой, т.к. на первую не влезло судя по всему.
Аноним 29/11/17 Срд 00:47:25  304265
>>304261
да. в цепи коллектора ток течет (условно) от + батареи, через коллектор в эмиттер и на землю. и это и есть наш мощный поток. который мы раскачиваем маленьким входным сигналом на базе. когда сигнала на входе нет, ток в коллекторе постоянный. а сигнал на базе заставляет его пульсировать.
Аноним 29/11/17 Срд 00:49:29  304266
IMG201711290050[...].jpg (285Кб, 1182x678)
IMG201711282328[...].jpg (369Кб, 1515x828)
IMG201711282327[...].jpg (283Кб, 1247x822)
>>304263
>>304264
А что тогда означают j1 здесь ?
фазировка Аноним 29/11/17 Срд 00:49:39  304267
а чо конденсаторы нужно фазировать?

https://www.youtube.com/watch?v=zxjyT5OoS5A
https://www.youtube.com/watch?v=5krLLPpYWvk
Аноним 29/11/17 Срд 00:53:29  304269
>>304266
Да хуй его знает.
Аноним 29/11/17 Срд 01:04:12  304272
15003781446773.jpg (145Кб, 800x600)
Что за датчик может быть, определяющий тушку человека через бетонное перекрытие?
Аноним 29/11/17 Срд 01:12:22  304274
>>304267
все конденсаторы звучат по разному. теплый ламповый звук в основном от них. фазировать их нужно только когда "притрутся", где-то через месяц после обкатки схемы. перепонки между + и - должны выравняться, чтобы заряды равномерно ложились. если есть перекос - надо фазировать. но если только медленную музыку слушаешь - разницы нет. где-то с 150-160 темпо начинается лаг. особенно слышно на скрипках.
Аноним 29/11/17 Срд 01:16:40  304275
>>304272
тебе блядь зачем? O_0
Аноним 29/11/17 Срд 01:19:36  304276
>>304275
чтобы знать что мамка идет наверное, чтобы с фапом не спалиться
Аноним 29/11/17 Срд 01:25:18  304277
>>304276
Первый раз слышу о такой хуйне, но уверен, что её пользуются либо военные, либо террористы и хер ты её просто так достанешь.
Аноним 29/11/17 Срд 01:30:22  304278
>>304276
Смотри что я нашел.
https://www.youtube.com/watch?v=qWdhOuw_ZTU
Аноним 29/11/17 Срд 02:09:07  304279
>>304266
Бамп. Может знает кто ?
Аноним 29/11/17 Срд 02:11:46  304280
>>304182 >>304183 >>304209 >>304247
Слушайте, у меня гениальная идея.
Что если поставить стабилитрон на 3.3 вольта?
Взлетит?
Аноним 29/11/17 Срд 02:36:11  304281
>>304280
сигнал то какой, периодический? PWM? если инвертированный подойдет, то можно просто один npn транзистор. или тебе нужно когда 0 то 0 а когда 5 то 3.3?
Аноним 29/11/17 Срд 02:48:05  304282
>>304281
Это TTL/COM/серийный/как бы он там не назывался.
Как я понял по дефолту он подтянут к питанию.
Я на оптопарах сделал, а там оказывается 20мА надо для их открытия, а у меня столько нет на линиях данных.
И логический анализатор нормально видит сигнал, а приёмник его не чувствует.
А на транзисторах как-то сложно, я не понимаю как оно должно работать. С стабилитроном как-то проще будет что ли.
Аноним 29/11/17 Срд 03:01:04  304283
>>304282
я так и не понял, на вопрос ответь - что за сигнал на входе, это ШИМ который постоянно хуярит 0 5 0 5 0 5? квадратик такой, меандр? или случайным образом там или 0 или 5. и тебе нужно 0 в 0 а 5 в 3.3? если первый случай - один npn транзистор. если второй - два npn транзистора.со стабилитроном скучно. два транзистора могу нарисовать или сам подумай.
Аноним 29/11/17 Срд 03:06:30  304286
testserialdecode.png (88Кб, 1072x637)
>>304283
Пикрелейтед там. Сделаю на стабилитроне когда доберусь.
Аноним 29/11/17 Срд 03:09:43  304287
>>304286
У стабилитрона достаточно большая паразитная ёмкость, так что если частота сигнала большая, он его превратит в говно.
Аноним 29/11/17 Срд 03:11:20  304288
>>304287
Ну йоообана.
Аноним 29/11/17 Срд 03:12:19  304289
>>304288
Тебе сигнал только в одну сторону передавать?
Аноним 29/11/17 Срд 03:12:19  304290
>>304286
https://ru.aliexpress.com/item/дебилоконвертер/1803892611.html
Аноним 29/11/17 Срд 03:18:21  304291
>>304289
Да. Обратно 3.3 нормально читаются.
>>304290
Зачем мне это говно когда я умею в ЛУТ.
Аноним 29/11/17 Срд 03:21:35  304292
.jpg (15Кб, 417x322)
>>304291
> Да. Обратно 3.3 нормально читаются.
Ты неправильно ответил на вопрос. Короче, делай стандартную схему на bss138 и не еби мозг.
Аноним 29/11/17 Срд 03:45:17  304294
>>304292
>>304287
ну так а чем мосфет лучше в смысле емкости то
Аноним 29/11/17 Срд 03:48:06  304295
>>304294
В том, что на подобных маломощных сигнальных мосфетах этой ёмкости и нет почти?
Аноним 29/11/17 Срд 03:53:05  304296
>>304295
а, ну да, десятки пик. а сколько у стабилитронов? у них же тоже бывают крутые пацаны с низкой паразитностью.
Аноним 29/11/17 Срд 03:55:16  304297
image.png (33Кб, 411x421)
вольт побольше надо и похоже все норм
Аноним 29/11/17 Срд 03:56:00  304298
>>304296
> у них же тоже бывают крутые пацаны с низкой паразитностью.
Называются tvs-диодами. У маломощных действительно очень низкая ёмкость. Только с обоих сторон надо будет резисторы поставить, чтоб дохуя тока с мк не сжирал.
Аноним 29/11/17 Срд 04:21:19  304299
image.png (34Кб, 1020x427)
>>304298
нашел модель из любопытства, чета говно какое-то показывает. 250кгц всего.
Аноним 29/11/17 Срд 04:25:34  304300
image.png (11Кб, 489x380)
>>304299
а не, все норм, тока нужно больше же
тоже конечно не идеально но терпимо
Аноним 29/11/17 Срд 07:58:03  304314
>>304233
>у меня есть оригинальная идея - почему-то никто не додумался сравнивать электричество с водой! ток коллектора - это огромный поток воды. а ток базы - это вентиль, который регулирует поток в коллекторе. малое управляет большим. это усиление.

В случае биполярного - скорее можно сравнить с водоструйным насосом, с тем лишь отличием, что в водоструйном - сильный управляющий поток качает слабый, а в транзисторе - наоборот - слабый управляющий поток увлекает за собой сильный, т.к. в эмиттере ток базы и ток коллектора складываются.

Полевой - можно вот как раз сравнить с краном, причем не абы каким, а у которого вместо вентиля - изолированная камера с мембраной и которая в зависимости от давления воды в этой камере больше или меньше открывает кран.
Аноним 29/11/17 Срд 08:16:03  304316
Сколько должен стоить изопропиловый спирт?
Всё, что я нахожу в 3 раза дороже питьевого. А по логике технический должен быть дешевле.
Аноним 29/11/17 Срд 10:17:54  304323
>>304316
Я брал за 150р 0,5 литра, года 2 назад. Какая разница, питьевой или технический? Меньше энергии на ректификацию тратится?
Аноним 29/11/17 Срд 10:59:43  304341
>>304316 1800р за 20л канистру.
Аноним 29/11/17 Срд 11:14:22  304347
>>304105
https://ru.aliexpress.com/store/product/RD-DPS5020-Constant-Voltage-current-Step-down-communication-digital-Power-Supply-buck-Voltage-converter-LCD-voltmeter/923042_32821185351.html
Аноним 29/11/17 Срд 13:07:43  304351
>>304234
Пасиб. Посчитал как смог в разных калькуляторах, пасьянс сошелся, просветление наступило
Аноним 29/11/17 Срд 14:59:41  304359
>>304199
)))) )) ))))))) ))))))))) )) ))))) ))))))) ))) )))) ))
Аноним 29/11/17 Срд 15:02:32  304360
>>304260
По сути и сейчас так делается. Только теперь позиции каждого пиксела считаются автоматически, а прогер пишет функции, которые этим расчётом и занимаются.

А вообще весь твой вопрос некорректен.
Аноним 29/11/17 Срд 15:03:58  304361
>>303808
пожег 4 диода
Аноним 29/11/17 Срд 15:08:20  304362
>>303916
изолентой)))
Аноним 29/11/17 Срд 15:11:21  304363
>>304272
Rcwl-0516 и подобные. Реагирует хорошо, но срабатывает от всего
Аноним 29/11/17 Срд 15:13:09  304364
>>303543
Ключи выпаиваешь и проверяешь. Заранее промаркируй их, где они стояли.
Аноним 29/11/17 Срд 16:46:50  304368
Анона, реквестирую марку кабеля, который подошел бы для самопального гитарного провода и который можно купить в чип-дипе.
Как собирать не реверсивную схему и просто реверс? Аноним 29/11/17 Срд 17:00:29  304371
759fd74e5a2e1a3[...].jpg (62Кб, 782x720)
Привет, народ.
Столкнулся с такой проблемой что хуй знаю как собрать не реверс. прост реверс. схему то вижу понимаю что где находится а начинаю собирать то с кнопками закасячу то магнитный пускатель не правильно подключаю ..
Заранее спасибо, добра вам ;*
Аноним 29/11/17 Срд 17:25:05  304373
>>304368
Belsis микрофонный. Другого у них нет, Лол.
Аноним 29/11/17 Срд 17:40:03  304374
Я проебался с размером smd конденсатора, думал заказываю длиной примерно 5мм, а он оказался 0,6мм. Как это паять теперь?
Аноним 29/11/17 Срд 17:42:45  304375
>>304371
Не косяч, не путай :) Как тут тебе ещё помочь? Ну нарисуй на бумажке схему, пускатель, соедения, проверь, потом собирай. Я так сначала рисую схемы, потом простым карандашом детальки и соедения, потом уже собираю
Аноним 29/11/17 Срд 17:55:05  304376
blob (14Кб, 679x301)
Радвач. Я затупил. Помоги мне.
Есть сигнал, нужно при проходе амплитуды через ноль менять его полярность. Как на картинке.
Аноним 29/11/17 Срд 18:04:10  304377
>>304376
Диодный мост?
Аноним 29/11/17 Срд 18:15:32  304378
>>304377
Вроде того, только наоборот.
Аноним 29/11/17 Срд 18:25:13  304379
>>304378
По-моему, понятием "четный-нечетный" могут обладать только цифровые схемы.
Аноним 29/11/17 Срд 18:35:29  304380
>>304379
Та не. Не в чётности дело. Я полагаю должно быть две ветки в схеме, одна - прямая полярность, другая - обратная. Сигнал одной полярности инициализирует переключение на противоположную, но обратная связь шунтирует переключатель пока есть уровень... Решение вроде бы ясное, но в схему облечь его не могу.
Аноним 29/11/17 Срд 18:38:57  304381
>>304380
Детектор нуля на компараторе, t-триггер для удержания сигнала и какой-нибудь электронный SPDT-переключатель, который и будет переключать сигнал куда надо. Инвертор делается элементарно на ОУ.
Аноним 29/11/17 Срд 19:05:24  304384
>>304229
>Gays!!!!
kek!
Аноним 29/11/17 Срд 19:09:07  304385
>>303982
>>303925
чуваки, вы правы! Он, падла, шипит даже без микрофона. И шо делоть?

На микрофоне 3.36 вольт.
Аноним 29/11/17 Срд 19:30:24  304386
>>304374
Припаяй ему ноги.
Аноним 29/11/17 Срд 19:31:39  304387
1497268348110.jpg (42Кб, 228x269)
>>304347
Хм, любопытно, благодарствую.
Аноним 29/11/17 Срд 20:18:36  304392
>>304374
>а он оказался 0,6мм.
что за говно
Аноним 29/11/17 Срд 20:22:18  304393
>>304392
В смысле говно? Я проебся с размером сам. Это не делает компонент говном.
Аноним 29/11/17 Срд 20:23:13  304394
>>304386
Если бы это было возможным, то я бы припаял его к дорожкам с тем же успехом. 0,6мм, чуваааак
Аноним 29/11/17 Срд 20:29:30  304395
12842-01.jpg (32Кб, 700x525)
>>302040 (OP)
Какую паяльную станцию выбрать, с компрессором или турбиной в ручке? Правда что в фене с турбиной в ручке больше воздушный поток? Зачем тогда выпускают модель с компрессором, какие у него плюсы?
Аноним 29/11/17 Срд 20:37:35  304396
L8GReDLkqsw.jpg (283Кб, 1213x2160)
>>303774
>С такими токами только управляемый buck-converter ставить
Понял, спасибо, пойду ковыряться, держи кортинку
Аноним 29/11/17 Срд 20:43:55  304397
14208753318366.jpg (47Кб, 604x604)
Анон, чем больше я пытаюсь понять работу этого вашего эйлектричества, тем больше горит моя жопа.

Недавно анон объяснил мне как работает транзистор >>304257 и вроде бы всё встало на свои места. Но вдруг мне стало интересно, как проводит ток полупроводник. Лучше бы я об этом не думал.

Избыток отрицательно заряженных частиц в полупроводнике, это понятно -- натолкали в них лишних электронов.

А если избыток положительных, то это блядь дырки, просто блядь обычные сука ДЫРКИ!

Ладно, я не понял, но поверил, я смирился.

Но дальше больше. Я вдруг вспомнил, что ток, это движение электронов в проводнике. Так ведь учили в школе? Электроны, соответственно, как отрицательно заряженные частицы, иду к плюсу. Значит электричество идёт от минуса к плюсу. Да? Нет блджад, согласно схемам оно идёт от плюса к минусу!

Сука идём в гугл и выясняем, что это некоторая традиция, так считать. Почему блядь в школе у меня пятёрка по физике была? Наверное потому, что я не рефлексировал, а решал задачки. На самом деле, электричество может идти как от ПЛЮСА к МИНУСУ, так и ОБРАТНО! В зависимости от того, что является его НОСИТЕЛЕМ: отрицательный ЭЛЕКТРОН или положительный ИОН!

Но что меня окончательно прибило: носителем электричества в металле является электрон, а в электролите ион.
Из чего следует ЛОГИЧЕСКИЙ СУКА вывод, что в металле ток может двигаться только от минуса к плюсу, а в электролите от плюса к минусу.

Но в схеме же блядь они могут присутствовать ОБА!
Вот тебе ёбаная батарейка с электролитами, вот тебе лампочка и два куска сраного медного провода. Так, сука, что по этим проводам будет нести заряд, электрон или ион, И В КАКУЮ СУКА СТОРОНУ????

Анон, прошу, потуши мой пердак!!!
Аноним 29/11/17 Срд 20:53:04  304398
>>304384
Хуле кекаешь? Пока вы молчали я выкачал десяток книг по теории графов и сломал мозг. Завтра в больницу пойду за галоперидолом
Аноним 29/11/17 Срд 20:57:52  304399
>>304394
Это типоразмер 0402 или 0201?
Аноним 29/11/17 Срд 21:02:50  304400
>>304397
Добро пожаловать.

забей на эту хуйню, в реальной жизни будешь использовать ток от "+" к "-".
Аноним 29/11/17 Срд 21:28:13  304402
>>304397
Как я понимаю, электрон прыгая из дырки в дырку движется от минуса к плюсу, а дырка, освобождаемая этим электроном, стало быть, от плюса к минусу. Это как бы два разных взгляда на один процесс.
Аноним 29/11/17 Срд 21:51:59  304403
14866284297.jpg (103Кб, 700x461)
>>304402
Збс, анон, теперь всё стало на много понятнее: это просто дырка прыгает, как я сам-то не понял, глядя на свою тян.
Аноним 29/11/17 Срд 22:03:37  304404
>>304399
Да. 0201
Аноним 30/11/17 Чтв 01:05:09  304408
>>304397
Збс полыхнула у тебя. И как бы справедливо. Правда, большинство людей вообще очень далеки от этого всего. Но ты забей на это. Просто считай, что ток течет от + к - и все, так принято.
Аноним 30/11/17 Чтв 01:25:15  304409
>>304394
>Если бы это было возможным, то я бы припаял его к дорожкам с тем же успехом. 0,6мм, чуваааак
0402 / 0201 паяютя норм
Аноним 30/11/17 Чтв 03:04:18  304412
сложно ли сделать зарядник для ноута средствами начала 19века (1820е)? очень нада
Аноним 30/11/17 Чтв 03:55:22  304415
>>304412
Сложно фантасту начинать предложение с прописной?
Да. Но есть нюансы. От химического источника тока.
Аноним 30/11/17 Чтв 04:49:49  304418
image.png (3Кб, 285x239)
>>304397
да ты картинку нарисуй, все логично же. поезд электронов движется по проводу от - к +. дальше пересаживаемся на ионы. это упрощение конечно, но ты просто думай об этом как о подносе патронов. электроны бегут к плюсовому полюсу батарейки и там остаются. дальше происходит неебущий нас ни разу химический процесс, в следствие которого положительные ионы тянут заряд дальше, от плюса к минусу внутри батареи и дают электронам пинка и эстафетную палочку. и так пока батарейка не разрядится. а в какую сторону вся эта хуйня движется не важно. главное что все в одну сторону логично движется
Аноним 30/11/17 Чтв 05:21:15  304419
У нас опять отключили электричество :(
Серьезно думаю об ручном заряднике. Подскажи, какой генератор должен быть, чтоб оно максимально эффективно работало? Редуктор и ручку сделаю сам, дц-дц транс с Китая, а вот с генератором затык. На этих их ютубах чуваки сами мотают катушки и на ротор вешают магниты, но это что-то сильно замороченно, у меня криворукость превозобладает. Есть вариант купить годный готовый?
Аноним 30/11/17 Чтв 05:34:30  304420
>>304418
> главное что все в одну сторону логично движется
Положительно заряженные ионы двигаются в друую сторону, нежели отрицательно заряженные электроны

Это же ШКОЛЬНЫЙ курс физики. Как же я устал от гуманитариев.
Аноним 30/11/17 Чтв 05:36:09  304421
>>304419
>>304419
Ты заебёшься крутить ручку, инфа 100%. Купи свинцовый аккум на 20 АЧ или около и блок питания для ноута универсальный с возможностью работы от 12 В (от прикуривателя).

Этим же адаптером можно и аккум заряжать.
Аноним 30/11/17 Чтв 05:36:28  304422
>>304420
ты ебанутый что ли? а на картинке что? ты заметил ее?
Аноним 30/11/17 Чтв 06:53:38  304425
>>304409
Чем? Феном? У меня его нет. Паяльником? У меня самое мелкое жало d = 5мм
Аноним 30/11/17 Чтв 07:12:56  304427
>>304425
Намотай на жало медную проволоку.
Аноним 30/11/17 Чтв 07:19:40  304428
>>304425
Напильником сточи.
Аноним 30/11/17 Чтв 08:52:06  304430
>>304425
Паял 0201 3.5 жалом
Аноним 30/11/17 Чтв 09:20:12  304431
>>304403
Представь, что у тебя по монитору движется картинка с котиком. Представил? Теперь осознай, что пиксели на мониторе неподвижны, а движение котика - это иллюзия, которая достигается тем, что пиксели зажигаются и гаснут в нужное время. Так же и с дырками, ядра атомов остаются на месте, но принимают и отдают электрон так, что кажется, будто они движутся.
Аноним 30/11/17 Чтв 09:22:37  304433
>>304430
Брат жив?
Аноним 30/11/17 Чтв 09:35:46  304434
>>304403
откуда у таких долбоебов может быть тян
Аноним 30/11/17 Чтв 09:42:28  304436
Махарайщики, тут видео выложили, говорят можно заказать 10 плат с завода размером 10х10см всего за 2$ с бесплатной доставкой
http://www.youtube.com/watch?v=lHqIQsuw5Sw
Надо срочно бежать что-нибудь рисовать.
Аноним 30/11/17 Чтв 11:43:12  304440
15120065899400.png (4Кб, 285x239)
>>304418
Анон, давай проверим твою теорию и поставим в схему один диод.
В случае твоего вектора диод не должен пропускать заряд, но в реальности всё будет работать. Почему?
Аноним 30/11/17 Чтв 11:48:14  304441
>>304440
В катодной части диода находится область n-проводимости, т.е. там много электронов. У электронов отрицательный заряд и прилетающие электроны извне отталкиваются от них и диод ток не проводит.
Аноним 30/11/17 Чтв 11:52:57  304442
>>304431
>ядра атомов остаются на месте, но принимают и отдают электрон так, что кажется, будто они движутся.
Но загвоздка в том, что электроны могут двигаться только от минуса к плюсу. В схеме же заряд идёт от плюса к минусу, и этот заряд не "кажется", а натурально движется и это может показать осциллограф. Как же быть?
Аноним 30/11/17 Чтв 12:00:12  304443
>>304442
> Как же быть?
Никак не быть. Если ты не имеешь дело с физическими свойствами (полу)проводников и изоляторов всё это становится не важным. Разница только в знаке значения тока и всё.
Аноним 30/11/17 Чтв 12:00:16  304444
>>304441
Да, я понимаю, он не проводил бы.
Но если ты соберёшь эту схему с пикчи (добавив в неё ещё и лампочку), то диод ток проводить БУДЕТ.
Но не потому что ты в чём-то ошибся, а потому что ток идёт в сторону обратную той, которая указана на пикче, т.е. от плюса к минусу! И то, почму он идёт от плюса к минусу я и пытаюсь понять.
Аноним 30/11/17 Чтв 12:03:29  304445
>>304444
Ток идет от плюса к минусу, а электроны двигаются от минуса к плюсу.
На пикче хуйня нарисована, i должно быть в другую сторону.
Аноним 30/11/17 Чтв 12:33:17  304446
>>304444
> И то, почму он идёт от плюса к минусу я и пытаюсь понять.
Потому что люди так договорились.

Твоя ошибка в том, что ты упорно считаешь ток неким объектом реального мира, чем-то, что можно увидеть и потрогать, возможно даже, представляешь его, как, например, поллитровую банку с мутноватой жидкостью и подписью "50 ампер яблочного тока", в которую можно засунуть трубочку-проводник, и он потечёт.

Тока не существует. Ток - это всего лишь математическая абстракция, которая способна достаточно точно описывать некоторые реальные физические процессы, и ужасно плохо - другие. Люди придумали эту абстракцию тогда, когда плохо понимали, из чего сделан атом, и уж тем более не знали, что переносчиком заряда является электрон. А когда узнали, решили не переписывать учебники и не переучивать электриков, потому что от этого махарайки лучше работать всё равно не станут.
Аноним 30/11/17 Чтв 12:36:28  304447
>>304445

Ток физически идет от минуса к плюсу. Просто однажды дебичи-ученые нихуя не разобравшись решили, что от плюса к минусу, а потом, когда все вскрылось, было поздно. Решили считать что это эквивалентный ток оображаемых "положительных зарядов". В целом, считать в каком направлении течет ток абсолютно однохуйстенно. Разве что в радиолампах первое время будет майндфак - зачем греть минус если ток от плюса идет.
Аноним 30/11/17 Чтв 12:38:26  304448
>>304446

Банка сока (а точнее высота, на которой она стоит) - это скорее напряжение, ток - это скорость протекания через трубку
Аноним 30/11/17 Чтв 12:43:09  304449
>>304447
>Ток физически идет от минуса к плюсу.
Нет. В электролитах ток например переносится ионами - положительно заряженными.
Аноним 30/11/17 Чтв 12:52:50  304450
>>304449
И чё, вот реально ион прям такой летит от катода к аноду, держа в цепких нанолапках доставшийся ему электрон или дырку? Или с лицом измученного энтропией баловня пинает ближнего своего и пихая ему заряд, показывает в направлении анода?
Аноним 30/11/17 Чтв 12:55:58  304451
>>304450
>держа в цепких нанолапках доставшийся ему электрон или дырку
Наркоман штоле, сука, ион сам по себе положительный, вот он и несет заряд.
Аноним 30/11/17 Чтв 12:59:39  304452
>>304451

Он "вакуум", то бишь вакантные места на своих орбиталях для электрона несет. Положительный "заряд" - это тоже условность. Как известно, вакуум сам по себе никакой энергией не обладает и кинескоп взрывается только в условиях земной атмосферы, которая своей энергией, полученной благодаря гравитации его сдавливает, а если его в космос выслать - то хуй. Так вот и здесь.
Аноним 30/11/17 Чтв 13:02:42  304453
>>304452
Только вот ядро заряд-то несёт, а отсутствующий электрон его не компенсирует.
Аноним 30/11/17 Чтв 15:56:52  304457
Поясните за эти бездрайверные светодиоды. Это вообще законно???
https://www.aliexpress.com/item/COB-LED-Lamp-Chip-Beads-5W-30W-50W-220V-Smart-IC-Driver-Fit-For-DIY-LED/32654370304.html
Отзывы зело хорошие, но ведь так не бывает, правда?
Аноним 30/11/17 Чтв 15:57:06  304458
>>304397
>>304444
>>304445
>Ток идет от плюса к минусу, а электроны двигаются от минуса к плюсу.
Два чая этому господину. Я не нашёл логического объяснения этому фундаментальному явлению (возможно его вообще не существует?), но вероятно так оно и есть:
За направление тока принимается направление, в котором перемещаются положительно заряженные частицы, т.е. направление, противоположное перемещению электронов.
http://electricalschool.info/main/osnovy/216-jelektricheskijj-tok.html

Тут немного подробнее о том, что эта хуйня никому не понятна, но всё продолжают делать вид, что всё окей: http://electricalschool.info/spravochnik/poleznoe/1883-napravlenie-jelektricheskogo-toka.html

>>304447
>В целом, считать в каком направлении течет ток абсолютно однохуйстенно
Вот не однохуйственно, если мы будем изучать p-n переход. Там же вся мякотка этого злоебучего процесса заключается в системе ниппель. Но ниппель, оказывается, дует не в ту сторону.
>>304453
>Только вот ядро заряд-то несёт, а отсутствующий электрон его не компенсирует.
Ядро это совокупность протонов. Если количество протонов в атоме равно количеству электронов, то заряд равен нулю.
Если есть один лишний электрон, то заряд АТОМА становится отрицательным.
Если одного электрона нехватает, то заряд АТОМА становится положительным.

Следовательно в электрической цепи из медного проводника АТОМЫ меняются зарядами. Поровозиков-электронов перевозящих энергию в прямом смысле там нет.

Вот как из обмена атомами получается движение заряда (и что вообще такое этот заряд, если он не электрон) я пока что понять не могу.

Дискасс.
Аноним 30/11/17 Чтв 15:59:14  304459
>>304458
> Следовательно в электрической цепи из медного проводника АТОМЫ меняются зарядами.
Там речь шла про конденсаторы и про ионы, которые по определению являются атомами без электрона и вполне могут быть подвижны.
Аноним 30/11/17 Чтв 16:15:02  304462
>>304457

> бездрайверные светодиоды

А по бокам корпуса черные прямоугольники - это типа для красоты?
Аноним 30/11/17 Чтв 16:27:57  304463
>>304462
Ну ёпта. Понятно же, что речь о том, что к ним не нужно ничего дополнительно подключать. Подвёл 230 — и готово. Но какой ценой? Где подвох? Что скрывают власти?
Аноним 30/11/17 Чтв 16:29:35  304464
>>304457
Мигают с частотой сети (50 или 100 Гц), гальванически не развязаны — может ебануть током, равноценно троганию розетки. А так ничего особенного, качество как и в любых других.

Ну и не забывай, что эту пластину нужно крепить на радиатор.
Аноним 30/11/17 Чтв 16:32:15  304465
>>304463
> Но какой ценой?
CRI, уровни пульсации и прочие радости говняных светодиодных ламп. Но это всё зависит от качества драйвера. Если впихнули нормальный, то всё будут хорошо.
Аноним 30/11/17 Чтв 16:35:34  304466
Поясните, вот есть lm317, включенная как источник тока для светодиода. Там резистор есть в схеме, он не будет охуительно греться? В чем вообще его задача, если лишнее тепло должно жраться ЛМ-кой?
Аноним 30/11/17 Чтв 16:37:14  304467
>>304466
> Там резистор есть в схеме, он не будет охуительно греться?
Не будет.
> В чем вообще его задача, если лишнее тепло должно жраться ЛМ-кой?
Его задача - указать лм-ке какое нужно напряжение (или в твоём случае ток). Она ж универсальная и заранее в ней ничего не установлено.
Аноним 30/11/17 Чтв 16:40:06  304468
>>304466
Будет. Мощность, которая будет рассеиваться на резисторе P=R*I^2 . Берешь резистор с мощностью больше рассчитанной.
Аноним 30/11/17 Чтв 16:44:37  304470
>>304468
А ведь правда погуглих схему. Там ток выбирается исходя их падения напряжения на резисторе. У LM317 падение должно быть 1.25 вольта, что больно дохуя.
Аноним 30/11/17 Чтв 18:13:49  304472
>>304458
>Ядро это совокупность протонов. Если количество протонов в атоме равно количеству электронов, то заряд равен нулю.
Где-то читал про протонный ток, вообще пиздец.
Аноним 30/11/17 Чтв 19:12:24  304480
>>304398
Сам ты гей.
Аноним 30/11/17 Чтв 19:18:23  304481
>>304463
Через несколько часов это все хлопает и накрывается медным тазом.
И - инновации. Давайте греть полупроводники рядом с нагрузкой, это же так охуенно, полезно для надежности.
Аноним 30/11/17 Чтв 19:20:38  304482
>>304466
Резистор будет греться в ваттах как 1.25В в квадрате делить на сопротивление резистора в омах.
Этот резистор - датчик тока для 1.25В порогового у LMки.
Аноним 30/11/17 Чтв 19:24:09  304483
Аноны, а если я смдшки на розе буду садить, сильно хуево будет?
Аноним 30/11/17 Чтв 19:24:57  304484
Где бы взять маленькие трансформаторы для монтажа на плату на 5-15вт с двумя раздельными обмотками на 12-15в?
Но чтоб не грелись и не гудели.

Вот эта импортозамещающая хрень совсем швах?
https://www.chipdip.ru/product/tp121-5
Аноним 30/11/17 Чтв 19:35:34  304485
>>304398
>>304229
https://youtu.be/a5kScSNd3es
Аноним 30/11/17 Чтв 19:44:22  304488
>>304483
Да
Аноним 30/11/17 Чтв 19:47:58  304489
>>304484
Возьми в том же чипдипе ТПП245-220-50
Этот ТП121-5 трудно назвать импортозамещением, потому что оно ничего не замещает.
Аноним 30/11/17 Чтв 20:05:14  304491
>>304489
>ТПП245-220-50
Ты намекаешь на то что надо брать с запасом? У него к тому же нет креплений на плату.

В идеале хотелось бы что-то вроде, но 1шт не заказать.
https://www.terraelectronica.ru/product/360457
Аноним 30/11/17 Чтв 20:32:29  304493
>>302530
бля в школе помню собрал это дело, так почемуто КВ ловил вместо фм
Аноним 30/11/17 Чтв 20:41:32  304496
>>304440
>В случае твоего вектора диод не должен пропускать заряд
с чего ты взял? как раз показано правильное направление движение зарядов.

>>304444
ты сам себя запутал. электроны движутся от минуса к плюсу ровно как нарисовано на пикче.
>о, почму он идёт от плюса к минусу я и пытаюсь понять
он не течет от плюс к минусу. мы просто так договорились. если хочешь знать как все реально течет - посмотри еще раз на картинку


>>304445
долбоеб. i это ионы, они движутся внутри батареи от + к -. моя пикча верна.


Аноним 30/11/17 Чтв 20:44:33  304497
>>304449
нахуй ты запутываешь еще больше. не умничай про ионы это понятно и так. очевидно же что речь идет про электроны. доебались же вы до этих ионов. они от + к - движутся внутри батареи замыкая круговорот, но нам на это похуй.
Аноним 30/11/17 Чтв 20:58:02  304501
>>304497
с хуя ли я запутываю? Наоборот я пытаюсь доказать, что совершенно не имеет значения куда там движутся заряды на самом деле. Ток идет от плюса к минусу и точка. В одной и той же цепи могут быть как электрические токи, так и ионные токи.
Аноним 30/11/17 Чтв 21:18:15  304502
>>304497
>>304501
Вы дегенераты ебанутые.
От - к + движутся не электроны, а электронно-дырочные пары.
Мне даже лень пояснять вам, даунам, от вашей писанины глаза лопаются.
Вы проебаны. Просто проебаны. Квантовые физики диванные, охуеть просто.
Аноним 30/11/17 Чтв 21:27:57  304503
130221984383.jpg (45Кб, 600x578)
>>304502
>электронно-дырочные пары
Откуда в проводах пар, вейпер хуев?
Аноним 30/11/17 Чтв 21:28:10  304504
>>304502
Ваще похуй на движение, хуярит эм поле вдоль проводника.
Аноним 30/11/17 Чтв 21:37:22  304505
>>304502
>От - к + движутся не электроны, а электронно-дырочные пары.
Толсто, даун.
Аноним 30/11/17 Чтв 22:17:38  304509
Библиотеки SystemC пойдут под любым IDE или только под Visual Studio?
Аноним 30/11/17 Чтв 22:37:43  304513
https://www.youtube.com/watch?v=t7Xx3cf2rBY
Аноним 30/11/17 Чтв 22:54:09  304515
Начал травить плату и на свободных участках меди появилась какая-то белая нестираемая пленка. Это что за пакость такая?
Аноним 30/11/17 Чтв 23:27:31  304518
fxIIWNv.png (34Кб, 1977x632)
Почему D2 горит? Ведь на управляющей ноге транзистора - плюс.
Он же не должен ничего пропускать тогда.
Аноним 30/11/17 Чтв 23:28:48  304519
>>304518
А, понял, через D1 течёт в минус.
Ну и как мне зажигать лампочку D2 если кнопка не нажата?
Пиздец у вас тут всё сложно.
Аноним 01/12/17 Птн 02:03:50  304521
Хочу вкатиться в электронику. Что почитать? Можно и зарубежные ресурсы, например.
Аноним 01/12/17 Птн 04:03:40  304523
>>304458
>АТОМЫ меняются зарядами. Поровозиков-электронов перевозящих энергию в прямом смысле там нет.
ты путаешь опять с этими вашими ебучими ионами. там действительно один оторвался - получися +ион и тд. от атома к атому. в металлах все по-другому. ну почитай чем металлическая связь отличается от ионной. в металлах общак - электроны с валентного уровня своих атомов сбегают и свободно плавают промеж положительных атомов. это шведская семья, группенсекс, они не принадлежат своим атомам,
а просто шароебятся бесцельно в общей металлической массе. это называется electron sea. когда подключается питание, создается поле, и они перестают шароебиться и выстраиваются в ряд и хуярят строем от минусового полюса батарейки к плюсовому.
это называется электрический ток в проводнике. поэтому электроны это именно паровозики.


>>304521
только не начинай с ионов как анон выше. ионы заебали.
Аноним 01/12/17 Птн 04:43:25  304524
>>304519
вот из-за таких схем все кажется сложнее чем на самом деле. это какой-то аутист-садист рисовал. если ее нормально нарисовать - повернуть транзистор правильно и спрямить мудацкие изгибы, все будет очень просто. кнопка гасит d1. d2 - вечный огонь. алсо, зачем R1 нужен непонятно. он просто поддает горючего d1. а когда кнопка нажата через дохуя тока течет без пользы. его можно нахуй убрать и уменьшить R2 соотвественно.
Аноним 01/12/17 Птн 08:43:48  304532
>>304523
>свободно плавают промеж положительных атомов

Это же можно из чермета вечную батарейку делать, пока электроны не кончатся.
Аноним 01/12/17 Птн 08:47:35  304533
>>304488
Почему? отваливаться будут?
Аноним 01/12/17 Птн 11:28:18  304541
s78823259[1].jpg (33Кб, 800x245)
>>302040 (OP)
Можете объяснить как работает fm модулятор пикрелейтед?
В частности интересует где у него колебательный контур генерирующий мегагерцовую частоту. Вангую, что на первом транзисторе, судя по катушке на его коллекторе, но сама схема генератора какая-то странная - колебательный контур тупо висит на этом самом коллекторе, а от катушки ничего не базу не идет. Как транзистор понимает когда ему поддавать ток в контур а когда запираться, чтобы была стабильная синусоида?
Второй транзистор зачем нужен? Чтобы усиливать промодулированный сигнал для передачи на антенну?
Аноним 01/12/17 Птн 11:28:23  304542
Есть ли чипы наподобие amc7135 только с питанием от 12+ вольт и током 300ма?
Аноним 01/12/17 Птн 12:19:53  304546
>>304541
Транзистор включен по схеме с общей базой, эммитер - вход, коллектор - выход, между входо и выходом включен конденсатор, он и создаёт обратную связь

Частота задётся L1 C1 C2 и ёмкостями переходов транзисторов.

Модуляция осуществляется путем смещения рабочей точки транзистора, при этом меняются ёмкости переходов

Второй транзистор - усилитель.
Аноним 01/12/17 Птн 12:30:59  304548
02[1].jpg (75Кб, 750x563)
>>304546
Ясно. Спасибо.
Я только сейчас понял, что FM это не УКВ как таковое а именно частотная модуляция. До сегодняшнего дня думал что всё радио вещает в амплитудной модуляции, и что та схема модулирует именно амплитудно, лол.
Аноним 01/12/17 Птн 12:45:46  304549
>>304533
Именно.
Аноним 01/12/17 Птн 12:48:53  304550
>>304548
Транзистор включен по схеме емкостной трехточки. Колебательный контур включает в себя емкости С1 С2 С3 С6, они составляют как бы кольцо, к отводам которого подключены выводы транзистора.
Аноним 01/12/17 Птн 12:50:49  304551
03.gif (4Кб, 346x270)
>>304548
Вот так понятнее как заведена обратная связь, это то же самое, просто конденсаторы по другому нарисованы.
Аноним 01/12/17 Птн 13:07:05  304552
>>304550
>>304551
А с какого класса в школе на физике начинают проходить колебательные контуры и прочее? Хочу перепройти курс школьной программы, чтобы вкатиться в основы радиотехники. Интересует как радиопередача так и всякие фильтры, например, чтобы уметь пилить эквалайзеры и спикерсимы.
В школе у нас делились на пацанов (тех кто состоит в группировках) и чушпанов, примерно 50 на 50. Я не состоял, поэтому, соответственно часто получал пиздов, что очень негативно сказывалось на учебном процессе. На физике и биологии совсем не хотелось ничего слушать, было желание лишь побыстрее съебать домой безопасными путями. Сейчас хочется восполнить пробелы на самом деле хочу запилить боевой дрон на субчастотном управлении, и спустя 15 лет расквитаться с обидчиками с его помощью
Аноним 01/12/17 Птн 13:28:51  304553
>>304552

"Радио? Это очень просто!" айсберга читай, там на пальцах разъяснено. Потом от него же две книги про транзисторы и как работает теплый ламповый зомбоящик.
Аноним 01/12/17 Птн 14:33:09  304558
>>302040 (OP)
Антоши, объясните, что это за фигня такая. Смотрю электромобили, чисто из-за интереса решил узнать про характеристики их электромоторов, и не понимаю, как маленькая такая пиздючка может выдавать под сотню кВт и 20000 оборотов, и громадный крутящий момент. Смотрю заводские асинхронники , они в при том же размере, выдают значительно меньше кВт, и количество оборотов.
Возможно частично это все объясняется тем, что у Теслы жидкостное охлаждение, и медная беличья клетка в роторе, но все ровно, не понимаю, как там двигатель на несколько порядков по параметрам лучше. Пиздят? Или указывают максимальные пиковые значения? Или вообще что?
Аноним 01/12/17 Птн 14:37:36  304559
>>304558
Двочую вопрос.
Аноним 01/12/17 Птн 14:39:08  304560
Какой паяльник лучше выбрать?
Аноним 01/12/17 Птн 14:42:23  304562
>>304560
Сколько денех готов отдать?
Аноним 01/12/17 Птн 14:58:54  304563
>>304559
>>304558

Промышленные асинхронные электромоторы работают от 50 гц и с почти ественны охлаждением, постоянная нагрузки 100 процентов

В авто электромоторы охлаждаются отдельно, либо маслом (приус), либо отдельными контурами (тесла, насколько я вижу из картинок).

Малое число полюсов, большие токи (например на первом приусе для электромотор стоит модуль для коммутации 600А 600В, и ещё один на чуть меньше, кажется на 200 или на 300А) и высокая частота переменного тока позволяют развить большие обороты.

А большие обороты вкупе с большим током (для которого и необходимо хорошее охлаждение) и дают результат - сотни кВт. Правда, моторы в таком режиме долго не будут работать - те же теслы на трэке (нюрбургинг) перегреваются и инвертер снизит макс. мощность/момент раза в два.
Аноним 01/12/17 Птн 15:00:00  304564
>>304560
китайский контроллер и хакко Т12 или Т15. Самое лучше, что есть для любителей.
Аноним 01/12/17 Птн 15:19:53  304566
>>304553
Спасибо.
Аноним 01/12/17 Птн 16:32:49  304577
>>304563
Поясни про число полюсов. Как это влияет?
Аноним 01/12/17 Птн 16:39:46  304578
>>304558
>под сотню кВт
Сотня то еще ладно. У тесел так вообще там по полмегавата. Это уже чот за гранью
Аноним 01/12/17 Птн 16:41:19  304579
>>304558
>и громадный крутящий момент
Вот мне кствти непонятно, я читал, что у асинхронников оче низкий пусковой момент. А теслы с места рвут дико. Как так? Сцепление?
Аноним 01/12/17 Птн 16:52:32  304580
>>304579
http://electricalschool.info/spravochnik/maschiny/1925-puskovojj-moment-asinkhronnogo.html

У обычных 3-ёх фазных асинхронных пусковой момент больше рабочего. С применением "продвинутого" управления можно получить и больше (грубо понижается частота, увеличивается напряжение).

>>304578
>Сотня то еще ладно. У тесел так вообще там по полмегавата. Это уже чот за гранью
А что такого? IIRC одно из основых ограничений теслы - это максимальный ток, отдаваемый батареями, т.е. "вкачать" в мотор можно и больше, но батареям будет тяжко (ресурс, нагрев).

>>304577
>Поясни про число полюсов. Как это влияет?
Меньше полюсов - быстрее "вращается" поле и быстрее вращается ротор.
http://megavattspb.ru/chastota_asinhronnogo_dvigatelya.html
Аноним 01/12/17 Птн 16:55:45  304581
>>304577
больше полюсов -> меньше скорость, выше момент
Аноним 01/12/17 Птн 17:30:00  304583
Пытаюсь отремонтировать старый монитор lg 1953, вскрыл, там кондеры вздутые, поменял, проработал монитор 2 часа, начал моргать, лого появлялось на долю секунды, нашел пробой в транзисторной сборке, заменил отдельно транзистором, старые контакты обрезал, нашел нерабочий смд стабилитрон дальше по цепи, поменял все конденсаторы 16-25вольт, монитор стал включатся на секунду и выключаться, в течении 5 секунд моргает ещё раз и все. С вга кабелем так же, только видно рабочий стол.
Еср метром проверил все транзисторы, выпаивал все конденсаторы, нашел два на скалере с повышенным сопротивлением, и два с заниженной емкастью среди новых, результата нет. Проверил мультиметром все диоды, выпаивал одну ножку, трансформатор инвертора целый, на линии 12 вольт напряжение 16, но вроде пишут, что нормально без нагрузки. Пробовал разобрать матрицу, лампы все загораются, небольшое потемнение на концах только.
В интернете одна хуита, 90% замена кондеры, у остальных обмотка трансформатора, нерабочие лампы, у меня нет изображения, светил.
Кароче, прошу помощи, уже терпение заканчивается, второй месяц ковыряюсь.
Аноним 01/12/17 Птн 17:50:29  304584
Посоны, реально ли на меге запилить трехфазный инвертор?
Аноним 01/12/17 Птн 18:15:56  304586
>>304552
В школе это не проходят. Тем более расчеты подобного. Максимум - резонансная частота LC контура.
Это в радиовузе серьезно проходится.
Аноним 01/12/17 Птн 18:38:20  304587
>>304586
Ты в каком году школу окончил?
Еще с конца 90х-начала 00х даже в ОБЫЧНЫХ средних школах от унифицированной совковой модели отказались. Сейчас с 5-6 класса делают перегруппировку. Т.е. у каждого класса свое направление: физика, химия, матан, языки, информатика и др. Выражается это в повышенном количестве часов для предмета, в ущерб часам вторичных дисциплин. Для 10-11 классов делают перегруппировку еще раз (не уверен, что сейчас так можно, но я в свое время перешел от "химиков" к "физикам" в 10 класс).
Я школу в 2006 окончил, если что.
Сейчас со всякими егэ-хуйгэ хер его знает, конечно, но полагаю что система в целом та же самая, только теперь надо заранее выбрать и 100% знать куда будешь поступать и какие экзамены сдавать через 5-6 лет. Ебанизм, конечно. Думаю, я бы хуев всосал со своим перескоком хим-физ в свое время, если было бы егэ.
Аноним 01/12/17 Птн 18:40:54  304588
Ребят, а дайте хорошее обучающее видео по работе с бредбордом
Аноним 01/12/17 Птн 18:44:40  304589
>>304588
А без обучающего видео воткнуть конец провода или ногу элемента в дырку совсем не сможешь?
Аноним 01/12/17 Птн 18:56:24  304591
>>304589
Смогу, не вопрос. Но наверняка же есть какие то трюки, позволяющее делать быстрее и ровнее.
Аноним 01/12/17 Птн 19:29:47  304594
>>304580
>>304563
Спасибо! А еще в чем суть Y и D подключения намоток?
Аноним 01/12/17 Птн 20:10:24  304597
На предохранителе написано "6T250V". Как понять на сколько он ампер? Ничего не гуглится.
Аноним 01/12/17 Птн 20:20:00  304598
>>304597
6.
Аноним 01/12/17 Птн 20:21:58  304599
>>304598
С чего ты взял? Там проволочка в 3 раза тоньше моего волоса. Скорее уж на 0.06 чем на 6.
Аноним 01/12/17 Птн 20:28:04  304600
>>304599
Иди на хуй, мозгоеб. Ты притащил маркировку, я тебе сказал номинал. А теперь еще спорить будешь.
Аноним 01/12/17 Птн 20:49:50  304602
>>304597
Пруф в виде фотографии где?
Аноним 01/12/17 Птн 21:11:55  304603
1of3phaselegs.jpg (1037Кб, 1944x2592)
>>304578 Каждый мотор весит 32кг и выдает 320квт но лишь десяток секунд. Продолжительная мощность не сильно больше 200квт. Модельные инраннеры имеют такое же соотношение массы к мощности.

>>304580
>одно из основых ограничений теслы - это максимальный ток, отдаваемый батареями,
Так оно и есть.
Аноним 01/12/17 Птн 21:22:53  304608
IMG201712012115[...].jpg (1061Кб, 3264x2448)
IMG201712012114[...].jpg (1091Кб, 2448x3264)
9hq.jpg (67Кб, 500x500)
Аноны такая проблема:
Друг отдал usb наушники и там следующая проблема: на оба динамика идет левый канал, а правого вообще нет.
На первой картинке можно разглядеть 4 контакта, r+,r-,l+,l-. Как видите, тут припаяно все нормально.
В чем может быть проблема?
Аноним 01/12/17 Птн 21:28:59  304610
>>304603
Почему на плате только 2 фазы?
Аноним 01/12/17 Птн 21:43:36  304612
>>304546
А как тут можно определить что именно с общей базой. Сигнал то на базу подается. А эмиттер на земле. Из чего следует что база общая?
Аноним 01/12/17 Птн 21:47:46  304613
Screen-shot-201[...].png (735Кб, 973x663)
>>304610 Это одна фаза. С 14-ю четырехдолларовых игбт в параллель.
Аноним 01/12/17 Птн 22:04:51  304614
>>304612
По переменному напряжению смотри. Для сигнала база на земле.
Аноним 01/12/17 Птн 22:07:16  304615
>>304599
не еби мозги. T это time lag (медленный) 6 - это номинал в амперах
Аноним 01/12/17 Птн 22:12:41  304616
>>304613
что за хуйня на фото?
Аноним 01/12/17 Птн 22:14:20  304618
>>304614
Смотрю - там делитель R1 C6. Какая частота сигнала? Xc6 будет же огромное вроде ведь емкость всего 1n.
Аноним 01/12/17 Птн 22:15:49  304619
Tesla-Drive-Uni[...].jpg (93Кб, 1024x571)
>>304616 Кошмар тазоеба.
Аноним 01/12/17 Птн 22:22:11  304620
>>304613
Но там 28 транзисторов, соотв-но 2 фазы.
Аноним 01/12/17 Птн 22:23:08  304621
>>304586
>В школе это не проходят
Не, я помню, что нам электрокатушку демонстрировали, о колебательном контуре говорили. Даже буравчик был. То есть основы электротехники точно были.
Плюс ещё УПК был один сезон. Но там совсем жара - гопник на гопнике и гопником погоняет. Помню я смог только записать формулу расчета rc-фильтров и спаять нерабочий мультивибратор. Ещё пальцы чуть не отрезал себе на сверлильном станке, никто не предупредил что там такая моща и нужно закреплять пластину как можно сильнее

мститель-кун
Аноним 01/12/17 Птн 22:25:10  304622
>>304620 Посмотри внимательнее на полигон посередине и перемычку сверху.
Каждая фаза это два ключа каждый из которых состоит из 14ти транзисторов в параллель.
Аноним 01/12/17 Птн 22:26:08  304623
>>304618
>>304541
>fm модулятор
Судя по всему 88...108 МГц. Получается около -1,5 Ом.
Аноним 01/12/17 Птн 22:26:41  304624
>>304587
>Т.е. у каждого класса свое направление
Бля, помню как нас в пятом классе заставили всей пераллели скинуться на камплуктеры для школы (тогда они только появлялись), дескать потом у вас будет информатика. В итоге информатика была лишь у б-гизбранного А-класса где-то начиная с 8-го. Благо я тоже перешел в А после девятого, ибо мой расформировали, и таки поучился на честно оплаченном компе.
Аноним 01/12/17 Птн 22:33:39  304625
>>304622
Ясно, что-то дохленькой проводок, не верится что 1200А выдержит
Аноним 01/12/17 Птн 22:39:42  304627
Посоны. помогите пожалуйста. Есть древний блок питания Б5-11, у которого кошачей мочой(или чем-то с не меньшим эффектом) разъело радиатор и прикрученные к нему мощные транзисторы( уцелело всего по парочке П215 и 217). на радиаторе был слой окислов толщиной с полпальца, а когда я его всё же отскрёб, его будто мыши погрызли, но дело не в этом. Остальные детальки вроде в порядке, и наверное можно попробовать его восстановить. Вот в этом и состоит суть моего вопроса: я нигде вообще не могу найти схему. Гугл с яндексом выдают какие-то другие модели. Может кто-нибудь знает, где можно её взять? Ну, или что можно сотворить из деталей с него.

P.S. На замену П217 пойдут ли П217А(которые у меня есть), или нужно всё же покупать в точности такие же?
Аноним 01/12/17 Птн 22:53:05  304629
>>304625 Основной ток идет по толстым медным шинам которые прижаты к плате.
>1200А
Это на два мотора. При 400в и 320квт ток в ключах будет 800А. А где-то в диапазоне 1000-1200А транзисторы кончатся.
Аноним 01/12/17 Птн 23:12:00  304630
>>304629
У теслы 2 мотора?
Аноним 01/12/17 Птн 23:14:49  304632
>>304630 Нищебродская версия заднеприводная с одним мотором, остальные полноприводные и драйв-юнитов там два.
Аноним 01/12/17 Птн 23:38:46  304633
>>304624
Хе, тоже мне, помню вот у нас были олдскульные компы, по включению питания загружался интерпретатор Бэйсика, вот это была информатика, вот это был хардкор. К сожалению тогда я компьюктер увидел в первый раз в жизни и какая там была модель меня в ту пору не интересовало, о чём сейчас сожалею.
Аноним 02/12/17 Суб 00:59:58  304638
Посоны, поясните за 572ПВ2/ПВ5/ПВ6 и их аналоги ICL 7107/06/35. Если подать им на чистый вход больше, чем +-2В, то они ебнут или просто выведут переполнение?
Аноним 02/12/17 Суб 01:03:23  304639
>>304627
Анон, если ты еще не потерял надежду - на днях попробую поискать в универе. Сами Б5-11 есть, а инструкции должны в теории где-то быть. В понедельник-вторник отпишу
Аноним 02/12/17 Суб 01:08:31  304640
>>304639
Спасибо, добрый анон!
Аноним 02/12/17 Суб 01:41:00  304641
>>304638
Входное напряжение не должно выходить более 1 вольт к потенциалам питающего.
Лежит комплект из ПВ5 и ИЖЦ5-4/8(этих даже две штуки), сам уже вряд ли для поделок буду применять. Отдал бы в прямые руки анонимно. На ней, например, хорошо разбираться как мультиметр/термометр работает, для чего опорное напряжение нужно и т.п.
Аноним 02/12/17 Суб 01:46:06  304642
>>304641
> более 1 вольт к потенциалам питающего
То есть там из-за деления напряжения питания, например, 9 вольт надвое получаем -4.5 и +4.5 вольт. То есть не выбегаем за пределы -5.5 +5.5 вольт.
Аноним 02/12/17 Суб 01:57:04  304643
>>304641
Город?
Хотел бы попробовать на ICL7135 сделать прибор, 4.5 разряда, все дела. Но опыта маловато, с изготовлением измерительной техники раньше не сталкивался, поэтому на потренироваться - был бы очень не против. Могу даже махнуться на что-то, если это что-то у меня будет.
Аноним 02/12/17 Суб 02:20:42  304644
20171202041602.jpg (461Кб, 3012x2217)
>>304643
Пермь.
Аноним 02/12/17 Суб 02:24:40  304645
>>304644
Далековато будет от дс, пожалуй тогда откажусь
Аноним 02/12/17 Суб 03:44:34  304648
Существуют ли дешевые изолированные датчики напряжения? Вроде токового датчика ACS712.
https://www.sparkfun.com/datasheets/BreakoutBoards/0712.pdf
Аноним 02/12/17 Суб 03:49:36  304649
>>304621
>Ещё пальцы чуть не отрезал себе на сверлильном станке, никто не предупредил что там такая моща и нужно закреплять пластину как можно сильнее
>
>мститель-кун

А сам не додумался?
Аноним 02/12/17 Суб 07:12:26  304651
>>304594
У игрек - напряжение рабочее в 1.8 (корень из 3) раза больше, токи, соответственно - меньше чем у дельты.
Просто мотор имеет два варианта включения под разное напряжение сети. Например можно взять мотор Y на 380В - переключить на дельту и с конденсатором фазосдвигающим использовать на 220В.
Аноним 02/12/17 Суб 07:15:14  304652
>>304603
А кто лучше и чем - инраннер или аутраннер? В леталках всяких почему-то преимущественно последние используют.
Аноним 02/12/17 Суб 07:18:24  304653
>>304618
С6 в 20 раз больше чем контурная емкость, поэтому он для ВЧ практически что замыкание на массу. А для входного звука - прозрачен.
Аноним 02/12/17 Суб 07:20:17  304654
>>304619
Блядь, с одной стороны круто и все такое, с другой - это же джихадмобиль с огромной бомбой под полом. Если мобильники взрываются - то как может пыхнуть эта батарея!
Аноним 02/12/17 Суб 07:21:42  304655
Что нужно для того, чтобы вытащенную из телефона камеру использовать отдельно от телефона? Например, передавать изображение на компьютер или на карту памяти.
Аноним 02/12/17 Суб 07:23:18  304656
>>304621
Ну основы самые были - колебательный контур, резонанс, два пи на корень из эль на цэ, но никаких обратных связей, никаких добротностей и вообще даже близко не было ничего, что позволяло бы что-то рассчитать на транзисторе, даже примитивный усилитель с ОЭ.
При том что у меня физмат класс был.
Аноним 02/12/17 Суб 07:57:52  304657
>>304627
> блок питания Б5-11
Транзисторы подойдут. Посмотри схемы его собратьев из серии Б5-ХХ, на низкое выходное напряжении, я думаю они мало отличаются.
Аноним 02/12/17 Суб 08:00:26  304658
>>304655
Используй картридер, Люк!
Аноним 02/12/17 Суб 08:27:34  304659
>>304655
>Что нужно
Даташит на камеру, мозг в верхней голове, контроллер с поддержкой камеры типа стм32ф429
Аноним 02/12/17 Суб 09:31:53  304662
>>304584
Можно, но не тебе.
Аноним 02/12/17 Суб 11:52:35  304665
>>304654 А возить с собой 50-100л бензина тебе норм? Не думаю что сгоревших от пробитой батареи тесл больше чем сгоревших бензиновых авто от протечки бензина.
Аноним 02/12/17 Суб 12:01:03  304666
>>304665
Ташемта взрываются пары бензина. Поетому лучше ездить с полным баком.
Аноним 02/12/17 Суб 12:57:56  304668
>>304662
Почему?
Аноним 02/12/17 Суб 13:32:06  304669
>>304654
Там защита стоит, предохранительные клапана, как у газовых баллонов, из например хоть в огонь кидай, взрыва не будет. Бензин опасней.
>>304666
Все верно, полная канистра бензина просто сгорит, а полупустая взорвется.
Аноним 02/12/17 Суб 14:04:47  304671
>>304668
Маленький ты ещё для такого.
Аноним 02/12/17 Суб 14:36:54  304676
red.jpg (43Кб, 800x600)
Как вам мои светодиодики? 5 сек посмотрел, чуть не ослеп
Аноним 02/12/17 Суб 14:41:48  304677
2017-12-02-1325[...].png (7Кб, 364x263)
diff.png (163Кб, 1436x843)
есть:
V_i = V_iDC + noise cos(wt)
noise < V_iDC.

V_i сравнивается с V_b:
V_b = V_bDC
V_i - V_b = V_iDC - V_bDC + noise cos(wt).

мне нужно уменьшить шум.

было бы лучше добавить шум к V_b:
V_b = V_bDC + noise cos(wt).
тогда:
V_i - V_b = V_iDC - V_bDC.

на первой картинке попытка это сделать. o2 = V_i, o1, это V_bDC с шумом. они к дифференциальному усилителю.
на второй картинке зеленая линия, это o2 - o1, то что я думаю, выдаст диф. усилитель.
красным это o2, а синим, это o1.
чем больше конденсатор, тем ровнее зеленая линия. но дольше время зарядки конденсатора (в начале графика) - медленно будет реагировать.

как еще такое сделать, что бы быстрее реагировал?

частоты 100 гц - 30 кгц.
Аноним 02/12/17 Суб 14:58:28  304678
>>304677
в кратце: мне нужно сравнить DC_вход часть которая на вход, с другим DC. у DC_вход есть шум, который я выразил как "noise cos(wt)".

на картинке с схемой: V_4 + V_2 = V_iDC + noise cos(wt).
V_2 = V_bDC.
Аноним 02/12/17 Суб 15:05:39  304680
1.png (2676Кб, 1576x1123)
2.png (2534Кб, 1576x1123)
3.png (2489Кб, 1576x1123)
4.png (2875Кб, 1576x1123)
>>304657
Это довольно древняя йоба, которая еще даже не от нуля вольт работает. И без амперметра встроенного.
Алсо, >>304627 вот схемы, но от Б5-10. Вроде одно и то же. Если не то - поищу именно от 11 модели это из гугла, собстна
Аноним 02/12/17 Суб 17:17:41  304691
20170927175909.jpg (4833Кб, 4032x3024)
Шуруповёрт куплен 4 года назад, использовался мало.
Аккумуляторы - 15 банок NiCd размера 22420, потеряли ёмкость.
Подрочил их через Imax B6 (заряд 1,0 А, разряд 0,5 А при ёмкости 1,7 Ач) на 5 циклов по 5 штук - вроде бы, ёмкость с каждым циклом становилась больше, но, когда я начал дрочить их по одному, уже первая банка отдала всего 0,1 Ач.
Похоже, как минимум один аккумулятор придётся пересобрать из новых батарей. (Надеюсь, я смогу набрать живые банки на второй аккумулятор...)
Так вот, главный вопрос:

Есть ли советы, как выбрать качественные аккумуляторы?
Аноним 02/12/17 Суб 17:28:08  304692
>>304691
Какое напряжение?
Собери из 18650 и с платой зарядки/защиты балансирной.
Будет почти что bosh, только с дешманским двиглом.
Аноним 02/12/17 Суб 17:36:45  304693
WTF.png (336Кб, 866x631)
Анон, вот схема плавного включения ламп накаливания и я чейта никак не могу понять как она должна работать, а не жарить резистор R4. Поясни.
Аноним 02/12/17 Суб 18:23:46  304702
>>304693
Будет кратковременно жарить - потом будет включена напрямую.
Аноним 02/12/17 Суб 18:25:04  304703
>>304693
Алсо, собирай на симисторах - как во всех серийных схемах.
Или просто купи устройство плавного пуска.
Аноним 02/12/17 Суб 18:26:37  304704
>>304692
> 15 банок NiCd
> Какое напряжение?
18 вольт же, сам посчитать не можешь?
> Собери из 18650
6 банок входит максимум. И места свободного дохуя со всех сторон. Разве что из пакетиков собирать 93х58х37.
И зарядное переделывать.
Да и нахуй надо, на Али продаются 22420 с приваренными лепестками.
Главное - выбрать качественные, а я не знаю, как, ассортимент слишком широк.
Аноним 02/12/17 Суб 18:33:44  304705
>>304693
D1 жарить будет.
Аноним 02/12/17 Суб 18:51:03  304707
Как почувствовать температуру транзистора чтобы не токнуло ёбом?
Аноним 02/12/17 Суб 18:59:00  304709
>>304707
Купить любой мультиметр с термопарой. Или примотать датчик от любого термометра, умеющего в >100°, например на датчике ds18b20
Аноним 02/12/17 Суб 19:02:35  304710
>>304707
Попробуй прикоснуться в резиновой перчатке.
Аноним 02/12/17 Суб 19:05:35  304711
>>304710
Земля тебе стекловатой, братишка
Аноним 02/12/17 Суб 19:08:10  304712
>>304515
Бамп вопросу.
Аноним 02/12/17 Суб 19:22:50  304713
>>304707
Примерно почувствовать?
Аноним 02/12/17 Суб 19:36:56  304714
>>304707
Путей много.
Аккуратно прислонить смоченную бумажку. Кипит - больше 100 градусов. Испаряется - ну около того.
Взять С-метр и керамический кондер с ТКЕ Н90. Желательно зеленаю КМачьку, тоньше. Смотреть как меняется емкость. Аналогично можно и с резистором.
Измерять h21 транзистора. Собственно, на этом принципе делается термокомпенсация в усилителях.
Мультиметр с термопарой.
Элемент Пельтье, на разности температур который работает.
Промышленный термометр.
Измерить ток и напряжение, посчитать ватты, перевести в джоули, потом по даташиту посмотреть температурное сопротивление
Аноним 02/12/17 Суб 21:26:48  304719
>>304680
По количеству больших транзисторов вроде не совпадает-мест под них на радиаторе только 12. Но спасибо!
Аноним 02/12/17 Суб 21:35:17  304721
>>304719
Лучше глянь в мурзилке схемы на 142 серии умощненной транзисторами, приделай амперметр и будет нормальный блок питания, чем старое не пойми что на германии
Аноним 02/12/17 Суб 21:38:24  304723
Что со мной? Почему при покупке новых деталей мне их жалко распаковывать, не то что паять. Я ебанутый?
Аноним 02/12/17 Суб 21:57:01  304726
15092853163490.png (1368Кб, 1920x1084)
как же охуенно пиздить припой с работы
Аноним 02/12/17 Суб 22:17:05  304727
>>304723
Да. Потому что факт наличия деталей для тебя больший кайф, чем махарайка. Это фетиш/собирательство какое-то
Аноним 02/12/17 Суб 22:55:44  304730
>>304721
Ну, мне нравится сама идея "Ух ты, прибору полвека, а работает!"
К тому же меня покорила фраза на сайте продавца источников питания по поводу этого самого б5-11
> Для снижения температурного коэффициента выходного напряжения стабилитроны опорного напряжения, полупроводниковые приборы первых каскадов усилителя обратной связи, помещены в активный термостат.

Аноним 02/12/17 Суб 23:17:05  304733
>>304730
Что-то уровня прогрева аудиокабелей.
Аноним 03/12/17 Вск 00:41:08  304742
>>304733
Термостат для ИОН это не из
> уровня прогрева аудиокабелей
Аноним 03/12/17 Вск 00:46:52  304743
Чем оттирать тонер с платы? Ацетон и растворитель растирают его по текстолиту, куда он въедается навсегда.
Спирт не берёт, наждачка уродует всю плату.
Аноним 03/12/17 Вск 00:57:18  304744
>>304743
Я ацетоном, мне похуй.
Попробуй бензин.
Аноним 03/12/17 Вск 01:53:38  304745
>>304730
Активный термостат в Б5-11? Не могу утверждать, что его там нет, но это крайне маловероятно, потому что уровень прибора явно не тот, чтоб так извращаться. Я понимаю, для навороченной йобы с цифровой индикацией, с амперметром, с защитой от КЗ, с компенсацией всего чего только можно - еще может поверю. А тут скорее всего его или нет, или термостатирование простейшее, уровня алюминиевой скобы-радиатора на стабилитроне.
К слову об амперметре. Вещь крайне нужная, и я не представляю, кому вообще нужен лабораторный БП без амперметра, кроме как на лабы студентам.
ну и еще раз напомню, что существует замечательная серия К142, на которой можно сделать все как нужно гораздо проще, надежнее и термостабильнее. Кто знает, что там еще поело этой кислотой?
>>304743
Опускаешь плату в ацетон, по истечении минут 10-15 берешь железную губку для мытья посуды, все враз уходит
Аноним 03/12/17 Вск 02:54:18  304748
>>304648
Бамп
Аноним 03/12/17 Вск 03:51:13  304750
DSC01758.JPG (156Кб, 983x552)
DSC01756.JPG (156Кб, 983x552)
>>304745
Не, походу настоящий термостат, я его из любопытства раскрутил(ну, и чтобы убедится, что моя догадка верна-на самой банке не написано ничего)
Аноним 03/12/17 Вск 03:56:01  304751
DSC01756.JPG (156Кб, 983x552)
DSC01758.JPG (156Кб, 983x552)
>>304745
Не, походу настоящий термостат, я его из любопытства раскрутил(ну, и чтобы убедится, что это именно он-на самой банке не написано ничего)
Аноним 03/12/17 Вск 03:57:23  304752
DSC01754.JPG (130Кб, 983x552)
Спасибо Абу, блядь.
Аноним 03/12/17 Вск 04:08:14  304753
>>304704
как повезет, бери средний ценовой диапазон
Аноним 03/12/17 Вск 04:24:35  304754
>>304752
Радиоэлектроникой занимался самостоятельно и тупо не понимал, почему говённый стабилитрон может стоить бешеные деньги. Ага, пока в поделии не потребовался ИОН. Какой же это оказывается геморрой с его изготовлением, отбором деталей и настройкой. Ладно хоть мужики из ЦСМ(спасибо им), такие же энтузиасты радио, измерят твоё говноподелие за бутылку пива.
Аноним 03/12/17 Вск 11:07:01  304761
>>304754
>говённый стабилитрон может стоить бешеные деньги. Ага, пока в поделии не потребовался ИОН. Какой же это оказывается геморрой с его изготовлением, отбором деталей и настройкой

Не говённый, с сертификатом, что его пердолили и мониторили и он прошел отбор.
Что поставил в итоге? Что-нибудь дешманское современное вроде lm584 выковырянной из китайского модуля не подошло бы?
Аноним 03/12/17 Вск 13:03:25  304767
Привет, анон. Суть такова: для своей митол группы хочу сварганить беспроводные мониторы. То есть нужен один передатчик и несколько приёмников, передавать стереозвук в адекватном качестве. Гуглёж выдаёт схемы фм стерео передатчиков, но мне не нравиться то, что они работают на частотах фм радио. Дальшейший гуглёж подсказывает что всяческие беспроводные микрофоны работают на субгигагерцовых нелицензируемых частотах 433/868 МГц. Пытался гуглить для этих частот, предлагаются какие-то приблуды для беспроводной сети. А мне не нужна сеть, мне тупо аудио сигнал передавать. Может кто посоветует что искать, что почитать или конкретное решение?
Аноним 03/12/17 Вск 14:20:08  304776
Можно ли использоваь brushless motor (http://www.parkflyer.ru/ru/product/2957964/) как генеpатоp, если я pаскpучу его до 44к обоpотов, то получу 200 ватт? Или там выйдет ватт 100 и его пеpебиpать надо?
Аноним 03/12/17 Вск 16:06:00  304787
>>304776
Можно. По остальным вопросам - хуй знает.
Аноним 03/12/17 Вск 16:07:36  304788
>>304787
Чтобы на постоянку его вывести пpидется 3-х фазный пpеобpазователь подключать?
Аноним 03/12/17 Вск 16:09:14  304789
>>304776
Ой блджад, ссылка кpиво вставилась.
http://www.parkflyer.ru/ru/product/2957964/
Аноним 03/12/17 Вск 16:23:20  304790
>>304788
Трёхфазный выпрямитель.
Аноним 03/12/17 Вск 17:46:54  304793
>>304776 Работать будет, но 200вт для мотора весом 100 грамм это пиковый режим, особенно без обдува пропеллером.
Рассчитывай на 10-15А при 10-11в и 30-35к. Кпд 75-78%
Аноним 03/12/17 Вск 17:52:18  304794
>>304767
Пользуйся обычными УКВ передатчиками, на 80-108 мГц. Всё, что до 5 мВт (а ожно и чуть больше, никто мерять не будет) не лицензируется и можно пользоваться, тем более, что внутри помещения.
Аноним 03/12/17 Вск 18:08:20  304796
DSC0539.JPG (1294Кб, 3264x2448)
DSC0526.JPG (1230Кб, 3264x2448)
DSC0535.JPG (1297Кб, 3264x2448)
Поясните, что за термоусадочная трубка такая? Для чего она такая? Короткая, дна нету, а верх запаян.
Аноним 03/12/17 Вск 18:23:28  304800
Допустим есть плата с припаянными светодиодами. Мне как сделать теплоотвод? Приклеить радиатор к задней стороне? Как вообще правильно делается? Какой нужен радиатор?
Аноним 03/12/17 Вск 18:36:58  304801
Сап, помогите ньюфагу. Возможно немного не по теме, но все же. Есть простая схема с 5 сопротивлениями, 2 источника эдс, 6 ветвей, 4 узла. Нужно найти токи в ветвях по законам Кирхгофа. По первому получается 3 уравнения и по второму 3. Т.е. в матрице 6 строк и 5 столбцов. Как тогда методом Гаусса решать, если столбцов 5?
Аноним 03/12/17 Вск 18:39:37  304802
>>304796
Слетевшая со скрутки или спайки проводов заглушка.
Аноним 03/12/17 Вск 18:45:26  304804
DSC0542.JPG (1372Кб, 3264x2448)
>>304802
Они такими продавались.
Аноним 03/12/17 Вск 18:51:44  304806
>>304804
Скорее всего как раз для изолирования паяных скруток или чего-то похожего.
Аноним 03/12/17 Вск 19:20:00  304807
>>304804
А нахрена ты ее купил, если не знаешь для чего она?
Аноним 03/12/17 Вск 19:26:40  304809
>>304807
Думал обычная трубка. На скрине было оба конца показаны. Думал один показывает до какого диаметра она усаживается, а другой насадочный.
https://ru.mouser.com/ProductDetail/TE-Connectivity-Raychem/PD-CAP-3-16-0/?qs=tWoSwDyEbWQ7RbmOr1yVXw%3D%3D
Аноним 03/12/17 Вск 19:35:24  304811
>>304809
Там ссылка на даташит есть.

Про то, зачем покупать именно это, если можно взять трубку какую хочешь метражом.
Аноним 03/12/17 Вск 19:35:55  304812
>>304809
Ясно. В принципе на магазинных образцах так и делается. Но по ссылке просто пиздец. Ладно бы пластиковые заглушки продавали, а то термоусадка с запаянным кончиком. Мрак.
Аноним 03/12/17 Вск 19:52:39  304816
>>304800
>Допустим есть плата с припаянными светодиодами. Мне как сделать теплоотвод?
Поздняк метаться.
> Как вообще правильно делается? Какой нужен радиатор?
Смотря какие у тебя диоды (корпус), какая мощность, размеры платы. Лучше всего делать на фольгированном алюминии. 1-3-5вт диоды паяются на специальные радиаторы-звёздочки.
Аноним 03/12/17 Вск 20:23:57  304821
>>304816
>Смотря какие у тебя диоды (корпус), какая мощность, размеры платы
5730, 0.4 вт, плата 100х70 мм.
Аноним 03/12/17 Вск 20:39:29  304823
>>304816
>Лучше всего делать на фольгированном алюминии
В чем профит то? Я так понимаю суть теплоотвода в большой поверхности. Т.е. если нет ребер, то смысла от такого нет.
Аноним 03/12/17 Вск 22:45:49  304830
Здравия желаю, анон. Поясни мне, тупому, как такое может быть.
Есть ADXL362, умеющий в SPI(пик 1).
Есть плата, содержащая данный чип(пик 2).
Вот физическое воплощение платы - пик 3.
Где на пике 2 и 3 SPI интерфейс, если SDA/SCL - I²C?
Аноним 03/12/17 Вск 22:58:44  304831
>>304830
Вроде, разобрался. На кой чёрт названия разными делать непонятно.
Аноним 03/12/17 Вск 23:50:35  304834
image.png (73Кб, 1366x768)
Подскажите. Собрал фьюз доктора, подключаю через узб ттл конвертер, кул терм выдает фрейм еррор, в пердуиновском мониторе вот такая штука лезет. Как нибудь можно пофиксить?
Аноним 04/12/17 Пнд 00:16:16  304836
https://vk.com/club_nmt450
Почему у этих наркоманов так мало единомышленников? Из интереса подписался, и аж жалко смотреть, как посты собирают по 2-3 лайка. Диды реально запилили рабочую NMT-450 сеть
Аноним 04/12/17 Пнд 00:34:05  304837
>>302040 (OP)
Что лучшей всего прочитать дауну, который ничего не помнит даже школьный курс физики не особо помню, чтобы спаять, например, радио?
Аноним 04/12/17 Пнд 02:17:45  304871
>>304834
Перепроверь плату. Стоп-битов не должно быть
Аноним 04/12/17 Пнд 02:40:40  304872
>>304871
В смысле пайку? Правильность сборки?
Аноним 04/12/17 Пнд 07:56:48  304879
Где можно в котосибирске купить текстолит фольгированный для печатных плат по адекватной цене? От цен чипа и дипа глаза на лоб лезут. Не верю я, что кусок 200х300 будет стоить 500р, максимум 150-200, епта.
Аноним 04/12/17 Пнд 09:09:28  304881
>>304879
> котосибирск
Промэлектроника у тебя рядом. 283р 20х30см
Аноним 04/12/17 Пнд 09:19:31  304882
>>304881
Точно, спасибо. Правда, когда гуглил его по трем страницам, этого магазина не было. В основном оптовые продажи, либо у барыг с авито, которые меня виебут.
Аноним 04/12/17 Пнд 09:50:59  304884
>>304823
Градиент температур. А потом какой хочь радиатор лепи к этому алюминию (еси он всё-таки будет необходим).
Аноним 04/12/17 Пнд 10:24:10  304885
>>304821
>плата 100х70 мм
И там один светодиод? Что мне скажут сферические в вакууме размеры платы?

Значит общая идея расчёта радиаторов такая. Кристалл при работе нагревается. Чем больше он нагрелся, тем короче его срок службы (стремится к 0). Нагрев на 1°C приводит к уменьшению срока службы на X часов, на 10° -- на 10X (но может и больше, зависимость скорее всего нелинейная).

Увеличивая протекающий через кристалл ток, ты увеличиваешь выделяемую на нём мощность, => повышаешь его температуру. То, насколько изменяется температура при изменении мощности на 1 Вт называется термическим сопротивлением (°C/Вт). Этот параметр даётся в даташите на чип.

Дальше. Твои светодиоды образуют такую систему термообмена: кристалл -> корпус светодиода -> плата -> воздух. Каждая "->" — это термосопротивление. Зная эти термосопротивления, температуру окружающего воздуха и выделяемую мощность на кристалле, можно рассчитать, какая температура будет у кристалла.

Tкрист = Tвозд + Pкрист(Rt1 + Rt2 + … + Rtn)

Зная температуру кристалла уже можешь определить, нормально это для светодиода или нет.

Есть второй метод -- практический. Сделать плату, напаять диодов, прожарить пару часов и с помощью тепловизора или пирометра замерять температуру.

Из своего опыта скажу. Делал платы для светодиодов 5050 0,18 Вт на текстолите. Каждому диоду давал полигон ~20
20 mm. Светоиоды 5050 1 Вт уже делались на алюминии.
Аноним 04/12/17 Пнд 10:26:13  304886
>>304885
Tкрист = Tвозд + Pкрист\*(Rt1 + Rt2 + … + Rtn)
Аноним 04/12/17 Пнд 10:27:29  304887
>>304885
20x20 mm
Аноним 04/12/17 Пнд 11:02:08  304889
Какие могут быть версии насчёт того, как отрицательное дифференциальное сопротивление туннельного диода влияет на ёмкость p-n перехода?
Аноним 04/12/17 Пнд 11:08:57  304892
>>304885
У меня по току мощность на каждом светодиоде где-то 0.35 вт. Всего на плате 30 диодов. У каждого площадка меди 10х15 мм. Замерял температуру мультиметром, тыкая прямо в светодиод - показало 95-100 градусов.
Короче если я налеплю на термопасту сверху алюминиевый профиль - прокатит?
Аноним 04/12/17 Пнд 11:12:29  304894
>>304892
Твои диоды очень быстро сдохнут. Не знаю, что ты мог намерять термопарой (температуру корпуса или кристалла ?), но нормальная температура кристалла 60°. Проводи эксперимент, потом расскажешь, как оно.
Аноним 04/12/17 Пнд 11:14:56  304895
>>304894
>Проводи эксперимент, потом расскажешь, как оно.
Бля, а пожара не будет? А то если сгорит хата, то не расскажу.
Аноним 04/12/17 Пнд 11:20:08  304896
>>304895
Если вовремя потушишь, то не будет.
Аноним 04/12/17 Пнд 11:22:36  304897
>>304896
Ну блядь.
Аноним 04/12/17 Пнд 11:59:07  304898
Я вот чот не пойму, почему почему та же лампа накаливания 100вт спокойно работает, а со светодиодами хотя бы со сраными 50вт столько ёбли с теплоотводом?
Аноним 04/12/17 Пнд 12:06:10  304899
>>304898
Вангую потому, что в лампе всё тепло исходит из нити накаливания, которая находится в вакууме (или очень разряженной атмосфере) в колбе, что и мешает распространению тепла. В светодиоде можно сделать так же (т.е. не давать теплу выходить за пределы кристалла), однако светодиоды выдерживают гораздо меньшую температуру, потому их и необходимо лучше охлаждать.
Аноним 04/12/17 Пнд 12:08:18  304900
>>304899
>В светодиоде можно сделать так же (т.е. не давать теплу выходить за пределы кристалла)
И кристалл сдохнет сразу же.
Аноним 04/12/17 Пнд 12:09:50  304901
>>304900
Я тоже об этом сказал. Если бы светодиоды могли выдерживать такие же температуры, что и нити накаливания ламп, никто с охлаждением бы не заморачивался.
Аноним 04/12/17 Пнд 12:13:38  304902
>>304901
Чому производители не идут по пути увеличения выдерживаемой температуры?
Аноним 04/12/17 Пнд 12:19:50  304903
>>304898
Потому что ты дурачок.

>Для зрения человека, оптимальный, физиологически самый удобный, спектральный состав видимого света отвечает излучению абсолютно чёрного тела с температурой поверхности фотосферы Солнца 5770 K. Однако не известны твердые вещества, способные без разрушения выдержать температуру фотосферы Солнца, поэтому рабочие температуры нитей ламп накаливания лежат в пределах 2000—2800 °C. В телах накаливания современных ламп накаливания применяется тугоплавкий и относительно недорогой вольфрам (температура плавления 3410 °C), рений (температура плавления примерно та же, но выше прочность при пороговых температурах) и очень редко осмий (температура плавления 3045 °C).
Аноним 04/12/17 Пнд 12:21:06  304904
>>304902
Потому что это невозможно? Так бы сейчас и мосфеты были, которые могут до 500 градусов без проблем до себя нагреваться, а значит им и радиатор поменьше можно ставить. Но что-то таких нет.
Аноним 04/12/17 Пнд 12:28:23  304905
>>304904
>Потому что это невозможно?
Ну хуй знает, раньше говорили и летать невозможно, а потом придумали самолет.
Аноним 04/12/17 Пнд 12:32:31  304906
>>304905
Проблема в том, что при высоких температурах сильно начинают меняться свойства вещества. Атомы начинают двигаться быстрее и прочее, что очень сильно влияет на электрические характеристики. Лучше идти по пути уменьшения тепловыделения, как например делают с очень мощными силовыми тиристорами, изготавливая их из полупроводников, очищенных в атомных реакторах. Правда цена тебя не порадует и ты предпочтёшь поставить дешёвенький светодиод с огромным радиатором.
Аноним 04/12/17 Пнд 13:03:03  304907
321.png (13Кб, 643x539)
Утра, радач!
Ситуация: захотел поуправлять ШИМ-кулером. Изучил даташиты, понял, что для кулера нужен ШИМ частотой 25КГц.
Далее, решил взять ne555, собрал пикрилейтед-схему, рассчитал номиналы периферийных компонентов: R1=3KOm, R2=4.7KOm, C=0.0047mФ. В принципе, всё работает, мультиметр показывает искомые 25КГц, но при входной напруге 5В, на выходе остаётся только 2.5В.

Я всё делаю правильно? Почему такая большая просадка напруги?

Аноним 04/12/17 Пнд 13:05:59  304908
>>304907
> Я всё делаю правильно?
На выходе мосфет поставь. Возможно у 555 просто не хватает мощности, чтобы питать вентилятор.
Аноним 04/12/17 Пнд 13:07:57  304909
scrot.png (9Кб, 634x376)
Нужно схему задержки включения на несколько минут. Насколько я понял, небольшую задержку можно так реализовать. Что можно использовать для большего времени?
Аноним 04/12/17 Пнд 13:11:46  304910
>>304908
Не, ты не понял. Непосредственно на выходе 3 у NE555 напруга 2.5В.
Сам кулер вообще питается от отдельных 12В-рельс(пины 1,2). ШИМ-вход у него отдельный(пин 4).
Аноним 04/12/17 Пнд 13:13:08  304911
>>304910
> Непосредственно на выходе 3 у NE555 напруга 2.5В.
А как ты напряжение меряешь? Там надо осциллографом смотреть, мультиметр хуйню будет показывать.
Аноним 04/12/17 Пнд 13:14:20  304912
>>304910
Чем меряешь напругу на выходе?
Аноним 04/12/17 Пнд 13:18:52  304913
>>304911
Мультиметром, да. Минус у мультиметра при этом ставил на общую землю. Не стукайте только; прикреплённый же.

Просто, это вполне укладывалась в слеудющую ситуацию: когда я подавал на вход 5В, на выходе было те самые 2.5В - и кулер замедлялся. Но как только на вход подавалось меньше - кулер раскрычивался на полные обороты, т.к. у него и так по даташиту минимальная напруга ШИМ равна 3.3В - и он думал, что ШИМ-сингала нет.

Короче, тогда вопрос следующий и возможно уёбский: как сделать переменный драйвер для ШИМ-кулера, у которого на выходе можно получить ШИМ частотой 25КГц, с напругой диапазоном от 3.3В до 5В? Нужно только это; питалово кулера, повторюсь, идёт по отдельному каналу.
Аноним 04/12/17 Пнд 13:20:31  304914
>>304913
Уточнение к вопросу: идея была тупо подать на NE555 большую напругу, чтоб на выходе у NE555 минимально было как раз 3.3В, а максимально - 5В
Аноним 04/12/17 Пнд 13:21:47  304915
>>304913
> с напругой диапазоном от 3.3В до 5В?
Ты не понимаешь сути ШИМ. В ШИМЕ по аналогии с цифровым сигналом есть два состояния напряжения: высокое и низкое. 3.3 вольта - это минимальное напряжение, чтобы кулер считал напряжение высоким, а всё что меньше 3.3 считает низким.
Аноним 04/12/17 Пнд 13:22:15  304916
>>304913
Не знаю, зачем ты там заморачиваешься, но не проще ли сделать http://easyelectronics.ru/analogovyj-reobas.html
Аноним 04/12/17 Пнд 13:32:10  304917
>>304915
Хм, то есть, я просто не то меняю, что следует менять? Интуитивно догадываюсь, что играть надо со скваженностью, это так?
>>304916
Честно говоря, сам уже подумываю регулировать через мосфет поступающую непосредственно на двигатель кулера напругу, да. Просто, хотелось сделать так, как оно предусмотрено производителем, по красоте
Аноним 04/12/17 Пнд 13:33:43  304918
>>304917
> Хм, то есть, я просто не то меняю, что следует менять?
Угу.
> Интуитивно догадываюсь, что играть надо со скваженностью, это так?
Да, у ШИМа есть два параметра: частота и скважность.
Аноним 04/12/17 Пнд 13:34:56  304919
image.png (105Кб, 278x334)
image.png (61Кб, 738x717)
Доброе утро, нужна ваша помощь.
Дано: ардуино нано, плата расширения Arduino Nano V3.0 Shild, резистор 2.7 кОм, термистор, любой дефолтный кулер(хз сколькипиновый нужно в этом случае) и потенциометр. Как я понял - все это надо соединить и сделать так, чтоб по итогу скорость вращения кулера регулировалась из-за изменения температуры. Ну и не спалить ардуинку, разумеется.
Но я не ебу куда кидать кулер. Читать схемы толком не умею, но понимаю, что должно получиться че-то общее из двух пиков. По отдельности схемы понятны, но че по итогу должно получиться - я хз.
Аноним 04/12/17 Пнд 13:43:27  304920
>>304918
>Да, у ШИМа есть два параметра: частота и скважность.
Насколько я понял, частота в моём случае должна быть фиксированной - 25КГц.
А как тогда минимально модифицировать схему отсюдова: >>304907 , чтобы иметь возможность оперативно ардуиной регулировать скважность? Гугл бегло подсказывает, что надо играться с номиналом R2, но калькулятор частоты для NE555 категорически с таким положением дел не согласен.

В общем, я в тупике. Радач, молю, спасай энтузиаста!
Аноним 04/12/17 Пнд 13:45:59  304921
>>304919
Привет, вот тут подробно всё разжевано:
http://www.electroschematics.com/9540/arduino-fan-speed-controlled-temperature/

Это мой план Б, на случай если с 25КГц не взлетит лол.
Аноним 04/12/17 Пнд 13:48:10  304922
>>304920
> ардуиной
Выкидывай 555 и используй ШИМ, встроенный в ардуину.
Аноним 04/12/17 Пнд 13:55:20  304923
>>304922
Не вариант, потому что у Ардуины можно только 2 выхода на 25КГц настроить; а мне надо больше; строго говоря в моей схеме ШИМ будет выдавать TLC5940, подключённый к Ардуине по SPI.
Аноним 04/12/17 Пнд 13:57:00  304924
>>304921
>ссылка
Использовать биполярник в активном режиме это такое себе. Лучше выкинуть RC фильтр и поставить мосфет
Аноним 04/12/17 Пнд 13:57:59  304925
>>304923
> Не вариант, потому что у Ардуины можно только 2 выхода на 25КГц настроить;
Не пизди. Можно сколько угодно настроить (в том числе ручным дёрганьем пинов), вопрос только в том, какой там будет SNR. И я сомневаюсь, что для вентилятора небольшие задержки будут критичны.
Аноним 04/12/17 Пнд 14:00:22  304926
>>304923
>TLC5940
>LED Driver
>крутить вентиляторы
>constant-current sink LED driver
Ардуинщег дохера?
Аноним 04/12/17 Пнд 14:04:15  304928
>>304924
Расскажи: почему не очень вариант? Ну, именно в плане теории.
>>304925
Я с одной стороны с дивана даташитов; с другой - там ведь если перенастраивать один из трёх тактовых генераторов в ардуине - то всякие отсчёты дилея слетят, не? В любом случае, моему проекту даже всех выходов мало; т.к. я хочу ещё и РГБ управлять.
Аноним 04/12/17 Пнд 14:09:40  304929
>>304928
> там ведь если перенастраивать один из трёх тактовых генераторов в ардуине
Если писать что-то сложное, лучше выкинуть ардуину вообще и писать на голой AVR. В теории таймера достаточно одного (самого быстрого). Для каждого ШИМА нужна переменная-счётчик и две переменных-максимальное_значение (сумма их значений будет поеределять частоту, а разница в значении - скважность). После срабатывания прерывания таймера инкрементируются все переменные счётчики и сравниваются с переменными-максимальными значениями. Если они равны, то выход нужного пина меняется на противоположный, переменная счётчик сбрасывается, а переменная маскимального значения меняется на первую или вторую (в зависимости от того, которая сейчас активна).
Аноним 04/12/17 Пнд 14:10:15  304930
>>304928
>Расскажи: почему не очень вариант? Ну, именно в плане теории.

Любой транзистор в линейном режиме будет греться. Поэтому их используют в ключевом режиме. Мосфет в ключевом режиме обладает наименьшими потерями тепла. Можно и биполярником в ключевом режиме, но чем больше ток через него потечёт, тем больше он нагреется. Стоит смотреть на вольтамперные характеристики транзистора, такие как падение напряжения на переходе коллектор-эмиттер при заданном токе. У полевика есть характеристика "сопротивление канала сток-исток" при заданном напряжении на затворе. Для ордуины стоит искать те полевики, у которых в описании есть слова "logic level"
Аноним 04/12/17 Пнд 14:39:29  304931
IMG5726.JPG (2722Кб, 4000x3000)
IMG5727.JPG (3503Кб, 4000x3000)
>>302040 (OP)
Всем привет. Меня мучает любопытство. Что это такое?
МП37Б - 3шт.
10мкФ 63В - видно менялся, но давно, фирма (V'CON)
К50-6 100мкФ 6В
К50-6 20мкФ 50В
Д814Д - 2 штуки
ТВЧ-33 - это наверное мелкий трансформаторик
Д223А один точно, второй плохо видно
четыре резистора 0,125Вт
Аноним 04/12/17 Пнд 14:58:27  304934
>>304931
Eto pechatnaya plata.
Аноним 04/12/17 Пнд 14:59:54  304935
>>304881
Нашел только пункты выдачи промэлектроники в других магазинах.
Аноним 04/12/17 Пнд 15:11:51  304936
За линк спасибо. Еще немного пошурудил по сетям. Посмотрел и везде на кулер питание идет отдельно с батарейки. А непосредственно с самой ардуинки запитать не выйдет? Ну чтоб хотяб с толкача крутился.
LM35 - это тот самый термистор? Просто у меня двухконтактный. Возможно ли добавить контакт и если да - то куда?
Можно ли всю землю запаять и кинуть в один контакт ардуинки, если без батарейки?
Без кондеров и транзисторов никак?
Аноним 04/12/17 Пнд 15:14:16  304937
>>304936
>>304921
А, и выходит, что потенциометр не нужен нахуй?
Аноним 04/12/17 Пнд 17:18:32  304948
>>304936
Компьютерные кулеры в большинстве своём требуют 12В напруги. Ардуина своим ШИМ максимум может выдать 5В. Большинству кулеров для старта нужно 7В.
>>304937
Вместо потенциометра у тебя будет ШИМ Ардуины, подключённый к транзистору.
Аноним 04/12/17 Пнд 17:26:03  304950
>>304929
Благодаря твоему описанию наконец сумел понять код, которым перенастраивают таймеры у ардуины. Не думал, что когда-то смогу. Спасибо бро!

>>304930
А, тут вон оно что. Мне кажется, что ток ШИМа ардуины на базе и ток питалова крутилятора на эмиторе/коллекторе какого-нибудь BD139 врядли будет его греть до такой степени, чтобы это было заметно. почему-то вспомнилось как тут товарищ хотел вместо транзистора реле использовать для этих целей
В любом случае - спасибо и на том.

Но всё же, пацаны, мой вопрос остаётся в силе: можно ли как-то сделать внешнее устройство, генерирующее 25КГц, скваженностью которого бы управляла ардуина на своих стандартных настройках? считайте меня извращенцем, но ну очень хочу именно вот так попердолиться
Аноним 04/12/17 Пнд 17:46:58  304955
image.png (19Кб, 486x374)
Господа, нарисуйте как правильно обмазывать п-мосфет снабберами, чтобы он не чпокал на индуктивной нагрузке.
Аноним 04/12/17 Пнд 18:02:53  304956
Sup /ra/, поясните за синфазные дроссели, по каким параметрам их подбирать, нахуя они вобще нужны?
Аноним 04/12/17 Пнд 18:15:20  304959
.PNG (4Кб, 324x409)
.PNG (62Кб, 2453x570)
>>304955
Лучше всего: диод + стабилитрон, как на пикрелейтед (D1 - диод, D2 - стабилитрон). Стабилитрон в идеале можно брать на двойное напряжение питания, только учти, что мосфет должен выдерживать напряжение питания + напряжение стабилитрона + напряжение падения на диоде. Т.е. если ты питаешь махарайку 5 вольтами, падение напряжения на диоде 1 в, а стабилитрон на 10, то мосфет дожен выдерживать 16 вольт.

Чем больше напряжения пробития стабилитрона, тем быстрее лишнее напряжение уйдёт из катушки (и тем мощнее нужен сам стабилитрон). Можно стабилитрон вообще убрать, закоротив его, однако тогда отключение будет работать медленней всего.

Алсо, из-за паразитной ёмкости стабилитрона могут начаться осцилляции как на пике.
Аноним 04/12/17 Пнд 18:21:38  304960
.PNG (3Кб, 293x406)
>>304959
Алсо, можно ещё сделать вот так. D1 - стабилитрон или ещё лучше TVS-диод. Напряжение срабатывания выбирается так, чтобы было меньше напряжения пробития транзистора. Однако этот вариант медленней, чем диод + стабилитрон и тоже даёт осцилляции.
Аноним 04/12/17 Пнд 18:30:26  304963
>>304960
> Напряжение срабатывания выбирается так, чтобы было меньше напряжения пробития транзистора.
И, естественно, больше напряжения питания, иначе он всегда будет открыт.
Аноним 04/12/17 Пнд 19:28:19  304967
>>304963
Добра тебе
Аноним 04/12/17 Пнд 20:03:02  304970
>>304960
> тоже даёт осцилляции.
Снаббер можно поставить. Где-то 1к и 10nF. Это снизит звон от емкостей фета и диода.
Если совсем критична скорость то можно поставить active clamp.
Аноним 04/12/17 Пнд 20:27:05  304975
14832285374630.gif (7024Кб, 320x236)
Анон! Подбрось идей в мозговой штурм.
Хотелка - регистрировать, заходил ли кто то в мою квартиру. Максимально просто.
Имеется образование электрика, вышка в процессе. Ноутбук 2013 года. LPT нету, пекарню 2004 года со шкафа не буду доставать.
Микроконтроллеры пока для меня темный лес, могу в релейную систему, дискретные сигналы. Хакнуть какой нить совковый калькулятор силы есть.
Написание программы от нажатия одной кнопки освоить смогу.

Хочу просто кнопку на дверь и регистрацию события в ноут или через смс.
Пока ищу как использовать микрофон. Или телефон с симкой.
Есть идеи или готовые решения без прошивки и многоэтажных плат?
Аноним 04/12/17 Пнд 20:37:01  304976
>>304975
Геркон + ардуина. Клеишь магнитик на дверь, геркон в проёме, чтоб срабатывал когда дверь закрыта. Ардуина всё это записывает и по желанию передаёт на комп.
Ну или вместо ардуины элементарный rs-триггер если нужна просто индикация, что дверь хоть раз открывалась.
Аноним 04/12/17 Пнд 20:44:11  304977
>>304975
> через смс
Кстати, для ардуины существуют GSM-модули, так что с СМС проблем быть не должно.
Аноним 04/12/17 Пнд 20:44:22  304978
>>304975
FT232 или что-то подобное с bit-bang. Но программу для компа все равно придется писать.
Аноним 04/12/17 Пнд 21:09:43  304986
>>304975
https://www.itead.cc/smart-home/sonoff-wifi-wireless-switch.html
Припаяешь дверной геркон паралльно кнопке и смотри себе за статусом выхода на их сайте. При желелании можешь купить копеечный программатор и прошить espeasy/espurna.
Аноним 04/12/17 Пнд 21:52:43  304994
14857056638161.png (142Кб, 1007x655)
>>304986
Вот этот ход мысли мне нравится!
Я только не понял про какую ты кнопку говоришь,
он же в одну сторону работает, не? Или он детектит изменение нагрузки?
Про прошивку еще не разобрался.
Аноним 04/12/17 Пнд 22:28:12  305012
>>304994 Там на корпусе есть кнопка для ручного переключение реле.
Аноним 04/12/17 Пнд 22:34:14  305015
>>305012
А если кнопку зажать надолго, он не начнет настройки сбрасывать, например?
Аноним 04/12/17 Пнд 22:39:42  305018
>>305015 Только при включении. Если это будет проблемой то всегда можно перепрошится и использовать другой gpio.
Goche 04/12/17 Пнд 22:41:11  305020
Bump
Аноним 04/12/17 Пнд 23:19:57  305026
14865842016930.png (441Кб, 500x459)
>>304986

Пока еще нашел Xiaomi Aqara, он наглядно показывает хистори, но батарейки.
А Sonoff за можно присобачить по другим нуждам на будущее.

С какой вероятностью китайцы свои сервера не закроют через пару лет?
Аноним 04/12/17 Пнд 23:24:52  305027
>>305026
> С какой вероятностью китайцы свои сервера не закроют через пару лет?
С большей вероятностью пыня закроет рунет от китайских (и не только) серверов. И всё к этому идёт.
Аноним 04/12/17 Пнд 23:31:25  305029
>>305026
>С какой вероятностью китайцы свои сервера не закроют через пару лет?
Тем и хороша esp8266, что можно прошить и использовать mqtt сервера adafruit, ifttt или поднять свой.
Аноним 04/12/17 Пнд 23:52:36  305032
>>304892
Короче я наконец доделал свою аццкую установку. Напилил радиаторов из алюминиевого профиля, поставил 4 здоровых кулера в ряд.
В итоге медная площадка в упор к светодиоду имеет температуру 40 градусов. Сам светодиод около 60, но я не могу прислонить палец, потому что ИК-излучение тут же его обжигает (даже не прикасаясь к диоду, на расстоянии в пару мм от него).
Аноним 05/12/17 Втр 09:29:12  305042
почему медная шина 5х2 мм сильно нагревается от тока 6 ампер?
Аноним 05/12/17 Втр 10:48:06  305049
>>305042
Потому-что ток не 6А
Аноним 05/12/17 Втр 11:12:49  305050
>>305049
Либо где-то контакт хуёвый.
Аноним 05/12/17 Втр 11:14:31  305052
>>305049
объяснись
>>305050
да нет, все припаяно надежно, да и греется по всему объему одинаково
Аноним 05/12/17 Втр 11:17:30  305053
>>305042
Может шина не медная? Ты её сопротивление измерь.
Аноним 05/12/17 Втр 11:20:57  305054
>>305053
Медная. Как я измерю? Оно меньше 0.1 ома
Аноним 05/12/17 Втр 11:22:17  305055
>>305054
Может, где-то есть контакт с алюминием?
Аноним 05/12/17 Втр 11:23:31  305056
>>305055
ни
Аноним 05/12/17 Втр 11:28:03  305057
>>305054
> Как я измерю?
Без задней мысли омметром: щупы на места пайки.
> 0.1 ом
Что с шестью амперами даёт 3.6 ватта. Оно и будет греться. И это точно не медь.
Аноним 05/12/17 Втр 11:29:36  305058
>>305057
>Что с шестью амперами даёт 3.6 ватта. Оно и будет греться. И это точно не медь.
Ты шо упорот. МЕНЬШЕ 0.1 ома, а не 0.1.
Аноним 05/12/17 Втр 11:31:10  305060
>>305057
>Без задней мысли омметром: щупы на места пайки.
Омметр не видит такое маленькое сопротивление. Китайской измерялкой тоже хуй измеришь, показывает 0.3 ома, но там 0.25 или 0.27 или хуй знает сколько точно - это сопротивление самого измерителя.
Аноним 05/12/17 Втр 11:31:44  305061
>>305058
Ты не можешь измерить падение напряжение при шести амперах? Подсказываю как: включаешь мультиметр в режим измерения напряжения. Один щуп прислоняешь к земле. Второй сначала с одной стороне шины, потом к другой. Высчитываешь разность напряжений и делишь на 6.
Аноним 05/12/17 Втр 11:33:03  305062
И да, возможно греется место пайки, а медь просто как отличный теплопроводник вся нагревается и рассеивает тепло.
Аноним 05/12/17 Втр 11:34:22  305063
>>305061
Там переменка с частотой 50 кгц, как я тебе померяю мультиметром?
Аноним 05/12/17 Втр 11:55:04  305065
>>304950
Единственный бамп вопросу - и иду с окейфейсом колхозить мосфет на питание кулера.
Аноним 05/12/17 Втр 11:59:10  305066
>>305054
http://elwo.ru/publ/skhemy_izmeritelnykh_priborov/izmerenie_malykh_soprotivlenij/17-1-0-642
Аноним 05/12/17 Втр 12:25:30  305070
>>305063
podkluchi batareiku
ррр 05/12/17 Втр 12:59:42  305080
Дано задание: собрать схему регулируемого импульсного стабилизатора постоянного тока (чим и шим). Все, больше никакой конкретики не дано! Единственное условие - это то, что должно быть подогнано под стенд и желательно, чтобы была одна схемав с возможностью переключаться между чим и шим. Прошу вас о помощи в моделировании данной схемы
Аноним 05/12/17 Втр 15:18:25  305085
>>304669
Да никакая не взорвется. Горение и детонация - сильно разные вещи, внутри бензобака нет условий для взрыва. Зато есть бензонасос и датчик уровня топлива, которые вполне себе искрят и, о чудо!, ничего почему=то не загорается.
Взрыв канистры возможен только если она пустая - раз, стояла открытой и концентрация паров там сильно ПОНИЗИЛАСЬ - два. В закрытой емкости с остатками бензина и насыщенными парами они не загораются.
Аноним 05/12/17 Втр 15:25:36  305087
>>304752
Прикольно. Тогда точно надо восстанавливать.
Сфотай где там что сгнило и где какие транзисторы стояли.
Аноним 05/12/17 Втр 15:30:59  305088
>>304898
Потому что стеклу высокая температура похеру (а галогенкам даже и необходима), а полупроводникам - нет.
Аноним 05/12/17 Втр 15:32:18  305090
>>304909
СD4060
Аноним 05/12/17 Втр 15:33:52  305091
>>302040 (OP)
Нормальный паяльник для монтажа контроллеров?
https://ru.aliexpress.com/item/Japan-GOOT-Brand-Repair-Tools-KS-40R-Rapid-Thermal-Durable-Electric-Soldering-Iron-Input-220V-Power/32641991870.html
Аноним 05/12/17 Втр 15:36:45  305092
>>305091
> Нормальный паяльник для монтажа контроллеров?
Смотря каких. Я все СМД припаиваю феном, а паялом только иногда наношу припой на пады.
Аноним 05/12/17 Втр 15:51:08  305094
Какие кондёры и где нужны для AMS1117-3.3?
Везде по разному показаны. Где-то керамические, где-то электролитические, где-то и те и те, и это я ещё не говорю о их разных номиналах везде.
Аноним 05/12/17 Втр 16:11:01  305095
>>305094 Зависит от применения. Если на выходе какой-нибудь диод, реле, ресистивная нагрузка которой похуй на помехи то можно конденсаторы и не ставить вовсе. Если нагрузка контроллеры, датчики, оу итд. то используй даташитные 0.1 и 10мкф керамики. В случае требований к особо низкому импедансу источника питания ставь баян из электролитов/тантала и пленки/керамики разных номиналов.
Аноним 05/12/17 Втр 16:19:39  305098
>>305063
Скин эффект. Да, даже на 50 кГц, гугли расчёт обмоок импульсного трансформатора.
Аноним 05/12/17 Втр 16:20:07  305099
tlyssQwGVlYQ.png (42Кб, 620x421)
Пикрелейтед взлетит по такой схеме подключения?
https://www.openhacks.com/uploadsproductos/g3mb-ssr-datasheet.pdf
Аноним 05/12/17 Втр 16:23:11  305100
>>305080
Ебанутое заданьице. Тебе ток стабилизировать или напряжение? Какие выходные параметры, диапазон входных. Сперва это узнай, а потом читаешь про топологии импульсных стабилизаторов.
Аноним 05/12/17 Втр 16:27:09  305101
>>305091
Говно. Тебе нужно паяло с регулировкой температуры, а не с регулировкой мощности — разные вещи, гугли. А ещё нужно, чтобы не было проблем со сменными жалами. Денег сколько готов потратить?
Аноним 05/12/17 Втр 16:27:50  305102
>>305063
>обезьянить с 50 кгц в медных шинах
>нечем померить
Аноним 05/12/17 Втр 16:31:18  305103
>>305094
Открой даташит на конкретно твой стабилизатор и смотри, что говорит производитель. Ибо у разных производителей немного отличается внутренняя схема. Неверный выбор кондёра может привести к появлению колебаний на выходе стаба. Но обычно всем пох, ставят кто что хочет.
Аноним 05/12/17 Втр 16:36:14  305104
>>305099
10k я бы сменил на 1-2k, т.к. при 10k и 3,3В ток базы будет 0.3 мА (какой там коэф усиления по току у твоего транзистора?).
Аноним 05/12/17 Втр 16:40:29  305105
d55mns0.png (38Кб, 775x374)
>>305104
Нука и меня научи. У меня BA817-40
Усиление от 250?
Если на базе будет 0.3мА, то он сможет пропустить от 75мА? Так это работает?
Аноним 05/12/17 Втр 16:44:42  305106
>>305105
Всё верно. За исключением того, что h21 дан для тока коллектора 100 мА.
Аноним 05/12/17 Втр 16:54:41  305107
>>305098
Кек мне ведущий инженер электронщик сказал, что до 1 МГц не надо даже думать о скин эффекте. Ну блядь и послушал его. Сам хотел делать пучком проводов.
Аноним 05/12/17 Втр 17:03:54  305108
>>305101
>Денег сколько готов потратить?
Не больше 1.5к. Около 1300
Аноним 05/12/17 Втр 17:11:10  305109
>>305061
И что? С одной стороны не будет отличаться от плюса источника, с другой от минуса.
Лешче просто щупы приложить к разным концам этой медной пластины
Аноним 05/12/17 Втр 17:14:45  305110
>>304931
может какой нибудь перекодировщик pal-secam?
Аноним 05/12/17 Втр 17:14:52  305111
>>305109
> С одной стороны не будет отличаться от плюса источника, с другой от минуса.
Значит на шине падает всё напряжение. Или ты считаешь, что эта шина выступает у него в роли нагрузки? И он жалуется, что медная нагрузка при шести амперах у него греется, я тебя правильно понял?
Аноним 05/12/17 Втр 17:21:44  305114
IMG9317.jpg (46Кб, 1136x452)
>>304931
Какой-то преобразователь напряжения. Вероятно вольт 30 на выходе, судя по 2 последовательным стабилитронам.
Вот схема (хорошо фоточки сделал).
Судя по подстроечнику на выходе - не мощный, источник какого-то опорного напряжения. Для какой-нибудь электровакуумной ёбы смещение или типа того.

Снизу ножки - вход, сверху - выход.
Запитай его вольт от 6-9, посмотри что даст.
Аноним 05/12/17 Втр 17:42:32  305115
>>305111
Ну я почему-то решил что ток у него идет сразу с питания на шину и с шины на питание. Возможно не прав, он не дал других вводных данных.
Аноним 05/12/17 Втр 17:45:12  305116
Есть у кого нибудь нормальная инструкция на русском для программы FEMM?
Аноним 05/12/17 Втр 17:58:39  305118
14763559333000.jpg (64Кб, 427x604)
>>305101
>Денег сколько готов потратить?
>Не больше 1.5к. Около 1300

Бамп
Аноним 05/12/17 Втр 19:42:58  305127
fire-cat.jpg (50Кб, 444x689)
В продолжение темы >>304691 никель-кадмия.
Можно ли тем же зарядным устройством (внутри здоровенный трансформатор, микросхема HCF4060BE и десяток резисторов) заряжать никель-металл-гидрид? Почему не бывает NiMH 22420?
Посоветуйте простенькую схему или готовый китайский модуль для доразряда аккумулятора перед зарядкой/хранением.
Аноним 05/12/17 Втр 19:46:44  305129
>>305118
Ну хз, дружище. Если тебе как временное решение, то можешь взять. Но лучше брать паяло с регулировкой _температуры_ и возможностью заменить жало. Самые распространённые типы жал это t-900 и t12. T12 круче, но дороже и в мухосранях может не быть. 9000 везде навалом, т.к. их используют во всяких lukey-702. На радаче была тема с выбором оборудования, там маячил паяльник с регулировкой. Хорош ли твой грут, хз, т.к. не пользовался. Я пользовался люкеем и zd-98. Сразу совет по выбору жал. Бери D-type (зубило) на 1.2-1.5 мм, самое то для микрух, и скошеный цилиндр. Бо`льшие размеры, если жарить массивные полигоны или корпуса >TO220. Если паяло с регулируемой _температурой_, то чем больше его мощность, тем лучше.
Аноним 05/12/17 Втр 19:58:39  305130
>>305127 Да забудь ты про кадмий, ставь 18650. Даже если в корпус не лезет, нет такой проблемы что не исправляется термоклеем и скотчем. Тем более что стоят они копейки. Если ты конечно живешь не в северной нигерии.
https://www.ebay.com/itm/LG-18650-LITHIUM-ION-36V-4-4AH-BATTERY-EBIKE-VAPE-POWERWALL-EV-20-CELLS-WITH-BMS-/201895735309?hash=item2f01ec700d
Аноним 05/12/17 Втр 20:08:29  305131
Нашел паяльник с регулировкой температуры. Подешевле.
https://ru.aliexpress.com/item/10-60-220/32843911392.html

Что означает "10 шт"?
Аноним 05/12/17 Втр 20:13:56  305132
Screenshot2017-[...].png (192Кб, 540x960)
>>305131
Набор из 10 предметов.
Аноним 05/12/17 Втр 20:55:44  305136
>>305130
Не мешай ему есть говно.
Аноним 05/12/17 Втр 21:59:07  305141
>>304692
>>305130
>>305136
Ну ёба, ну что вы такие литиефилы? Ну хорошо, допустим, приклею я батарею. А заряжать чем?
Аноним 05/12/17 Втр 22:14:51  305142
>>305141
Ну ебаный насос
https://ru.aliexpress.com/item/15942-Free-shipping-Lithium-Battery-Charger-Module-Board-mini-5v-USB-1A-li-ion-Battery-charger/32354777332.html?ws_ab_test=searchweb0_0,searchweb201602_0_10152_10151_10065_10344_10068_10345_10342_10343_10340_10341_10543_10541_10084_10083_10307_10301_10539_10312_10313_10059_10314_10534_100031_10604_10603_10103_10605_10594_10596_10107_10142_10125-10342,searchweb201603_31,ppcSwitch_0&algo_expid=8229a35d-b4b9-4a7c-9418-aeb8ce568ab9-25&algo_pvid=8229a35d-b4b9-4a7c-9418-aeb8ce568ab9&rmStoreLevelAB=1
Аноним 05/12/17 Втр 22:18:36  305143
>>305131
Это не регулировки температуры, а регулировка мощности, китайцы ХИТРЯТ
Аноним 05/12/17 Втр 22:25:24  305144
Безымянный.jpg (212Кб, 800x800)
ZIRcrRvHGc8.jpg (164Кб, 870x1160)
Доброго времени суток, анон. ЕСТЬ ОДИН ДИНАМИК на 15 Ватт, который хочу сделать беспроводной колонкой со всей начинкой внутри. Примерную схему нарисовал на похуй, без резисторов и прочих конденсаторов ибо я в них не разбираюсь и не знаю, куда сувать. Так вот, встал такой вопрос: Как заряжать сборку аккумуляторов? Можно ли присобачить обычный зарядник для батарей, который на схеме изображен не ебанет ли? Прошу указать где поставить какие резисторы и поправить схему. В проводке я мог накосячить по невнимательности, но вот в резисторах нихуя не шарю. На второй пике парочка 18650 рядом с динамиком для примерного понимания размеров корпуса
Аноним 05/12/17 Втр 22:45:02  305146
>>305141 Бп на 19-24в и https://ru.aliexpress.com/item/CC-CV-Adjustable-Max-5A-Step-Down-Buck-Charging-Board-XL4015-Lithium-Battery-Charger-Converter-Module/32829878275.html
А вот этот будет и от 12в работать https://ru.aliexpress.com/item/1Pc-LM2577-Automatic-Boost-Buck-Converter-4-35V-to-1-25-25V-CC-CV-Voltage-Regulator/32789157335.html
Ну или купи imax за 17$.
>>305142 Это для 1S батареи.
Аноним 05/12/17 Втр 22:57:45  305147
>>305146
> XL4015
> LM2577
Это же простые преобразователи, они литий не взорвут?
А IMAX B6 у меня есть, но ты не представляешь, как влом его будет расчехлять ради зарядки шуруповёрта...
Аноним 05/12/17 Втр 23:04:05  305148
>>305147
>Это же простые преобразователи, они литий не взорвут?
Ограничение тока есть, ограничение напряжения есть. Что тебе еще надо?
Аноним 06/12/17 Срд 00:24:23  305150
DSC01765.JPG (190Кб, 983x552)
DSC017731.jpg (347Кб, 983x552)
>>305087
Ну, как-то так. Внутри пиздец из паутины и какого-то мусора был(здесь он уже немного почищенный). Поело радиатор, транзисторы (точного расположения каждого я не смогу назвать, мне их снимать пришлось, чтобы оттереть радиатор.) и корпус. Один из прутьев рамы, соединяющей переднюю и заднюю панели(на неё прикручиваются крепления плат) перегнил напополам). Но на вид остальные детали хоть и грязные, но вполне работоспособные, кроме одного большого элетролита с разъеденным корпусом( возможно он всё это и загадил)
Аноним 06/12/17 Срд 01:01:08  305151
DSC01771.JPG (361Кб, 983x552)
>>305150
Аноним 06/12/17 Срд 01:09:41  305152
DSC01767.JPG (308Кб, 983x552)
>>305150
Аноним 06/12/17 Срд 01:44:22  305153
>>305131
toolboom.com/ru/temperature-controlled-soldering-iron-goot-px-201/
Он же masteram.com.ua и masteram-online.ru Рядом на странице цена за доставку.
На фотке комплектное жало игла(на любителя), но в отзывах пишут, что малое зубило приходит, оно приемлимо.
Сам этим паяльником не пользовался, но по характеристикам может тебе подойдёт. Есть различные сменные жала.
Аноним 06/12/17 Срд 03:33:03  305156
>>305152
>>305151
>>305150
Закопай там, где нашел. Это обломок от военки 70х годов. Тут нечего восстанавливать, это кусок от спец. прибора.
Себе выколупай транс - единственное годное тут. Правда, если он на 400 гц, то фейл. Радиатор тоже можешь оставить, но ему нужна чистка и шлифовка всех прощадок, чтобы стереть нарост окислов и грязи.
Опознать, от чего оно - можешь спросить у дедушек тут http://rt20.getbb.ru/ или тут http://offtop.ru/dustyattic/
С вероятностью 80% опознают.
Но скажу честно, я бы оставил только транс, чисто "для коллекции", а остальное выкинул без сожаления.
Аноним 06/12/17 Срд 05:21:10  305157
>>305116
> Есть у кого нибудь нормальная инструкция на русском для программы FEMM?
Есть английский букварь, нннадо? В нынешнем веке без иностранных языков никуда.
Аноним 06/12/17 Срд 09:44:47  305172
>>305157
Ну я туповат просто, на английском сложна слишком.
Аноним 06/12/17 Срд 09:46:22  305173
>>305156
А как же резистеры?
Аноним 06/12/17 Срд 09:59:09  305176
>>305144
Бамп, анончики, хочу разобраться
Аноним 06/12/17 Срд 10:44:09  305181
>>305144
Что за зарядник? Он для 3s?
Аноним 06/12/17 Срд 11:04:29  305182
Нужно на работе подобрать осциллограф. Посоветуйте как выбирать, на какую фирму лучше смотреть и тд. Бюджет до 300к.
Аноним 06/12/17 Срд 11:09:49  305183
>>305144
Зарядник с картинки не подойдет - он для одной банки.
Аноним 06/12/17 Срд 11:12:23  305184
>>305151
Ох. Я бы не стал восстанавливать из ТАКОГО состояния (хотя вначале советовал тебе). Направил бы усилия в более продуктивное русло. Ну или открути индикатор и помой на автомойке высокого давления, может после этого не будет выглядеть таким ужасом.
Аноним 06/12/17 Срд 12:18:08  305187
>>305183
А как заряжать эту конструкцию? Юзать обычный брак питания на 12в? И куда заряжать? На модуле 3s для аккумов только выход Р- и Р+. Туда же и заряжать?
Аноним 06/12/17 Срд 15:00:36  305199
>>305187
Туда же и заряжать, зарядником с ограничением тока.
Аноним 06/12/17 Срд 15:11:48  305200
Аноны, вот есть у меня транзистор. Как рассчитать какое напряжение должно быть на его выводах, и как после этого подобрать к этим выводам резисторы?
Аноним 06/12/17 Срд 16:17:35  305203
>>305200
че?
Аноним 06/12/17 Срд 16:33:17  305205
>>305203
Короче, спаял платку, а транзисторы все время пробивает. А ни напруге пониже ничего не работает. Вот и спрашиваю, как расчитать резисторы, которые надо воткнуть перед базой там, или коллектором.
Аноним 06/12/17 Срд 16:54:07  305207
>>305199
А по схеме все нормально? Не нужны ли там резистеры/конденсаторы?
Аноним 06/12/17 Срд 17:03:52  305208
>>305207
По схеме все резюки есть, но я транзисторы с совсем другими номиналами поставил, и теперь нужно резисторы посчитать, а я не знаю как
Аноним 06/12/17 Срд 17:09:54  305210
>>305208
Чёт проиграл
Аноним 06/12/17 Срд 17:45:55  305214
>>305173
Ты про те 3-4 шт ПТМН? Там наверняка варианты с допуском 1-2%. Даже если 0.5%, то судя по состоянию, хранилось оно в сарае. Вкупе с этим, за почти 50 лет, я даю гарантию, что номинал уплыл за пределы допуска. Энивей, нахера оно нужно, б/у древние резюки с огрызками вместо выводов? Сейчас на порядки более компактный смд той же мощи, с допуском 1%, стоит копейки.
Аноним 06/12/17 Срд 17:58:19  305216
Кто-нибудь знает, сколько в среднем занимает доставка из Маузера в ДС?
Аноним 06/12/17 Срд 18:03:02  305218
>>305210
Зачем с нюфака проигрывать, лучшеб подсказал
Аноним 06/12/17 Срд 18:20:40  305219
4e3f655a6fc420.png (35Кб, 1400x532)
Поясните следующую теорию.

Вот есть два конденсатора РАЗНОЙ ёмкости (с разницей в 16 раз), образующие колебательный контур через одну и ту же катушку. По отдельности каждый из них даст синусоиду с определённым периодом, причём различаться они будут в 4 раза.

Так вот, что будет, если оба колебательных контура включить одновременно? Будут ли конденсаторы хавать свою дозу? В теории должно получиться что-то типа модулированного сигнала сложением частот (красная линия), на практике я не ебу.
Аноним 06/12/17 Срд 18:27:13  305220
>>305219
Ёмкость двух конденсаторов, подключённых параллельно, будет равна сумме их ёмкостей. Синусоида будет одна с периодом, соответствующим суммарной ёмкости.
Аноним 06/12/17 Срд 18:31:01  305221
>>305220
чо будет делать мелкий кандер, который заряжается быстрее крупного, пока крупный заряжается?
Аноним 06/12/17 Срд 18:38:06  305225
>>305221
Они будут заряжаться одновременно.
Аноним 06/12/17 Срд 18:56:25  305227
>>305219
http://www.falstad.com/circuit/circuitjs.html?cct=$+1+0.000005+10.20027730826997+50+5+43%0As+256+224+368+224+0+1+false%0Ac+368+352+176+352+0+0.000014999999999999999+49.99999999999986%0Al+256+224+176+224+0+1+1.262177448353619e-29%0Av+240+176+272+176+0+0+40+50+0+0+0.5%0Ac+368+80+176+80+0+0.00015+49.99999999999889%0Ar+176+80+176+144+0+1%0Ar+176+224+176+352+0+1%0Ar+368+80+368+144+0+1%0Ar+368+224+368+352+0+1%0AS+240+176+192+176+0+0+false+1+2%0Aw+176+192+176+224+0%0Aw+176+192+192+192+0%0Aw+176+144+176+192+0%0AS+272+176+320+176+0+0+false+1+2%0Aw+320+160+368+160+0%0Aw+368+160+368+144+0%0Aw+368+160+368+224+0%0Ao+2+64+0+4099+0.0000762939453125+0.00009765625+0+2+2+3%0Ao+1+64+0+4099+80+51.2+1+2+1+3%0A
Аноним 06/12/17 Срд 19:34:56  305230
DSC08144.JPG (307Кб, 1600x1200)
Поясните что за черное говно используется в пультах ДУ для контактных площадок мембран.
Кнопки похоже из какого-то проводящего полимера, а это что за хуйня?
Аноним 06/12/17 Срд 19:35:12  305231
>>305227
Ебать какая программулина полезная, всю жизнь о такой мечтал.
Аноним 06/12/17 Срд 19:43:58  305232
>>305230
Токопроводящий лак. Почему-то они решили сделать контактные площадки и перемычки этим говном и развести всё на однослойной плате.
Аноним 06/12/17 Срд 19:53:50  305233
>>305232
Я вижу там еще каким-то прозрачным компаундом залито. Ебать сложная технология
Аноним 06/12/17 Срд 20:23:07  305234
>>305232
>>305233
Пик из интернета лол CENCEL, но мой точно так же устроен, только прозрачная хуита в два слоя (не пойму в каком порядке с черной хуитой).
Полагаю это самый дешёвый способ был, заодно и на резисторах сэкономили. У меня и контроллер лепёхой и плата из гетинакса.
Аноним 06/12/17 Срд 21:32:45  305238
>>305156
>Опознать, от чего оно
Так известно. И не обломок, а целиковый лабораторный блок питания.
Аноним 06/12/17 Срд 21:34:51  305240
>>305238
Ты жгуты откусанные видишь? Это именно обломок, бп от какого-то прибора.
Аноним 06/12/17 Срд 23:25:35  305247
>>304975
бумп вопросу
Аноним 06/12/17 Срд 23:30:53  305248
>>305114
Хорошо, спасибо, интересно.
Аноним 06/12/17 Срд 23:35:46  305249
>>305150
Ты ошибся дверью, некро-копро прон в другой стороне.
Аноним 07/12/17 Чтв 00:31:41  305256
DSC01775.JPG (169Кб, 699x551)
>>305240
Лол, так ведь я их и откусил, когда транзисторы снимал с радиатора, провода к ним вели.
Аноним 07/12/17 Чтв 01:15:44  305257
>>305256
Ох, лол. Нечего тут восстанавливать.
Ну, если тебе так хочется и не противно трогать сию какаху, милости прошу - https://www.qrz.ru/schemes/detail/b5_10_istocnik_pitania_post_toka_280
Бери эту схему близкой модели, чини. У дедушек на форумах можешь вежливо попросить схему именно на 11 модель - дадут.
Тут всего делов - выкинуть все, кроме транса, т.к. все сгнило, и заново собрать.
Аноним 07/12/17 Чтв 09:48:33  305268
>>305218
Спаяй другую платку.
Каков вопрос - таков ответ.
Аноним 07/12/17 Чтв 10:36:25  305269
>>305182
Бамп
Аноним 07/12/17 Чтв 11:38:45  305276
>>305269
Сдаётся мне, что ты провокатор.
Аноним 07/12/17 Чтв 11:41:20  305277
>>305276
Не понял, объясни.
Аноним 07/12/17 Чтв 11:50:26  305280
>>305277
Ты кто, блядь, работник? Осцилографист, начальник осцилографиста или экономист бухгалтера?
Аноним 07/12/17 Чтв 11:51:12  305281
>>305280
Инженегр
Аноним 07/12/17 Чтв 11:51:40  305282
qstn.PNG (9Кб, 869x406)
>>302040 (OP)
Может кто объяснить почему тут 6 вольт? Я же выключил все сопротивление.
Аноним 07/12/17 Чтв 11:55:42  305284
>>305281
Чего деете? Какие требования? Память? Экран? Цена за единицу?
>>305282
х/з. У тебя элемент питания закорочен.
Аноним 07/12/17 Чтв 12:11:47  305287
>>305284
>Чего деете?
А? "Делаете"? Различные интерфейсы, rs232, rs485, profibus, s7, modbus и тд, полоса пропускания до 100 мгц. Всякие аналоговые сигналы и прочее.
>Память?
А какие бывают? Ну 1 Мб наверно
>Экран?
Похуй, шоб не тормозил
>Цена за единицу?
50-300к, не особо важна цена, вопрос в надежности, долговечности, ремонтопригодности, удобстве ну и чтобы не было совсем уж оверпрайса.
Аноним 07/12/17 Чтв 12:39:48  305289
>>305287
Попробуй тут спросить совета https://2ch.hk/wrk/res/1120456.html со своими требованиями.
Аноним 07/12/17 Чтв 12:40:43  305290
>>305282
И получил делитель 12-12 Ом. Все правильно.
Аноним 07/12/17 Чтв 12:45:12  305292
15126367008530.png (28Кб, 869x406)
>>305290
Аноним 07/12/17 Чтв 14:07:52  305296
Нуфак в треде. Я коснулся кончика X1 щупа пальцем и осциллограф показал сигнал амплитудой примерно 10 вольт. Что за хуйня, господа?
Аноним 07/12/17 Чтв 14:12:47  305297
120 омные наушники будут в номинальном режиме работать через
1 Смартофон
2 звуковая карта xonar D1
3 выход для наушников микш. пульт PV8 ?
Встал выбор между AKG K 612 PRO 120 Om и Sennheiser HD 599 50 Om.
Аноним 07/12/17 Чтв 14:14:07  305298
>>305296
Ты - антена.
Аноним 07/12/17 Чтв 14:16:01  305299
>>305298
Это я понимаю, но десять вольт не слишком ли много?
Аноним 07/12/17 Чтв 14:19:05  305300
>>305299
Мало тащемта.
Аноним 07/12/17 Чтв 14:28:51  305301
>>305299
Корпус незаземленного осциллографа висит под потенциалом ~110В. Ты заземляешь щуп через себя и емкость тапки-арматура здания. Чем лучше заземляешь - тем больше будет амплитуда.
На заземленный тоже будет наводиться, но поменьше.
Аноним 07/12/17 Чтв 14:29:39  305302
>>305297
Хорошо, что ты так во всем разбираешься и вопросов не задаешь.
Аноним 07/12/17 Чтв 14:35:09  305303
>>305302
После PV8 знак вопроса же.
Аноним 07/12/17 Чтв 14:38:38  305304
>>305297
>>305302
>>305303
Проиграл с вас.
Аноним 07/12/17 Чтв 14:41:00  305305
120 омные наушники будут в номинальном режиме работать через?
1 Смартофон?
2 звуковая карта xonar D1?
3 выход для наушников микш. пульт PV8 ?
Встал выбор между AKG K 612 PRO 120 Om и Sennheiser HD 599 50 Om.

До этого были Sennheiser HD 280 PRO 64 Om нормально работали со всеми этими железяками. Но одна пьяная мразь мне их разъебала.
Аноним 07/12/17 Чтв 14:41:09  305306
>>305301
Понял, спасибо.

Заодно посоветуйте, пожалуйста, как правильно организовать заземление на рабочем месте, если проводка в квартире советская без земляного провода, а ноль замкнут на землю. Как я понимаю, кидать землю на батарею - хуёвая идея.
Аноним 07/12/17 Чтв 14:45:36  305307
>>305289
Да эти не по осциллографам. Это ж больше к радиачу.
Аноним 07/12/17 Чтв 14:51:43  305309
1
Аноним 07/12/17 Чтв 15:15:24  305312
>>305305
Бвмп вопросу???
Аноним 07/12/17 Чтв 15:23:31  305313
>>305312
https://2ch.hk/t/res/827868.html
Аноним 07/12/17 Чтв 15:26:29  305314
>>305313
Благодарю.
Аноним 07/12/17 Чтв 15:43:26  305317
>>305284
А как сделать тогда чтобы не был закорочен?
Аноним 07/12/17 Чтв 19:03:33  305329
qstn1.PNG (9Кб, 769x377)
>>305317
В общем когда подключаю нижние резисторы вольтметр показывает 12 вольт. Кто может объяснить почему?
Аноним 07/12/17 Чтв 19:08:01  305330
>>305329
Потому что вольтметр подключен напрямую к источнику. Нижние резисторы вообще навыходное напряжение никак не влияют, пока ты их не замкнешь все.
G: "делитель напряжния".
Аноним 07/12/17 Чтв 19:19:19  305331
>>305306
Как силовую/защитную - на батарею никак. Для этого нужен честный контур заземление и раздельные нейтраль и PE в щитке (у тебя такого нету). А в качестве сигнального заземления - батарея вполне ОК, музыканты так делают и не парятся.
Аноним 07/12/17 Чтв 19:21:17  305332
>>305330
Спасибо, вроде понял.
Аноним 07/12/17 Чтв 21:37:35  305339
Как бы собрать миллиомметр из говна и палок?
Есть мультиметр с разрешением 1мв, диапазоном 4в и точностью +-0.5%+-2LSB
Собрать источник тока на ld1117 на 1А и запитать все от пары 18650?
Аноним 07/12/17 Чтв 21:48:31  305343
IMG201712072140[...].jpg (1513Кб, 3264x2448)
Аноны, хочу на нем сделать лабораторный БП. Вот только у него первичка на 380. Значит, подключая к 220, я получу примерно в 1.72 раза меньшую номинальную мощность? При заявленной 160 ВА какой ток получится снять с 36 В обмотки?
Аноним 07/12/17 Чтв 22:27:43  305346
Я тут обещал кому то схему Б5-11, искал - не нашёл, только Б5-10, от которых схема и так есть. Сори анон
Аноним 08/12/17 Птн 00:06:04  305351
>>305343
> Аноны, хочу на нем сделать лабораторный БП. Вот только у него первичка на 380. Значит, подключая к 220, я получу примерно в 1.72 раза меньшую номинальную мощность? При заявленной 160 ВА какой ток получится снять с 36 В обмотки?

Нет, получится снять 20 вольт, тк трансформатор преобразовывает напряжения.
Аноним 08/12/17 Птн 01:37:43  305353
$57 (1)а.jpg (200Кб, 720x710)
К постоянному не фильтрованному 220 в
подключил полевик irf 740 и лампу 60w
полевик включал резистором 100к и 200к
В обоих случаях результат одинаков на geit
3.8 вольт и потеря напряжения между D и S
тоже всегда 3.8 вольт,
почему не хочет включаться правильно?
без потерь.
Аноним 08/12/17 Птн 01:48:51  305356
>>305353
>irf 740
Ему для открытия нужно мимнимум 5в, а желательно 9-15в.
>полевик включал резистором 100к и 200к
>3.8 вольт и потеря напряжения между D и S тоже всегда 3.8 вольт
Вангую что угробил ты свой транзистор.
Аноним 08/12/17 Птн 02:20:44  305358
08.12.2017 1.15[...].jpg (104Кб, 888x835)
>>305356
> мимнимум 5в
А что же это в даташите?
>Вангую что угробил ты свой транзистор
Так он 10 Амперный, как?
Я уже думаю не купил фейк, один раз у меня такое было с 555
Аноним 08/12/17 Птн 02:35:33  305359
>>305358
>threshold
Значение знаешь?
Пролистай ниже, там будет график Vgs/Id.
Аноним 08/12/17 Птн 02:42:46  305360
08.12.2017 1.40[...].jpg (102Кб, 882x818)
>>305359
>threshold
Думал что включился, а 6 вольт могу дать.
Сколько должно быть мА?
Аноним 08/12/17 Птн 06:13:07  305362
>>305339
Да, самое простое решение.
Или купить китайский ESR измеритель (все равно нужный прибор), который умеет в постоянный ток.
Я, когда мне нужно было мерить миллиомы - подключал тестер параллельно с блоком питания, на котором было выставлено СС 1 ампер и в милливольтах сразу считывал показания.
Аноним 08/12/17 Птн 06:15:38  305363
>>305353
Потому что ты явно включал полевик с его же стока. В этом случае он повторит на стоке напряжение порога открывания.
Нужно питать затвор от отдельного источника, тогда он откроется полностью.
Аноним 08/12/17 Птн 10:26:09  305374
Взял я короче корпус от шариковой ручки, намотал на него медный провод, засунул туда обрезок небольшого гвоздя, разрядил конденсатор в контакты провода. И знаете что произошло? Нихуя! Ну т.е. конденсатор конечно разрядился и всё. Что я не так сделал?
Хотел сделать мини модельку coilgun-а если кто не понял
Аноним 08/12/17 Птн 11:24:34  305376
Ne3a.jpg (142Кб, 1024x768)
Радач, расскажи как собрать из старой мобилки СВЧ генератор, чтобы помигать газоразрядностями?
Аноним 08/12/17 Птн 12:22:52  305380
>>305374
>засунул туда обрезок небольшого гвоздя
Прямо в центр катушки? И что ты хотел увидеть?
Аноним 08/12/17 Птн 13:11:58  305383
71e442151460c2d0.jpg (136Кб, 700x933)
>>305363
Да ему напряжения не хватило, этож не семмистор.
>>305359>>305363
Спасибо большое, так он включается полностью,
при 9в и резистор 900к.
Аноним 08/12/17 Птн 15:44:49  305387
Аноны, я ультраньюфаг, у меня задача следить за температурой процессора и радиатора. Сделать хочу на распберри. Погуглив понял, что мне нужна термопара и плата преобразования. Везде предлагают что-то типа этого
http://www.symmetron.ru/news/maxim-MAX31855.shtml
Но я вот нихуя не понимаю, что такое термопара и как ее крепить и главное к чему и для чего они предназначены, изменять температуру окружающей среды или температуру изделия(радиатора)
Аноним 08/12/17 Птн 16:15:02  305388
>>305387
>Сделать хочу на распберри
Не потянет, надо Кораi7
Аноним 08/12/17 Птн 16:22:54  305390
>>305388
>Кораi7
у меня расбери дома лежит уже
Аноним 08/12/17 Птн 16:24:37  305391
LkWykHi.png (15Кб, 549x598)
Да почему 0 то?
Да, я знаю, что я неправильно NPN подключил, но там должно быть напряжение какое-то. Ниже 5. Но почему этот кусок говна показывает 0?
Или всё правильно?
Аноним 08/12/17 Птн 16:37:34  305392
Лол
Аноним 08/12/17 Птн 16:46:07  305394
>>305391
А сколько у тебя выставлено сопротивление вольтметра?
Аноним 08/12/17 Птн 16:48:55  305395
>>305391
У транзистора есть ток отсечки, у этого например 100нА.
Аноним 08/12/17 Птн 16:56:26  305397
>>305394
>>305395
Было сопротивление 100М, поставил 1К, ничего не меняется.
Я уже сам паяю на макетке, чтоб проверить какое же там напряжение то будет.
Аноним 08/12/17 Птн 17:09:01  305399
>>305380
Пробовал до катушки, пробовал после.
Может конденсатор слишком слабый или витков мало?
Аноним 08/12/17 Птн 17:49:50  305405
circ.png (19Кб, 609x615)
>>305391
В душе не ебу что у тебя не так, у меня работает. Попробуй поставить другой транзистор.
Аноним 08/12/17 Птн 18:02:49  305407
>>305405
С этим работает. А мой BC817 у тебя работает то?
Аноним 08/12/17 Птн 18:42:17  305411
>>305387
Google:// "что такое термопара", "цифровой датчик температуры ds18b20"
Аноним 08/12/17 Птн 19:05:14  305416
Почему на длинных волнах используют амплитудную модуляцию, а на коротких волнах частотную?
Аноним 08/12/17 Птн 19:17:30  305417
>>305407
У меня его нет вообще
Аноним 08/12/17 Птн 19:28:19  305418
>>305416 AM каналы располагаются плотнее, через 10кгц, когда как FM через 50кгц. Ну а вобще так исторически сложилось.
Аноним 08/12/17 Птн 19:47:02  305421
>>305391
Спаял, на коллекторе 5.15 вольт, на базе 3.3 через 270 Ом резистор, на эмитере 2.81 вольт.
Это так и должно быть? Я думал 4.5 вольта будет на эмитере.
Или если на базе 3.3 то так и будет?
Аноним 08/12/17 Птн 21:42:52  305429
А можно ли переделать обычный асинхронник чтобы выдавал мощность как в Тесле? Ну, не как в тесле, но 30 кВт хотяб и не был размером с стиральную машину
Аноним 08/12/17 Птн 22:30:24  305433
>>305429 Можно. Берешь любой маломощный частотник, отпаиваешь его силовую часть, вытаскиваешь с него сигналы идущие к драйверам, датчик тока, выходного напряжения, сигналы защиты. Затем колхозишь свою силовую часть: изолированные двуполярные бп, 6 оптодрайверов, к каждому еще по нескольку буферов суммарно ампер на 20ть. Баяны из 84х 75A igbt и пленочных кондесаторов на 500+Arms
Аноним 08/12/17 Птн 23:38:54  305443
utyqw1G.png (91Кб, 1134x1166)
Насколько я дебил?
Самые широкие дорожки это 220 вольт из розетки и ширина у них 2мм.
Остальное там 5 и 3.3 вольта.
"Clearance" у всех 220 стоит 2мм.
Насколько это всё плохая идея?
У меня по другому не влезает.
Аноним 08/12/17 Птн 23:53:58  305446
>>305443
> и ширина у них 2мм
Ампер пять, вроде, выдержат...
Аноним 08/12/17 Птн 23:54:14  305447
chart.png (18Кб, 318x384)
>>305443
>"Clearance" у всех 220 стоит 2мм.
Работать будет, но на сертификацию не надейся.
Аноним 08/12/17 Птн 23:59:43  305449
>>305446
Там блок питания 220 -> 5v 700mA
И ещё предохранитель F1 по 220 на 0.5A будет.
>>305447
>Работать будет
Ну и хорошо. Я думал между 220 и низковольтным надо пропилы вообще делать.
Аноним 09/12/17 Суб 00:08:34  305450
>>305449
>между 220 и низковольтным надо пропилы вообще делать.
По UL 60950-1 оно не обязательно, хватит и 6.4мм, но это как бы признак хорошего тона. Фрезеровка она надежнее особенно при загрязнении платы.
Аноним 09/12/17 Суб 01:31:40  305455
>>305447
Лол, 99% электроприборов вокруг нас китайские, а 149% китайцев клали на эти рекомендации свой огромный желтый болт (в АС-DC адаптерах частенько 0,25мм зазор между 220 и 5в). И ничего, не горим вроде.
Аноним 09/12/17 Суб 01:35:00  305456
20.09.2017.jpg (238Кб, 1855x949)
>>305455
Но они же не криворукие.
Аноним 09/12/17 Суб 01:37:15  305458
>>305104
Напомните, на базу NPN транзюка можно подать СЛИШКОМ БОЛЬШОЙ ток, чтобы он сгорел, или он не пропустит больше чем ему нужно для полного открытия?
Аноним 09/12/17 Суб 07:04:42  305484
>>305421
Резистор в эмиттер поставь. На нём и меряй.
Аноним 09/12/17 Суб 10:27:43  305491
>>305433
Он >>305429 про мотор. Можно. Мощность "бытовых" моторов ограничивается перегревом преимущественно.
Аноним 09/12/17 Суб 10:31:52  305492
>>305458
У меня сгорали.
Аноним 09/12/17 Суб 10:32:00  305493
>>305458
Можно. В ключевом режиме так и делается.
Допусти hfe = 100, нагрузка 1А. Минимум нуджно 10 мА тока базы, но для надежности вдувается раза в 2-3-5 больше.
Аноним 09/12/17 Суб 12:00:55  305502
>>305491
Падажжи, но ведь обычный асинхронник, даже абсолютно холодный, только что запущенный, не может взять и выдать охуительную мощность.
Аноним 09/12/17 Суб 13:19:33  305505
photo5285000194[...].jpg (53Кб, 720x1280)
photo5285000194[...].jpg (56Кб, 1280x720)
photo5285000194[...].jpg (61Кб, 1280x720)
photo5285000194[...].jpg (108Кб, 1280x720)
Нашел в гараже пакет с проводами и стареньким микрофоном. Можно ли его подключить к пеке, и что это за провода? Для чего они служили?
Аноним 09/12/17 Суб 13:19:59  305506
photo5285000194[...].jpg (92Кб, 1280x720)
photo5285000194[...].jpg (129Кб, 1280x720)
photo5285000194[...].jpg (87Кб, 1280x720)
photo5285000194[...].jpg (83Кб, 1280x720)
>>305505
Аноним 09/12/17 Суб 13:20:20  305507
photo5285000194[...].jpg (120Кб, 1280x720)
photo5285000194[...].jpg (83Кб, 1280x720)
photo5285000194[...].jpg (66Кб, 1280x720)
photo5285000194[...].jpg (95Кб, 1280x720)
>>305506
Аноним 09/12/17 Суб 13:20:45  305508
photo5285000194[...].jpg (79Кб, 1280x720)
photo5285000194[...].jpg (91Кб, 1280x720)
photo5285000194[...].jpg (65Кб, 1280x720)
photo5285000194[...].jpg (94Кб, 1280x720)
>>305507
Аноним 09/12/17 Суб 13:21:10  305509
photo5285000194[...].jpg (83Кб, 1280x720)
photo5285000194[...].jpg (67Кб, 1280x720)
photo5285000194[...].jpg (86Кб, 1280x720)
photo5285000194[...].jpg (110Кб, 1280x720)
>>305508
Аноним 09/12/17 Суб 13:21:30  305510
photo5285000194[...].jpg (118Кб, 720x1280)
photo5285000194[...].jpg (100Кб, 1280x720)
photo5285000194[...].jpg (80Кб, 720x1280)
photo5285000194[...].jpg (62Кб, 1280x720)
>>305509
Все.
Аноним 09/12/17 Суб 13:52:43  305511
13954182033514.png (181Кб, 400x508)
>>305505
У тебя тут пучок обычных акустических проводов. Подключить можно.
Лучше бы магнитофон показал одной фотографией, чем 24 бесполезных фото кабелей.
Аноним 09/12/17 Суб 13:56:15  305512
>>305511
Очень неудобная хуита в плане втыкания.
На паяльной станции такой, при втыкании приходится с нажимом покручивать пару секунд.
Бесило дико.

И что дальше?
Запилил полоску белой краской над верхним контактом и стало охуенно.
Аноним 09/12/17 Суб 14:20:28  305513
>>305374
>>305399
Снаряд ведь должен магнититься?
Аноним 09/12/17 Суб 14:43:19  305516
>>305374
> Что я не так сделал?
Всё.
Аноним 09/12/17 Суб 14:47:10  305517
>>305511
Так нет магнитофона. Только эти провода с микорофоном и все. А как подключить к линейному входу микрофонному?
Аноним 09/12/17 Суб 14:55:53  305519
>>305517
> Так нет магнитофона.
Сорян, жопой читал.
> пакет с проводами и стареньким микрофоном.

Скажи модель микрофона.
Аноним 09/12/17 Суб 15:14:41  305522
photo5285000194[...].jpg (105Кб, 1280x720)
>>305519
Их три штуки ссссровских времен.
Без проводов - МД-200А
Квадратный - МД-201
И продолговатый МД-64М-|||А-L
Там еще написана марка, но слишком мелко.
Аноним 09/12/17 Суб 15:15:23  305523
>>305522
Там написано "Октава"
Аноним 09/12/17 Суб 15:19:42  305524
>>305522
> МД
Динамические. Без усилителя не подключишь.
Аноним 09/12/17 Суб 15:48:03  305527
>>305524
Стоит оно того?
Аноним 09/12/17 Суб 15:51:23  305528
>>305527
Не стоит.
Аноним 09/12/17 Суб 17:17:30  305531
>>305516
Как надо?
Аноним 09/12/17 Суб 17:22:08  305532
>>305531
https://www.youtube.com/watch?v=MyQB-Ag4pdc
Аноним 09/12/17 Суб 17:26:12  305533
>>305532
Не ну ты чё. Мне просто принцип работы протестить
Аноним 09/12/17 Суб 17:34:04  305535
>>305491
>Он про мотор
Моторы тоже можно раздуть сверх номинала. Поднять напряжение, частоту, заменить подшипнички и раскрутить до 5-10к. Добавить водяное охлаждение и дать в разы больше тока. Но результат не предсказуем - старые моторы с плохими роторами быстро опрокидываются при повышении частоты, а колхозить охлаждение на не предназначенный для этого мотор тоже не просто.
Аноним 09/12/17 Суб 17:41:32  305537
>>305531
Во-первых, время разряда не синхронизировано со временем пролёта. В рабочем экземпляре напряжение в катешке должно пропадать, когда снаряд проходит центр, иначе поле начнёт тормозить снаряд.
Во-вторых, наверняка снаряд слишком тяжёлый, катушка слишком слабая, конденсатор слишком маленький. Во всяком случае, у меня было бы так.
Аноним 09/12/17 Суб 18:17:23  305542
>>305535
Поясни, что будет при опрокидывании?
Аноним 09/12/17 Суб 18:28:06  305546
>>305542 При превышении определенных оборотов и/или нагрузки на валу резко увеличивается скольжение - т.е. появляется большая разница в частоте вращения магнитных полей статора и ротора. Двигатель превращается в отопительный прибор и встает.
Аноним 09/12/17 Суб 18:37:41  305550
Можно ли по сетевым проводам передавать сигнал? Например в розетку воткнул передатчик, а сосед можеть тебя слушать. Какие подводные?
Аноним 09/12/17 Суб 18:42:05  305551
>>305550
Технология называется Power Line Communication. Чипов дохуя всяких разных.
Аноним 09/12/17 Суб 18:43:46  305552
>>305551
А в чем принцип, чтобы долго не гуглить? Модуляция какого типа?
Аноним 09/12/17 Суб 18:54:43  305554
>>305552
> А в чем принцип, чтобы долго не гуглить?
Высокочастотный сигнал передаётся по проводам.
> Модуляция какого типа?
Зависит от чипа. Стандартов как таковых нет.
Аноним 09/12/17 Суб 19:25:30  305556
>>302040 (OP)
Не знаю, где спросить, поэтому сюда пришел.

Помогите гуманитарию:
Имеется слабый 4g сигнал внутри дома, имеется обычная тв антенна, если я куплю переходник для модема и подключу эту антенну к модему - будет ли сигнал лучше или для этого нужно покупать спец. антенну в 4 раза дороже, чем обычные для тв?
Аноним 09/12/17 Суб 19:41:54  305558
>>305556
Найди частоту 4г и сравни с телевизионным.
Антенну можно самому запилить, если речь о деньгах.
Аноним 09/12/17 Суб 20:10:39  305561
>>305558
>Найди частоту 4г и сравни с телевизионным.
Как это сделать?
Аноним 09/12/17 Суб 21:05:48  305563
>>305561
Есть такая штука, двое чуваков придумали, позволяет узнать много интересующего. В том числе и частоты ТВ и мобильной связи для определённого географического района. Google называется.
Аноним 09/12/17 Суб 21:08:42  305564
>>305561
Это тебе пытаются сказать о том, что на телевизионную антенну 4г будет очень хуево ловиться. Потому что (скорее всего) телевизионная антенна лежит вне резонансной частоты 4г. Иди на 4пда, тема "Антенна для LTE", смотри подходящие тебе для самостоятельной реализации варианты.
Аноним 09/12/17 Суб 21:30:48  305566
voltdoubling.png (34Кб, 1910x871)
Вот вам нормальный вопрос.
Почему пикр не работает как мне хочется? Это удвоитель напряжения.
Задумка простая: изначально u1, u2, u3 открыты, u4-5 закрыты, соответственно c1 и c2 заряжены около 5в. Затем u1-3 закрываются, открываются u4-5. Заряженные конденсаторы получаются соединены последовательно через u4. Следовательно, ожидаю импульс до 10в на выходе.
Но этого не происходит. Полагаю, причина в u4, ведь напряжение GS получается мизерное, ключ лишь еле приоткрыт.
Как решить проблему?
Алсо, откуда на выходе изначально 2.8в - вообще не понял.
Интересует подобная дискретная схема (управлять ключами будет мк).
Аноним 09/12/17 Суб 21:40:12  305567
>>305566
Попробуй вместо трёхвыводных взять четырёхвыводные мосфеты и подложки всех подключить к земле.
Аноним 09/12/17 Суб 21:53:29  305568
>>305567
В симуляторе нет такой хуйни, да и в ирл не видел. Короче, экзотика не катит.
Аноним 09/12/17 Суб 21:58:14  305569
.PNG (1Кб, 210x203)
>>305568
> В симуляторе нет такой хуйни
Есть.
> да и в ирл не видел
Микросхемы тоже не видел? Внутри микросхем все мосфеты четырёхвыводные, за исключением силовых. Да и в виде дискретных элементов они существуют, только чаще всего называются аналоговыми переключателями.

А вообще вместо того чтобы изобретать велосипед, можешь взять ICL7660.
Аноним 09/12/17 Суб 22:39:28  305572
Уважаемые, можно ли из миниджека и двух ИК диодов собрать универсальный передатчик для смартфона? Пробовал паять по схеме из инета. Не получилось. Можете обьяснить дебилу как оно делается и возможно ли вообще это?
Аноним 09/12/17 Суб 22:53:37  305573
>>305569
>Есть.
Это тупо символ, неведомы параметры нужно самому вбивать.
>>305569
>Микросхемы тоже не видел? Внутри микросхем все мосфеты четырёхвыводные, за исключением силовых. Да и в виде дискретных элементов они существуют, только чаще всего называются аналоговыми переключателями.
Микросхемы под микроскопом не разглядывал. Повторюсь, экзотика - не вариант.
>А вообще вместо того чтобы изобретать велосипед, можешь взять ICL7660.
Я хочу сделать махарайку чуть быстрее, чем ждать 1-2 мес мутных деталей с али.
Аноним 09/12/17 Суб 23:05:29  305575
.PNG (12Кб, 816x495)
>>305573
Вообще тут можно обойтись без мосфетов вообще, просто используя диоды.
Аноним 09/12/17 Суб 23:14:00  305576
>>305546
>При превышении определенных оборотов
В смысле? Почему обороты повысятся? У асинхронника они же всегда чуть меньше частоты сети.
Аноним 09/12/17 Суб 23:28:43  305577
>>305576 Частотником они повысятся. Речь же шла о форсировании общепромышленных двигателей.
Аноним 09/12/17 Суб 23:40:26  305578
>>305577
А почему опрокидывание при повышении оборотов?
Аноним 10/12/17 Вск 00:03:28  305579
image013[1].gif (15Кб, 550x288)
>>305575
Да, походу так и придется делать. Только вот мк не годится для драйва этой поеботы. Гугль выдал пикр схему. Заменю 555 на lm358 (оба выхода запараллелю) в качестве буфера, управлять им буду от мк. Так даже лучше, всего 1 вывод нужно задействовать.
Аноним 10/12/17 Вск 00:52:21  305580
>>302040 (OP)
Сап, паяч.
Великовозрастный долбоеб 26 лвл решил вкатиться в электронику. Моя беда в том, что сейчас бюджет очень сильно урезан.
Сейчас усиленно вспоминаю матчасть из школьной программы и штудирую Занимательную элетронику Ревича из оп-поста. Моя проблем в том, что необходимо приобрести необходимые для вкатывания девайсы за минимальный бюджет. Уже есть 3 паяльника разной мощности, дешевый китайский мультиметр с функцией прозвонки и как понимаю нужны еще источник питания и если верить Ревичу - осциллограф.
Идею забацать источник питания из ненужного блока питания для pc уже оставил, т.к. скорее всего моего ньюфажного скилла на это не хватит. Присмотрел этот:
http://www.platan.ru/shop/part/HY1502D.html?group=55168
Сойдет? Мне для обретения базового навыка и пока не сложных схем, большее все равно сейчас не потяну.
Второй вопрос - осциллограф, прихуел с их стоимости в нашей рознице. Поэтому вопрос - вот такое:
https://ru.aliexpress.com/item/DSO138-2-4-TFT-Handheld-Pocket-size-Digital-Oscilloscope-Kit-SMD-Soldered-Acrylic-DIY-Case-Cover/32637748285.html?spm=a2g0v.search0104.3.110.4bKBUI&ws_ab_test=searchweb0_0,searchweb201602_0_10152_10151_10065_10344_10068_10345_10342_10343_51102_10340_10341_10543_10541_10084_10083_10307_10301_10539_10312_10313_10059_10314_10534_100031_10604_10603_10103_10605_10594_10596_10107_10142_10125,searchweb201603_0,ppcSwitch_0&algo_expid=3f810073-fe80-428e-be27-01ef6fb38007-14&algo_pvid=3f810073-fe80-428e-be27-01ef6fb38007&rmStoreLevelAB=0
На первое время будет достаточно?
Аноним 10/12/17 Вск 00:58:19  305581
>>305580
Этот скоп работает не выше 100 - 150 кГц.
Есть похожая балалайка от этой конторы, звёзд с неба не хватает.
Аноним 10/12/17 Вск 01:05:15  305582
>>305581
За эту цену звезд с неба точно не жду. Для начала его хватит?
Аноним 10/12/17 Вск 01:08:01  305583
>>305582
В начале он тебе особо и не понадобится. Купи себе какой-нибудь С1-65, попользуйся и поймёшь, какой тебе нужен ослик, и нужен ли вообще
Аноним 10/12/17 Вск 01:11:44  305584
>>305583
>С1-65
Цены глянул, шутку оценил.
За совет сяпки, посижу пока без ослика.
Аноним 10/12/17 Вск 01:30:00  305586
>>305584
Старый советский ослик в неплохом состоянии можно намутить до 3 т. руб. И он будет лучше по параметрам нежели то поделие с али.
Опять же. Его потом по ненадобности можно будет продать. За 2-2.5 т. руб. смело.
Аноним 10/12/17 Вск 02:13:40  305589
>>305586
как повезет, возможно его калибровать заебешься, этот старый советский до 3т
Аноним 10/12/17 Вск 02:20:49  305590
>>305581
у меня было похожее поделие, но получше и подороже чуток. до 1мгц меряло, и то быстро уперся и взял нормальный скоп. но вкатиться чтоб это было то что надо. не знаю насколько полезен может быть 200кгц скоп. зависит от задач. можешь наблюдать форму напряжения в розетке например.
Аноним 10/12/17 Вск 02:21:54  305591
>>305578 У асинхронных моторов есть предельное соотношение напряжения и частоты. Для малой частоты нужно малое напряжение и наоборот. Напряжение у частотника ограничено батареей, сетью, транзисторами. А частоту мы накручиваем дальше - железо насыщается, момент падает, вскоре его становится недостаточно даже для компенсации мех. потерь и мотор опрокидывается.
Можно конечно перемотать мотор большим числом витков, но тогда упадет и так не высокий кпд на малых частотах.
Аноним 10/12/17 Вск 05:03:09  305593
>>305572
Почему из двух? Из одного будет не универсальным?
На смартфоне в миниджек идёт достаточное питание, чтобы щёлкать через ключ светодиодом? Потому, что вроде как ИК-диоду не достаточно будет уровня сигнала(1.6v) который идёт для работы мембран наушников. И другой вопрос в частоте посылок сигнала по звуковому тракту там, где требуется до 40 килогерц.
Получается в теории не сходятся два требуемых параметра.
Аноним 10/12/17 Вск 05:07:36  305594
>>305593
Насчёт напряжения питания микрофона я не уверен. Может и потянет.
Аноним 10/12/17 Вск 08:46:02  305602
>>305566
Тому що ты не умеешь открывать мосфеты.
На затвор надо подать напряжение, большее чем на ИСТОКЕ на Vgs.th.
Например, самый левый транзистор ты не можешь открыть полностью, с остальными лень разбираться.
Аноним 10/12/17 Вск 08:53:32  305603
>>305579
Вся обведенная красным часть - просто источник меандра. Причем хуёвый - с большим падением напряжения, так как транзисторы включены повторителями.
Тебе какая мощность на выходе умножителя нужна?
Аноним 10/12/17 Вск 08:55:42  305604
>>305580
Первое время можешь и без осцилла работать (я до сих пор такого не имею, т.к. нищеброд и совсем говно брать не хочу). Если есть возможность за 220$ купить осц -- можешь взять hantek dso5102p. Что важнее - хороший паяльник и припой (если будешь брать новую катушку, бери эквивалент пос-60 толщиной не больше 0.75, оптимально 0.5 мм). За блок питания ищи отзывы о конкретной модели, ибо есть всякие нюансы. Когда начнёшь баловаться с цифровыми схемами и микроконтроллерами, обязательно купи логический анализатор (совместимый с saleae), на али стоит от 5$ до 10$ в зависимости от комплектации и жадности продавца.
Аноним 10/12/17 Вск 08:57:05  305606
>>305583
>>305584
>>305586
>ослик
>ослик
>ослик
Хочется взять и уебать. Сраные ньюфаги думают, что выглядят крутыми и прошаренными, если используют самодельные ебанутые жаргонизмы.
Аноним 10/12/17 Вск 09:19:43  305609
>>305606
>сам написал что полный ньюфаг
>>думают, что выглядят крутыми и прошаренными
Еще раз, если ты немного туговат, я.сам.написал.что.я.полный.ньюфаг.
Как, блять, при этом можно стараться выглядеть крутым и прошаренным? Я бы тебе сам уебал за такие проблемы с когнитивными функциями.
>>305584-кун

>>305604
Спасибо за мнение. Тоже прихожу к выводу, что пока посижу без него, тем более что у Ревича в начале он практически не юзается.
Аноним 10/12/17 Вск 10:44:03  305612
>>305609
Если ньюфаг - так и нехуй коверкать общепринятые термины. Чем ньюфажистее и тупее человек - тем чаще от него слышишь всякие "ослик", "резюк", "транзюк", "микруха", "печатка" и прочие колхозные уёбищности. Зачем они это делают - за пределами моего понимания, как будто боятся нормальных слов.
Учись говорить правильно, а не выхватывай из форумов для дебилоидов самое говно - к тебе не будет претензий.

Для осциллографа есть единственный нормальный (международный) жаргонизм - "скоп".
Аноним 10/12/17 Вск 11:05:25  305616
>>305612
>Для осциллографа есть единственный нормальный (международный) жаргонизм
Есть термины, есть жаргонизмы. Если для тебе приемлемы одни сорта жаргонизмовпушо международныя!!!!111, но неприемлемы другие, то топай лечить непоследовательный хаос в своей башке.
Что в целом пользоваться терминами лучше, чем жаргонизмами — полностью согласен. Но ничего страшного в одном посте с использованием жаргонизма на харкаче нет.
Аноним 10/12/17 Вск 11:22:48  305617
>>305582
Мне дсо068 хватает, за такую-то цену. Не хватает расчётов, выводимых на экран, приходится клетки считать.

Покупать что-то пока нет особой нужды и прогресс в дешманских моделях ещё идёт не вижу смысла.

>>305616
Оно бывает что и официальные термины. Однажды охуел от длины советского аналога "derating curve" в описании деталюхи.
Аноним 10/12/17 Вск 11:36:29  305621
Пока специалисты по осциллографам в треде, ответьте, Micsig TO1104 плохой?
Аноним 10/12/17 Вск 11:42:03  305622
>>305604
>логический анализатор (совместимый с saleae)
Нахуя, если есть осцилограф?
Аноним 10/12/17 Вск 11:43:59  305623
>>305622
>Два какнала хватит всем
Аноним 10/12/17 Вск 11:45:34  305624
>>305623
>>305622
Ты бы попользовался логананализатром, понял бы, что осцилл в этой роли уёбище полное.
Аноним 10/12/17 Вск 11:52:48  305627
>>305621
Ютуб: mikeselectricstuff -> Micsig
Аноним 10/12/17 Вск 12:28:16  305633
>>305623
>>305624
Ну хуй знает. Осциллограф универсален, можно смотреть аналоговые сигналы и тд. Если хватает 2 каналов, то нахуя тратить деньги на ненужную хуйню?
Аноним 10/12/17 Вск 13:11:21  305639
Почему u=e/q?
Аноним 10/12/17 Вск 13:34:21  305641
>>305639
Если u - разность потенциалов, q - заряд, е - заряд электрона, то что-то не сходится с размерностью.
Аноним 10/12/17 Вск 13:48:13  305642
>>305612
Радачую, но резюк с транзюком хотя бы ни с чем не спутаешь, а ослик - это все что угодно, напр. internet explorer
Аноним 10/12/17 Вск 14:00:41  305645
>>305633
10$ просто непосильная ноша для мамкиного радачера. А вот осциллограф это да, по карману любому или ты предлагаешь использовать аналоговый, как диды?
Аноним 10/12/17 Вск 14:02:34  305646
фрагмент o30001.jpg (666Кб, 2480x1219)
>>302040 (OP)
Объясните пожалуйста, я не понимаю.
Как быть с общим плюсом на усилителе? Ведь общий в источнике сигнала это минус.
Аноним 10/12/17 Вск 14:04:05  305647
>>305642
Называть конденсатор кондеем. Путать в устной речи трансформатор и транзистор, говоря тран[с|з]. Вот за кондея хочется убивать.
Аноним 10/12/17 Вск 14:06:19  305648
>>305647
Я говорю "кап" (capacitor).
Аноним 10/12/17 Вск 14:06:51  305649
>>305646
Тебе не пофиг? Сигнал синусоидальный.
Аноним 10/12/17 Вск 14:10:11  305650
>>305649
Нет, объясни. Например выход линейный со звуковой карты, общий минус. А в приведенной схеме общий плюс. Будет короткое замыкание если я их состыкую.
Аноним 10/12/17 Вск 14:14:26  305651
>>305650
Представь, что на схеме общий минус, а питается она -12 вольтами.
Аноним 10/12/17 Вск 14:18:57  305652
>>305651
При этом нужно все перевернуть ведь?
Аноним 10/12/17 Вск 14:21:52  305653
>>305652
Там уже транзисторы перевёрнуты (тут у тебя они npn, а там - pnp).
Аноним 10/12/17 Вск 14:25:15  305654
1.png (48Кб, 1321x685)
>>302040 (OP)
На выходе генератора псевдослучайной величины, который представляет собой регистр сдвига с линейной обратной связью, некая последовательность нулей и единиц.
Вопрос: как сделать, что бы в этой последовательности вместо 0 были -1?
Аноним 10/12/17 Вск 14:30:01  305655
>>305653
я не понимаю как при таком подключении не будет короткого замыкания
Аноним 10/12/17 Вск 14:37:27  305657
>>305654
> Вопрос: как сделать, что бы в этой последовательности вместо 0 были -1?
Усилить сигнал в два раза и поставить ФВЧ?
Аноним 10/12/17 Вск 14:46:44  305658
>>305654
А все, я нашел ответ, мне нужен аналоговый инвертор.
Аноним 10/12/17 Вск 14:49:03  305659
.PNG (23Кб, 1399x532)
>>305658
Инвертор превратит 1 в -1. Алсо, можно сделать проще: усилить сигнал в два раза и вычесть <напряжение соответствующее 1>.

Вот сделал схему на ОУшках. V1 - вход. V4 - напряжение логической единицы. R3 - нагрузка.
Аноним 10/12/17 Вск 14:55:25  305661
>>305655
А когда ты две батарейки плюсом с минусом соединяешь (при этом оставляя вторые выходы незамкнутыми) тоже боишься короткого замыкания?
Аноним 10/12/17 Вск 15:04:42  305663
>>305661
Скажи, значит мне нужно в первой схеме просто поменять местами, оплетка пойдет на минус входа, а центральная жила пойдет на общий усилителя?
Аноним 10/12/17 Вск 15:09:46  305664
1.png (30Кб, 1299x529)
>>305659
>усилить сигнал в два раза и вычесть <напряжение соответствующее 1>.
>
Отличная идея, спасибо!
Как же я сам не мог до такого додуматься.
Аноним 10/12/17 Вск 15:12:58  305665
>>305663
Там стоит конденсатор C1, который не проводит через себя постоянный ток. Проще говоря по постоянному току цепь разомкнута и в твой усилитель (равно как и обратно в звуковуху) проходит только непосредственно переменный ток, представляющий из себя звуковой сигнал.
Аноним 10/12/17 Вск 15:14:39  305666
Вбрасываем температуры жала паяльника для свинцового и бессвинцового припоя.
Бессвинец на 350°C много?
Аноним 10/12/17 Вск 15:18:58  305667
1.png (15Кб, 1299x529)
>>305664
У этого генератора псевдослучайной величины очень малый период повторений.
Аноним 10/12/17 Вск 15:22:02  305668
>>305665
теперь отчасти понятно
Аноним 10/12/17 Вск 15:22:08  305669
>>305627
> mikeselectricstuff
Почему он такой вандал и откуда у него деньги?
Аноним 10/12/17 Вск 15:27:25  305671
>>305668
Просто для того чтобы в звуковуху пошёл ток, нужно, чтобы цепь была замкнута. Для этого должен пробиться входной конденсатор и как минимум транзистор в первом каскаде. А там уже будет пофигу идёт ли +12 вольт или -12 вольт.
Аноним 10/12/17 Вск 15:38:40  305674
>>305669
Про джо смита ещё спроси.
Аноним 10/12/17 Вск 16:30:43  305679
>>305669
Меня больше волнует его неразборчивое бормотание вместо речи. Чувак из бриташки, посмотри его видос, где он делал стенд для художественного перфоманса с использованием дисплеев от ипода и фпга. Думаю, что с деньгами у него всё ок, это у нас 500$ неебаться какая большая сумма. Ты ещё спроси, откуда столько недешёвого барахла у австралийца с дурацкой манерой речи Dave Jones EEVBlog.
Аноним 10/12/17 Вск 17:50:57  305683
14858064297600.jpg (71Кб, 1000x855)
>>305679
>это у нас 500$ неебаться какая большая сумма.
эх, если бы не пыня с рашкозарплатами, я бы мог купить осциллограф
Аноним 10/12/17 Вск 17:56:29  305684
>>305683
Эх, если б не майдауны, я бы мог купить себе осциллограф. А теперь у меня зряплата 110$. И даже если скоплю денег, ещё и привезти проблемка -- у домбасян особое положение.
Аноним 10/12/17 Вск 18:23:10  305688
>>302040 (OP)
Парни, я абсолютный нюфаг, захотелось вникнуть в эти ваши инженерные платы.
Не подскажите, сколько денег у вас уходит на это в среднем?
И сколько места дома занимает?
Аноним 10/12/17 Вск 18:34:54  305690
>>305688
Всё зависит от всего.
Аноним 10/12/17 Вск 18:35:52  305691
>>305688
Если не считать оборудования, то как вышивание и макраме. Но тебе это не нужно, не трать время, тут думать часто надо.
Аноним 10/12/17 Вск 18:36:11  305692
>>305684
Креосан, ты?
Аноним 10/12/17 Вск 19:19:04  305694
>>305690
Ну, если я захочу примитивные процессоры делать? Калькуляторы там.

>>305691
>думать часто надо
Вот, я за этим. Всегда, по глупости ес-но, считал инженегров за макак. Думал, нафига люди с платами маются? И недавно я прозрел. Это та сфера. в которой я не знаю абсолютного ничего.
Аноним 10/12/17 Вск 19:29:53  305695
>>305694
>Ну, если я захочу примитивные процессоры делать? Калькуляторы там.
fpga. есть борды по 10$
Аноним 10/12/17 Вск 20:49:37  305704
>>304909
>схему задержки включения на несколько минут.
Да хоть на несколько часов.
Будильник электронный. Обрезаешь два провода, которые идут на динамик, и припаиваешь их к своей махарайке.
Аноним 10/12/17 Вск 21:26:33  305712
>>305692
Нет. я тот хер, что всем отвечает в стм8-треде
Аноним 10/12/17 Вск 21:35:20  305713
>>305443
Работает >>305710
Аноним 10/12/17 Вск 23:39:46  305720
>>305695
Cпасибо
Аноним 10/12/17 Вск 23:43:22  305721
>>305602
>Например, самый левый транзистор ты не можешь открыть полностью, с остальными лень разбираться.
Ему и не надо, до 4.5-5в зарядит кондер без проблем, просто медленнее.
>>305603
>Тебе какая мощность на выходе умножителя нужна?
В идеале 9-10в, 0.1-1 мА, возможны пики до 3 мА. И включаться конвертер будет редко, на 1-3 сек.
>просто источник меандра. Причем хуёвый - с большим падением напряжения, так как транзисторы включены повторителями.
Предложи чего получше, пжлст? Питание только 5в, больше нихуя.
Аноним 11/12/17 Пнд 00:01:49  305723
.PNG (12Кб, 1006x468)
.PNG (23Кб, 439x532)
> Предложи чего получше, пжлст?
Лучше только boost converter. Тоже можно сделать из мк, мосфета + говна и палок, только нужна будет катушка.

Алсо, не обязательно использовать пуш-пулл. Можно использовать p-мосфет +n-мосфет и управлять ими с мк, следя, чтобы они не образовывали короткое замыкание. Тогда никаких потерь не будет, кроме падения напряжения на диодах, но с твоими требованиями можно взять маломощные шоттки у которых суммарное падение будет. Например я использую для таких целей RB521S30, у которых при 3ма суммарное падение будет около 0.4В
Аноним 11/12/17 Пнд 01:45:33  305725
>>305723
Не, буст не катит, девайс помехочувствителен. Иначе я бы простейший блокинг влепил.
Аноним 11/12/17 Пнд 01:47:21  305726
>>305725
> девайс помехочувствителен
Так и эта хуйня будет давать помехи ого-го. Фильтр в любом случае городить придётся.
Аноним 11/12/17 Пнд 01:57:06  305727
>>305726
Моя надежда на эту хуйню заключается в том, что мб удастся дрочить ее <1 кГц (емкости пожирнее въебать), а не 8+ кГц как с блокингом. Т.е. вч помех будет минимум. На нч помехи мне абсолютно похуй.
Аноним 11/12/17 Пнд 10:43:20  305743
3948064.jpg (246Кб, 1300x855)
Братцы, выручайте!

При подаче постоянного тока напряжением 120 вольт на обычную лампу накаливания в 150 ватт сколько эта лампочка будет потреблять в ваттах?

на самом деле задача стоит как можно быстрее, безопаснее и контролируемо разрядить АКБ.
Аноним 11/12/17 Пнд 10:45:45  305744
>>305743
5-10-20 Вт цементные резисторы. Можешь добавить последовательно к батарее. Тут больше вопрос, как не перегреть батарею при большом потреблении тока.
Аноним 11/12/17 Пнд 11:10:22  305745
>>305744
>к батарее
К лампочке, ёпт.
Аноним 11/12/17 Пнд 11:12:21  305746
>>305743
Ватт 50 ориентировочно. Предполагаем лампу резистивной нагрузкой и делим мощность на квадрат отношения напряжений.
Аноним 11/12/17 Пнд 11:16:47  305747
>>305650
У аудиовыхода общий - это общий, а не минус никакой. Относительно него сигнал и в минус и в плюс бегает.
Аноним 11/12/17 Пнд 11:25:20  305748
>>305721
Не зарядит. При Vgs.th 2V - зарядит максимум до 3В. К тому же "медленнее" в умножителе не катит.
Ток у тебя маленький совсем. Если у тебя есть нога процессора с допустимым source/sink 10 мА - тебе ее хватит. Сформируй на ней меандр и сделай внешний выпрямитель-удвоитель на 2 диодах Шоттки или одном сдвоенном. Ну или любой источник меандра подойдет с малыми напряжениями насыщения, мощность однозначно ничтожная.
Аноним 11/12/17 Пнд 11:43:50  305749
>>305746
Есть нюанс. Сопротивление холодной спирали в разы ниже горячей.
Аноним 11/12/17 Пнд 12:16:33  305750
>>305749
И как это отразится на потреблении?
Аноним 11/12/17 Пнд 12:32:12  305752
>>305750
А хз.
Аноним 11/12/17 Пнд 15:18:26  305759
S60012-12V-50A-[...].jpg (138Кб, 600x600)
Радач, нужно питать нагрузку постоянным током 12в 35А. Какие подводные камни, если взять не латр за тысячи денег с выпрямителем, а китайский импульсник на 50А, наподобие такого:
http://www.tmart.com/S-600-12-12V-50A-600W-Switching-Power-Supply_p355238.html

Какие вообще проблемы дают импульсники, кроме ВЧ шума на выходе?
Аноним 11/12/17 Пнд 15:40:13  305762
>>305666
> 350
бамп
Аноним 11/12/17 Пнд 15:51:14  305763
>>305759
Надо было начать с описания нагрузки, которую питать собрался.
Этот блок необходимо осматривать на пыль и работоспособность вентилятора. Продувать если забился. Использовать в помещении. Узкоглазые степень защиты от проникновения не указывают. В зависимости от качества компонентов и температуры работы со временем может снизиться отдаваемая мощность. Но последнее не должно грозить, есть некоторый запас.
Аноним 11/12/17 Пнд 16:04:23  305764
>>305763
Нагрузка - квадрокоптер с ~25А потребления на максимальных оборотах, но есть подозрение, что в пиках он может брать гораздо больше. Насчет пыли - работать будет на стенде в помещении, так что особых проблем с ней быть не должно, также как и с температурой. Еще подсказали серверный БП, который за примерно ту же цену может отдавать 12В/70A, но в нем стоят два серверных кулера, так что пока не уверен.
Аноним 11/12/17 Пнд 16:36:56  305769
test
Аноним 11/12/17 Пнд 16:38:25  305770
Посоны, есть тут такие, кто юзал блутуз модуль hc-08?
Аноним 11/12/17 Пнд 16:47:38  305771
>>305684
>А теперь у меня зряплата 110$
Скакали на антимайдане? Получите!
Аноним 11/12/17 Пнд 16:57:32  305773
>>305749
Проведи лабораторную работу - померь ток спирали на 220В и на 120В, оцени нелинейность.
Аноним 11/12/17 Пнд 18:02:15  305780
>>305747
Ясно.
Аноним 11/12/17 Пнд 18:30:27  305783
>>302040 (OP)
хочу у становить камеру на болконе чтоб контролировать машину, есть ли в этом смысл?
Аноним 11/12/17 Пнд 18:38:40  305785
>>305783
Возможно. Только возможно придётся брать камеру с узким углом обзора, чтобы наблюдать машину, а не пейзаж вокруг. Ну и если балкон высоко, будешь видеть макушки людей, а не их лица.
Аноним 11/12/17 Пнд 18:52:17  305786
>>305785
как эти камеры вообще работают, от чего питаются?
Аноним 11/12/17 Пнд 19:06:04  305789
IMG201711292030[...].jpg (1327Кб, 3264x2448)
Привет, /ra/.
Преподаватель нарисовал схему и спросил: Можно ли продолжить ряд и объяснить почему?
Я предположил, что нагрузочная способность, большие задержки, etc, но он говорит суть не в этом. Да, тоже, но есть другая причина. А я ХЗ.
Хелпаните или намекните.
Аноним 11/12/17 Пнд 20:01:22  305798
>>305786
От электричества.
Каков вопрос - таков ответ.
Аноним 11/12/17 Пнд 20:05:03  305800
>>305789
>Я предположил, что нагрузочная способность, большие задержки, etc
То есть начал лепить херню с умным ебалом.

Ряд продолжить можно если КЭ - это коллектор и эмиттер выходного транзистора. Какой-то специфический элемент. Получается "проводное ИЛИ".
Аноним 11/12/17 Пнд 20:13:37  305802
DIKqkUECSg.jpg (177Кб, 768x960)
Радвач. Расскажи мне про фотоэлементы. Они же бывают многих типов - фоторезисторы, фотодиоды, фототранзисторы, фотофеты и прочие странные штуковины. Для какого применения каждый из них предпочтительнее?
Аноним 11/12/17 Пнд 20:15:28  305803
>>305800
Да, лепил херню с умным ебалом. Он сказал, что будет КЗ
Аноним 11/12/17 Пнд 20:26:19  305805
>>305771
Тоже, в принципе, верно. Жаль только, что скакуны этого не поймут.
Аноним 11/12/17 Пнд 20:43:27  305807
>>305798
от розетки? или комп должен быть постоянно включенный?
Аноним 11/12/17 Пнд 20:51:46  305808
>>305807
В некоторых камерах есть слоты для sd, так что постоянно включённый комп не обязателен. Хотя sd на долго не хватит (может год, два), а потом менять.

Питаются либо от 12 вольт, либо по PoE.
Аноним 11/12/17 Пнд 21:07:06  305810
Я создал!!
https://2ch.hk/ra/res/305809.html
https://2ch.hk/ra/res/305809.html
https://2ch.hk/ra/res/305809.html
А то у меня Лис при открытии начинает отжирать 4Гб памяти
Аноним 11/12/17 Пнд 22:32:25  305817
>>305764
Анончик, ты там не пизданулся случайно квадрокоптер такой ебалой питать?
Аноним 12/12/17 Втр 04:36:47  305827
>>305817
>ты там не пизданулся
Это я как раз и пытаюсь определить. "Пизданулся" - это ты про перебор в 70А (коптеры будут потом ещё, а некоторые гоночные как раз под 50А потребляют)? Большая проблема, которую я сейчас уже вижу - коптеры не только на 12В бывают, а с фиксированными импульсниками я уже даже 4S/15В не запитаю.
Аноним 12/12/17 Втр 06:34:45  305829
>>305723
>катушка
Дроссель или индуктивность.

Аноним 12/12/17 Втр 10:33:33  305838
>>305759
>но есть подозрение, что в пиках он может брать гораздо больше
Если схемотехнику БП на пике не меняли, то при перегрузке он будет переходить в режим стабилизации тока.
Так что для твоего случая как раз.
Аноним 12/12/17 Втр 15:43:07  305849
Задался целью собрать регулируемый стабилизатор тока для низких токов (0.5мА - 3мА). Сначала попробовал на базе lm317, потом почитал внимательно датащит, понял в чем ошибка.
Собственно, вопрос- на базе какого стабилизатора можно такой девайс собрать? Или чем заменить стабилизатор?
Аноним 12/12/17 Втр 16:05:28  305851
Аноны, у меня есть китайский БП, типа такого >>305759, но 12В 10А. Так вот. Я им пытаюсь крутить движок 12 вольтовый (2 ампера холостой ход), раньше он его спокойно крутил, но теперь при попытке запустить мотор от него, напряжение на выходе БП сразу же просаживается, и в итоге двиг крутится рывками. Что могло в нем сдохнуть и из-за чего?
Аноним 12/12/17 Втр 16:26:59  305852
>>305849
Тебе именно стабилизатор? Источник тока можно на одном-двух полевиках сделать.
Аноним 12/12/17 Втр 19:34:02  305869
>>305851
Высохли электролиты, в особенности выходные. Раздолбался движок и теперь на старте жрёт больше тока
Аноним 12/12/17 Втр 20:36:13  305874
>>305869
Да оно все новое, месяца три, как купил.
Аноним 12/12/17 Втр 22:05:13  305881
>>305771
Я не скакал и вообще живу в рашке, почему моя зп в 2013 была $1500, а сейчас $600?
Аноним 12/12/17 Втр 22:18:05  305882
>>305881
Хули ты пиздишь? По тв П. сказал, что инфляция лишь чуть выше обычного, руб зарплаты растут, все доступно как и раньше, уровень жизни растет, а нынешний курс руб-дол выгоден бензоколонкам и никак не влияет на простых граждан, ведь молоко и хлеб не дорожали особо. Зачем ты врешь и нагнетаешь, пидор?
Аноним 12/12/17 Втр 22:50:49  305886
put.jpg (9Кб, 480x360)
>>305882
>все доступно как и раньше, уровень жизни растет, а нынешний курс руб-дол выгоден бензоколонкам и никак не влияет на простых граждан, ведь молоко и хлеб не дорожали особо.
Путиномика
Аноним 12/12/17 Втр 23:24:15  305891
гильзыATX.JPG (29Кб, 546x357)
Привет, котаны! Где взять годные гильзы для блока питания ATX? по типу как скриншете или ссылку на продавца с али, которые не развалятся после первого подключения.
Аноним 13/12/17 Срд 06:36:48  305899
>>305891
dupont


Топ тредов
Избранное