Главная Настройка Mobile Контакты NSFW Каталог Пожертвования Купить пасскод Pics Adult Pics API Архив Реквест доски Каталог стикеров Реклама
Доски


[Ответить в тред] Ответить в тред



<<
[Назад][Обновить тред][Вниз][Каталог] [ Автообновление ] 97 | 23 | 14

Тред ньюфага, который сможет Аноним 13/03/17 Пнд 20:31:30  275126  
old.png (4479Кб, 2079x1440)
14894207040510.jpg (85Кб, 1039x616)
power1.png (53Кб, 889x1107)
power2.png (19Кб, 635x963)
Пару лет назад отдали мне Thinkpad Z60t.
Тогда он вообще не включался, блок питания ничего не выдавал, я ничего в этом не понимал и спрятал его в кладовку. Через год уже что-то понимал в электронике, разобрал его и увидел залитую плату какой-то жижей. Оказался кондёр.
Заменил.
Но питание не появилось. С помощью /ra/ вычислил обрыв в какой-то катушке, отпаял, припаял провод к пину, запаял, ноут заработал. Пикрелейтед 1. Было это 24/10/2014
Но включался он через ритуал:
-Вытащить аккумулятор
-Вставить штекер
-Включить
-Вставить аккумулятор
Иначе никакие лампочки не загорались при втыкании штекера и он не включался.
Через неделю уже надо было раза 3 перетыкнуть штекер, чтоб включился. Ещё через неделю уже около 40 раз я перетыкал, чтоб он включился и так он проработал недели 2. Потом я его случайно выключил и уже обратно не включил.
Отнёс в сервис, через неделю вернули, сказали не знают в чём проблема, взяли деньги за диагностику. Сейчас разбирал - все заводские наклейки на месте, клей старый древний с завода на месте, резиночки, которые намертво приклеили на заводе, и которые я порвал вытаскивая кабеля, были не порваны и не тронуты. Пидоры даже не открывали его.
Прошло 2 с половиной года, я подписался на ютубе на каналы по ремонту всякой техники, посмотрел сотни видео, купил фен, осциллограф, собрал пару махараек на макетках и платах, сделанных ЛУТом и мне кажется я готов попробовать его починить.
Разобрал, записал какой винтик откуда, достал плату.
Пикрелейтед 2 - его плата.
Вот я нагуглил плату от Z60m http://files.pochinim42.ru/scheme/QUANTA/BV1%20(Lenovo%20TP%20Z60m).pdf
Ещё нагуглил по "Hannstar J MV-4 94V-0"
>Hannstar J MV-4 94V-0 0823
>платформа ваша Quanta TT9 (схема есть в открытом доступе)
http://www.smdcode.com/media/service-manuals/motherboards/quanta/quanta-tt9-r1a-schematics.pdf
В пдфке на "Quanta TT9" коннектор LCD на 40 пинов, а у меня на 80, и какой-то из резисторов, который я нашел, вообще не в том месте, где на схеме.
А вот от Z60m всё подходит. Резисторы R4 и R3 совпадают с положением на плате. Но вроде из Hannstar можно напряжения взять, если там принцип тот же.
Как я помню с ютуба, мне надо проверить напряжения с 4го пика. Вроде это карта того, как они появляются при включении.
А третий пик с S0 S1 S2... это таблица Hannstar при каком состоянии какие напряжения должны быть. Я видел это на ютубе, и видимо мне надо проверять те, где S3 S4 S5.
Пойду искать их, буду отписываться.
Пока что выяснил - потребление 18.6мА. При нажатии на кнопку питания ничего не происходит.
Аноним 13/03/17 Пнд 21:20:41  275153
>>275126 (OP)
>я подписался на ютубе на каналы по ремонту всякой техники, посмотрел сотни видео, купил фен, осциллограф, собрал пару махараек на макетках и платах, сделанных ЛУТом и мне кажется я готов попробовать его починить
И чё ты от нас хочешь, болезный? Что мы тебе вот так сразу скажем, что делать дальше?
Аноним 13/03/17 Пнд 21:21:46  275154
AT97.png (39Кб, 841x491)
>>275126 (OP)
>3й пик
+VIN я знаю, что есть
+BATT не искал, не вставлен аккумулятор
+AVBAT
>RTC & KBC POWER
Поискал в http://files.pochinim42.ru/scheme/QUANTA/BV1%20(Lenovo%20TP%20Z60m).pdf
Там нету "AVBAT", но есть "RTCVCC" в микрухе "AT97SC3201" (страница 47)
Пикрелейтед. Замерял все пины. RTCVCC есть.
Аноним 13/03/17 Пнд 21:30:39  275159
>>275154
Вопрос то в чём? Ты мне предлагаешь за тебя формулировать?
Аноним 13/03/17 Пнд 21:32:44  275161
>>275159
Для вопросов рано пока. Дай напряжения найду сначала.
Ну или если знаешь что искать, подскажи. Симптомы описал.
Аноним 13/03/17 Пнд 21:43:47  275164
>>275161
>Ну или если знаешь что искать, подскажи.
Не знаю. Но ИМХО ты рано тред создал, ибо нифига не нашёл. Или ты хочешь тут поэтапно свою кулстори пилить?
Аноним 13/03/17 Пнд 21:49:22  275165
AT8356908.png (92Кб, 1199x650)
>>275164
Хотелось бы поэтапно, но пока не верю, что починю.
Вот ещё замерял AT8356908, она на той же 47 странице.
Аноним 13/03/17 Пнд 22:04:22  275169
>>275165
SCL и SDA тестером тыкать практически бесполезно, если только там не около нуля показывает. SCL - это Serial CLock, то есть тактирование последовательного интерфейса, а SDA - это Serial DAta, то есть данные, передаваемые по нему. С ними только с осциллографом или логическим анализатором можно что-то посмотреть... Судя по остальным напряжениям, питание есть. Конечно, если микросхема питается от 3.3 вольта.
Аноним 13/03/17 Пнд 22:28:50  275172
>>275126 (OP)
Я по 3му пику ничего найти не могу. Всё называется подругому наверное.
Помогите мне, что мне искать надо?
http://files.pochinim42.ru/scheme/QUANTA/BV1%20(Lenovo%20TP%20Z60m).pdf
При втыкании штекера должен загореться светодиод, а не горит ничего.
Куда мне искать?
Аноним 13/03/17 Пнд 23:21:45  275177
power3.png (413Кб, 1881x1408)
power4.png (265Кб, 1979x1135)
Рядом с штекером потыкался в пикрелейтеды.
MAX8724AETI откуда на схеме 29 пин, их всего 28
MAX1540 откуда на схеме 37 пин, их всего 32
Видимо лишние пины на животе микрух и они все земли.
По аббревиатурам может кто сказать отсутствуют ли тут нужные напряжения?
Аноним 13/03/17 Пнд 23:38:23  275182
>>275177
>MAX8724AETI
>The MAX1908/MAX8724/MAX8765/MAX8765A highly
>integrated, multichemistry battery-charger control ICs
>simplify the construction of accurate and efficient charg-
>ers.
А вот
>MAX1540
>DC-DC converter steps down high-voltage batteries
>and/or AC adapters, generating precision low-voltage
>chipset, dynamic random access memory (DRAM), and
>input/output (I/O) power supplies for notebook computers.
Вроде интереснее.
Vout1 и Vout2 это 27 и 12 пины, у меня там ничего нет. Но может и не должно. Пойду поизучаю как оно там устроено. Вряд ли я вот так наугад взял и нашел проблему.
Аноним 13/03/17 Пнд 23:46:50  275184
изображение.png (11Кб, 866x400)
изображение.png (177Кб, 1909x1255)
>>275182
>>275177
На 32 пине у меня 0 вольт, это значит эта штука не включается.
А должен быть VCC1R05B_ON через резистор.
А VCC1R05B_ON формируется из B1_ON
А B1_ON формируется в здоровенной херовине, которую не пойми как замерять. Она же BGA.
Аноним 13/03/17 Пнд 23:51:06  275185
>>275184
А нет. Не BGA. Сейчас намеряю.
Аноним 14/03/17 Втр 01:32:39  275190
PMH6.png (340Кб, 2336x1516)
>>275185
>>275184
Вроде всё правильно. Перепроверил. B1_ON не выдаёт.
А вот почему не выдаёт, я уже тут не разберусь. Столько сигналов всяких.
Аноним 14/03/17 Втр 01:46:13  275191
I6rflz9.png (546Кб, 376x623)
Я даже даташит на эту штуку нагуглить не могу.
Аноним 14/03/17 Втр 15:03:04  275239
Кто-нибудь может сказать хватает ли сигналов у PMH_6? >>275190
Аноним 14/03/17 Втр 20:25:03  275295
изображение.png (264Кб, 2289x1374)
В общем дела такие. Посмотрел ещё всяких видео с ютуба. Нашел где у меня дежурки расположены. И вот между дросселями и землёй сопротивление меньше 5 Ом. Я всё ближе к разгадке. Только мне бы ещё понять какое там напряжение можно всадить. У меня есть самодельный лабораторный блок питания.
Вон я стрелками отметил. Какое туда напряжение подать можно?
Аноним 14/03/17 Втр 20:38:53  275296
>>275295
Я бы не стал ничего туда подавать. Есть определённая последовательность включения питания для проца, гугли. Если не дошло до включения питания ядра, то где-то на предыдущем шаге коротышь или какая другая проблема.
Аноним 14/03/17 Втр 20:44:34  275297
>>275296
Не совсем понял тебя. Я уже нашел КЗ. Вон прям как в этом видео
https://www.youtube.com/watch?v=3UWjuTz6VUg
После выпаивания причины КЗ у него сопротивление стало ~1 миллион Ом. А у меня 5. А у него было 20.
Аноним 14/03/17 Втр 21:18:16  275312
>>275297
Ну если нашёл - респект. Я просто к тому клоню, что не стоит насиловать выход преобразователя, подавая на него внешнее напряжение, может обидеться навсегда.
Аноним 14/03/17 Втр 23:17:34  275337
Подал 1.5 вольт 500мА, подождал 10 минут, проц нагрелся. Вытащил проц, сопротивление поднялось выше 2мОм.
И вот хрен знает теперь, это проц сгорел или там пины питания коротят что-то коротнувшее. Но проц греется.
С одной стороны на али новый проц, да ещё и мощнее, стоит всего 1.5$
С другой - если это не проц и ноут я так и не починю, просто так выброшу деньги и пару месяцев ждать буду.
Аноним 15/03/17 Срд 03:02:01  275347
Тред не читал, а ОП-пост лишь частично.
Если это кванта, берешь фен, ставишь 400С и средний поток.
Греешь мосты по 5 минут каждый. Пишешь о результате.
Все. Дальше будет разговор.
Аноним 15/03/17 Срд 06:05:52  275354
>>275347
Сначала проц новый куплю. Если не поможет, может и пожарю.
Аноним 15/03/17 Срд 06:24:05  275355
>>275354
Долбоеб, ты вообще соображать способен? Это кванта. Я не буду тебе сопли разжевывать. Дело не в камне.
Либо делай как сказано, либо иди нахер и молча сам ебись. От прогрева ничего не сдохнет. И кз у тебя нет.
Аноним 15/03/17 Срд 06:54:35  275358
Если после прогрева заработает - быстро продать по цене металлолома.
Аноним 15/03/17 Срд 06:55:51  275359
>>275358
Ноут 2004 года? Продавать? Кому?
Аноним 15/03/17 Срд 07:11:03  275360
>>275358
>>275355
>>275347
Ладно. Прожарил. Сначала на 400 - ничего не изменилось. Потом на 460 - ничего не изменилось.
На 460 жарил отваленный чип нвидии 3 раза, хватало на 2 недели.
Не отвал мостов.
Аноним 15/03/17 Срд 09:26:28  275373
https://2ch.hk/ra/res/219882.html
Аноним 15/03/17 Срд 18:09:02  275453
>>275360
Я тебе не глядя на последовательность запуска и твои говнозамеры скажу, что если ноут иногда включается - это никакое не кз. В 90% это отвал мостов, видео или мультиконтроллер. Маловероятно - МС биоса. Если уверен что мосты живые, можешь попробовать махнуть U42, но сначала глянь, по start sequence все ли нужные сигналы к нему приходят, чтобы он выдал разрешение на запуск далее.
Аноним 15/03/17 Срд 19:18:56  275465
>>275453
>start sequence
А где его посмотреть?
Я нашел в этом файле http://www.smdcode.com/media/service-manuals/motherboards/quanta/quanta-tt9-r1a-schematics.pdf но сейчас я понимаю, что это совсем другой ноут и названия питаний не ищутся в моём http://files.pochinim42.ru/scheme/QUANTA/BV1%20(Lenovo%20TP%20Z60m).pdf
Тыкни меня в микруху, которую надо замерить, я выложу замеры как тут >>275154 >>275165 >>275177 >>275190
Я тут у знакомого "мастера" спросил, который ноуты чинит. Он говорит 5 Ом между дросселями и землёй это очень мало.
Я думаю если это проц, то сопротивление постепенно падало и он то включался то нет.
При этом если там дежурки 3.3/5 вольт, то он будет греться ещё сильнее с включённым штекером. Я подал 1.5 вольт 500мА и за 10 минут он ощутимо нагрелся. А что будет при 3.3 или 5.
Или это вообще не дежурки. Это я вот про это >>275295
Но выглядят они как тут >>275297 и рядом по 4 микрухи. Их видно на схеме тоже.
Что-то я смотрю. Это вообще дежурки то? Там всё непонятно на схеме, никакие напряжения не подписаны.
Аноним 15/03/17 Срд 20:50:31  275476
Падажжи ёбана. Кажется это не дежурки, а притание проца. А мне сразу название VCCCPUCORE не понравилось. Наебало меня видео с ютуба.
Дежурки это втором на пике >>275177 VCC1R05B и VCC1R5M?
У VCC1R05B между дросселем PL6 и землёй 26 Ом.
У PQ23 между 1 и 8 пинами (не выпаивал) это же самое сопротивление - 26 Ом.
У PQ13 (над ним на схеме) между 1 и 8 пинами (не выпаивал) выше 2 мОм.
Сука, плата, хватит меня путать.
Это то, что надо или нет?
Руки чешутся выпаять PQ23.
Аноним 15/03/17 Срд 20:51:47  275477
>>275476
Причём опять же, какое напряжение должно быть у VCC1R05B? Сколько я туда всадить могу, чтоб проверить нагрев?
Аноним 15/03/17 Срд 21:09:31  275480
>>275476
Выпаял, упало до 21 Ом. Сука.
Аноним 16/03/17 Чтв 00:37:58  275500
power squence 2.jpg (377Кб, 1892x1098)
R404.jpg (739Кб, 2396x1425)
В общем сижу я гуглю, и на каком-то китайском сайте нахожу POWER SEQUENCE PMH6
Довольный измеряю всё и вижу пикрелейтед.
На мультиконтроллер не приходит MPWRG. MPWRG это... Ну на пикче написал.
Нахожу R404 на плате, а его там нет. И никогда не было, судя по всему.
1)Как это работало раньше?
2)Должен ли я его туда запаять?
Аноним 16/03/17 Чтв 00:54:29  275502
>>275500
Забыл сказать, что на одном пяточке резистора есть 3.4 вольта, а второй звонится в нужную ногу мультиконтроллера.
Аноним 16/03/17 Чтв 02:07:37  275503
>>275500
>>275502
Ага. Понял. Его не впаяли, потому что есть PR118, который 10к и тоже подтягивает MPWRG к VCC3M.
Внимание вопрос:
Я всё таки впаял R404 номиналом 5к (хотя надо 10к) и до резистора там 3.4 вольта. После - 0 вольт.
Анус ставлю, что это причина поломки.
Без питания сопротивление между землёй и MPWRG выше 6 кОм. После подачи питания - 57 Ом.
Осталось найти что может подтягивать MPWRG к земле после включения.
Аноним 16/03/17 Чтв 02:23:33  275504
>>275503
Не, стойте, какая подача питания. По моему так измерение сопротивления не работает.
Выпаял свой R404, сопротивление между его пяточком и землёй - 1кОм и растёт до 1.2кОм. Где-то ещё и конденсатор почему-то поставили.
В любом случае я вижу по схеме только подтяжку через R241 (100кОм) к земле.
Потом есть диод PD45 обратной стороной к земле.
И вроде всё. Пойду искать.
Аноним 16/03/17 Чтв 04:04:05  275510
>>275504
Выпаял PD45, он исправен, сопротивление осталось.
Я вообще психанул, пока искал PD45 на плате и впаял 500 Ом между VCC3M и MPWRG. И MPWRG просело до нуля после резистора. Там что-то очень хитрое просаживает MPWRG на землю при подаче питания.
Аноним 16/03/17 Чтв 18:03:39  275560
9bbgH6f1nYU.jpg (51Кб, 604x299)
>>275510
>>275504
>>275503
>>275502
Ты мало того что долбоеб, как я сразу сказал, так еще и альтернативно одаренный.
MPWRG - это сигнал power good с контроллера питания PU4. Он внутренней логикой подтягивает его к земле через ключ. Если питание ОК, то ключ будет закрыт и ты получишь высокий уровень.
У тебя неисправен либо PU4 (считаю весьма маловероятным), либо обвязка (90% что она, либо КЗ по одной из линий питания), либо банально не все ON-входы истинны (тогда проблема не в PU4, смотри откуда идут те сигналы).
Смотри PU4, все что вокруг него, все что в него входит-выходит и думай.
Но все это, конечно, только если после твоих дебильных экспериментов там еще есть что чинить.
Аноним 16/03/17 Чтв 19:09:50  275568
>>275560
К сожалению пока ты это писал, я всё это уже нашел и собирал рабочий ноут. Загрузил убунту и всё работало.
Проблема была убер странная. У PU4 нога -SHDN (PWRSHUTDOWN#) не была припаяна к пяточку. Точнее выглядела она как припаянная, вверх не подгнута, лежит себе на пяточке, а рядом припой.
Припаял и всё взлетело и я довольный всё собирал, проверяя после каждого шага. Раз 10 включал и всё работало.
И когда собрал вспомнил про старую проблему >>275126 (OP)
>Но включался он через ритуал
И я не понял как это связано с отвалом PWRSHUTDOWN#. Выключил питание, вставил аккум, 0 реакции, вставил питание - СУКА НОЛЬ РЕАКЦИИ ЁБАНЫЙ В РОТ У МЕНЯ ОПЯТЬ ТРУП, КАК РАНЬШЕ! СУКА НАВЕРНОЕ:
>Отнёс в сервис, через неделю вернули, сказали не знают в чём проблема, взяли деньги за диагностику. Сейчас разбирал - все заводские наклейки на месте, клей старый древний с завода на месте, резиночки, которые намертво приклеили на заводе, и которые я порвал вытаскивая кабеля, были не порваны и не тронуты. Пидоры даже не открывали его.
Можно вытащить материнку с пластиком, не отрывая эти резиночки и бумажки от пластика. Наверное там что-то делали с PU4 и не пропаяли ногу.
Сука, заново всё начинать. А я так обрадовался, думал починил.
Аноним 16/03/17 Чтв 19:17:19  275569
>>275568
Ну проверяй дальше. Можешь ебануть годного флюса на ноги PU4 и прогреть феном, чтобы все 100% спаялось. Для старых ноутов, особенно производительных и сильногреющихся, трещины в припое - не скажу что редкая проблема.
Не удивлюсь если в итоге окажется дело все же в мосту.
Аноним 16/03/17 Чтв 19:26:25  275572
Даже M1_ON теперь нету с этого пика >>275500
Ну наверное мост будет в итоге действительно.
Аноним 16/03/17 Чтв 19:38:34  275573
VCC3SW есть, VINT19 нету. Тут без полной разборки не разобраться. Пойду разбирать и разбираться.
Аноним 16/03/17 Чтв 19:53:37  275575
EXTPWR# = 59.1mV
И это считается как LOW или HIGH?
Аноним 16/03/17 Чтв 20:08:32  275579
>>275575
Сам-то как думаешь? Для инвертирующего входа это HIGH, для неинвертирующего LOW.
Аноним 16/03/17 Чтв 20:09:24  275580
>>275579
Но там не 0. Для запуска нужен 0 >>275500
59.1mV считается нулем?
Аноним 16/03/17 Чтв 20:12:41  275582
>>275580
Ты издеваешься? Даже для германиевых полупроводников 0.059в - это как-то маловато. Тля тупых: да, это 0.
Аноним 16/03/17 Чтв 20:21:43  275584
>>275582
Спасибо.
Аноним 16/03/17 Чтв 20:23:26  275585
>>275582
Пока ты здесь, где формируется VINT19? Какие и у кого разрешения что должно получить?
Я и сам найду, но я бы ещё 2 часа искал 59.1mV это 0 или нет. А раз уж ты тут.
Аноним 16/03/17 Чтв 20:43:17  275590
>>275585
>VINT19
Ты обдолбанный что ли? При подключенной плате что у тебя на DC-IN разъеме? Аккумулятор живой? БП менять пробовал?
Аноним 16/03/17 Чтв 20:48:34  275591
>>275590
>обдолбанный
Нет. Это мой первый в жизни ремонт техники. До этого только видео на ютубе смотрел. Я не понимаю откуда этот VINT19 берётся. На схеме только его выходы.
>то у тебя на DC-IN разъеме
20.8 вольт, ноут рассчитан на 20.
>Аккумулятор живой
Кто его знает, плата сейчас без аккумулятора от сети не работает.
>БП менять пробовал
Я его чинил. Кстати там тоже было 2 поломки. Кондёр и отваленная катушка.
Нормально всё с БП, 2 часа назад работал, а сейчас только VCC3SW есть.
Аноним 16/03/17 Чтв 21:04:23  275592
>>275591
Схему особо не смотрел, скорее всего это всего лишь питание с аккума.
Аноним 16/03/17 Чтв 21:32:51  275593
>>275591
>>275585
>Пока ты здесь, где формируется VINT19? Какие и у кого разрешения что должно получить?
ЖЖошь напалмом. Знатно ж ты дунул. Стр. 50. Это выход с аккума. С такими вопросами ты его долго чинить будешь.
Аноним 16/03/17 Чтв 21:39:12  275594
>>275593
Третий день чиню с утра до вечера.
А точно там про аккум? Там контакт J2 это тот, в который питание вставляется. Дальше идёт PQ42, на пинах 1-4 у меня по 20 вольт, а на 5-8 - ничего. Мне кажется что на 4 пине нужна земля. Не?
На сегодня я морально уничтожен. Этот сучёныш был у меня в руках, работал. И вот он опять дохлый лежит.
Завтра продолжу.
Аноним 16/03/17 Чтв 21:56:28  275595
>>275594
Воткни аккум да посмотри. Полевиками коммутируется подключение/отключение аккума к основной шине питания. Ну и прозвонить контакт аккума относительно винт19 никто не запрещает.
Аноним 17/03/17 Птн 08:02:04  275631
На аккумуляторе 0.76 вольт, вскрыл, 4 батарейки 0 вольт и покрылись волдырями, будто их на огне жарили, а на двух 0.76. Использовать я его точно не буду, но не думаю, что это из-за него ноут закирпичился. В 2014 ноут нормально работал от него.
Аноним 17/03/17 Птн 08:54:17  275635
>>275595
И кстати аккум не звонится на VINT19. Я всё ещё думаю, что это питание.
А добавление аккума в VINT19 описано на странице 52 (PJP3)
PJP2 не используется, видимо это для других моделей ноутов
Аноним 17/03/17 Птн 10:10:04  275638
VINT19.png (464Кб, 2081x1086)
Как я понял на 4 ноге PQ42 нужен 0, у меня там 20 вольт.
Как я понял это из-за PWRSHUTDOWN# который должен быть быше 0.
Я нашел 2 источника - MAX1989, у которого на VCC ничего нет.
Ну и мультиконтроллер, иииии тот самый TSURUMIA BD4175KVT, к которому я эту ногу и припаял.
Мой разум говорит мне, что эту ногу в сервисе и отпаивали, чтоб посмотреть что будет. Но она не выглядела как отогнутая. Она лежала на припое.
И ещё в симптомы надо добавить, что если ноут полежит неделю без питания, то включится. Я совсем забыл про это.
Аноним 17/03/17 Птн 11:12:19  275641
изображение.png (418Кб, 2155x1415)
>>275638
Вот замеры.
Но я не могу найти power sequence для неё. Как узнать что на неё приходить должно?
Аноним 17/03/17 Птн 14:04:39  275658
изображение.png (396Кб, 2083x1374)
Вот новые замеры мультиконтроллера.
Вот старые >>275190
было -> стало
CARDBUSPDN# 3.2 -> 0.08
-PWRSHUTDOWN 3.1 -> 0
-MAINOFF 3.1 -> 0
-EXTPWR 0 -> 3.2 (это нормально?)
-PME 3.2 -> 0 (а это? это "PCIE_WAKE#")
Аноним 17/03/17 Птн 15:58:36  275667
>>275631
Аккум сдох, можешь выкинуть, на самоделки можешь оставить от него плату балансира/контроллера
>>275641
Смотри все ON'ы (слева) и все VCC (справа)
Аноним 17/03/17 Птн 16:03:36  275668
>>275667
>Смотри все ON'ы (слева) и все VCC (справа)
И сверху тоже.
Аноним 17/03/17 Птн 20:37:14  275704
изображение.png (328Кб, 519x703)
>>275668
VCC3M - запускается сигналом M1_ON с мультиконтроллера >>275500 (сейчас VINT19 и всё после него нету)
VCC5M - запускается сигналом M1_ON с мультиконтроллера >>275500 (сейчас VINT19 и всё после него нету)
VDD15 - как я понял формируется из VCC5M через PL10, которого нет
5M_ON - запускается сигналом M1_ON с мультиконтроллера >>275500 (сейчас VINT19 и всё после него нету)
3M_ON - запускается сигналом M1_ON с мультиконтроллера >>275500 (сейчас VINT19 и всё после него нету)
3A_ON - это VCC1R8A_ON а это A1_ON с мультиконтроллера >>275500 (сейчас VINT19 и всё после него нету)
3B_ON - это B_ON а это это B1_ON с мультиконтроллера >>275500 (сейчас VINT19 и всё после него нету)
5B_ON - это B_ON с мультиконтроллера >>275500 (сейчас VINT19 и всё после него нету)
3P_ON - это PANEL_POWER_ON а это DISP_ON какой-то LVDS и что-то про графику. Наверняка что-то про дисплей.
VBL16_ON - это PANEL_POWER_ON а это DISP_ON какой-то LVDS и что-то про графику. Наверняка что-то про дисплей.
RD1_ON - это VIDEO_ON а это A2_ON с мультиконтроллера >>275500 (сейчас VINT19 и всё после него нету)
RD2_ON - это VCC3AUX_ON с мультиконтроллера >>275500 (сейчас VINT19 и всё после него нету)
RD3_ON - это VCC1R8A_ON а это A1_ON с мультиконтроллера >>275500 (сейчас VINT19 и всё после него нету)
RD4_ON - это B_ON а это это B1_ON с мультиконтроллера >>275500 (сейчас VINT19 и всё после него нету)
M1GATEON - это с микроконтроллера, которого и до этого не было.
M2GATEON - это с микроконтроллера, который был и есть.
S1GATEON - это с микроконтроллера, которого и до этого не было.
S2GATEON - это с микроконтроллера, который был и есть.

По изменённым:
CARDBUSPDN# 3.2 -> 0.08 - это VCC3M - запускается сигналом M1_ON с мультиконтроллера >>275500 (сейчас VINT19 и всё после него нету)
-PWRSHUTDOWN 3.1 -> 0 - это либо ALERT# с MAX1989 (не запитан от VCC3B (который +3_3V_PCI?) от которого дохрена всего питается. Ооооочень дохрена (todo: проверить J2_FUSEVCC3B)
-MAINOFF 3.1 -> 0
-EXTPWR 0 -> 3.2 (это нормально?)
-PME 3.2 -> 0 (а это? это "PCIE_WAKE#")

И пока остановлюсь на VCC3B.
Помогите Даше найти формирование VCC3B.
Схема http://files.pochinim42.ru/scheme/QUANTA/BV1%20(Lenovo%20TP%20Z60m).pdf
Аноним 17/03/17 Птн 20:45:10  275706
изображение.png (80Кб, 1407x656)
>>275704
J2_FUSEVCC3B защищает коннектор, а не питание. И вообще я его найти на могу, но думаю он не при делах.
Аноним 17/03/17 Птн 21:07:31  275707
>>275704
>VCC3B
Стр. 7
Аноним 17/03/17 Птн 21:32:01  275709
>>275707
Не совсем понял. Как я это представляю - куда-то должно придти +20 и выйти +3. Это L24 с 7й страницы?
Аноним 17/03/17 Птн 21:34:18  275710
>>275709
U9H
ALVISO
Аноним 17/03/17 Птн 22:01:02  275714
изображение.png (631Кб, 539x484)
>>275710
Есть штука типа пикрелейтеда, она U9
У неё с одной стороны числа от 1 до 37, с другой буквы от A до Z до AA до AP
Ты хочешь сказать, что эта штука сама формирует VCC3B на пинах F17 E17 D18 C18 F18 E18 (которые под пузом, это же BGA)?
Насколько это точная информация?
Аноним 17/03/17 Птн 22:11:10  275715
>>275714
На всякий случай прожарил снова. VCC3B не появилось.
Аноним 17/03/17 Птн 22:35:56  275717
>>275714
Да, это мостик.
Аноним 17/03/17 Птн 23:06:07  275718
>>275717
Ну нельзя же просто так взять и сгенерировать в кристалле питающее напряжение для кучи микрух. Для этого есть обвязка всякая. Зачем выполнять её работу?
Ошибаешься ты сдаётся мне.
Аноним 17/03/17 Птн 23:40:55  275723
Кое-что нашел. Пикрелейтед.
Source = VCC3B
Drain = VCC3M
Значит из VCC3B создаётся VCC3M, а это то, что идёт первым в шаге M1_ON >>275500
Перед ним только отсутствующий VINT19
Я почти уверен, что проблема либо в VCC3M либо VINT19, но как мне кажется VINT19 запускается микрухой, питающийся от VCC3M (TSURUMIA BD4175KVT)
Аноним 18/03/17 Суб 00:11:59  275725
>>275500
Блядь. У меня новая теория. Что если VINT19 нету не из-за проблемы в нём, а из-за проблемы в предыдущем шаге - #EXTPWR
При этом когда питание всё было, у меня там было 3.2 вольта, а сейчас 0.
Кажется этот сигнал генерируется на 11 ножке MAX8724AETI
У меня там сейчас 0.04, а было (я записал, я молодец) - 0. Что в принципе одно и то же. А 0 это как раз то, что нам надо.
Ещё и подпись
>AC adapter detection = 18.17V (EXTPWR#=LOW)
DCIN = 20.2V. Нормально.
Сигнал приходит на:
H8S2161 через непонятный диод D11. Надо потом поискать. На ноге 0 вольт. То, что надо.
И на 73 ноге PMH_6 ЕБУЧИЕ 3.1 ВОЛЬТА, СУКА!
Аноним 18/03/17 Суб 00:13:53  275727
>>275725
В sequence написано, что этот сигнал должен подняться на 13.5мс, а не висеть там всё время.
Аноним 18/03/17 Суб 00:39:55  275728
EXTPWR.png (271Кб, 392x298)
В ход пошла тяжелая техника. Осциллограф.
11 нога MAX8724AETI
Это хоть и не 13.5мс, а около 1.7мс, но есть всплеск.
А на мультиконтроллере статичные 3.2
Аноним 18/03/17 Суб 00:44:04  275729
На второй ноге TSURUMIA BD4175KVT тоже есть этот сигнал. И там он 0.04. Везде 0, кроме ебучего мультиконтроллера.
Аноним 18/03/17 Суб 00:49:09  275730
>>275729
Там стоит будто транзистор. Вход звонится в MAX8724AETI, выход в микроконтроллер. Что-то должно его открыть.
Я ещё и понять не могу его номер на плате, всё так криво нарисовано.
Аноним 18/03/17 Суб 00:53:56  275731
Я нашел этого уёбка. И 47к резистор рядом с ним. Это он.
Его должен открыть некий VL5.
Аноним 18/03/17 Суб 00:58:33  275732
Открыть его должно присутствие одно из двух напряжений. VCC5M или VCC3M.
Ну пиздец теперь. Замкнутый круг.
Аноним 18/03/17 Суб 01:07:14  275733
Я не понимаю. VCC5M и VCC3M должны же появиться после этого сигнала.
У меня руки чешутся руками открыть этот транзистор, или кто он там.
Аноним 18/03/17 Суб 01:11:23  275734
>>275733
Ну я между MAX и мультиконтроллером подключил 500Ом резистор. И знаете что произошло после втыкания штекера?
ПОЯВИЛСЯ VCC3M
Аноним 18/03/17 Суб 01:47:08  275737
>>275734
Или не появился. Я 2 раза его ловил, 2.9 и 2.3 но очень редко получается. Толи я пальцем наводки создаю, толи что.
Пойду спать лучше.
Аноним 24/03/17 Птн 00:07:58  276590
Вот прошло 5 дней. Я включил его, всё загорелось, на EXTPWR# низкий уровень.
Выключил, включил, снова труп. 5 дней = одно включение.
До этого он года 2 лежал и после запайки оторванной ноги он включался раз 5-8.
Где же этот ебучий таймер находится.
Вытаскивание/вставка батарейки не помогает.
Аноним 08/04/17 Суб 22:47:20  279338
s.jpg (651Кб, 1864x1293)
Не даёт он мне покоя.
Вот включил я его, подержал 3 часа включённым, всё работает.
Закрыл крышку - ушел в спяший режим, открыл - вышел. Спящий режим работает.
Выключил через "пуск" - погасли все лампочки, больше не включается. Включится через неделю.
Вот о чём это может говорить?

Вообще у меня тут есть китайский логический анализатор на 8 каналов. Планирую припаяться ко всем интересующим меня ногам/дорожкам и потом сравнить какой сигнал после какого появляется и каких сигналов нет когда он не работает. Но это когда руки дойдут снова его разобрать.
Аноним 09/04/17 Вск 09:17:11  279347
О, как раз вспоминал о твоем треде. Вижу ты шаришь, помоги с этим:
>>278817
Аноним 09/04/17 Вск 13:26:56  279356
>>279347
Шарил бы, давно починил бы. Он у меня с 2014 года не работает.
На компах, там есть power up sequence, когда сигналы появляются по очереди. Если какого-то нет, дальше ничего не идёт и там надо искать проблему. А у тебя совсем не знаю как всё работает.
У тебя же там наверное и мультиконтроллера то нет, на который я power up sequence и гуглил.
Можешь сделать как я - на год-два спрятать планшет и подписаться на каналы по ремонту планшетов. Потом будешь основы понимать.
Аноним 09/04/17 Вск 13:39:50  279358
>>279356
>Шарил бы, давно починил бы.
И тем не менее ты очень годно описал методику поиска неисправности, ибо везде: нути пкарочь памерял тут напряжение а вот эта грееца и я иво паменял, всё)0)00. Алсо, как ты смотрел сигналы? Ведь логическим анализатором хер знает как подлезть, да даже просто для замера напряжения нужно колхозить на щупы иголки. А как тогда с бга? Там вообще хуй поймешь что и куда идет
>У тебя же там наверное и мультиконтроллера то нет
А для чего он нужен?
>Можешь сделать как я - на год-два спрятать планшет
Так и делал, лол.
>подписаться на каналы по ремонту планшетов
Подкинешь чего годного?
Аноним 09/04/17 Вск 14:03:56  279360
изображение.png (159Кб, 502x387)
>>279358
>как ты смотрел сигналы
Мультиметром. Высокие выше 1 вольта, низкие - ниже.
>колхозить на щупы иголки
Как-то видел видео, как "мастер" сжег какой-то контроллер толстым щупом. Сразу заказал себе иголки
https://www.aliexpress.com/item/huitem/1000003777056.html
>мультиконтроллер
Ну вон я нагуглил его power-up sequence >>275500 и дальше по схеме (которую тоже нагуглил) искал эти напряжения на плате. Ты даже схему хуй нагуглишь, мне кажется.
>Подкинешь чего годного
Не подписан на планшеты.
Аноним 09/04/17 Вск 14:13:04  279362
>>279360
>Сразу заказал себе иголки
Во, вот это мне нужно.
>Не подписан на планшеты.
Пофиг, кидай на что подписан.
Аноним 09/04/17 Вск 14:54:54  279363
>>279362
Вот тебе всё, что у меня в подписках связанное с электроникой. Сам разбирайся что тебе отсюда нужно.
https://www.youtube.com/channel/UCaeMWxPZ18YQ9LnQL9d6g5g
https://www.youtube.com/channel/UCUllb83Lugbka-rvF6Nutxg
https://www.youtube.com/channel/UC2EQmypjuRR4oBYQICIEgCg
https://www.youtube.com/channel/UCBFHpILBVnGGrIvYuIl34Mg
https://www.youtube.com/channel/UCc46vrfLs2XffZc99b8fC9g
https://www.youtube.com/channel/UCLAkaWhM73EJ_SvNOkoOGWQ
https://www.youtube.com/channel/UCLj-d78isdcDFvl0hQFlM-Q
https://www.youtube.com/channel/UCxU938o9vdkw9Cfxxb6GOxw
https://www.youtube.com/channel/UCsGZuIbqYS8zoxEMsAIYY9A
https://www.youtube.com/channel/UCRcKdO0BI92MOPjCByNNbAA
https://www.youtube.com/channel/UCCLoNlz8qjTa5asHuNCTPyg
https://www.youtube.com/channel/UCFXohdYAyZLxCE4CgiYDSVA
https://www.youtube.com/channel/UCM9Ua92XUC7GTAoCq8RuY9Q
https://www.youtube.com/channel/UCytTCDbkr22b5iFE60anPBg
https://www.youtube.com/channel/UC4XLoSqp43USZQOPS_CuSYg
https://www.youtube.com/channel/UC2BRRgrXKRHexiYlJUzFJjQ
https://www.youtube.com/channel/UCjFlHBwfyPrKf3CKy1n1mYQ
https://www.youtube.com/channel/UCosnWgi3eorc1klEQ8pIgJQ
https://www.youtube.com/channel/UCTwfYEACHaM8DnDU2MUmg9A
https://www.youtube.com/channel/UCG7yIWtVwcENg_ZS-nahg5g
https://www.youtube.com/channel/UCBQuNXUGkT--_gWLRThjN9w
https://www.youtube.com/channel/UCzlXwR8hC2cY2r_TbME3ORw
https://www.youtube.com/channel/UCdCT6FyoWxuqrSKtEsZfkBA
https://www.youtube.com/channel/UCiGnlm_uINZhURepVoj3liw
https://www.youtube.com/channel/UCQ_DeI9xgQAfqUgwAOmZtHQ
https://www.youtube.com/channel/UC2DjFE7Xf11URZqWBigcVOQ
https://www.youtube.com/channel/UCJ0-OtVpF0wOKEqT2Z1HEtA
https://www.youtube.com/channel/UCmQUDxog9xOQEN6d9ATkXAQ
https://www.youtube.com/channel/UCF4ZMkclZ076oudQnLITUMQ
Аноним 09/04/17 Вск 15:27:21  279365
>>279363
Спасибо.
Аноним 02/07/17 Вск 09:03:32  287883
Я бампну себе, чтоб не утонул. Собираюсь снова разобрать ноут.
Придумал простой способ - прозвонить все SMD кондёры. Они же по идее не должны звониться.
Если что-то зазвенит, значит там где-то КЗ.
Аноним 03/07/17 Пнд 12:09:55  287985
>>275126 (OP)
>сказали не знают в чём проблема, взяли деньги за диагностику

лол.

> 3 перетыкнуть штекер, чтоб включился

кз в батарее рассматривал?

вообще любой ремонт плат ноутов логично начинать с промывки платы,замены бп и просмотра цепей питания
Аноним 03/07/17 Пнд 16:27:11  287998
Прочитал весь тред но таи и не понял дежурки то все на месте ?
Аноним 04/07/17 Втр 05:36:19  288052
>>287998
Сначала были, копая схемы, нашел, что отогнута нога на одной микрухе. Припаял, всё заработало.
А теперь даже +19 вольт нету. Только какие-то +3.3 вроде.
Но раз в неделю включается, потом неделю опять нет ничего.
Аноним 18/07/17 Втр 12:26:44  289537
Оп-хуй чекал чарджер?
Аноним 24/11/17 Птн 02:07:48  303733
>>289537
Нормально всё с ним. Тут всё сложнее.
У меня всё ещё руки не дошли до ноута. Может быть через пару лет дойдут.
Аноним 24/11/17 Птн 02:47:19  303736
Меняй чарджер, дежурку, ЕС. Если не поможет - выкидывай.


Топ тредов
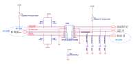
Избранное