Главная Настройка Mobile Контакты NSFW Каталог Пожертвования Купить пасскод Pics Adult Pics API Архив Реквест доски Каталог стикеров Реклама
Доски


[Ответить в тред] Ответить в тред

Check this out!


[Назад][Обновить тред][Вниз][Каталог] [ Автообновление ] 173 | 24 | 75
Назад Вниз Каталог Обновить

Малиновый тред Аноним 01/03/17 Срд 16:44:04  273410  
malina.jpg (396Кб, 1024x768)
i (3).jpg (11Кб, 428x215)
Делимся годнотой, собираем планшеты на коленке. Подбираем сборки необходимых компанентов. Короче, всё как у соседей в ардуино-треде.

Основные вопросы

-Что это за штука такая?

-Это компютер. Да, ты не ослышался, полноценный (почти) компьютер размером с пачку сигарет.

-А что он может?

Всё тоже самое что и твоя пекарня, только с оглядкой на его железо (в топовой версии, он не уступает планшетам средней категории)

А что собрать-то?

Да всё тоже самое что и на Ардуино, ограничивается только твоей фантазией.

Статья на вики, прочти, там по характеристикам разных моделей
https://ru.wikipedia.org/wiki/Raspberry_Pi

Видео мануал
https://www.youtube.com/watch?v=mojg8XBDyDw


Небольшой обзор

https://www.youtube.com/watch?v=MXK5rl3OBPQ

Купить у официального поставщика + различные модули

http://ru.farnell.com/buy-raspberry-pi

Для школоло, обзор и инструкция от Нифёдыча https://www.youtube.com/watch?v=3GtaYdjad8Q

Ну и как без Али

https://ru.aliexpress.com/wholesale?catId=0&initiative_id=&SearchText=Raspberry+Pi


Аноним 01/03/17 Срд 16:44:38  273411
>>273410 (OP)
>компютер

Тьфу, бля, не мог не обасраться.

Компьютер
Аноним 01/03/17 Срд 21:32:46  273463
Это ты тот ебанутый красноглазый хипстер, который жаловался, что у него от >>155162 (OP)-треда браузер на малине крашится?
Аноним 02/03/17 Чтв 04:48:40  273503
>>273410 (OP)
Иди нахуй, пёс. Рот твой ебал.
Аноним 02/03/17 Чтв 10:02:58  273516
Опчик, /diy/ есть живой малинатред. Лучше туда давай.
Аноним 02/03/17 Чтв 11:17:08  273520
>>273410 (OP)
ОП, без обид, у самого малинка валяется, но эта хуитка не для /ra/. На неё накатывают распбиан и быдлокодят скрипты на питоне, а в радаче сидят адепты говняшного байтоёбства и baremetal'а.
Линух обсуждают в линуксаче, питон в зыкаче. В итоге более-менее живой тред малинки в diy, но там весь раздел ещё мертвее, чем этот.

Спасибо Абу, что наплодил говноразделов, разделив и без того скудное сообщество гиков-хикканов абучана.
Аноним 02/03/17 Чтв 11:25:11  273522
Эх, ладно. А ведь на радаче тоже был малиновый тред когда-то.
Аноним 02/03/17 Чтв 13:19:49  273537
>>273520
>Спасибо Абу, что наплодил говноразделов

Двачую, скорость борды 1/год.
Аноним 02/03/17 Чтв 22:00:49  273616
>>273522
Он и в хардаче как-то был.

Короче, пиздуйте все сюда https://2ch.hk/diy/res/172936.html
Аноним 07/03/17 Втр 06:29:35  274157
>>273410 (OP)
У неё - своеобразная федора linux.
Аноним 27/03/17 Пнд 22:08:18  277009
ArduinoFioSketc[...].jpg (399Кб, 2418x2466)
я так смотрю, тут малина чрезвычайно популярна, целых поланона, включая меня

анон, расскажи плз, если есть план, как можно подключить сенсор к ардуине, каким образом можно прилепить его на малину?

пример: сенсор пыли sharp gp2y1010au0f, к ардуино подключается на пины D12 и А6, куда его пихать на малине чтобы не спалить и все заработало?
Аноним 27/03/17 Пнд 22:52:22  277016
>>277009
Этот датчик с аналоговым выходом, а в малине нет АЦП. Так что сначала найди АЦП для малины.
Аноним 27/03/17 Пнд 23:03:23  277018
>>277016
жаль, хотелось напрямую через малину. впрочем ардуино у меня тоже есть.
только вот нет кабеля на мини-юсб, но вроде можно как-то подключить ардуину к малине напрямую через пины?
Аноним 27/03/17 Пнд 23:25:18  277023
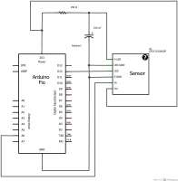
page2[1].png (154Кб, 1275x1650)
есть еще один сенсор, я о нем читаю и не понимаю, как так?
даже в датащите написано что из 4 пинов используются 3, так на кой черт нужен этот NULL-пин?
Аноним 29/03/17 Срд 10:12:23  277279
>>277018
>но вроде можно как-то подключить ардуину к малине напрямую через пины?
По SPI объединяй http://mitchtech.net/raspberry-pi-arduino-spi/
>>277023
>так на кой черт нужен этот NULL-пин?
Ни на кой. Просто тип корпуса подразумевает четыре ножки, а сборка внутри только три. Одна остаётся пустой. Ты же понимаешь, что производители микросхем и микросборок частенько используют стандартные корпуса, а не пилят свои.
Аноним 04/04/17 Втр 12:50:45  278616
maxresdefault.jpg (450Кб, 1280x720)
Могу я купить дешевку Оранж пай и накатит Кали линух и подключить альфу для бесплатного интернета? Очень интересует вопрос. awus036a братан выслал с тайваня не подделанную.
Аноним 05/04/17 Срд 15:21:36  278805
>>278616
Присоединяюсь к вопросу. Нужон маленький ПК на линуксе, с вайфаем, и чтобы консоль с мобилки по ссш. Зачем - надо.
Аноним 05/04/17 Срд 18:02:05  278848
KW-1795-4-1000x[...].jpg (86Кб, 1000x667)
>>278805
Raspberry Pi Zero W?
Аноним 05/04/17 Срд 19:45:51  278876
>>278848
Orange Pi по сравнению с этим выглядит намного лучше.

>>278805
Может целесообразнее взять нормальный роутер и прошить openwrt/lede? Или может стоит взять TV Box какой-нибудь?
Аноним 05/04/17 Срд 20:10:16  278880
>>278848
Раз уж о нём зашла речь: а оно есть живое-то по реально низкой (как распиарили) цене? А то на ебэе по обычной цене, по которой нахуй не надо такое.
Аноним 05/04/17 Срд 20:32:48  278889
>>278880
https://thepihut.com/products/raspberry-pi-zero-w?variant=30332705425
Баксов 16 с доставкой.
Аноним 05/04/17 Срд 21:07:38  278901
>>278889
При цене Orange в $8.
Аноним 05/04/17 Срд 21:07:57  278902
>>278889
Так на взгляд со стороны, за эти деньги лучше Оранж взять, разве нет?
Аноним 05/04/17 Срд 21:09:09  278904
Orange там кстати выкатил две новых модели, одну на настоящем 64-битном АРМе, а вторую под IoT с GSM (включая Windows IoT).
Аноним 05/04/17 Срд 21:12:10  278905
>>278902
Еще дешевле можно взять карманный 3G-роутер https://www.aliexpress.com/item/Binmer-MotherLander-3G-4G-WiFi-Wlan-Hotspot-AP-Client-150Mbps-RJ45-USB-Wireless-Router-Feb16/32794371881.html

И даже его вариация с встроенным аккумулятором обойдется дешевле чем это малинко https://www.aliexpress.com/item/Mini-Portable-3G-WiFi-Hotspot-Power-USB-Wireless-Router-1800mAh-Powerbank-IEEE-802-11b-ADSL-3G/32789543826.html
Аноним 05/04/17 Срд 21:16:45  278907
IMG201704052112[...].png (1210Кб, 800x600)
>>278902
Можно взять и ту и другую.
Аноним 05/04/17 Срд 21:33:28  278911
>>278904
Ссылку скинь, когда и что выкатили, а то на официальном сайте я ничего нового не вижу.
Аноним 05/04/17 Срд 21:38:50  278913
51330.jpg (30Кб, 357x400)
>>278911
В форуме смотри. И в магазине оранжистов на Али.

https://www.aliexpress.com/store/product/Orange-Pi-2G-IOT-ARM-Cortex-A5-32bit-Support-ubuntu-linux-and-android-mini-PC-Beyond/1553371_32802458477.html
https://www.aliexpress.com/store/product/Orange-Pi-Prime-Development-Board-H5-Quad-core-Support-linux-and-android-Beyond-Raspberry-Pi-2/1553371_32803048527.html
https://www.aliexpress.com/store/product/Orange-Pi-Win-Plus-Development-Board-A64-Quad-core-Support-linux-and-android-Beyond-Raspberry-Pi/1553371_32803012893.html
Аноним 05/04/17 Срд 21:43:30  278919
>>278913
спасибо, иду заказывать.
Аноним 05/04/17 Срд 21:46:36  278923
>>278919
Чего заказывать-то из них трех решил?
Я вот в раздумьях чет.
Аноним 05/04/17 Срд 21:54:14  278928
>>278923
2G-IOT. На ооиграть с модемом, в коллекцию и недорого. Остальные слишком тяжелые.
Аноним 05/04/17 Срд 22:06:30  278930
>>278928
Да, IoT-версия интересней всего выглядит, да и число заказов это подтверждает.
К ней добавить недорогой CMOS-сенсор, инфракрасный прожектор, ультразвуковой и (или) инфракрасный же датчик движения, и две-три банки лития с замером оставшейся емкости - и будет конфетка. Если софт причесать к этому всему, и корпус непромокаемый - то и коммерческий продукт.
Аноним 05/04/17 Срд 22:10:39  278931
>>278930
>Если софт причесать
Вот с этим у оранжев всегда проблемы. Я не удивлюсь что на эту модель в данный момент вобще ничего готового нет, и там нужно будет с нуля красноглазить.
Аноним 05/04/17 Срд 23:14:49  278948
>>278931
На оранжеев никто и не надеется, конечно.
Но в том что я описал, сложного ничего нет - Линукс он и в Африке Линукс.
Единственное чем могут подзасрать все это оранжерейщики, это невиданной хардверной кривотой в том как они воткнули CSI. Ну и GSM, конечно - как всегда, самый дешевый, произведенный в глухих северных провинциях, с неработающим блобом к нему и полным отсутствием документации.
В этом и есть секрет китайского маркетинга. Смотришь на ТТХ железки - ебааать, и такое-то изобилие всего за $XX!
А что из этого работает? И список сокращается вдвое.
А что из оставшегося работает более-менее прямо? И от списка не остается почти ничего.
Аноним 05/04/17 Срд 23:28:38  278955
HTB1SPWiQpXXXXX[...].jpg (483Кб, 960x1246)
>>278913
Что там за LCD интерфейс? LVDS?
Аноним 06/04/17 Чтв 00:48:39  278974
>>278955
А какие еще знаешь?
Аноним 06/04/17 Чтв 02:14:05  278979
>>278974
Те что не распберри, лол.
Аноним 06/04/17 Чтв 08:25:00  278994
pine64.jpg (1948Кб, 3130x1787)
А я купил pine64+ и обосрался.
Аноним 06/04/17 Чтв 10:44:49  279005
>>278994
>pine64+
Где, за сколько, в чем плюсы?
Аноним 06/04/17 Чтв 10:46:01  279006
>>278904
Хочу Orange Pi с FPGA и DSP.
Аноним 06/04/17 Чтв 13:19:54  279047
>>279005
Был бэкером на кикстартер.
19 USD за версию с 1 ГБ ОЗУ.
Их нет.
Аноним 06/04/17 Чтв 14:32:10  279066
icezerowithpize[...].jpeg (103Кб, 585x315)
>>279006
>FPGA
Так ведь есть всякие пи-совместимые FPGA hat'ы и extensionboard'ы вроде IceZero , не?
Аноним 06/04/17 Чтв 14:49:45  279070
>>279066
Сбоку-то можно и самому прикрутить, дело нехитрое.
Но насколько удобней было бы на той же, например, Orange IoT иметь среднего размера FPGAшечку. С image sensor берешь raw поток, и препроцессишь тут же, например. Или нормальный I2S для вывода звука делаешь.

Лучше всего, конечно, когда оно вообще в одном чипе, но Zynq дорог, а Intel после покупки Altera пока только на Xeonы и только намекает. Идиоты же. Выбросили бы на рынок Atom с небольшой FPGA в чипе - китайцы его тут же растащили бы на полезные применения, коим несть числа. И вошли бы плавно как по маслу в тот IoT+Mobile рынок, который сначала бездарно проебали, а теперь пыжатся всеми силами, а войти на него не могут никак.
Аноним 07/04/17 Птн 07:54:02  279160
HTB15oFFOXXXXXa[...].jpg (171Кб, 800x800)
Как из этой фиговины сделать wifi принт-сервер для LPT принтера?
Аноним 07/04/17 Птн 08:01:21  279163
>>279160
> для LPT принтера?
Больной штоле? Купи на барахолке заводской.
Аноним 07/04/17 Птн 08:17:43  279165
>>279160
Поставить на неё CUPS и добавить USB-LPT адаптер.
Аноним 07/04/17 Птн 09:04:24  279174
>>279165
>USB-LPT адаптер
GPIO нельзя в LPT распаять?
Аноним 07/04/17 Птн 10:37:18  279178
>>279174
Можно даже на один пин:
http://owfs.org/index.php?page=i2c-parallel-port-design
Аноним 07/04/17 Птн 10:42:45  279179
>>279178
Там же три чипа еще надо. Дешевле у китайцев USB-LPT готовый.
Аноним 07/04/17 Птн 11:31:26  279182
>>279178
Блять.
Аноним 07/04/17 Птн 13:46:33  279193
>>279179
>USB-LPT готовый
Это говно разве работает со старыми LPT принтерами? Если конкретно, то HP LJ 1100 и 2300.
Аноним 07/04/17 Птн 15:39:22  279201
IMG201503172132[...].jpg (2009Кб, 3264x1840)
>>279193
Вот ему чо нужно
Аноним 17/04/17 Пнд 16:56:09  280672
Господа радиолюбители, хочу купить Малинку на поиграться, раньше дела не имел. Подскажите, где это сделать лучше? Присмотрел себе Raspberry Pi Zero W за 10 баксов, но на алиебеях цены в разы выше.

И что такое оранж? Китайский клон?
Аноним 17/04/17 Пнд 17:26:25  280679
>>273410 (OP)
>Основные вопросы
Ну тип все понятно, главный вопрос - нахуя это все?
Аноним 17/04/17 Пнд 23:09:09  280724
>>280672
>И что такое оранж? Китайский клон?
Аналог. Пожалуй самый дешевый на рынке одноплатников. Возьми на поиграться Orange Pi Zero или Pi One.
>нахуя это все?
Ну я на малинку поставил Kodi, Deluge и Tor, можно доставить PiHole и плагины для torrent-tv. На Orange Pi Zero пишу свой софт для RTL-SDR свистка, будет типо компактный автономный SDR-сканер. Можно сделать игровую приствку со кучей старых игр с разных платформ. Можно подрубить LCD-матрицу от ноутбука через скалер и сделать фоторамку. Дофига всего Вот примеры самоделок на CHIP chip.hackster.io.
Аноним 18/04/17 Втр 00:33:47  280728
>>280724
>подрубить LCD-матрицу от ноутбука через скалер и сделать фоторамку
Хороший пример доведенной до маразма малинковости.
Если посчитать цену этой матрицы, скалера, оранжа, и не забыть сколхозить корпус.
Сравнить это с ценой фоторамки на Авито и охуеть.
Аноним 18/04/17 Втр 01:19:52  280732
>>280728
>Хороший пример доведенной до маразма малинковости.
Кнопка с крестом в правом верхнем углу решит все твои проблемы.
Аноним 18/04/17 Втр 23:54:47  280889
>>280732
Так я же не против малинковости, лишь малинковости доведенной до маразма.
Зачем делать то что уже наштамповала индустрия в большом количестве и дешево?
Делать надо новое и уникальное.
Аноним 19/04/17 Срд 02:06:06  280903
>>280889
Новое и уникальное сделать мало, нужно еще что-то практически полезное.
Свистоерделки не нужны. И поэтому не вижу практического применения ни пипке ни пердуине.
Разве что народ на них 3d-принтеры и станки ЧПУ делает из говна и палок, опять же не всем они нужны дома.
Аноним 19/04/17 Срд 03:32:06  280904
>>280903
На mysku хоть зайди.
Чего только народ на них не делает - до автоматических парников с проветриванием, поливом и логгированием.
Аноним 19/04/17 Срд 07:11:59  280933
>>280904
> до автоматических парников с проветриванием, поливом и логгированием.
> на малинке
Для этого сраной Пердуины за глаза
Аноним 19/04/17 Срд 08:00:17  280936
>>280933
>>не вижу практического применения ни пипке ни пердуине.
>Для этого сраной Пердуины за глаза
То есть с одним пунктом мы уже разобрались, практическое применение ты уже увидел.
Теперь будешь бубнеть о том что ты бы это сделал на КТ315, и всего за месяц?
Паяльники такие паяльники.
Аноним 19/04/17 Срд 14:00:31  280989
Сранные малинки и апельсинки
Аноним 19/04/17 Срд 18:18:19  281015
>>273410 (OP)
Здравствуйте, я ньюфаг. Как понял по треду в /diy, малинка ест меньше энергии чем обычные домашние пека, при этом вполне подходит для работы в интернете. У меня как раз оба родителя больше ничего почти на компьютере не делают, но хотят свой личный ноут каждый. Имеет ли смысл сделать им компы на малинке сугубо в целях экономии электроэнергии ? Сама то малина даже с монитором и периферией вроде гораздо дешевле чем обычные ноуты. Можно ли туда ставить виндовс, фаерфокс и офис ? Больше родителям ничего не требуется, даже к скорости интернета особых требований нет.
Аноним 19/04/17 Срд 18:34:35  281017
>>281015
Линь, Лису и Опенофис. Если ещё и солнечную батарею прикрутить для подзарядки, то вообще шик. Всё разместить в тонком алюминиевом чемоданчике.
Аноним 19/04/17 Срд 19:36:43  281022
>>281017
Линукс и опенофис исключены, предкам 60+. Отец в ужасе, когда на яндексе меняется оформление, нужны именно виндовс и мс офис.
Аноним 19/04/17 Срд 21:20:29  281037
>>281022
Офис на малинке. Мечта производительности.
Аноним 19/04/17 Срд 21:21:39  281038
>>281022
нихуя не выйдет, там арм проц, а на эмуль нормальной винды мощности не хватит, может, можно какую нибудь винду 95 напердолить через костыли, но это неточно.
Аноним 19/04/17 Срд 21:41:27  281041
HTB1wEnfNXXXXXX[...].jpg (74Кб, 1000x932)
>>281015
> хотят свой личный ноут каждый
Ноут для дома — довольно всратая идея. Хотя… кому-то на кровати нравится валяться
> Имеет ли смысл сделать им компы на малинке сугубо в целях экономии электроэнергии ?
Малинка жрет не меньше, чем интелбокс с обычным Шиндовсом. А в связке с монитором обе будут сравнимы по потреблению с ноутбуком.
Вот деду недавно Vorke V1 заказал, как самое дешевое, что с 4 гигабайтами оперативки нашел.
Аноним 19/04/17 Срд 22:26:57  281048
>>281041
>Ноут для дома — довольно всратая идея. Хотя… кому-то на кровати нравится валяться
У некоторых еще квартиры однокомнатные.

>>281038
Десяточка все же работает на армах. Хотя сомнительно что будет нормально работать на всяких разных одноплатниках с арм.
Аноним 19/04/17 Срд 22:48:49  281062
>>281048
> У некоторых еще квартиры однокомнатные.
У тебя CRAY и ему нужна отдельная комната?
Не совсем понимаю, в чем проблема, лол.
Пишу из общаги с ёба-десктопа.
> Десяточка все же работает на армах.
IoT Core которая? А то Гугл только новости про Snapdragon 835 выдает.
Аноним 19/04/17 Срд 23:18:23  281080
>>281048
>Десяточка все же работает на армах.
конкретно которая уже работает на арм это иот кор, как и написал >>281062 , это не полноценная ось. а та самая дисяточка на арм, которую показывали недавно, еще в процессе
Аноним 19/04/17 Срд 23:50:42  281084
>>281080
Да, ошибся. За новостями макрософта не слежу, а сделать десяточку для армов они вроде как давно обещали.

>>281062
>Не совсем понимаю, в чем проблема, лол.
Так и я тоже не понимаю таких проблем, но у многих, особенно у женщин, такая проблема возникает.
Аноним 20/04/17 Чтв 00:00:24  281086
>>281084
> Так и я тоже не понимаю таких проблем, но у многих, особенно у женщин, такая проблема возникает.
Ну, монитор, с прилепленным сзади интелбоксом, таки компактнее ноута-пятнашки. Хотя бы на длину тачпада, если учесть клавиатуру перед ним.
Впрочем, не спорю, тут уже фломастеры, что кому больше нравится. У меня тоже есть ноут для работы вне дома, легкий 11,6" с ULV процессором. Но если бы он был единственным, я б пожалуй повесился.
Аноним 20/04/17 Чтв 12:06:05  281114
>>281084
Мне с ноутом комфортней, могу лежать в кровати, могу уйти на кухню работать, пока у сестры репетитор (у нас одна комната и один стол на двоих). Хотя, недавно купил планшет трансформер на полноценной десятке, в принципе в связке десктоп+планшет удобней ноута, тем более, что у меня монструозный асус 15.6'
Аноним 20/04/17 Чтв 17:45:51  281150
>>281114
А че за планш взял?
Аноним 20/04/17 Чтв 18:21:57  281156
>>281150
Пока что дешманский престижио мультипад висконте 4у на пробу, на удивление отличная вещь, за полгода ни одного нарекания к работе, только сборка и материалы корпуса/стекло так себе, но за 10к другого не ожидал, скорее даже он превзошел все мои ожидания, тем более я скептически относился к десятке на 2х гигах оперативы (зря).
Аноним 20/04/17 Чтв 19:12:03  281162
>>281156
Я чего спрашиваю - есть 12дюймовый ноут на 10ке х64 и 2 гигами нерасширяемой оперативы, и это оочень большой тормоз. Хочу теперь трансформер купить, но с 2 гигами чет ссыкотно.
Аноним 20/04/17 Чтв 23:16:20  281179
IMG201704202312[...].png (1021Кб, 800x600)
>>278928
>>278930
Оно приехало
Аноним 21/04/17 Птн 09:16:39  281195
>>281162
Может из-за того, что в планшете ссд стоит он быстрее, хз, но серфить интернет и офисом пользоваться вполне комфортно, единственное, что видосы во флеше тупят. Даже игры конца 90 -начала нулевых идут вполне нормально,играл в дивайн дивинити без тормозов тачем
Аноним 30/04/17 Вск 16:17:25  282114
Подбираю компоненты для заказа и не могу разобраться с питанием для Raspberry. Хочу запитать от аккумуляторов NiMh, чтобы была автономность. И от блока питания на 12v, когда у розетки. Но не понимаю, как DC-DC конвертер работает.
Например, такой http://www.ebay.com/itm/200W-10A-CC-CV-DC-DC-7-32V-12v-TO-1-28V-5v-power-Buck-Converter-Step-down-module-/162238762834?hash=item25c62f0f52:g:CLEAAOSwxKtYAII0
10 ампер - хватит на всё.
Или такой, поменьше http://www.ebay.com/itm/5A-DC-DC-LED-Schaltregler-Charger-Power-Step-Down-Module-mit-USB-Port-Voltmeter-/272500585861?hash=item3f724cf585:g:3esAAOSw241YY1gR
Но выходное напряжение всегда будет то, которое выставлю? От изменения входного напряжения оно не будет меняться? От аккумуляторов ведь будет постепенно снижаться, от блока питания стабильно 12в. А как под нагрузкой себя ведут подобные конвертеры?
Аноним 30/04/17 Вск 16:23:40  282115
>>281179
Моя во Внуково зависла чот
Аноним 30/04/17 Вск 20:49:09  282143
>>282115
Отпишись как приедет - у меня тут один вопрос возник - не понимаю, проблема конкретного экземпляра, или общая, было бы неплохо сравнить.
Аноним 30/04/17 Вск 23:48:01  282153
>>282143
Ок
Аноним 01/05/17 Пнд 08:26:31  282162
>>282153
Слушай я не он, что можно сделать с этой ёбой? Зачем вы покупаете?
Аноним 01/05/17 Пнд 08:55:10  282163
14584819276190.jpg (29Кб, 450x450)
>>282162
> что можно сделать с этой ёбой?
Двухядрённый компьютер со встроенным модемом ЖПРС и вайфаем, возможностью подключения сенсорного дисплея и камеры, 40 гпио. Хм, что же можно сделать с этой йобой?
Аноним 01/05/17 Пнд 09:55:36  282165
>>282162
> Зачем вы покупаете?
Шоб було. Пока не опустился железный занавес.
Аноним 01/05/17 Пнд 11:58:11  282175
>>282162
sms-центр с GPIO, для управления и мониторинга низкоуровневой периферией (поропатроном, например)
Аноним 01/05/17 Пнд 11:59:24  282176
>>282175
самофикс: пиропатроном
Аноним 01/05/17 Пнд 12:57:26  282182
14623891786460.png (49Кб, 600x100)
>>282176
> пиропатроном
В метро?
Аноним 01/05/17 Пнд 13:25:39  282183
>>282182
Нет, в серверной. Называется "устройство экстренного уничтожения информации" (вместе с носителем).
Аноним 01/05/17 Пнд 13:41:14  282184
>>282183
> вместе
c cисадмином
Аноним 02/05/17 Втр 11:36:14  282278
s-l1600 (1).jpg (96Кб, 900x900)
NintendoGameboy.jpg (2185Кб, 1840x3020)
Купил пикрелейтед дисплей для нашей ебы, хочу запилить портативную консоль. Продавец пишет что дисплей ips, случаем не пиздит, за 17 баксов то? Есть у кого-нибудь опыть запиливания консолей на распберри?
Аноним 02/05/17 Втр 11:38:26  282279
Ссылка на лот:
http://www.ebay.com/itm/162388133572?_trksid=p2057872.m2749.l2649&ssPageName=STRK%3AMEBIDX%3AIT
Designed for Raspberry Pi Model B/B+, an ideal alternative solution for HDMI monitor
IPS technology, high quality and perfect displaying from very wide viewing angle
320×480 resolution
Convenient Men-Machine interface for Raspberry Pi, combined with the portable power, DIY anywhere anytime
Аноним 02/05/17 Втр 11:48:17  282280
>>282278
Не покупай, эта хуита от SPI работает, с диким пингом. Алсо сорцов дров нету, китайцы максимум предлагают скачать уже готовый образ оси (расбиан, кали и ещё какая-то хуита, убунта вроде) с установленными дровами. Я такую же взял один в один с алика, теперь не знаю, что с ней делать. Пруфов не будет, так как сейчас на работе
Аноним 02/05/17 Втр 12:12:04  282283
>>282280
Вроде на видео похожая хуита без лагов работает?
https://www.youtube.com/watch?v=tZWnWHVfp4I
Блажд, ты заставил меня задуматься. У тебя точно такая же?
Аноним 02/05/17 Втр 12:47:42  282292
>>282280
Я вроде документацию и дрова нашел. Мне кажется ты зря паникуешь. Все очень прилично выглядит.
http://www.waveshare.com/product/mini-pc/raspberry-pi/displays/4inch-rpi-lcd-a.htm
http://www.waveshare.com/wiki/4inch_RPi_LCD_(A)
Аноним 02/05/17 Втр 23:19:57  282373
Я вот подумал что SPI дисплей действительно не лучший выбор для игрового устройства. Аоно, что думаешь про эту няшу?
http://www.waveshare.com/product/mini-pc/raspberry-pi/displays/4inch-hdmi-lcd.htm
Дорогая, зараза!
Аноним 04/05/17 Чтв 11:00:54  282526
Посоны, как у малинки/апельсинки обсоят дела с ШИМом? Нужно управлять двумя сервами и двумя движками (последними через L298N).
Аноним 04/05/17 Чтв 14:27:44  282546
>>282143
> Отпишись
Отписуюсь, - доехала. Пока не включал, у меня оказывается флешек кончились, в Связном прихуели с расценками, заказал в Юлмарте. Как привезут, буду ставить все Андроиды.
Аноним 04/05/17 Чтв 21:24:24  282566
>>282546
Я уже разобрался - никак не мог нормально сериальную консоль сконфигурировать - на всех возможных бодрейтах только мусор на экран выдавало. Пока не прочитал мануал (тогда его еще на офф. сайте не было):

Android baud rate set as 961200


Аноним 04/05/17 Чтв 21:52:50  282572
>>282566
Я тоже приохуел с такого битрейта. Думал 11520 это предел для СОМ-порта.
Аноним 04/05/17 Чтв 22:12:18  282573
>>282526
> обсоят дела с ШИМом
Хреново. Возможен такой себе джиттеринг.
Аноним 04/05/17 Чтв 23:09:28  282576
Господа, следующий вопрос: я же правильно понимаю, что чем больше подключаемый монитор, тем больше тратится ресурсов на его обработку? А то подключаю малину к 27дюймам 1920х1080 и браузер в малине очень грустно выглядит.
Какой монитор к нему можно нормальный подобрать, кроме родного с тачем?
И еще вопрос: можно ли как-либо подцепить к нему проц на плисе?
Аноним 04/05/17 Чтв 23:14:07  282579
А еще какой смысл в впн-сервере на малине, если её айпи все равно провайдером детектится и можно настучать прийти из отдела К.
Или я не шарю в сетях?
Аноним 04/05/17 Чтв 23:20:38  282584
>>282576
> 1920х1080
Она жи вроде поддерживает фулХД? Спизди с офиса моник 1024х768 и радуйся
Аноним 04/05/17 Чтв 23:21:36  282585
>>282584
Такие моники не уметют в hdmi из коробки, насколько я помню.
Аноним 05/05/17 Птн 00:47:34  282590
Наверное, платина, но тем не менее.
Нахуя она нужна?
Вот с микроконтроллерами понятно, завёл сигналы на gpio или вход АЦП, вывел ЦАП или ШИМ, и получаешь самодостаточный девайс. Можно взять ардуину с низким порогом вхождения, можно напрячься, и освоить какой-нибудь stm32. Тактовые частоты и быстродействие даже какого-нибудь stm32f103 хватит с головой на что угодно, если вдруг захочется пилить какой-нибудь квадрокоптер, я скорее опухну от сложности матана, чем реально упрусь в пределы чипа, в крайнем случае куплю модель постарше.
С ПЛИС сложнее, но тоже ясно, это тупая логика, которую можно запрограммировать под себя. Тут ясно, что для бытовых задач это оверкилл, оно нужно лишь на совсем охуительных скоростях, например, если оцифровывать весь радиоэфир и пытаться делать сдр-приемник. Ну или собрать из кирпичиков древний процессор или даже какой-нибудь Спектрум целиком, тоже понятно.

А вот что может малинка? Я так понял, писать под голый процессор с прерываниями от железа тут не вариант, все накатывают линукс.
Но он же говно, в том смысле, что нихуя не реалтаймовый, дрыгать gpio или реагировать на прерывания оно в лучшем случае будет десятки микросекунд, хуже ардуины, АЦП нет, шим совсем никакой в сравнении с тем же стм32. Нахуя эти вычислительные мощности, если в них тупо нельзя лить данные от своего железа? А если их нет, то нахуя пердолиться с линуксом и лишними прослойками, переплачивать, занимать место и жрать энергию, если и ардуины под мелкую автоматику хватит?


А если смотреть на неё как заготовку для обычной пеки, то быдлодевайсы вроде фоторамок, всякие NAS-ы, роутеры и подобный хлам в достатке, ещё можно попердолиться с отработанными телефонами на андроиде.

Или есть какие-то уникальные фичи?
Аноним 05/05/17 Птн 00:50:20  282592
>>282590
Для меня это тоже пока глорифайд пердуина с линуксом на борту.
Аноним 05/05/17 Птн 00:55:31  282594
>>282592
Я просто попытался посмотреть на примеры работы с портами и охуел от соотношения сложности к результату. Такое впечатление, что это ардуина в терминальной стадии, конструктор потребительского говна вроде смарттв или торрентокачалок, где от заливки образа на карту памяти можно почувствовать себя ниибацо хакером.
Аноним 05/05/17 Птн 01:21:41  282596
>>282594
Я так понимаю, там работа с gpio в kernel? А уже поверх этого как обычно шьют библиотечки питона и всякого? Так это получается, как и регламируют, пека с доступной шиной.
Аноним 05/05/17 Птн 07:01:30  282599
>>282590
> заготовку для обычной пеки
Во-о-о-т! Нахуя мне ставить ПеКу, пусть даже и с miniITX и 15Вт TPD, если можно влепить Апельсину с размером меньше кредитки, поднять на ней веб-сервак и гнать на нее данные со всяких ардуин с стм.
Аноним 05/05/17 Птн 08:01:08  282600
Там пиздец, чтобы из-под ядра долбиться в регистры портов (линукс драйвер) нужно ебаться с адресами портов. ИХ ТРИ, сука, три разных адреса, по какому долбиться не понятно, два из них виртуальные. Пиздец.
Аноним 05/05/17 Птн 10:30:09  282603
>>282596
Угу. И удивляет не столько сложность, сколько бесполезность этой хуйни, да проще все gpio завести в микроконтроллер, упаковать данные в uart, и гонять на распберри пи уже его.
>>282599
Нахрена? Вот на пеку гонять данные я ещё понимаю, там их можно анализировать, например, запилить sdr-приемник. Ещё там есть pci-e, под который можно не без изъебств, но запилить переходник на плисине, и хоть гонять гигабитный поток своих данных с того же sdr-приемника или ещё какой йобы, или завести в пеку десятки тысяч датчиков одновременно, все это загнать по dma, и дальше с этим работать, будь то демодулировать сигнал, или логгировать только важные изменения.
А что распберри пи, оно не имеет ни периферии толком как у микроконтроллера, ни удобных для подключения тяжёлого железа шин, ни даже для сетевых нет возможности навесить шустрый винт или добавить эзернет-портов, если не считать костыли через usb.
А жаль, мини-пеке, но с возможностью по шустрым gpio писать прямо в память, а особенно с gpio-lvds цены бы не было, пердолинг связки из микроконтроллеров, ПЛИС и пекарни можно было бы свести к одному устройству.
Аноним 05/05/17 Птн 11:27:04  282612
>>282603
> по шустрым gpio писать прямо в память
Мне кажетсь, что и на малине/апельсине это можно замутить, вот только на процы хуй найдешь даташитов, чтоб на низком уровне кодить.
Аноним 05/05/17 Птн 11:30:08  282613
>>282573
>джиттеринг
Вот эта залупа https://ru.aliexpress.com/item/-/32670146770.html сможет мне помочь?
Аноним 05/05/17 Птн 11:46:18  282614
>>282600
Ты как-будто работал только с контроллерами и не видел никогда процов. Четыре регистра для аутпута - один непосредственное управление пинами, второй для установки, третий для сброса, четвертый для инверсии состояния - очень удобная вещь для побитовой работы. Многие регистры имеют такую структуру.

Да и вообще не понимаю бугурта контроллер vs проц - у каждого свои задачи. кортекс-м у стм заебца конечно серия и цена с потреблением супер - сам леплю их, куда только можно, но вот была задача получать по рс-485 мегабайт данных, хранить в некотором подобии базы, выводить по параллельной шине на тфт 800*600. Прицепить к стм32 внешнюю ддр - да ну на хуй, тфт - аналогично. Да, можно лепить плисы, лвдс и прочую хуетень, но в китае были многослойки на арм-9 с 256 метров ддр, нандом, шинами и за все это $4-5. Оставалось развести мазербоард с питанием и разъемами. Все это запустил безо всякой операционки - ос-лесс, летает на ура. Стоял вопрос о подключении видеограбера по усб - возможно тогда бы подумал о линуксе и оранже. Можно все это лепить на кортекс-м+плис+ддр+ацп, но время разработки совсем другое, плюс изготовление промежуточных версий плат, отладка.

>>282612
На нормальные процы всегда есть даташиты, например nxp, техас. Иногда очень скудные правда - арм-9 в описанном выше проекте был от самсунга s2c2416 - в даташите были только адрес/название регистра и описание битов - маловато, но хватило для запуска. На оранжевый олвинер-н3 тоже гуглится - dl.linux-sunxi.org/H3/Allwinner_H3_Datasheet_V1.0.pdf
Аноним 05/05/17 Птн 11:59:20  282616
>>282614
> На оранжевый олвинер-
А вот на Оранжевый RDA8810, чот нихрена не найду. Может есть подпольные ай2пи места?
Аноним 05/05/17 Птн 12:47:04  282628
>>282612
От того и бугурт, собственно. Нахуй оно надо, если есть стандартный IBM PC, не менее стандартная седьмая винда, а серьёзные девайсы обычно и так предполагают стационарное исполнение?
Я-то думал, оно идёт с подробными даташитами и возможностью без анальных плясок получить нечто на уровень выше микроконтроллера, в плане ресурсов, а это лишь супер-сверх нищебродская пека, с кастрированной по самые яйца периферией. Для готовых задач можно взять готовое решение, для сервера - некроноут даст то же самое, но с бесперебойником, всем для настройки на борту и уже в сборе. А на совсем старых ещё будет сом-порт и pci, можно напердолить свою периферию.
Аноним 05/05/17 Птн 12:54:46  282629
>>282628
Ну в принципе, соглашусь. Есть еще кучи старинных пром-материнок с РС/104. С теми наверное даже интересней и перспективней повозиться чем с малиной/апельсиной
Аноним 05/05/17 Птн 12:56:48  282630
>>282628
А заказчик говорит такой - надо на десяток объектов поставить такую хрень и в одном кожухе с камерой. А ты такой - да без проблем, прикрутим к каждой камере по ноуту или системному блоку, или вообще начинаешь рассказывать, что поставим один суперсервак и к нему поведем провода, ведь это самое правильное решение, а заказчик такой - да ну на хуй, между объектами километры, а ноут цеплять возле камеры не хочу, и за $15-20 по себестоимости ноута не будет. Промка в этом плане интереснее, но и цена совсем другая, особенно, если надо не 10 девайсов, а 100 запустить.
Аноним 05/05/17 Птн 13:17:28  282635
>>282630
Я не понаслышке знаком с камерами, и такой хуйней никто заниматься не будет - либо аналоговый сигнал по коаксиалу или витухе в видеорегистратор, либо сразу эзернет, часто с PoE в роутер. Никто вешать малинки на камеры не будет, это нетехнологично (каждую прошить, собрать в защищённый корпус, рассказать монтирующей чурке что куда пихать...) и ты будешь отвечать головой за всю эту самодеятельность, а не поставщик оборудования.
А километры проводов питания придётся проводить в любом случае, монтажники умудряются и там напутать, а им ещё сервера предлагаешь вешать, на каждую камеру.
а ещё эзернет сгниет за месяц под камерой под дождём, а с РоЕ так вообще в считанные часы
Так что на спичках приличные люди не экономят, разве что делать дом-махарайку, ещё называемый умным.
Аноним 05/05/17 Птн 13:33:32  282637
>>282635
Да это частный случай прииенения. Аналог видеорегистратора с возможностью просмотра по эзернету, стоят в складских помещениях. Но суть не в этом, найдутся и другие примеры, все зпдаси можно решать разными способами и вартант с оранж вполне имеет право на жизнь, да - не самый правильный и лучший, но по цене и времени вполне приемлемый. Да и никто не мешает оценив возможности и перспективы разработать свое.
Аноним 05/05/17 Птн 13:51:44  282640
>>282637
Да, но каких-то киллер-ниш для этих плат все равно не видно, например, для таких регистраторов с доступом через сеть наверняка есть если не готовое решение, так роутер, в котором уже будет корпус, блок питания и может даже место для накопителя на винта или флешке.
Со стороны готовых протоколов китайцы уже все что только можно придумали, остаётся только копать вниз, а вот тут и пробел с огромными сложностями и отсутствием фич.
Аноним 05/05/17 Птн 14:09:02  282642
>>282640
Киллер-ниш - не знаю, но далеко не во всем компетентен. Если отбросить все хоум эдишн разработки, то как по мне, их преимущество это скорость раработки и цена, когда заказчику надо показать какое-то решение, а потом основываясь на перспективности, крутить руки на разработку своего. Кстати умный дом на чем-то подобном еще довелось делать, контроллер сценариев подобный wirenboard на imx287.
Аноним 05/05/17 Птн 14:42:01  282651
>>282642
> умный дом
Еще в нулевых, представлял себе Умный Дом(tm) как реально самокалибрующееся/обучающееся устройство, максимально автоматизирующее рутинные домовые процессы типа отопления, кондиционирования, нагрева воды, фильтрации и прочего дренажа. На деле, до сих пор, наблюдается невнятное нечто, с мегаконским ценником и с киллерфичей в виде сценариев освещения, которые любой школьник с icq>=50 напишет на ардуине.
Аноним 05/05/17 Птн 15:05:18  282659
>>282651
А мне кажется, умный дом - это сам постирающий твою одежду и бельё, а потом заправящий обратно, приготовящий пожрать когда я вернусь с работы вечером и все такое. Ну то есть как хорошая жена, но без мозгоебли и проеба кучи денег на щоппинг. А включить свет или открыть форточку я и так могу, мне не нужна для этого автоматика и мобильное приложение.
Аноним 05/05/17 Птн 15:13:55  282663
>>282659
> постирающий твою одежду и бельё
Не велик труд запихнуть это в стиралку и без жены.
> приготовящий пожрать
Я сам люблю жрать готовить.
А вот бегать прикрывать поддувало в котле или с ужасом смотреть осенью на плесень в подвале потому-что забыл открыть весной продухи, вот это меня задрачивает и хочется автоматизации с возможностью удаленного управления.
Аноним 05/05/17 Птн 15:47:22  282671
>А включить свет или открыть форточку я и так могу, мне не нужна для этого автоматика и мобильное приложение.
Подобнве вещи рпзрабатывались для успешных людей тм, кторые хотят чтоб к их приезду или по звонку у них в доме пол уже был в районе 40, а переходя между многочисленными комнатами на этажах их сопровождало любимое инторнет радио и освещение. Ну или
> прикрывать поддувало в котле или с ужасом смотреть осенью на плесень в подвале потому-что забыл открыть весной продухи
>>282651
>которые любой школьник с icq>=50 напишет на ардуине.
Написать не проблема, даже с говна и палок, даже на 155ла3, проблема сделать все унифицированным, поддерживающим более-менее распространенные протоколы датчиков/устройств, а еще большая проблема сделать, чтоб любая макака, открыв вебморду, могла составить сценарий, типа "если 7 ноября 2017 года, если на улице >20, если влажность <100%, то включить лампочку в туалете". У вайренборды сценарии пишутся на яве, но макаки не умеют в джаву, домохазяйке надо сделать интуитивно понятный интерфейс цветные квадратики и кружочки, которые можно расставить по комнаткам и задать какие-то циферки.
Аноним 05/05/17 Птн 15:55:44  282672
>>282663
Ну, мажору со своим домом в стране с копеечной рабочей силой можно и обслугу нанять.
А простым смертным это не нужно.а
Аноним 05/05/17 Птн 16:12:30  282673
>>282672
Холопов надо кормить, а когда тебя нет дома, они будут облизывать твое столовое серебро, мокаьь хуй в твой хрусталь и сидеть жопой на твоем золотом унитазе. А к155ла3 ардуины - холодны и бесстрастны. в конечном итоге и те и другие восстанут и убьют своих хозяев
Аноним 05/05/17 Птн 17:41:18  282681
>>282613
Не уверен что малина сможет выдать хороший сигнал PWM для работы это платки. Нужен какой-то дополнительный генератор PWM.
Аноним 05/05/17 Птн 19:03:44  282692
>>282526
В принципе ничего страшного в джиттере нет. Просто в некоторых положениях серво может слегка подергиваться. Посмотри видио на тытьюбе, может тебя это устроит.
Аноним 05/05/17 Птн 21:24:32  282708
>>282681
Собственно эта хуйня и есть мультик-анальный ШИМ-генератор, управляемый по ай2си, насколько я понимаю.
Аноним 05/05/17 Птн 22:32:29  282720
>>282708
Чет не увидел на ней кварца.
Аноним 05/05/17 Птн 22:37:57  282721
>>282720
> не увидел на ней кварца.
Зачем? Главное у ШИМа коэффициент заполнения, а не стабильность частоты. Какая светодиоду разница моргать с частотой 100000Гц или 100025Гц?
Аноним 05/05/17 Птн 23:13:54  282727
>>282721
Так речь про серво а не светодиод.
Аноним 06/05/17 Суб 07:27:08  282742
>>282727
> речь про серво
А серве какая печаль какую частоту заполняют? Что 1000Гц с 70% заполнением, что 30000Гц с 70% заполнением.
Аноним 06/05/17 Суб 09:17:48  282746
>>282742
Ок. Значит эта хуитка спасет гигинта мысли.
https://www.youtube.com/watch?v=ecY-omRSMNI
Аноним 08/05/17 Пнд 20:02:21  282977
Заказал обе версии: Zero W и 3B с сопутствующими товарами из Китая. Доставка около 10$. Даже не знаю, зачем.
>>278880
https://www.modmypi.com/raspberry-pi/raspberry-pi-zero-board
5$ без Wifi, 10$ с ним. Заказать можно только одну из них, у них даже на сайте предупреждение об этом. Но 3B можно взять столько, сколько пожелаешь.
Аноним 08/05/17 Пнд 21:11:43  282989
>>282977
доставка дороже чем девайс?
Аноним 13/05/17 Суб 20:16:54  283481
>>282746
Охуенная вещь. Как раз у меня на ней сервы крутятся. Работает четко, настраивается легко. Стоит вообще хуйню какую-то. Покупал за 1.8$, вроде, с бесплатной доставкой.
Еще пробовал RGB-Led подключать. Вообще лепота. Пиксель получился с 68ккк оттенков.
Аноним 30/05/17 Втр 17:45:27  285161
>>273520
А если делать портативную консоль на основе Малинки - уже тред в тему будет?
Аноним 30/05/17 Втр 23:47:11  285187
>>285161
Да. Делай.
Аноним 01/06/17 Чтв 20:06:56  285361
Image 007.jpg (111Кб, 506x405)
Image 005.jpg (127Кб, 760x396)
Вот пидоры.
Аноним 01/06/17 Чтв 20:26:36  285366
Image 008.jpg (157Кб, 505x457)
Image 011.jpg (93Кб, 490x441)
>>282280
А что насчет дисплеев, которые по HDMI с малинке подрубаются? Им дрова специальные не нужны? И нахуя такому дисплею GPIO? Часть на питание, а остальные? На сенсорный экран что-ли?
Аноним 01/06/17 Чтв 21:20:21  285377
20160517033347-[...].jpg (29Кб, 530x397)
>>285366
У меня такой, без ГПИО:
http://wiki.52pi.com/index.php/5-Inch-800x480-HDMI-TFT-LCD-Touch-Screen_SKU:Z-0053 , драйвера не нужны, только разрешение в /boot/config.txt указать.
Аноним 01/06/17 Чтв 21:21:42  285379
>>285377
А питается он от чего? Мой вариант от gpio питалово берет, твоему же отдельное питание нужно что-ли?
Аноним 01/06/17 Чтв 21:27:14  285380
>>285379
Посмотрел. Питается от микроюсб. Но цена что-то совсем не радует.
Аноним 01/06/17 Чтв 21:28:01  285381
>>285379
Нет, питается от HDMI напрямую, если нужен тач - дополнительно подключаешь усб:
https://www.youtube.com/watch?v=n9RilB2HZm4
Аноним 01/06/17 Чтв 23:13:20  285397
>>285381
Вот эта же их модель получше будет.
http://wiki.52pi.com/index.php/5-Inch-800x480-HDMI-GPIO-Touch-Screen_SKU:EP-0072

С питанием GPIO, тач через него же подрубается.
Аноним 01/06/17 Чтв 23:33:27  285398
>>285397
От целей и задач зависит - я искал небольшой универсальный HDMI монитор для тех sлучаев когда нужен экран для разных девайсов, включая pi zero, где у меня GPIO распаян углом
Аноним 01/06/17 Чтв 23:40:55  285399
>>285361
http://www.whereismypizero.com/
Аноним 01/06/17 Чтв 23:59:08  285401
>>285399
- Пиморони не доставляет в россию
- КанаКит просит 50$ за доставку
- Пихат вообще не имеет россии в списке стран
- адафрут не доставляет в россию

Хуево все.
Аноним 02/06/17 Птн 00:11:43  285402
>>285401
А, ну да, извини, я забыл что вы там под санкциями.
Аноним 02/06/17 Птн 00:12:18  285403
>>285402
Сам то откуда двачуешь?
Аноним 02/06/17 Птн 00:14:31  285405
>>285403
Европка
Аноним 02/06/17 Птн 00:15:33  285406
>>285405
Украина не европа.
Аноним 02/06/17 Птн 00:16:59  285407
>>285406
Не знаю, наверное - никогда там не был.
Аноним 04/06/17 Вск 12:25:17  285600
>>285361
Вот здесь https://www.modmypi.com/raspberry-pi/raspberry-pi-zero-board чем не понравилось заказывать? Доставка 9.91 евро, заказал 8 мая, пришло 23 мая. В отличие от других заказов из Китая, которые заказывал в тот же день, а их нет до сих пор. Поэтому валяется Zero вместе с Pi3 из-за отсутствия девайсов и возможности подключить к монитору.
Аноним 19/07/17 Срд 16:30:56  289677
аноны а чо реальной этой хне нужны прям 5.1в 2.5а бп и не меньше и не иначе?
Аноним 20/07/17 Чтв 00:54:05  289730
>>289677
Хуита это всё.
Я малинку 2Б подключал со всей хуйней от 1амперного зарядника для телефона - никаких проблем не было.
Аноним 20/07/17 Чтв 02:09:22  289733
Двач, а есть ли возможность к обычному компьютеру подключить gpio разъёмы? Я пытался гуглить, но так ничего и не нашёл, может кто подсказать?
Аноним 20/07/17 Чтв 07:38:27  289739
>>289733
Чем тебе LPT не GPIO? Также можно использовать всякие микросхемы вроде FT232H и CP210X. А для белых людей существуют платы сбора данных.
Аноним 20/07/17 Чтв 07:40:32  289740
>>289733
http://www.a2s.pl/en/gpio,pc-expansion-card--t--1256;1458.html например
Аноним 20/07/17 Чтв 08:02:10  289741
maxresdefault.bin (69Кб, 1920x1080)
>>289740
Хули тут так дорого?!
Ценники от 10к, я уж лучше RPI тогда куплю или ардуино за 300 рублей.
Аноним 20/07/17 Чтв 11:44:53  289752
USBGPIO64114894[...].jpg (128Кб, 500x500)
>>289741

Вот дешевле лол

https://numato.com/64-channel-usb-gpio-module-with-analog-inputs/
Аноним 20/07/17 Чтв 12:15:34  289753
>>289752
спасибо куплю подключу к компу обязательно отпишусь. А к процессору можно подпаяться У меня виндовс 10 если что
Аноним 20/07/17 Чтв 13:40:38  289760
>>289739
>Чем тебе LPT не GPIO?
И сколько у тебя портов LPT на домашнем комплюктере? То, что на твоём совковом заводе до сих пор они используются, можешь не рассказывать
Аноним 20/07/17 Чтв 14:04:40  289765
>>289760
про переходники усб-лпт с али ты конечно не слышал
Аноним 20/07/17 Чтв 14:08:53  289767
>>289730
то 2б. для 3б специально новый дизайн блока питания запилили. вот я и спрашиваю как дела риальне обстоят
Аноним 25/07/17 Втр 14:22:55  290231
>>273410 (OP)
Есть такая еба - вторая. Как под нее свою прошивку писать? Линукс не всрался.
Аноним 26/07/17 Срд 09:40:11  290307
>>290231
Ну например так:
http://www.valvers.com/open-software/raspberry-pi/step01-bare-metal-programming-in-cpt1/
Или гугли "raspberry pi bare metal"
Аноним 31/07/17 Пнд 09:45:42  290744
1384321312245.jpg (32Кб, 450x539)
>>273410 (OP)
Сап, радач.
Подскажите какой-нибудь драйвер для управления связкой мощных полевых транзисторов, чтоб можно было включать-выключать через GPIO.

[Назад][Обновить тред][Вверх][Каталог] [Реквест разбана] [Подписаться на тред] [ ] 173 | 24 | 75
Назад Вверх Каталог Обновить

Топ тредов
Избранное