Главная Настройка Mobile Контакты NSFW Каталог Пожертвования Купить пасскод Pics Adult Pics API Архив Реквест доски Каталог стикеров Реклама
Доски


[Ответить в тред] Ответить в тред

Check this out!


[Назад][Обновить тред][Вниз][Каталог] [ Автообновление ] 67 | 14 | 16
Назад Вниз Каталог Обновить

Анон, помоги вкатиться в ра Аноним 28/04/17 Птн 12:25:08  281889  
images[1] (4Кб, 335x150)
анон, хочу обмазаться дииайингом, к тому же недавно недалеко от дома открылся радиомагазин, к тому же я уже держал паяльник в руках, к тому же почти учил физику, и к тому же есть пара девайсов которые я не прочь спаять, а именно:
1. я недавно купил микрофон, shure sm58, оказалось что при подключении к моей звукахе он тиховат, к тому же там балансный разъем, а на входе звукахи естественно нет. и гугл сказал мне нужен преамп. и я порылся есть довольно не сложные схемы, но самая часто встречающаяся - оп-пик, но во первых там не балансный вход, во вторых микрофон подписан как электретный, а мой то динамический. или встречаются схемы на операционниках, где нужно питание от +15 до - 15, на батарейках я разорюсь, а подходящего БП у меня нет. я могу найти +9 в педалборде, 20в от ноутбучной зарядки, а в идеале хочется запитать все от усб, так что мне нужно или простая схема с обычным питанием, или схема на операционнике и помощь в доработке питальника.
2. нашел (выковырял откуда-то) tea2025b. можно на нем спаять усилитель для наушников для электрогитары? преамп понадобится? мостом он может выдать до 4 ватт, мне стерео ни к чему, для наушников это дохуя? преамп понадобится?
верю в тебя, помогач.
Аноним 28/04/17 Птн 13:35:27  281892
preamp.png (12Кб, 499x212)
что насчет такой схемы?
Аноним 28/04/17 Птн 14:06:13  281895
отсюда http://tymkrs.tumblr.com/post/36597619505/cascade-microphone-preamp-v002
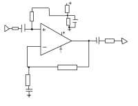
Аноним 28/04/17 Птн 15:27:07  281907
Снимок2.jpg (114Кб, 1689x1035)
упрощенный вариант
не понятно почему разброс в значении кондера. какое брать чтоб звук по минимуму менялся?
Аноним 28/04/17 Птн 15:52:17  281908
>>281907
Учембник по электротехнике почитай, а.
Аноним 28/04/17 Птн 15:54:06  281909
>>281908
и че, там будет написано что 2 схема звучит лучше первой? нет опыта - уебывай с моего двача, советник хуев.
Аноним 29/04/17 Суб 13:17:48  282017
>>281907
Это ограничительный конденстатор. Не пускает постоянку в микрофон, предотвращая тем самым КЗ. Выбирается из личных звуковых предпочтений от 0,1 до 1uF.
Аноним 29/04/17 Суб 13:32:53  282020
купил деталей на обе схемы, в будни соберу.
если питать это от усб надо кондеры на питание вешать? какой емкости?
и надо ли у усб коротить дата-разъемы?
Аноним 29/04/17 Суб 13:36:38  282021
>>282020
Если у тебя провод питания не длиннее 2х метров то можно и не вешать, если будешь всетаки вешать то вешай любые от 100мкФ(меньше нет смысла), а вообще чем больше тем лучше.
Аноним 29/04/17 Суб 14:55:54  282030
>>282021
там прям без пульсаций?
провода короткие будут, чтоб не путались.
Аноним 29/04/17 Суб 15:06:01  282032
>>282030
Ясное дело что без пульсации, там на БП все хорошо сглаживается, а потом еще дополнительно на матери.
Дата разъемы на юсб просто запаяй чтобы получше держалось и все коротить их смысла нет.
Аноним 29/04/17 Суб 15:06:12  282033
ах да, кондеры на 10uf электролиты, минус же слева на обеих схемах у них?
Аноним 29/04/17 Суб 15:09:57  282035
Если ты об этой >>281892 схеме то подбирал номиналы и саму схему делал какой-то мудак. Нахуй 2 резистора последовательно? Где C1? Нахуй С2 такой большой?
Аноним 29/04/17 Суб 19:12:09  282049
>>282035
под тем постом пост откуда схема, а в нем пост где ее пилили, это схема на основе схемы из первого поста, как я понимаю, убрали оттуда один резистор с кондером а номинал остался.
про кондеры последвательно я хз, поначалу думал что дорожки на схеме пересекаются но не контактируют, но теперь вроде как думаю нет.
про С2 ниче не знаю, ты б какой поставил?
Аноним 01/05/17 Пнд 12:42:16  282178
IMG201705011219[...].jpg (1037Кб, 3840x2160)
IMG201705011219[...].jpg (1060Кб, 3840x2160)
IMG201705011219[...].jpg (1040Кб, 3840x2160)
рейт
зеленый - вход усб, белый - вход микрофона
Аноним 01/05/17 Пнд 12:42:43  282179
IMG201705011220[...].jpg (1076Кб, 3840x2160)
IMG201705011220[...].jpg (1029Кб, 3840x2160)
Аноним 01/05/17 Пнд 15:59:06  282192
>>282178
Можно и в 2D спаять (детали в одной плоскости).
Конденсаторы на входе и на выходе замени потом на 1 мкф. Перед этим запиши голос, чтобы потом сравнить.
Было бы интересно послушать разницу, ты же выложишь записи того, что получилось?
Аноним 01/05/17 Пнд 17:32:54  282206
>>282192
> 1 мкф
надо найти их еще, рядом с работой магазина нету, он рядом с домом, а пока домой в будни доезжаю уже закрыт.
в принципе то можно и записать, че б не записать, только писать удобно дома, а паять удобно на работе, надо как-то придумать как паять чтоб носить туда-сюда и не рассыпалось.
Аноним 01/05/17 Пнд 18:09:59  282210
>>282206
Отпаяй откуда-нибудь. Найди на мусорке какой-нибудь аппарат.
Аноним 01/05/17 Пнд 18:10:34  282211
>>282206
>как паять чтоб носить туда-сюда и не рассыпалось
На макетной плате.
Аноним 01/05/17 Пнд 18:51:30  282217
>>282211
И спаянное впоследствии крепить к фанерке.
Аноним 01/05/17 Пнд 19:16:17  282220
>>282217
А фанерку в корпус
Аноним 01/05/17 Пнд 19:33:52  282221
>>282220
Во временный ящик, разве что. Потом уже в нормальный корпус без фанерки.
Аноним 01/05/17 Пнд 19:34:05  282222
>>282211
плату над найти, а я нищеброд
с корпусом такая ж херня
http://www.harmonycentral.com/forum/forum/guitar/acapella-29/1717212-
попробую потом собрать это и впиндюрить в гитару
Аноним 01/05/17 Пнд 19:51:31  282224
схема не завелась, вроде все спаяно верно, перепроверил 3 раза
транзистор можно сжечь паяльником? туговато паялся.
или косяк в том что шнур не балансный
Аноним 02/05/17 Втр 04:49:11  282254
>>281889 (OP)
>дииайингом
Диайуайингом.
Аноним 02/05/17 Втр 12:43:49  282289
итак, котани, спаял заново, на картонке.
дома проверял микрофоном shure sm58, и нихуя. тут проверил гарнитурой от пк, оно работает. но пиздец шумит, свистит, ща еще раз проверю плату, может я налажал где-то, или усб надо фильтровать, или потому что не экранирована плата, или потому что анон сказал что кондеры не те. но оно усилило сигнал, как тут сэмпл прикрутить?й
Аноним 02/05/17 Втр 13:49:17  282305
кароч схема рабочая, но питать ее от усб не варик.
воткнул на питание кондер на 1000мкф, шум стал тише, проблема в питании, но шум один хер достаточно сильный а других кондеров у меня нет.
что печалит, ведь усб всегда под рукой.
кто бы мог подумать, но старая зарядка от моторолы пиздец сколько шума выдает как питальник.
с 18650 в этом плане все охуенно, шумов нет, но она у меня одна, уровень записи поднялся не особо сильно.
Аноним 02/05/17 Втр 14:23:38  282306
14931386216852.jpg (59Кб, 700x525)
>>281889 (OP)
В твоей ОП схеме можно убрать R1, если микрофон динамический. Этот резистор просто подает питание на электретный капсюль, а гитаре или твоему шурику оно не нужно.

Самое простое, как мне кажется, запилить на операционном усилителе. Ведь ты точно не знаешь сколько милливольт выдает твой микрофон, и какой диапазон по вольтажу у звуковухи. А с операционником тупо сделаешь нужный коэффециент усиления путем подбора резистора на отрицательном входе.
Аноним 02/05/17 Втр 14:36:56  282307
jeejej.JPG (29Кб, 948x732)
>>282306
вот примерная схема
Аноним 02/05/17 Втр 14:48:57  282308
>>282306
> убрать R1
обрезать, не закоротить же?
на операционнике я планирую собрать следующую схему, отпугивает его хитрожопое питание.
Аноним 02/05/17 Втр 15:02:05  282311
>>282308
>обрезать, не закоротить же?
да. никаких закорачиваний
Аноним 02/05/17 Втр 23:03:14  282370
Lowpassfilter[1].png (1Кб, 211x130)
>>282305
Подведи питание через RC фильтр.
Резистор на 470 Ом, конденсатор на 1000 мкф.
С номиналом резистора экспериментируй. И питай от USB, чтобы сравнить с тем какие шумы были и какие стали.
Аноним 02/05/17 Втр 23:07:36  282372
>>282370
Напряжение на выходе будет плавно нарастать.
После включения громкость некоторое время тоже будет нарастать.
Аноним 03/05/17 Срд 07:00:52  282391
>>282372
прикольная фича, попробую
Аноним 03/05/17 Срд 10:15:12  282397
>>282306
> В твоей ОП схеме можно убрать R1
не завелось, на записи после этого одни шумы, то ли дело не в питании микрофона, то ли еще в чем, но сигнала я после выпайки резистора не получаю совсем.
Аноним 03/05/17 Срд 10:22:53  282399
>>282397
впаял обратно, усиляет ояебу!
ща поищу резюк на фильтр питания.
Аноним 03/05/17 Срд 11:02:16  282402
>>282399
не прокатило, поставил на фильтр параллельно 1к и 1.2к резисторы, уровень шума снизился но все равно сильный, видимо придется питать от батарей. или на репбазе лежит мой бп, который я стабилизировал лмкой и парой кондеров до 9в.
кстати, если поставить лм на 5в она обрежет напругу ровно, или кондеры понадобятся?
Аноним 03/05/17 Срд 18:31:15  282450
схема.png (315Кб, 729x654)
>>282397
>>282399
>>282402
ОП, нехуй впаивать-выпаивать детали наугад.
Отпаяй этот резистор И БОЛЬШЕ НЕ ВПАИВАЙ ЕГО НИКОГДА, он там нахуй не нужен, т.к. предназначен для подачи питания на электретный микрофон, а у тебя ДИНАМИЧЕСКИЙ микрофон.

Лови схему для динамического микрофона.
Обрати внимание, что конденсаторы в 10 раз больше. Очевидно, что динамический микрофон с бОльшей мембраной и бОльшим ходом мембраны - он работает в более широком диапазоне частот СНИЗУ.
С ХУЕВЫМИ китайскими кондерами на 0.1 мкф ты срежешь низы к хуям.
Поставь как здесь - электролиты на 10 мкф.

Обрати внимание, что в коллекторе стоит резик на 1 кОм (Я ДУМАЮ ТЫ УЖЕ ДОГАДАЛСЯ ГДЕ ЕГО ВЗЯТЬ).
Один из конденсаторов на 0.1 мкф поставь по питанию. Другой - положи в коробочку. RC фильтр оставь как есть.


Аноним 03/05/17 Срд 19:52:51  282459
>>282450
я его выпаял и схема замолчала. значит нужен.
можно собрать и так, но там транзистор другой, есть разница? критично питать от 5в, че если 9? r3 подбирать под диод чтоб не спалить, тогда, или еще что? диод только для индикации?
Аноним 03/05/17 Срд 20:01:19  282462
>>282459
>я его выпаял и схема замолчала. значит нужен.
Для динамического микрофона не нужен.
>можно собрать и так, но там транзистор другой, есть разница?
Какой другой? Какой у тебя?
>r3 подбирать под диод чтоб не спалить, тогда, или еще что? диод только для индикации?
Светодиод не нужен.
Аноним 03/05/17 Срд 20:03:12  282463
>>282459
>можно собрать и так
Ну охуеть теперь.
Начнем с того, что ты собрал НЕ ТУ СХЕМУ ВООБЩЕ.
Аноним 03/05/17 Срд 22:11:37  282484
>>282462
> Для динамического микрофона не нужен.
и тем не менее без него звука не было
> Какой у тебя?
2n3904
>>282463
> собрал НЕ ТУ СХЕМУ ВООБЩЕ
разница то не велика, кроме номиналов
Аноним 03/05/17 Срд 22:22:26  282488
220px-2n3904[1].jpg (8Кб, 220x219)
2N3904-Package-[...].png (6Кб, 238x262)
>>282484
>и тем не менее без него звука не было
Он не выполняет никакой функции. К тому же зачем спорить, если ты сам не знаешь его назначение?
>разница то не велика, кроме номиналов
Поставь рандомные номиналы - РАЗНИЦА ТО НЕ ВЕЛИКА, НО НЕ РАБОТАЕТ НИХУЯ.
Ох ты и долбоеб.

1) Вполне возможно что внутри твоего микрофона стоит электретный микрофон как в любой китайской гарнитуре вместе динамического микрофона от Shure.
2) Распиновка твоего транзистора точно правильная? Посмотри на картинки - транзистор один и тот же, а распиновки разные.


Аноним 04/05/17 Чтв 02:00:06  282506
>>282488
Уебался что ль? Одна и та же распиновка.
Аноним 04/05/17 Чтв 06:47:02  282508
>>282488
> внутри твоего микрофона стоит электретный микрофон
сигнал без преампа при этом есть, просто тише
> Поставь рандомные номиналы - РАЗНИЦА ТО НЕ ВЕЛИКА
о блять, я поменял резистро с 100к на 102 и получил новую схему, номиналы то изменились.
> распиновки разные
я кажется понял кое-что насчет тебя.
Аноним 04/05/17 Чтв 08:52:16  282516
>>282506
На первой картинке справа распиновка другая обозначена.
Аноним 04/05/17 Чтв 09:44:05  282518
>>282508
>о блять, я поменял резистро с 100к на 102 и получил новую схему, номиналы то изменились.
Вообще-то нет, у тебя номиналы в 10 и в 100 раз отличаются.

Аноним 04/05/17 Чтв 10:07:27  282523
>>282459
>я его выпаял и схема замолчала. значит нужен

может у тебя и не шурик вовсе? ты уверен что у тебя оригинальный динамический микрофон, лол? Ты где его брал то?
Можешь на вид отличить динамическую головку от электретной?
Или в шурах какой-то встроенный усилитель имеется требующий питания?
Аноним 04/05/17 Чтв 10:46:29  282524
>>282516
Совсем дебил слепой? Одна и та же.
Аноним 04/05/17 Чтв 10:53:34  282525
>>282524
переверни левую картинку на -90 градусов. Когда плоская сторона смотрит вверх у неё получается CBE а на правой картинке уже плоская смотрит вверх, и там EBC
Аноним 04/05/17 Чтв 11:23:03  282530
>>282523
питания требуют конденсаторные микрофоны, шурик динамический.
настоящий шурик, пошел на студию к знакомому, сравнили с его настоящим шуриком, послушали оба, все ок.
питания он не требует.
кроме того, паяю я на работе, тестю компьютерной гарнитурой косс, там маленький динамический микрофон, тоже работает без преампа и с преампом, тоже не заработал без отпаянного резистора.

распиновка на картинках одинаковая.
Аноним 04/05/17 Чтв 11:28:34  282532
>>282530
Доставь ссылку на гарнитуру koss.
>распиновка на картинках одинаковая.
>>282525
> переверни левую картинку на -90 градусов. Когда плоская сторона смотрит вверх у неё получается CBE а на правой картинке уже плоская смотрит вверх, и там EBC
Аноним 04/05/17 Чтв 11:33:38  282533
>>282530
SB40 наверное?
Открой корпус микрофона и погляди - вполне возможно, что там усилитель.

Дело в том, что конденсатор, который подключен к базе транзистора отсекает постоянное напряжение с резистора и далее этот резистор никак не влияет на остальную схему.

Измерь сопротивление конденсатора на базе транзистора - может он уже давно не конденсатор и течет как сука?
К тому же такого типа кондеры - это худший выбор для аудио.
Аноним 04/05/17 Чтв 11:40:35  282535
>>282532
> Доставь ссылку на гарнитуру koss
https://www.koss.com/headphones/headsets/sb45-824
>>282533
> Открой корпус микрофона
он заклеен

детали на первой фотке все заменены на новые
плату я вчера отнес домой потестить с микрофоном, но, мудак, да, забыл микрофон на работе. сегодня у меня репа, так что буду поздно и будет не до тестов. на выходных уеду на природу до 10 числа, так что ближайшую неделю можно выбирать новую схему, посматриваю на лм386, мне не нравится что в этой один выход из микрофона замыкается на корпус, там же хлр, надо мутить что-то на операционнике и оба выхода задействовать.
Аноним 04/05/17 Чтв 12:25:46  282538
14938393469301.png (8Кб, 238x262)
14938393469300.jpg (16Кб, 220x219)
>>282525
Блядь, скажи, что ты тралишь, таких даунов не бывает. Смотрим с лицевой стороны и считаем пины слева направо. 1-2-3 E-B-C
Аноним 04/05/17 Чтв 12:33:24  282540
>>282538
На правой пикче на 3D и 2D по-разному ноги подписаны.
Я сейчас говорю не про подписи в пеинте.
Аноним 04/05/17 Чтв 13:17:31  282542
>>282540
Как они блядь по-разному подписаны? 2Д это вид сверху. Или вы еще в 6 классе черчение не проходили и ты не знаешь, что вид снизу нихуя почти не используется?
Аноним 04/05/17 Чтв 13:31:16  282543
>>282542
Черчение здесь непричем.
Там изображены ноги.
На виде сверху их не будет видно.
Аноним 04/05/17 Чтв 14:36:27  282547
3904[1].jpg (35Кб, 367x378)
2n3904-and-2n39[...].253 (4Кб, 336x240)
2N3904-Package-[...].png (6Кб, 150x150)
извините что встреваю, но может поможет
Аноним 04/05/17 Чтв 15:01:05  282548
>>282547
Не, с распиновкой не ошиблись.
Аноним 08/06/17 Чтв 16:26:08  285934
IMG201705231534[...].jpg (974Кб, 3840x2160)
IMG201705231543[...].jpg (1029Кб, 2160x3840)
IMG201705231548[...].jpg (1277Кб, 3840x2160)
IMG201705231548[...].jpg (1328Кб, 3840x2160)
зацени, анон
Аноним 08/06/17 Чтв 16:28:31  285935
IMG201705231552[...].jpg (1200Кб, 2160x3840)
IMG201705231616[...].jpg (913Кб, 3840x2160)
IMG201705311429[...].jpg (800Кб, 3840x2160)
IMG201705311429[...].jpg (858Кб, 3840x2160)
Аноним 08/06/17 Чтв 16:29:56  285936
вот что я не понял.
есть схема, но по ней плату не вырежешь, плату я сочинял сам, просто прикинув хуй к носу, пробовал в какие-то онлайн проги, но нихера не понял как там из платы сделать схему и наоборот. ладно эта была простой, но это ж не всегда так, как это делается по правильному?
Аноним 08/06/17 Чтв 18:04:17  285943
>>285936
Для самых маленьких: Splan и SprintLayot.
Посерьёзней - Proteus, DipTrace, KiCad...
Совсем суровые дяди пользуют Mentor.
Аноним 08/06/17 Чтв 22:36:05  285966
>>285943
ок, пороюсь, спасибо
Аноним 09/06/17 Птн 08:18:12  285977
>>285943 Ловите говноеда.
>>285966 Eagle если попроще или Altium если по хардкору.
Аноним 09/06/17 Птн 14:35:51  285989
>>285977
тоже спасибо

[Назад][Обновить тред][Вверх][Каталог] [Реквест разбана] [Подписаться на тред] [ ] 67 | 14 | 16
Назад Вверх Каталог Обновить

Топ тредов
Избранное