Главная Настройка Mobile Контакты NSFW Каталог Пожертвования Купить пасскод Pics Adult Pics API Архив Реквест доски Каталог стикеров Реклама
Доски


[Ответить в тред] Ответить в тред

Check this out!


[Назад][Обновить тред][Вниз][Каталог] [ Автообновление ] 6 | 1 | 5
Назад Вниз Каталог Обновить

Помогите Аноним 03/04/17 Пнд 18:08:35  278507  
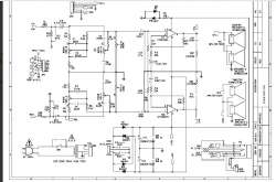
23213231231.JPG (107Кб, 955x631)
Есть аккустика, начала фонить главная колонка, произведена замена электролитов, не помогло, менялись местами TDA2030, тоже не помогло, что еще может быть причиной фона?
Аноним 03/04/17 Пнд 18:14:12  278509
>>278507 (OP)
С одним к
Аноним 03/04/17 Пнд 18:15:18  278511
>>278509
дельный совет
Аноним 03/04/17 Пнд 19:45:00  278521
>>278507 (OP)
опиши свое "фонить" подробнее и сделай фото плат.
Аноним 03/04/17 Пнд 20:17:18  278528
>>278521
шум как в радиоприемнике на пустой волне
Аноним 03/04/17 Пнд 22:55:36  278571
>>278528
"белый" шум.
Аноним 04/04/17 Втр 12:52:20  278617
>>278528
Отвалился какой элемент по входу или в цепи ОС скорее всего, возможно подустали С11 С12 в твоей схеме хотя у них условия отличные, только если брак. Фото платы делай и сам внимательно смотри. К другому источнику сигнала подключать надеюсь догадался?

[Назад][Обновить тред][Вверх][Каталог] [Реквест разбана] [Подписаться на тред] [ ] 6 | 1 | 5
Назад Вверх Каталог Обновить

Топ тредов
Избранное